Предложения по эффективному развитию ветровой электроэнергетики в Республики Казахстан
ВВЕДЕНИЕ
Положительные перспективы развития человечества в значительной степени связаны с обеспеченностью его энергией. Эти энергетические потребности с каждым годом растут из-за динамичного развития промышленности, необходимости улучшения производственных и бытовых условий жизни людей, быстро развивающейся мировой транспортной системы, необходимости выравнивания факторов эффективности развития экономики, социально-экономических условий производства и быта населения, находящегося в альтернативных климатических условиях, а также для защиты человечества от внутренних и внешних угроз.
Термин возобновляемые источники энергии (ВИЭ) подразумевает источники энергии, которые имеют, прежде всего, неисчерпаемый лимит и могут использоваться без какого либо ущерба для экономики в течение ближайших 1000 лет.
К возобновляемым источникам энергии относятся солнечная энергия и ее производные: энергия ветра, энергия приливов и отливов. К возобновляемым источникам энергии относят также геотермальное тепло, в основе которой использование тепла недр Земли, низкопотенциальное тепло окружающей среды, а также некоторые источники энергии, связанные с жизнедеятельностью человека (тепловые «отходы» жилища, органические отходы промышленных и сельскохозяйственных производств, бытовые отходы и т.п.).
Актуальность проблемы заключается в том, что использование традиционных источников энергии невозможно длительное время и может закончиться, по прогнозам ученых, ближайшие 100-200 лет при существующих темпах энергопотребления. Ухудшающаяся с каждым годом экологическая обстановка во всем мире также не способствует увеличению затрат угля и нефти как источников энергии. Проблема энергетики есть еще и в том, что количество людей на планете не уменьшается, а количество автоматизированной техники увеличивается с каждым годом.
Также существует тенденция перекочевки населения из села в город. При этом люди, переехавшие жить в город, начинаю обзаводиться всякой автоматизированной техникой (стиральные машины, пылесосы и т. д.), что приводит к увеличению энергопотребления на душу населения. Вводимые ограничения по энергопотреблению (100 кВт на человека) со стороны энергоснабжающих компаний не приводит к уменьшению потребления электроэнергии, а позволяет лишь сбалансировать график электрических нагрузок на подстанции.
Научная новизна дипломной работы состоит в исследовании и обосновании новых ветровых технологий
Практическая значимость работы состоит решении энергетических, экологических и социально экономических проблем Казахстана.
Оценка современного состояния решаемой проблемы.
Энергетика в ее сегодняшнем состоянии использует в основном невозобновляемые источники энергии, такие как уголь или нефть, запасы которых ограничены на нашей планете. Такое развитие электроэнергетики оказывает отрицательное влияние на окружающую среду как антропогенный фактор, кроме того, перспективы развития электроэнергетики весьма и весьма расплывчаты и туманны.
Возобновляемые источники энергии имеют большой потенциал развития, поскольку запасы недр нашей планеты уменьшаются с каждым годом, а энергопотребление, наоборот, увеличивается.
Количество людей на планете также неизменно увеличивается, а, следовательно, человечество будет требовать все новых и новых запасов источников энергии. Но увеличение производства электроэнергии будет приводить ко все большему потреблению угля и нефти и ухудшающейся экологической ситуации на планете. Использование же возобновляемых источников энергии не несет такого большого вреда экологии и не уменьшает запас этих источников с течением времени.
Вместе с тем технологии производства и использования возобновляемых источников энергии развиваются с каждым годом и носят международный характер. Многие страны мира стремятся все больше использовать нетрадиционные возобновляемые источники энергии, производство элементов возобновляемых источников поставлено на коммерческую основу и широко внедряется во многих технологических процессах
Цель дипломной работы - обосновать предложения по эффективному развитию ветровой электроэнергетики в Республики Казахстан.
Для достижения этой цели были сформулированы следующие задачи работы:
1) Провести анализ состояние развития теории и практики мировой ветроэнергетики.
2) Исследовать европейский рынок ветровой энергетики и прогнозы ожидаемых темпов её развития.
3) Анализ рациональных вариантов схем электрических соединений ветропарков.
4) Исследовать принципы работы ветроустановок и классификацию ветротурбин.
5) Анализ проекта Правительства Казахстана и программы развития ООН «Казахстанинициатива развития рынка ветроэнергетики» г.Аркалык Костанайской области.
6) Обосновать предложения по развитию ветровой электроэнергетики в Казахстане (для выбранного объекта исследования) и оценить их экономическую эффективность.
Основным объектом исследования является энергетическая система Республики Казахстан.
Предмет исследования: теория и практика преобразования энергии ветра в электрическую энергию при помощи ветрогенераторов.
В процессе выполнения дипломной работы использовались следующие основные методы исследований: аналитический, статистический, расчётный, монографический, исторический
-
МИРОВАЯ ТЕОРИЯ И ПРАКТИКА ВЕТРОЭНЕРГЕТИКИ
1.1 Состояние и мировые перспективы развития ветровой энергетики
Ветроэнергетика на сегодняшний день является самой быстрорастущей отраслью среди альтернативных источников энергии. За последние двадцать лет эта область превратилась из экзотического явления в стремительно развивающееся направление, где разработаны более эффективные и надежные технологии, стоимость которых за десять лет снизилась почти вдвое, что позволило наладить их коммерческое производство.
Современная ветровая турбина способна производить электричества в 180 раз больше, чем 20 лет назад, а стоимость оборудования на единицу продукции (кВт/ч) за эти годы упала более чем вдвое.
Если в 2001 году размер инвестиций в развитие ветровой энергетики составлял примерно 765 долларов на 1 кВт, а, следовательно, 3,6 центов за 1 кВт/час. Тогда 2010 году предполагается, что объем вложений снизится до 550 долл. США на 1 кВт, и тогда стоимость электричества будет составлять 2,6 центов за 1 кВт/час [2].
Согласно данным Международного энергетического агентства, затраты на установку ветровых электростанций составляет в среднем 1250 долл. США за кВт, таким образом, по сравнению с двадцатилетней давностью стоимость ветровой энергии снизилась с 0,8 долл. США за кВт/ч до 0,04. Благодаря быстро развивающимся технологиям и повышению производительности общая стоимость ветровой энергии продолжает снижаться.
Более того, формирование ветровой энергетики как самостоятельной отрасли положительным образом сказывается на экономическом развитии современного общества. Совет по ветровой энергии оценил уровень занятости в секторе ветровой энергетики в объеме примерно 350 000 человек.
Ветроэнергетический бизнес вызывает серьезный интерес у внешних инвесторов. Так, в 2002 году производитель ветротурбин компания «Enron Wind» была куплена подразделением «General Electric» - одной из крупнейших корпораций в мире. В 2004 году «Siemens» поглотил датского производителя «Bonus Energy». В секторе распределения электроэнергии несколько крупных компаний стали собственниками ветропарков. К ним относятся компании «Florida Power and Light» в США и «Iberdrola» в Испании, каждая из которых является владельцем ветропарков мощностью более 3 500 МВт.
Значимым является и решение ряда нефтяных компаний осуществлять финансовые вложения в ветровую энергетику. Например, подразделение по возобновляемым источникам энергии компании «Shell» уже инвестировало в строительство 850 МВт ветровых мощностей (в основном в США). Эти процессы свидетельствуют о том, что ветровая энергетика становится ведущим направлением на энергетическом рынке. Энергетический потенциал ветра в настоящее время используется более чем в 70 странах мира. Если в 2001 году общая установленная мощность ветровых станций составляла 24 320 МВт, то в конце 2007 года она увеличилась почти в 4 раза, достигнув 93 000 МВт.
С 2002 года мощность энергии, вырабатываемой ветром, стабильно увеличивается в среднем на четверть. Этот рост обоснован, преимущественно, тем, что в таких крупных державах, как США, Испания и Китай, где рынок ветровой энергии уже сформировался, вводятся новые дополнительные мощности. Самая крупная в мире ветровая электростанция «Стейтлайн» расположена именно на территории США, в штатах Орегон и Вашингтон, ее общая мощность составляет 300 МВт.
Как видно из нижеследующей диаграммы (в соответствии с рисунком 1), лидирующие позиции на рынке ветровой энергии по совокупной установленной мощности на сегодняшний день занимает Европа.

Рисунок 1. Географическое распределение рынка ветроэнергетики, 2007 г.
Среди стран в 2007 году установленная мощность ветряного электрооборудования самого высокого показателя достигла в Германии - 22,247 МВт, затем следуют США - 16,819 МВт, Испания - 15,145 МВт, Индия - 7,850 МВт, Китай - 5,899 МВт и Дания - 3,125 МВт. Общая добавленная мощность ветряного оборудования в 2007 году составила приблизительно 19,696 МВт, из них 43,6% были введены в Европе [3].
По странам в тройку лидеров по наращенным мощностям в области ветроэнергетики входят США, Испания и Китай. В Германии и Индии ввод новых мощностей по сравнению с 2006 г. снизился, а Дания в течение последних двух лет вообще не добавляла мощностей. Общая стоимость нового оборудования, установленного в прошлом году, составила 36 млрд. долларов.
В области проведения научных исследований и усовершенствования технологий, лидирующие позиции также занимают Европа и Северная Америка. Однако в последнее время в этом направлении активно работают такие развивающиеся страны, как Китай, Индия и Бразилия. Стоит заметить, что на азиатском рынке ветровой энергетики на сегодняшний день наблюдается тенденция к стремительному росту, чему способствуют проведение постоянных исследований и государственная поддержка.
В 2007 году общая мировая установленная мощность ветровой энергетики составляла 93,849 МВт, из которых 98,5% было установлено в прибрежной зоне. В 2007 году мировая мощность береговых ветростанций увеличилась на 26,8 %. 61 % установленной мощности береговых электростанций в прошлом году был сосредоточен на территории Европы. По странам тройку лидеров по установленным мощностям береговых ветростанций за тот же период представляли Германия, США и Испания. В Азии и Тихоокеанском регионе береговая ветровая энергетика наиболее быстрыми темпами росла в Китае, где установленная мощность возросла примерно в 1,3 раза. В десятку стран по величине мощностей береговых ветровых станций также входят Индия, Дания, Франция, Великобритания, Италия и Португалия.
Наиболее подходящими местами для производства энергии из ветра считаются прибрежные зоны, поэтому оффшорные (морские) ветряные электростанции на сегодняшний день можно назвать перспективной отраслью ветроэнергетики. Сейчас это направление в основном развивается в Европе и США. В мировом масштабе подобные сооружения пока не распространены в силу своей высокой капиталоемкости, недостаточного уровня разработки, отсутствия квалифицированного персонала, нехватки соответствующих вспомогательных служб (например, плавучие краны), конкуренции за место с другими пользователями морских ресурсов и прочих нерешенных вопросов. Тем не менее, морской ветер обладает значительным энергетическим потенциалом, что требует динамичного развития соответствующих технологий. В последнее время в данном направлении наблюдается существенный прогресс, разработаны проекты крупномасштабных ветростанций, которые смогут работать в морях и океанах. Однако результаты развития ветропарков морского базирования будут ощутимее, если данное направление получит поддержку со стороны морской нефтегазовой отрасли, энергетической сферы, поставщиков сервисных услуг и других смежных областей. Благоприятное воздействие на распространение ветровых станций в открытом море окажут также партнерские отношения между различными странами в целях создания совместных проектов.
Возможность установки ветротурбин в море открыла новые горизонты для ветровой энергетики, особенно в северной части Европы, для которой характерно относительное мелководье прибрежных акваторий и наличие спроса на осуществление более масштабных проектов по сравнению с проектами на суше. По состоянию на 2011 год европейская морская ветровая отрасль включала 25 действующих станций общей мощностью около 1100 МВт, установленные в пяти странах - Дании, Великобритании, Нидерландах, Швеции и Ирландии. Сооружение этих электростанций потребовало вложений в размере 2,1 млрд. долларов, общее количество турбин, которыми оборудованы упомянутые ветропарки, составляет 440 штук. [3].
До настоящего времени серийное производство морских ветровых систем не налажено. Сектор находится на стадии развития и больше использует крупные специализированные компоненты, чем стандартные механизмы, выпуск которых необходимо наладить для того, чтобы снизить себестоимость полученной энергии до минимума.
Предполагается, что в 2008-09 годах рынок морской ветровой энергетики пополнится проектами общей мощностью приблизительно 1,5 ГВт, которые будут осуществлены в Великобритании (800 МВт), Дании (200 МВт), Швеции (140 МВт), Нидерландах (120 МВт), Франции (105 МВт), Германии (60 МВт) и Бельгии (30 МВт). Ожидается, что к концу 2008 года в Европейском Союзе 80% рынка морской ветровой энергетики будет сконцентрировано в Дании и Великобритании.
По оценкам Европейской Ассоциации ветровой энергетики (EWEA), к 2020 году только в Европе морские ветростанции будут производить примерно 20-40 ГВт энергии. Не так давно в США также было разработано два проекта ветропарков в открытом море, которые планируется разместить в штате Массачусетс и Нью-Йорке.
В силу своей специфики установка ветровых турбин в море оказалась дороже, чем аналогичные построения на суше. 1 кВт/час, выработанный, например, европейскими морскими ветровыми станциями стоит от 0,08 до 0,15 долларов, что вдвое выше стоимости энергии, полученной береговыми ветряными сооружениями.
Региональные тенденции рынка.
Европа вот уже на протяжении нескольких лет является постоянным лидером на рынке ветроэнергетики, не смотря на то, что ее доля с каждым годом снижается за счет развития данного направления на других континентах.
Ежегодно мощность энергии, полученной из ветра, в Европе увеличивается на 30%, а рынок соответствующего оборудования - на 25%. Если в 2006 году установленная мощность на европейском рынке ветроэнергетики возросла на 7,619 МВт, то в 2007 этот показатель составил уже 8,554 МВт, в итоге общий результат равнялся 56,535 МВт [4].
Более того, европейский рынок очень разнообразен и мало зависит от изменений в области ветроэнергетики той или иной страны, например, Германии или Испании.
На сегодняшний день ветряная энергия используется в 27 странах Европы. Доля установленной мощности оборудования для выработки энергии из ветра, приходящаяся на каждую из этих стран, показана ниже (в соответствии с рисунком 2).


Рисунок 2. Распределение европейского рынка ветровой энергетики (2007 г.)
Как видно из диаграммы, ветроэнергетика наиболее развита в Германии, за ней следует Испания и Дания. Такие страны, как Чешская Республика, Финляндия, Украина, Болгария, Венгрия, Эстония, Литва, Люксембург, Латвия, Румыния, Словакия, Кипр, Мальта и Словения все вместе составляют 1 % от общей установленной мощности.
Лидером среди стран по введению дополнительных мощностей в прошлом году стала Испания, которая добавила к имеющимся 15 145 МВт 3 522 МВт. Германия же к своим 22 247 МВт прибавила только 1 667 МВт, что не помешало ей сохранить за собой лидерство на европейском рынке ветроэнергетики.
Германия начала использовать энергию ветра в 1980-х годах. Уже в 1991 эта страна обладала чуть более 100 МВт установленной мощности ветряного оборудования, которая к концу 1997 года увеличилась до 2 000 МВт, тогда Германия завоевала первенство в мире по использованию энергетического потенциала ветра, обойдя США и сохраняя эти позиции до сегодняшнего времени.
В настоящий момент на рынке ветроэнергетики Германии работают следующие компании (в соответствии с рисунком 3):

Рисунок 3. Ведущие игроки на немецком рынке ветроэнергетики, 2007 г.
Согласно оценкам специалистов Немецкого института ветровой энергии, 37 % турбин для выработки энергии из ветра и соответствующих компонентов изготовлены в Германии. Одним из направлений развития рынка ветроэнергетики в этой стране в последнее время отмечается начавшийся переход на новый электропривод, то есть старые ветровые турбины заменяют новыми, более усовершенствованными. Кроме того, здесь уделяют огромное внимание развитию морской ветроэнергетики, ожидается, что к 2010 году мощность ветропарков морского базирования достигнет 1 100 МВт, а к 2020 году увеличится до 12 000 - 15 500 МВт.
С 1990 года Германия разрабатывает различные законопроекты, способствующие развитию ветроэнергетики. Правовая основа ветроэнергетики Германии в качестве модели была заимствована такими странами, как Франция, Греция, Испания, Австрия, Япония, Бразилия и Аргентина.
В начале 90-х гг. Германия утвердила Закон об электроснабжении. Он гарантировал владельцам ВЭУ, что электроэнергетические концерны будут закупать у них электричество по достаточно высоким ценам. В 2000 году в этой стране вышел Закон о Возобновляемых источниках энергии (EEG), который уже непосредственно регулировал данную область. Введение этого законопроекта позволило втрое нарастить установленную мощность ветростанций, если в 2000 году этот показатель составлял 6 113 МВт, то в 2007 он уже был равен 22 247 МВт. EEG гарантировал владельцам ветроустановок, что в течение 5 лет операторы электросетей будут покупать у них энергию как минимум за 9,10 центов. После этого стоимость 1 кВт/час снижается в зависимости от того, достигли ли ветростанции 150 % от рассчитанного дохода.
Кроме того, в Германии участникам ветроэнергетического рынка оказывается финансовая помощь. Например, немецкий банк выравнивания бремени («Deutsche Ausgleichs Bank» - банк, выполняющий особые функции) предоставляет ссуды, процентная ставка которых на 1-2 % ниже, чем на рынке, а Федеральное Министерство Просвещения и Исследования обеспечивает материальную поддержку в области научно-исследовательских и опытно-конструкторских разработок.
Стремительным ростом на европейском рынке ветроэнергетики отличилась также Испания, которая наращивает мощности ветроэнергетики с середины 90-х годов. На тот момент общая установленная мощность ветряного оборудования составляла 7 МВт, в прошлом году этот показатель возрос до 15 145 МВт .
Согласно оценкам испанского правительства в настоящее время в область ветроэнергетики вовлечено около 300-400 компаний. Одной из ведущих фирм, ставшей еще в 1980 году первопроходцем в области установки ветровых турбин, является «Ecotecnia», которая до сих пор стоит в числе главных игроков на испанском рынке ветроэнергетики. Среди лидирующих изготовителей ветрооборудования и операторов соответствующих станций также можно отметить такие компании, как «Gamesa Eolica», «Iberdrola» и «Acciona Energia», известные не только в Испании, но и во всем мире. Большое внимание в этой стране уделяется также развитию оффшорных ветровых станций, поскольку имеет необходимый потенциал.
Правительство Испании активно стимулирует развитие ветроэнергетики в стране, предоставляя частным инвесторам различные льготы. Во многих провинциях застройщики получают доступ к строительным площадкам только при условии оказать содействие развитию промышленной базы ветроэнергетики.
Америка стала одним из первых государств, кто начал использовать ветер в качестве источника энергии. По состоянию на 2007 год общая установленная мощность ветровых станций в США была равна 16 818,8 МВт.
Наиболее развита область ветроэнергетики в штатах Техас (4 356 МВт), Калифорния (2 439 МВт), Миннесота (1 299МВт), Айова (1 237 МВт) и Вашингтон (1 163 МВт). Подъем рынка ветроэнергетики США происходит, прежде всего, благодаря введению трехлетнего льготного периода для ветровой индустрии. Льготный период обеспечивается на федеральном уровне за счет Производственного налогового кредита. [5].
Азиатский континент становится одним из основных центров развития ветроэнергетики. Самым мощным азиатским рынком остается Индия, где общая установленная мощность ветропарков в прошлом году составила 7 850 МВт, за ней следует Китай с показателем 5 912 МВт.
Несмотря на низкую активность в области ветроэнергетики на рынке Латинской Америки, в таких государствах, как Бразилия и Мексика наметился существенный всплеск в развитии данного направления. Основным барьером, стоящим на пути формирования ветроэнергетики как полноценной отрасли является недостаточно разработанная нормативно-правовая база.
Менее интенсивно ветроэнергетика развивается в Африке. В основном энергетический потенциал ветра используется в северной части континента. Марокко, Тунис и Египет представляют тройку стран-лидеров в этой части света по установленной мощности ветростанций.
Ключевые игроки на рынке ветроэнергетики.
Крупнейшим в мире поставщиком ветротурбин является европейская компания «Vestas». Фирма производит промышленные ветрогенераторы мощностью от 850 кВт до 3,0 МВт. Согласно данным 2007 года «Vestas» установила в 63 странах мира 33 685 ветрогенераторов суммарной мощностью 25 721,75 МВт.
Другим ключевым игроком на исследуемом рынке является многопрофильная компания «GE Energy», работающая в сфере высоких технологий, а последние 20 лет известная также как ведущий поставщик и изготовитель ветровых турбин. За это время компания установила более 8 000 единиц техники общей мощностью более чем 11 300 МВт. В ассортименте компании наличествуют ветротурбины мощностью от 1,5 МВт до 2,5 МВт.
Не последнее место на рыке оборудования для ветростанций занимает компания «Gamesa Corporation Tecnologica», которая помимо ветрогенераторов специализируется также на выпуске солнечных установок. Фирма предоставляет широкий спектр оборудования и развивает свою деятельность преимущественно в Европе, США и Китае.
Немецкая компания «Enercon GmbH» установила 12273 ветряные турбины более чем в 30 странах мира. На международном уровне в области ветроэнергетики известна также компания «Siemens». Однако быстрый рост ветроэнергетической отрасли требует от изготовителей ветряных установок более адекватного реагирования на изменения на рынке, поскольку на сегодняшний день многие его участники сталкиваются с проблемой задержки поставок необходимого оборудования.
1.2 Передовой мировой опыт производства ветровой электроэнергии
Развитие современной ветроэнергетики идёт в основном по двум крупным направлениям:
-ветроэлектрические установки малой мощности, предназначенные для обеспечения автономного электроснабжения изолированных объектов и объектов, удалённых от электрических сетей;
-крупные ветровые парки на базе ветроэлектрических установок мегаваттного класса, работающие в составе объединённых энергосистем [6].
Второе направление в настоящее время развивается ускоренными темпами в связи с рядом преимуществ ветропарков перед индивидуальными ветроэлектрическими установками.
Однако в связи с большим многообразием конструкций современных мощных ветроэлектрических установок, представленных на мировом рынке, с одной стороны, и специфическими требованиями к размещению установок на местности, с другой стороны, главные электрические схемы ветропарков также отличаются многообразием, помимо технической стороны определяемым местными климатическими условиями и ландшафтом.
Многообразие конструкций ветроэлектрических установок проявляется, прежде всего, в использовании ведущими производителями нескольких типов генераторов электрической энергии, которые, в свою очередь, предъявляют различные требования как к системам управления и регулирования комплексов в целом, так и к наличию или отсутствию дополнительных ступеней преобразования электрической энергии до подключения к электрическим сетям.
В отличие от традиционных электростанций с достаточно компактным расположением первичных и вторичных преобразователей энергии, ветропарки в зависимости от установленной мощности могут занимать значительные площади с расположением отдельных ветроагрегатов на разном уровне по вертикали и протяжённостью от сотен метров до единиц километров. С учётом довольно внушительных единичных мощностей современных ветроэлектрических установок (от 1 до 5 МВт) такое положение обуславливает необходимость применения промежуточных ступеней трансформации электрической энергии для снижения уровня электрических потерь.
1.2.1 Краткий обзор особенностей конструкций современных ветроэлектрических установок мегаваттного класса
Первичное преобразование энергии ветра в механическую энергию в подавляющем большинстве современных мощных ветроэлектрических установок осуществляется при помощи трёхлопастных горизонтально-осевых ветродвигателей, обладающих относительно высоким коэффициентом использования энергии ветра и возможностью регулирования крутящего момента путём изменения углов атаки лопастей.
Характерной особенностью крупных ветроэлектрических установок является применение в подавляющем большинстве случаев механической трансмиссии, повышающей до приемлемой величины частоту вращения вала, приводящего электрический генератор. Это позволяет использовать в установках стандартные электрогенераторы, что в конечном итоге снижает затраты на выработку киловатт-часа электроэнергии. Специализированные низкооборотные генераторы для ветроэлектрических установок серийно производятся единственной компанией «Энеркон» [7].
Следующей характерной особенностью современного парка мощных ветроэлектрических установок является применение в большинстве конструкций (более 80 %) асинхронных генераторов с короткозамкнутым ротором. Несмотря на относительно скромные энергетические показатели, определяющими факторами выступают более высокая надёжность асинхронных машин и меньшие затраты на производство единицы электрической энергии в связи с их меньшей стоимостью. Синхронные генераторы, подключаемые к сети без промежуточных преобразователей, применяются редко.
Наряду с относительной простотой и высокой надёжностью ветропарков на базе ветроэлектрических установок с синхронными генераторами или асинхронными генераторами с КЗ ротором страдают большим недостатком - такие ветроэлектрические установки работают при неизменной частоте вращения главного вала, что приводит к недовыработке электроэнергии в переходных режимах от минимальной рабочей скорости ветра до номинальной. Именно это обстоятельство привело к появлению ветроэлектрических установок на базе:
-асинхронного генератора с переключаемым числом пар полюсов и двухскоростным мультипликатором;
-асинхронного генератора с фазным ротором и регулируемым скольжением;
-асинхронизированного синхронного генератора с питанием обмотки ротора от статического преобразователя частоты;
В последние годы производители крупных ветроэлектрических установок начали более широкое использование в их структуре статических преобразователей электрической энергии. В основном преобразовательная техника применяется при использовании ветроэлектрических установок с непостоянной частотой вращения главного вала, укомплектованных асинхронными генераторами с КЗ ротором или синхронными генераторами, как с электромагнитным, так и с магнитоэлектрическим возбуждением.
И наконец, в последние 30 лет в мировой ветроэнергетике наблюдается устойчивая тенденция роста единичных мощностей ветроэлектрических установок, которые в настоящее время достигают величин в 5- 6 мегаватт.
1.2.2 Анализ возможных вариантов схем электрических соединений ветропарков
Структура, характеристики и комплектующие схемы электрических соединений ветропарков определяются множеством факторов: единичной мощностью установок, их количеством, расстановкой на местности, типом применяемых генераторов электроэнергии и наличием статических преобразователей. Фактически ветропарки представляет собой локальную распределительную электрическую сеть с обратно направленным потоком энергии, которую следовало бы назвать коллекторной сетью. В зависимости от перечисленных выше параметров соединительная сеть ветропарков может быть выполнена по магистральному, радиальному или смешанному принципу. Взаимное расположение установок и дистанция между ними обусловлены в основном двумя факторами: единичной мощностью и формой розы ветров на рассматриваемой площадке.
В случае расположения установок в линию, что характерно для горных перевалов, побережий морей или крупных озёр, оффшорных парков на морской косе или искусственном молу, применяется магистральная схема. Роза ветров при этом, как правило, имеет устойчивую вытянутую форму с ярко выраженными доминирующими направлениями, и линия установок располагается перпендикулярно биссектрисе сектора, ограничивающего эти направления. Расстояния между отдельными ветроэлектрическими установками в ряду в этом случае могут составлять лишь 3-4 диаметра ветротурбины, поскольку турбулентные следы от ветротурбины не оказывают влияния на работу соседних установок. Величины диаметров современных трёхлопастных ветротурбин мегаваттного класса колеблются в пределах от 60 до 120 метров. Таким образом, ветропарк, состоящий, например, из 10 установок, расположенный на морской косе, может иметь протяжённость магистрального кабеля от 1800 до 2400 метров [8].
В случае расположения ветропарка на материке в степной зоне, где роза ветров более равномерна, может быть применена радиальная схема с главной повышающей подстанцией в геометрическом центре парка (при этом соединение с прилегающей электрической сетью обычно выполняется комбинированной кабельно-воздушной линией электропередачи, поскольку на территории ветропарков воздушные ЛЭП, как правило, не применяются). При равномерной розе ветров дистанции между отдельными установками во всех направлениях должны быть одинаковыми. Их величина должна составлять не менее 6-9, а по некоторым источникам - 20 диаметров ветротурбин. Данное требование вызвано тем, что при рабочих для современных ветроэлектрических установок скоростях ветра (чаще всего от 10 до 25 м/с) турбулентный след от ветротурбин простирается по направлению ветра именно на такое расстояние. Вместе с тем попадание ветротурбины в турбулентный воздушный поток резко снижает её аэродинамический КПД. Таким образом, для ветропарков с диаметрами ветротурбины от 60 до 120 метров дистанции между отдельными установками возрастают до 600-1200 метров.
В настоящее время в составе ветропарков наиболее широкое распространение получили ветроэлектрические установки с единичными мощностями от 1,5 до 3,5 МВт, номинальным напряжением на выходе генератора 660-690 В и диаметрами ветротурбины от 60 до 90 метров [9].
Простейший расчёт показывает, что при указанных мощностях генераторов и приведённых выше длинах соединительных кабельных линий экономичная работа коллекторных сетей ветропарков возможна лишь в случае применения в них повышенных рабочих напряжений.
Чаще всего современная сетевая ветроэлектрическая установка снабжается собственным повышающим трансформатором, а соединение установок между собой осуществляется на стороне среднего напряжения от 6 до 30 кВ.
1.2.3 Схемы ветропарков небольшой мощности
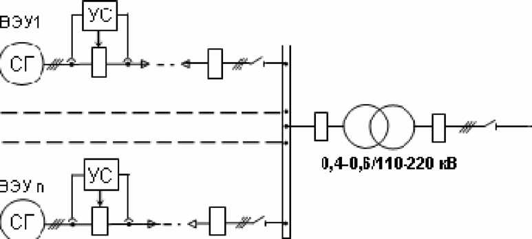
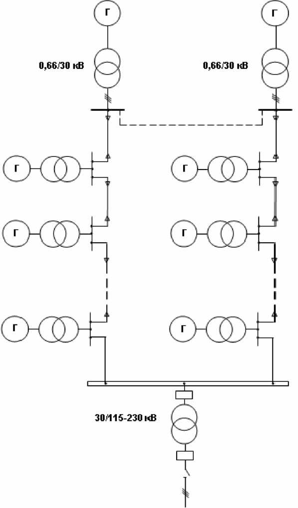
Ветропарки небольшой мощности, построенные 15-20 лет назад и состоящие из ветроэлектрических установок единичной мощностью от 100 до 250 кВт, выполнялись на рабочих генераторных напряжениях. На рис. 1-3 приведены варианты радиальных схем ветропарков на базе ветроэлектрических установок с различными типами электрогенераторов.
В случае если статические преобразователи отсутствуют, и частота вращения вала установки при работе поддерживается стабильной и кратной частоте сети, для ветропарков на базе ветроэлектрических установок с синхронными генераторами может быть несколько вариантов подключения:
-каждый генератор имеет собственное устройство синхронизации;
-устройства автоматической синхронизации синхронизируют генераторы между собой в группах, а затем происходит синхронизация
групп с сетью;
-устройства автоматической синхронизации синхронизируют генераторы между собой в группе, затем синхронизируются группы, а с сетью синхронизация происходит непосредственно на главной повышающей подстанции.
Очевидно, что первый вариант наиболее полно отвечает эксплуатационным требованиям и позволяет устанавливать минимальное количество синхронизирующих устройств. В этом случае любой из генераторов может подключаться к сети независимо от других, при запуске после аварии на одной из подстанций первой ступени синхронизируется только одна группа генераторов (в соответствии с рисунком 4).

Рисунок 4. Ветропарки небольшой мощности на базе ветроэлектрических установок с синхронными генераторами.
Основными недостатками этой концепции являются необходимость частой синхронизации генераторов ветроэлектрических установок при подключении к сети и недовыработка электроэнергии, обусловленная постоянной частотой вращения ветротурбины. Синхронизация должна осуществляться каждый раз после отключения ветроэлектрических установок от сети вследствие недостаточной величины скорости ветра, после отключения от сети вследствие превышения максимальной скорости ветра, а также после планово-предупредительных осмотров и ремонтов [10].
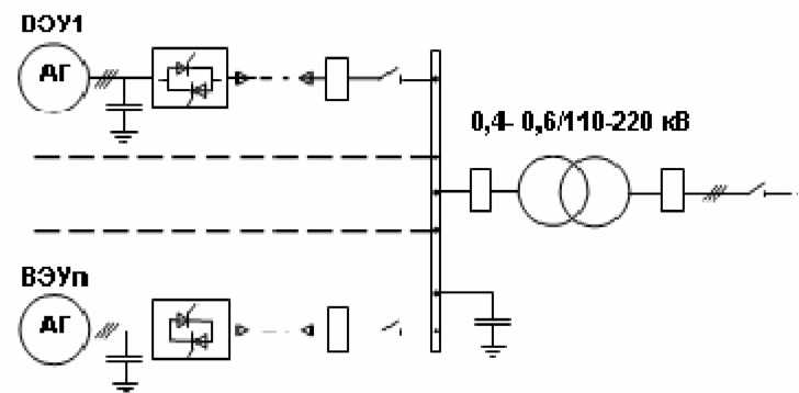
Применение асинхронных генераторов позволяет исключить из главной схемы ветропарков синхронизирующие устройства. Однако в этом случае собственнику ветропарков приходится либо расплачиваться с сетевой компанией за реактивную мощность, потребляемую установками из сети, либо применять устройства компенсации реактивной мощности. Компенсирующие устройства можно установить непосредственно у каждого генератора, одно на каждую группу генераторов или одно на повышающей подстанции второй ступени (в соответствии с рисунком 5). Для «мягкого» подключения ветроэлектрические установки к сети по достижению ветротурбины синхронной частоты вращения в таки схемах используются управляемые тиристорные вентили.

Рисунок 5. Ветропарк небольшой мощности на базе ветроэлектрических установок с асинхронными генераторами с КЗ ротором.
Аналогичные схемы подключения могут быть использованы для ветроэлектрических установок на базе двухскоростных асинхронных генераторов и асинхронных генераторов с фазным ротором и регулируемым скольжением. Однако такие электрические машины чаще применяются в составе более мощных ветроэлектрических установок, снабжаемых индивидуальными повышающими трансформаторами, и схемы их подключения рассмотрены ниже.
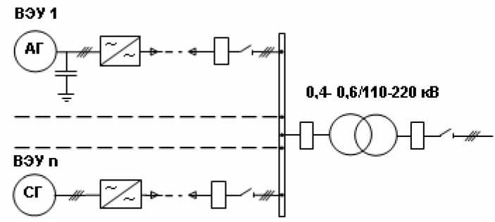
Если ветроэлектрическая установка, входящие в состав ветропарков имеют непостоянную частоту вращения ветротурбины и оснащены асинхронными генераторами с КЗ ротором или синхронными генераторами (с электромагнитным или магнитоэлектрическим возбуждением) непостоянной частоты вращения, передача всей электрической мощности в сеть осуществляется с помощью статического преобразователя частоты (в соответствии с рисунком 6).

Рисунок 6. Ветропарки небольшой мощности на базе ветроэлектрических установок с асинхронными или синхронными генераторами непостоянной частоты вращения и полным преобразованием вырабатываемой энергии.
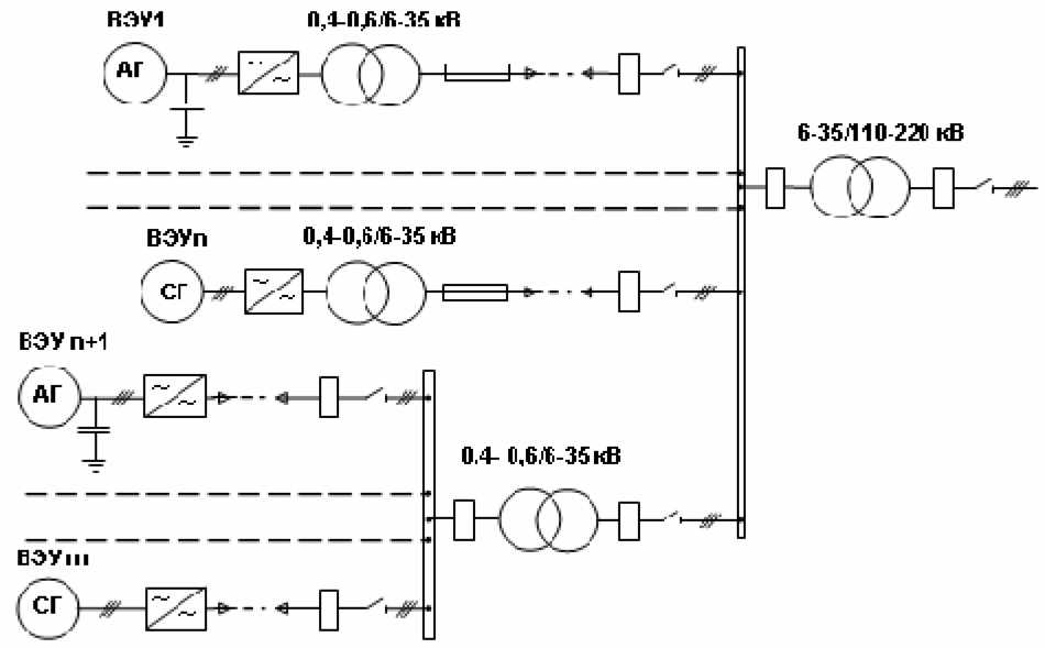
1.2.4 Радиальные схемы ветропарков средней мощности
Приведены схемы ветропарков (в соответствии с рисунком 7-9), построенные по радиальному принципу с использованием трансформаторов среднего напряжения при ветроэлектрических установках.

Рисунок 7. Радиальная схема соединений ветропарков на базе ветроэлектрические установки с синхронными генераторами.

Рисунок 8. Радиальная схема соединений ветропарков на базе ветроэлектрические установки с асинхронными генераторами с КЗ ротором.

Рисунок 9. Радиальная схема соединений ветропарков на базе ветроэлектрические установки с асинхронными или синхронными генераторами непостоянной частоты вращения и полным преобразованием вырабатываемой энергии.
При благоприятной геометрии розы ветров может наблюдаться подключение нескольких ветроэлектрических установок на один повышающий трансформатор среднего напряжения (в соответствии с рисунком 10).

Рисунок 10. Вариант сложно разветвлённой радиальной схемы ветропарков.
1.2.5 Магистральные и смешанные схемы соединений ветропарков средней и большой мощности
Одной из основных тенденций развития мировой ветроэнергетики является строительство крупных оффшорных ветропарков на континентальных шельфах. Количество ветроэлектрических установок в таких ветропарков колеблется от 8-10 до 80 единиц, при этом установки выстраиваются вблизи побережья в 2-4 ряда и соединяются между собой и с главной повышающей подстанцией подводными кабелями.
Приведена характерная схема соединений оффшорного ветропарков (в соответствии с рисунком 11). Следует отметить, что применение ветроэлектрических установок на базе различных по принципу действия и конструкции электрических генераторов наблюдается в основном при модернизации или расширении действующих ветропарков. Во вновь создаваемых ветровых парках по эксплуатационным соображениям используются ветроэлектрические установки одинаковой конструкции и одного типоразмера.

Рисунок 11. Пример магистральной (как вариант - кольцевой) схемы электрических соединений оффшорного ветропарка (упрощено).
На основании изложенного можно сделать следующие выводы:
-в мировой ветроэнергетике наблюдается устойчивая тенденция роста единичной мощности ветроэлектрических установок и строительства крупных ветропарков;
-ветроэлектрические установки, входящие в состав ветропарков всё чаще снабжаются индивидуальными повышающими трансформаторами с напряжением на высокой стороне от 6 до 30 кВ, что обусловлено значительной территориальной протяжённостью ветропарков;
-конфигурация схемы электрических соединений ветропарков и используемое рабочее напряжение коллекторной сети определяются значительным числом факторов, основными из которых являются: единичная мощность используемых ветроэлектрических установок, количество ветроэлектрических установок в парке и роза ветров на рассматриваемой площадке;
-наибольшее распространение для ветропарков небольшой мощности получили радиальные схемы электрических соединений, а для ветропарков средней и большой мощности - радиальные, магистральные и смешанные;
-соединительные сети ветропарков выполняются кабельными линиями среднего напряжения;
-последней тенденцией в развитии крупных ветроэнергетических установок и ветропарков является применение установок с непостоянной частотой вращения на базе синхронных генераторов с полным преобразованием вырабатываемой электроэнергии статическими преобразователями частоты.
1.3 Социально-экологические характеристики ветровой энергетики
Возобновляемая энергетика (без крупных ГЭС) предотвращает опасное изменение окружающей природной среды:
-при строительстве шахт и добыче открытым способом (уголь, уран), бурении (природный газ, нефть), прокладке трубопроводных систем (газ, нефть, продукты переработки нефти). Некоторые из этих изменений среды носят локальный характер, а некоторые - распространяются на многие сотни и тысячи километров;
-из-за загрязнения воздуха и воды: кислотные дожди, смог, тяжелые металлы, грязная вода при бурении скважин;
-вследствие глобального изменения климата из-за сжигания ископаемого топлива;
-из-за теплового загрязнения (сброс охлаждающей воды от атомных и тепловых электростанций);
-из-за загрязнения окружающей среды на стадии транспортирования и переработки угля и урана.
Энергоустановки на базе ВИЭ не загрязняют ни воздух, ни воду, ни землю и не производят опасных отходов. Они не истощают природные ресурсы и не являются причиной загрязнения природы, имеющего место при добыче, переработке и транспортировке топлива. Свободная от загрязнений возобновляемая энергия может снизить ущерб окружающей среде, наносимый топливной энергетикой во всех странах мира [11].
Диоксид серы и окислы азота вызывают кислотные дожди, которые наносят ущерб всему живому. Кислотные дожди приводят к коррозии зданий, мостов и других сооружений. Окислы азота (которые образуются при сгорании природного газа) являются первичным компонентом для образования смога. Принято считать, что диоксид углерода (СО2) - парниковый газ, вносит решающий вклад в глобальное изменение климата (препятствуя рассеянию тепла от нагретой Солнцем поверхности, превращает Землю в парник, теплицу). Выбросы парниковых газов, нарушая сложившийся газовый баланс и свойства атмосферы, приводят не только к росту средней температуры, но вызывает другие изменения погодных условий, в частности - засухи в одни местах и наводнения - в других. Выбросы АЭС огромного количества криптона-85 ведут к изменению электропроводности атмосферы и увеличению числа и интенсивности бурь, штормов, ураганов, тайфунов.
Особое беспокойство вызывает влияние традиционной топливной энергетики на здоровье.
В настоящее время воздух с вредными веществами (а топливная энергетика остается главным из стационарных источников загрязнении воздуха в городах) вносит решающее влияние в заболевания астмой у детей в промышленно развитых и развивающихся странах. Городской смог связан с малым весом новорожденных, мертворожденными детьми и детской смертностью. В США исследованиями документально подтвержден этот эффект даже в городах с новейшими системами контроля загрязнений. Токсичные тяжелые металлы, всегда присутствующие в выбросах от сжигания угля и мазута, неизбежно включаются в экологические цепочки и оказываются в продуктах питания.
Это негативное влияние топливной энергетики в странах Европейского Союза породило предложения к включению дополнительной надбавки «social cost» (социальная стоимость или «внешние затраты») в тариф на электроэнергию от топливной энергетики. Эти дополнительные средства идут на компенсацию ущерба, причиняемого топливной энергетикой здоровью людей и имуществу, а по предварительным расчетам могут составлять от 1,5 до 4 центов США за кВтч. Разумеется, что электроэнергия, выработанная на базе ВИЭ, свободна от этого налога. [12].
1.4 Характеристика ветроэнергетической установки
Ветроэнергетическая установка представляет собой комплекс взаимосвязанного оборудования и сооружений, предназначенный для преобразования энергии ветра в другие виды энергии (электрическую, механическую, тепловую и т. п.).
Ветроагрегат, являясь основной частью ветроэнергетической установки, состоит из ветродвигателя, системы передачи ветровой мощности на нагрузку (потребителю) и самого потребителя ветровой энергии (какого-либо устройства: электромашинного генератора, водяного насоса, нагревателя и т. п.).
Ветродвигатель является устройством для преобразования кинетической энергии ветра в механическую энергию рабочего движения ветродвигателя. Рабочие движения, которые совершает ветродвигатель, могут быть разными. На существующих сегодня ветродвигателях в качестве рабочего движения используется круговое вращательное движение. Вместе с тем известны многочисленные предложения (иногда даже реализованные) по использованию других видов рабочего движения, например колебательного.
Рассматриваются ветродвигатели, совершающие только круговое вращательное рабочее движение (ветротурбины). У таких ветродвигателей устройством, которое непосредственно воспринимает аэродинамические нагрузки от ветрового потока и преобразует энергию ветра в механическую энергию рабочего кругового вращательного движения, является лопастная система, называемая ветроколесом.
Лопастная система ветродвигателя (ветроколесо) может иметь различное конструктивное исполнение. У современных ветродвигателей лопастная система выполнена в виде жестких лопастей с крыловым профилем в поперечном сечении (иногда в этом случае используют термины «крыльчатые», или пропеллерные, ветродвигатели). Известны успешно работающие лопастные системы, в которых вместо лопастей используются вращающиеся цилиндры (использование эффекта Магнуса). Имеются предложения по созданию лопастной системы на основе различного типа лопастей с гибкими поверхностями (паруса). Таким образом, лопасть - это составная часть ветроколеса, создающая крутящий момент.
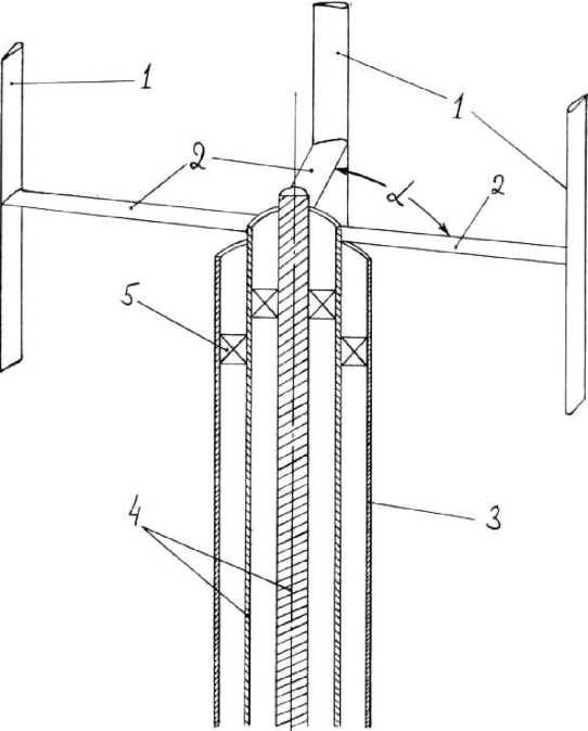
Лопастная система ветродвигателя с рабочим круговым вращательным движением может иметь горизонтальную или вертикальную оси вращения. Соответственно, согласно ГОСТ [1], горизонтально-осевым ветродвигателем называется ветродвигатель, у которого ось вращения ветроколеса расположена параллельно или почти параллельно вектору скорости ветра (в соответствии с рисунком 12). Ветродвигатель, у которого ось вращения расположена перпендикулярно как вектору скорости ветра, так и земле, называется вертикально-осевым (в соответствии с рисунком 13).

Рисунок 12. Конструктивная схема горизонтально-осевого ветроагрегата:
1 - ветродвигатель; 2 - гондола; 3 - мультипликатор;
4 - нагрузка (электрогенератор); 5 - башня; 6 фундамент.

Рисунок 13. Конструктивная схема вертикально-осевого ветроагрегата:
1 - ветродвигатель; 2 - силовые элементы; 3 - верхний редуктор; 4 - башня; 5 - силовая оттяжка; 6 - вал; 7 - нижний редуктор; 8 - электрогенератор; 9 фундамент.
При расчете и проектировании конкретного ветродвигателя помимо ветровых условий его работы необходим учет как особенностей ветроагрегата, так и всей ветроэнергетической установки. В связи с этим ветроэнергетическую установку классифицируют по следующим признакам: виду вырабатываемой энергии, уровню мощности, назначению, областям применения, признаку работы с постоянной или переменной частотой вращения ветроколеса, способам управления, типу системы передачи ветровой мощности потребителю.
В зависимости от вида вырабатываемой энергии ветроэнергетической установки подразделяют на ветроэлектрические и ветромеханические. Электрические ветроэнергетические установки, в свою очередь, подразделяются на ветроустановки, вырабатывающие электроэнергию постоянного либо переменного тока. Механические ветроэнергетические установки служат для привода рабочих машин.
По уровню мощности ветроэнергетические установки подразделяют на четыре группы: очень малой мощности, менее 5 кВт; малой мощности, от 5 до 99 кВт; средней мощности, от 100 до 1000 кВт; большой мощности, свыше 1 МВт. Ветроустановки каждой группы отличаются друг от друга, прежде всего конструктивным выполнением, типом фундамента, способом установки ветроагрегата на ветер, системой регулирования, системой передачи ветровой мощности, способом монтажа и способом обслуживания [12].
В зависимости от назначения электрические ветроэнергетические установки постоянного тока подразделяют на ветрозарядные, гарантированного электроснабжения потребителя, негарантированного электроснабжения. Электрические ветроэнергетические установки переменного тока подразделяют на автономные, гибридные, работающие параллельно с энергосистемой соизмеримой мощности (например, с дизельной установкой), сетевые, работающие параллельно с мощной энергосистемой.
Механические ветроэнергетические установки по назначению подразделяют на:
-ветронасосные для привода водяных насосов;
-ветросиловые для работы с промышленными и бытовыми механизмами.
Классификация ветроэнергетических установки по областям применения определяется их назначением. При расчете и проектировании ветродвигателя и выборе его номинальных параметров необходим учет типа нагрузки (электрогенератор, водяной насос и т. п.), типа системы передачи ветровой мощности к потребителю, типа системы генерирования и аккумулирования электроэнергии. Система передачи ветровой мощности представляет собой определенный комплекс различных устройств для передачи мощности от вала ветроколеса к валу соответствующей машины ветроагрегата (потребителя) с повышением или без повышения частоты вращения вала этой машины. В современной ветроэнергетике чаще всего используют механический способ передачи мощности. Известны также гидравлический, пневматический и аэродинамический способы передачи ветровой мощности потребителю. Система генерирования электроэнергии представляет собой электромашинный генератор и комплекс устройств (устройства управления, силовой электроники, аккумулятор и т. д.) для подключения к потребителю со стандартными параметрами электроэнергии.
1.4.1 Параметры, характеризующие работу ветродвигателя и ветроустановки
На некотором расстоянии перед ветроагрегатом, где набегающий атмосферный поток равномерен, кинетическая энергия Е массы т воздушного потока выражается величиной:
(1)
где E- кинетическая энергия (Дж) [13].
Величина m=V0A в сечении перед ветроагрегатом является массовым расходом воздуха, который мог бы пройти через ометаемую площадь ветроколеса А за единицу времени, имея плотность . Ометаемая площадь ветроколеса - это геометрическая проекция площади ветроколеса на плоскость, перпендикулярную вектору скорости ветра V0. В случае перпендикулярности вектора скорости ветра V0 к ометаемой площади А величина А=D2 /4 для горизонтально-осевого ветродвигателя и А=D·H для вертикально-осевого ветродвигателя. Здесь диаметр ветроколеса D - это диаметр окружности, описываемой наиболее удаленными от оси вращения ветроколеса частями лопастей.
Располагаемая мощность воздушного потока Nветро натекающего на ветродвигатель (т. е. полная кинетическая энергия набегающей воздушной струи со скоростью V0 и площадью поперечного сечения, равной площади, ометаемой его лопастной системой):
Ветродвигатель извлекает из ветрового потока только часть этой мощности и передает ее затем потребителю, например электрогенератору. Обозначим мощность, развиваемую ветродвигателем, как Nвд. Отношение мощности ветродвигателя Nвд (механической энергии, развиваемой ветроколесом) к располагаемой мощности ветрового потока Nветро (полной энергии, проходящей через ометаемую площадь ветроколеса)
Отношение окружной скорости конца лопасти на периферии к скорости невозмущенного потока ветра:
(5)
называют коэффициентом быстроходности ветродвигателя (числом модулей). Здесь - угловая скорость вращения ветродвигателя. Для текущего радиуса пользуются понятием местного коэффициента быстроходности
(6)
Величины СР, См, X связаны между собой зависимостью
(8)
На ветроколесо действует сила осевого (лобового) давления, являющаяся суммарной аэродинамической нагрузкой на поверхность лопастей ветроколеса, образующаяся в результате осевого сопротивления профиля лопасти ветровому потоку. Отношение осевой силы Р (силы лобового давления), действующей на лопастную систему ветродвигателя, к скоростному давлению (напору) на ометаемую лопастями поверхность называют коэффициентом осевого (лобового) давления
(9)
Мощностной (энергетической) характеристикой ветроагрегата называется размерная зависимость мощности, развиваемой на валу ветродвигателя, от скорости ветра незаторможенного потока перед ним (рис. 3). Ветродвигатель под действием силы ветра начинает свое вращение без нагрузки с некоторого минимального значения скорости ветра. Обычно эта скорость составляет 2,5...5 м/с. При достижении скорости потока, равной расчетной скорости ветра, ветродвигатель развивает номинальную мощность [14].
Номинальная мощность - это максимальное значение выходной мощности, на которую рассчитан ветроагрегат в длительном режиме работы. Обычно в диапазоне скоростей ветра регулирования ветродвигателя, кроме момента пуска, не происходит, но затем в диапазоне скоростей от расчетной скорости до максимальной вступает в действие система регулирования.
Максимальная рабочая скорость ветра - это скорость ветра, при которой расчетная прочность ветроагрегата позволяет ему работать (производить электроэнергию) без повреждений. Если регулирование осуществляется поворотом лопасти, то можно удерживать мощность ветродвигателя в этом диапазоне ветра, близкой к постоянной кривая 2, (в соответствии с рисунком 14). При достижении максимальной рабочей скорости ветра (обычно 25...30 м/с) ветродвигатель останавливают и выводят из-под ветра, ставя его лопасти во флюгерное положение.

Рисунок 14. Зависимость мощности ветродвигателя от скорости ветра.
Значительная часть выпускаемых сегодня горизонтально-осевых ветроагрегатов мощностью > 500 кВт имеет не поворачивающиеся лопасти, что облегчает их конструктивное выполнение. В этом случае регулирование мощности ветродвигателя с ростом скорости ветра осуществляется за счет выполнения профиля лопасти изменяющимся вдоль радиуса специальным образом. В результате, начиная с некоторой скорости ветра, на периферии лопасти возникает срыв потока, охватывающий с ростом скорости ветра все большее расстояние, начиная от периферии лопасти в направлении к ее втулочной части. Наличие срыва уменьшает развиваемую ветродвигателем мощность, и их характеристика мощности принимает вид кривой 3.
Технико-экономическое совершенство ветроустановки характеризуется рядом параметров, одним из которых является коэффициент Кусг использования установленной мощности ветроустановки. Он представляет собой отношение действительной выработки электроэнергии за какой-либо период времени, например за год, к максимально возможной выработке энергии в случае, если бы ветроустановка работала весь этот период времени на номинальной (т. е. 100 %) мощности.
Величина коэффициента Куст установленной мощности зависит от работоспособности (надежности), графика нагрузки, времени ремонтов ветроустановки. Кроме того, Куст существенно зависит от местных условий: наличия ветра и его скорости [15].
Другим интегральным параметром технико-экономического совершенства ветроэлектрической установки является среднегодовая удельная выработка электроэнергии на 1 м2 ометаемой площади лопастной системы. Для лучших ВЭУ мощностью более 100 кВт эта величина составляет 1250...1500 кВтч/м2, чаще всего средняя годовая удельная выработка находится в диапазоне 700... 850 кВтч/м2 при благоприятной ветровой обстановке.
Коммерческие показатели ВЭУ в настоящее время имеют тенденцию к сближению с их значением для традиционных установок. С 1981 по 2000 г. среднее значение удельной стоимости установленной мощности работающих на электрическую сеть зарубежных ВЭУ снизилось с 4000 до 950 долл/кВт. Среднее значение стоимости электроэнергии, производимой на крупных ВЭУ за этот же период времени, снизилось с 30 до примерно 4 цент/кВт при благоприятных ветровых условиях [16].
Удалось также решить проблему шума и низкочастотного шумового спектра, идущего от лопастной системы. В результате при расположении крупных ВЭУ на расстоянии не ближе 250 м от жилых домов уровень шума не превышает обычных бытовых децибел.
1.4.2 Классификация ветродвигателей (ветротурбин)
Классификация ветродвигателей возможна по ряду различных признаков, как основных, так и второстепенных. Одним из основных признаков классификации является ориентация вектора угловой скорости вращения ротора ветродвигателя относительно вектора V0 скорости ветра в свободном атмосферном потоке. По этому признаку ветродвигатели подразделяют на коллинеарные и ортогональные.
Коллинеарным называют ветродвигатель, для которого векторы V0 и параллельны или антипараллельны. Таким является горизонтально-осевой ветродвигатель.
Ортогональным в общем случае называют ветродвигатель, для которого векторы перпендикулярны. Возможны два частных случая вариантов их сочетания:
1) вектор вращения , перпендикулярен поверхности земли; таким ветродвигателем является вертикально-осевой ветродвигатель, называемый иногда роторным, или карусельным;
2) вектор вращения параллелен поверхности земли; такой ветродвигатель называется иногда барабанным.
Возможен ветродвигатель, у которого угол между векторами V0 и острый (между 0 и 90°). Такой ветродвигатель можно назвать наклонно-осевым. Примером реализации этой схемы является шнековый ветродвигатель.
По другому основному признаку, по принципу силового аэродинамического взаимодействия лопастной системы ветродвигателя с потоком набегающего на него воздуха, ветродвигатели можно подразделить на два типа:
1) ветродвигатели, которые используют во время движения лопастной системы подъемную силу, возникающую на рабочих элементах лопастной системы (жестких лопастях, вращающихся цилиндрах) и создающую крутящий момент;
2) ветродвигатели, которые используют во время движения лопастной системы различие в аэродинамических силах, возникающих на различных элементах лопастной системы (крыловых лопастях или каких-либо других поверхностях), в моменты движения этих поверхностей по направлению ветра и против направления ветра, т. е. различие в аэродинамическом сопротивлении, возникающем на элементах лопастной системы.
К ветродвигателям первого типа относятся ветродвигатели, изображенные на рисунке 4. Примером ветродвигателя второго типа может служить чашечный анемометр, замеряющий скорость ветра.
Возможная классификация ветродвигателей (ветротурбин) с механической передачей на основе их различия по конструктивным признакам дана на рисунках 15, 16. На рисунках 17-19 приведены примеры конструктивных схем таких двигателей.

Рисунок 15. Классификация коллинеарных ветродвигателей (ветротурбин) с механической передачей.

Рисунок 16. Классификация ортогональных ветродвигателей (ветротурбин) с механической передачей.

Рисунок 17. Коллинеарные горизонтально-осевые ветродвигатели:
а - одноколесный малолопастный; б - одноколесный многолопастный; в - многоколесный одноосный; г - многоколесный многоосный; д - ротор Флетнера.
Коллинеарные горизонтально-осевые ветродвигатели могут использовать как подъемную силу, возникшую при обтекании крылового профиля (рисунок 17, а-г), так и подъемную силу, возникающую на основе эффекта Магнуса при обтекании вращающегося цилиндра (рисунок 17, д).

Рисунок 18. Ортогональные вертикально-осевые ветродвигатели:
а - ротор Дарье; б - ротор Н-типа; в - ротор Масгроува (в полусложенном положении) с изменяемым положением лопастей; г - ротор «жиромилл» (вид сверху) с изменяемым углом установки лопастей; д - ротор Савонцуса (вид сверху); е - ротор чашечный (анемометр, вид сверху); ж - ротор шнековый; з - ротор пластинчатый с экраном, карусельный (вид сверху), 1 - лопасть,
2 - механизм управления положения лопастей; 3 флюгер.

Рисунок 19. Ортогональные горизонтально-осевые ветродвигатели:
а - ротор Лафонда; б - ротор пластинчатый с экраном (барабанный); в - ротор с поворотными лопастями; г - ротор Савониуса.
В ортогональных вертикально-осевых ветродвигателях используется подъемная сила, которая возникает при обтекании крылового профиля (в соответствии с рисунком 18, а-г), и сила аэродинамического сопротивления (в соответствии с рисунком 19, д-з).
В ортогональных горизонтально-осевых ветродвигателях используется подъемная сила (в соответствии с рисунком 19 а) и сила аэродинамического сопротивления (в соответствии с рисунком 19 б - г) [17].
Выводы по первому разделу:
-в мировой ветроэнергетике наблюдается устойчивая тенденция роста мощности ветроэлектрических установок и строительства крупных ветропарков;
-формирование ветровой энергетики как самостоятельной отрасли положительным образом сказывается на экономическом развитии современного общества. Совет по ветровой энергии оценил уровень занятости в секторе ветровой энергетики в объеме примерно 350 000 человек.
-ветроэлектрические установки, входящие в состав ветропарков всё чаще снабжаются индивидуальными повышающими трансформаторами с напряжением на высокой стороне от 6 до 30 кВ, что обусловлено значительной территориальной протяжённостью ветропарков;
-наибольшее распространение мировых ветропарков небольшой мощности получили радиальные схемы электрических соединений, а для ветропарков средней и большой мощности - радиальные, магистральные и смешанные;
2. СОСТОЯНИЕ ПРОИЗВОДСТВА ВЕТРОВОЙ ЭЛЕКТРОЭНЕРГИИ В КАЗАХСТАНЕ И ПРЕДЛОЖЕНИЯ ПО РАЦИОНАЛЬНЫМ ПЕРСПЕКТИВАМ ЕЕ РАЗВИТИЯ
2.1 Состояние энергетической отрасли в Казахстане и государственные планы ее развития
Приоритетное направление научных исследований Казахстана является создание ветроэнергоустановок с возможностью низкого расположения генератора и вертикальной позицией ветровоспринимающих элементов. Благодаря этому удалось достичь примитивизации конструктивной схемы. Ветроэнергетическая установка удобна в монтаже и легка в эксплуатации. Существенным плюсом данной установки является допустимость работы от ветровых течений разного направления. Как следствие из этого отпадает необходимость исследовать направление ветрового потока при установке и эксплуатации.
Казахстан полностью обеспечен всеми материалами для изготовления ветровых электростанций всего диапазона мощностей, применяемых на практике - от микротурбин, используемых для зарядки аккумуляторов яхт и пунктов радиотелефонной связи, систем обслуживания нефте-, газопроводов, автомобильных дорог, питания объектов сельского хозяйства и пограничных застав, до мощных ветроагрегатов, поставляющих электроэнергию в энергосистемы для покрытия существующего дефицита и замещения энергии, вырабатываемой тепловыми электростанциями.
В Казахстане имеются специалисты, обладающие опытом разработки всего комплекса оборудования, входящего в состав ветроэлектростанций, опытом создания, установки и наладки ветроэлектростанций различной мощности. Подобными изобретениями занимаются А.В. Болотов, Ш.А. Ершин, Н.С. Буктуков, В. М. Низовкин и другие [18].
РГП «Научно-производственный центр механизации сельского хозяйства» разработало и изготовило ряд образцов установок с улучшенными свойствами и системой буревой защиты.
Разработанные в Алматинском институте энергетики и связи опытные виндроторные установки мощностью 2-20 кВт и турбовинтовые модульные установки мощностью 1-60 кВт были запущены в разное время в Капчагае, Чимбулаке, с. Чилике, Алаколе, Достыке. Предложена новая система буревой защиты, принципиально отличающаяся от зарубежных аналогов, которая основана на использовании действующего на ветроколесо опрокидывающего момента, образуемого за счет разности в скоростях воздушного потока в верхней и нижней частях ветроколеса. Это существенно увеличивает как эффективность работы системы буревой защиты и повышает устойчивость ветровых установок против опрокидывания, так и надежность их работы и срок службы в целом [19].
Получены предварительные патенты и патенты Республики Казахстан, Евразийский патент, приоритетное извещение по международной версии PCT на принципиально новые вертикально-осевые ветровые турбины (ВОВТ) модульного исполнения и специальный электрогенератор для них, проведены теоретические проработки турбин и генераторов, изготовлен ряд опытных образцов, показавших перспективность данного направления. Кокшетауский государственный университет им. Ш. Уалиханова разработал и создал композиционную ветроэлектрогенераторную установку с диффузором - ВЭУД, которая может обеспечить дешевой электроэнергией потребителей в труднодоступных, отдаленных местах, лишенных централизованного электроснабжения.
Бурлаков А.Г. изобрел ветроэнергетическую установку, в которой применяется простая и эффективная технология изготовления лопастей ротора. По предварительным подсчетам цена ВЭУ 0,5 КВт - 40 тыс. тенге, 1,0 КВт - 65 тыс. тенге. Ивлев В.М., житель Восточно-Казахстанской области, запатентовал ветроколесо.
По словам Алиярова Б.К., казахстанские разработчики Ершин Ш.А., Тулепбергенов А.К., специалисты КазНУ им. Аль-Фараби, и Ершина А.К. (КазГосЖенПИ) запатентовали ветроустановку Бидарье с аномально высоким коэффициентом использования энергии ветра (в соответствии с рисунками 20-22) [20].

Рисунок 20. Принципиальная схема Бидарье с прямыми крыльями (одностороннее вращение): 1 - лопасти, 2 - махи, 3 - корпус, 4 - валы вращения, 5 - подшипник, =900.

Рисунок 21. Принципиальная схема Бидарье системы тропоскино (одностороннее вращение). Обозначения те же, что и на рис.2 (=900).

Рисунок 22. Принципиальная схема конструкции ветротурбины Бидарье с лопастями тропоскино (вращение валов в разные стороны).
Разработками вертикально-осевой ветроэнергетической турбины (ВВТ) Болотова А.В. заинтересовалась российская компания «Энэксис» (В соответствии с таблицей 1). Основным преимуществом конструкции такой ветростанции является ее независимое «наведение на ветер». Неограниченная скорость вращения ротора позволяет работать со всеми встречающимися ветрами, включая штормовые. В результате использования уникального решения системы ротор-статор, которая «форсирует» поступающий ветер, а также грамотного решения электрической схемы и генератора стало возможным преобразование кинетической энергии ветра в механическую на уровне 39-42 % и преобразование механической энергии в электрическую на уровне 90-94 % соответственно. Таким образом, модульное устройство позволяет точно зафиксировать нагрузку потребителя [21].
Таблица 1
Параметры ВВТ «ЭНЭКСИС»
|
Установленная мощность, кВт |
5 |
|
Диаметр статора, м |
0,9 |
|
Скорость вращения вала, min-1 |
<600 |
|
Количество модулей, шт. |
4 |
|
Высота, м |
18 |
|
Вес, т |
1,5 |
|
Конструкционные материалы |
алюминий, оцинкованное железо, сталь |
|
Рабочий диапазон скорости ветра, м/с |
3-50 |
Ветроустановка отличается от своих аналогов расположением основного оборудования (генератор и аккумуляторная батарея) на земле. Соответственно для обслуживания и проведения текущих ремонтов на ветроустановке не требуется прилагать больших усилий. И, конечно же, все это сказывается на себестоимости такой электроэнергии, которая в конечном счете оказывается более дешевой.
Электрические генераторы по патентам РК оригинальной схемы и конструкции в объеме малой серии изготовлены Сафоновским электромашиностроительным заводом по технической документации «Ветроэнергоинвест», разработанной Алматинским институтом энергетики и связи. С учетом технических решений АИЭС электрогенераторы для ВЭС малой мощности выпускают Сарапульский ЭМЗ, фирма «Инкар» в составе РКЦ им. Хруничева, ООО «Элмаш» при Московском энергетическом институте. Все эти наработки являются существенным фундаментом для создания в Казахстане собственного производства ветроагрегатов всего диапазона мощностей для внутреннего потребления и на экспорт и развития ветроэнергетики Казахстана [22].
Согласно открытым источникам, внимания также заслуживает установка Буктукова Н.С., которая может работать при любом направлении ветра и скорости от 3 до 60-80 м/с круглогодично. В комплект ветроустановки входит генератор, мультиплексор, прибор управления аппаратурой, зарядка и устройство защиты аккумулятора. Ветростанция Буктукова проста в изготовлении, и более того, модель не издает при работе шума, так как у нее нет лопастей. При увеличении скорости ветра ее лопасти сжимаются и приобретают форму трубы. Казахстанский ученый разработал свою станцию на основе ветроэнергоустановки отечественного изобретателя Майлибаева [23].
2.2 Роль и значение ветровой электроэнергетики для Казахстана, и рациональные перспективы её развития
Энергетика является одной из главнейших частей топливно-энергетического объединения, обеспечивая более 7,5 % всего объема промышленных фабрик республики. [21].
Символически отечественную энергетику можно разделить на три крупных региональных территорий:
- Северный и Центральный районы: Акмолинская, Восточно-Казахстанская, Карагандинская, Костанайская и Павлодарская области. Энергопередающие организации этих областей объединены в одну общую систему. Система взаимосвязана с энергосистемой России. В данных областях находятся мощнейшие энергопроизводящие предприятия: Экибастузкая государственная районная электростанция-1 и государственная районная электростанция-2, Аксуская государственная районная электростанция, Карагандинская теплоэлектроцентраль-3, Усть-Каменогорская теплоэлектроцентраль, Шульбинская гидроэлектростанция. Большое количество произведенной мощности приходится на электростанции Экибастуза (до 4000 МВт). Так как на территории Экибастуза добывается огромное количество угля, соответственно здесь преобладает электростанции, работающие на угле. Обладая огромными энергоресурсами, район имеет резерв также и для экспорта энергии во внешнюю сеть для энергообеспечения других регионов.
- Южный районы: Алматинская, Жамбылская, Кызылординская и Южно-Казахстанская область. Районы в плане энергозапасов бедны и зависят от электроэнергетики соседних государств, то есть Кыргызстана и Узбекистана. Эти районы зависимы от наличия электроснабжения других государств. Для спасения от энергетического кризиса в этих регионах в 1998 году была введена воздушная линия «Экибастуз - Агадырь - ЮКГРЭС - Алматы» мощностью 500 кВ. Таким образом удалось достигнуть энергетической независимости от других государств, что позволило в свою очередь наращивать производственную мощь в южных районах.
- Западный районы: Актюбинская, Атырауская, Западно-Казахстанская и Мангистауская области. Имеет очень тесное переплетение с энергосистемой Российской Федерации. Всю энергосистему Западного Казахстана можно охарактеризовать как объединенную энергосистему, за исключением Актюбинской области. В регионах западного Казахстана есть углеводородный запас для обеспечения энергетической мощности, но часть мощности импортируется из Российской Федерации. Одно из перспективных условий развития данного региона - постройка своих собственных электростанций для перекрытия запросов энергетической мощности [24].
Таким образом, на территории нашей республики сложилось неравномерное энергетическое производство, и не все районы республики одинаковы обеспечены электроэнергией. Новая система организации энергопередачи республики предусматривает создание или укрупнения существующих организаций на 2 уровнях: производство и сбыт.
Это означает что одно из перспективных направлений развития электроэнергетики Казахстана - направление на производство и последующей продажи этого товара. Это является весьма выгодным товарооборотом, так как продажа электричества намного дороже продажи непосредственно самих полезных ископаемых.
В связи с возможным укрупнением таможенного союза и включением в него в 2015-2016 гг. Кыргызстана и Таджикистана, Казахстан как центральноазиатская страна может очень много выиграть на поставках электроэнергии в другие страны.
За 2008 год было произведено 78 млрд. кВт/ч. электроэнергии, потреблено 77 млрд. кВт/ч. Рост производства электроэнергии составил соответственно 7% и 6%. Энергобаланс производства и расхода мощности в завершающийся осенне-зимний этап свидетельствует о дефиците в стране резервов производства электроэнергии. За первый квартал 2009 года произведено 24 млрд. кВт/ч, потреблено 24 млрд. кВт/ч. Рост производства электроэнергии составил соответственно 7,5% и 10%.
Поэтому актуальность использования возобновляемых источников энергии весьма актуальна на ближайшие десятилетия. Возможности использования в Казахстане нетрадиционной энергетики весьма разнообразны и в долгосрочной перспективе составит замену традиционной энергетике. Это обеспечит сокращение затрат на энергообеспечение, транспорт энергоносителей и позволит разрешить экологические проблемы.
Доля внедрения возобновляемых источников энергии в Евросоюзе составляет примерно около 6 %. В Соединенных Штатах Америки 4 %, России 1 %, а в нашей республике - 0,02 %. Например, в Бразилии и Аргентине уже 50 % автомобильного транспорта переведены на биогаз, уменьшающий загрязнение атмосферы. Этот вопрос весьма актуален и для Алматы. К 2011 г. Евросоюз планирует довести этот показатель до 11 %, к 2030 г. - до 30 %, к 2050 г. - до 40 % (в соответствии с рисунком 23).
Продуктивность использования энергетических ресурсов в РК составляет 34 %, а должна достичь уровня 60-70 % к 2030-2040 гг. Эти показатели для Японии равны 40 %, Германии и США 38 %. Возможно также развитие этой области энергетики и в Казахстане [25].
Республика Казахстан обладает всеми предположениями для бурного развития альтернативной энергетики на ее территории. Самое перспективное направление для этого это использование энергии ветра и энергии солнца. Возможно широкое применение энергии Солнца для горячего автономного отопления системы домов или даже, возможно, целого микрорайона. Предложение нашего президента заключается в увеличении доли потребления энергии в виде альтернативной энергии.

Рисунок 23. Доля использования альтернативных источников энергии от общего энергопотребления (%).
Безусловно, нельзя не упомянуть о имеющихся плюсах и минусах для нетрадиционной энергетики.
Во-первых, использование имеющихся источников ВИЭ уже проработано западными специалистами и по данному методу есть международный опыт.
Во-вторых, существует экономический, экологический и социальный аспект использования возобновляемых источников энергии. Конечно же, это создание новых рабочих мест, очищение самой природы от вредных выбросов в атмосферу. Но помимо очевидных плюсов, конечно же, есть и минусы. Развитие ветровой энергетики в Казахстане сдерживается рядом негативных факторов, основными из которых являются:
-недостаточное нормативно-правовое обеспечение;
-отсутствие полноценной стимулирующей политики государства;
-недостаточность финансирования научно-исследовательских и конструкторских разработок;
-недостаточная осведомленность и консерватизм потенциальных производителей и потребителей;
-нехватка инженерных и научных кадров, способных решать организационно-технические, экологические, экономические проблемы использования возобновляемой энергии;
-большая капиталоемкость проектов ВИЭ.
На настоящее время в структуре установленной мощности генерирующих источников преобладают тепловые электростанции (ТЭС) 88 %, доля гидроэлектростанций (ГЭС) составляет всего 12 %. Доля ТЭС в общем объеме вредных выбросов предприятий Казахстана составляет порядка 20-25 %.
Если наладить производство энергии на основе возобновляемых источников, Казахстан сэкономит десятки сотен тонн, которые можно экспортировать, и при этом радикально сократить выбросы углекислого газа в атмосферу.
Переход на возобновляемые источники необходим еще и потому, что на их основе развиваются высокотехнологичные отрасли, имеется высокий научный потенциал. В Павлодаре начат выпуск миниВЭУ мощностью до 5 МВт, а в Жамбылской области начат выпуск биотоплива на основе отходов сельхозпроизводства, первая в стране комбинированная солнечно - ветровая система построена близ села Баканас Балхашского района Алматинской области.
Важной задачей развития нетрадиционной энергетики является создание эффективных и экологически приемлемых аккумуляторов тепла и электроэнергии. Работа по аккумулированию пока находится на стадии разработки, но активно ведутся в направлении создания тепловых, химических, водородных, гидро- и пневмоаккумуляторов. Нетрадиционная энергетика, использующая энергию ветра, солнца, малых рек, термальных подземных вод, биомассы и других источников в настоящее время имеет высокие удельные капиталовложения по сравнению с традиционными источниками энергии. Однако с ростом цен на органическое топливо и ограничениями общества, направленными на охрану окружающей среды, эффективность нетрадиционных источников энергии будет, несомненно, возрастать, а развитие их станет важнейшим направлением энергосбережения.
2.3 Проект Правительства Казахстана и Программа развития ООН «Казахстан - инициатива развития рынка ветроэнергетики»
Ветровая электростанция вблизи г. Аркалык.
Город Аркалык расположен на юго-востоке Костанайской области рядом с месторождениями бокситов. Добыча и переработка бокситовых и цинковых концентратов является основой экономической деятельности города.
После распада Советского Союза и разрыва экономических связей с промышленными партнерами, г. Аркалык находился в состоянии серьезного экономического и социального кризиса. В настоящее время в городе происходит постепенное восстановление экономики. С увеличением промышленного производства и развитием экономики повышается спрос на электроэнергию. По данным Акимата г.Аркалык объем потребления электроэнергии городом составил 93 651 МВт·ч в 2007г. Часть электроэнергии в объёме 22 500 МВт·ч/год вырабатывается Государственным Коммунальным Предприятием «Аркалыкская Теплоэнергетическая компания» (ГКП «Аркалыкская ТЭК»). Установленная электрическая мощность ТЭЦ составляет 6,5 мВт. Основной задачей ГКП «Аркалыкская ТЭК» является теплоснабжение города. Тепловая мощность ТЭЦ составляет 175 Гкал/ч, а годовая выработка теплоэнергии - 158 300 Гкал. Основным и единственным видом топлива для ТЭК является мазут М-100, потребляемый в объёме 25,4 тыс.т/год. ГКП «Аркалыкская ТЭК» является единственным местным источником электрической энергии на юге Костанайской области. Внешнее электроснабжение г. Аркалык и региона в целом осуществляется поставками электроэнергии из Павлодарской области через сети КЕГОК по ЛЭП напряжением 220 кВ.
Полная зависимость энергоснабжения города, а также региона в целом от поставок электроэнергии извне при складывающемся дефиците электроэнергии в других областях, может повлиять на дальнейшее социально-экономическое развитии города и региона. Увеличение мощности Аркалыкской ТЭЦ, работающей на мазуте, не представляется экономически целесообразным из-за высокой стоимости мазута.
Город Аркалык находится в зоне высоких ветровых нагрузок. По данным многолетних метеонаблюдений КазГидромета среднегодовая скорость ветра на высоте 10 м составляет порядка 4,92 м/с, что делает возможным использование энергии ветра для производства электрической энергии. Ветроэлектростанции (ВЭС) могут обеспечить дополнительную электрическую энергию для города. Возможен вариант использования электроэнергии от ВЭС для нужд электроотопления, что также является весьма актуальным для города. Этому способствует и то обстоятельство, что пик выработки электроэнергии на ВЭС будет приходиться на зимние месяцы.
В соответствии с договоренностями между Акиматом г. Аркалык и проектом ПРООН/ГЭФ по ветроэнергетике в течении 2006-2007гг были проведены исследования ветроэнергетического потенциала на выбранной площадке вблизи города и подготовлено прединвестиционное исследование для строительства ВЭС в данном районе.
Кроме местных выгод, строительство ВЭС в районе г. Аркалык и замещение поставок электроэнергии от традиционных угольных электростанций внесет вклад в выполнение международных обязательств Республики Казахстан по сокращению выбросов парниковых газов в соответствии с Рамочной Конвенцией ООН по изменению климата, участником которой Республика Казахстан является с 1997г.
Описание площадки.
Выбранная площадка под строительство ВЭС расположена в 5 км в западном направлении от города Аркалык. Недалеко от площадки проходит автомобильная дорога с твердым покрытием. Территория площадки представляет собой открытую степь, ограниченную в северо-восточном и северо-западном направлении отвалами бокситового производства высотой 3050-метров.
Площадка размером 2х4 км в настоящее время свободна и доступна для строительства ВЭС мощностью от 20 до 50 МВт. При необходимости имеется возможность увеличить мощность ВЭС. Рядом с площадкой проходят ЛЭП 35 кВ, на расстоянии 4 км - ЛЭП 110 кВ, 12 км - ЛЭП 220 кВ, что позволяет выдавать мощность ВЭС в город и в регион.
Взлетно-посадочная полоса городского аэропорта находится в 15 км к северо-востоку от площадки и направлена с запада на восток. Таким образом, траектория самолетов при взлете и посадке не проходит над площадкой.
Оценка ветрового потенциала на площадке.
При поддержке со стороны Акимата г. Аркалык в рамках проекта ПРООН по ветроэнергетике на выбранной площадке в сентябре 2006г была установлена метеомачта высотой 50м и были произведены годичные замеры скорости и направления ветра в течении 2006-2007гг. Замеры скорости ветра производились в соответствии с международными стандартами в области измерений скорости ветра для оценки ветрового потенциала (IEA/IEC). Верификация, обработка данных и оценка ветрового потенциала проводилась при поддержке компании «PB Power», Австралия. Проведенные исследования в этой области показали возможность использования данной площадки для строительства ВЭС.
Оборудование по измерению потенциала ветра.
Оборудование для измерения характеристик ветра было установлено на 50 метровой метеомачте (в соответствии с рисунком 24).

Рисунок 24. Фотоснимок метеомачты в районе площадки г. Аркалыка.
Координаты метеомачты и конфигурация приборов предоставлены в таблице 2. Конфигурация приборов, установленных на мачте, соответствуют международным стандартам IEA/IEC в области измерения скорости ветра.
Таблица 2
Координаты метеомачты и конфигурация приборов
|
Высота мачты |
Позиция (WGS84 Пояс 2) |
Анемометры |
||||
|
К востоку |
К северу |
Высота |
Уклон |
Смешение |
Ориентация стрелы (градусы) |
|
|
49,37 м |
343192 |
5568627 |
51 |
0,04769 |
0,289 |
Недоступно (верх, установка) |
|
49 |
0,04774 |
0,284 |
147° |
|||
|
27 |
0,04784 |
0,256 |
147° |
|||
|
Флюгеры |
||||||
|
Высота |
Сдвиг |
Ориентации стрелы (град) |
||||
|
49 |
327° |
327° |
||||
|
26 |
327° |
327° |
Анализ данных с метеомачты.
Среднегодовые статистические данные по ветру показаны в таблице 3.
Таблица 3
Среднегодовые статистические данные по ветру
|
Период записи |
Дата |
Время |
|
|
Начало |
2006/09/26 |
11:50 |
|
|
Окончание |
2007/10/23 |
16:30 |
|
|
Статистика ветра |
Уровень 1 |
Уровень 2 |
Уровень 3 |
|
Высота над уровнем земли (м) |
51,0 |
49,0 |
27,0 |
|
Минимальная скорость ветра (м/с) |
0,0 |
0,0 |
0,0 |
|
Средняя скорость ветра (м/с) |
6,49 |
6,48 |
5,75 |
|
Максимальная скорость ветра (м/с) |
29,7 |
30,1 |
27,3 |
|
Порывы ветра (м/с) |
38 |
38 |
38 |
|
IEC (15 м/с) интенсивность турбулентности |
8,7 % |
8,8 % |
9,4 % |
|
Статистика окружающей среды |
Минимум |
Среднее |
Максимум |
|
Температура (°С) |
27,5 |
3,5 |
35,1 |
|
Давление (кПа) |
953,5 |
979,9 |
1005,0 |
Доступность данных по скорости ветра в течении периода 2006-2007 составила 89 %. Некорректные данные (из-за обледенения датчиков) не использовались.
Распределения скорости ветра, параметры Weibull на высоте 51 м для площадки показаны на рисунке 25.

Рисунок 25. Распределение скорости ветра и параметры Weibull на высоте 51 м.
Роза направления ветра и роза энергии ветра показаны на рисунке 26. Роза направления ветра показывает, что преобладающее часть ветра имеет юго-западное направление. Распределение энергии ветра показывает, что основная часть энергии ветра идет с юго-западного направления.

Рисунок 26. Роза направления ветра (слева) и роза энергии ветра (справа).
Сезонное распределение скорости ветра, представленное на рисунке 27, демонстрирует характер изменения скорости ветра по месяцам по отношению к среднегодовой скорости ветра.

Рисунок 27. Ежемесячные средние скорости ветра на высоте 51 м.
Корреляция скорости ветра с учетом долгосрочных данных.
Для определения прогноза долгосрочной скорости ветра на площадке было определено соотношение между данными по скорости ветра от НЦАИ (Национальный Центр Атмосферных Исследований, США) и данными метеомачты г. Аркалык. Результаты соотношения представлены в таблице 4.
Таблица 4
Результаты соотношения
|
Базовая площадка |
Результат соотношения |
Местная средняя скорость ветра (м/с) |
Средняя скорость ветра на базовой площадке (м/с) |
Перекрывающая скорость ветра на базовой площадке (м/с) |
Местная долгосрочная средняя скорость ветра (м/с) |
|
Аркалык |
90,0% |
6,51 |
3,70 |
3,43 |
6,93 |
Долгосрочная скорость ветра на высоте 51 м на площадке составила 6,93 м/с.
Климатические данные.
Специалисты "PB Power” провели моделирование ветрового потока для площадки Аркалык. Следующие климатические и топографические данные были использованы в моделировании:
Данные ветра: Ветровые данные метеомачты экстраполированы для высоты 80 м - расположения оси ротора турбины.
Средняя плотность воздуха: Данные по температуре, и давлении, были получены на метеомачте. Вычисленная плотность воздуха для площадки принята как средняя плотностью воздуха на высоте 80 м для всех турбин на площадке. Плотность воздуха равна 1.218 кг/м3.
Топографические данные: Цифровая карта местности вокруг мачты была выведена специалистами проекта вместе с топографическими контурами в интервале 10 м. В связи с тем, что неровность местности не была предоставлена, компания «PB Power» приблизительно оценила неровность поверхности, применив воздушные и наземные фотоснимки. Компания "PB Power” также определила, что длина неровности равна 0.03 м, что является вполне приемлемым для обрабатываемой земли с разбросанной растительностью.
Выбор и график мощности ветровой турбины.
Специалисты "PB Power” предложили ветровую турбину Vestas NM82 для ВЭС Аркалык. Номинальная мощность турбины - 1650 кВт, диаметр ротора - 82 м. высота оси ротора равна 80м. Производитель турбины -компания Vestas, Дания.
График мощности для турбины Vestas NM82 был получен с помощью стандартного инженерного программного обеспечения. График мощности турбины при плотности воздуха 1,218 кг/м3, приведен на рисунке 28.

Рисунок 28. График мощности турбины Vestas NM82.
Структура потерь электрической энергии на ВЭС по данным «PB Power» приведена в таблице 5.
Таблица 5
Структура потерь электрической энергии на ВЭС по данным "PB Power”
|
Потери |
Значение |
Источник |
|
Потери от аэродинамического взаимодействия турбин |
Зависит от площадки |
оценка «PB Power» |
|
Деградация кривой мощности турбины |
0,5 % |
оценка «PB Power» |
|
Гистерезис останова турбины |
Минимальное влияние, учитывается в вычислении производства электроэнергии |
оценка «PB Power» |
|
Различные потери генератора |
0,5 % |
оценка «PB Power» |
|
Электрические потери на внутренних сетях ВЭС |
3 % |
оценка «PB Power» |
|
Долгосрочные потери от поломок генератора |
3 % |
оценка «PB Power» |
|
Электрические потери вне ВЭС |
Не включено |
- |
|
Потери от аварии на внешней сети |
Не включено |
- |
Специалисты "PB Power” разработали план расположения турбин для ВЭС Аркалык с установленной мощностью 41 МВт. План ВЭС состоит из 25 турбин расположенных в сетке 5Х5 турбин (в соответствии с рисунком 29). Расстояние между турбинами равно 6 диаметрам ротора.

Рисунок 29. План ВЭС.
Основные результаты по выработке электроэнергии на ВЭС Аркалык.
Основные результаты вычислений по выработке электроэнергии для ВЭС Аркалык мощностью 41 МВт с ветровыми турбинами Vestas NM82 приведены в таблице 6.
Таблица 6
Результаты вычислений по выработке электроэнергии для ВЭС Аркалык
|
Параметры |
ВЭС Аркалык |
|
Тип турбины |
Vestas NM82 |
|
Количество турбин |
25 |
|
Высота ротора над уровнем земли(м) |
80 |
|
Общие потери ВЭС (%) |
14,8 |
|
Общая годовая выработка электроэнергии (МВт·ч/г) |
143 601 |
|
Общая годовая выработка электроэнергии с учетом потерь от аэродинамического взаимодействия турбин (МВт·ч/г) |
131 297 |
|
Полезная годовая выработка электроэнергии (МВч/г) |
122 305 |
|
Коэффициент использования мощности (%) |
33,9 % |
|
Средняя скорость ветра на площадке (м/с) |
7,52 |
Как видно из результатов вычислений при средней многолетней скорости ветра 7,52 м/с на высоте 80 м полезная годовая выработка электроэнергии всеми турбинами Vestas NM82 на ВЭС составит 122 305 МВтч. При этом коэффициент использования установленной мощности ВЭС составит 33.9 %, что является достаточно высоким показателем и показывает возможность использования площадки для строительства ВЭС.
Коммерческая оценка проекта ВЭС Аркалык.
Приближенные технико-экономические расчеты показывают, что при цене 11,20 тенге за кВт·ч электрической энергии, выработанной на ВЭС, внутренняя норма доходности (IRR) проекта составит 12 %, что близко к значениям для коммерческих проектов ВЭС в Европе.
Сделанные предположения, используемые в этой простой коммерческой модели, включают (в соответствии с таблицей 7).
Таблица 7
Технико-экономические расчеты при строительстве ВЭС
|
Пункт |
Величина |
Источник |
|
Удельная стоимость ВЭС |
1,25€ млн. /МВт |
Приблизительные данные по проектам ВЭС в Европе. |
|
Затраты на эксплуатацию и обслуживание |
9 €/МВт·ч |
Средняя промышленная норма для Европы |
|
Индексация |
5 % в год |
Принята равномерная индексация всех затрат 5 % в год. Это, вероятно, будет консервативным подходом, поскольку инфляционные влияния на стоимость электроэнергии, вероятно, будут выше, чем на обслуживание и эксплуатацию. |
|
Налогообложение |
Налогообложение аналогично другим инвестиционным проектам в Казахстане |
По сделанным предположениям простой период окупаемости ВЭС составит 9 - 10 лет при цене продажи электрической энергии на уровне 11,2 тг/кВтч.
По данным Акимата г. Аркалык в настоящее время стоимость поставки электрической энергии в регион с учетом транспорта электроэнергии составляет 3,49 тг/кВтч. В соответствии с Планом развития электроэнергетической отрасли РК до 2015г предполагается, что стоимость поставки электроэнергии в Костанайскую область с учетом транспорта электроэнергии составит порядка 9 тг/кВтч к 2010г и 10,5 тг/кВтч к 2015г.
Учитывая отсутствие сколько-нибудь значительных местных источников энергии в данном регионе, а также сопоставимость стоимости электроэнергии от ВЭС с рыночной стоимостью электроэнергии в долгосрочном плане, строительство ВЭС в г. Аркалык представляется оправданным.
В таблице 8 приведены основные результаты технико-экономического расчета ВЭС.
Таблица 8
Основные результаты технико-экономического расчета ВЭС
|
Переменные |
Стоимость |
Ед. |
|
Мощность и стоимость |
||
|
Дата начала |
2009 |
год |
|
Расчетный срок |
20 |
лет |
|
Окончание проекта |
2029 |
год |
|
Общая установленная мощность |
41 |
МВт |
|
Годовое производство электроэнергии (нетто) |
122 305 |
МВт*ч / год |
|
Капитальные расходы |
51,250,000 |
€ |
|
Эксплуатационные затраты |
||
|
Отпускная цена электроэнергии |
11,20 |
тенге/кВт*ч |
|
Эксплуатация и техобслуживание на МВт·ч |
9 |
€ |
|
Эксплуатационные накладные |
€0 |
€/год |
|
Арендная плата землевладельцу |
0,0% |
% валового дохода |
|
Налоги |
||
|
Корпоративный налог |
30% |
|
|
Налог на собственность |
1% |
|
|
Земельный налог |
54 000 |
€ на основании €300/га и 30га/турбина |
|
Налоговые каникулы |
5 |
лет |
|
Индексация цен |
5% |
|
|
Курс валюты |
||
|
KZT/$ |
121 |
|
|
KZT/€ |
190 |
|
|
KZT/ |
244 |
|
|
Результат |
||
|
ВНД Проекта |
12% |
Данные исследований по площадке ВЭС Аркалык.
Сейсмические данные. Район города Аркалык не является зоной сейсмической активности и дальнейшие изучение на предмет влияния сейсмичности на установку ветровых турбин не было выполнено.
Топографические данные. Выбранная площадка представляет собой ровную степную поверхность, ограниченную с северо-запада и северо-востока отвалами бокситового производства высотой 30-50-метров. Добыча минерального сырья в районе прилегающем к площадке, приостановлена. Однако, при рассмотрении строительства ВЭС целесообразно обсудить перспективы возобновления добычи бокситов в районе и выбрать расположение площадки с учетом этого фактора.
Геотехнические данные. Ориентировочные данные, указанные на картах местности, свидетельствуют о том, что данный участок располагается на глиняном грунте. Изучение грунта до глубины 1,5 м при установке метеомачты подтвердили эти данные. Грунт преимущественно представлен твердой глиной, которую несложно разрабатывать с помощью механического оборудования. Грунтовые воды залегают на глубине от 2 до 12 м.
Электрические сети.
Участок располагается в 4-х км от ЛЭП 110 кВ. Подключение к данной линии будет физически возможным, но необходимо изучить соответствие линии для приема электроэнергии от ВЭС с учетом балансировки мощности ВЭС, а также качества электрической энергии.
Условия для транспорта оборудования.
Аркалык связан железнодорожными путями с железнодорожным узлом г. Астана и оттуда - с Китаем, Россией и Европой. Железнодорожные ветки внутри и вокруг города позволят разгрузить детали турбин и транспортировать их по автодороге до площадки строительства ВЭС.
В целом оборудование для ВЭС может быть доставлено из Европы, Китая и России без каких-либо трудностей. Для доставки оборудования на площадку необходимо провести детальное исследование маршрута и местной транспортной инфраструктуры.
2.4 Обоснование и технологический расчет ввода в эксплуатацию ветряной установки EuroWind 20
Выполняем расчёт энергообеспечения гостиничного комплекса, состоящего из блоков по 8 номеров в каждом, с общим количеством 160 номеров, находящегося в черте транспортного коридора «Западная Европа Западный Китай» (в соответствии с рисунком 30), в центральной части его казахстанского участка.
Рисунок 30.Транспортный коридор «Западная Европа Западный Китай»
Среднегодовая скорость ветра для выбранной местности находится по формуле:
S = ( H *n )/a (10)
где:
S - определяемая скорость ветра (м/сек);
Н - запланированная высота (м);
n- количество дней в году
a - эмпирический показатель степени -966.
S = 18*365/966=6,8 м/c
Расходы электроэнергии на бытовые приборы и освещение составляют 60 кВт на один номер в месяц и около 2500 кВт в месяц на ресторан. Ресторан и жилые помещения обогреваются, кондиционируются, и круглый год обеспечивают себя горячей водой с помощью трехфазного геотермального теплонасоса инверторного типа мощностью 14 кВт. Потребление электроэнергии данного теплонасоса составляет 3,5 кВт/час, а пусковые токи составляют всего 2,8 кВт. В ресторане и гостинице используются энергосберегающие лампы для освещения. Пиковая нагрузка при использовании электроприборов и освещения объекта составляет около 7,5 кВт (не учитывая 3,5 кВт нагрузки теплонасоса).
Для данного объекта существует общественная электросеть, но она не может обеспечить потребности в электроэнергии, так как выделеная линия мощностью только 4 кВт и находится вдали от объекта. Следовательно, нужно тянут дополнительную линию, устанавливать опоры ЛЭП и т.д. Исходя из этого нужно ввести дополнительный источник энергии. Оптимальным вариантом для данного случая является ветряная установка EuroWind 20, так как она наиболее подходящая по вырабатываемой мощности и техническим характеристикам. Более того, что свободное место для установки ветрогенератора в данном случае не проблематично свободной площади достаточно около гостиницы и ресторана.
Технические характеристики установки EuroWind 20
Производительность генератора 1800-26500 Вт
Диаметр ротора: 10 метров
Длина/высота лопасти: 4,8м
Количество лопастей: 3 шт.
Направление: всегда по ветру (управляется контроллером)
Материал лопастей: FRP (композитный материал)
Начальная скорость: 2 м/с
Номинальная скорость ветра : 12 м /сек.
Максимальная мощность (при 13 м/с): 26 500 Вт
Номинальная мощность : 20000 Вт/час
Исходное напряжение генератора: 360В
Напряжение после инвертора: 220В или 380В
Выдерживает ураганный ветер: до 45 м/с
Защита от ветра: автоматическое флюгирование
Скорость вращения ротора: 90 оборотов/мин
Тип ветротурбины: PMG (на постоянных магнитах)
Рабочая температура: от -40 до +60 C
Контроллер заряда: интеллектуальный (2-е поколение)
Средняя выработка энергии в год (при 6 м/с): 34000 кВт
Средняя выработка энергии в год (при 8 м/с): 68000 кВт
Рекомендованные аккумуляторы: 90 шт. 12В 200Ач
Время для полной зарядки аккумуляторов: около 16 часов
Высота мачты конической: 18 м
Вес: 3211 кг
Стоимость установки: 2000000 тенге
Также в состав установки входят: аккумулятор (стоимость одного аккумулятора 150000 тенге) и инвертор (стоимость инвертора 600000 тенге)
Как видно из представленных характеристик, данная ветряная установка подходит для выбранного объекта, как по технологическим параметрам, так и с точки зрения особенностей местности и климатических условий.
Генератор EuroWind 20 имеет напряжение 240 Вольт, поэтому ему необходимо 10 аккумуляторов с напряжением 24 Вольт
(24В*10=240В).
Одна аккумуляторная батарея 24В 150Ач способна сохранить до 1,8 кВт электроэнергии. Десять таких батарей могут сохранить до 36 кВт (1800Вт*10=18000Вт). Запаса электроэнергии в 36 кВт должно хватить всему комплексу почти на 5 часов непрерывной работы при средней нагрузке при полном отсутствии ветра. Для этого нам подойдут 10 аккумуляторных батарей 24В с емкостью 150Ач.
Для максимального потребления электроэнергии в пиковые моменты до 7,5 кВт, требуется установить инвертор 10 кВА. Он сможет обеспечить постоянную нагрузку 8 кВт и пусковые токи до 12 кВт (150% нагрузка).
Для обеспечения теплонасоса мощностью 3,5 кВт необходим трехфазный инвертор, так как этот теплонасос требует трехфазный ток с напряжением 380В. В этом случае возьмём ещё один инвертор трехфазный 5 кВА, который обеспечит нас напряжением 380В и постоянной мощностью 4 кВт.
В итоге, для полного энергообеспечения данного объекта необходим генератор EuroWind 20, 10 аккумуляторных батарей 24В с емкостью 150Ач, и трехфазный инвертор 5 кВА.
Предложенный вариант ветровой установки может использоваться для электроснабжения любого отдаленного от центральной электрической сети объекта.
2.5 Расчет экономической эффективности разработанного предложения.
Ежемесячный расход электроэнергии на содержание номеров составляет 60 кВт * 8 номеров = 480 кВт в месяц. Общий расход электроэнергии на содержание гостиницы и ресторана без учёта отопления составит 2980 кВт в месяц на один блок по 8 номеров в каждом.
(480 кВт + 2500 кВт = 2980 кВт).
Отсюда следует, что среднее ежечасное потребление на все электроприборы и освещение без учёта обогрева составит 4,14 кВт/час
(2980 кВт / 30 дней / 24 часа = 4,14 кВт/час).
К этому числу необходимо прибавить 3,5 кВт/час, которые будет потреблять теплонасос. В итоге мы получаем, что генератор должен обеспечивать как минимум 7,64 киловаттами электроэнергии ежечасно (4,14 кВт/час + 3,5 кВт/час = 7,64 кВт/час).
Среднегодовая скорость ветра 6,8 м/с позволяет генератору работать как минимум на 40% от номинальной мощности. Отсюда следует, что номинальная мощность генератора должна составлять как минимум 19,1 кВт/час (7,64 кВт/час / 40% = 19,1 кВт/час)
Как рассчитано ранее, для покрытия потребности в электроэнергии одному блоку требуется в среднем 2980 кВт в месяц, а для всего комплекса требуется:
2980 кВт * 20 = 59600 кВт
Определяем количество установок для энергообеспечения комплекса:
Ку = Ом/ВМу = 59600/34000=1,72
Где:
Ку количество установок
Ом общяя мощность
ВМу - вырабатываемая мощность установки
Как видно из расчетов, необходимо 2 ветровые установки предложенного типа и выбранной мощности.
На приобретение данных установок и комплектующих к ним (аккумуляторы, инверторы) требуется 8 200 000 млн. тенге
Из обоснований и расчетов можно сделать вывод, что при достаточно большой цене на приобретение ветроустановки EuroWind 20 и комплектующих, ввод в эксплуатацию генератора существенно сэкономит средства потребителя, даст независимость от общественных электросетей и может использоваться в любых отдаленных районах нашей страны.
Выводы по второму разделу:
Республика Казахстан обладает всеми предпосылками для бурного развития альтернативной энергетики на ее территории. Одно из её перспективных направлений - использование энергии ветра. Возможно широкое применение энергии ветра для горячего автономного отопления системы домов или даже, возможно, целого микрорайона. Такой подход согласуется, в том числе, с предложением нашего президента по увеличению доли потребления энергии в виде возобновляемых источников.
Отечественную энергетику можно разделить на три крупных региональных территорий: Северный и Центральный районы: Акмолинская, Восточно-Казахстанская, Карагандинская, Костанайская и Павлодарская области; Южный районы: Алматинская, Жамбылская, Кызылординская и Южно-Казахстанская область; Западный районы: Актюбинская, Атырауская, Западно-Казахстанская и Мангистауская области.
Важной задачей развития ветровой энергетики в Казахстане является создание эффективных и экологически приемлемых аккумуляторов тепла и электроэнергии. Работа по аккумулированию пока находится на стадии разработки, но активно ведутся в направлении создания тепловых, химических, водородных, гидро- и пневмоаккумуляторов
Проект Правительства по строительству ветровой электростанции в г.Аркалык является важным шагом в развитии ветровой электроэнергетики Республики Казахстан. Приближенные технико-экономические расчеты показывают, что при цене 11,20 тенге за кВт·ч электрической энергии, выработанной на ВЭС, внутренняя норма доходности (IRR) проекта составит 12 %, что близко к значениям для коммерческих проектов ВЭС в Европе.
3. ОХРАНА ТРУДА
На этапе технико-экономического обоснования, важно учитывать потребность ветроагрегата в постоянном контроле за его функционированием с целью исключения возможности нерационального использования.
При эксплуатации маломощных ВЭУ необходимо следовать следующим правилам:
- обеспечивать необходимые режимы эксплуатации АБ. Например, никель-кадмиевые батареи периодически нуждаются в полной разрядке, чтобы работать на полную мощность;
- производить постоянный контроль за датчиком перезаряда АБ;
- регулярно проводить обслуживание инверторов для того, чтобы они могли противостоять значительным перепадам входящего напряжения, что является результатом цикла разряда/заряда батареи.
Как только ВЭУ или ветроферма начала выработку электроэнергии, необходимо регулярно контролировать работу каждого ветроагрегата в ее составе.
В случае крупных коммерческих ветроферм, для облегчения контроля за отдельными установками рекомендуется соединять ветроагрегаты через дистанционную мониторинговую компьютерную сеть.
Сбор информации ведется относительно влияния ВЭУ на экосистему, уровень шума, внешний вид территории и т.д., а также регистрируются объемы производимой электроэнергии. Такая информация может быть использована для улучшения характеристик ветроагрегатов.
Большинство турбин имеет 2 независимые системы останова, предназначенные для проведения обслуживания:
- аэродинамический тормоз (т.е. вывод ветроколеса из-под ветра или изменение угла поворота лопастей);
- механический тормоз (обычно дисковые тормоза на оси ветроколеса или мультипликатора);
Ветроколесо и башня должны быть достаточно прочными, чтобы выдержать наиболее сильные порывы ветра. В условиях эксплуатации в холодном климате, лопасти должны оснащаться специальными устройствами, предотвращающими их обледенение. Также должна быть предусмотрена защита от молний.
При проведении техобслуживания необходимо соблюдать соответствующие правила безопасности. Правил безопасности и рекомендаций необходимо придерживаться еще на стадии монтажа ВЭУ, что позволит повысить надежность ее эксплуатации.
На стадии установки оборудования все электротехнические работы выполняться в соответствии с принятыми инструкциями. Для ветроагрегатов, подсоединенных к электросети, существуют более детальные инструкции.
Очень важно, чтобы при разработке ВЭУ учитывались требования к ее обслуживанию, в частности:
- защита вращающихся элементов внутри энергетического блока ветроагрегата;
- методы предотвращения поворота ротора турбины во время обслуживания;
- трудности работы в ограниченном пространстве энергетического блока ветроагрегата;
- пожарная сигнализация в энергетическом блоке и башне;
- лестницы для подъема и места отдыха во время подъема на башню;
- обеспечение работ в специальной одежде;
- специфические опасности при работе в одиночку и методы связи.
Любой человек, который предполагает работать с ВЭУ, должен пройти специальный инструктаж. Обучение охватывает большой спектр знаний, начиная от знания действий в чрезвычайных ситуациях до техобслуживания всех видов оборудования в составе ВЭУ.
В Казахстане документами, содержащими инструкции по безопасности проведения технических работ, являются:
- Правила по установке электроустановок (ПУЭ);
- Правила технической эксплуатации электроустановок потребителей;
- Правила техники безопасности при эксплуатации электроустановок потребителей
4. ПРОМЫШЛЕННАЯ ЭКОЛОГИЯ
Одним из самых лучших достоинств энергии ветра следует отнести доступность, повсеместное распространение и неисчерпаемость ресурсов. Источник энергии не нужно добывать и транспортировать к месту потребления: ветер сам поступает к установленному на его пути ветродвигателю. Эта особенность ветра чрезвычайно важна для труднодоступных (арктических, степных, пустынных, горных и т.п.) районов, удалённых от источников централизованного энергоснабжения, и для относительно мелких (мощностью до 100 кВт) потребителей энергии, рассредоточенных на обширных пространствах. Основное препятствие к использованию ветра как энергетического источника - непостоянство его скорости и, следовательно, энергии во времени.
Наряду с такими позитивными аспектами, связанными с использованием энергии ветра, как отсутствие выбросов парниковых газов и других вредных веществ, загрязняющих окружающую среду, наличие большого возобновляемого ресурса этого источника энергии, следует отметить также и негативные с экологической точки зрения аспекты ветроэнергетики. Рассматривая негативное влияние ветроэнергетики на окружающую среду, можно выделить следующие основные моменты:
- Использование для ветровых турбин значительных территорий, которые могли быть использованы, например, для сельскохозяйственных и животноводческих нужд. Так, ветровая турбина мощностью 1 МВт требует до 15 га земли. Для замены только одной АЭС мощностью 4 ГВт потребовалось бы соорудить около четырех тысяч таких ветровых турбин. Ветроагрегаты близко друг к другу ставить нельзя, так как они могут создавать взаимные помехи в работе, «отнимая ветер» один от другого.
- В связи с этим многие ветровые электростанции располагаются в пустынных областях или прибрежных водах, что, в свою очередь, требует прокладки протяженных линий электропередач до потребителей энергии. Следует отметить: расположение ветровых электростанций в пустынных областях приводит к возникновению серьёзной эрозии почв, а станции, расположенные в прибрежных водах, служат помехой для судоходства.
- Изменения качества пейзажа, особенно, если станции располагать в горной местности, на гряде холмов или в море, вблизи побережья с курортными зонами.
- Серьёзные разрушения флоры и фауны, влияние на популяции диких животных (особенно птиц и летучих мышей). Работающие ветродвигатели создают значительный шум, распугивая птиц и зверей, нарушая их естественный образ жизни, а при большом их скоплении на одной площадке могут существенно исказить естественное движение воздушных потоков с непредсказуемыми последствиями.
- Особо нужно отметить луговые и лесные пожары, возникающие из-за замыканий в электрических кабелях при поворотах турбин к направлению ветра, а также гибель птиц, летучих мышей и насекомых из-за столкновений с ветровыми турбинами, башнями и примыкающими линиями электропередачи.
- Работа ветровых турбин создает проблемы звуковых и ультразвуковых воздействий на объекты окружающей среды. При близком расположении ветроустановок к жилищам людей у многих жителей проявляется «ветротурбинный синдром» - болезни сердца, звон в ушах, головокружение, приступы паники и мигрени. Генерируемый ветротурбинами инфразвук вызывает вибрации костей, что может сопровождаться вышеназванными проявлениями.
- Электромагнитное воздействие, влияющее на работу телевидения, радарных систем, установок в аэропортах.
- Башня ветровой турбины должна быть массивной и прочной, чтобы выдержать и массу громадного ротора, и вибрации, возникающие при его работе. Зарегистрированные в последние годы многочисленные обрушения ветровых башен и разрушения турбин часто сопровождаются возгораниями. При проектном сроке работы турбин 20-30 лет, разрушения зачастую происходят через 5 лет.
Влияние электрических полей, создаваемых ветрогенераторами, на здоровье человека
Электрические поля промышленной частоты являются одним из экологически значимых физических факторов электромагнитной природы. Эти поля не являются каким-то особенным лучевым фактором, а представляют лишь частный случай электромагнитных полей сверхнизкочастотного диапазона (СНЧ) и составляют 50/60 Гц.
Источники
Основными источниками электрических полей промышленной частоты являются высоковольтные линии электропередачи, открытые распределительные устройства (ОРУ), электробытовая техника, электроаппаратура, приборы, в которых используется ток промышленной частоты. Экологическая значимость этих полей постоянно возрастает в силу того, что, с одной стороны, постоянно возрастает сеть линий электропередач, увеличивается их мощность, а с другой - расширяется контакт населения с электробытовой техникой и аппаратурой.
Единицы измерений, методы, аппаратура
Единицей измерения электрических полей промышленной частоты является величина напряженности (Е), измеряемая в вольтах на метр (В/м) или киловольтах на метр (кВ/м): 1 кВ/м - 103 В/м.
Уровень напряженности поля от линий электропередач есть функция номинального значения ее напряженности и конструкционно-строительных параметров (размер проводов, расстояния между ними, высота над поверхностью земли). В связи с этим, уровни воздействия на людей, находящихся под линиями электропередач, зависят от расстояния до токоведущих частей. Наибольшее значение регистрируется при нахождении непосредственно под проводами и по центру между опорами. С удалением в сторону от оси линии и ближе к опорам уровни напряженности поля быстро убывают до своих минимальных значений. Естественно предположить, что максимальные уровни напряженности поля, с которыми может встретиться человек, находятся в непосредственной близости к токоведущим проводам.
Для измерения напряженности электрических полей промышленной частоты применяются ПЗ-1 и NFM-1 (Германия). Измерения проводятся в местах нахождения людей при неискажении поля. Они проводятся по высоте 0,8 м от поверхности земли при отсутствии защитных средств и на высоте 0,5; 1,0 и 1,8 м - при наличии коллективных средств защиты.
Измерения проводятся при начале эксплуатации новых энергоустановок, изменений конструкционных особенностей и организации средств защиты. Текущий экологический надзор осуществляется 1 раз в год.
Нормирование.
Согласно СанПиН 2.1.8.12-17-2005, на открытой территории зоны жилой застройки уровень напряженности ЭП ПЧ не должен превышать 1,0 кВ/м, а внутри жилых зданий - 0,5 кВ/м. Данный уровень не должен иметь превышения с учетом 24-часового пребывания.
Медико-биологические аспекты воздействия электрических полей.
Электрические поля промышленной частоты в теле человека наводят электрические токи, причем их максимальные величины - в нижних частях ног - составляют 15 мкА/кВ/м. У человека в поле с Е=6-8 кВ/м наведенные токи составляют 90-120 мкА. Они стремятся пройти в землю, вследствие чего создается разность потенциалов между человеком и землей. Если человек изолирован от земли, то в месте контакта с заземлением он будет испытывать ощущение разряда электрического тока. В биологическом плане токи становятся ощутимыми при прохождении их по телу, например, от одной конечности до другой, при величине 500 мкА. При большем значении они могут вызвать реакцию кратковременного электроудара, хотя вполне слабого и безвредного. Искровые разряды возникают при напряженности электрического поля промышленной частоты свыше 3 кВ/м и напоминают удары статического электричества в сухую погоду. Наведенные токи от ЛЭП при прохождении на землю по силе воздействия меньше или эквивалентны в первом приближении наведенным токам, возникающим при пользовании бытовыми электроприборами.
Результаты экспериментальных исследований показали, чтобы вызвать потенциал действия в нервной клетке, наведенные токи должны быть порядка 10-20 А/м. Пороговая величина плотности тока, вызывающая потенциал действия в клетке, составляет 1 А/м. Проведенные расчеты свидетельствуют, что при внешнем поле 10 кВ/м (50/60 Гц) наведенные токи в теле человека намного меньше даже этой величины. Так, у заземленного человека она в области головы составляет 0,6 мА/м2, шеи - 5,5 мА/м2, в паховой области и области ступней - 2,5 и 20 мА/м соответственно.
По мнению некоторых исследователей, серьезно занимавшихся этой проблемой, внеклеточное поле, провоцируемое внешним электрическим полем, может считаться безопасным, если его величина не превышает уровень ЭП живых тканей. На основе ЭКГ и ЭЭГ определена плотность тока нервной ткани, равная 1 мА/м . Приведенные выше данные по наведенным токам в теле человека, находящегося в электрических полях промышленной частоты напряженностью 10 кВ/м2, намного выше этой величины.
На сегодняшний день не сложилось отчетливого представления о неблагоприятном действии электрических полей промышленной частоты уровнями, не превышающими ПДУ для населения. На основе результатов многочисленных эпидемиологических исследований, где изучался широкий диапазон клинических показателей, отдаленные возможные последствия, включая риск возникновения злокачественных новообразований, лейкемии, смертность, сделать вывод об опасности воздействия на человека уровнями не выше ПДУ для населения, нельзя.
Однако при воздействии интенсивностями, значительно превышающими ПДУ для персонала, непосредственно занятого эксплуатацией и обслуживанием электроэнергетических установок, выявляется пестрая клиническая симптоматика, характерная для невротического симптомокомплекса и ряда вегетативных проявлений.
Обеспечение экологической безопасности.
В основе обеспечения экологической безопасности действия электрических полей промышленной частоты лежит применение инженерно-технических мер коллективной защиты: защита «расстоянием», защита экранированием и заземлением.
Среди коллективных мер защиты на первый план выступает ряд предварительных мероприятий, проводимых на этапах проектирования линий электропередач. Это недопущение проведения жилой застройки в непосредственной близости от линий электропередач, где уровни интенсивности электрических полей превышают ПДУ для населения, определение зон недопустимого пребывания населения, а также предупреждение их случайного попадания в эти зоны.
Распространенными коллективными средствами инженерно-технической защиты от действия электрических полей промышленной частоты являются экранирующие навесы, козырьки. Экранирующие навесы изготавливаются из параллельных проводников (диаметр 3-5 мм, расстояние между ними 20 см) и располагаются на высоте 2,5 м над пешеходными дорожками.
При этом кратность защиты под серединой навеса достигает 17, у края - 5. Экранирующие козырьки, используемые в качестве защиты, изготавливаются в виде сеток из такого же материала с размером ячеек 5-10 см с кратностью защиты, равной 6. Для прохода людей, проезда автомашин, сельскохозяйственной техники под высоковольтными линиями электропередач организуют приспособления, относящиеся к коллективным средствам защиты. В частности, к ним относится сокращение расстояний между опорами, применение экранирующих тросов, навесов, натянутых на заземленных опорах. В ряде случаев на установках 400 и 500 кВ на расстоянии 4,5 м и 750 кВ на расстоянии 6 м до токоведущих частей устанавливаются экраны. Во всех случаях экранирующие устройства подлежат заземлению с величиной сопротивления заземляющего устройства 10 Ом.
ЗАКЛЮЧЕНИЕ
Ветроэнергетика на сегодняшний день является одной из самых быстрорастущих отраслей альтернативных источников энергии. За последние двадцать лет эта область превратилась из экзотического явления в стремительно развивающееся направление, где разработаны более эффективные и надежные технологии, стоимость которых за десять лет снизилась почти вдвое, что позволило наладить их коммерческое производство.
Республика Казахстан обладает всеми предпосылками для бурного развития альтернативной энергетики на ее территории. Одно из эффективных направлений для этого - использование энергии ветра, что соответствует перспективным планам Президента и Правительства Казахстана в области энергетики.
Анализ мировой ветроэнергетики показал, что ежегодное увеличение суммарной мощности ветроустановок в настоящее время составляет 26,8 %. При этом, лидирующие позиции на рынке ветровой энергии по совокупной установленной мощности занимает Европа.
Анализ основных путей развития современных ветроустановок и их технических особенностей, выявил следующее:
-в мировой ветроэнергетике наблюдается устойчивая тенденция роста единичной мощности ветроэлектрических установок и строительство крупных ветропарков;
-ветроэлектрические установки, входящие в состав ветропарков всё чаще снабжаются индивидуальными повышающими трансформаторами с напряжением на высокой стороне от 6 до 30 кВ, что обусловлено значительной территориальной протяжённостью ветропарков;
-наибольшее распространение для ветропарков небольшой мощности в Казахстане получили радиальные схемы электрических соединений, а для ветропарков средней и большой мощности - радиальные, магистральные и смешанные;
Исследования показали, что в настоящее время в Республике Казахстан развитие ветровой электроэнергетики находится в зачаточном состоянии. Однако, те немногие ветроустановки, которые уже имеются, основаны на радиальных схемы с главной повышающей подстанцией в геометрическом центре парка, что соответствует перспективным мировым технологическим тенденциям.
В дипломной работе обоснованы предложения по энергообеспечению гостиничного комплекса на 160 номеров в малонаселённом участке транспортного коридора «Западная Европа Западный Китай». Технико технологические расчёты показали, в среднем потребляемая мощность одного блока 2980 кВт в месяц, а всего комплекса 59600 кВт. Для электрообеспечения всего комплекса необходимо 2 ветровые установки предложенного типа и выбранной мощности.
На приобретение данных установок и комплектующих к ним (аккумуляторы, инверторы) требуется 8 200 000 млн. тенге.
При достаточно большой цене на приобретение ветроустановки EuroWind 20 и комплектующих, ввод в эксплуатацию генератора существенно сэкономит средства потребителя, даст независимость от общественных электросетей и может использоваться в любых отдаленных районах нашей страны для самых различных объектов: отгонное животноводство, геологоразведочные партии, туристские маршруты, МЧС и др.
На основании полученных в дипломной работе результатов обоснованы следующие основные рекомендации:
- Разработка и принятие долгосрочных программ развития ВИЭ с краткосрочными, среднесрочными и долгосрочными целями с увязкой их с государственными целями по обеспечению энергетической безопасности;
- Снятие административных и бюрократических барьеров и упрощение разрешительных процедур по согласованию проектов и строительству объектов ВИЭ
- Участие государства в развитии ВИЭ через осуществление пилотных проектов, научно- технических программ, подготовку кадров, ГЧП в реализации проектах ВИЭ.
- Поддержка местного производства оборудования ВИЭ при наличии рынка сбыта.
- Поддержка финансирования ВИЭ через создание или привлечение финансовых институтов или фондов с льготным кредитованием, механизмов Киотского Протокола, квотирование выбросов ПГ;
- Рекомендуется использовать ветровые электроустановки Euro Wind 20 для самых отдаленных от общей энергосистемы объектов.
Таким образом, задачи дипломной работы выполнены в полном объеме, дальнейшие исследования целесообразно проводить в направлении технической эксплуатации ветровых установок и в усовершенствовании их технико-экономических показателей, а также в развитии всей ветровой электроэнергетики Казахстана.
СПИСОК ИСПОЛЬЗОВАННОЙ ЛИТЕРАТУРЫ
- НОВОЕ ДЕСЯТИЛЕТИЕ - НОВЫЙ ЭКОНОМИЧЕСКИЙ ПОДЪЕМ - НОВЫЕ ВОЗМОЖНОСТИ КАЗАХСТАНА - Послание Президента РК Н.А. Назарбаева народу Казахстана. 29 Января 2010 год
- Стратегическая программа Развития «Казахстан-2030»
- Проект правительства Казахстана и программы развития ООН «Казахстан - инициатива развития рынка ветроэнергетики»
- Актуальные проблемы освоения возобновляемых энергоресурсов: Обзорные доклады ведущих специалистов. - Махачкала - 2011, - 171 с.
- А.А. Крашенников Перспектива использования нетрадиционных источников энергии //Энергетика и топливные ресурсы Казахстана, 2009, №1. С.48 -52.
- Андреев Е.И. Основы естественной энергетики // СПб:. Издательство «Невская жемчужина», 2004 год. - 584 с.
- «Энергетика в Республике Казахстан» 2006 2010 / Статистический сборник /. - Астана, 2011. - 106 с.
- Лукутин Б.В. и др. Возобновляемая энергетика в децентрализованном электроснабжении // Монография / Б.В. Лукутин, О.А. Суржикова., Е.Б. Шандарова. -М.: Энергоатомиздат, 2008. - 231 с.
- Андреев Е.И. Природная энергия // СПб.: 2008. - 176 с.
- http://www.ecomuseum.freenet.kz
- Кундас С.П. (ред.) Энергосбережение и возобновляемые источники энергии // Минск, МГЭУ им. А. Д. Сахарова, 2011, 160 стр.
- Безруких П.П., Дегтярев В.В. и др. Справочник по ресурсам возобновляемых источников энергии России и местным видам топлива /показатели по территориям // М.: "ИАЦ Энергия", 2007. - 272 с.
- http://www.kubhost.com
- Возобновляемые источники энергии. Климатическая политика и права человека // С.-Петербург, Русско-Немецкое Бюро Экологической Информации, 2013. - 62 с.
- Национальная программа развития ветроэнергетики до 2015 г. с перспективой до 2024 г. Алматы-Астана 2007 г.
- Воронин С.М. Нетрадиционные и возобновляемые источники энергии: курс лекций // Лекции. Зерноград: ФГОУ ВПО АЧГАА, 2008. - 126 с
- Обухов С.Г. Системы генерирования электрической энергии с использованием возобновляемых энергоресурсов // Учебное пособие. - Томск: Изд-во Томского политехнического университета, 2008. - 140 с.
- http://www.governinent.kz
- Голицын М.В., Голицын А.М., Пронина Н.М. Альтернативные энергоносители // М: Наука, 2004. - 159 с.
- Елистратов В.В. Использование возобновляемой энергии // - СПб.: Изд-во Политехнического университета, 2008. 224 с.
- Городов Р.В., Губин В.Е., Матвеев А.С. Нетрадиционные и возобновляемые источники энергии // Учебное пособие. 1-е изд. Томск: Изд-во Томского политехнического университета, 2009. 294 с.
- Грицевич И.Г. Климат и Энергетика. Перспективы и сценарии низкоуглеродного развития: ЕС, Китай и США в глобальном контексте // М.: Скорость цвета, 2011. 36 с.
- Д.А. Кариев Модернизация гидроэнергетических установок и использование ВИЭ в энергообеспечении (на примере Республики Казахстан): Автореферат дисс. на соискание ученой степени д.т.н. (05.14.16).- СПБГПУ. -Санкт-Петербург, 1999.
- Атамкулов Е.Д Перспективы ветроэнергетики в Казахстане //Энергетика и топливные ресурсы Казахстана, 2011, С.21 24..
- Елистратов В.В. Использование возобновляемой энергии // - СПб.: Изд-во Политехнического университета, 2008. -224 с.
- Кобелев А.В. Повышение эффективности систем электроснабжения с использованием возобновляемых источников энергии // Автореферат. Диссертации на соискание ученой степени кандидата технических наук Липецк. Издательство ТГТУ, 2012.
- Минин В. Экономические аспекты развития возобновляемой энергетики малой мощности в удаленных поселениях на Кольском полуострове // ЭПЦ «Беллона»,2012. - 50 с.
- Д.А. Кариев, Б.Б. Аманбаев, Е.К. Кенжебаев Вопросы экологии и экономии энергоресурсов при производстве электроэнергии //Вопросы экологии и экономики, научные доклады. Алматы: Казак университет, 2002. З 8 с.
- http://www.stat.kz/ Источник: Агентство республики Казахстан по статистике.
- К.В. Омельяненко, А.Я. Сирока Программа развития нетрадиционной энергетики Казахстана //Энергетика и топливные ресурсы Казахстана, 2010г, №4. С.21-25Магомедов А.М. Возобновляемые источники энергии // Лабораторный практикум: учебное пособие для вузов. - Махачкала, 2005. - 246 с.
- Обзор законодательства, политики и мер по усилению энергоэффективности и возобновляемой энергетики в ЕС // Промежуточный отчет. // Региональная программа Tacis 2006. - Январь 2009. - 44 с.
- Обозов А.Дж., Ботпаев Р.М. Возобновляемые источники энергии // Учебное пособие для вузов/А.Дж.Обозов, Р. М. Ботпаев Бишкек, изд. , 2010 г. 218 с.
- Бутко Владимир Николаевич, Чернолих Андрей Юрьевич «Мировые перспективы развития мировой электроэнергетики» //Вестник науки Костанайского социально-технического университета имени академика Зулхарнай Алдамжар. стр. 58
- Бутко В. Н. Перспективы развития мировой энергетики // Вестник науки Костанайского социально-технического университета Серия социально-гуманитарных наук. Костанай: КСТУ, 2012, №4, с.73-82.
- Программа по развитию транспортной инфраструктуры в Республике Казахстан на 2010-2014 годы. Транспортная стратегия Республики Казахстан до 2015 года.
- Бутко В. Н. Перспективы развития транспортной системы как материальной базы процесса глобализации мировой экономики //Вестник науки КСТУ им. акад. З. Алдамжар (серия социально-гуманитарных наук). 2011. №2. С. 36 43.
ПРИЛОЖЕНИЯ
Приложение А
Документы, подтверждающие внедрение результатов дипломной работы

Технические науки
Абилова М.С.
Государственная политика в области применения ИКТ………………….…6
Baimukhamedov M.
Nuclear neural networks training………………………………………………..9
Батырканов Ж. И., Саитов Н. Ж.
Проблемы выбора моделей представления знаний при разработке интеллектуализированных автоматизированных подсистем управления вузом………………………………………………………………………...…14
Беркимбай Р.А., Тажиева Ш.Ж.
Классическая модель адаптивного тестирования………………………......19
Биттеев Ш.Б., Науменко В.В.
Развитие образования в Республике Казахстан при помощи глобальной сети интернет и дистанционного обучения…………………………………26
Биттеев Ш.Б., Сансызбаев Р.М.
Система интервального регулирования движения поездов с использо-ванием спутниковых систем навигации……………………………………..31
Бутко В.Н., Кашкембаев Д.Ж.
Мировые тенденции совершенствования технической эксплуатации скоростного железнодорожного транспорта…………………………….….39
Бутко В.Н., Украинец М.С.
Состояние и мировые перспективы развития солнечной электро-энергетики…………………………………………………………………..…49
Бутко В.Н., Чернолих А.Ю.
Мировые перспективы развития ветровой электроэнергетики………..…..58
Вуейкова О.Н.
Определение простоев автомобильно-экскаваторного комплекса при выполнении погрузочных работ……………………………………………..64
Dolgikh А., Nykodym T., Skormin V., Baimukhamedov M.
Сolored petri nets as the enabling technology in intrusion detection systems.….70
Вестник науки Костанайского социально-технического университета имени академика Зулхарнай Алдамжар. Бутко Владимир Николаевич, Чернолих Андрей Юрьевич «Мироввые перспективы развития ветровой электроэнергетики» стр.58
УДК 339.9 (075.8)
Бутко Владимир Николаевич , Чернолих Андрей Юрьевич
Костанайский социально-технический университет
им. академика З. Алдамжар
Аннотация: Рассматриваются состояние и мировые перспективы развития ветровой электроэнергетики. Показаны положительные стороны ветровой электроэнергетики, её доля в мировом энергопотреблении в настоящее время и в прогнозах на перспективу.
Ключевые слова: мировая экономика, структура и особенности производства и потребления энергии, ветровые технологии получения электроэнергии, возможные перспективы развития.
Электроэнергетика является базовой отраслью как для индустрии, так и для бытового сектора. Ее значение на современном этапе развития человеческого общества переоценить невозможно. Предполагается, что вследствие быстрого экономического развития, прежде всего в Китае и Индии, мировой спрос на электроэнергию к 2030 г. увеличится на 35% по сравнению с 2005 г. Электроэнергия является продуктом переработки так называемых энергоносителей. В их качестве могут выступать углеводороды, радиоактивные материалы, ветер и пр. В 2005 г. нефть и газ обеспечили практически 60% мирового спроса на энергоносители, уголь - 20%. К 2030 г. нефть продолжит оставаться важнейшим энергоносителем и обеспечит около 35% мирового спроса. К этому времени на мировом рынке должна значительно вырасти доля атомной энергии, которая будет занимать 4-е место после нефти, газа и угля. Высокими темпами будет развиваться и альтернативная энергетика, в том числе ветроэнергетика [1].
Во многих уголках мира ветровая энергетика уже достигла уровня, который позволяет ей стать основным источником энергии. Рост ветроэнергетики в развитых странах, особенно в Европе, длительное время был обусловлен проблемой глобального изменения климата в результате сжигания большого количества органического топлива, в том числе тепловыми электростанциями. Изменение климата - сложная и серьезная проблема. Если правительства не примут меры по сокращению парниковых эмиссий, разрушительная сила таких ураганов, как Катрина и Рита окажется ничем по сравнению с теми бедами, которые могут обрушиться на планету в результате изменения климата. Сокращение выбросов парниковых газов имеет как экономическое, так и экологическое значение. Во избежание разрушительных климатических последствий международная политика в области сохранения климата должна быть направлена на то, чтобы удержать рост средней глобальной температуры не более чем на 2 градуса по Цельсию по сравнению с доиндустриальным периодом. Для решения этой задачи миру в ближайшее десятилетие необходимо кардинально изменить подходы к выработке и потреблению энергии.
Ветровая энергетика является одним из наиболее привлекательных решений мировых энергетических проблем. Она не загрязняет окружающую среду и не зависит от топлива. Более того, ветровые ресурсы присутствуют в любой части мира и их достаточно, чтобы обеспечить растущий спрос на электроэнергию. Ветровая энергетика может применяться повсеместно. За последние годы ветровые установки прошли длительный путь усовершенствования. В результате современный ветропарк по своим характеристикам не уступает традиционной электростанции. Более того, выработка электроэнергии на ветровых станциях становится все более конкурентоспособной по сравнению с традиционными источниками энергии на ископаемом топливе: уже сегодня ветровая энергетика сравнима с новыми угольными и газовыми электростанциями.
Имея мировую установленную мощность свыше 60 000 МВт и средний ежегодный темп роста 28% [2], ветроэнергетика бурно развивается во многих странах и превращается в основной источник энергии. При условии политической поддержки широкомасштабного развития ветровой энергетики в сочетании с мерами в области энергосбережения ветровая индустрия к 2030 году сможет обеспечить 29% мировой потребности в электроэнергии.
С технологической точки зрения ветроэнергетика - это отрасль энергетики, специализирующаяся на преобразовании кинетической энергии воздушных масс в атмосфере в электрическую, механическую, тепловую или в любую другую форму энергии, удобную для использования в народном хозяйстве. Такое преобразование может осуществляться следующими агрегатами: ветрогенераторами (для получения электрической энергии), ветряными мельницами (для преобразования энергии ветра в механическую энергию), парусами (для использования на транспорте) и другими [2].
Ветряные мельницы использовались для размола зерна в Персии уже в 200-м году до н.э. [3]. Мельницы такого типа были распространены в исламском мире и в XIII веке принесены в Европу крестоносцами. В XVI веке в городах Европы начинают строить водонасосные станции с использованием гидродвигателя и ветряной мельницы. В Нидерландах многочисленные ветряные мельницы откачивали воду с земель, ограждённых дамбами. Отвоёванные у моря земли использовались в сельском хозяйстве. Ветряные мельницы, производящие электричество, были изобретены в XIX веке в Дании. Там в 1890 г. была построена первая ветроэлектростанция, а к 1908 г. насчитывалось уже 72 ветроэлектростанции мощностью от 5 до 25 кВт. Крупнейшие из них имели высоту башни 24 м и четырёхлопастные роторы диаметром 23 м. В период с 1940-х по 1970-е годы ветроэнергетика переживает период упадка в связи с интенсивным развитием передающих и распределительных сетей, дававших независимое от погоды энергоснабжение за умеренные деньги. Возрождение интереса к ветроэнергетике началось в 1980-х, когда в Калифорнии начали предоставляться налоговые льготы для экологически чистой энергии [3].
Энергию ветра относят к возобновляемым видам энергии, так как она является следствием деятельности солнца. Ветроэнергетика является бурно развивающейся отраслью. Так в конце 2010 года общая установленная мощность всех ветрогенераторов в мире составила 196,6 гигаватт. [4]. В том же году количество электрической энергии, произведённой всеми ветрогенераторами мира, составило 430 тераватт-часов (2,5 % всей произведённой человечеством электрической энергии). Некоторые страны особенно интенсивно развивают ветроэнергетику. Например, в 2011 году в Дании с помощью ветрогенераторов было произведено 28 % всего электричества, в Португалии 19 %, в Испании 16 %, в Германии 8 %. В мае 2009 года 80 стран мира использовали ветроэнергетику на коммерческой основе [4].
До последнего времени ветроэнергетика наиболее динамично развивалась в странах ЕС, но сегодня эта тенденция начинает меняться. Всплеск активности наблюдается в США и Канаде, в то время как в Азии и Южной Америке возникают новые рынки. В Индии и Китае в 2005 году зарегистрирован рекордный уровень роста ветровой энергетики.
Развитие ветровой энергетики происходит в основном на суше. Однако сокращение свободного пространства и стремление к высокой производительности за счет более благоприятного ветрового режима прибрежных акваторий способствуют продвижению ветропарков в море. В результате появляются новые требования к ветроэнергетическим установкам, в том числе: более прочные фундаменты, протяженные подводные кабели, более крупные турбины. С другой стороны, предполагается, что ветропарки морского базирования, особенно в Северной Европе, обеспечат увеличение доли ветроэнергетики в энергобалансе.
Германия является европейским лидером в области ветроэнергетики. Ряд законов, в том числе Акт о возобновляемых источниках энергии от 2000 года (последняя редакция принята в 2004г.), поощряют производителей ветровой электроэнергии через льготные тарифы, рассчитанные на 20-летний период с их постепенным снижением к концу периода. Иллюстрацией успеха такого механизма является большое количество мелких инвесторов, привлеченных в ветроэнергетическую отрасль, что привело к удвоению темпов её ежегодного роста по сравнению с аналогичными показателями в 90-е годы.
Испания быстро наращивает мощности ветроэнергетики с середины 1990-х годов, стимулируя этот процесс национальным льготным тарифом и политикой, основанной на реновации региональной промышленности. Во многих провинциях застройщики получают доступ к строительным площадкам, только выполняя условие содействовать развитию промышленной базы ветроэнергетики. В результате, например, ранее отсталая, но имеющая большой ветровой потенциал провинция Наварра достигла высокого уровня экономического развития. Доля ветроэнергетики в производстве электроэнергии в этой провинции сегодня составляет 60%. В более густонаселенных провинциях Кастилья ла Манча и Галисия этот показатель достиг 20%.
Дания была пионером европейской промышленности по производству ветровых турбин и продолжает лидировать по доле ветроэнергетики в энергетическом балансе. К концу 2005 года общая установленная мощность ветроэнергетики Дании превышала 3 000 МВт. При сильном ветре ветроэнергетика обеспечивает производство более половины всей электроэнергии в западной части страны. По оценкам национального Оператора системы энергопоставок (Transmission System Operator Energynet), к 2010 году потребность в электроэнергии западной Дании может быть обеспечена за счет ветровых станций и малых ТЭЦ без централизованной генерации.
В 1990-х годах Дания первой приступила к развитию ветроэнергетики в прибрежной акватории. Страна располагает самым крупным морским ветропарком в мире. К мировым лидерам в области ветроэнергетики присоединяются страны «второй волны» - Португалия, Франция, Великобритания, Италия, Нидерланды и Австрия.
В Португалии сильная государственная политика, поддерживаемая системой фиксированных тарифов, обеспечила рост мощностей со 100 МВт в 2000 г. до более 1 000 МВт к концу 2005 г.
В Италии, заявившей о развитии возобновляемых источников энергии в сочетании с системой зеленых сертификатов, мощности ветроэнергетики увеличились в 2005 году на 452 МВт и достигли 1 700 МВт. [5].
Китай. Энергопотребление Китая к 2030 г., по прогнозу корпорации ExxonMobil, вырастет более чем в 2 раза. В целом на долю КНР к этому времени придется около 1/3 мирового увеличения спроса на электроэнергию.
В настоящее время структура генерирующих мощностей КНР такова. Около 80% вырабатываемой электроэнергии в Китае обеспечивают угольные ТЭС, что связано с наличием крупных угольных месторождений в стране. 15% обеспечивают ГЭС, 2% приходится на АЭС и по 1% на мазутные, газовые ТЭС и иные электростанции (ветровые и пр.). Что касается прогнозов, то в ближайшем будущем (2020 г.) роль угля в китайской энергетике останется доминирующей, однако существенно увеличится доля атомной энергии (до 13%) и доля природного газа (до 7%). Правительство страны уделяет особое внимание нетрадиционным, чистым источникам энергии. Так, энергетическая корпорация «Гудяньлунюань», эксплуатирующая ветровые генераторы, в период с 2006 по 2009 гг. увеличила свои мощности с 400 тыс. до 2 млн. кВт. По словам заместителя главы профильного департамента в Национальной энергетической администрации Китая Ши Лишана (Shi Lishan), к 2020 г. суммарные инвестиции в ветровую электроэнергетику могут достигнуть 2 трлн. юаней ($300 млрд.). «Производство одного киловатта в Китае обойдется в 8 тыс. юаней, что на 30-50% дешевле, чем в Европе», - говорит Ши о перспективах ветровой электроэнергетики в КНР. В 2008 г. ветровая электроэнергетика страны занимала 4-е место в мире. Однако масштабные инвестиции могут вывести страну в лидеры, позволив обойти по этому показателю Европу, Японию и США, передает Vesti.kz. В рамках реализации программы энергосбережения и сокращения вредных выбросов правительство КНР, к настоящему времени, закрыло устаревшие электростанции общей мощностью более 14 ГВт (для сравнения, мощность японской АЭС Фукусима-1 составляет 4.7 ГВт). Государственное энергетическое управление Китая сегодня видит перспективу в работе по двум основным экологическим направлениям: 1. применение экологически чистого угля; 2. использование энергии ветра и энергии солнца [1].
Технически возможно и экономически целесообразно развивать рынок ветроэнергетики и степному, продуваемому ветрами Казахстану. По общепринятым мировым оценкам, для устойчивого развития экономических процессов, необходим 18-20-процентный резерв генерирующих мощностей. В начале ноября в Жамбылской области впервые в стране два ветряка мощностью 760 кВт каждый появились на Кордайском перевале, там, где постоянно дуют горные ветры. Постепенно устраняются организационные и финансовые барьеры, растёт интерес инвесторов. Например, немецкий концерн Vestas Wind Systems A/S, известный производитель ветрогенераторов, рассматривает вопрос о готовности вложить в казахстанскую ветроэнергетику 200 млн. евро для строительства ветроэлектростанций общей мощностью 500 МВт в Ерейментау и Шелекском коридоре. Предполагается, что в рамках тенденции увеличения казахстанского содержания часть оборудования для ветропарков предоставят отечественные производители.
«Необходимым условием устойчивого развития страны в XXI веке является использование ВИЭ, к которому мы фактически еще и не приступали, - сказал глава государства Нурсултан Назарбаев в 2008 году в Атырау в ходе XIX пленарного заседания Совета иностранных инвесторов. - Правительство должно развернуть эту работу, - вот где широчайшее поле для развития инноваций» [6]. В 2009 году между АО «Самрук - Энерго» и Программой развития ООН в Казахстане был подписан меморандум о сотрудничестве в области развития возобновляемых источников энергии, в рамках которого предполагалось реализовать в нашей стране несколько проектов по строительству ветровых электростанций. Важным шагом в развитии ВИЭ стало принятие в этом же году Закона РК «О поддержке использования возобновляемых источников энергии». Данный закон придал правовую основу государственной поддержке ВИЭ, что помогло стимулировать поступление инвестиций в этот сектор. Но работа пошла более интенсивно после принятия Программы форсированного индустриально-инновационного развития (ФИИР) РК на 2010 - 2014 годы. Использование ВИЭ в ней названо «одним из приоритетных направлений развития электроэнергетики и решения экологических проблем Казахстана», а ее потенциал в стране «весьма значительным» [6].
Таким образом, генерирование электричества за счет энергии ветра в благоприятных ветровых районах, на больших "ветряных фермах" на сегодняшний день технологически выполнимо, экономически выгодно и способствует успешному решению энергетических и экологических проблем человечества.
Приложение Б
Удельная стоимость мощности ВЭС

Стоимость электроэнергии от ВЭС

Приложение В
Показатели развития ветроэнергетики в ведущих странах на конец 2011года
|
№ п /п |
Страна |
Мощность на конец 2011 г., МВт |
Мощность на конец 2011 г., МВт |
Ввод мощности в 2011 г., МВт |
Прирост мощности в 2011 г., % |
Место в мире в 2010 г. |
Место в мире в 2011 г. |
|
1 |
Германия |
18428 |
20622 |
2194 |
11,9 |
1 |
1 |
|
2 |
Испания |
10028 |
11615 |
1587 |
15,8 |
2 |
2 |
|
3 |
США |
9149 |
11603 |
2454 |
26,8 |
3 |
3 |
|
4 |
Индия |
4430 |
6270 |
1840 |
41,5 |
4 |
4 |
|
5 |
Дания |
3128 |
3136 |
8 |
0,3 |
5 |
5 |
|
6 |
КНР |
1260 |
2405 |
1145 |
90,9 |
8 |
6 |
|
7 |
Италия |
1718 |
2123 |
405 |
23,6 |
6 |
7 |
|
8 |
Англия |
1353 |
1963 |
610 |
45,1 |
7 |
8 |
|
9 |
Португалия |
1022 |
1650 |
628 |
61,4 |
11 |
9 |
|
10 |
Франция |
757 |
1567 |
810 |
106,9 |
13 |
10 |
|
11 |
Г олландия |
1224 |
1560 |
336 |
27,5 |
9 |
11 |
|
12 |
Канада |
683 |
1451 |
768 |
112,4 |
14 |
12 |
|
13 |
Япония |
1040 |
1394 |
354 |
34,0 |
10 |
13 |
|
14 |
Австрия |
819 |
965 |
146 |
17,8 |
12 |
14 |
|
15 |
Австралия |
579 |
817 |
238 |
41,1 |
15 |
15 |
|
16 |
Греция |
573 |
756 |
183 |
31,9 |
16 |
16 |
|
17 |
Ирландия |
496 |
643 |
147 |
29,6 |
18 |
17 |
|
18 |
Швеция |
510 |
564 |
54 |
10,6 |
17 |
18 |
|
19 |
Норвегия |
270 |
325 |
55 |
20,4 |
19 |
19 |
|
20 |
Бразилия |
29 |
237 |
208 |
729,6 |
34 |
20 |
|
21 |
Остальные |
1508 |
2238 |
730 |
48,4 |
||
|
22 |
Итого |
59322 |
73904 |
14904 |
25,3 |
Приложение Г
Схематическое представление изменения единичной мощности ВЭУ, производимых фирмой «Вестас»

Приложение Д
Основные производители ветроэнергетического оборудования и их доли в мировом производстве ВЭУ

PAGE \* MERGEFORMAT 66
Предложения по эффективному развитию ветровой электроэнергетики в Республики Казахстан