Реконструкция подстанции «Сарбайская», расположенной в г. Рудный
Содержание
Введение
1. Анализ питающей сети и существующей схемы подстанции………….9
1.1 Схема транзитной сети 220 кВ…………………………………….…..…..9
1.2 Схема транзитной сети 110 кВ…………………………………………….…9
1.3 Схема сети 10 кВ……………………………………………………………...10
1.4 Характеристика силовогооборудования и устройств релейной защиты…11
1.5 Обоснование необходимости реконструкции подстанции…………………11
2. Выбор структурной схемы подстанции……………………………….…...12
3. Выбор схемы электрических соединений, электрической аппаратуры, токоведущих частей и изоляторов…………………………………………….13
3.1 Выбор числа и типа силовых автотрансформаторов ………………………13
3.2 Расчет токов короткого замыкания, токов нормального и утяжеленногорежима ………………………………………………………………….……….…14
3.3 Выбор схемы распределительного устройства……………………………...18
3.4 Выбор выключателей и разъединителей на напряжениях 220/110/10 кВ подстанции………………………………………………………………………….20
3.5 Выбор трансформаторов напряжения на подстанции…………………..…30
3.6 Выбор трансформаторов тока на подстанции……………………….………36
3.7 Выбор токоведущих частей………………………………………………..…43
3.8 Выбор высокочастотных заградителей…………………………………..….48
4 Релейная защита иавтоматика ………………………………………..........50
4.1. Выбор поколения устройств РЗиА…………………………………………..50
4.2 Выбор фирмы производителя………………………………………………..50
4.3 Выбор защиты и автоматики КЛ 10 кВ……………………………………...51
4.4 Вводной выключатель 10 кВ…………………………………………………52
4.5 Секционный выключатель 10 кВ………………………………………….…53
4.6 Шины НН 10 кВ………………………………………………………...…..…53
4.7 Автотрансформатор 220/110/10 кВ……………………………………..…...57
4.8 Защита ВЛ 110/220 кВ………………………………………………….…..…59
4.9 Выбор защиты шин 110-220 кВ……………………………………………....64
5. Собственные нужды подстанции……………………………………...……..69
6. Автоматическая система управления технологическим процессов (АСУ ТП)……………………………………………………………….……………….…72
6.1 Структура АСУ ТП подстанции………………………………………………72
6.2 Интеграция средств РЗА и автоматизированного управления…………….73
6.3 Программно-технический комплекс на базе цифровых устройств релейной защиты и телемеханики ПТК "ЗАЩИТА-2"……………………………………..74
6.4 Управление и сигнализация на подстанции ……………………………...…81.
7. Выбор источника оперативного тока……………………………..……..…84
8. Безопасность жизнедеятельности…………………………………………....87
8.1. Территория, компоновка и конструктивная часть подстанции…..………...87
8.2. Электробезопасность…………………………………………………......…..94
8.3 Вентиляция и освещение……………..............................................................101
8.4 Противопожарные мероприятия……………………………………………103
9. Технико-экономическоеобоснование проекта……………………...….105
9.1 Организация реконструкции………………………………………………..105
9.2 Сметно-финансовый расчет…………………………………………….…..107
9.3 Перерасчет сметной стоимости (в ценах 2012 года)………………………115
9.4 Определениекапитальных затрат на реконструкцию подстанции………116
9.5 Расчет экономического эффекта от реконструкции подстанции……..…117
9.6 Расчет численности и состава бригад электромонтажников……………117
9.7 Определение продолжительности работ пореконструкции подстанции118
9.8 Разработка ленточного графика выполнения строительно-монтажныхработ………………………………………………………………………………118
Заключение………………………………………………………………………120
Список использованных источников……………………………………….121
ВВЕДЕНИЕ
Развитие энергетики и электрификации в значительной мереопределяет уровень развития всегохозяйства страны. Десятки лет энергетическая отрасль в нашей стране имела малое финансирование, и это привелок тому, что большая часть электростанций и подстанций морально и физически устарели и не соответствуют современным требованиям эргономичности, безопасности, надежности.
Система обеспечения электроэнергией работает на пределе возможностей, но дефицит постоянно нарастает. Они требуют немедленной реконструкции или модернизации. Подключение новых абонентов к уже перегруженным подстанциям чревато новыми авариями.
Сеть 110 кВ является главной распределительной системой в электроснабжении города и области. От нее питаются свыше 97% потребителей Костанайскогорегиона. В настоящее время, и особенно на перспективу, по пропускной способности, структуре и организации управления сети 110 кВ не в полной мереобеспечивают требования системной надежности и надежности энергоснабжения потребителей как в нормальном, так и, особенно, в аварийном режимах.
В дипломном проектерассматривается реконструкция подстанции «Сарбайская», расположенной в г. Рудный.
Подстанция «Сарбайская» одна из самых мощных на территории города Рудного. Уже более полувека она обеспечивает надежное энергоснабжение потребителей электроэнергии. Реконструкция подстанции, установка нового и современногооборудования позволит повысить надежность, ликвидировать дефицит мощности и создать возможность дополнительного присоединения потребителей электроэнергии.
1АНАЛИЗ ПИТАЮЩЕЙ СЕТИ И СУЩЕСТВУЮЩЕЙ СХЕМЫ ПОДСТАНЦИИ
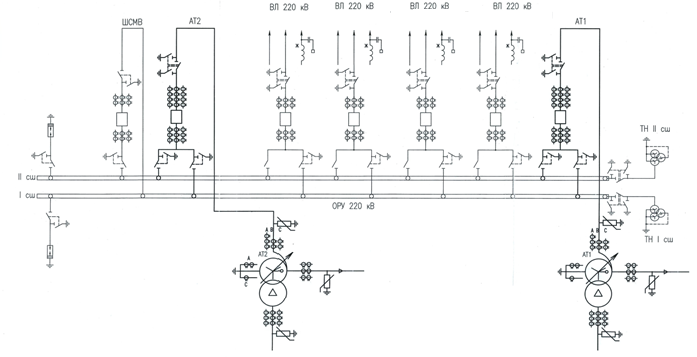
- Схема транзитной сети 220 кВ
Схема транзитной сети 220 кВ изображена на рисунке 1.

Рисунок 1. Схема транзитной сети 220 кВ.
Открытоераспределительное устройство высокого напряжения 220 кВ выполнено по схеме: «дверабочие системы шин».
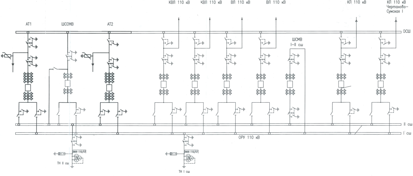
1.2 Схема транзитной сети 110 кВ
Связь подстанции с сетью 110 кВ осуществляется по девяти линиям 110 кВ: «Узловая» , «Железнорудная», «Рудненская ТЭЦ», «Агломерат», «Обжиг», «Фабрика», «Сепарация», «Насосная», «Подземный рудник».
Схема транзитной сети 110 кВ изображена на рисунке2.

Рисунок 2. Схема транзитной сети 110 кВ.
ОРУ среднего напряжения 110 кВ выполнено по схеме «дверабочие с обходной системы шин»
1.3 Схема сети 10 кВ
Низкая сторона подстанции выполнена по схеме «дверабочие секционированные выключателями системы шин».
Схема сети 10 кВ изображена на рисунке3.

Рисунок 3. Схема сети 10 кВ.
1.4 Характеристика силовогооборудования и устройств релейной защиты
На подстанции установлены 2 трехобмоточных автотрансформатора 220/110/10, мощностью 200 МВА каждый.
От шин 10 кВ отходит 39 кабельных линий, для компенсации токов однофазного замыкания на землю используются дугогасительныереакторы.
Устройства релейной защиты и автоматики, установленные на подстанции, выполнены на электромагнитной элементной базе, они давно исчерпали свой эксплуатационный ресурс и нуждаются в замене.
1.5 Обоснование необходимости реконструкции подстанции
Можно выделить несколькоосновных причин реконструкции подстанции:
- Физический и моральный износ силовогооборудования;
- Износ измерительногооборудования и устройств РЗиА;
- Необходимость обеспечения требуемой пропускной способности в соответствии с техническими требованиями ОАО «МОЭСК»;
- Увеличение прибыли за счет уменьшения экономических затрат.
Анализируя все выше изложенное можно сказать, что в реконструкции нуждаются всеобъекты подстанции силовоеоборудование, измерительные приборы, устройства РЗиА.
Таккак с каждым годом нагрузка в энергосистемерастет, то целесообразно производить замену оборудования с учетом перспективной нагрузки. Считаем, что суммарный переток через АТ ПС «Чертаново» из сети 220 кВ в сеть 110 кВ и в сеть 10 кВ через 5 лет будет 270 МВА. Токкороткого замыкания от энергосистемы на высокой стороне 20000 А, на стороне 110 кВ 31000 А.
2 ВЫБОР СТРУКТУРНОЙ СХЕМЫ ПОДСТАНЦИИ
Структурная схема реконструируемой подстанции, будет содержать распределительные устройства (РУ) высокого, среднего и низкого напряжения, а так же автотрансформаторы связи.
Подстанция является транзитной. Транзит через подстанцию осуществляется со стороны 220 кВ по четырем воздушным линиям, а со стороны 110 кВ по шести. Распределительное устройство низшего напряжения (РУ НН) 10 кВ имеет 20 отходящих линий. Структурная схема подстанции представлена на рисунке 4.
На схеме число автотрансформаторов мы показываем условно, таккак выбор числа и типа автотрансформаторов производится ниже.
Рисунок 4. Структурная схема подстанции.
3.ВЫБОР СХЕМЫ ЭЛЕКТРИЧЕСКИХ СОЕДИНЕНИЙ, ЭЛЕКТРИЧЕСКОЙ АППАРАТУРЫ, ТОКОВЕДУЩИХ ЧАСТЕЙ И ИЗОЛЯТОРОВ
3.1 Выбор числа и типа силовых автотрансформаторов
При выборе трансформаторов и автотрансформаторов на электрических станциях и подстанциях, с одной стороны, следует стремиться кобеспечению надежной связи с системой и надежному электроснабжению потребителей, а с другой - к уменьшению и мощности и ихколичества.
Количество автотрансформаторов на подстанцияхопределяется степенью ответственности нагрузок, экономической выгодностью эксплуатации, схемой электрических присоединений.
На крупных подстанциях возможна установка трёх и более автотрансформаторов, если двух по существующей шкале мощностей оказывается недостаточно. Но схема подстанции в этом случае значительно усложняется. Поэтому остановимся на двух автотрансформаторах.
Установка двух автотрансформаторов обеспечит требуемый уровень надежности, для всехкатегорий потребителей.
Принимаем мощность автотрансформатора 250 МВА.
В нормальном режимеработы при параллельной работе двух автотрансформаторов, каждый из них должен быть загружен не более чем на 70 процентов от номинальной мощности.
Проверим данное условие:
В аварийном режимеработы, при повреждении или отключении одного из автотрансформаторов второй должен быть загружен не более чем на 140 процентов от номинальной мощности.
Проверим данное условие:
Считаем, что автотрансформатор будет наружной установки, в связи с этим система охлаждения автотрансформатора будет масляная.
Выбираем автотрансформатор типа АТДЦТН250000/220/110 /24/ («А» - автотрансформатор, «Т» - трехфазный, «ДЦ» - охлаждение дутьё и циркуляция масла, «Т» - трехобмоточный, «Н» - регулирование напряжения под нагрузкой (устройствоРПН)).
Таблица 1. Паспортные данные на автотрансформатор.
|
Тип |
Пределы регулирования |
||||||||||
|
ВН |
СН |
НН |
ВС |
ВН |
СН |
||||||
|
АТДЦТН- 250000/220/110 |
250 |
230 |
121 |
10,5 |
11,5 |
33,4 |
20,8 |
145 |
520 |
0,5 |
Структурная схема подстанции приведена на рисунке 5.
Рисунок 5. Структурная схема подстанции.
3.2 Расчет токов короткого замыкания, токов нормального и утяжеленногорежима
3.2.1 Расчет токов нагрузок на присоединениях на высшем, среднем и низшем напряжениях в длительном (нормальном) и в утяжеленном (аварийном) режимах
Продолжительный режим имеет место, когда электроустановка находится в нормальном или утяжеленном режимах.
Нормальный режим предусмотрен планом эксплуатации. В этом режиме функционируют все элементы данной электроустановки, без вынужденныхотключений и без перегрузок.
Утяжеленный режим эторежим плановых профилактических и капитальныхремонтов, а такжережим, в котором часть элементов электроустановки вышла из строя или выведена в ремонт вследствие аварийногоотключения. Считаем, что в утяжеленном режимеодин из автотрансформаторов отключен.
Таблица 2.Расчетные токи продолжительногорежима
|
Нормальный режим |
Утяжеленный режим |
|
Расчетные токи на стороне ВН подстанции |
|
|
Расчетные токи на стороне СН подстанции |
|
|
Расчетные токи на стороне НН подстанции |
|
В таблице 2.обозначено:
IАТ ток в цепи автотрансформатора, А;
IОТХ. Л ток в цепи отходящих линий на стороне НН, А;
мощность на стороне ВН/СН/НН, протекающая через один автотрансформатор (в работе находятся два автотрансформатора), МВА;
UВН высшее напряжение подстанции, кВ;
UСН среднее напряжение подстанции, кВ;
UНН низшее напряжение подстанции, кВ;
n числоотходящих линий на стороне НН.
3.2.2 Расчет токов короткого замыкания
Электрические аппараты и шинныеконструкции распределительных устройств должны быть проверены на электродинамическую и термическую устойчивость. Отключающие аппараты (выключатели и предохранители) проверяют, кроме того, поотключающей способности. Для этого составляют расчетную схему замещения, намечают расчетные точки короткого замыкания и определяют токи короткого замыкания. Расчетным видом короткого замыкания является трехфазноекороткое замыкание.
При составлении расчетной схемы для выбора аппаратов и проводников одной цепи выбирают режим установки, при котором в этой цепи будет наибольший токкороткого замыкания. При этом не учитываются режимы, непредусмотренные для длительной эксплуатации.
За расчетную точку короткого замыкания следует принимать точку, при повреждении в которой через выбираемый аппарат или проводник будет протекать наибольший ток.
При расчетах тока короткого замыкания принимаем следующие допущения:
-Не учитываются токи нагрузки;
-Не учитываются емкости, а следовательно, и емкостные токи в воздушной и кабельной сети;
-Трехфазная сеть принимается симметричной, или сопротивления фаз точноравными друг другу;
-Отсутствует насыщение стали электрических машин;
-Не учитываются токи намагничивания трансформаторов;
-Не учитываются активные сопротивления генераторов, трансформаторов и реакторов, за исключением случаев, когда требуется определять постоянные времени затухания свободных токов;
-Не учитывается сдвиг по фазе ЭДС различных источников питания, входящих в расчетную схему.
Произведем расчет короткого замыкания в точкеК1 на шинах ВН 220кВ.
Для расчётов применим программу ТОКО.

Рисунок 6. Схема с расчетами токов короткого замыкания на шинах 220кВ
Параметры вводимые в программу: АТДЦТН 250000/220/110;
мощность короткого замыкания в сети 220 кВ:
- От ГТЭС Коломенская 2000 МВА,
- От ТЭЦ 26 (двухцепная линия) 5000 МВА,
- От ПС Сабурово 1100 МВА;
мощность короткого замыкания в сети 110 кВ:
- От ПС Бирюлево (двухцепная линия) 2900 МВА,
- От ПС Царицыно (двухцепная линия) 1900 МВА,
- От ПС Сумская 750 МВА,
- От ПС Кожухово 650 МВА;
РассчитаемподпиткуточкикороткогозамыканияК1состороныкаждойПС.

Рисунок 7. Схема с расчетами токов короткого замыкания на шинах 220кВ. Подпитка точки КЗ со стороны 110 кВ.
Дальнейшиерасчеты проводятся аналогично. Данные сведены в таблицу 3.3
Таблица 3. Значение токов короткого замыкания.
|
Точка КЗ |
К1 На шинах 220кВ |
К2 На шинах 110кВ |
К3 На шинах 10кВ |
||||||
|
Токи |
Iкз(3) |
Iкз(2) |
Iкз(1) |
Iкз(3) |
Iкз(2) |
Iкз(1) |
Iкз(3) |
Iкз(2) |
Iкз(1) |
|
1 |
2 |
3 |
4 |
5 |
6 |
7 |
8 |
9 |
10 |
|
Iкз от ПС Коломенская (220 кВ) |
5,036 |
4,361 |
3,022 |
6,819 |
5,869 |
6,714 |
34,851 |
30,118 |
0 |
|
Iкз от ТЭЦ 26 (220 кВ) |
12,549 |
10,916 |
7,554 |
11,446 |
9,911 |
9,532 |
42,512 |
36,806 |
0 |
|
1 |
2 |
3 |
4 |
5 |
6 |
7 |
8 |
9 |
10 |
|
Iкз от ПС Сабурово (220 кВ) |
2,465 |
2,181 |
1,511 |
4,056 |
3,512 |
5,169 |
28,614 |
24,780 |
0 |
|
Iкз от ПС Бирюлево (110 кВ) |
4,299 |
3,723 |
4,464 |
14,639 |
12,986 |
8,781 |
46,427 |
40,206 |
0 |
|
Iкз от ПС Царицыно (110 кВ) |
3,439 |
2,923 |
3,649 |
9,591 |
8,306 |
5,755 |
40,725 |
35,268 |
0 |
|
Iкз от ПС Сумская (110 кВ) |
1,677 |
1,503 |
2,115 |
3,522 |
3,060 |
2,123 |
26,239 |
22,723 |
0 |
|
Iкз от ПС Кожухово (110 кВ) |
1,549 |
1,309 |
1,919 |
3,251 |
3,089 |
1,969 |
24,243 |
20,994 |
0 |
|
Сумма Iкз |
27,019 |
23,399 |
18,746 |
46,7 |
40,471 |
30,589 |
57,255 |
49,561 |
0 |
3.3 Выбор схемы распределительного устройства
3.3.1 Выбор схемы распределительного устройства высокого
напряжения 220 кВ
Существующая схема распределительного устройства 220 кВ «дверабочие системы шин» удовлетворяет современным требованиям надежности, поэтому при реконструкции оставляем данную схему. Эту схему рекомендуется использовать для подстанции 110 и 220 кВ с числом присоединений 5 и более, допускающих потерю напряжения при повреждении в зоне сборных шин на время оперативных переключений по переводу присоединений на другую систему шин.
С учетом того, что на подстанции планируется замена ОРУ 220 кВ на КРУЭ 220 кВ, такие недостатки как тяжелые последствия при неисправностях силовогооборудования и увеличение площади РУ исчезают в связи с очень высокой степенью надежности всех элементов КРУЭ и ихкомпактности.
3.3.2 Выбор схемы распределительного устройства среднего напряжения 110 кВ
Существующая схема распределительного устройства 110 кВ «дверабочие с обходной системы шин» удовлетворяет современным требованиям надежности.
Эту схему рекомендуется использовать для подстанции 110 и 220 кВ с числом присоединений 7…15, повышенных требованияхк сохранению в работе присоединений, не допускающих дажекратковременную потерю напряжения при плановом выводе выключателей из работы.
Достоинства схемы:
- малоеколичество выключателей (один на одно присоединение);
- достаточно высокая надежность схемы;
- относительно малое время перерыва электроснабжения при авариях на одной из систем шин.
Недостатки схемы:
- повреждение шиносоединительного выключателя равносильнокороткому замыканию на обеих системах шин;
- усложняется эксплуатация РУ, таккак при выводе в ревизию и ремонт выключателей требуется большое числоопераций разъединителями;
- увеличены затраты на сооружениеОРУ в связи с установкой шиносоединительного и обходного выключателей и большогоколичества разъединителей.
С учетом того, что на подстанции планируется замена ОРУ 110 кВ на КРУЭ 110 кВ, данная схема не подходит, таккаксхему с обходной системой шин для КРУЭ применять нерекомендуется вследствиеего значительного удорожания.
Надежность оборудования КРУЭ достаточно высокая и дополнительное повышениеего надежности за счет применения обходной системы шин нецелесообразно, поэтому КРУЭ 110 кВт будет выполнено по схеме «дверабочие системы шин».
3.3.3 Выбор схемы распределительного устройства 10 кВ
РУ НН будет выполнено по схеме двеодиночные секционированные системы шин.
По данной схеме возможно электроснабжение потребителей первой и второй категории.
Достоинства данной схемы простота, наглядность, экономичность, достаточно высокая надежность.
Недостатки нет резерва питания потребителей, при выводе в ремонт секции. Так же слабым местом схемы является секционный выключатель, возможен егоотказ, но современные выключатели обладают достаточно высокой степенью надежности.
Схема распределительного устройства приведена на рисунке 8.
Рисунок 8. Схема распределительного устройства 10 кВ.
3.4 Выбор выключателей и разъединителей на напряжениях 220/110/10 кВ подстанции
Выключатель этокоммутационный аппарат, предназначенный для включения и отключения любых токов. Выключатели в зависимости от применяемых в них дугогасительной и изолирующей сред подразделяются на масляные, воздушные, элегазовые, вакуумные и электромагнитные.
Выключатели распределительных устройств напряжением 35 кВ и выше выбираются однотипные для всех цепей данногораспределительного устройства и проверяются по наиболее тяжелым условиям.
Выключатели выбирают:
1) по номинальному напряжению:
,
гдеuНОМ номинальное напряжение выбираемого выключателя, кВ,
uУСТ напряжение установки, кВ;
2) по номинальному току:
,
гдеIНОМ номинальный ток выключателя, А,
IМАХ максимальный ток, протекающий через выключатель в утяжеленном режиме, А;
3) по номинальному току отключения:
,
гдеIНОМ.ОТКЛ. номинальный токотключения выключателя, кА,
действующее значение периодической составляющей тока короткого замыкания в момент расхождения контактов выключателя , кА.
Произведем выборКРУЭ на стороне ВН 220кВ.
С учетом того, что планируется установка КРУЭ, выбор выключателей, разъединителей и заземлителей сводится к выбору КРУЭ в целом.
При выборе выключателя необходимо такжеосуществить следующие проверки:
4) проверяется возможность отключения апериодической составляющей тока короткого замыкания:
, (1)
где значение апериодической составляющей тока короткого замыкания в момент расхождения контактов выключателя , определяется по формуле:
, (2)
гдеIП,0 действующее значение периодической составляющей начального тока короткого замыкания, кА;
ТА постоянная времени затухания апериодической составляющей, согласно /4/ ТА = 0,02 с;
время от начала короткого замыкания до прекращения соприкосновения дугогасительныхконтактов, с:
, (3)
гдеtРЗ,MIN минимально возможное время срабатывания релейной защиты, tРЗ, MIN = 0,01с;
tС.В. собственное время отключения выключателя, с.
с.
Значение апериодической составляющей по формуле (2):
кА.
В каталоге на КРУЭ задается допустимоеотносительное содержание апериодической составляющей тока в токеотключения НОМ:
%. (4)
Из формулы (4) можно найти номинальное допускаемое значение апериодической составляющей в отключаемом токе для времени , используемое в выражении (1):
. (5)
кА
5) Выполняется проверка на электродинамическую стойкость:
, (6)
, (7)
гдеiУД расчетный ударный ток в цепи выключателя, кА;
iДИН ток электродинамической стойкости (наибольший пик предельного сквозного тока короткого замыкания), кА;
IДИН действующее значение периодической составляющей предельного сквозного тока короткого замыкания, кА.
Заводами-изготовителями соблюдается условие:
, (8)
гдеКУ = 1,8 ударный коэффициент, нормированный для выключателей.
,
6) Проверка на термическую стойкость:
, (9)
гдеIТЕР ток термической стойкости выключателя, определяется покаталогу, кА;
tТЕР длительность протекания тока термической стойкости, определяется покаталогу, с;
ВК тепловой импульс тока короткого замыкания, пропорциональный количеству тепловой энергии, выделенной за время короткого замыкания.
Короткое замыкание в цепях понизительных подстанций можнорассматривать как удаленное, и в этом случае тепловой импульс, выделяемый током короткого замыкания, можноопределить по формуле:
, (10)
где ТА постоянная времени затухания апериодической составляющей тока короткого замыкания, согласно /4/ ТА = 0,02 с;
tОТК время от начала короткого замыкания доегоотключения, с;
, (11)
гдеtРЗ время действия релейной защиты, tРЗ = 0,1 с;
tО.В. полное время отключения выключателя, с;
с.
Тепловой импульс по формуле (10):
.
Для удобства проверки выполнения условий всерасчетные и каталожные данные сводим в таблицу 3.
Разъединители выбираются по следующим условиям:
1) по номинальному напряжению:
,
гдеuНОМ номинальное напряжениеразъединителя, кВ;
uУСТ напряжение установки, кВ.
2) по номинальному току:
,
гдеIНОМ номинальный токразъединителя, А;
IМАХ максимальный расчетный ток продолжительногорежима, протекающий через разъединитель, А.
3) осуществляется проверка на электродинамическую стойкость:
,
гдеiДИН предельный сквозной токкороткого замыкания (амплитуда), определяемый покаталогу, кА;
iУД ударный токкороткого замыкания порасчету, кА.
4) проверка на термическую стойкость:
,
гдеIТЕР ток термической стойкости разъединителя, кА;
tТЕР длительность протекания тока термической стойкости, с;
ВК тепловой импульс порасчету, кА2с.
Каталожные данныеКРУЭ ЕLK-14 представлены в таблице 4.
Таблица 4. Выбор выключателей и разъединителей на стороне ВН
|
Расчетные данные |
Каталожные данныеКРУЭ типа ЕLK-14 |
|
|
Выключатель |
Разъединитель |
|
|
uУСТ = 220 кВ |
uНОМ = 253кВ |
uНОМ = 253кВ |
|
IМАХ = 690,5 А |
IНОМ = 3150 А |
IНОМ = 3150 А |
|
IП, = 27,019 кА |
IНОМ.ОТКЛ. = 50кА |
|
|
iА, = 6,651 кА |
iА,НОМ = 24,75кА |
|
|
IП,0 = 27,019 кА iУД = 68,73 кА |
IДИН = 135 кА iДИН = 340,2 кА |
iДИН = 340,2 кА |
|
ВК = 124,104 кА2 с |
I2ТЕРtТЕР = 5023 = 7500 кА2 с |
I2ТЕРtТЕР = 5023 = 7500 кА2 с |
Произведем выборКРУЭ на стороне СН 110кВ.
Намечаем к установкекомплектноераспределительное устройство с элегазовой изоляцией ЕLK-04. Собственное время отключения выключателя tС.В. = 0,03 с, полное время отключения выключателя tО.В. = 0,055 с.
При выборе выключателя необходимо такжеосуществить следующие проверки:
проверяется возможность отключения апериодической составляющей тока короткого замыкания по формуле (1):
, (12)
время от начала короткого замыкания до прекращения соприкосновения дугогасительныхконтактов, с по формуле (3):
, (13)
с.
Значение апериодической составляющей по формуле (2):
, (14)
кА.
В каталоге на КРУЭ задается допустимоеотносительное содержание апериодической составляющей тока в токеотключения НОМ формула (15):
%. (15)
Из формулы (15) можно найти номинальное допускаемое значение апериодической составляющей в отключаемом токе для времени , используемое в выражении (1). По формуле (16):
. (16)
получим:
кА.
Выполняется проверка на электродинамическую стойкость:
,
,
Проверка на термическую стойкость по формуле (17):
, (17)
Короткое замыкание в цепях понизительных подстанций можнорассматривать как удаленное, и в этом случае тепловой импульс, выделяемый током короткого замыкания, можноопределить по формуле (18):
, (18)
tОТК время от начала короткого замыкания доегоотключения, с;
,
гдеtРЗ время действия релейной защиты, tРЗ = 0,1 с;
tО.В. полное время отключения выключателя, с;
с.
.
Всерасчетные и каталожные данные сводим в таблицу 4.
Разъединители выбираются по следующим условиям:
1) по номинальному напряжению:
,
гдеuНОМ номинальное напряжениеразъединителя, кВ;
uУСТ напряжение установки, кВ.
2) по номинальному току:
,
гдеIНОМ номинальный токразъединителя, А;
IМАХ максимальный расчетный ток продолжительногорежима, протекающий через разъединитель, А.
3) осуществляется проверка на электродинамическую стойкость:
,
гдеiДИН предельный сквозной токкороткого замыкания (амплитуда), определяемый покаталогу, кА;
iУД ударный токкороткого замыкания порасчету, кА.
,
4) проверка на термическую стойкость:
,
гдеIТЕР ток термической стойкости разъединителя, кА;
tТЕР длительность протекания тока термической стойкости, с;
ВК тепловой импульс порасчету, кА2с.
Каталожные данныеКРУЭ ЕLK-04 представлены в таблице 5.
Таблица 5. Выбор выключателей и разъединителей на стороне СН
|
Расчетные данные |
Каталожные данныеКРУЭ ЕLK-04 |
|
|
Выключатель |
Разъединители |
|
|
uУСТ = 110 кВ |
uНОМ = 126 кВ |
uНОМ = 126 кВ |
|
IМАХ = 928,8 А |
IНОМ = 2000 А |
IНОМ = 2000 А |
|
IП, = 46,7 кА |
IНОМ.ОТКЛ. = 63 кА |
|
|
iА, = 9,06 кА |
iА,НОМ = 47,22 кА |
|
|
IП,0 = 46,7 кА iУД = 117,68 кА |
IДИН = 164 кА iДИН = 417,48 кА |
iДИН = 417,48 кА |
|
ВК = 381,65кА2 с |
I2ТЕРtТЕР = 5023 = 7500 кА2 с |
I2ТЕРtТЕР = 5023 = 7500 кА2 с |
Выбор выключателей и разъединителей на стороне НН подстанции
На низкой стороне установим реактор Это мероприятие поможет нам снизить токи короткого замыкания, проходящие через выключатель а, следовательно, выключатель будет установлен более дешевый
Выборреактора
Реактор следует выбирать:
по номинальному напряжению
UустUном,
по номинальному току
Iраб.mахIном,
по индуктивному сопротивлению.
В качестве линейногореактора можно использовать простой (одинарный или групповой) или сдвоенный реактор. Принимаем одинарный. Номинальный токреактора должен быть больше максимального длительного тока нагрузки цепи, в которой он включен.
Индуктивное сопротивление линейногореактора определяют, исходя из условий ограничения тока короткого замыкания до заданного уровня. В большинстве случаев допустимое значение тока короткого замыкания при повреждении за реактором определяется покоммутационной способности отключающих аппаратов (выключателей, предохранителей), намечаемыхк установке или установленных в данной точке сети.
Порядокопределения сопротивления линейногореактора следующий. Известно начальное значение периодического тока короткого замыкания Iп.о. Требуется ограничить Iп.0. до значения , чтобы можно было в данной цепи установить выключатель с номинальным током отключения Iотк.ном (действующее значение периодической составляющей тока отключения). Принимают . Результирующее сопротивление, Ом, цепи короткого замыкания до установки реактора определяем по выражению
, (19)
Требуемое сопротивление цепи короткого замыканиядля обеспечения
, (20)
Требуемое сопротивлениереактора
, (21)
.
Покаталожным материалам выбираем тип реактора с ближайшим большим индуктивным сопротивлением. Принимаем к установкеРТСТ-10-5000-0,1-УЗ
|
Тип |
Uном, кВ |
Iном, кА |
хном, Ом |
Iдин,, кА |
Iтер,, кА |
tтер,, с |
|
РТСТ 10-5000-0,1-УЗ |
10 |
5000 |
0,1 |
80,7 |
31,6 |
8 |
Вычисляем значениерезультирующего сопротивления цепи короткого замыкания с учетом реактора:
, (22)
а затем определяем начальное значение периодической составляющей тока короткого замыкания:
, (23)
кА.
Максимальный ток продолжительногорежима:
, (24)
кА
Выбранный реактор проверяется на электродинамическую стойкость по условию:
, (25)
(26)
(27)
где ударный ток при трехфазном кротком замыкании за реактором;
Iдин ток электродинамической стройности реактора (покаталогу).
Термическая стойкость реактора характеризуется током термической стойкости Iтер и временем термической стойкости tтер (покаталогу).
Условие проверки по термической устойчивости:
,
Тепловой импульс по формуле (10):
, (28)
кА2 с.
tОТК время от начала короткого замыкания доегоотключения, с;
,
гдеtРЗ время действия релейной защиты, tРЗ = 0,1 с;
tО.В. полное время отключения выключателя со стороны СН и ВН, с;
с.
гдеBк расчетный тепловой импульс при коротком замыкании за реактором.
Выбор выключателей 10кВ
Выключатели выбираются по тем же условиям, что и на стороне ВН. Расчетные токи продолжительногорежима указаны в таблице 3.2, а расчетным током короткого замыкания является ток на шинах низшего напряжения послереактора. Исходя из этого, намечаем к установке вакуумный выключатель VАH 17,5-31,5-50-27.
Собственное время отключения выключателя tС.В. = 0,08 с, полное время отключения tО.В. = 0,1 с.
Определим расчетное время по формуле (3):
, (29)
гдеtРЗ,MIN минимально возможное время срабатывания релейной защиты, tРЗ, MIN = 0,01с;
tС.В. собственное время отключения выключателя, с.
с.
Апериодическая составляющая тока короткого замыкания в момент расхождения контактов выключателя по формуле (2):
, (30)
гдеIП,0 действующее значение периодической составляющей начального тока короткого замыкания, кА;
ТА постоянная времени затухания апериодической составляющей, ТА = 0,05 с;
кА,
гдеIП,0 = 29,43 кА действующее значение периодической составляющей ачального тока короткого замыкания в точкеК3;
Допустимоеотносительное содержание апериодической составляющей тока в токеотключения НОМопределяется покривой НОМ = f () из /4/. Для времени = 0,09 с, НОМ = 15 %.
Найдем гарантируемую выключателю заводом-изготовителем апериодическую составляющую в отключаемом токе для времени по формуле (30):
кА,
гдеIНОМ.ОТКЛ. = 31,5 кА номинальный токотключения выключателя из каталога.
Для проверки выключателя на термическую стойкость необходимоопределить тепловой импульс, выделяемый током короткого замыкания, для чего найдем сначала время от начала короткого замыкания доегоотключения по формуле (11):
, (31)
гдеtРЗ = 1,5 с максимальное время действия основной защиты;
tО.В. полное время отключения выключателя, с;
с,
Тепловой импульс по формуле (10):
, (32)
кА2 с.
iУД ударный токкороткого замыкания порасчету, кА.
Разъединители выбираются по следующим условиям:
1) по номинальному напряжению:
,
гдеuНОМ номинальное напряжениеразъединителя, кВ;
uУСТ напряжение установки, кВ.
2) по номинальному току:
,
гдеIНОМ номинальный токразъединителя, А;
IМАХ максимальный расчетный ток продолжительногорежима, протекающий через разъединитель, А.
3) осуществляется проверка на электродинамическую стойкость:
,
гдеiДИН предельный сквозной токкороткого замыкания (амплитуда), определяемый покаталогу, кА;
iУД ударный токкороткого замыкания порасчету, кА.
,
4) проверка на термическую стойкость:
,
гдеIТЕР ток термической стойкости разъединителя, кА;
tТЕР длительность протекания тока термической стойкости, с;
ВК тепловой импульс порасчету, кА2с.
Всерасчетные и каталожные данные сводим в таблицу 6.
Таблица 6. Выбор выключателей и разъединителей на стороне НН.
|
Расчетные данные |
Каталожные данные |
Каталожные данные |
|
Выключатель VАH 17,5-31,5-50-27 |
Разъединитель РОН-10/5000 |
|
|
uУСТ = 10 кВ |
uНОМ = 10 кВ |
uНОМ = 10 кВ |
|
IМАХ = 4673,8 А |
IНОМ = 4900 А |
IНОМ = 5000 А |
|
IП, = 29,43кА |
IНОМ.ОТКЛ. = 31,5 кА |
- |
|
iА, = 0,48 кА |
iА,НОМ = 6,62 кА |
- |
|
IП,0 = 29,43 кА iУД = 74,16 кА |
IДИН = 50 кА iДИН = 82 кА |
IДИН = 80 кА iДИН = 82 кА |
|
ВК = 1429,11 А2 с |
I2ТЕРtТЕР = 5023 = 7500 А2 с |
I2ТЕРtТЕР = 7124 = 20164 А2 с |
Секционные выключатели ставим такие же, но с номинальным током
IНОМ = 2500 А, а выключатели фидеров на IНОМ = 500 А. Аналогично и с разъединителями.
3.5 Выбор трансформаторов напряжения на подстанции
Трансформаторы напряжения предназначены для понижения напряжения до величины, удобной к измерению. Первичная обмотка трансформатора напряжения включается в цепь параллельно, во вторичную обмотку включаются параллельныекатушки или катушки напряжения приборов и реле. Первичное напряжение соответствует напряжению сети, вторичное напряжение для трансформатора напряжения 220 и 110 кВ имеет стандартную величину 100/ В в основной обмотке и 100 В в дополнительной обмотке, а трансформатор напряжения 10 кВ имеет 100/ В в основной обмотке и 100/3 В в дополнительной обмотке
Вторичныеобмотки трансформатора напряжения обязательно заземляются в целях техники безопасности на случай пробоя изоляции между высшим и низшим напряжениями.
Трансформатор напряжения работает в режиме, близком крежиму холостогохода, таккак сопротивление приборов и реле, включенных во вторичную обмотку, большое.
3.5.1 Выбор трансформаторов напряжения на стороне ВН
Трансформаторы напряжения выбирают по следующим условиям.
1) По напряжению
, (33)
гдеuНОМ номинальное первичное напряжение ТН, кВ;
uУСТ напряжение установки, кВ.
В нашем случае номинальное первичное напряжение трансформатора напряжения на стороне ВН следует принять uНОМ = uУСТ = 220 кВ.
2) Поконструкции и схеме соединения обмоток.
При напряжении 220 кВ к установке принимаем трансформатор напряжения типа СРА 254 (4b).Схема включения трансформаторов напряжения «звезда с землей звезда с землей разомкнутый треугольник», для чего используются три трансформатора напряжения. Эта схема позволяет получить фазные и линейные напряжения, а также используется для включения релейной защиты от однофазных замыканий на землю, действующей на отключение в сети 220 кВ. В первую вторичную обмотку, соединенную по схеме звезды, включаются измерительные приборы, счетчики, приборы РЗА и противоаварийной автоматики, телеизмерений, регистраторы аварий и ОМП, вторая вторичная обмотка соединяется в разомкнутый треугольник и используется для включениярелейной защиты.
- По вторичной нагрузке или поклассу точности.
Чтобы трансформатор напряжения работал в заданном классе точности, должно выполняться условие:
, (34)
гдеSНАГР мощность всех измерительных приборов и реле, присоединенныхк трансформатору напряжения, ВА;
S2НОМ номинальная мощность вторичной обмотки трансформатора напряжения в заданном классе точности, ВА.
Общая мощность, потребляемая приборами, определяется по формуле:
, (35)
гдеР активная мощность приборов, Вт;
Q реактивная мощность приборов, ВАр.
Трансформаторы напряжения проверяем в классе точности 0,5.
К трансформатору напряжения подключаются измерительные преобразователи (датчики), устройства РЗиА всех присоединений СШ, счетчики электроэнергии. На каждой СШ устанавливается один ТН, а при отключении одного из ТН, вся нагрузка подключается ко второму, поэтому каждый ТН рассчитывается на подключениек нему всех приборов и устройств всегоКРУЭ 220 кВ
Таблица 7. Вторичная нагрузка трансформатора напряжения 220кВ
|
Прибор |
Тип |
Sодной обмотки, ВА |
Числообмоток |
Число приборов |
Потребляемая мощность |
|
|
Р,Вт |
Q, ВАр |
|||||
|
Вольтметррегистрирующий |
Н-394 |
10 |
1 |
2 |
20 |
|
|
Вольтметр |
ЩП120 |
2 |
1 |
2 |
4 |
|
|
Ваттметр |
Д-335 |
1,5 |
2 |
6 |
18 |
|
|
Варметр |
Д-335 |
1,5 |
2 |
6 |
18 |
|
|
Счетчик эл. энергии универсальный |
ЕА 05 |
2 |
3 |
6 |
36 |
|
|
Индикатор микропроцессорный фиксирующий |
ИМФ-3Р |
20 Вт |
4 |
80 |
||
|
Итого (ВА): |
176 |
|
Мощность, потребляемую приборами, определяем по формуле (35):
ВА.
Таккак имеются счетчики денежногорасчета, то трансформаторы напряжения необходимо проверить в классе точности 0,5. Согласно /3/, номинальная мощность вторичной обмотки одного трансформатора напряжения типа СРА 245(4b) в классе точности 0,5 S2НОМ = 200 ВА. Номинальная мощность трех трансформаторов напряжения, соединенных в звезду, S2НОМ = ВА.
Таким образом, SНАГР< S2НОМ, тоесть условие (34) выполняется, следовательно, трансформаторы напряжения будут работать в классе точности 0,5.
Для соединения трансформаторов напряжения с приборами принимаем контрольный кабель АКВВГЭнг (таккак высшее напряжение подстанции 220 кВ) с алюминиевыми жилами сечением 2,5 мм2 по условию механической прочности.
3.5.2 Выбор трансформаторов напряжения на стороне СН
Трансформаторы напряжения выбирают по следующим условиям.
1) По напряжению , (36)
гдеuНОМ номинальное первичное напряжение ТН, кВ;
uУСТ напряжение установки, кВ.
В нашем случае номинальное первичное напряжение трансформатора напряжения на стороне СН следует принять uНОМ = uУСТ = 110 кВ.
2) Поконструкции и схеме соединения обмоток.
При напряжении 110 кВ к установке принимаем трансформатор напряжения типа СРА 123 (2b).Схема включения трансформаторов напряжения «звезда с землей звезда с землей разомкнутый треугольник», для чего используются три трансформатора напряжения. Эта схема позволяет получить фазные и линейные напряжения, а также используется для включения релейной защиты от однофазных замыканий на землю, действующей на отключение в сети 110 кВ. В первую вторичную обмотку, соединенную по схеме звезды, включаются измерительные приборы, счетчики, приборы РЗА и противоаварийной автоматики, телеизмерений, регистраторы аварий и ОМП, вторая вторичная обмотка соединяется в разомкнутый треугольник и используется для включениярелейной защиты.
- По вторичной нагрузке или поклассу точности.
Чтобы трансформатор напряжения работал в заданном классе точности, должно выполняться условие: , (37)
гдеSНАГР мощность всех измерительных приборов и реле, присоединенныхк трансформатору напряжения, ВА;
S2НОМ номинальная мощность вторичной обмотки трансформатора напряжения в заданном классе точности, ВА.
Общая мощность, потребляемая приборами, определяется по формуле:
, (38)
гдеР активная мощность приборов, Вт;
Q реактивная мощность приборов, ВАр.
Трансформаторы напряжения проверяем в классе точности 0,5.
К трансформатору напряжения подключаются измерительные преобразователи (датчики), устройства РЗиА всех присоединений СШ, счетчики электроэнергии. На каждой СШ устанавливается один ТН, а при отключении одного из ТН, вся нагрузка подключается ко второму, поэтому каждый ТН рассчитывается на подключениек нему всех приборов и устройств всегоКРУЭ 110 кВ.
Таблица 8. Вторичная нагрузка трансформатора напряжения 110Кв
|
Прибор |
Тип |
Sодной обмотки, ВА |
Числообмоток |
Число приборов |
Потребляемая мощность |
|
|
Р,Вт |
Q, ВАр |
|||||
|
Вольтметррегистрирующий |
Н-394 |
10 |
1 |
2 |
20 |
|
|
Вольтметр |
ЩП120 |
2 |
1 |
2 |
4 |
|
|
Счетчик эл. энергии универсальный |
ЕА 05 |
2 |
3 |
8 |
48 |
|
|
Ваттметр |
Д-335 |
1,5 |
2 |
8 |
24 |
|
|
Варметр |
Д-335 |
1,5 |
2 |
8 |
24 |
|
|
Индикатор микропроцессорный фиксирующий |
ИМФ-3Р |
20 Вт |
6 |
120 |
||
|
Итого (ВА): |
240 |
|
Мощность, потребляемую приборами, определяем по формуле (38):
ВА.
Таккак имеются счетчики денежногорасчета, то трансформаторы напряжения необходимо проверить в классе точности 0,5. Согласно /3/, номинальная мощность вторичной обмотки одного трансформатора напряжения типа СРА 123(2b) в классе точности 0,5 S2НОМ = 200 ВА. Номинальная мощность трех трансформаторов напряжения, соединенных в звезду, S2НОМ = ВА.
Таким образом, SНАГР< S2НОМ, тоесть условие (37) выполняется, следовательно, трансформаторы напряжения будут работать в классе точности 0,5.
Для соединения трансформаторов напряжения с приборами принимаем контрольный кабель АКВВГЭнг (таккак высшее напряжение подстанции 220 кВ) с алюминиевыми жилами сечением 2,5 мм2 по условию механической прочности.
3.5.3 Выбор трансформаторов напряжения на стороне НН
На стороне низшего напряжения подстанции используется схема с двумя одиночными, секционированными выключателями, системами сборных шин. Трансформаторы напряжения устанавливаются на каждую секцию сборных шин. Считаем, что секции загружены равномерно, поэтому на всех секциях будут трансформаторы напряжения одного типа.
Трансформаторы напряжения выбирают по следующим условиям.
1) По напряжению , (39)
гдеuНОМ номинальное первичное напряжение ТН, кВ;
uУСТ напряжение установки, кВ.
В нашем случае номинальное первичное напряжение трансформатора напряжения на стороне НН следует принять uНОМ = uУСТ = 10 кВ.
2) Поконструкции и схеме соединения обмоток.
В ЗРУ устанавливаем трансформаторы напряжения типа ЗНОЛ-10-У1, каталожные данные представлены в /3/.
В сетях с изолированной нейтралью, ккоторым относится сеть с напряжением 10 кВ, необходимо производить контроль состояния изоляции. Поэтому к установке принимаем три трансформатора напряжения, включенные по схеме «звезда с землей звезда с землей разомкнутый треугольник». Выбранные трансформаторы напряжения имеют две вторичныеобмотки, одна из которых включена в звезду, и к ней присоединяются катушки напряжения измерительных приборов, другая включена в разомкнутый треугольник и используется для контроля состояния изоляции сети 10 кВ.
- По вторичной нагрузке или поклассу точности.
Чтобы трансформатор напряжения работал в заданном классе точности, должно выполняться условие:
, (40)
гдеSНАГР мощность всех измерительных приборов и реле, присоединенныхк трансформатору напряжения, ВА;
S2НОМ номинальная мощность вторичной обмотки трансформатора напряжения в заданном классе точности, ВА.
Общая мощность, потребляемая приборами, определяется по формуле:
, (41)
гдеР активная мощность приборов, Вт;
Q реактивная мощность приборов, ВАр.
Трансформаторы напряжения проверяем в классе точности 0,5.
К трансформатору напряжения подключаются измерительные преобразователи (датчики), устройства РЗиА всех присоединений секции, счетчики электроэнергии.
Таблица 9. Вторичная нагрузка трансформатора напряжения 10 кВ
|
Прибор |
Тип |
Sоднойобмотки, ВА |
Числообмоток |
Число приборов |
Общая потребляемая мощность |
|
|
Р, Вт |
Q, ВАр |
|||||
|
Счетчик эл.эн. универсальный (ввод на секцию 10 кВ) |
ЕА 05 |
2 |
3 |
2 |
12 |
|
|
Счетчик эл.эн. универсальный |
ЕА 05 |
2 |
2 |
11 |
44 |
|
|
Вольтметр |
ЩП120 |
2 |
1 |
2 |
4 |
|
|
Итого (ВА) |
60 |
|
Мощность, потребляемую приборами, определяем по формуле (41):
ВА.
Таккак имеются счетчики денежногорасчета, то трансформаторы напряжения необходимо проверить в классе точности 0,5. Согласно /3/, номинальная мощность вторичной обмотки одного трансформатора напряжения типа ЗНОЛ-10-У1 в классе точности 0,5 S2НОМ = 75 ВА. Номинальная мощность трех трансформаторов напряжения, соединенных в звезду, S2НОМ = ВА.
Таким образом, SНАГР< S2НОМ, тоесть условие (40) выполняется, следовательно, трансформаторы напряжения будут работать в классе точности 0,5.
Для соединения трансформаторов напряжения с приборами принимаем контрольный кабель АКВВГЭнг (таккак высшее напряжение подстанции 220 кВ) с алюминиевыми жилами сечением 2,5 мм2 по условию механической прочности.
Как уже было сказано, на остальных секциях устанавливаются трансформаторы напряжения того же типа ЗНОЛ-10-У1, таккак секции загружены равномерно.
3.6 Выбор трансформаторов тока на подстанции
Трансформаторы тока предназначены для понижения тока до величины, удобной к измерению, а также являются изоляцией между первичными и вторичными цепями. Трансформатор тока включается в цепь последовательно. Во вторичную обмотку включаются токовыекатушки приборов и реле так же последовательно. Вторичная обмотка трансформаторов тока обязательно заземляется в целях техники безопасности на случай пробоя изоляции между первичной и вторичной обмотками.
Сопротивление приборов, включенных во вторичную цепь, мало, поэтому режим работы трансформатора тока близоккрежиму короткого замыкания.
3.6.1 Выбор трансформаторов тока в цепи линий 220 кВ
В КРУЭ типа ЕLK-14 имеются встроенные трансформаторы тока типа ТВ-220. Эти трансформаторы имеют 4 вторичныеобмотки с номинальным током 5А. Одна из обмоток имеет класс точности 0,5 и предназначена для подключения счётчиков и измерительных приборов, а остальныеобмотки имеют класс точности 10Р и используются для подключения устройств релейной защиты и автоматики.
Трансформаторы тока выбирают по следующим условиям:
1) по номинальному напряжению:
, (42)
гдеuНОМ номинальное напряжение трансформатора тока, кВ,
uУСТ напряжение установки, кВ;
2) по номинальному первичному току:
, (43)
гдеI1НОМ номинальный ток первичной обмотки трансформатора тока, А,
IМАХ максимальный рабочий ток в цепи, в которой выбирается трансформатор тока, А;
3) поконструкции и классу точности;
4) осуществляется проверка на термическую стойкость:
, (44)
гдеIТЕР каталожное значение тока термической стойкости трансформатора тока, кА,
tТЕР допустимое время действия тока термической стойкости, с,
ВК тепловой импульс порасчету, кА2 с.
Расчетным током короткого замыкания является ток в точкеК1.
Таблица 10. Выбор трансформаторов тока 220 кВ
|
Расчетные данные |
Каталожные данные |
|
Трансформатор тока ТВ-220-1000/5 |
|
|
uУСТ = 220кВ |
uНОМ = 220 кВ |
|
IМАХ = 900 А |
I1НОМ = 1000 А |
|
ВК = 124,1 кА2 с |
I2ТЕРtТЕР = 2523 = 1875 кА2 с |
Чтобы обмотка класса точности 0,5 трансформатора тока работала в заданном классе точности, необходимо произвести проверку по вторичной нагрузке:
, (45)
гдеz2 вторичная нагрузка трансформатора тока, Ом,
z2НОМ номинальная вторичная нагрузка трансформатора тока в выбранном классе точности, Ом.
Индуктивное сопротивление токовых цепей невелико, поэтому им можно пренебречь и считать, что вторичное сопротивление чисто активное. Вторичная нагрузка r2 состоит из сопротивления приборов rПРИБ, переходного сопротивления контактов rК и сопротивления соединительных проводов rПРОВ:
. (46)
Сопротивление приборов определяется по формуле
, (47)
гдеSПРИБ мощность, потребляемая приборами, ВА;
I2 НОМ вторичный номинальный ток трансформатора тока, I2 НОМ = 5А.
Схема соединения трансформаторов тока полная звезда.
Для определения мощности приборов составляем схему включения трансформаторов тока и измерительных приборов (рисунок 9.).
Рисунок 9. Схема включения трансформаторов тока и приборов
Пользуясь схемой включения и каталожными данными приборов, выбираем наиболее загруженный трансформатор тока, для чегоопределяем нагрузку по всем фазам (таблица 11.). Для этого суммируем мощности токовыхобмоток приборов, включенных в данную фазу.
Таблица 11. Вторичная нагрузка трансформаторов тока
|
Прибор |
Тип |
Нагрузка фазы, ВА |
||
|
А |
В |
С |
||
|
Амперметр |
Э-335 |
0,5 |
0,5 |
0,5 |
|
Ваттметр |
Д-335 |
0,5 |
|
0,5 |
|
Варметр |
Д-335 |
0,5 |
|
0,5 |
|
Индикатор микропроцессорный фиксирующий |
ИМФ-3Р |
0,5 |
0,5 |
0,5 |
|
Счетчик эл. энергии универсальный |
ЕА 05 |
2 |
2 |
2 |
|
Итого: |
4,0 |
3,0 |
4,0 |
Из таблицы 3,12 видно, что наиболее загружены трансформаторы тока фаз А и С. Мощность, потребляемая приборами в этих фазах,
SПРИБ = 4,0 ВА.
Тогда сопротивление приборов по формуле (35):
Ом.
Сопротивлениеконтактов принимается rК = 0,1 Ом.
Сопротивление соединительных проводов rПРОВ зависит от их длины и сечения.
Чтобы трансформатор тока работал в заданном классе точности, необходимо выдержать условие
. (48)
Приняв r2 = z2НОМ, определяем допустимое значениеrПРОВ:
, (49)
В каталоге на трансформатор тока задается номинальная нагрузка вторичной обмотки трансформатора тока в классе точности 0,5 в виде мощности S2НОМ = 32 ВА, номинальное сопротивлениеопределяем по формуле:
, (50)
Ом;
Ом.
Зная допустимое сопротивление проводов, можноопределить сечениесоединительных проводов
, (51)
где удельное сопротивление материала провода, ;
lРАСЧ расчетная длина соединительных проводов, м.
На подстанциях с высшим напряжением 220 кВ и выше во вторичных цепях применяются провода с алюминиевыми жилами, удельное сопротивление алюминия = 0,028 .
Расчетная длина соединительных проводов lРАСЧ зависит от схемы включения трансформаторов тока. Таккак трансформаторы тока включены по схеме полной звезды, lРАСЧ = l, гдеl длина соединительных проводов от трансформатора тока до приборов в один конец, для цепей 220 кВ можно принять l = 100 м /2/.
Сечение соединительных проводов по формуле (51):
.
Согласно /2/ по условию механической прочности сечение алюминиевых жил должно быть не меньше 4 мм2. Поэтому в качестве соединительных проводов принимаем контрольный кабель АКВВГЭнг сечением 4 мм2.
3.6.2 Выбор трансформаторов тока в цепи линий 110 кВ
В КРУЭ типа ЕLK-04 имеются встроенные трансформаторы тока типа ТВ-110. Эти трансформаторы имеют 4 вторичныеобмотки с номинальным током 5А .Одна из обмоток имеет класс точности 0,5 и предназначена для подключения счётчиков и измерительных приборов, а остальныеобмотки имеют класс точности 10 Р и используются для подключения устройств релейной защиты и автоматики.
Трансформаторы тока выбирают по следующим условиям:
1) по номинальному напряжению:
, (52)
гдеuНОМ номинальное напряжение трансформатора тока, кВ,
uУСТ напряжение установки, кВ;
2) по номинальному первичному току:
, (53)
гдеI1НОМ номинальный ток первичной обмотки трансформатора тока, А,
IМАХ максимальный рабочий ток в цепи, в которой выбирается трансформатор тока, А;
3) поконструкции и классу точности;
4) осуществляется проверка на термическую стойкость:
, (54)
гдеIТЕР каталожное значение тока термической стойкости трансформатора тока, кА,
tТЕР допустимое время действия тока термической стойкости, с,
ВК тепловой импульс порасчету, кА2 с.
Расчетным током короткого замыкания является ток в точкеК1.
Максимальный ток в линии 110 кВ 600 А, на стороне 110 кВ АТ - 928,8 А, поэтому можно было бы принять все трансформаторы тока в КРУЭ 110 кВ с одинаковым Ктт = 1000/5, но по условию выполнения релейной защиты, принимаем ТТ с Ктт = 2000/5.
Таблица 12. Выбор трансформаторов тока 110 кВ
|
Расчетные данные |
Каталожные данные |
|
Трансформатор тока ТВ-110-2000/5 |
|
|
uУСТ = 110кВ |
uНОМ = 110 кВ |
|
IМАХ = 600 А |
I1НОМ = 2000 А |
|
ВК = 381,65 кА2 с |
I2ТЕРtТЕР = 5023 = 7500 кА2 с |
Чтобы обмотка класса точности 0,5 трансформатора тока работала в заданном классе точности, необходимо произвести проверку по вторичной нагрузке:
, (55)
гдеz2 вторичная нагрузка трансформатора тока, Ом,
z2НОМ номинальная вторичная нагрузка трансформатора тока в выбранном классе точности, Ом.
Индуктивное сопротивление токовых цепей невелико, поэтому им можно пренебречь и считать, что вторичное сопротивление чисто активное. Вторичная нагрузка r2 состоит из сопротивления приборов rПРИБ, переходного сопротивления контактов rК и сопротивления соединительных проводов rПРОВ:
. (56)
Сопротивление приборов определяется по формуле
, (57)
гдеSПРИБ мощность, потребляемая приборами, ВА;
I2 НОМ вторичный номинальный ток трансформатора тока, I2 НОМ = 5А.
Схема соединения трансформаторов тока полная звезда.
Для определения мощности приборов составляем схему включения трансформаторов тока и измерительных приборов (рисунок 13.).
Рисунок 13. Схема включения трансформаторов тока и приборов
Пользуясь схемой включения и каталожными данными приборов, выбираем наиболее загруженный трансформатор тока, для чегоопределяем нагрузку по всем фазам (таблица 13.). Для этого суммируем мощности токовыхобмоток приборов, включенных в данную фазу.
Таблица 13. Вторичная нагрузка трансформаторов тока
|
Прибор |
Тип |
Нагрузка фазы, ВА |
||
|
А |
В |
С |
||
|
Амперметр |
Э-335 |
0,5 |
0,5 |
0,5 |
|
Ваттметр |
Д-335 |
0,5 |
|
0,5 |
|
Варметр |
Д-335 |
0,5 |
|
0,5 |
|
Индикатор микропроцессорный фиксирующий |
ИМФ-3Р |
0,5 |
0,5 |
0,5 |
|
Счетчик эл. энергии универсальный |
ЕА 05 |
2 |
2 |
2 |
|
Итого: |
4,0 |
3,0 |
4,0 |
Из таблицы 13. видно, что наиболее загружены трансформаторы тока фаз А и С. Мощность, потребляемая приборами в этих фазах,
SПРИБ = 4,0 ВА.
Тогда сопротивление приборов по формуле (57):
Ом.
Сопротивлениеконтактов принимается rК = 0,1 Ом.
Сопротивление соединительных проводов rПРОВ зависит от их длины и сечения.
Чтобы трансформатор тока работал в заданном классе точности, необходимо выдержать условие
. (58)
Приняв r2 = z2НОМ, определяем допустимое значениеrПРОВ:
, (59)
в каталоге на трансформатор тока задается номинальная нагрузка вторичной обмотки трансформатора тока в классе точности 0,5 в виде мощности S2НОМ = 50 ВА, номинальное сопротивлениеопределяем по формуле:
, (60)
Ом;
Ом.
Зная допустимое сопротивление проводов, можноопределить сечение соединительных проводов
, (61)
где удельное сопротивление материала провода, ;
lРАСЧ расчетная длина соединительных проводов, м.
На подстанциях с высшим напряжением 220 кВ во вторичных цепях применяются провода с алюминиевыми жилами, удельное сопротивление алюминия = 0,028 .
Расчетная длина соединительных проводов lРАСЧ зависит от схемы включения трансформаторов тока. Таккак трансформаторы тока включены по схеме полной звезды, lРАСЧ = l, гдеl длина соединительных проводов от трансформатора тока до приборов в один конец, для цепей 110 кВ можно принять l = 50 м /2/.
Сечение соединительных проводов по формуле (61):
.
Согласно /2/ по условию механической прочности сечение алюминиевых жил должно быть не меньше 4 мм2. Поэтому в качестве соединительных проводов принимаем контрольный кабель АКВВГЭнг сечением 4 мм2.
3.7 Выбор токоведущих частей
Токоведущие части в распределительных устройствах 35 кВ и выше электростанций и подстанций обычно выполняются гибкими сталеалюминевыми проводами АС или АСО. Гибкие провода применяются также для соединения блочных трансформаторов сОРУ.
Соединение генераторов и трансформаторов с закрытым или комплектным распредустройством 6…10 кВ осуществляется гибким подвесным токопроводом, шинным мостом или закрытым комплектным токопроводом. Гибкие токопроводы для соединения генераторов и трансформаторов с РУ 6…10 кВ выполняются пучком проводов, закрепленных поокружности в кольцах-обоймах. Два провода из пучка сталеалюминевые. Онинесут в основном механическую нагрузку от собственного веса, гололеда и ветра. Остальные провода алюминиевые. Они являются только токоведущими. Сечения отдельных проводов в пучкерекомендуется выбирать возможно большими (500, 600 мм2),таккак это уменьшает их число и стоимость токопровода.
Все соединения внутри закрытогораспредустройства 6…10 кВ, включая сборные шины, выполняются жесткими голыми алюминиевыми шинами прямоугольного или коробчатого сечения. При токах до 3000 А в закрытыхраспредустройствах 6…10 кВ применяются однополосные и двухполосные алюминиевые шины. При больших токахрекомендуются шины коробчатого сечения, таккакони обеспечивают лучшие условия охлаждения и меньшие потери от эффекта близости и поверхностного эффекта.
Проводники линий электропередач, длинных связей блочных трансформаторов с ОРУ, токопроводы генераторного напряжения выбираются по экономической плотности тока
, (62)
где ток нормальногорежима (без перегрузок); нормированная плотность тока, А/мм2.
Выбору по экономической плотности тока не подлежат [1]:
сети промышленных предприятий и сооружений напряжением до 1 кВ и при Тmах до 5000 ч;
ответвления котдельным электроприёмникам U<1 кВ, а такжеосветительные сети;
сборные шины электроустановок и ошиновка в пределахоткрытых и закрытыхРУ всех напряжений;
сети временных сооружений, а также устройства со сроком службы 35 лет.
Сечение этихпроводов выбирается по допустимому току.При этом учитываются не только нормальные, но и послеаварийныережимы, а такжережимы в период ремонтов и возможность неравномерногораспределения токов между секциями шин.
3.7.1 Выбор ТВЧ для связи с КРУЭ 220 кВ
С учетом того, что вместоОРУ 220 и 110 кВ примененоКРУЭ, связь с ним осуществляется кабельными линиями.
Для связи с КРУЭ 220 кВ выбираем кабель с СПЭ изоляцией с медной жилой сечением 400 мм2.
Проверяем данный кабель по допустимому току:
(63)
При прокладке данногокабеля в земле на глубине 1,2 м допустимый ток: Iдоп=720 А. В утяжеленном режиме ток на высокой стороне АТ: Iмах=690,5 А. условие (42) выполняется.
3.7.2 Выбор ТВЧ для связи с КРУЭ 110 кВ
Для связи с КРУЭ 110 кВ выбираем кабель с СПЭ изоляцией с медной жилой сечением 1000 мм2.
Проверяем данный кабель по допустимому току:
(64)
При прокладке данногокабеля в земле на глубине 1,2 м допустимый ток: Iдоп=950 А. В утяжеленном режиме ток на высокой стороне АТ: Iмах=928 А. условие (64) выполняется.
3.7.3 Выбор соединения автотрансформатора с ЗРУ
Соединение автотрансформатора с закрытым РУ 6-10 кВ осуществляется гибким подвесным токопроводом, шинным мостом или закрытым комплектным токопроводом.
Если на участках электрических схем применяются комплектные токопроводы, то в этом случаеего выбирают:
1) по номинальному напряжению:
, (65)
гдеuНОМ номинальное напряжение выбираемого токопровода, кВ,
uУСТ напряжение установки, кВ;
2) по номинальному току:
, (66)
гдеIДОП длительно допустимый ток проводника, А,
IМАХ максимальный ток, протекающий в утяжеленном режиме, А;
3) выполняется проверка на электродинамическую стойкость:
, (67)
гдеiУД расчетный ударный ток, кА;
iДИН ток электродинамической стойкости (наибольший пик предельного сквозного тока короткого замыкания), кА;
гдеIП,0 действующее значение периодической составляющей начального тока короткого замыкания, взятое из таблицы 3,3 и равное 57,255 кА;
4) условие проверки по термической устойчивости:
,
Тепловой импульс по формуле (10):
, (68)
гдеtРЗ = 0,1 с максимальное время действия основной защиты;
tО.В.= 0,055 полное время отключения выключателя, с;
с,
ТА постоянная времени затухания апериодической составляющей, ТА = 0,05 с;
ВыбираемкустановкетокопроводТЭНЕ-10-5000-250 УХЛ1.
Таблица 14. Проверки токопровода.
|
Расчетные данные |
Каталожные данные |
|
ТЭНЕ-10-5000-250 УХЛ1 |
|
|
uУСТ = 10 кВ |
UН = 10 кВ |
|
IМАХ = 4673,8 А |
IДОП = 5000 А |
|
iУД = 145,75 кА |
iДИН = 250 кА |
|
ВК = 672,02 кА2 с |
I2ТЕРtТЕР = 10023 = 30000 кА2 с |
Все соединения внутри КРУ 6-10 кВ, включая сборные шины, выполняются жесткими голыми алюминиевыми шинами прямоугольного или коробчатого сечения. Принимаем к установке алюминиевые шины коробчатогосечения, допустимый длительный ток на одну фазу 5650 А. Максимальный ток на шинах НН 10кВ посчитан в пункте 3.2 и равен 4673,8 А:

,
|
Размеры, мм |
|||
|
а |
b |
с |
r |
|
150 |
65 |
7 |
10 |
3.7.4 Выбор изоляторов для ЗРУ 10кВ
Жесткие шины в распределительных устройствахкрепятся на опорных изоляторах, которые выбираются:
по номинальному напряжению
, (69)
по допустимой нагрузке
, (70)
гдесила, действующая на изолятор; допустимая нагрузка на головку изолятора:
, (71)
гдеразрушающая нагрузка на изгиб.
Для данной подстанции в ЗРУ 10 кВ опорные изоляторы для крепления шин выбираем типа ИО 10-20, 00 УЗ /12/.
Параметры изолятора:
размеры: - строительная высота 134 мм;
разрушающая электромеханическая нагрузка 20 кН;
кН,
, (72)
Н,
где а расстояние между соседними фазами =0,45 м;
l длина пролета между изоляторами =134 мм.
Выражение (70) выполняется, поэтому принимаем данные изоляторы.
3.8 Выбор высокочастотных заградителей
3.8.1 Выбор высокочастотных заградителей 220 кВ
Высокочастотные заградители устанавливаются на линиях электропередач при вводе в подстанцию, чтобы не пропустить высшие гармоники.
Выбор высокочастотных заградителей осуществляется по следующим условиям:
- по номинальному току:
, (73)
гдеIНОМ номинальный ток заградителя, А;
IМАХ ток, протекающий в линии в утяжеленном режиме, А;
Порезультатам расчета режимов сети на 2020 год максимальный ток поВЛ 220 кВ в утяжеленном режимеравен 900 А.
- проверка на электродинамическую стойкость:
, (48)
гдеiДИН ток электродинамической стойкости заградителя, кА;
iУД ударный ток трехфазногоКЗ на стороне ВН, кА;
- производится проверка на термическую стойкость:
, (74)
гдеIТЕР ток термической стойкости заградителя, кА;
tТЕР допустимое время действия тока термической стойкости, с;
ВК тепловой импульс, выделяемый током короткого замыкания на стороне ВН, кА2с.
С учетом выполнения этих условий принимаем к установке на питающих линиях напряжением 220 кВ высокочастотный заградитель типа ВЗ-1250/31,5/80-0,5 У1.
Таблица 15. Выбор высокочастотных заградителей
|
Расчетные данные |
Каталожные данные |
|
ВЗ-1250/31,5/80-0,5 У1 |
|
|
IМАХ = 900 А |
IНОМ = 1250 А |
|
iУД = 68,73 кА |
iДИН = 80 кА |
|
ВК = 124,1 кА2 с |
I2ТЕРtТЕР = 31,521 = 992,25 кА2 с |
Как видно из таблицы 15. все условия выполняются.
3.8.2 Выбор высокочастотных заградителей 110 кВ
Высокочастотные заградители устанавливаются на линиях электропередач при вводе в подстанцию, чтобы не пропустить высшие гармоники.
Выбор высокочастотных заградителей осуществляется по следующим условиям:
- по номинальному току:
, (75)
гдеIНОМ номинальный ток заградителя, А;
IМАХ ток, протекающий в линии в утяжеленном режиме, А;
Порезультатам расчета режимов сети на 2020 год максимальный ток поВЛ 220 кВ в утяжеленном режимеравен 600 А.
- проверка на электродинамическую стойкость:
, (76)
гдеiДИН ток электродинамической стойкости заградителя, кА;
iУД ударный ток трехфазногоКЗ на стороне СН, кА;
- производится проверка на термическую стойкость:
, (77)
гдеIТЕР ток термической стойкости заградителя, кА;
tТЕР допустимое время действия тока термической стойкости, с;
ВК тепловой импульс, выделяемый током короткого замыкания на стороне СН, кА2с.
С учетом выполнения этих условий принимаем к установке на питающих линиях напряжением 110 кВ высокочастотный заградитель типа ВЗ-630/40/102-0,5 У1. Каталожные данные заградителя представлены в /3/.
Таблица 16. Выбор высокочастотных заградителей
|
Расчетные данные |
Каталожные данные |
|
ВЗ-630/40/128-0,5 У1 |
|
|
IМАХ = 600 А |
IНОМ = 630 А |
|
iУД = 117,68 кА |
iДИН = 128 кА |
|
ВК = 381,65 кА2 с |
I2ТЕРtТЕР = 4021 = 1600 кА2 с |
Как видно из таблицы 16.все условия выполняются
4. РЕЛЕЙНАЯ ЗАЩИТА И АВТОМАТИКА
Релейная защита (РЗ) - часть электрической автоматики, предназначенная для выявления и автоматическогоотключения поврежденного электрооборудования.
Кроме того, некоторые устройства РЗ предназначены для выявления не повреждений, а ненормальныхрежимов работы электрооборудования (например, защита от перегрузки трансформатора).
В некоторых случаях, не требующих быстрого автоматическогоотключения поврежденногооборудования, устройства РЗ могут действовать не на отключение, а на сигнал (например, защита от замыканий на землю в сетях с изолированной нейтралью).
4.1. Выбор поколения устройств РЗиА
Для защиты объектов подстанции используем устройства релейной защиты на микропроцессорной базе, как наиболее совершенные по сравнению с устройствами на полупроводниковой и электромеханической элементной базе.
В настоящее время использование устройств РЗ, реализованных с использованием МП, становится всеболее целесообразней и перспективней в виду того, чтоони имеют ряд существенных преимуществ:
- наглядность процесса для оператора за счет большогоколичества измерений и сигнализации и представления информации;
- дистанционноеуправлениекак терминалами релейной защиты, так и первичным оборудованием подстанции;
- беспрерывная диагностика, позволяющая проводить предаварийную профилактику;
- «гибкость» для инженера при работе с устройствами;
- перепрограммирование программ (в некоторых терминалах);
- возможность регистрирования и сохранения всех величин в предаварийных и аварийных ситуациях для точного поставарийногокомпьютерного анализа причин аварии при встроенной системе наблюдения и т.п.
4.2 Выбор фирмы производителя
Для защиты присоединений подстанции используем шкафы производства совместного предприятия шведской фирмы АBB и ЧЭАЗ «АBB-Автоматизация». Выпускает устройства РЗ для сетей 6-750 кВ. Вся идеология, конструкция, программа - все фирмы АBB, наша только сборка.
АББ - лидер в производстве силовогооборудования высокого, среднего и низкого напряжения; продуктов и технологий для автоматизации. Технологии АББ позволяют заказчикам компании повышать свою производительность, снижая негативное воздействие на окружающую среду. Штат АВВ насчитывает около 135 000 сотрудников в более чем 100 странах мира.
Лидерство АВВ в технологиях, глобальное присутствие и опыт работы на местном ранке позволяют предлагать продукты, системы и решения, помогающие улучшать показатели деятельности от повышения надежности линий электропередачи до увеличения эффективности производства.
Опираясь на свои сильные стороны в технологиях для электроэнергетики и автоматизации, концерн стремится к стабильному прибыльному росту, а глобальная производственная база обеспечивает выпуск высококачественногооборудования.
Продукт, сделанный в АББ - одинаково высокогокачества для всех заказчиков по всему миру.
4.3 Выбор защиты и автоматики КЛ 10 кВ
Согласно ПУЭ:
3.2.91. Для линий в сетях 3-10 кВ с изолированной нейтралью (в том числе и с нейтралью, заземленной через дугогасительный реактор) должны быть предусмотрены устройства релейной защиты от многофазных замыканий и от однофазных замыканий на землю.
3.2.92. Защиту от многофазных замыканий следует предусматривать в двухфазном исполнении и включать в одни и те же фазы по всей сети данного напряжения для обеспечения отключения в большинстве случаев двойных замыканий на землю толькоодного места повреждения.
Защита должна быть выполнена одно-, двух- или трехрелейной в зависимости от требований чувствительности и надежности.
3.2.93. На одиночных линиях с односторонним питанием от многофазных замыканий должна устанавливаться, как правило, двухступенчатая токовая защита, первая ступень которой выполнена в виде токовой отсечки, а вторая - в виде максимальной токовой защиты с независимой или зависимой характеристикой выдержки времени.
3.2.96. Защита от однофазных замыканий на землю должна быть выполнена в виде селективной защиты (устанавливающей поврежденное направление), действующей на сигнал; устройства контроля изоляции; при этом отыскание поврежденного элемента должноосуществляться специальными устройствами; допускается отыскание поврежденного элемента поочередным отключением присоединений.
Защита от однофазных замыканий на землю, действующая на отключение без выдержки времени по требованиям безопасности, должна отключать только элемент, питающий поврежденный участок; при этом в качестверезервной должна быть предусмотрена защита, выполняемая в виде защиты нулевой последовательности с выдержкой времени около 0,5 с, действующая на отключение всей электрически связанной сети - системы (секции) шин или питающего трансформатора.
Автоматика
Согласно 3.3.2 /4/ на воздушных линиях всех типов напряжением выше 1 кВ применяются АПВ.
Для реализации защиты и автоматики воздушной линии 10 кВ используем «терминал защиты фидера RЕХ 521».
Таблица 17. Виды защит на кабельной линии 10 кВ.
|
Виды защит по ПУЭ |
Используемые функции блока |
Автоматика:
|
RЕХ 521: 1) Двухступенчатая МТЗ (ТО и МТЗ); 2) ЗЗ с действием на сигнал; Функции автоматики: 1) АПВ; 2) АУВ; |
4.4Вводной выключатель 10 кВ
Согласно пункту 3.2.126 /4/ специальные устройства релейной защиты для одиночной секционированной системы шин 6-10 кВ понижающих подстанций, как правило, не следует предусматривать, а ликвидация КЗ на шинах должна осуществляться действием защит трансформаторов от внешнихКЗ и защит, установленных на секционном выключателе.
Автоматика
Используется АПВ шин согласно пункту 3.3.2/4/. Согласно пункту 3.3.24 /4/ АПВ выполняется автоматическим опробованием (постановка шин под напряжение выключателем от АПВ одного из питающих элементов).
Для реализации защиты и автоматики вводного выключателя используем терминал защиты, автоматики и управления ввода SРАС 810-В.
Таблица 18. Виды защит на вводном выключателе.
|
Виды защит по ПУЭ |
Используемые функции блока |
|
1) МТЗ; 2) АПВ; 3) АУВ. |
SРАС 810-В: 1) МТЗ-1ст; 2) АПВ; 3) АУВ; 4) УРОВ. |
4.5 Секционный выключатель 10 кВ
Согласно пункту 3.2.129 ПУЭ на шиносоединительном (секционном) выключателе 3-35 кВ должна быть предусмотрена двухступенчатая токовая защита от многофазныхКЗ.
Автоматика
Из общегораздела порелейной защите пункт 3.2.18 для общего повышения надежности на всех электроустановках предусматривается устройстворезервирования при отказе выключателей (УРОВ) для осуществления ближнегорезервирования.
Согласно пункту 3.3.30 на секционном выключателе применяется согласованное с АПВ шин устройство АВР, которое предусматривается для восстановления питания потребителей путем автоматического присоединения резервного источника питания при отключении рабочего источника питания, приводящем кобесточиванию электроустановок потребителя.
Для реализации автоматики и защиты секционного выключателя используем терминал защиты, автоматики и управления секционного выключателя
SРАС 810-С.
Таблица 19. Виды защит на секционном выключателе.
|
Виды защит по ПУЭ |
Функции блока |
|
1) МТЗ; 2) АВР; 3) АПВ; 4) АУВ; 5) Сигнализация замыканий на землю. |
SРАС 810-С: 1) МТЗ-1ст; 2) АПВ; 3) АУВ; 4) АВР; 5) УРОВ; 6) ЗЗ с действием на сигнал. |
4.6 Шины НН 10 кВ
Согласно пункту 3.2.126 /4/ специальные устройства релейной защиты для одиночной секционированной системы шин 6-10 кВ понижающих подстанций, как правило, не следует предусматривать, а ликвидация КЗ на шинах должна осуществляться действием защит трансформаторов от внешнихКЗ и защит, установленных на секционном выключателе.
Однако согласно НТП пункту 9.15.3 /6/ на каждой секции шин должна быть предусмотрена:
- дуговая защита шин, реагирующая на появление электрической дуги в ячейкахКРУ. Защита действует без выдержки времени на отключение питающих элементов секции шин 6-10 кВ (вводного и секционного выключателей). Кроме того, если электрическая дуга возникла в ячейке ввода, дуговая защита действует с выдержкой времени порядка 0,5 секунды на отключение трансформатора, питающего данную секцию;
- логическая защита шин (ЛЗШ), для выполнения которой используется обмен информацией между защитами питающих элементов (вводных и секционных выключателей) и защитами фидеров. Принцип действия ЛЗШ на каждом питающем элементе: если сработали токовыереле питающего элемента и не сработали токовыереле ни на одном фидере, следовательно, этоКЗ на секции шин, при этом ЛЗШ действует без выдержки времени на отключение питающего элемента;
- неселективная сигнализация от замыканий на землю, реагирующая на напряжение 3Uо. Защита срабатывает при возникновении замыкания на землю в любой точке электрически связанной сети 10 кВ и действует на сигнал с выдержкой времени 9 секунд.
Автоматика
По пункту 3.3.25 /4/ на двухтрансформаторных понижающих подстанциях при раздельной работетрансформаторов предусматриваются устройства АПВ шин низшего напряжения в сочетании с устройствами АВР; при внутренних повреждениях трансформаторов должно действовать АВР, при прочих повреждениях АПВ.
Согласно 3.3.30 /4/ устройства АВР должны предусматриваться для восстановления питания потребителей путем автоматического присоединения резервного источника питания при отключении рабочего источника питания, приводящем кобесточиванию электроустановок потребителя. Устройства АВР должны предусматриваться также для автоматического включения резервногооборудования при отключении рабочегооборудования, приводящем к нарушению нормального технологического процесса.
Устройства АВР такжерекомендуется предусматривать, если при их применении возможно упрощениерелейной защиты, снижение токов КЗ и удешевление аппаратуры за счет замены кольцевых сетей радиально-секционированными и т. п.
Устройства АВР могут устанавливаться на секционных и шиносоединительных выключателях и т. п. На проектируемой подстанции устройства АВР установлены на секционных выключателях 10 кВ и подключены к трансформаторам напряжения.
Таблица 20. Виды защит на шинах НН
|
Виды защит по ПУЭ |
Функции блока |
|
1) дуговая защита; 2) логическая защита; 3) ЗЗ с действием на сигнал; 4) АПВ. |
RЕА-101 1) Дуговая зашита; SРАС-810
|
ДуговоерелеRЕА-10_
Основныеособенности
• Оптоволоконный датчик, петлевой или радиальный, или линзовый датчик для обнаружения электрической дуги;
• Два быстродействующих полупроводниковыхотключающихконтакта;
• Срабатывание по факту наличия только светового сигнала или в сочетании с быстродействующей регулируемой функцией максимального тока с возможностью измерения токов трёх фаз или тока двух фаз и нейтрали;
• Полное время срабатывания <2,5 мс;
• Автоматическая или ручная компенсация фоновой освещенности с регулировкой в широком диапазоне;
• Два порта RJ45 для цепочечного подключения блоков расширения;
• Два оптическихразъёма для оперативной передачи сигналов ВКЛ/ВЫКЛ между центральными блоками;
• Функция УРОВ (устройстворезервирования отказа выключателя), т.е. задержка сигнала отключения для вышестоящего выключателя;
• Самоконтроль оптоволоконного датчика, рабочих напряжений и кабельных соединений между центральными блоками и блоками расширения.
Применение
Последствия дуговогокороткого замыкания или замыкания на землю в распределительных устройствах низкого и среднего напряжения могут быть очень тяжелыми. Дуговой разряд способен вывести из строя дорогоеоборудование и вызвать продолжительные и дорогостоящие простои. Кроме того, электрическая дуга может нанести тяжелые травмы персоналу.
Причинами дуги могут быть, например, повреждение изоляции, неисправность оборудования, неправильные соединения шин или кабелей, перенапряжения, коррозия, загрязнение, влага, ферромагнитный резонанс (измерительных трансформаторов) и даже старение под действием электростатического напряжения. Воздействие большинства эти факторов можно предотвратить надлежащим техническим обслуживанием. Но, несмотря на все меры предосторожности, ккоротким замыканиям через дугу могут также приводить ошибки персонала.
При обнаружении и минимизации последствий дуговогоразряда ключевым фактором является время. Дуговой разряд, в течение 500 мс способен значительно повредить изоляцию. При длительности дуговогоразряда менее 100 мс, повреждения часто имеют меньший масштаб, а если дуга устраняется меньше чем за 35 мс, повреждения почти незаметны.
Опасность больших повреждений и тяжелых последствий короткого замыкания, вызванных дугой, можно снизить с помощью быстродействующей системы дуговой защиты RЕА 101. Не только дуговыекороткие замыкания, но даже и дуговые замыкания на землю с токами ниже нормального нагрузочного тока могут обнаруживаться и прерываться до того, какони перейдут в двух- или трехфазныекороткие замыкания.
Обычно применяемыерелейные устройства защиты шин могут оказаться слишком медленными для обеспечения значений времени безопасногоотключения короткого замыкания при дуговыхразрядах. Например, для срабатывания реле максимального тока, контролирующего вводной выключатель, может быть предусмотрена задержка на сотни миллисекунд с целью обеспечения избирательности. Эту задержку можно исключить с помощью системы дуговой защиты RЕА 10_. Общее время отключения короткого замыкания может быть уменьшено до максимального значения 2,5 мс плюс время отключения самого выключателя.
Кроме того, дуговая защита может исключить неудачные попытки автоматического повторного включения при замыканиях в кабельном отсеке.
Реле дуговой защиты RЕА 101 и блоки расширения RЕА 103, RЕА 105 и RЕА 107 предназначены для защиты распределительных устройств среднего и низкого напряжения с воздушной изоляцией. Центральный блокRЕА 101 работает независимо или совместно с блоками расширения RЕА 103, RЕА 105 и RЕА 107. Эти блоки расширения позволяют увеличивать числооптоволоконных и/или линзовых датчиков, расширяя тем самым защищаемую зону. В случае возникновения электрической дуги местокороткого замыкания может быть быстро локализовано путем проверки области контроля датчика, который обнаружил дуговой разряд.
Блоки расширения RЕА 103 и RЕА 105 имеют почти одинаковую конструкцию. Основным ихразличием является то, что блокRЕА 105 снабжен двумя быстродействующими отключающими контактами, способными отключать, например, межсекционный выключатель или оба выключателя одного фидера в двойной системе шин. Тем самым достигается избирательноеотключение. БлокRЕА 107 также используется для расширения защищаемой зоны. Он имеет входы для восьми датчиков линзового типа. Реле дуговой защиты RЕА 101 имеет два выходных порта, ккаждому из которых можно подключить цепочку, состоящую из не более пяти блоков расширения.
4.7 Автотрансформатор 220/110/10 кВ
Для автотрансформаторов согласно пункту 3.2.51 /4/ должны быть предусмотрены устройства релейной защиты от следующих видов повреждений и ненормальныхрежимов работы:
1) многофазных замыканий в обмотках и на выводах;
2)однофазных замыканий на землю в обмотке и на выводах,
присоединенныхк сети с глухозаземленной нейтралью;
3) витковых замыканий в обмотках;
4) токов в обмотках, обусловленных внешними КЗ;
5) токов в обмотках, обусловленных перегрузкой;
6) понижения уровня масла;
Согласно пункту 3.2.53 /4/ для данного автотрансформатора применяется газовая защита от повреждений внутри кожуха, сопровождающихся выделением газа, и от понижения уровня масла
Газовая защита должна действовать на сигнал при слабом газообразовании и понижении уровня масла и на отключение при интенсивном газообразовании и дальнейшем понижении уровня масла.
Защита от повреждений внутри кожуха автотрансформатора, сопровождающихся выделением газа, может быть выполнена также с использованием реле давления.
Защита от понижения уровня масла может быть выполнена также в видеотдельногореле уровня в расширителе автотрансформатора.
Должна быть предусмотрена возможность перевода действия отключающего элемента газовой защиты на сигнал и выполнения раздельной сигнализации от сигнального и отключающих элементов газовогореле (различающейся характером сигнала).
По пункту 3.2.54 /4/ для защиты от повреждений на выводах, а такжеот внутренних повреждений должна быть предусмотрена продольная дифференциальная токовая защита без выдержки времени (на автотрансформаторах мощностью 6,3 МВА и более), которая должна действовать на отключение всех выключателей трансформатора
Согласно пункту 3.2.55 /4/ продольная дифференциальная защита должна быть выполнена так, чтобы в зону ее действия входили соединения автотрансформатора со сборными шинами.
Автоматика
Из общегораздела порелейной защите пункт 3.2.18 /4/ для общего повышения надежности предусматривается устройстворезервирования при отказе выключателей (УРОВ) на стороне 220 и 110 кВ для осуществления ближнегорезервирования.
Согласно пункту 3.3.26 /4/ на автотрансформаторе предусматривается действие АПВ на сторонах 110 и 220 кВ. АПВ блокируется при срабатывании внутренних защит автотрансформатора (ДЗТ и газовой защиты).
По пункту 3.3.61 /4/ автотрансформаторы с РПН распределительных подстанций для поддержания или заданного изменения напряжения должны оснащаться системой автоматическогорегулирования коэффициента трансформации. При необходимости автоматическиерегуляторы должны обеспечивать встречноерегулирование напряжения.
Регистрация аварий
На автотрансформаторе в соответствии с приказом №57 /14/ пункт 6.3.10 осуществляется цифровая регистрация переходных процессов при КЗ с записью параметров предаварийногорежима и регистрацией последовательности событий, в том числе срабатываний устройств и ступеней релейной защиты и автоматики. Предусмотрена передача информации от устройств регистрации на верхние уровни оперативно-диспетчерского управления.
Для защиты автотрансформатора будем использовать Интеллектуальное электронное устройство защиты трансформатора RЕT670 производства «АВВ - автоматизация».
Представим в таблице выбранные защиты по ПУЭ и функции, выполняемые выбранными устройствами.
Таблица 21. Виды защит на автотрансформаторе 220/110/10 кВ.
|
Виды защит по ПУЭ |
1) Газовая защита; 2) Дифференциальная защита; 3) ДЗ от внешних междуфазных замыканий со стороны 220 и 110; 4) ЗЗ от внешниходнофазных замыканий со стороны 220 и 110; 5) Защита от перегрузки; 6) Автоматическое управлениеРПН; 7) АПВ на СН и ВН; 8) УРОВ на СН и ВН; 9) ДЗО низкой стороны АТ; 10) МТЗ низкой стороны АТ; 11) Струйная защита |
|
Используемые функции блока |
RЕT670реализует:
СтруйноерелеРСТ-25
RЕD 521
RЕF 630
|
4.8 Защита ВЛ 110/220 кВ
По ПУЭ:
3.2.106. Для линий в сетях 110-500 кВ с эффективно заземленной нейтралью должны быть предусмотрены устройства релейной защиты от многофазных замыканий и от замыканий на землю.
3.2.107. Защиты должны быть оборудованы устройствами, блокирующими их действие при качаниях, если в сети возможны качания или асинхронный ход, при которых вероятны излишние срабатывания защиты. Допускается выполнение защиты без блокирующих устройств, если она отстроена от качаний по времени (около 1,52 с).
3.2.111. На одиночных линиях, имеющих питание с двух или более сторон (последнее - на линиях с ответвлениями), как при наличии, так и при отсутствии обходных связей, а также на линиях, входящих в кольцевую сеть с одной точкой питания, от многофазных замыканий должна быть применена дистанционная защита (преимущественно трехступенчатая), используемая в качестверезервной или основной (последнее - только на линиях 110-220 кВ).
В качестве дополнительной защиты рекомендуется использовать токовую отсечку без выдержки времени. В отдельных случаях допускается использовать токовую отсечку для действия при ошибочном включении на трехфазную закоротку в месте установки защиты, когда токовая отсечка, выполненная для действия в другихрежимах, не удовлетворяет требованию чувствительности (см. 3.2.26).
От замыканий на землю должна быть предусмотрена, как правило, ступенчатая токовая направленная или ненаправленная защита нулевой последовательности.
3.2.115. Если защита по 3.2.111-3.2.113 не удовлетворяет требованию быстродействия (см. 3.2.108), в качествеосновных защит одиночных и параллельных линий с двусторонним питанием следует предусматривать высокочастотные и продольные дифференциальные защиты.
Для линий 110-220 кВ рекомендуется осуществлять основную защиту с использованием высокочастотной блокировки дистанционной и токовой направленной нулевой последовательности защит, когда это целесообразно по условиям чувствительности (например, на линиях с ответвлениями) или упрощения защиты.
При необходимости прокладки специальногокабеля использование продольной дифференциальной защиты должно быть обосновано технико-экономическим расчетом.
Для контроля исправность вспомогательных проводов защиты должны быть предусмотрены специальные устройства.
3.2.116. При выполнении основной защиты по 3.2.115 в качестверезервных следует применять:
от многофазныхКЗ, как правило, дистанционные защиты, преимущественно трехступенчатые;
от замыканий на землю ступенчатые токовые направленные или ненаправленные защиты нулевой последовательности.
На случай длительного выведения из действия основной защиты, указанной в 3.2.115, когда эта защита установлена по требованию быстроты отключения повреждения (см. 3.2.108), допускается предусматривать неселективное ускорениерезервной защиты от замыканий между фазами (например, с контролем значения напряжения прямой последовательности).
По НТП:
9.9.2 Вкачествеосновной быстродействующей защиты необходимо применять один из следующих вариантов:
1) продольную дифференциальную защиту (ДЗЛ);
2) дифференциально-фазную (ДФЗ) защиту;
3) защиту с высокочастотной блокировкой (направленная высокочастотная фильтровая защита);
4) комплект ступенчатых защит с передачей блокирующих или разрешающих сигналов.
9.9.3 Установка второй быстродействующей защиты предусматривается на особоответственных линиях напряжением 110-220 кВ, если при отказе срабатывания или выводе из действия основной быстродействующей защиты отключениекороткого замыкания на линии резервной защитой с выдержкой времени может привести к нарушению устойчивости нагрузки, к нарушению технологии особоответственных производств, надежной работы атомных станций, а также требований экологии. Двеосновные быстродействующие защиты должны устанавливаться на кабельных и кабельно-воздушных линиях, а также на воздушных линиях в местах массовой застройки.
В качестве второй быстродействующей защиты может быть использован комплект ступенчатых защит с передачей разрешающих или блокирующих сигналов. Для обеспечения взаимодействия полукомплектов быстродействующих защит должны использоваться высокочастотныеканалы связи (ВЧКС), кабельные линии связи (КЛС) и волоконно-оптические линии связи (ВОЛС). При наличии ВОЛС предпочтение следует отдавать варианту с ДЗЛ. Необходимо, чтобы ступенчатые защиты также входили в терминалы ДФЗ и ДЗЛ.
В зависимости от типа и количества каналов связи между подстанциями необходимо использовать один из следующих вариантов исполнения защит ЛЭП 110-220 кВ:
- ЛЭП с одной быстродействующей защитой (ВЧКС):
- ДФЗ с функциями ступенчатых защит + КСЗ
- КСЗ с передачей блокирующих или разрешающих сигналов + КСЗ
- ЛЭП с одной быстродействующей защитой (ВОЛС)
- ДЗЛ с функциями ступенчатых защит + КСЗ
- ЛЭП с двумя быстродействующими защитами (2 ВЧКС)
- ДФЗ с функциями ступенчатых защит + КСЗ с передачей блокирующих или разрешающих сигналов
- КСЗ с передачей разрешающих сигналов + КСЗ с передачей блокирующих сигналов
- ЛЭП с двумя быстродействующими защитами (2 ВОЛС)
- ДЗЛ с функциями ступенчатых защит + ДЗЛ с функциями ступенчатых защит
- ЛЭП с двумя быстродействующими защитами (ВОЛС + ВЧКС)
- ДЗЛ с функциями ступенчатых защит + КСЗ с передачей блокирующих или разрешающих сигналов
- ДЗЛ с функциями ступенчатых защит + ДФЗ с функциями ступенчатых защит.
9.9.4 Комплект ступенчатых защит должен содержать дистанционную и токовую направленную защиту нулевой последовательности. Отдельные (по выбору) ступени дистанционной защиты должны блокироваться при качаниях.
9.9.5. Должна предусматриваться возможность оперативного и автоматического ускорения ступенчатых защит и выбора ускоряемых ступеней.
9.9.7. Защиты, имеющие цепи напряжения, неисправность которых приводит к ложному отключению, должны блокироваться при нарушении цепей напряжения.
Автоматика.
По ПУЭ:
3.3.2. Устройства АПВ должны предусматриваться для быстрого восстановления питания потребителей или межсистемных и внутрисистемных связей путем автоматического включения выключателей, отключенных устройствами релейной защиты.
Должно предусматриваться автоматическое повторное включение:
- воздушных и смешанных (кабельно-воздушных) линий всех типов напряжением выше 1 кВ.
3.3.4. При применении АПВ должно, как правило, предусматриваться ускорение действия релейной защиты на случай неуспешного АПВ. Ускорение действия релейной защиты после неуспешного АПВ выполняется с помощью устройства ускорения после включения выключателя, которое, как правило, должно использоваться и при включении выключателя по другим причинам (от ключа управления, телеуправления или устройства АВР). При ускорении защиты после включения выключателя должны быть приняты меры против возможногоотключения выключателя защитой под действием толчка тока при включении из-за неодновременного включения фаз выключателя.
3.3.6. Могут применяться, как правило, устройства ТАПВ однократного или двукратного действия (последнее - если это допустимо по условиям работы выключателя). Устройство ТАПВ двукратного действия рекомендуется принимать для воздушных линий, в особенности для одиночных с односторонним питанием.
3.3.9. На линиях, отключениекоторых не приводит к нарушению электрической связи между генерирующими источниками, например на параллельных линиях с односторонним питанием, следует устанавливать устройства ТАПВ без проверки синхронизма.
3.3.19. Устройства АПВ с проверкой синхронизма следует выполнять на одном конце линии с контролем отсутствия напряжения на линии и с контролем наличия синхронизма, на другом конце - только с контролем наличия синхронизма. Схемы устройства АПВ с проверкой синхронизма линии должны выполняться одинаковыми на обоихконцах с учетом возможности изменения очередности включения выключателей линии при АПВ.
Рекомендуется использовать устройство АПВ с проверкой синхронизма для проверки синхронизма соединяемых систем при включении линии персоналом.
- Интеллектуальное электронное устройство дифференциальной защиты линии RЕD670 серии Rеliоn® 670
Защита линии с числом концов до пяти.
ИЭУ RЕD670 обеспечивают пофазнонезависимую дифференциальную защиту линии с числом концов от 2 до 5 в сетях с глухозаземленной или заземленных через сопротивление нейтралью, включая сети с продольной компенсацией. Все фазные токи в полуторной схеме и схеме с несколькими выключателями можно подключать к RЕD670 без внешнего суммирования. Поэтому каждый ток измеряется независимо, что исключает потерю данных. При этом повышается селективность функции дифференциальной защиты линии и также предоставляется возможность выполнения защиты и управления выключателя.
В зону защиты RЕD670 могут входить двух- или трехобмоточные силовые трансформаторы. При этом в функции дифференциальной защиты линии будет выполняется компенсация фазового сдвига в соответствии с векторной группой силового трансформатора, также с помощью дополнительных уставок будут учтены и другиеособенности защиты трансформатра. Данная адаптация облегчает инжиниринг, поскольку не требует установки промежуточных выравнивающих трансформаторов тока или дополнительногооборудования защиты. С целью обеспечения лучшей чувствительности дифференциальной защиты в момент постановки трансформатора, входящего в зону защиты, под напряжение, используются усовершенствованные методы распознавания режима броска тока намагничивания.
Защита трансформатора небольшой мощности на отпайке линии выполняется без установки дополнительного устройства RЕD670. При выявлении повреждений за отпаечным трансформатором дифференциальная защита срабатывает с независимой или обратнозависимой выдержкой времени. Этообеспечивает селективное срабатывание других функций защиты трансформатора отпайки, подключенных на керны ТТ сторон высшего или низшего напряжений. Широкий набор функций резервных защит для воздушных и кабельных линий Наличие в RЕD670 четырех зон дистанционной защиты позволяет обеспечить защиту линии в случае повреждения канала связи. Полносхемная дистанционная защита обеспечивает независимый выбор фазы, обнаружениекачаний мощности и различные варианты логики схем связи.
Дистанционная защита дополнена функцией отстройки от нагрузки, улучшающей распознание повреждений через высокое активное сопротивление на сильно нагруженных линиях. Дополнительные функции резервных защит и защиты широкого назначения позволяют повысить функциональность устройств RЕD670. Разнообразные функции максимальнойтоковой защиты и защиты от тепловой перегрузки обеспечивают дополнительную резервную защиту. Функция резервирования при отказах выключателя позволяет выполнитьотключение смежных выключателей и повторноеотключение“своего” выключателя, например, чтобы избежать ошибок вовремя наладки. Имеется готовая логика схем связи с удаленным концом линии для функций направленной максимальнойтоковой защиты по нулевой последовательности и направленной максимальной токовой защиты пообратной последовательности.
В дополнениек функциям максимальной токовой защиты на полные токи и токи нулевой последовательнсти, устройства RЕD670 обеспечивают МТЗ пообратной последовательности. Функция распознает все несимметричныеКЗ на землю и междуфазныеКЗ. Для данной функции характерна высокая чувствительность, что позволяет обнаружить КЗ с низким током. Функция МТЗ пообратной последовательности имеет орган направленности, что упрощает согласование с защитой для другихобъектов. Четырехступенчатая МТЗ пообратной последовательности может выполнять функцию резервной защиты для большинства видов КЗ. В ряде случаев, ее можно применять в качествеосновной защиты при КЗ на землю и других несимметричныхКЗ.
ИЭУ RЕD670 разработаны на основе идеологии стандарта МЭК 61850, выполняя всеегоосновные аспекты, тем самым обеспечивая открытую, модернизируемую и гибкую архитектуру системы, которые положены в основу стандарта. Устройства характеризуются широким функциональным составом и возможностью наращивания модулей входов/выходов. В результате Вы можете получить наиболее эффективноерешение, содержащее многочисленные алгоритмы функций защиты и управления присоединением, например, улавливания синхронизма, контроля синхронизма, обнаружениеобесточенной линии, а также АПВ, реализуемое в одном или нескольких ИЭУ.
Представим в таблице выбранные защиты по НТП, ПУЭ и функции, выполняемые выбранными блоками.
Таблица 22. Виды РЗиА для ВЛЭП 110 и 220 кВ
|
Виды защит по ПУЭ |
Используемые функции блока |
|
RЕD 670
RЕL 670
|
4.9 Выбор защиты шин 110-220 кВ
4.9.1 Виды защит, устанавливаемых на шины 110-220 кВ
В соответствии с п. 3.2.119, для сборных шин 110 кВ и выше электростанций и подстанций отдельные устройства релейной защиты должны быть предусмотрены для двух систем шин.
В соответствии с п. 3.2.121, в качестве защиты сборных шин электростанций и подстанций 35 кВ и выше следует предусматривать, как правило, дифференциальную токовую защиту без выдержки времени, охватывающую все элементы, которые присоединены к системе или секции шин.
3.2.122. Для двойной системы шин электростанций и подстанций 35 кВ и выше с одним выключателем на присоединенный элемент дифференциальная защита должна быть предусмотрена в исполнении для фиксированногораспределения элементов.
В защите шин 110 и 220 кВ следует предусматривать возможность изменения фиксации при переводе присоединения с одной системы шин на другую на рядах зажимов.
В соответствии с п. 3.2.123, дифференциальная защита, указанная в 3.2.121, должна быть выполнена с устройством, контроля исправности вторичных цепей задействованных трансформаторов тока, действующим с выдержкой времени на вывод защиты из работы и на сигнал.
В соответствии с п. 3.2.128, защиту шин следует выполнять так, чтобы при опробовании поврежденной системы или секции шин обеспечивалось селективноеотключение системы (секции) без выдержки времени.
Устройство RЕB670 предназначено для защиты и мониторинга системы шин, Т-схем подключения, ошиновок среднего, высокого и сверхвысокого напряжения. Расширяемоеколичество входов/выходов устройства RЕB670 позволяет выполнить защиту распределительного устройства с одной и двумя системами шин с/безобходной, системы шин с двумя выключателями на одну цепь или с тремя выключателями на две цепи.
ИЭУ RЕB670 обеспечивает селективную, надежную и быстродействующую защиту от всех видов внутренних междуфазныхКЗ и КЗ на землю в сетях с глухозаземленной нейтралью или нейтралью, заземленной через небольшое сопротивление. Также, данное устройство может применяться для защиты шин от междуфазныхКЗ в сетях с изолированной или заземленной через большое сопротивление нейтралью. RЕB670 является устройством централизованной защиты шин, выполняющее, в дополнениек дифференциальной защите, динамический выбор зоны на основе положения шинныхразъединителей (определяется с помощью вспомогательныхконтактов).
Оптимальные возможности
В одном ИЭУ RЕB670 реализованы разнообразные алгоритмы защит. Имеются две функции дифференциальной защиты: одна основная, другая с чувствительным органом срабатывания. Последняя предназначена для обнаружения
внутреннихкоротких замыканий на землю в энергосистемах с малыми токами замыкания на землю, например, в энергосистемах, в которых токкороткого замыкания на землю ограничен определенным уровнем, обычно между 300 и 2000 А первичного тока из-за реактора или резистора, включенного между нейтралью сети и землей. Данный чувствительный орган может также использоваться в специальных случаях, например, при опробовании обесточенной системы шин от одной протяженной ЛЭП в случае малых токов внутренних повреждений на шине.
Алгоритм измерения токов в RЕB670 гарантирует устойчивость (отсутствие излишнего срабатывания) работы защиты в случаеобрыва вторичных цепей ТТ. После устранения проблем во вторичных цепяхТТ, в RЕB670 необходимо подать команду ручного снятия блокировки защиты (квитирования). Данная функция контроля вторичных цепей ТТ может инициировать активизацию предупредительной сигнализации и пускосциллографа.
Встроенная функция контроля общей зоны (зоны неизбирательного действия), т.е. области, включающей обе зоны дифференциальной защиты (так называемый пусковой орган), предусмотрен для распределительных устройств с двойной системой шин, когда возможен динамический перевод присоединений с одной в другую зону защиты (систему шин).
Представим в таблице выбранные защиты по НТП, ПУЭ и функции, выполняемые выбранными блоками.
Таблица 23. Виды РЗиА для СШ 110 и 220 кВ
|
Виды защит по ПУЭ |
Используемые функции блока |
|
RЕB 670
|
Для регистрации аварий, на подстанции устанавливаются регистраторы аварий АУРА.
- Назначение и принцип действия.
АУРА - автоматическое устройстворегистрации аварий. Выпускается с 1991 года ТОО "Свей", г. Екатеринбург.
Устройство предназначено для регистрации электрических величин (аналоговых и дискретных) в аварийныхрежимахработы объектов энергетики и оперативногоконтроля в нормальном режиме.
Предусмотрена возможность обработки (просмотра) результатов регистрации при помощи ПК и распечатка результатов измерений на принтере.
Основная концепция построения устройства АУРА: скорость поступления оцифрованной входной информации не превышает скорости записи информации на винчестер.
Реализация данной концепции позволила получить устройство, в котором информация записывается в реальном времени непосредственно на винчестер, без промежуточного накопления в оперативной памяти, что исключает потерю информации при многократных последовательных пусках и обеспечивает нулевое время повторной готовности.
Длительность непрерывной записи ограничена толькоемкостью винчестера.
Длительность непрерывной записи является одним из важнейших параметров цифровыхосциллографов, таккакобеспечивает запись серии последовательных пусков, которые возникают, как правило, при развитии сложных аварий, особо нуждающихся в регистрации.
В соответствии с этим, построена и логика пусковыхорганов устройства АУРА. При возникновении повторных пусков во время регистрации аварийного процесса АУРА начинает новый отсчет времени с момента последнего пуска, тоесть, длительность записи при этом увеличивается.
Информация об аварии представляется в видеосциллограмм (действующие значения величин, фазы, интервалы времени) и векторных диаграмм (действующие значения трех фаз, симметричные составляющие). Векторные диаграммы строятся только при наличии всех трех фаз величин.
4.9.2 Шиносоединительный выключатель 110/220 кВ
3.2.129 /4/. На шиносоединительном выключателе 110 кВ и выше должны быть предусмотрены защиты (используемые для разделения систем или секций шин при отсутствии УРОВ или выведении его или защиты шин из действия, а также для повышения эффективности дальнегорезервирования):
- двухступенчатая токовая защита от многофазныхКЗ;
- трехступенчатая токовая защита нулевой последовательности от замыканий на землю.
Допускается установка более сложных защит на шиносоединительном (секционном) выключателе, если это требуется для повышения эффективности дальнегорезервирования
9.13.1 /7/ На ШСВ должна быть предусмотрена ступенчатая защита от междуфазных и от однофазных замыканий.
Автоматика
Из общегораздела порелейной защите пункт 3.2.18 для общего повышения надежности на всех электроустановках предусматривается устройстворезервирования при отказе выключателей (УРОВ) для осуществления ближнегорезервирования.
Согласно пункту 3.3.30 на секционном выключателе применяется согласованное с АПВ шин устройство АВР, которое предусматривается для восстановления питания потребителей путем автоматического присоединения резервного источника питания при отключении рабочего источника питания, приводящем кобесточиванию электроустановок потребителя.
Для реализации автоматики и защиты секционного выключателя используем терминал защиты, автоматики и управления шиносоединительного выключателя SРАС 810-С.
Таблица 24. Виды защит на шиносоединительном выключателе.
|
Виды защит по ПУЭ |
Функции блока |
дистанционная защита (ДЗ)
|
SРАС 810-С: 1) ДЗ-3 ст; 2) АПВ шин 110 и 220 кВ; 3) АУВ; 4) ТНЗНП-4 ст; 5) УРОВ со стороны ВН и ВН; 6) МТЗ-1ст. |
5.СОБСТВЕННЫЕ НУЖДЫ ПОДСТАНЦИИ
Собственные нужды важный элемент подстанций. Повреждения в системе собственных нужд могут привести к нарушению работы основногооборудования и возникновению аварий.
Подстанции могут проектироваться с постоянным дежурным персоналом, с выездным персоналом и автоматизированные подстанции без персонала. Учитывая, что высшее напряжение подстанции 220 кВ, примем, что на подстанции будет постоянный дежурный персонал.
Потребители собственных нужд подстанций делятся наответственных и неответственных. Кответственным механизмам относят те, выход из строя которых может привести к нарушению нормальной работы или возникновению аварии на подстанции. Такими механизмами являются система охлаждения силовых трансформаторов, сети аварийногоосвещения, система пожаротушения, система подогрева приводов разъединителей и подогрева шкафов КРУ, система оперативного управления, связи и телемеханики, подогрев выключателей.
Кроме того, потребителями собственных нужд подстанции являются зарядно-подзарядные агрегаты аккумуляторной батареи, которая служит источником оперативного тока, таккакоперативный ток на подстанции постоянный, освещение, отопление, вентиляция ЗРУ, ОПУ (объединенный пункт управления), освещениеКРУЭ такжеотносятся к потребителям собственных нужд.
Мощность потребителей собственных нужд невелика, нет мощных электродвигателей, поэтому механизмы собственных нужд присоединяются к сети 0,4 кВ, которая получает питаниеот понижающих трансформаторов.
На двухтрансформаторных подстанциях 35 750 кВ устанавливается не менее двух трансформаторов собственных нужд, тоесть на проектируемой подстанции будет два трансформатора собственных нужд.
Мощность трансформаторов собственных нужд должна выбираться в соответствии с нагрузками собственных нужд в разныхрежимахработы подстанции с учетом коэффициентов одновременности и загрузки, а также с учетом перегрузочной способности трансформаторов в послеаварийном режиме. Однако, когда неизвестна точная нагрузка собственных нужд, то допустимо принимать мощность трансформатора собственных нужд равной 0,5% от мощности силового трансформатора:
,
гдеSТСН мощность трансформатора собственных нужд, кВА;
SТР мощность силового трансформатора, кВА.
кВА.
Для подстанции 110220 кВ мощность каждого трансформатора собственных нужд не должна превышать 630 кВА, что в нашем случае не выполняется. Следовательно, к установке принимаем два трансформатора собственных нужд типа ТСЗ-630/10.
По справочнику выбираем трансформатор сухой типа ТСЗ-630/10. Каталожные данные трансформатора приведены в таблице 25.
Таблица 25.Каталожные данные трансформатора ТСЗ-630/10
|
Параметр трансформатора |
Символ |
Значение |
|
Номинальная мощность |
SН.Т. |
630 кВА |
|
Напряжениеобмотки ВН |
UВН |
10 кВ |
|
Напряжениеобмотки НН |
UНН |
0,4 кВ |
|
Потери холостогохода |
РХ |
1320 Вт |
|
Потери короткого замыкания |
РК |
5500 Вт |
|
Напряжениекороткого замыкания |
uК |
6 % |
|
Токхолостогохода |
iХ |
1,6 % |
Схема подключения трансформаторов собственных нужд зависит от вида оперативного тока подстанции. Оперативный ток на подстанции может быть постоянным, выпрямленным или переменным. Постоянный оперативный ток должен применяться на всех подстанциях 330 кВ и выше, а также на подстанциях 110 220 кВ при числе выключателей на стороне ВН три и более. Следовательно, на проектируемой подстанции будет постоянный оперативный ток, таккак на стороне ВН установлено более трех выключателей /7/. Источником постоянногооперативного тока служит аккумуляторная батарея.
Поскольку подстанция с постоянным оперативным током, трансформаторы собственных нужд подключаются к сборным шинам распределительного устройства 10 кВ. Схема подключения трансформаторов собственных нужд показана на рисунке 10.
Рисунок 10. Схема питания собственных нужд подстанции
Таккак мощность трансформаторов собственных нужд больше 200 кВА, ток сборным шинам 10 кВ они подсоединяются через выключатели. На стороне низшего напряжения трансформаторы собственных нужд включаются через автоматы (автоматические воздушные выключатели). Шины 0,4 кВ секционируются. Мощные потребители 0,4 кВ также подключаются через автоматы, остальные через предохранители.
6АВТОМАТИЧЕСКАЯ СИСТЕМА УПРАВЛЕНИЯ ТЕХНОЛОГИЧЕСКИМ ПРОЦЕССОМ (АСУ ТП)
6.1 Структура АСУ ТП подстанции
Структура АСУ ТП ПС должна строиться на основе следующихобщих принципов:
- интегрированность (единство) системы;
- автономность подсистем;
- иерархичность архитектуры системы;
- функциональная и территориальная децентрализация (в том числе, распределенность);
- расширяемость и открытость;
- возможность координации со смежными системами и автоматизированными системами диспетчерского и технологического управления вышестоящего уровня иерархии (энергосистемы, электросетевых предприятий).
В АСУ ТП подстанцией входят следующие подсистемы /13/:
- информационная;
- оперативного управления (ОУ);
- автоматического управления (АУ);
- передачи и приема информации (ППИ);
- связи;
- релейной защиты;
- диагностики состояния основного электрооборудования;
- автоматизации и контроля собственных нужд.
Наиболее многочисленную часть всего электросетевогохозяйства составляют необслуживаемые подстанции, ккоторым относится и реконструируемая подстанция. Подстанции данного типа можно условноразбить на две группы: подстанции с традиционным оборудованием и подстанции с использованием (целиком или частично) современных микропроцессорных цифровых устройств релейной зашиты и автоматики (ЦРЗА).
Типовая структура АСУ ТП необслуживаемой подстанции включает небольшое число функциональныхконтроллеров для связи с объектом и ЦРЗА, концентратор и модем для связи с вышестоящим уровнем управления. Схема комплекса технических средств (КТС) включает два ФК (число их может быть больше и меньше, в зависимости от количества ОРУ на подстанции и их территориальногорасположения), систему единого времени (СЕВ) с приёмником сигналов GРS, концентратор и сервер, совмещённый с рабочей станцией. ЛВС выполнена на ВОЛС со скоростями передачи 10-100 Мб/с. Подключение ЦРЗА выполнено на оптоволоконных линиях связи петлевой структуры. Рабочая станция предусматривается здесь для отладочных и испытательныхрежимов.
Нижний уровень АСУ ТП подстанции может быть выполнен практически полностью на устройствах цифровой защиты. В этом случае цифровые защиты используются не только по своей основной функции, но и являются средством измерения и передачи информации в функциональныеконтроллеры, а оттуда по модемным каналам на верхний уровень. Подлежит передаче информация о текущих электрических параметрах нормальногорежима, о срабатываниях защит и предупредительной сигнализации. КТС предоставляет возможность управления параметрами защит, а такжеручное управление выключателями. Перечень выполняемых функций варьируется в широких пределах и определяется возможностями, предусмотренными фирмой-изготовителем защиты в протоколеобмена.
Второй вариант КТС необслуживаемой подстанции представляет собой типовой вариант КТС полномасштабной АСУ ТП ПС в случае полной модернизации подстанции, заключающейся в замене всех традиционных защит на микропроцессорные и переходена микропроцессорные УСО.
Подключение устройств ЦРЗА к АСУ ТП может производиться разными способами. При небольшом числе защит в данном территориальнообособленном объекте подстанции (например, в отдельном ОРУ может присутствовать три четыре устройства РЗА), всеони могут быть подключены к функциональному контроллеру порадиальной схеме. Эта схема при небольшом числе защит оказывается достаточно экономичной, но в то же время обладает повышенной надёжностью, поскольку при выходе из строя одногокабеля теряется связь только с одной защитой.
При большом числе защит в одном территориальнообособленном объекте (обычно число устройств ЦРЗА в одном ОРУ 10-40), обслуживаемом данным функциональным контроллером, болеерационально использование петлевой схемы подключения ЦРЗА. В петлевой схеме ввод информации осуществляется по интерфейсам RS-485 или RS-422. Связь может производиться по электрическому кабелю с витой парой или пооптоволоконному кабелю. Петлевая схема позволяет резко сократить затраты на кабели подключения защит, но при повреждении петли теряется связь сразу со всеми защитами данной петли.
6.2 Интеграция средств РЗА и автоматизированного управления
МП устройства РЗА помимо выполнения основной функции защиты электротехническогооборудования от повреждений, являются естественным источником информации, необходимой для решения многих функциональных задач АСУ ТП, такихкак задачи регистрации и сигнализации различных событий, оперативного и ретроспективного анализа технологических ситуаций, в том числе правильности работы устройств РЗА (и противоаварийной автоматики), цифровогоосциллографирования технологических переменных в аварийныхрежимах.
В связи с этим при реконструкции или создании АСУ ТП подстанций необходимо стремиться к интеграции устройств РЗА со средствами управления в нормальных и аварийныхрежимах в рамкахединого ПТК АСУ ТП. Возможность и простота подобной интеграции является одним из существенных факторов, учитываемых при выборе ПТК, используемого в качестве базового.
Действительно, интеграция современных микропроцессорных средств РЗА в составеединой системы управления является характерным признаком лучших зарубежных специализированных ПТК, ориентированных на создание АСУТП электроэнергетическихобъектов, указанным свойством обладают ПТК всех ведущих фирм отрасли: Siеmеns, АВВ, Аlstоm, и другие. Причем интеграция обеспечивается, как правило, на программно-аппаратном уровне внутри однородного ПТК, реализующегоодновременно функции и РЗА, и других базовых подсистем АСУ ТП подстанции.
Важным достоинством таких интегрированных систем управления является характерное для современных систем удобствообслуживания эксплуатационным персоналом подстанции всего парка программно-технических средств системы с использованием специальных инструментальных программных средств.
В случае использования на подстанции МП терминалов разных фирм, какотечественных, так и зарубежных, задача интеграции МП устройств РЗА должна решаться на основе использования международных протоколов информационнообмена. Однако это необходимое, но недостаточное условиерешения задачи интеграции, таккак в подобных случаях могут возникать проблемы стыковки разнородных МП устройств, что требует разработки соответствующего программнообеспечения и, как следствие, увеличивает стоимость реализации системы управления. В связи с этим, целесообразно на подстанциях строить интегрированные АСУТП на базеоднородных ПТК.
6.3 Программно-технический комплекс на базе цифровых устройств релейной защиты и телемеханики ПТК "ЗАЩИТА-2"
ПТК «Защита-2» автоматизированная система оперативно-диспетчерского управления (АСОДУ). Источниками информации на нижнем уровне и приемниками команд управления от верхнего уровня являются цифровые устройства РЗА, цифровые устройства телемеханики и регистраторы аварийных процессов.
Назначение
ПТК «Защита-2» предназначен для решения задач телеизмерения, телеуправления и телесигнализации для электрической части энергообъекта, а также для хранения и анализа собранной исторической информации.
Верхний уровень
Автоматизированныерабочие места, серверы хранения данных, сетевоеоборудование, устройства удаленной связи с объектом (модемы, ВЧ аппаратура, GРRS и т.д.)
Нижний уровень
Цифровые блоки релейной защиты и автоматики ЦРЗА, цифровые измерительные преобразователи (ИП), устройства сопряжения с объектом УСО (функции ТУ, ТИ, ТИИ, ТС), регистраторы аварийных процессов и событий РАПС, функциональныеконтроллеры ФК, сетевоеоборудование. Всеоборудование нижнего уровня имеет промышленное исполнение и предназначено для работы в расширенном температурном диапазоне.
Гибкая структура ПТК «Защита-2» позволяет:
- конфигурировать комплекс для решения задач;
- наращивать комплекс, добавляя при необходимости терминалы нижнего (ЦРЗА, УСО, РАПС) и верхнего (АРМы) уровней;
- включать в комплексе АИИС ТУЭ (технический учет) энергообъекта;
- включать ПТК «Защита-2» в более высокие уровни АСУ энергообъекта (АСУ ТП, АСОДУ).
Функции ПТК
- сбор, архивирование и отображение информации от блоков ЦРЗА, ИП, УСО и РАПС о нормальныхрежимах и аварийных процессах;
- дистанционное управлениекоммутационным оборудованием через ЦРЗА и УСО;
- решение задач телемеханики (телеизмерение, телеуправление, телесигнализация) средствами цифровых преобразовательных устройств сопряжения с объектом УСО;
- осциллографирование аварийных процессов средствами цифровыхрегистраторов;
- поддержание системы единого времени (СЕВ) во всех узлахкомплекса;
- работа ПТК в составе АСУ энергообъекта.
ПТКобеспечивает:
- динамическоеотображение на АРМ информации о состоянии коммутационногооборудования;
- динамическоеотображение на АРМ текущих значений аналоговых величин и состояний дискретных сигналов, контролируемых блоками ЦРЗА, ИП и УСО;
- отображение на АРМ информации о пусках и срабатываниях защит блоков ЦРЗА;
- отображение на АРМ параметров аварийных событий и осциллограмм, зарегистрированных блоками ЦРЗА, УСО и РАПС;
- просмотр полученной от блоков ЦРЗА и УСО информации в табличных и графических формах, в виде мнемосхем, ведомостей событий, аварийно-предупредительной организации;
- дистанционное чтение и редактированиеконфигурации ЦРЗА и УСО (уставки, ключи и т.д.);
- дистанционное управлениекоммутационным оборудованием (включение/отключение) выключателя и др.);
- ведение долговременного архива событий комплекса, журнала действий операторов аварийной информации и другой вспомогательной документации;
ПТК «Защита-2» представляет пользователю в визуальной форме на экранах АРМ:
- мнемосхемы объектов, с отображением происходящих изменений;
- текущие значения параметров, контролируемыхоборудованием нижнего уровня;
- диаграммы, осциллограммы и другую информацию о переходных, аварийных и ненормальных процессах и режимах, дублируемую световой и звуковой сигнализацией (вызывная и предупредительная сигнализация);
- накопительную информацию (количество пусков и срабатывания защит и их ступеней, количество циклов (успешных и неуспешных) АПВ, количествоотключений выключателей, суммарное значение токов в фазах при отключении выключателей, максимальные значения токов, напряжений) и др.;
- историческую информацию в виде журналов событий, журналов действий операторов, журналов аварийной информации, журналов осциллограмм;
- вспомогательную информацию (сведения об используемых блоках ЦРЗА, УСО, РАПС, оборудовании объекта, выключателях, схемах переключений, порядкеработы с ПТК «Защита-2»).
Эффект от внедрения ПТК «Защита-2» проявляется в:
- увеличении экономической эффективности отпуска (потребления) электроэнергии за счет внедрения системы эффективногоее учета, в том числе с помощью АСКУЭ;
- повышениикачества и бесперебойности электроснабжения в результатеобеспечения быстрого доступа ко всем бланкам переключений;
- повышениикачества, эффективности и дисциплины труда персонала за счет внедрения современных информационных технологий;
- повышениикачества управления энергообъектом, обеспечиваемом доступностью информации о состоянии объекта и действияхоперативного персонала руководящему персоналу;
- обеспечении удаленного доступа к информации о состоянии объектов.
Непрерывный автоматический контроль состояния оборудования, информирование персонала оегорезультатах и необходимости превентивноговыведения оборудования из работы, позволяет снизить риск возникновения тяжелых аварий оборудования и обеспечить своевременное проведениеегоремонта или замены.
6.3.1 Структура ПТК «Защита 2»
Структурная схема ПТК «Защита2» приведена на рисунке 11.

Рисунок 11. Структурная схема ПТК «Защита2»
Связь с ФКосуществим поканалу связи ВОЛС.
Для организации сети передачи данных с использованием волоконно-оптическогокабеля необходимо:
- установить на все устройства преобразователи ПЭО-ТТЛ.
- организовать кольцевую топологию сети (информационная петля), соединив последовательно выход одного электронно-оптического преобразователя (ПЭО) с входом другого для всех устройств ЦРЗА (“ведомые”);
- вход и выход сформированной информационной петли присоединить к ФК (или ПЭВМ);
Данные структуры позволяют организовать полноценную АСУ на базе устройств ЦРЗА и УСО.
При таких построениях сети, пользователь АРМ верхнего уровня получает все возможности предоставляемые современными SСАDА системами:
- динамическоеотображение на АРМ информации о состоянии коммутационногооборудования;
- динамическоеотображение на АРМ текущих значений аналоговых величин и состояний дискретныхсигналовконтролируемых блоками ЦРЗА и УСО;
- отображение на АРМ информации о пусках и срабатываниях блоков ЦРЗА;
- отображение на АРМ параметров аварийных событий и осциллограмм, зарегистрированных блоками ЦРЗА, УСО и РАПС;
- просмотр полученной от блоков ЦРЗА и УСО информации в табличных и графических формах, в виде мнемосхем, ведомостей событий, аварийно-предупредительной сигнализации;
- дистанционное чтение и редактированиеконфигурации ЦРЗА и УСО (уставки, ключи и т.д.);
- дистанционное управление положением коммутационногооборудования (включение/отключение выключателей и др.);
- ведение долговременного архива событий комплекса, журнала действий операторов и другой вспомогательной информации;
- поддержание системы единого времени (СЕВ) во всех узлахкомплекса;
Назначение преобразователя ПЭО ТТЛ.
Преобразователь ПЭО ТТЛ предназначен для преобразования цифрового электрического сигнала уровня ТТЛ устройства цифровогорелейной защиты и автоматики (ЦРЗА) в оптический и обратно для волоконно оптических линий связи кольцевой топологии.
Назначение и область применения УСО МТ
Цифровые устройства сопряжения с объектом УСО-МТ и шкафы УСО-МТ предназначены для выполнения функций телемеханики в различных автоматизированных системах и обеспечивают:
- телеизмерение;
- телесигнализацию;
- телеуправление (в т.ч. с внутренней логикой).
Основные функции
- сбор информации от источников аналоговых сигналов (напряжения, тока, частоты, мощности, давления и т.п.).
- сбор информации от источников дискретных сигналов.
- передача собранной информации в АСУ энергообъекта.
- трансляция команд управления с верхнего уровня АСУ на различныекоммутационные аппараты (выключатели, разъединители, короткозамыкатели и др).
Дополнительные функции
- ведение журнала событий.
- осциллографирование с возможностью гибкой настройки условий пуска осциллографа и характеристик записываемыхосциллограмм.
- сигнализация о превышении допустимых значений контролируемых параметров с протоколированием.
- хранение в энергонезависимой памяти и передача в АСУ журнала событий и зарегистрированныхосциллограмм.
- выдача дискретных сигналов на основании внутренней логики.
При использовании программных и технических средств ПЭВМ или АРМ АСУ возможно выполнение следующих функций:
- объединение УСО-МТ в единую систему регистрации данных;
- отображение на мониторерегистрируемых УСО-МТ величин в виде мнемосхем, таблиц и графиков;
- распечатка регистрируемых УСО-МТ величин на принтере;
- ранжирование пользователей по уровню доступа к данным и конфигурированию УСО-МТ.
Таблица 26. Назначение блоков ЦРЗА и УСО, и устройств из состава ПТК
|
п/п |
Устройство |
Назначение |
Примечание |
|
1 |
Блоки ЦРЗА |
Сбор и предварительная обработка информации о подключенных электрических цепях, выдача информации о параметрах настройки ЦРЗА и об аварийных событиях, выдача команд управления. |
Основная функция блоков ЦРЗА релейная защита и автоматика выполняется всегда и независимоот подключения блоков вк ПТК. |
|
2 |
Блоки УСО |
Сбор и предварительная обработка информации об аналоговых и дискретных сигналах в подключенных электрических цепях, выдача телеметрической информации и команд управления |
Информация, неконтролируемая блоками ЦРЗА. |
|
3 |
ИП |
Сбор и предварительная обработка информации об аналоговых сигналах с нормированной погрешностью. |
|
|
4 |
ФК |
Информационный обмен с блоками ЦРЗА и УСО. Информационный обмен с АРМ и СДХ. Буферирование информации, полученной от блоков ЦРЗА и УСО при обрыве связи с АРМ и СДХ. Поддержаниеработы системы единого времени СЕВ. |
Обмен с блоками ЦРЗА и УСО выполняется по протоколу Mоdbus, а с АРМ и СДХ по протоколам TСР/IР. |
|
5 |
Сетевоеоборудование полевого уровня |
Объединение ФК, и блоков ЦРЗА и УСО в ЛВС нижнего уровня. |
Преобразователи интерфейсов, блоки питания, кабельноехозяйство. |
|
6 |
АРМ |
Вывод информации, полученной от ФК и СДХ, для оператора и прием от негокоманд управления и конфигурации для блоков ЦРЗА и УСО. Информационный обмен с ФК и СДХ. |
Общее название назначения АРМ предоставлениеопера-тору интерактивного интерфейса. |
|
7 |
СДХ |
Получение информации от ФК и АРМов, еехранение, обработка и предоставлениеоператору. |
|
|
8 |
Сетевоеоборудование верхнего уровня |
Объединение ФК, АРМ и СДХ в ЛВС верхнего уровня. |
Преобразователи интерфейсов, блоки питания для преобразователей интерфейсов, коммутаторы, кабельноехозяйство. |
|
9 |
ИБП |
Поддержаниеработы АРМ и СДХ при отключении электропитания. |
- Дисциплина допуска кработе с ПТК
В ПТКреализована развитая система дисциплины доступа. Для входа в систему необходимо ввести индивидуальный логин (имя) и пароль.
Каждый пользователь включается в одну из групп пользователей, обладающихопределенными правами. Принадлежность пользователя к той или иной группеопределяется по логину и паролю. После входа в систему пользователь может выполнять толькоразрешенныеему операции.
По умолчанию в системе предусмотрены группы:
- системный администратор (разрешено администрирование и конфигурирование ПТК);
- оператор-диспетчер (разрешено управление выключателями, ввод/вывод АВР и АПВ);
- релейщик (разрешен ввод уставок и конфигурации блоков);
- «наблюдатель» (разрешено чтение информации).
Права «наблюдателя» присвоены и всем другим группам пользователей.
При выходе из системы пользователь может ее заблокировать. Разблокировать систему может пользователь с уровнем доступа (привилегиями) не меньшим, чем у заблокировавшего пользователя.
6.4 Управление и сигнализация на подстанции
Под дистанционным управлением аппаратами понимается изменение положения аппарата на расстоянии с помощью электрическогокомандного сигнала. Командный сигнал формируется при воздействии на орган управления вручную и передается на исполнительный орган при помощи релейных схем.
Средства дистанционного управления коммутационными аппаратами (выключателями, разъединителями и заземляющими ножами) необходимы при ведении оперативных переключений в нормальныхрежимах и при ликвидации аварийных состояний. Подача управляющей команды осуществляется вручную оператором или от автоматических устройств, которые применяются для выполнения переключений в аварийных ситуациях.
Действие системы управления сопровождается работой устройств сигнализации, которые дают оперативному персоналу необходимую информацию о состоянии оборудования и срабатывании защиты и автоматики. Для предотвращения неправильныхопераций предусматриваются специальные блокировки.
Устройства управления, сигнализации и блокировок с соответствующими источниками питания образуют на подстанции систему вторичных цепей. К этой системеотносят также схемы автоматики, релейной защиты и технологическогоконтроля.
Управлениекоммутационными аппаратами
Оперативное управление на подстанции осуществляется дистанционно, тоесть путем подачи команды на элемент управления из точки, удаленной от управляемогообъекта. На территории подстанции сооружают общеподстанционный пункт управления (ОПУ), в нем размещается система АСУ ТП (АРМ) и панели релейной защиты.
На АРМ (монитор ПК) размещены все элементы контроля и сигнализации.
К системам дистанционного управления выключателями предъявляются следующие требования:
- Цепи управления должны допускать отключениевыключателякак с АРМ, так и по месту его установки;
- На АМР и в распределительном устройстве должна быть предусмотрена сигнализация положения выключателя (каждому положению соответствует свой цвет на мнемосхеме);
- Цепи управления (включения и отключения) должны иметь контрольные устройства, сигнализирующиеоб обрыве этих цепей;
- Управляющий импульс должен сниматься с исполнительного элемента после выполнения команды;
- Схема управления должна предусматривать блокировку от «прыгания», исключающую возможность при коротком замыкании многократных включений выключателя при одном командном импульсе;
- Схема должна предусматривать возможность не толькоручного управления, но и подачи соответствующего импульса от устройств релейной защиты и автоматики.
Команды дистанционного управления подаются с АРМ при помощи АСУ ТП путем нажатия клавиши мыши. Возможна также подача управляющего импульса от устройств автоматики и защиты.
Сигнализация на подстанции
Сигнализация, тоесть выдача дежурному персоналу информации о состоянии объекта, осуществляется с помощью автоматических устройств, выдающих сигнал при отклонении от нормальногорежима или нарушении нормального состояния первичной схемы, находящаяся в системе АСУ ТП.
Предусматриваются следующие виды сигнализации: положения коммутационных аппаратов, аварийная, предупреждающая, командная и сигнализация действия защиты и автоматики. Данная информация отображается на мнемосхеме подстанции (АРМ).
Блокировки
Различают два основных вида блокировок: блокировки безопасности и оперативные.
Блокировками безопасности называют устройства, предупреждающие вход лиц эксплуатационного или ремонтного персонала в камеры распределительных устройств или испытательногооборудования, в которых не исключена возможность прикосновения или опасного приближения к токоведущим частям или к частям оборудования, находящимся под напряжением. В качестве блокирующих устройств такихкамер применяют электрические замки, которые можноотпереть лишь при снятии напряжения с оборудования. Цепи питания оборудования высокого напряжения испытательныхкамероснащаются вспомогательными контактами, автоматически размыкающимися при открытии двери. В камеру КРУ после выкатывания тележек с оборудованием доступ к частям, остающимся под напряжением, предотвращается специальными металлическими шторками, закрывающимися автоматически.
Оперативные блокировки представляют собой устройства, препятствующие неправильным действиям персонала при осуществлении переключений в схемах электрических соединений. Наиболеераспространены оперативные блокировки от неправильныхопераций разъединителями.
Рассмотрим электромагнитную блокировку разъединителей с использованием электромагнитных замков. Если отключениеразъединителя разрешается (при отключенном выключателе), кконтактным гнездам замка подводится напряжениеот источника оперативного тока. Переносной ключ вставляется в гнезда замка, покатушкеключа протекает ток, и сердечникключа намагничивается. Запорный стержень замка соприкасается с намагниченным сердечником ключа. При помощи кольца вытягивают сердечник, а вместе с ним и стержень замка из блокировочного гнезда замокотпирается.
Электрическая схема питания электромагнитов блокировки выполняется, исходя из условий обеспечения разрешенного для данной первичной цепи порядка операций разъединителями.
Основные и заземляющие ножи каждогоразъединителя имеют механическую блокировку на приводе, вследствие чегоосновной нож нельзя включить, если замкнут заземляющий, и, наоборот, если замкнут рабочий нож, нельзя включить заземляющий.
При осуществлении блокировки необходимо исключить возможность ошибочного включения выключателя на заземленный участок цепи. Это требование удовлетворяется таким построением схемы электромагнитной блокировки, что включение заземляющего ножа поодну сторону выключателя возможно только при отключенном разъединителе по другую сторону, и, наоборот, включениеразъединителя поодну сторону выключателя разрешается при отключенном заземляющем ноже с другой стороны.
7ВЫБОР ИСТОЧНИКА ОПЕРАТИВНОГО ТОКА
В соответствии с НТП [2]:
6.3.1.1. На ПС напряжением 110 кВ (кромеотпаечных и тупиковых) и выше должна применяться система оперативного постоянного тока (система ОПТ, СОПТ) напряжением 220 В. Другие величины напряжений или другие виды оперативного тока (выпрямленный, переменный) на таких подстанциях (далее на ПС 110 кВ и выше) допускаются толькопо требованию заказчика. При этом заказчик должен дать требования для проектирования.
6.3.1.2. Система ОПТ должна интегрировать в единое целое:
источники питания в виде аккумуляторных батарей (АБ) и зарядно-подзарядных устройств (ЗПУ), работающих в режиме постоянного подзаряда;
приемно-распределительные щиты постоянного тока (ЩПТ) по числу АБ;
потребители постоянного тока (ППТ).
6.3.1.3. На ПС 110 кВ и выше систему ОПТ рекомендуется выполнять поодному из следующих вариантов:
централизованная две АБ для питания ППТ;
децентрализованная с установкой отдельных АБ, для питания ППТ одного или нескольких присоединений, расположенных в помещенияхрелейных щитов, приближенныхк первичному оборудованию.
6.3.1.7. Аккумуляторная батарея должна:
быть закрытого исполнения;
при работе в автономном режиме (при потере собственных нужд ПС) обеспечивать максимальныерасчетные толчковые токи после 2-часовогоразряда током нагрузки. Допускается, по требованию заказчика, увеличение времени автономной работы АБ. Величина этого времени должна быть указана в техническом задании.
6.3.1.8. На ПС 110 кВ и вышерекомендуется применять АБ со сроком службы не менее 20 лет.
6.3.1.10. Зарядно-подзарядные агрегаты (ЗПА) должны выбираться совместно с АБ для обеспечения всех требований, предъявляемых изготовителями АБ к ЗПА, необходимых для поддержания заявленного срока службы АБ и надежной её работы.
Установим на подстанции аккумуляторные батареи типа Vаrtаblос. Срок службы аккумуляторных батарей при соблюдении всех правил эксплуатации и монтажа (в соответствии с правилами Техническогоописания изготовителя) составляет не менее 20 лет.
Для выбора конкретной марки батареи необходимо провести расчет. Проведем его согласно /6/.
Для определения типа элемента аккумуляторной батареи необходимо знать нагрузку батареи в аварийном режимеIав. Она складывается из нагрузки постоянно подключенных потребителей Iп и временной нагрузки Iврпотребителей, подключаемых в аварийном режиме. При отсутствии точной информации, в приближенныхрасчетах можно принимать значения постоянно включенных нагрузок для подстанций 220кВ 30А.
Временную нагрузку для подстанций 220 кВ можно принять равной 70 А.
.
Для аккумуляторов Vаrtа тип определяют по допустимому току разряда при получасовом (часовом) режимеразряда:
.
По таблицехарактеристик элементов Vаrtаblоk выбираем тип аккумуляторной батареи Vb 2305, с А.
Число элементов батареи постоянное. Определяется, исходя из того, что в режиме постоянного подзаряда напряжение на щите постоянного тока должно быть не более 1,1 UНОМ, тоесть, 242 В. А напряжение на одном элементе при этом для Vаrtаblоkравно 2,23 В.
где общее число последовательных элементов.
Выбранный аккумулятор проверяется по наибольшему толчковому току:
,
где разрядный ток в режиме тридцатисекундногоразряда;
максимальный толчковый ток;
ток, потребляемый электромагнитными приводами выключателей, включающихся в конце аварийногорежима.
Учитывается одновременное включение двух выключателей на стороне НН. Ток потребляемый электромагнитом включения выключателя КРУЭ .
;
.
Выполним проверку батареи по допускаемому отклонению напряжения на шинах в условиях наибольшего толчкового тока.
По току разряда, отнесенному кодной пластине аккумулятора
,
где число положительных электродов.
Определим величину остаточногонапряжения на шинах (рисунок 12.) оноравно 1,77В.
Величина остаточного напряжения на шинах:
,

Рисунок 12. Характеристики элемента Vаrtаblос с пластинами
емкостью 50 ()Ач и 100 (----) Ач.
Определим отклонение напряжения на аккумуляторах:
.
Найденное значениесравнивается с допустимыми значениями отклонений напряжения с учетом потери напряжения в соединительныхкабелях /6/. Потерю напряжения в соединительном кабеле принимаем 5%.
dUЭМ = 86,9-5=81,5%.
Допустимоеотклонение напряжения для электромагнитов включения выключателя составляет 80110 %. Как видно, принятые аккумуляторные батареи обеспечивают необходимое напряжение.
8.БЕЗОПАСНОСТЬ ЖИЗНЕДЕЯТЕЛЬНОСТИ
8.1. Территория, компоновка и конструктивная часть подстанции
8.1.1. Основные габариты и разрывы, обеспечивающие
безопасность работ и осмотра оборудования наОРУ
В соответствии с ПУЭ:
п.4.2.45. В ОРУ 110 кВ и выше должен быть предусмотрен проезд для передвижных монтажно-ремонтных механизмов и приспособлений, а также передвижных лабораторий.
п.4.2.54. Наименьшиерасстояния в свету между неизолированными токоведущими частями разных фаз, от неизолированных токоведущих частей до земли, заземленныхконструкций и ограждений, а также между неизолированными токоведущими частями разных цепей следует принимать по таблице 27.
Таблица 27.
|
Номер рисунка |
Наименованиерасстояния |
Обозна- чение |
Изоляционноерасстояние, мм, для номинального напряжения, кВ |
||
|
10 |
110 |
220 |
|||
|
1 |
От токоведущих частей, элементов оборудования и изоляции, находящихся под напряжением, до протяженных заземленныхконструкций и до постоянных внутреннихограждений высотой не менее 2 м, а также до стационарных межячейковых экранов и противопожарных перегородок |
Аф-з |
200 |
900 |
1200 |
|
2 |
От токоведущих частей, элементов оборудования и изоляции, находящихся под напряжением, до заземленныхконструкций: головка аппарата-опора, провод-стойка, траверса, провод-кольцо, стержень |
200 |
900 |
1200 |
|
|
3 |
Между токоведущими частями разных фаз |
Аф-ф |
220 |
1000 |
2000 |
|
4 |
От токоведущих частей, элементов оборудования и изоляции, находящихся под напряжением, до постоянных внутреннихограждений высотой до 1,6 м |
Б |
950 |
1150 |
3000 |
|
5 |
Между токоведущими частями разных цепей в разных плоскостях при обслуживаемой нижней цепи и неотключенной верхней |
В |
960 |
1650 |
2400 |
|
6 |
От неогражденных токоведущих частей до земли или докровли зданий при наибольшем провисании проводов |
Г |
2900 |
3600 |
4500 |
|
7 |
Между токоведущими частями разных цепей в разных плоскостях, а также между токоведущими частями разных цепей по горизонтали при обслуживании одной цепи и неотключенной другой |
Д1 |
2200 |
2900 |
3600 |
|
8 |
От токоведущих частей до верхней кромки внешнего забора или до здания и сооружения |
Д |
2200 |
2900 |
3800 |

Рисунок 13. Наименьшиерасстояния в свету при гибких шинах между токоведущими и заземленными частями и между токоведущими частями разных фаз, расположенными в одной горизонтальной плоскости

Рисунок 14. Наименьшиерасстояния от токоведущих частей и элементов изоляции, находящихся под напряжением, до постоянных внутреннихограждений.

Рисунок 15.Наименьшиерасстояния между токоведущими частями разных цепей, расположенными в различных плоскостях с обслуживанием нижней цепи при неотключенной верхней

Рисунок 16. Наименьшиерасстояния по горизонтали между токоведущими частями разных цепей с обслуживанием одной цепи при неотключенной другой

Рисунок 17. Наименьшиерасстояния от неогражденных токоведущих частей и от нижней кромки фарфора изоляторов до земли

Рисунок 18. Наименьшиерасстояния от токоведущих частей до верхней кромки внешнегоограждения

Рисунок 19.Наименьшиерасстояния между токоведущими частями и зданиями и сооружениями
8.1.2. Основные требования к установке трансформаторов
В соответствии с требованиями ПУЭ:
п.4.2.205. Установка трансформаторов должна обеспечивать удобные и безопасные условия егоосмотра без снятия напряжения.
п.4.2.206. Фундаменты трансформаторов напряжением 35-500 кВ должны предусматривать их установку непосредственно на фундамент без кареток (катков) и рельс.
п.4.2.209. Трансформаторы необходимо устанавливать так, чтобы отверстие защитного устройства выброса масла не было направлено на близко установленноеоборудование. Для защиты оборудования допускается установка заградительного щита между трансформатором и оборудованием
п.4.2.211. Расстояния в свету между открыто установленными трансформаторами определяются технологическими требованиями и должны быть не менее 1,25 м.
п.4.2.212. Разделительные перегородки между открыто установленными трансформаторами напряжением 110 кВ и вышеединичной мощностью 63 МВ·А и более, должны предусматриваться при расстояниях менее 15 м между трансформаторами, а также между ними и трансформаторами любой мощности, включая регулировочные и собственных нужд;
п.4.2.214. Автоматическими установками пожаротушения оснащаются: трансформаторы напряжением 500-750 кВ, независимоот мощности, а напряжением 220-330 кВ мощностью 250 МВ·А и более;
п.4.2.215. Пуск установки пожаротушения должен осуществляться автоматически, вручную и дистанционно со щита управления. Устройстворучного пуска должнорасполагаться вблизи установки в безопасном при пожаре месте.
Включение установки пожаротушения группы однофазных трансформаторов должно производиться только на поврежденные фазы.
п.4.2.223. Вытяжные шахты камер масляных трансформаторов, пристроенныхк зданиям, имеющихкровлю из горючего материала, должны быть отнесены от стен здания не менее чем на 1,5 м или жеконструкции кровли из горючего материала должны быть защищены парапетом из негорючего материала высотой не менее 0,6 м. Вывод шахт вышекровли здания в этом случае необязателен.
п.4.2.224. Трансформаторы с принудительной системой охлаждения должны быть снабжены устройствами для автоматического пуска и останова системы охлаждения.
Автоматический пуск должен осуществляться в зависимости от температуры верхних слоев масла и, независимоот этого, по току нагрузки трансформатора.
п.4.2.231. Трансформаторы с принудительной системой охлаждения должны быть снабжены сигнализацией о прекращении циркуляции масла, охлаждающей воды или останове вентиляторов дутья, а такжеоб автоматическом включении или отключении резервногоохладителя или резервного источника питания.
п.4.2.68. Противопожарныерасстояния от маслонаполненногооборудования с массой масла в единицеоборудования 60 кг и более до производственных зданий с категорией помещения В1-В2, Г и Д, а также до жилых и общественных зданий должны быть не менее:
16 м при степени огнестойкости этих зданий I и II;
20 м - при степени III;
24 м - при степени IV и V.
п.4.2.69. Для предотвращения растекания масла и распространения пожара при повреждениях маслонаполненных силовых трансформаторов с количеством масла более 1 т в единице должны быть выполнены маслоприемники, маслоотводы и маслосборники с соблюдением следующих требований:
1) габариты маслоприемника должны выступать за габариты трансформатора не менее чем на 2 м при массе более 50 т. При этом габарит маслоприемника может быть принят меньше на 0,5 м со стороны стены или перегородки, располагаемой от трансформатора на расстоянии менее 2 м;
2) объем маслоприемника с отводом масла следует рассчитывать на единовременный прием 100 % масла, залитого в трансформатор;
3) устройство маслоприемников и маслоотводов должно исключать переток масла (воды) из одного маслоприемника в другой, растекание масла покабельным и др. подземным сооружениям, распространение пожара, засорение маслоотвода и забивку его снегом, льдом и т.п.
п.4.2.70. На ПС с трансформаторами 110-150 кВ единичной мощностью 63 МВ·А и более и трансформаторами 220 кВ и вышеединичной мощностью 40 МВ·А и более, а также на ПС с синхронными компенсаторами для тушения пожара следует предусматривать противопожарный водопровод с питанием от существующей внешней сети или от самостоятельного источника водоснабжения. Допускается вместо противопожарного водопровода предусматривать забор воды из прудов, водохранилищ, рек и других водоемов, расположенных на расстоянии до 200 м от ПС с помощью передвижных средств пожарной техники.
8.1.3. Безопасный осмотр высокорасположенных частей
В соответствии с требованиями ПУЭ:
п.4.2.30. Указатели уровня и температуры масла маслонаполненных трансформаторов и аппаратов и другие указатели, характеризующие состояниеоборудования, должны быть расположены таким образом, чтобы были обеспечены удобные и безопасные условия для доступа к ним и наблюдения за ними без снятия напряжения (например, со стороны прохода в камеру).
Для отбора проб масла расстояниеот уровня пола или поверхности земли докрана трансформатора или аппарата должно быть не менее 0,2 м или должен быть предусмотрен соответствующий приямок.
8.1.4. Проезд наОРУ
В соответствии с требованиями ПУЭ:
п.4.2.45. В ОРУ 110 кВ и выше должен быть предусмотрен проезд для передвижных монтажно-ремонтных механизмов и приспособлений, а также передвижных лабораторий.
Габариты проездов определяются исходя из применяемых машин и механизмов. Габарит проезда будет не менее 4 м по ширине и высоте.7.1.5. Правила окраски токоведущих частей
В соответствии с требованиями ПУЭ:
п.1.1.30. Цветовыеобозначения одноименных шин в каждой электроустановке должны быть одинаковыми.
Шины должны быть обозначены при переменном трехфазном токе:
- шины фазыА желтым;
- фазыВ зеленым;
- фазыС - красным цветами.
8.1.5. Средства индивидуальной защиты
Средства индивидуальной защиты предназначены для защиты людей,
работающих в электроустановкахот поражения электрическим током, от воздействия электрической дуги, электромагнитного поля.К средствам защиты относятся: очки, каски, диэлектрические перчатки, боты, калоши, индивидуальные экранирующиекомплекты.
Правила применений и испытаний средств защиты, используемых в электроустановках, подразделяют электрозащитные средства на группы:
- штанги изолирующие, клещи изолирующие, указатели напряжения;
- диэлектрические перчатки, боты, калоши, коврики, изолирующие подставки, изолирующие накладки;
- экранирующий костюм;
- переносные заземления.
Изолирующие штанги, в зависимости от их назначения, подразделяются наоперативные, ремонтные и измерительные.
Для установления наличия или отсутствия напряжения на токоведущих частях используют указатели напряжения типа УВН-10, УВН-90.
В качествеосновного средства защиты в установках до 1000 В применяют диэлектрические перчатки, они служат средством защиты от напряжения прикосновения при операциях с ручными приводами и т.п. При работе в распределительном устройстве во время операций, выполняемых штангой, при проверке наличия или отсутствия напряжения применяют диэлектрические боты.
Защитой от шагового напряжения в зонахрастекания или замыкания тока на землю является применение диэлектрических галош.
Для защиты оперативно-ремонтного персонала от воздействия электромагнитных полей распределительного устройства 110-220 кВ служат экранирующиекостюмы.
В процессе эксплуатации изолирующие средства защиты периодически осматривают и испытывают повышенными напряжениями в сроки, предусмотренные правилами.
Согласно правилам, для бригады эксплуатационногообслуживания подстанции, нормы комплектования средствами защиты следующие:
- изолирующие штанги (оперативные и измерительные)- 2 шт.;
- указатель напряжения выше 1000 В- 2 шт.;
- изолирующиеклещи- 2 шт.;
- переносные заземления- 2шт. на 110 кВ;
- диэлектрические перчатки- не менее 2 пар;
- диэлектрические боты- 1 пара;
- защитныеочки-2 пары;
- временныеограждения (щиты);
- плакаты и знаки безопасности;
- шланговый противогаз-2 шт.
8.2. Электробезопасность
8.2.1 Установка заземляющих ножей и система блокировки
В соответствии с требованиями ПУЭ:
п.4.2.27. Распределительные устройства должны быть оборудованы оперативной блокировкой неправильных действий при переключениях в электрических установках (сокращенно - оперативной блокировкой), предназначенной для предотвращения неправильных действий с разъединителями, заземляющими ножами, отделителями и короткозамыкателями.
Оперативная блокировка должна исключать:
- подачу напряжения разъединителем на участок электрической схемы, заземленной включенным заземлителем, а также на участок электрической схемы, отделенной от включенных заземлителей только выключателем;
- включение заземлителя на участке схемы, неотделенном разъединителем от других участков, которые могут быть как под напряжением, так и без напряжения;
- отключение и включениеразъединителями токов нагрузки.
Оперативная блокировка должна обеспечивать в схеме с последовательным соединением разъединителя с отделителем включение ненагруженного трансформатора разъединителем, а отключение - отделителем.
На заземлителях линейныхразъединителей со стороны линии допускается иметь только механическую блокировку с приводом разъединителя.
п.4.2.28. Распределительные устройства и ПС, как правило, должны быть оборудованы стационарными заземлителями, обеспечивающими в соответствии с требованиями безопасности заземление аппаратов и ошиновки.
На случай отключения в процессеремонта разъединителя с заземлителями или только заземлителя этогоразъединителя должны быть предусмотрены заземлители у другихразъединителей на данном участке схемы, расположенные со стороны возможной подачи напряжения.
При наличии трансформаторов напряжения заземления сборных шин следует осуществлять, как правило, заземлителями разъединителей трансформаторов напряжения.
8.2.2. Зануление
В сетях с глухозаземленной нейтралью замыканиеодной из фаз на землю или на проводник, соединенный с глухозаземленной нейтралью, является однофазным коротким замыканием. Если замыкание произошло на корпус электрооборудования, не связанного с землей, то человек, стоящий на земле и прикоснувшийся к этому электрооборудованию, окажется под полным фазовым напряжением и через него пройдет токоднофазного замыкания. Для предупреждения возможности поражения электрическим током при замыкании на корпус поврежденный участок должен быть отключен от сети в возможнокороткий срок, чтобы ограничить до минимума время, в течениекоторого этооборудование будет представлять опасность для персонала. В этих целях в сетях с глухозаземленной нейтралью применяют защитное зануление.
Защитным занулением называется преднамеренное металлическое соединение с глухозаземленной нулевой точкой (нейтралью) трансформатора в сетях переменного тока и с глухозаземленной средней точкой источника электроснабжения в трехпроводных сетях постоянного тока частей электроустановок, нормально не находящихся под напряжением, нокоторые могут случайнооказаться под таковым. Соединение это выполняют проводником, который называется зануляющим, или нулевым защитным проводником. При замыкании одной из фаз на корпус электрооборудования, имеющего соединениенулевым защитным (зануляющим) проводником с глухозаземленной нейтралью трансформатора в сетях переменного тока или с глухозаземленной средней точкой в сетях постоянного тока, возникает однофазноекороткое замыкание, которое вызывает срабатывание соответствующего защитного аппарата (предохранителя, автомата) и отключение поврежденного участка. Схема присоединения электрооборудования кзащитному занулению показана на рис.
Рисунок 20.Принципиальная схема зануления в сети с глухозаземленной нейтралью до 1000 В:
1 - корпус потребителя электроэнергии;
2 - аппараты защиты потребителя от токов короткого замыкания (плавкие предохранители, автоматы и т.п.);
Ф - фазный провод;
0защ - нулевой защитный провод;
Rо - сопротивление заземления нейтрали источника тока;
Rn - сопротивление повторного заземления нулевого защитного провода;
Iкз - токоднофазногокороткого замыкания.
Назначение нулевого защитного проводника в схеме зануления - обеспечить необходимое для отключения установки значение тока однофазногокороткого замыкания путем создания для этого тока цепи с малым сопротивлением.
Заземление нейтрали обмоток источника тока, питающего сеть до 1 кВ, предназначено для снижения напряжения зануленныхоткрытых проводящих частей (а следовательно, нулевого защитного проводника) относительно земли до допустимого значения при замыкании фазного провода на землю.
Повторное заземление нулевого защитного проводника практически не влияет на время отключения электроустановки от сети. Однако, при эксплуатации зануления могут возникнуть такие ситуации, когда повторное заземление нулевого защитного проводника необходимо, например, при обрыве нулевого защитного проводника. При применении системы TN рекомендуется выполнять повторное заземлениеРЕ и РЕN проводников на вводе в электроустановки зданий, а также в других доступных местах. Для повторного заземления нулевых защитных проводников следует, в первую очередь, использовать естественные заземлители. В этом случае сопротивлениерастеканию тока заземлителя повторного заземления не нормируется. Внутри больших и многоэтажных зданиий аналогичную функцию выполняет уравнивание потенциалов посредством присоединения нулевого защитного проводника к главной заземляющей шине.
Повторному заземлению подвергаются нулевыерабочие провода воздушных линий, которыеодновременно используются как нулевые защитные проводники (РЕN проводники). При этом в соответствии с ПУЭ повторные заземления выполняются на концах линий или ответвлений длиной более 200 м. В первую очередь следует использовать естественные заземлители, например, подземные части опор, а также заземляющие устройства, предназначенные для грозовых перенапряжений.
Для того, чтобы произошло быстрое и надежное срабатывание средств защиты, необходимо, чтобы токкороткого замыкания, превышал токотключения (оплавление плавкой вставки и отключение аппарата)
где, Ік.з. - токкороткого замыкания, А
к - коэффициенткратности тока короткого замыкания относительно тока отключения;
Іном- номинальный токоплавления плавкой вставки или срабатывания автомата, А.
Согласно ПУЭ, проводники зануления подбирают таким образом, чтобы токкороткого замыкания превышал не менее, чем в 3 раза, номинальный ток плавкой вставки.
Время срабатывания отключения поврежденной электроустановки с момента появления напряжения на корпус электроустановки составляет 5-7с при защите плавкими вставками и 1-2с - при защите автоматами.
8.2.3.ЗаземлениеОРУ 220 кВ
Заземляющее устройство является составной частью электроустановки и предназначено для обеспечения необходимого уровня электробезопасности в зонеобслуживания электроустановки и за ее пределами, для отвода в землю импульсов токов с молниеотводов, для создания цепи при работе защиты от замыканий на землю и для стабилизации напряжения фаз электрической сети относительно земли.
План заземляющего устройства представлен на рисунке.
Рисунок 21. План заземляющего устройства:
1-площадь, занятаяоборудованием;
2 - заземляющий контур;
h1- толщина верхнего слоя грунта, м;
t - глубина заложения заземлителей, м;
lb - длина вертикальных заземлителей, м.
В целях выравнивания электрического потенциала и обеспечения присоединения электрооборудования к заземлителю на территории, занятой оборудованием, прокладываются продольные и поперечные горизонтальныезаземлители и объединять их между собой в заземляющую сетку.
Продольные заземлители проложены вдоль осей электрооборудования со стороны обслуживания на уровне пола и на расстоянии 1,0 мот фундаментов или оснований оборудования.
Поперечные заземлители проложены на уровне пола и образуют с продольными заземлителями сетку с ячейками 10х10 м.
Размещение продольных и поперечных горизонтальных заземлителей определяться требованиями ограничения напряжений прикосновения до нормированных значений и удобством присоединения заземляемогооборудования.
При определении значения допустимого напряжения прикосновения в качестверасчетного времени воздействия принималась сумма времени действия защиты и полного времени отключения выключателя.
Грунт двухслойный: верхний толщиной м с удельным сопротивлением Омм (с учетом промерзания), нижний с удельным сопротивлением Омм.
Длительность воздействия
|
с, |
(78) |
где время действия релейной защиты;
время отключения выключения выключателя.
Прис, наибольшее допустимое напряжение прикосновенияВ, согласно ГОСТ 12.1.038-82(88)ССБТ. Длина вертикального заземлителя м. Расстояние между вертикальными заземлителями м.
Коэффициент напряжения прикосновения
|
, |
(79) |
где длина горизонтальных заземлителей определяется по плану;
параметр, зависящий от отношения ;
коэффициент, определяемый по сопротивлению тела человека кОм и сопротивлению растекания тока от ступеней
Ом.
Здесь удельное сопротивление верхнего слоя земли Омм.
.
Потенциал на заземлителе:
|
кВ, |
(80) |
что в пределе допустимого (меньше 10 кВ).
Сопротивление заземляющего устройства:
|
Ом, |
(81) |
гдеА ток стекающий с заземлителя при однофазном коротком замыкании, где - периодическая составляющая тока однофазногок.з. из пункта 3.
Числовертикальных заземлителей по периметру контура при :
|
; |
(82) |
принимаем .
Общая длина вертикальных заземлителей:
, м.
Относительная глубина:
гдеt=0, т.к. заземляющая сетка расположена на полу.
Общее сопротивление заземлителя
|
Ом, |
(83) |
где эквивалентное удельное сопротивление земли, определяем тогда
Полученноеобщее сопротивление заземлителя меньше допустимого (Ом).
Напряжение прикосновения:
|
В, |
(84) |
что меньше допустимого значения 400 В.
Таккак найденное напряжение прикосновения не превышает допустимого и сопротивление заземляющего устройства меньше допустимого, то выбранное заземляющее устройство принимаем как удовлетворяющее всем критериям
8.3. ВЕНТИЛЯЦИЯ И ОСВЕЩЕНИЕ
8.3.1. Расчет вентиляции помещения аккумуляторных батарей
В данном помещении к установке предполагается обобщённая искусственная приточновытяжная вентиляция. Производительность приточной вентиляции должна быть на 5 % меньше производительности вытяжной вентиляции. Кроме того, выполняется естественная вытяжная вентиляция, которая за час обеспечивает однократный обмен воздуха в помещении.
Вентиляция выполняется в соответствии со следующими принципами:
- вся система вентиляции выполнена автономноот других систем;
- электродвигатели привода располагаются внепомещении АКБ;
- отсос воздуха из помещения АКБ производится с нижней и верхней части со стороны противоположной притоку воздуха;
- короба располагаются не над батареей;
- предусматривается отдельное помещение для подготовки электролита;
- выброс воздуха осуществляется через шахту, превышение над кровлей который составляет 2 м;
- шахта должна быть защищена от попадания атмосферныхосадков.
Применяется батарея VАRTАblос типа Vb 2305, число элементов n = 106 шт, емкость батареи составляет С =1008 А . ч.
Объем помещения составляет V = 680 м3.
Воздухообмен: м3/ч. (85)
Кратность воздухообмена: ч. (86)
8.3.2. Расчет освещения КРУЭ
В помещении КРУЭ предусмотренорабочее и аварийноеосвещение. Территория КРУЭ освещается прожекторами, питающимися от сети переменного тока напряжением 220 В и размещающимися на стенах и потолке. Ремонтноеосвещениеосуществляется от переносных светильников с лампами накаливания на напряжение 12 В.
Рассчитаем освещение подстанции 220/110/10 кВ. Площадь подстанции S = 1200 м2.
Согласно СНиП 23 05 95 в проходах между оборудованием, на земленорма освещенности должна составлять не менеелк.
Суммарный световой поток
, (87)
гдеS площадь КРУЭ;
kз коэффициент запаса, учитывающий потери светового потока от загрязнения отражателя защитного стекла лампы, kз=1,2…1,5;
kп коэффициент, учитывающий потери светового потока, в зависимости от конфигурации освещаемой площадки, kп=1,15…1,5.
лм.
Освещениеосуществляем прожекторами ПЗС-35А с металлогалогенными лампами ДРИ-250С.
Техническая характеристика прожектора приведена в таблице 2, ламп в таблице 29
Таблица 28. Техническая характеристика прожектора
|
Тип прожектора |
Максимальная сила света, кд, не менее |
Углы рассеивания до 0,1 максимальной силы света, град, не менее |
КПД %, не менее |
Габаритныеразмеры, мм, не более |
|||
|
в горизонтальной плоскости |
в вертикальной плоскости |
H |
B |
L |
|||
|
ПЗС-35А |
46 000 |
17 |
22 |
530 |
455 |
310 |
Таблица 29. Параметры металлогалогеновой разрядной лампы ДРИ-250С
|
Тип лампы |
Напряжение сети, В |
Мощность, Вт |
Световой поток, лм |
Средняя продолжительность горения, ч |
Тип цоколя |
|
ДРИ-250С |
220 |
250 |
5 000 |
8 000 |
Е-40 |
Число прожекторов
, (88)
где световой поток лампы прожектора;
КПД прожектора.
.
Примем число прожекторов 4 шт.
Высота установки прожектора:
, (89)
гдеImах максимальная (осевая) сила света прожектора.
м.
Согласно СНиП 23-05-95 высота установки прожектора должна быть не менее4 м.
Таким образом, для освещения подстанции потребуется установить 4 прожекторатипа ПЗС-35А с металлогалогенными лампами ДРИ-250С на высоте4 м.
8.4. Противопожарные мероприятия
Электрическая подстанция относится по пожарной опасности ккатегории В, а помещение аккумуляторной батареи ккатегории В-Iа взрывопожарной опасности.
Пожары, связанные с эксплуатацией электроустановок, происходят, главным образом, от коротких замыканий; от нарушения правил эксплуатации нагревательных приборов; от перегрузки оборудования; от образования больших местных переходных сопротивлений; от электрическихискр дуг.
8.4.1. ПомещениеОПУ
ОПУ относится ккатегории В по пожарной опасности. Для помещения ОПУ предусмотрены следующие средства пожаротушения: 2 углекислотныхогнетушителя ОУ-8, 1 пенный огнетушитель ОХП-10, ящик с песком объемом 1 куб. метр и лопата, войлок 22 м (по ГОСТ-12.4.009-83). В обязательном порядке всекомнаты в ОПУ оборудуются системой пожарной сигнализации.
8.4.2. Кабели
По территории кабели проложены в бетонныхкабельных лотках, но это не исключает проникновения в них внешнего источника замыкания. Изоляция кабелей состоит из горючих материалов, способных самостоятельно гореть и после исчезновения внешнего источника. Одной из возможных причин возгорания кабелей могут стать токи утечки, появляющиеся при локальных повреждениях изоляции, поэтому их необходимо своевременноопределять. В условиях данногообъекта для локализации возможных возгораний возможна облицовка кабелей специальными огнеупорными составами из эластичныхматериалов, которые не ухудшают охлаждениекабеля. При нагревании они вспучиваются и выдерживают от 30 до 60 минут открытого пламени.
Пожарная безопасность кабельных помещений достигается защитой кабельных линий от возгорания, а также применением автоматических систем пожаротушения.
Существует несколько способов защиты кабельных линий от возгорания:
- облицовка кабелей негорючими теплоизолирующими материалами;
- окраска или нанесение на защитные покровы кабеля или егооболочку огнезащитных составов;
- сооружениеразделительных противопожарных перегородок в кабельных туннелях и шахтах;
- уплотнение прохода кабелей через перегородки и перекрытия.
7.4.3. Помещение АКБ
При работе АКБ возможно выделение паров серной кислоты, которая при концентрации 61 г/м3 способна самовозгореться со взрывом, поэтому в обязательном порядке помещениеоборудуется системой стационарной принудительной приточно-вытяжной вентиляцией с производительностью 219 м3/ч и кроме тогоестественной вытяжной вентиляцией, обеспечивающий однократный обмен воздуха в час. Высота вентиляционной шахты - 2 м от уровня крыши ОПУ, привод системы вентиляции имеет взрывобезопасное исполнение. Системы окрашиваются негорючими красками, и помещениеограничивается по допуску для посторонних лиц.
9. ТЕХНИКО-ЭКОНОМИЧЕСКОЕОБОСНОВАНИЕ ПРОЕКТА
9.1 Организация реконструкции
9.1.1 Общая часть
Организация реконструкции ПС 220/110/10 кВ “Сарбайская” Костанайскогорайона Костанайской области разработана в соответствии с СНИП 3.01.01-85 “Организация строительного производства” и Инструкцией поразработке проектов организации строительства (Электроэнергетика), ВСН 33-82, МинэнергоРК.
Все строительно-монтажныеработы будут выполнятся трестом “Запсельэлектросетьстрой”.
Организация реконструкции должна обеспечивать целенаправленность всехорганизационных, технических и технологическихрешений на достижениеконечногорезультата-ввода в действиеобьекта с необходимым качеством и в установленные сроки.
9.1.2 Характеристика обьекта реконструкции
Реконструкция ПС 220/110/10 кВ “Сарбайская” относится ккатегории несложных.
В состав реконстркции входят:
- подстанция типа КТПБ 110/35/10 кВ с трансформатором мощностью 10,0 МВ А (вторая очередь). Оборудование подстанции комплектуется Самарским заводом “Электрощит”;
- ОПУ тип IV.
Продолжительность реконструкции ПС 220/110/10 кВ 3 мес.
9.1.3 Календарный план реконструкции
Календарный план реконструкции составлен на основеобщей организационно-технической схемы строительства, включая очередность реконструкции основных и вспомогательных зданий и сооружений, работы подготовительного периода, с распределением капитальных вложений и объемов строительно-монтажныхработ по периодам реконструкции.
Перечень выполняемыхработ, их последовательность и продолжительность приведены на листе таблица 1.
Комплектование строительно-монтажными кадрами предполагается за счет постоянныхкадровыхрабочих строительно-монтажной организации (80-85%), а также за счет привлечения рабочих из местного населения (20-15%).
9.1.4 Источники получения основных грузов. Транспортная схема
Поставка конструкций из сборного железобетона осуществляется с заводов Главэнергостройпрома Минэнерго.
Источники основных грузов:
- трансформатор собсвенных нужд - Минский электротехннический
завод им.В.И. Козлова
- КТПБ - Самарский завод
- силовой трансформатор ТДТН- - Средневолжское производствен-
-10000/110 ноеобъединение “Трансформа-
тор” г.Тольятти
Доставка основных материалов производится в соответствии с приведенной схемой:
-строительныеконструкции, материалы и оборудование предусмотреноразгружать на железнодорожной станции “Железнорудная”, откуда к месту монтажа они будут доставляться автотранспортом по дороге до приобьектного склада у ПС на расстоянии 41 км.
Доставка трансформатора по 36.6 т осуществляется на трейлере грузоподъемностью 40 т. Погрузка и разгрузка трансформатора выполняется такелажным способом.
9.1.5 Производство строительно-монтажныхработ
Реконструкции ПС осуществляет трест “Запсельэлектросетьстрой”.
Всеработы порасширению подстанции должны производиться поэтапно:
I Этап
Устанавливается временноеограждение вдоль существующегооборудования:
Выполняются следующиеработы:
1.Устанавливается второй трансформатор Т-2 мощностью 10 МВ А, блок ЗОН 110 кВ, разъединитель 35 кв, дугогасительная катушка и четыре стойки с опорными изоляторами 35 кВ, 4 блока опорных изоляторов 10 кВ.
2.Оборудуются линейная и вводная ячейка 110 кВ.
3.Монтируется ОПУ тип IV.
4.Устанавливаются 2 трансформатора собственных нужд ТМ-100/10.
5.Монтаж II секции РУ-10 кВ.
6.В ОРУ-35 кВ устанавливаются 5 блоков(в том числе СМВ-35 кВ) и подключение ихкоII секции.
7.Выполняется ошиновка установленногооборудования, заземление.
8.Прокладываются силовые и контрольныекабели.
9. ВЛ-35 “Фабрика” и “Насосная” заводятся воII секцию.
- Пуско-наладочныеработы.
II Этап
I секция ОРУ-35 кВ обесточивается, оба трансформатора находятся под напряжением.I секция РУ-10 кВ подключена к Т-1, II секция ОРУ-35 кВ к Т2, СМВ 35 кВ отключен. На этом этапе выполняются следующиеработы:
1.Подключение СМВ 35 кВ подключается кI секции ОРУ 35 кВ.
2.Прокладка силовых и контрольныхкабелей коII секции РУ-10 кВ.
3.Пуско-наладочныеработы на I секции ОРУ-35 кВ и II секции РУ-10 кВ.
III Этап
Трансформатор Т-1 отключен. Питание потребителей осуществляется от Т-2. На этом этапе выполняются следующиеработы:
1.Перезаводка части ВЛ-10 кВ с I секции РУ-10 кВ воII секцию.
2.Пуско-наладочныеработы.
Послеокончания всех перечисленныхработ и подключениеI секции РУ-10 кВ коII секции подстанция вводится в эксплуатацию по нормальной схеме.
9.2 Сметно-финансовый расчет
Смета составляется по специальным формам, где находят своеотражение затраты на приобретениеоборудования и материалов , их монтаж, демонтаж, транспорт и прочиерасходы.
Стоимость демонтируемогооборудования равняется половине первоначальной стоимости и учитывается со знаком минус при подсчете итоговых сумм сметной стоимости оборудования.
После заполнения таблицы подсчитываются итоговые суммы. На основную заработную плату (ЗП) электромонтажников начисляем накладныерасходы в размере 75% от основной ЗП.
Затем находится сметная стоимость монтажа и накладныхрасходов и от этой суммы в размере 8% находим плановые накопления.
На стоимость оборудования определяются доплаты:
- на тару и упаковку в размере 2% ;
- на транспортныерасходы 5% ;
- на заготовительно-складскиерасходы 1.2 % ;
- наценка снаба 5.5 % ;
Сметная стоимость определяется как сумма всех найденных величин .
Сметная стоимость монтажа оборудования приведена в таблице 23,сметная стоимость демонтажа в таблице 30.
Таблица 30. Сметная стоимость монтажа
|
Наименование прейскуранта ценника и номер позиции |
Наименование и техническая характеристика оборудования или видов монтажныхработ |
Единицы измерения |
Количество |
Сметная стоимость |
Трудозатраты чел / час |
||||||||
|
Единицы |
Общая |
||||||||||||
|
Оборудование |
Монтаж |
В том числе зарплата |
Оборудование |
Монтаж |
В том числе зарплата |
единицы |
общие |
||||||
|
основная |
по экспл. машин |
основная |
по экспл. машин |
||||||||||
|
1 |
2 |
3 |
4 |
5 |
6 |
7 |
8 |
9 |
10 |
11 |
12 |
13 |
14 |
|
15-05-01-063 8-68-1 п.10 8-67-1 п.140 8-68-1 8-1-12 |
ТДТН-63000/110 Слив масла Ревизия тр-ра Сушка масла Сушка тр-ра Заливка тр-ра Монтаж |
1шт 1т 1шт 1т 1шт 1т 1шт |
1 22,35 1 22,35 1 22,35 1 |
63300 |
4,58 40,3 13,9 1360 4,58 865 |
1,51 21 7,08521 1,51 253 |
1,06 3,55 1,13 104 1,06 135 |
63300 |
4,58 40,3 13,9 1360 4,58 865 |
1,51 21 7,08521 1,51 253 |
1,06 3,55 1,13 104 1,06 135 |
3 31 12 733 3 442 |
67,05 31 268,2 733 67,05 422 |
|
15-05-01-014 8-68-1 п.4 8-67-1 п.132 8-68-1 8-1-8 |
ТМ-100/10 Слив масла Ревизия тр-ра Сушка масла Сушка тр-ра Заливка тр-ра Монтаж |
1шт 1т 1шт 1т 1шт 1т 1шт |
2 0,53 2 0,53 2 0,53 2 |
1830 |
4,58 16,3 13,9 20,6 4,58 21,8 |
1,51 10,8 7,0810,2 1,51 12,9 |
1,06 0,02 1,13 0,14 1,06 3,04 |
3660 |
4,86 32,6 14,7 41,2 4,86 43,6 |
1,6 21,2 7,51 20,4 1,6 25,8 |
1,13 0,04 1,2 0,28 1,13 6,08 |
3 18 12 16 3 21 |
3,18 36 12,72 32 3,18 42 |
|
15-03-03-189 8-25-20 8-25-20 |
Монтаж блоков с обор. 110 кВ: ЗОН-110 ОПН-110с КЗ |
б л о к |
1 1 |
84 300 |
32,5 32,5 |
22,8 22,8 |
2,38 2,38 |
84 300 |
32,5 32,5 |
22,8 22,8 |
2,38 2,38 |
37 37 |
37 37 |
|
15-03 04-154 8-25-21 |
Монтаж блока разъед. РДЗ.2-110/1000 |
б л о к |
1 |
215 |
19,1 |
8,62 |
2,38 |
215 |
19,1 |
8,62 |
2,38 |
14 |
14 |
|
15-03- 06-029 8-25-18 |
Монтаж блока шинных апп. НАМИ-35 |
б л о к |
1 |
185 |
27,7 |
9,31 |
4,83 |
185 |
27,7 |
9,31 |
4,83 |
17 |
17 |
|
15-03-01-087 8-25-19 |
Монтаж блока выкл. С-35М |
б л о к |
3 |
1900 |
34,7 |
19,3 |
3,16 |
5700 |
104 |
57,9 |
9,48 |
30 |
90 |
|
15-03-03-199 8-25-21 |
Монтаж блока отделителяОДЗ-1-110/1000 |
б л о к |
1 |
450 |
19,1 |
8,62 |
2,38 |
450 |
19,1 |
8,62 |
2,38 |
14 |
14 |
|
15-10-04-059 8-17-8 |
Монтаж блока опорных изоляторов ИОС-35 |
б л о к |
1 |
27,9 |
8,13 |
2,82 |
0,81 |
27,9 |
8,13 |
2,82 |
0,81 |
6 |
6 |
|
Наименование прейскуранта ценника и номер позиции |
Наименование и техническая характеристика оборудования или видов монтажныхработ |
Единицы измерения |
Количество |
Сметная стоимость |
Трудозатраты чел / час |
||||||||
|
Единицы |
Общая |
||||||||||||
|
Оборудование |
Монтаж |
В том числе зарплата |
Оборудование |
Монтаж |
В том числе зарплата |
единицы |
общие |
||||||
|
основная |
по экспл. машин |
основная |
по экспл. машин |
||||||||||
|
1 |
2 |
3 |
4 |
5 |
6 |
7 |
8 |
9 |
10 |
11 |
12 |
13 |
14 |
|
15-03-03-101 8-11-2 |
Монтаж разъединит. РДЗ-2-35/1000 |
1шт |
9 |
90 |
32 |
14,5 |
1,73 |
810 |
288 |
131 |
15,57 |
24 |
48 |
|
15-03-03-160 8-4-2 |
Монтаж дуго- гасящей катушки РЗДСОМ-310/35 |
1шт |
1 |
200 |
59,3 |
31,5 |
6,34 |
200 |
59,3 |
31,5 |
6,34 |
51 |
51 |
|
15-10-04-059 8-17-8 |
Монтаж опорного изолятора ИОС-35-500 |
1шт |
4 |
9,3 |
2,71 |
0,94 |
0,27 |
37,2 |
10,84 |
3,76 |
1,08 |
2 |
8 |
|
15-03-01-017 8-27-1 8-27-3 |
Монтаж шкафов с BB/TЕL-10 Резервный с BB/TЕL-10 |
1шт 1шт |
12 3 |
3700 |
29,9 15,9 |
20,7 8,82 |
2,53 2,02 |
27750 |
358,8 47,7 |
248 26,5 |
30,36 6,06 |
34 15 |
408 45 |
|
15-03-06-027 8-27-2 |
Монтаж шкафов с НАМИ-10 |
1шт |
2 |
125 |
21,7 |
13,5 |
2,36 |
250 |
43,4 |
27 |
4,72 |
23 |
46 |
|
15-03-02-048 8-61-1 |
Монтаж ПКТ-10 |
1шт |
2 |
25 |
1,18 |
0,79 |
0,02 |
50 |
2,36 |
1,58 |
0,04 |
1 |
2 |
|
15-03-05-083 8-53-1 |
Монтаж ТЛМ-10-2 |
1шт |
12 |
67 |
1,52 |
1,13 |
0,02 |
804 |
18,24 |
13,6 |
0,24 |
2 |
24 |
|
15-03-05-137 8-60-1 |
Монтаж ТФЗМ-35А |
1шт |
2 |
250 |
18,3 |
9,7 |
2,4 |
500 |
36,6 |
19,4 |
4,8 |
16 |
36 |
|
15-03 8-22-1 |
Ошиновка ОРУ-110 кВ |
Пролет |
1 |
- |
108 |
26,4 |
12,9 |
- |
108 |
26,4 |
12,9 |
43 |
43 |
|
15-03 8-22-1 |
Ошиновка ОРУ-35 кВ |
Пролет |
1 |
- |
96,4 |
23,5 |
11,7 |
- |
96,4 |
23,5 |
11,7 |
39 |
39 |
|
Итого |
104656,6 |
3779,6 |
1363,9 |
378,9 |
2878,4 |
Таблица 31. Сметная стоимость демонтажа
|
Наименование прейскуранта ценника и номер позиции |
Наименование и техническая характеристика оборудования или видов монтажныхработ |
Единицы измерения |
Количество |
Сметная стоимость |
Трудозатраты чел / час |
||||||||
|
Единицы |
Общая |
||||||||||||
|
Оборудование |
Монтаж |
В том числе зарплата |
Оборудование |
Монтаж |
В том числе зарплата |
единицы |
общие |
||||||
|
основная |
по экспл. машин |
основная |
по экспл. машин |
||||||||||
|
1 |
2 |
3 |
4 |
5 |
6 |
7 |
8 |
9 |
10 |
11 |
12 |
13 |
14 |
|
15-05-01-014 |
Демонтаж ТМ-63/10 |
1шт |
1 |
850 |
21,8 |
12,9 |
3,04 |
850 |
21,8 |
12,9 |
3,04 |
21 |
21 |
|
15-03-04-048 8-15-2 |
Демонтаж РВС-110 |
Компл.3ф |
1 |
92,5 |
43,8 |
13,8 |
8,75 |
92,5 |
43,8 |
13,8 |
8,75 |
23 |
23 |
|
15-03-04-038 8-15-1 |
Демонтаж РВС-35 |
Компл.3ф |
2 |
27 |
19,2 |
5,73 |
3,4 |
54 |
19,2 |
5,73 |
3,4 |
10 |
20 |
|
15-03-04-028 8-69-1 |
Демонтаж РВС-10 |
Компл.3ф |
1 |
24 |
2,84 |
2,16 |
0,12 |
24 |
2,84 |
2,16 |
0,12 |
4 |
4 |
|
15-03 8-7-1 |
Демонтаж ЗНОМ-35-65У1 |
1шт |
1 |
87,5 |
20,5 |
8,71 |
3,52 |
87,5 |
20,5 |
8,71 |
3,52 |
14 |
14 |
|
15-03-01-007 8-59-1 |
Демонтаж ВМПП-10 |
1шт |
6 |
600 |
11,2 |
9,41 |
0,18 |
4200 |
78,4 |
65,87 |
1,26 |
14 |
98 |
|
15-03-06-027 8-54-2 |
Демонтаж НТМИ-10 |
1шт |
1 |
125 |
2,44 |
1,91 |
0,12 |
125 |
2,44 |
1,91 |
0,12 |
3 |
3 |
|
Итого |
5433 |
188,98 |
111,1 |
20,21 |
183 |
||||||||
|
Итого общая ст-ть |
99223,6 |
3968,6 |
1475 |
399,11 |
3061,4 |
За итогом сметы учитываем:
-на основную заработную плату:
14750 0.75 = 11062,5 (тнг.);
-плановое накопление:
(39686+11062,5) 0,08 = 4059,9 (тнг.);
-на тару и упаковку:
992236 0,02 = 19844,7 (тнг.);
-на транспортныерасходы:
992236 0,05 = 49612 (тнг.);
-на заготовительно-складскиерасходы:
992236 0,012 = 11907 (тнг.);
-наценка снаба:
992236 0,055 = 54573 (тнг.);
Сметная стоимость:
сс=1050 6631+1510591= 12 0172 22 (тнг.).
9.3 Перерасчет сметной стоимости по СМР (в ценах 2013 года )
Определяем стоимость материальныхресурсов:
Смр = А = С0 Зпосн Зпэксп , (90)
где С0 сметная стоимость монтажа;
Зпосн - основная заработная плата;
Зпэксп. заработная плата по эксплуатации машин.
А=2094.5 (тнг.)- сметная стоимость материальныхресурсов;
Б=99223.6 (тнг.)- сметная стоимость оборудования;
В=1874.11 (тнг.)- суммарная заработная плата.
Коэффициент повышения: Кпов=1104(2001)/76(1984)=5.79;
Пересчет сметной стоимости сводим в таблицу 32.
Таблица 32.Перерасчет сметной стоимости
|
Статьи затрат |
Примечание |
Сметная стоимость тнг. |
Дополнительные затраты |
Итого |
|
1. Удорожание материальныхресурсов, приобретенных по свободным ценам |
(А+Б)6 |
6079086 |
||
|
2. Уточнение структуры накладныхрасходов |
11% от (А+Б+В) |
113511 |
||
|
3. Увеличение з/прабочим занятых в строительном производстве |
Вкпов1,15 |
1247876 |
||
|
4. Уточнение стоимости эксплуатации машин |
13%отБ6 |
773944 |
||
|
5. Уточнение тарифов на транспортныерасходы |
5%от(А+В)6 |
303953 |
||
|
6. Уточнение структуры плановых накоплений |
8% от п.14 |
876323 |
||
|
7. Посреднические услуги |
20%от(А+Б)6 |
1215814 |
||
|
8. НИОКР |
2% от п.3 |
2495 |
||
|
9. Приобретениестрой-материалов по договорной цене |
9%от(А+Б)6 |
547116 |
||
|
10. Дополнительные затраты на работу в зимнее время |
4% от п.3 |
4991 |
||
|
11. Дополнительные затраты на временные здания и сооружения |
3% от Б6 |
178602 |
||
|
12. Прочие затраты с учетом отчислений на социальные нужды |
39% от п.3 |
48667 |
||
|
13. Затраты на развитие без индустрии |
10% от п.3 |
4866,7 |
||
|
14. Итого |
10954039 |
|||
|
15. Всего |
11830362 |
|||
|
16. НДС |
2366072 |
|||
|
17. Общая сметная стоимость |
14196 434 |
Коэффициент удорожания:
Куд= 14 196 434/120172.22=11.8 .
9.4 Определениекапитальных затрат на реконструкцию подстанции
Капитальные затраты на реконструкцию подстанции будут равны:
Креконстр.= [Кнов.обор+Кмонт. нов. обор.+Кдемонт.ст.обор. Сдемонт.обор. ]Куд., (91)
гдеКнов.обор- капитальные затраты на покупку новогооборудования;
Кмонт. нов. обор-капитальные затраты на монтаж новогооборудования;
Кдемонт.ст.обор- капитальные затраты на демонтаж старогооборудования ;
Сдемонт.обор.- стоимость демонтируемогооборудования ;
Куд.- коэффициент удорожания (13,87 реальный по электрооборудованию) .
Креконстр.= [ 5232800 + 37796 +18898 54330 ] 11.8 = 12 176 606 (тнг.);
9.5 Расчет экономического эффекта от реконструкции подстанции
Эффект от реконструкции подстанции рассчитываем по формуле:
Эг= ПлiснЗу.е.Креконстр.Ен , (92)
где Плiсн плата за электроэнергию по двухставочному тарифу для потребителей подключенныхк сетям среднего напряжения;
Креконстр. капитальные затраты на реконструкцию подстанции;
Ен нормативный коэффициент эффективности капитальных вложений;
Зу.е. затраты на содержаниеоборудования подстанции.
Плата за электроэнергию по двухставочному тарифу для потребителей подключенныхк сетям среднего напряжения считается:
Плiсн = ТоэмРimах + Тэсн Эi , (93)
где Тоэм общая ставка платы за заявленную мощность;
Рimах - мощность заявленная i-м потребителем в часы максимума ;
Тэсн ставка за потребленную электроэнергию из сети среднего напряжения;
Эi количество потребленной электроэнергии.
Плiсн = 150.265 7.8 103 +0.2514 12312 = 1175162.24 (тнг),
Зу.е.=Зу.е.N , (94)
где Зу.е - затраты на содержаниеодной условной единицы оборудования;
N - количестворемонтныхединиц .
Зу.е.=21001864=3914400 (тнг.),
Эг= 11751622,4 3914400 121766060.12=6 3760 297 (тнг.).
9.6 Расчет численности и состава бригад электромонтажников
, (95)
где Тр трудоемкость работ в чел. час.;
q количество часов в рабочем дне;
кв производительность труда;
ки коэффициент использования рабочего времени.
Чсп=3061.4/174.631.10.9=5.96 (чел)
Т.о. составляем одну бригаду из 4 человек и одну из 2-х человек .
9.7 Определение продолжительности работ пореконструкции подстанции
Время работы определяется по формуле:
; (96)
где ТРобщая трудоемкость работ пореконструкции;
Ч количество человек;
Кв (81.10.9) производительность труда.
t= 3061.4/6 81.10.9 =64.5 (дня);
9.8 Расчет ленточного графика выполнения электромонтажныхработ
Ленточный график представляет собой указания о времени начала и окончания той или иной работы. По длительности лент и их последовательности можно проследить занятость электромонтажных бригад.
При построении лент графика учитывается производительность и числорабочих в бригаде. Для производства работ бригада разбивается на звенья с учетом специализации.
Первая бригада численностью 4 человека, выполняет работы по монтажу силового трансформатора ТДТН-10000/110 и трансформаторов собственных нужд ТМ-100/10. А после перевода питания на трансформатор Т-2 и отключения Т-1 производит необходимый демонтаж оборудования.
Вторая бригада, состоящая из 2-х человек, выполняет работы по монтажу коммутационной аппаратуры, производит ошиновку распределительных устройств. Монтирует шкафы серии К-37 в КРУН-10 кВ.
Время на монтаж оборудования определяется по формуле:
T=Tр/Ч81.10.9, (97)
где ТРобщая трудоемкость работ пореконструкции ;
Ч количество человек.
Время на сушку, слив и залив масла определяется по формуле:
T=Тр/24 , (98)
ТРобщая трудоемкость работ пореконструкции .
ЗАКЛЮЧЕНИЕ
В дипломном проектеразработана электрическая часть П/ст 220/110/10кВ.
К установке приняты два трансформатора типа ТРТН-40000/110УХЛ1.
Токи короткого замыкания на шинах 110 кВ составляют I(3)=4580А и I(1)=4690А, на шинах 10 кВ составляют I(3)=16458А, на шинах 10 кВ составляют I(3)=23043А.
Произведён выбор и проверка аппаратов ОРУ-110 кВ, РУ-100 кВ и на напряжении 6 кВ.
В общей части такжерассмотрены вопросы устройства релейной защиты автотрансформатора ТРТН-40000/110/35/6.
В спец. части разработаны технические мероприятия по эксплуатации дугогасительныхреактров РДМР.
В главе “Разработка вопросов обеспечения безопасности жизнедеятельности” выявлены вредные производственные факторы: идентификация и оценка опасных и вредных производственных факторов на ГТЭС,технические и организационные мероприятия по снижению негативных факторов. Выполнен расчет заземляющего устройства ОРУ 110 кВ.
В главе «Технико-экономическоеобоснование проекта» был произведен расчет капитальных вложений в расширение подстанции. Полученные показатели соответствуют среднеотраслевым данным.
СПИСОК ИСПОЛЬЗУЕМЫХ ИСТОЧНИКОВ
1. Электротехнический справочник: В 3 т. Т.3. В 2 кн. Кн. 1. Производство и распределение электрической энергии / (Под ред. : И.Н. Орлова. 7-е изд., испр. и доп. М.: Энергоатомиздат, 1988. 880 с.: ил.
2. Неклепаев Б.Н., Крючков И.П. Электрическая часть станций и подстанций. Справочные материалы для курсового и дипломного проектирования: Учеб.пособие для вузов. 4-е изд., перераб. и доп. М.: Энергоатомиздат, 1989. 608 с.: ил.
3. Рогов Г.А. Методические указания для курсового проектирования. Электрическая часть станций и подстанций. Вологда: ВоПИ, 1989. 40 с.:ил.
4. Правила устройства электроустановок / Минэнерго СССР. 6-е изд. перераб. и доп. - М.: Энергоатомиздат, 1986. 648 с.: ил.
5. Гук Ю.Б., Кантан В.В., Петрова С.С. Проектирование электрической части станций и подстанци: Учеб.пособие для вузов. - Л.: Энергоатомиздат, 1985. 312 с.: ил.
6. Рожкова Л.Д., Козулин Д.С. Электрооборудование станций и подстанций. Учеб.для техникумов. - 3-е изд., перераб. и доп. - М.: Энергоатомиздат, 1987. 648 с.: ил.
7. Пособиеккурсовому и дипломному проектированию для электроэнергетических специальностей вузов: Учеб.пособие для студентов электроэнергетических специальностей вузов, 2-е изд. перераб. и доп. / В.М. Блок, Г.К. Обушев, Л.Б. Паперно и др.; Под ред. В.М. Блок. М.: Высш. шк., 1990. 383 с.: ил.
8. Шабад М. А. Расчеты релейной защиты и автоматики распределительных сетей. - Л.: Энергия, 1972. 176 с.: ил.
9. Дроздов А.Д., Платонов В.В. Реле дифференциальных защит элементов энергосистем. - М.: Энергия, 1968. 240 с.: ил.
10. Алексеев В.С., Варганов Г.П. Реле защиты. М.: Энергия, 1976. 464 с.: ил.
11. Техника безопасности в электроэнергетических установках. Справочное пособие / Под ред. П.А.Долина. - М.: Энергоатомиздат,1988. 400 с.: ил.
12. Охрана труда в электроустановках: Учеб. для вузов / Под ред. Б.А. Князевского. 3-е изд., перераб. и доп. М.: Энергоатомиздат, 1983. 336 с.: ил.
13. Федоров А.А., Старкова Л.Е. Учебное пособие по электроснабжению промышленных предприятий: Учеб.пособие для вузов. М.: Энергоатомиздат, 1987. 368 с.: ил.
14. Атаманюк В.Г., Ширшев Л.Г., Акимов Н.И. Гражданская оборона: Учеб. для вузов / Под ред. Д.И. Михайлика. 2-е изд. М.: Высш. шк., 1987. 288 с.: ил.
15. ЕНиР. Единые нормы и расценки на строительные, монтажные и ремонтно-строительныеработы. Сб. 23. Электромонтажныеработы. - М.:Стройиздат,1978. 152 с.
16. Строительные нормы и правила. Приложение. Сборники расценок на монтаж оборудования. Сб. № 8. Электротехнические установки / Госстрой СССР. - М.:Стройиздат, 1985. 191 с.
17. Прейскуранты оптовых цен. - М.: Стройиздат, 1982. 185 с.
Реконструкция подстанции «Сарбайская», расположенной в г. Рудный