Оптимизация перевозочного процесса на заданном полигоне с помощью внедрения терминальной технологии
Содержание
Введение.
1. Существующая технология транспортногообслуживани
предприятий …………………………………………………………………..…. 10
1.1. Краткая характеристика предприятия обслуживания ……….…………..…10
1.2. Объемы перевозок ………………………………………………………….....10
1.3 Характеристика дорожной сети между корреспондирующими
объектами…………………………………………………………………….…....13
1.4 Характеристика типов подвижного состава для обслуживания
перевозок ………………………………………………………………………....14
1.5 Характеристика постов погрузки выгрузки груза ………………………....17
1.6 Введение маршрутизации …………………………………………………......20
1.7 Построение графиков движения автомобилей по прямому варианту ……...26
1.8. Расчет количества автомобилей после введения схем маршрутизации .........................................................................................................40
1.9 Анализ схем маршрутизации…………………………………………………..44
2. Техническое и технологическое обоснование магистральных перевозок с использованием терминальной технологии ………………………………….... 45
2.1 Введение сборно развозочных маршрутов………………………………...45
2.2 Построение графиков движения автомобилей после введения сборно развозочных маршрутов ………………………………………………………......46
2.3 Расчет количества автомобилей после введения сборно развозочных маршрутов …………………………………………………………………..……..60
2.4 Сравнение технических показателей после введения схем маршрутизации и сборно развозочных маршрутов ……………………………………………… 61
3. Охрана труда …………………………………………………………………....62
3.1 Анализ вредных и опасных производственных факторов ………………... 62
3.2 Мероприятия по обеспечению безопасности и безвредных условий труда …………………………………………………………………………………...….62
3.3 Технические средства электрической безопасности ………………….…... 63
3.4 Производственная санитария ………………………………………………. 65
3.5 Система автоматического пожаротушения ……………..…………………. 66
4. Охрана окружающей среды……………………………………………………68
4.1 Анализ воздействия на окружающую среду ………..…..……………….. 68
4.2Мероприятия по защите окружающей среды ………………………………68
4.3Расчет платежей за загрязнение окружающей природной среды
передвижными средствами ……….……………………………………………... 68
4.4 Чрезвычайные ситуации………………………………………………….…..72
5. Технио-эономичесое обоснование проета…………………………….... 74
5.1 Общие сведения ……………………………………………………………...74
5.2 Расчёт эксплуатационных затрат по вариантам транспортного обслуживания полигона ………………………………………………………… 74
5.3 Расчёт постоянных затрат по вариантам транспортного обслуживания полигона ………………………………………………………….……………….74
5.3.1 Расчет заработной платы водителям по первому варианту ………..…… 75
5.3.2 Расчет заработной платы водителям по второму варианту …………..….76
5.3.3 Расчет заработной платы ремонтному персоналу по первому варианту ..77
5.3.4 Расчет заработной платы ремонтному персоналу по второму варианту.. .79
5.4 Расчёт переменных затрат по вариантам транспортного обслуживания полигона …………..………………………………………………………………..79
5.4.1 Расчёт амортизационных отчислений по первому варианту …………..…80
5.4.2 Расчёт амортизационных отчислений по второму варианту …………..…80
5.4.3 Расчёт эксплуатационных расходов на техническое обслуживание, текущий ремонт, ГСМ и шины по первому варианту ………………………..…80
5.4.4 Расчёт эксплуатационных расходов на техническое обслуживание, текущий ремонт, ГСМ и шины по второму варианту……………………………82
5.5 Расчёт себестоимости перевозок…………………………………………..….84
5.6 Расчёт капитальных вложений по вариантам транспортного обслуживания полигона…………………………………………………………………………….85
5.7 Расчёт удельных приведённых затрат по вариантам транспортного обслуживания полигон…………………………………………………………….86
5.8 Сравнение технико экономических показателей существующего и предлагаемого варианта транспортного обслуживания предприятия……....86
Залючение……………………………………………………………………..… 88
Списо использованной литературы……………………………………….. 89
ВВЕДЕНИЕ
Автомобильные перевозки грузов через терминалы стали основой всей системы междугородного автомобильного сообщения, а также системой транспортировки грузов на большие расстояния, практически вытеснив из них железную дорогу.
Терминальную технологию используют различные компании и предприятия. Через терминалы перевозятся самые разные грузы. Число и мощность терминалов являются важнейшим показателем престижности компаний, признаком ее высоких сервисных возможностей.
Автотранспортные компании могут иметь от 3-4 до 100 и более терминалов с различными объемами переработки грузов. Местоположение и мощность терминалов устанавливается в зависимости от фактических грузопотоков и с течением времени меняются. Потерявшие свое значение терминалы закрываются, а на маршрутах с возросшими грузопотоками организуются новые.
Перевозки грузов между терминалами осуществляются исключительно большегрузными крытыми автопоездами, состоящими из седельного автомобиля-тягача, полуприцепа и во многих случаях одного или нескольких прицепов. Средняя грузоподъемность линейного автопоезда - 25 т, его суточный пробег может достигать 1500 км. Основной задачей при организации линейных перевозок считается обеспечение максимальной эффективности использования автомобиля-тягача как наиболее дорогостоящего элемента автопоезда.
Сущность терминальной технологии заключается в расчленении процесса доставки груза на три взаимосвязанных подпроцесса: подвоз-развоз мелкопартионных грузов между клиентами и грузовыми терминалами, формирование (расформирование) крупнотоннажных отправок на терминалах, межтерминальные перевозки грузов автопоездами большой грузоподъемности.
Важнейшими особенностями терминальной системы, отличающими ее от системы грузовых автостанций, являются:
- высокий уровень межтерминальных перевозок по постоянным графикам (до 60-80% всех отправок);
- централизованное оперативное управление перевозками.
Главное назначение терминальной системы состоит в расширении сферы деятельности транспорта общего пользования при резком улучшении использования большегрузных автопоездов.
Эффективность терминальных систем зависит, в основном, от суточной выработки межтерминальных автопоездов. Наибольшей выработки можно достичь при максимальном использовании грузоподъемности, минимальном времени ожидания погрузочно-разгрузочных работ и учете ряда других факторов.
Терминальная система содержит четыре подсистемы:
- подвоза-развоза грузов на терминалы;
- переработки грузов на терминалах;
- перевозок между терминалами;
- сквозных перевозок.
При такой организации перевозок движение автомобилей на подвозо-развозочных маршрутах ограничено сферой деятельности терминала. Движение межтерминальных автопоездов ограничено протяженностью магистралей между терминалами.
Практика рыночного развития экономики в Казахстане привела к массовому сооружению и реконструкции складских и терминальных комплексов. Сегодня в стране действуют тысячи терминалов различной мощности и специализации. По мере стабилизации экономики терминалы станут естественным элементом инфраструктуры для внутреннего транспортного рынка.[1]
Цель работы: решить план по оптимизации перевозочного процесса на заданном полигоне с помощью внедрения терминальной технологии.
1 Существующая технология транспортного обслуживания предприятий.
1.1 Краткая характеристика предприятия обслуживания
Зоны полигона
1 2 3 4 5
Терминалы: А Б В Г
- контейнерные станции отдельных зон полигона, номер станции соответствует номеру зоны;
- терминалы.
Среднее расстояние между терминалами 250 км. Среднее расстояние от контейнерной станции до магистрали 25 км. Схема сети дорог полигона включает в себя пять контейнерных станций и четыре терминала.
Рисунок 1. Схема сети дорог полигона (терминальные технологии)
1.2 Объемы перевозок
Таблица 1. Объем перевозок (конт./сут.)
|
потр. |
1 |
2 |
3 |
4 |
5 |
|
пост. |
|||||
|
1 |
- |
10 |
12 |
2 |
- |
|
2 |
6 |
- |
6 |
- |
4 |
|
3 |
- |
- |
- |
16 |
4 |
|
4 |
10 |
12 |
- |
- |
- |
|
5 |
- |
8 |
12 |
- |
- |
Грузовая единица контейнер.
Контейнер - стандартная ёмкость, служащая для бестарной перевозки грузов различными видами транспорта. Он является как бы съёмным органом (кузовом) транспортных средств (автомобилей), который приспособлен для механизированной погрузки, выгрузки и перегрузки с одного вида транспорта на другой. [2]
Таблица 2 Технические характеристики контейнера
|
Характеристика |
Значение |
|
Грузоподъемность, кг |
1500 |
|
Длина, мм |
2000 |
|
Ширина, мм |
1200 |
|
Высота, мм |
1000 |
|
Объем, м3 |
1,8 |
Зоны полигона
1 2 3 4 5
Рисунок 2 . Схема транспортных связей (объемы перевозок
Зоны полигона
1 2 3 4 5
Рисунок 3. Схема транспортных связей (расстояния по сети дорог)
Зоны полигона
1 2 3 4 5
Рисунок 4. Диаграмма грузопотоков
1.3 Характеристика дорожной сети между корреспондирующими объектами
Автомобильные дороги по транспортно-эксплуатационным качествам и потребительским свойствам разделяют на категории в зависимости от: - количества и ширины полос движения;- наличия центральной разделительной полосы;- типа пересечений с автомобильными, железными дорогами, трамвайными путями, велосипедными и пешеходными дорожками;- условий доступа на автомобильную дорогу с примыканий в одном уровне.[2]
Таблица 3. Техническая классификация автомобильных дорог общего пользования
|
Класс автомобильной дороги |
Категория автомобильной дороги |
Общее количество полос движения |
Ширина полосы движения, м |
Центральная разделительная полоса |
Пересечения с автомобильными дорогами, велосипедными и пешеходными дорожками |
Пересечения с железными дорогами и трамвайными путями |
Доступ на дорогу с примыкания в одном уровне |
|
Автомагистраль |
IА |
4 и более |
3,75 |
Обязательна |
В разных уровнях |
Не допускается |
|
|
Скоростная дорога |
IБ |
4 и более |
3,75 |
Допускается без пересечения прямого направления |
|||
|
Дорога обычного типа (нескоростная дорога) |
IB |
4 и более |
3,75 |
Обязательна |
Допускаются пересечения в одном уровне со светофорным регулированием |
В разных уровнях |
|
|
II |
4 |
3,5 |
Допускается отсутствие |
Допускается |
|||
|
2 или 3 |
3,75 |
Не требуется |
Допускаются пересечения в одном уровне |
||||
|
III |
2 |
3,5 |
|||||
|
IV |
2 |
3,0 |
Допускаются пересечения в одном уровне |
||||
|
V |
1 |
4,5 и более |
По заданным условиям автомагистральная дорога относится к I категории, подъездной путь III категория.
1.4 Характеристика типов подвижного состава для обслуживания перевозок

Рисунок 5.Самопогрузчик Fоtоn BJ [8]
Таблица 4. Технические характеристики самопогрузчика Fоtоn BJ
|
Характеристики |
Значение |
|
Грузоподъемность, кг |
3500 |
|
Колесная формула |
4х2 |
|
Внешние габариты, мм |
8000х2530х2170 |
|
Размеры платформы, мм |
6200х2480х550 |
|
Полная масса, кг |
10500 |
|
Расход топлива, л/100 км |
14 (дизельное топливо) |
|
Стоимость, тенге |
2000000 |

Рисунок 6. Самопогрузчик FоtоnАumаn [8]
Таблица 5 Технические характеристики самопогрузчика FоtоnАumаn
|
Характеристики |
Значение |
|
Грузоподъемность, кг |
9000 |
|
Колесная формула |
4х2 |
|
Внешние габариты, мм |
9000х2490х3500 |
|
Размеры платформы, мм |
6400х2500х550 |
|
Полная масса, кг |
17200 |
|
Расход топлива, л/100 км |
21 (дизельное топливо) |
|
Стоимость, тенге |
2500000 |

Рисунок 7. Автопоезд КамАЗ 5410 и бортового полуприцепа ОдАЗ [8]
Таблица 6 Технические характеристики автопоезда КамАЗ 5410 и бортового полуприцепа ОдАЗ
|
Характеристики |
Значение |
|
Грузоподъемность, кг |
15000 |
|
Колесная формула |
4х2 |
|
Внешние габариты, мм |
12800х2550х3500 |
|
Размеры платформы, мм |
10500х2480х600 |
|
Полная масса тягача, кг |
14900 |
|
Расход топлива, л/100 км |
28 (дизельное топливо) |
|
Стоимость, тенге |
2600000 |

Рисунок 7. Автопоезд КамАЗ 4308 [8]
Таблица 7. Технические характеристики автопоезда КамАЗ 4308
|
Характеристики |
Значение |
|
Грузоподъемность, кг |
20000 |
|
Колесная формула |
6х4 |
|
Внешние габариты, мм |
15200х2650х3500 |
|
Размеры платформы, мм |
13600х2550х600 |
|
Полная масса тягача, кг |
15000 |
|
Расход топлива, л/100 км |
34 (дизельное топливо) |
|
Стоимость, тенге |
3000000 |

Рисунок 8. Автопоезд КамаАЗ 54115 и полуприцеп НефАЗ 9334 [8]
Таблица 8 Технические характеристики автопоезда КамаАЗ 54115 и полуприцеп НефАЗ 9334
|
Характеристики |
Значение |
|
Грузоподъемность, кг |
23000 |
|
Колесная формула |
6х4 |
|
Внешние габариты, мм |
15800х2650х3500 |
|
Размеры платформы, мм |
14200х2500х600 |
|
Полная масса тягача, кг |
16000 |
|
Расход топлива, л/100 км |
38 (дизельное топливо) |
|
Стоимость, тенге |
3400000 |
1.5 Характеристика постов погрузки выгрузки груза
Грузовой двор комплекс сооружений и устройств, предназначенных для приёма, погрузки, выгрузки, сортировки грузов и их краткосрочного хранения. В зависимости от объёма и структуры грузопотока. Грузовой двор может быть общего типа и специализированный по роду груза. В комплекс сооружений механизированного грузового двора входят открытые механизированные цехи перегрузки контейнеров и других грузов. Грузовой двор имеет устройства для определения веса груза, проверки габарита погрузки, средства связи, водопровод, осветительную сеть и противопожарные средства. На крупных станциях оптимальная расстановка автомобилей для централизованного завоза и вывоза грузов производится с помощью ЭВМ. На территории грузового двора размещаются товарная контора, информационное бюро, контора грузового двора, служебные помещения, ремонтные мастерские, гаражи. Погрузочно-разгрузочные работы осуществляются козловым краном. [4]

Рисунок 9.Схема погрузовыгрузочного поста /4/: 1-кран; 2-кабина крановщика; 3-захватное устройство; 4-тележка крана; 5-подкрановый путь; 6-АТС; 7-грузовая единица (контейнер).
Размещение груза на автомобиле (самопогрузчик)
1. Fоtоn BJ при q=3500 кг (6200х2480х550)
Разместится 2 контейнера по 1500 кг.
Вес перевозимого груза: 3000кг.
6200
2480
1200
2000
Рисунок 10. Размещение груза на автомобиле Fоtоn BJ
2. FоtоnАumаnпри q=9000 кг (6400х2500х550)
Разместится 6 контейнеров по 1500 кг.
Вес перевозимого груза: 9000кг.
6400
2500
1200
2000
Рисунок 11.Размещение груза на автомобиле FоtоnАumаn
Размещение груза на автомобиле (автопоезд)
1. КамаАЗ 5410 и бортового полуприцепа ОдАЗпри q=15000 кг (10500х2480х600)
Разместится 10 контейнеров по 1500 кг.
Вес перевозимого груза: 15000кг.
10500
2480
1200
2000
Рисунок 12. Размещение груза на автомобиле КамаАЗ 5410 и бортового полуприцепа ОдАЗ
2. Автопоезд КамаАЗ 4308 при q=20000 кг (13600х2550х600)
Разместится 12 контейнеров по 1500 кг.
Вес перевозимого груза: 18000кг.
7200 6400
2480
1200
2000
Рисунок 13. Размещение груза на автомобиле КамаАЗ 4308
3. Автопоезд КамАЗ 54115 и полуприцеп НефАЗ 9334 при q=23000 кг (14200х2500х600)
Разместится 14 контейнеров по 1500 кг.
Вес перевозимого груза: 21000кг.
14200
2500
1200
2000
Рисунок 14. Размещение груза на автомобиле КамАЗ 54115
1.6 Введение маршрутизации
Маршрутизация заключается в разработке таких маршрутов движения, которые обеспечивают наилучшее использование пробега. Выбор маршрута зависит от дислокации погрузо-разгрузочных пунктов, рода грузов, размеров партии и типов ПС, а так же времени выполнения заказов. При разработке маршрута, необходимо учитывать, что наиболее целесообразна организация движения по маятниковым маршрутам с обратным полностью или не полностью загруженным пробегом.
Кольцевые маршруты организуются в тех случаях, где не возможна организация маятниковых маршрутов с использованием обратных пробегов. При составлении кольцевых маршрутов, необходимо проанализировать все возможные варианты, чтобы выбрать такие, которые обеспечивают наивысший коэффициент пробега.
Количество груза на определенном маршруте часто не обеспечивает полной загрузки ПС. Правильное составление маршрутов, обеспечивает высокий коэффициент использования пробега, следовательно, обеспечивает повышение производительности ПС и снижение себестоимости перевозок. Разработка маршрутов проводится с помощью экономико-математических методов. [7]
Построение матрицы груженых и порожних ездок
Матрица груженых ездок
План груженных ездок дан в задании, то есть он не может быть оптимизирован, так как является обязательным к выполнению.
|
1 |
2 |
3 |
4 |
5 |
||
|
1 |
- |
10 |
12 |
2 |
- |
24 |
|
2 |
6 |
- |
6 |
- |
4 |
16 |
|
3 |
- |
- |
- |
16 |
4 |
20 |
|
4 |
10 |
12 |
- |
- |
- |
22 |
|
5 |
- |
8 |
12 |
- |
- |
20 |
|
16 |
30 |
30 |
18 |
8 |
102 |
Рисунок 14. План груженных ездок
Матрица порожних ездок
Для построения оптимального плана порожних ездок используем экономико математические методы, план может быть оптимизирован используя метод потенциалов. Потенциалами будут является расстояния от поставщика к потребителю.
Исходный план порожних ездок оптимален, соответственно следующим шагом будет являться построение совмещенной матрицы порожних и груженных ездок, эта матрица включает в себя план груженных ездок и оптимальный план порожних ездок.
Определение маятниковых маршрутов с обратным порожним и груженым пробегом, кольцевых маршрутов.
Выделяем маятниковые маршруты с обратным порожним пробегом, количество маршрутов будет минимальным из двух показателей. Из совмещенной матрицы груженных и порожних ездок извлекаем следующие маятниковые маршруты с обратным порожним пробегом:
|
1 |
2 |
3 |
4 |
5 |
||
|
1 |
0 16 |
300 800 |
550 8 |
800 |
1050 |
24 |
|
2 |
300 |
0 16 |
300 |
1600 |
800 |
16 |
|
3 |
800 |
1350 |
0 20 |
300 |
550 |
20 |
|
4 |
800 |
550 4 |
0 18 |
22 |
||
|
5 |
800 10 |
550 2 |
0 8 |
20 |
||
|
16 |
30 |
30 |
18 |
8 |
102 |
Рисунок 12 Исходный план порожних ездок
Построение совмещенной матрицы
Совмещенная матрица включает в себя данные по количеству груженых ездок и оптимальный план порожних ездок.
|
1 |
2 |
3 |
4 |
5 |
|
|
1 |
16 |
(10) |
8(12) |
(2) |
|
|
2 |
(6) |
16 |
(6) |
(4) |
|
|
3 |
20 |
(16) |
(4) |
||
|
4 |
(10) |
4(12) |
18 |
||
|
5 |
10(8) |
2(12) |
8 |
(….) груженые ездки
Рисунок 15. Совмещенная матрица порожних и груженных ездок
1) 13-31 х 8
2) 42-24 х 4
3) 52-25 х 8
4) 53-35 х 2
После чего получаем следующую матрицу.
|
1 |
2 |
3 |
4 |
5 |
|
|
1 |
16 |
(10) |
(4) |
(2) |
|
|
2 |
(6) |
16 |
(6) |
(4) |
|
|
3 |
20 |
(16) |
(4) |
||
|
4 |
(10) |
(8) |
18 |
||
|
5 |
2 |
(10) |
8 |
Рисунок 16. Итерация № 1
Вследствие данной итерации выявлены следующие маятниковые маршруты с обратным груженным пробегом:
5) 12-22-21-11 х 6
6) 35-55-53-33 х 4
|
1 |
2 |
3 |
4 |
5 |
|
|
1 |
10 |
(4) |
(4) |
(2) |
|
|
2 |
10 |
(6) |
(4) |
||
|
3 |
16 |
(16) |
|||
|
4 |
(10) |
(8) |
18 |
||
|
5 |
2 |
(6) |
4 |
Рисунок 17. Итерация № 2
Вследствие данной итерации выявлен следующий кольцевой маршрут:
7) 13-33-34-44-41-11 х 4
|
1 |
2 |
3 |
4 |
5 |
|
|
1 |
6 |
(4) |
(2) |
||
|
2 |
10 |
(6) |
(4) |
||
|
3 |
12 |
(12) |
|||
|
4 |
(6) |
(8) |
14 |
||
|
5 |
2 |
(6) |
4 |
Рисунок 18. Итерация № 3
Вследствие данной итерации выявлен следующий кольцевой маршрут:
8) 12-22-23-33-34-44-41-11 х 4
|
1 |
2 |
3 |
4 |
5 |
|
|
1 |
2 |
(2) |
|||
|
2 |
6 |
(2) |
(4) |
||
|
3 |
8 |
(8) |
|||
|
4 |
(2) |
(8) |
10 |
||
|
5 |
2 |
(6) |
4 |
Рисунок 19. Итерация № 4
Вследствие данной итерации выявлен следующий маятниковый маршрут с обратным груженным пробегом:
9) 14-44-41-11 х 2
|
1 |
2 |
3 |
4 |
5 |
|
|
1 |
|||||
|
2 |
6 |
(2) |
(4) |
||
|
3 |
8 |
(8) |
|||
|
4 |
(8) |
8 |
|||
|
5 |
2 |
(6) |
4 |
Рисунок 20. Итерация № 5
Вследствие данной итерации выявлен следующий кольцевой маршрут:
10) 23-33-34-44-42-22 х 2
|
1 |
2 |
3 |
4 |
5 |
|
|
1 |
|||||
|
2 |
4 |
(4) |
|||
|
3 |
6 |
(6) |
|||
|
4 |
(6) |
6 |
|||
|
5 |
2 |
(6) |
4 |
Рисунок 21. Итерация № 6
Вследствие данной итерации выявлен следующий кольцевой маршрут:
11) 25-55-53-33-34-44-42-22 х 4
|
1 |
2 |
3 |
4 |
5 |
|
|
1 |
|||||
|
2 |
|||||
|
3 |
2 |
(2) |
|||
|
4 |
(2) |
2 |
|||
|
5 |
2 |
(2) |
Рисунок 22. Итерация № 7
Вследствие данной итерации выявлен следующий кольцевой маршрут:
12) 34-44-42-22-23-33 х 2
В итоге, после введения схем маршрутизации получилось 4 маятниковых маршрутов с обратным порожним пробегом, 3 маршрутов с обратным груженым пробегом и 5 кольцевых маршрутов.
Полученные маршруты после введения схем маршрутизации заносим в таблицу 9.
Таблица 4. Маршруты перевозок после введения схем маршрутизации
|
№ |
Маршрут |
Q, конт./сут. |
|
|
1 |
13 31 |
550 |
8 |
|
2 |
42 24 |
550 |
4 |
|
3 |
52 25 |
800 |
8 |
|
4 |
53 35 |
550 |
2 |
|
5 |
12-22-21-11 |
300 |
6 |
|
6 |
35 55 53 33 |
550 |
4 |
|
7 |
13 33 34 44 41 11 |
550+300+800 |
4 |
|
8 |
12 22 23 33 34 44 41 11 |
300+300+300+800 |
4 |
|
9 |
14 44 41 11 |
800 |
2 |
|
10 |
23 33 34 44 42 22 |
300+300+550 |
2 |
|
11 |
25 55 53 33 34 44 42 22 |
800+550+300+550 |
4 |
|
12 |
34 44 42 22 23 33 |
300+550+300 |
2 |
1.7 Построение графиков движения автомобилей по прямому варианту (турная езда)
Таблица 5. График движения автомобилей по прямому варианту для маршрута 13 31 (конт./сут.)

Для выполнения полного оборота необходимо вернуть порожние контейнеры в пункт отправления (п.1), следовательно, время оборота составит:
Таблица 6. График движения автомобилей по прямому варианту для маршрута 42 24 (конт./сут.)

Для выполнения полного оборота необходимо вернуть порожние контейнеры в пункт отправления (п.4), следовательно, время оборота составит:
Таблица 7. График движения автомобилей по прямому варианту для маршрута 52 25 (конт./сут.)

Для выполнения полного оборота необходимо вернуть порожние контейнеры в пункт отправления (п.5), следовательно, время оборота составит:
Таблица 7. График движения автомобилей по прямому варианту для маршрута 53 35 (конт./сут.)

Для выполнения полного оборота необходимо вернуть порожние контейнеры в пункт отправления (п.5), следовательно, время оборота составит:
Таблица 8. График движения автомобилей по прямому варианту для маршрута 12 22 21 11 (конт./сут.)

Для выполнения полного оборота необходимо вернуть порожние контейнеры в пункт отправления (п.1, п.2), следовательно, время оборота составит:
Таблица 9. График движения автомобилей по прямому варианту для маршрута 35 55 53 33 (конт./сут.)

Для выполнения полного оборота необходимо вернуть порожние контейнеры в пункт отправления (п.3, п.5), следовательно, время оборота составит:
Таблица 10. График движения автомобилей по прямому варианту для маршрута 13 33 34 44 41 11 (конт./сут.)

Для выполнения полного оборота необходимо вернуть порожние контейнеры в пункт отправления (п.1, п.3 и п.4), следовательно, время оборота составит:
Таблица 11. График движения автомобилей по прямому варианту для маршрута 12 22 23 33 34 44 41 11 (конт./сут.)

Для выполнения полного оборота необходимо вернуть порожние контейнеры в пункт отправления (п.1, п.2, п.3 и п.4), следовательно, время оборота составит:
Таблица 12. График движения автомобилей по прямому варианту для маршрута 14 44 41 11 (конт./сут.)

Для выполнения полного оборота необходимо вернуть порожние контейнеры в пункт отправления (п.1, п.4), следовательно, время оборота составит:
Таблица 13. График движения автомобилей по прямому варианту для маршрута 23 33 34 44 42 22 (конт./сут.)

Для выполнения полного оборота необходимо вернуть порожние контейнеры в пункт отправления (п.2, п.3 и п.4), следовательно, время оборота составит:
Таблица 14. График движения автомобилей по прямому варианту для маршрута 25 55 53 33 34 44 42 22 (конт./сут.)

Продолжение таблицы 14.

Для выполнения полного оборота необходимо вернуть порожние контейнеры в пункт отправления (п.2, п.5, п.3 и п.4), следовательно, время оборота составит:
Таблица 15. График движения автомобилей по прямому варианту для маршрута 34 44 42 22 23 33 (конт./сут.)

Для выполнения полного оборота необходимо вернуть порожние контейнеры в пункт отправления (п.3, п.4 и п.2), следовательно, время оборота составит:
1.8 Расчет количества автомобилей после введения схем маршрутизации
Для определения количества автомобилей на каждом маршруте необходимо определить время оборота ().[7]
На маршрутах работают самопогрузчики грузоподъемностью 2 контейнера, доставка осуществляется по прямому варианту, без использования терминальной технологии.
Время оборота автомобиля на маршруте определяем согласно Постановлению от 25 июня 1999 г. № 16 «Об утверждении положения о рабочем времени и времени отдыха водителей автомобилей». [3]
На примере маршрута 13 31 (таблица 10) в самопогрузчик FоtоnBJ грузоподъемностью 2 контейнера в пункте 1 осуществляется погрузка 2 контейнеров (время погрузки разгрузки 1 контейнера 10 мин.), затем автомобиль начинает движение до пункта 3.
Согласно п.14 Постановления от 25 июня 1999 г. № 16 «Об утверждении положения о рабочем времени и времени отдыха водителей автомобилей» после первых 3-х часов непрерывного управления автомобилем предусматривается остановка для кратковременного отдыха водителя продолжительностью не менее 15 мин, в дальнейшем остановка такой продолжительности предусматривается не более чем через каждые 2 часа. Водителям предоставляется перерыв для отдыха и питания продолжительностью не более 2-х часов не позднее чем через 4 часа после начала работы. При установленной графиком продолжительности ежедневного рабочего времени более 8 часов водителю предоставляется 2 перерыва для отдыха и питания общей продолжительностью не более 2 часов (п. 19). На междугородных перевозках при суммированном учете рабочего времени продолжительность ежедневного (междусменного) отдыха в пунктах оборота или в промежуточных пунктах может быть установлена не менее продолжительности времени предшествующей смены, а если экипаж автомобиля состоит из 2-х водителей, - не менее половины времени этой смены с соответствующим увеличением времени отдыха непосредственно после возвращения к месту постоянной работы (п. 20).
После прибытия самопогрузчика в пункт 3 осуществляется разгрузка 2 контейнеров, затем выполняется погрузка 2 порожних контейнеров для возврата в пункт 1 (согласно данному Постановлению). В результате получили время оборота (, которое заносим в таблицу 11.
Аналогично определяем время оборота других маршрутов и заносим в таблицу 11.
Время оборота, находим по формулам:
- для маятниковых маршрутов с обратным порожним пробегом:

- для маятниковых маршрутов с обратным груженым пробегом:

- для кольцевых маршрутов:

где L суммарная длина кольцевого маршрута, км;
n количество полных циклов погрузки выгрузки, ед.
Количество всех оборотов находится по формуле:
(4)
где Q объем перевозок, контейнер/сут.
q грузоподъемность автомобиля, контейнер.
Время одного оборота определяется по формуле:
(5)
Пример:
Маятниковый маршрут с обратным порожним пробегом (13 31):
Время оборота принимаем по графику, (таблица 10)
Дальнейший расчет ведем в табличной форме.
Таблица 16.
|
№ |
Маршрут |
Q, конт./сут. |
Zобщ |
, ч. |
Z1 |
|
|
1 |
13 31 |
550 |
8 |
4 |
31,96 |
0,751 |
|
2 |
42 24 |
550 |
4 |
2 |
31,96 |
0,751 |
|
3 |
52 25 |
800 |
8 |
4 |
40,96 |
0,586 |
|
4 |
53 35 |
550 |
2 |
1 |
31,96 |
0,751 |
|
5 |
12-22-21-11 |
300 |
6 |
3 |
35,92 |
0,668 |
|
6 |
35 55 53 33 |
550 |
4 |
2 |
60,92 |
0,394 |
|
7 |
13 33 34 44 41 11 |
550+300+800 |
4 |
2 |
88,88 |
0,270 |
|
8 |
12 22 23 33 34 44 41 11 |
300+300+300+800 |
4 |
2 |
91,84 |
0,261 |
|
9 |
14 44 41 11 |
800 |
2 |
1 |
80,92 |
0,297 |
|
10 |
23 33 34 44 42 22 |
300+300+550 |
2 |
1 |
63,88 |
0,376 |
|
11 |
25 55 53 33 34 44 42 22 |
800+550+300+550 |
4 |
2 |
113,84 |
0,211 |
|
12 |
34 44 42 22 23 33 |
300+550+300 |
2 |
1 |
63,88 |
0,376 |
Количество автомобилей, находим по формуле:
(6)
где Z1 - время одного оборота;
Zобщ количество всех оборотов.
Пример:
Маятниковый маршрут с обратным порожним пробегом (13 31):
Дальнейший расчет ведем в табличной форме.
Таблица 17. Количество автомобилей, необходимое после введения схем маршрутизации.
|
№ |
Маршрут |
Q, конт./сут. |
А, шт. |
|
|
1 |
13 31 |
550 |
8 |
5,33 |
|
2 |
42 24 |
550 |
4 |
2,66 |
|
3 |
52 25 |
800 |
8 |
6,83 |
|
4 |
53 35 |
550 |
2 |
1,33 |
|
5 |
12-22-21-11 |
300 |
6 |
4,49 |
|
6 |
35 55 53 33 |
550 |
4 |
5,08 |
|
7 |
13 33 34 44 41 11 |
550+300+800 |
4 |
7,41 |
|
8 |
12 22 23 33 34 44 41 11 |
300+300+300+800 |
4 |
7,66 |
|
9 |
14 44 41 11 |
800 |
2 |
3,37 |
|
10 |
23 33 34 44 42 22 |
300+300+550 |
2 |
2,66 |
|
11 |
25 55 53 33 34 44 42 22 |
800+550+300+550 |
4 |
9,48 |
|
12 |
34 44 42 22 23 33 |
300+550+300 |
2 |
2,66 |
|
= 58,96 |
После введения схем маршрутизации для выполнения заданного объема необходимо 58,96 автомобилей.
1.9 Анализ схем маршрутизации
1.9.1 Анализ недостатков после введения схем маршрутизации транспортного обслуживания магистральных перевозок и предложения по рационализации технологии освоения заданного объема перевозок по полигону обслуживания
Недостатками полученной технологии транспортного обслуживания магистральных перевозок являются:
- магистральные перевозки осуществляются малой грузоподъемностью;
- большое количество встречных перевозок;
- несогласованность маршрутов.
В результате анализа недостатков полученной технологии необходимы следующие внедрения по совершенствованию перевозочного процесса:
- расширение парка подвижного состава с большей грузоподъемностью (на подъездных путях перевозка осуществляется самопогрузчиками, на магистрали автопоезда);
- использование терминальной технологии;
- внедрение сборно развозочных маршрутов.
2 Техническое и технологическое обоснование магистральных перевозок с использованием терминальных технологий
2.1 Введение сборно развозочных маршрутов
Разновидностями кольцевых маршрутах являются развозочные, сборные и сборно-развозочные маршруты.
Развозочным называется такой маршрут, при котором продукция загружается у одного поставщика и развозится нескольким потребителям. Сборный маршрут это маршрут движения, когда продукция получается у нескольких поставщиков и доставляется одному потребителю. Сборно - развозочный маршрут это сочетания развозочного и сборного маршрутов.[7]
Маршрут № 1 включает в себя маршруты (№1, №7, №8, №9) с общими терминалами «А» и «В» , также в данный маршрут включается прямая доставка из пункта 3 в пункт 4 (№10, №11, №12).
Маршрут № 2 включает в себя маршруты (№2, №10, №11, №12) с общим терминалом «В» , также в данный маршрут включается прямая доставка из пункта 2 в пункт 3 (№8, №10, №12).
Маршрут № 3 включает в себя маршруты (№3, №11) с общими терминалами «Б» и «Г».
Маршрут № 4 включает в себя маршруты (№4, №6, №11) с общими терминалами «В» и «Г».
Маршрут № 5 (прямая доставка) включает в себя маршруты (№5, №8).
Таблица 18. Маршруты перевозок после введения сборно развозочных маршрутов
|
№ |
Маршрут |
Q, конт./сут. |
|
|
1 |
1А АБ Б3 34 4В ВА А1 |
550+300+800 |
14 |
|
2 |
4В ВБ Б2 23 |
550+300 |
12 |
|
3 |
2Б БГ Г5 5Г ГБ Б2 |
800 |
8 |
|
4 |
3В ВГ Г5 5Г ГВ В3 |
550 |
10 |
|
5 |
12 22 21 11 (прямая доставка) |
300 |
6 |
2.2 Построение графиков движения автомобилей после введения сборно развозочных маршрутов (турная езда)
Таблица 19. График движения автомобилей сборно развозочного маршрута 1А АБ Б3 34 4В ВА А1 (конт./сут.)

Продолжение таблицы 19

Продолжение таблицы 19

Продолжение таблицы 19

Продолжение таблицы 19

Совмещение с маршрутом №1, №8, №9 и прямая доставка по маршруту №10, №11 и №12 (таблица 23)
Таблица 20. График движения автомобилей сборно развозочного маршрута 4В ВБ Б2 23 (конт./сут.)

Продолжение таблицы 20

Продолжение таблицы 20

Совмещение с маршрутом №2, №10, №11 и прямая доставка по маршруту №8, №10 и №12 (таблица 23)
Таблица 21. График движения автомобилей сборно развозочного маршрута 2Б БГ Г5 5Г ГБ Б2 (конт./сут.)

Продолжение таблицы 21

Совмещение с маршрутом №3 (таблица 23)
Таблица 22 График движения автомобилей сборно развозочного маршрута 3В ВГ Г5 5Г ГВ В3 (конт./сут.)

Продолжение таблицы 22

Совмещение с маршрутом №4 и №11 (таблица 23)
Таблица 23. График движения автомобилей сборно развозочного маршрута 12 22 21 - 11 (конт./сут.)

Продолжение таблицы 23

Совмещение с маршрутом №8 (таблица 23)
2.3 Расчет количества автомобилей после введения сборно развозочных маршрутов
Время оборота автомобиля на маршруте определяем согласно графикам движения автомобилей сборно развозочных маршрутов.
Пример:
Для маршрута 1А АБ Б3 34 4В ВА А1:
Время оборота принимаем по графику, (таблица 25)
Дальнейший расчет ведем в табличной форме.
Таблица 24. Количество автомобилей, необходимое после введения сборно-развозочных маршрутов.
|
№ |
Маршрут |
Q, конт./сут. |
Zобщ |
, ч. |
Z1 |
АР, шт. |
|
|
1 |
1А АБ Б3 34 4В ВА А1 |
550+300+800 |
14 |
1 |
209,55 |
0,115 |
8,70 |
|
2 |
4В ВБ Б2 23 |
550+300 |
12 |
1 |
100,5 |
0,239 |
4,18 |
|
3 |
2Б БГ Г5 5Г ГБ Б2 |
800 |
8 |
0,8 |
97,36 |
0,247 |
3,24 |
|
4 |
3В ВГ Г5 5Г ГВ В3 |
550 |
10 |
1 |
70,41 |
0,341 |
2,93 |
|
5 |
12 22 21 11 (прямая доставка) |
300 |
6 |
1 |
64,84 |
0,370 |
2,70 |
|
= 21,75 |
Вывод: для выполнения заданного объема перевозок при введении схем маршрутизации (1 вариант) необходимо 58,96 автомобилей, при введении сборно развозочных маршрутов (2 вариант) 21,75. Следовательно, введение сборно развозочных маршрутов (2 вариант) является более эффективным, так как позволяет сократить количество автомобилей на 37,21.
2.4 Сравнение технических показателей после введения схем маршрутизации и сборно развозочных маршрутов
Списочное количество автомобилей, находим по формуле:
(7)
где А р рабочее количество автомобилей;
Пример:
Таблица 24. Сравнение технических показателей после введения схем маршрутизации и сборно развозочных маршрутов
|
Q, конт./сут. |
|
Ар, шт. |
Ас, шт. |
||
|
После введения схем маршрутизации |
44437,51 |
50 |
4102,21 |
59 |
69 |
|
После введения сборно развозочных маршрутов |
7338,64 |
50 |
2942 |
22 |
26 |
Вывод: при сравнении технических показателей после введения схем маршрутизации и сборно развозочных маршрутов получили, что сократился общий пробег автомобилей на 37098,87 км и автомобиле часы на 1160,21.
3. ОХРАНА ТРУДА
3.1 Анализ вредных и опасных производственных факторов
Имеющийся в настоящее время комплекс разработанных организационных мероприятий и технических средств защиты, накопленный опыт работы ряда вычислительных центров (ВЦ) показывает, что имеется возможность добиться значительно больших успехов в деле устранения воздействия наработающих опасных и вредных производственных факторов.
Опасным называется производственный фактор, воздействие которого на работающего человека в определенных условиях приводит к травме или другому внезапному резкому ухудшению здоровья. Если же производственный фактор приводит к заболеванию или снижению трудоспособности, то его считают вредным. В зависимости от уровня и продолжительности воздействия вредный производственный фактор может стать опасным. Опасные и вредные производственные факторы подразделяются на четыре группы: физические, химические, биологические и психофизические.
Медицинские обследования работников ВЦ показали, что помимо снижения производительности труда высокие уровни шума приводят к ухудшению слуха. Длительное нахождение человека в зоне комбинированного воздействия различных неблагоприятных факторов может привести к профессиональному заболеванию.[11]
3.2 Мероприятия по обеспечению безопасности и безвредных условий труда
Принципы и методы обеспечения безопасности относятся к частным, специальным в отличие от общих методов, присущих диалектике и логике. Методы и принципы определенным образом взаимосвязаны.
Средства обеспечения безопасности - это конструктивное, организационное, материальное воплощение, конкретная реализация принципов и методов.
Принципы, методы и средства обеспечения безопасности - это логические этапы обеспечения безопасности. Выбор их зависит от конкретных условий деятельности, уровня опасности, стоимости и других критериев.
Для обеспечения безопасности, исходя из способов защиты, применяют средства коллективной защиты и средства индивидуальной защиты.
По техническому исполнению средства коллективной защиты подразделяются на следующие группы: ограждения, блокировочные, тормозные, предохранительные устройства, световая и звуковая сигнализация и, приборы безопасности, цвета сигнальные, знаки безопасности, устройства автоматического контроля, дистанционного управления, заземления и зануления, вентиляция, отопление, освещение, изолирующие, герметизирующие средства и др.
К средствам индивидуальной защиты относятся противогазы и респираторы, маски, различные виды специальной одежды и обуви, рукавицы, перчатки, каски, шлемы, противошумные шлемы, защитные очки, вкладыши, предохранительные пояса, дерматологические средства и др. Эти средства создаются согласно действующим нормам. [11]
3.3 Технические средства электрической безопасности
Техника безопасности в электроустановках (электробезопасность) это система организационных и технических мероприятий и средств, обеспечивающих защиту людей от вредного и опасного воздействия электрического тока, электрической дуги, электромагнитного поля и статистического электричества.
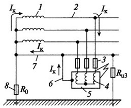
Повышение электробезопасности в установках достигается применением систем защитного заземления, зануления, защитного отключения и других средств и методов защиты, в том числе знаков безопасности и предупредительных плакатов и надписей. [12]
Защитное заземление представляет собой преднамеренное электрическое соединение металлических частей электроустановок с землей (рисунок 21). [11]
При наличии заземления вследствие стекания тока на землю напряжение прикосновения уменьшается и, следовательно, ток, проходящий через человека, оказывается меньше, чем в незаземленной установке. Чтобы напряжение на заземленном корпусе оборудования было минимальным, ограничивают сопротивление заземления.

Рисунок 21 Схема защитного заземления в сети с изолированной нейтралью: 1 токоприемник; 2 заземлитель. /11/
Зануление состоит в преднамеренном соединении металлических не токоведущих частей оборудования, которые могут оказаться под напряжением вследствие пробоя изоляции, с нулевым защитным проводником (рисунок 22).[11]

Рисунок 22 Схема зануления в трехфазной четырехпроводной сети с заземленной нейтралью: 1 трансформатор; 2 сеть; 3 предохранитель; 4 обмотка электродвигателя; 5 корпус электродвигателя; 6 зануляющий проводник; 7 нулевой защитный проводник; 8 сопротивление заземления нейтрали. /11/
При замыкании любой фазы на корпус образуется контур короткого замыкания, характеризуемой силой тока весьма большой величины, достаточной для «выбивания» предохранителей в фазных питающих проводах. Таким образом, электроустановка обесточивается.
Защитное отключение электроустановок обеспечивается путем введения устройства, автоматически отключающего оборудование потребитель тока при возникновении опасности поражения током (рисунок 23). [11]
Схемы отключающихся автоматических устройств весьма разнообразны. Во всех случаях система срабатывает на превышение, какого либо параметра в электрических сетях технологического оборудования (силы тока, напряжения сопротивления изоляции).

Повышение электробезопасности достигается также путем применения изолирующих, ограждающих, предохранительных и сигнализирующих средств защиты.
Изолирующие электрозащитные средства делятся на основные и дополнительные. Основные изолирующие электрозащитные средства способны длительное время выдерживать рабочее напряжение электроустановки, и поэтому ими разрешается касаться токоведущих частей находящихся под напряжением, и работать на этих частях. К таким средствам относятся в электроустановках напряжением до 1000 В диэлектрические резиновые перчатки, инструмент с изолирующими рукоятками и указатели напряжения до 1000 В, в электроустановках напряжением выше 1000 В изолирующие штанги, изолирующие и электроизмерительные клещи, а также указатели напряжения выше 1000 В.
Дополнительные изолирующие электрозащитные средства обладают недостаточной электрической прочностью и поэтому не могут самостоятельно защищать человека от поражения током. Их назначение усилить защитное действие основных изолирующих средств, вместе с которыми они должны применятся. К дополнительным изолирующим средствам относятся: в электроустановках до 1000 В диэлектрические галоши, коврики и изолирующие подставки; в электроустановках выше 1000 В диэлектрические перчатки, боты, коврики изолирующие подставки.
Ограждающие средства защиты предназначены для временного ограждения токоведущих частей (временные переносные ограждения, щиты, ограждения-клетки, изолирующие накладки, изолирующие колпаки).
Сигнализирующие средства включают запрещающие и предупреждающие знаки безопасности, а также плакаты.
Предохранительные средства защиты предназначены для индивидуальной защиты работающего от световых, тепловых и механических воздействий. К ним относятся защитные очки, противогазы, специальные рукавицы и т.д. [11]
3.4 Производственная санитария
При процессах сгорания топлива наиболее интенсивное загрязнение приземного слоя атмосферы происходит в мегаполисах и крупных городах, промышленных центрах ввиду широкого распространения в них автотранспортных средств. Вклад автотранспорта в общее загрязнение атмосферного воздуха достигает здесь 40-50 %.
Большое значение имеет повседневный контроль над автомашинами. Все автохозяйства обязаны следить за исправностью выпускаемых на линию машин. При хорошо работающем двигателе в выхлопных газах окиси углерода должно содержаться не более допустимой нормы. [11]
Создание автомобилей с учетом требований экологии - одна из серьезных задач, которые стоят сегодня перед конструкторами. Совершенствование процесса сгорания топлива в двигателе внутреннего сгорания, применение электронной системы зажигания приводит к уменьшению в выхлопе вредных веществ.
Большое внимание придается разработке устройства снижения токсичности нейтрализаторов, которыми можно оснастить современные автомобили (рисунок 24).
Способ каталитического преобразования продуктов сгорания заключается в том, что отработавшие газы очищаются, вступая в контакт с катализатором. [11]

Рисунок 24 - Принципиальная схема нейтрализации: 1 адсорббционно-каталитический фильтр; 2 доокислительный каталитический фильтр; 3 воздухоотдувка.
Одновременно происходит дожигание продуктов неполного сгорания, содержащихся в выхлопе автомобилей. Нейтрализатор крепят к выхлопной трубе, и газы, прошедшие через него, выбрасываются в атмосферу очищенными. Одновременно устройство может выполнять функции глушителя шума. Эффект от использования нейтрализаторов достигается внушительный: при оптимальном режиме выброс в атмосферу оксида углерода уменьшается на 7080%, а углеводородов на 5070%. [14]
3.5 Система автоматического пожаротушения
Пожарная сигнализация является важной мерой предотвращения крупных пожаров. При отсутствии пожарной сигнализации от момента обнаружения пожара до вызова пожарных подразделений проходит большой промежуток времени, что в большинстве случаев приводит к полному охвату помещения пламенем. Основная задача автоматической пожарной сигнализации обнаружение начальной стадии пожара, передача извещения о месте и времени его возникновения и при необходимости включения автоматических систем пожаротушения и дымоудаления.
Функционально автоматическая пожарная сигнализация состоит из приёмно контрольной станции, которая через сигнальные линии соединена с пожарными извещателями. Задачей сигнальных извещателей является преобразование различных проявлений пожара в электрические сигналы. Приёмно контрольная станция после получения сигнала от первичного извещателя включает световую и звуковую сигнализацию и при необходимости автоматические установки пожаротушения и дымоудаления. Скорость срабатывания автоматической пожарной сигнализации в основном определяется скоростью срабатывания первичныхизвещателей. В настоящее время наиболее часто используют тепловые, дымовые, световые и звуковые пожарные извещатели.
Тепловые извещатели по принципу действия разделяются на максимальные, дифференциальные и максимально дифференциальные. Первые срабатывают при достижении определенной температуры, вторые при определенной скорости нарастания температуры, а третьи от любого значительного изменения температуры.
Дымовые пожарные извещатели обладают меньшей инерционностью по сравнению с тепловыми. Они бывают точечными и линейно объемными. Точечные дымовые извещатели используют ионизационный эффект. В открытой камере извещателя за счет радиоактивного источника происходит ионизация воздуха, что в свою очередь приводит к протеканию между двумя электродами камеры небольшого электрического тока. При попадании дыма в открытую камеру происходит уменьшение электрического тока, в результате чего включается цепь электрического реле. Линейно объемный дымовой извещатель оптического типа работает по принципу изменения силы света при задымлении.
Световые извещеателиработают на принципе регистрации инфракрасного или ультрафиолетого излучения пламени. Они обладают высокой чувствительностью и включают сигнализацию почти немедленно после появления небольшого источника радиационной теплоты в пределах прямой видимости извещателя.
Звуковые пожарные извещатели представляют собой приемопередатчик ультразвуковых колебаний, который настраивают на форму стоячей волны в пределах защищаемого объема. Принцип действия в результате изменения скорости звука в воздушном пространстве из-за влияния образующихся при пожаре конвективных потоков.
Предотвращение развития пожара зависти не только от скорости его обнаружения, но и от выбора средств и способов пожаротушения. [11]
4 ОХРАНА ОКРУЖАЮЩЕЙ СРЕДЫ
4.1 Анализ воздействия на окружающую среду
Оценка воздействия на окружающую среду является одним из важнейших способов и инструментов управления и регулирования природопользования, играющим главнейшую роль в предупреждении возникновения экологических проблем в настоящем и будущем.
Предметом промышленной экологии является то, как снизить загрязнение среды в процессе производства. Причем это не обязательно загрязнение веществами, в том числе и токсичными. Промышленность загрязняет среду теплом, шумом, электромагнитным излучением и пр., которые крайне угнетающе воздействуют как на человека, так и на природу в целом. Так например, воздействие шума является одной из главных причин стрессов и в человеческом обществе и в природе. Не достаточно изучено влияние электромагнитного излучения, особенно слабого. Тепловое загрязнение становится сейчас самым распространенным случаем хронического стресса. Особенно это заметно вблизи тепловых электростанций, высвобождающих в воздух и воду огромное количества тепла. [13]
4.2 Мероприятия по защите окружающей среды
К числу основных направлений развития промышленной экологии можно отнести следующее:
1. Очистка выбросов. Разрабатываются и внедряются все новые системы очистных сооружений, препятствующих попаданию вредных веществ в атмосферу и в водоемы; 2. Совершенствование технологии производства путем повторного использования отходов; 3. Совершенствование добывающих и промысловых отраслей промышленности; 4. Переход на экологически более чистые источники энергии; 5. Снижение вредности транспорта.[13]
4.3 Расчет платежей за загрязнение водоёмов сточными водами
Таблица 33 Вариант расчетного задания
|
№ |
Сброс ЗВ в водоем |
Размещение отходов |
|||||||
|
наимен-ние ЗВ |
ПДСi, т/год |
ВССi, т/год |
Мфi, т/год |
Вид отход. |
Площ-ка для склад. |
Местопол. |
Лимит на размещ. тыс.т/год |
Факт.объем тыс.т/год |
|
|
5 |
Масло тало-вое Нефть |
8,13 4,21 |
- 7,15 |
8,01 8,25 |
Токс. 2 кл. Токс. 3 кл. |
Несанкц. свалка Несанкц. свалка |
В водоохр. зоне В водоохр. зоне |
- - |
0,056 0,113 |
Плата за загрязнение водоёмов сточными водами в наиболее общем случае складывается из трёх частей:
- за сбросы в пределах нормативов (ПДС):
где = 1, 2… К вид ЗВ, суммированием ведётся по всем ЗВ, сбрасываемым в водный объект со сточными водами; ставка платы за сброс Iт го ЗВ в пределах норматива, тенге/ т.
Причём:
, (30)
где базовая ставка платы (общеказахстанская) за сброс одной тонны го ЗВ в пределах норматива ПДС; Кэ вод коэффициент экологической ситуации и экологической значимости водного бассейна в данном регионе; фактический объём сброса го ЗВ за год, т;
31608,87 тенге/т (для масла таллового);
63219,03 тенге/т (для нефти).
- за сбросы в пределах установленных лимитов:

где - вид ЗВ. Суммирование производится только по тем ЗВ, для которых ПДС ставка платы за сброс одной тонны ЗВ в пределах утверждённого лимита, тенге/т.
Как и ранее:
(32)
где базовая ставка платы (общеказахстанская) за сброс одной тонны го ЗВ в пределах лимита ().
158046,93 тенге/т (для масла таллового);
316095,15 тенге/т (для нефти).
18965,63 тенге/год (для масла таллового);
1277024,41 тенге/год (для нефти).
- за сброс сверх лимита (либо за «неразрешённый» сброс):

где m вид ЗВ. Суммирование производится только по тем ЗВ, чей сброс превышает лимит. Для «неразрешённых» сбросов = 0.
6329779,55 тенге/год (для масла таллового);
1738523,33 тенге/год (для нефти).
Таким образом, в общем случае совокупная плата за сброс в водные объекты загрязняющих веществ равна:
5820872,55 + (18965,63 + 1277024,41) + (6329779,55 + 1738523,33) = =15185165,47тенге/год
Расчет платы за размещение отходов
Размер платежа зависит от токсичности отходов, их количества и от места их складирования. В случае, если количества размещенных отходов по видам находятся в пределах утвержденных лимитов, плата рассчитывается следующим образом:
(35)
где i = 1, 2 … z вид отходов, суммируются все виды отходов, размещенные природопользователем; СЛi ОТХ ставка платы за размещение одной тонны отходов i-го вида в пределах лимита.
В свою очередь:
СЛi ОТХ = БЛi ОТХКЭ ОТХ (36)
где БЛi ОТХ базовая ставка платы за размещение отходов i-го вида в пределах лимита; КЭ ОТХ коэффициент экологической ситуации и экологической значимости почв в данном регионе.
СЛi ОТХ = 90001,2 = 10800 тенге/т (для масла талового);
СЛi ОТХ = 60001,2 = 7200 (для нефти).
В случае превышения лимита на размещение отходов плата определяется по формуле:
(37)
где i = 1, 2 … n вид отходов, суммирование производится лишь по тем видам отходов, объем складирования которых превышает лимит.
Если установлен не был, МЛi ОТХ = 0, то есть весь объем размещенных отходов является «неразрешенным» и оплачивается как сверхлимитный.
Если отходы складируются на несанкционированной свалке, необходим учет фактора местоположения этой свалки.
Размер платы в этом случае:
(38)
где i = 1, 2 … t вид отходов, суммирование производится по всем видам отходов, размещенных на несанкционированной свалке; К = 5 в случае расположения свалки вводоохраной зоне.
Взимание платы за загрязнение ОПС не самоцель, оно лишь средство принудить природопользователей к более экологичному хозяйствованию. Экономический механизм управления природопользованием в нашей стране проходит период становления. Для смены типа мышления хозяйственных кадров требуются реальные стимулы и время. Его надо сделать экологичнее, альтернативы этому нет. Именно соответствующая экономико правовая среда наиболее краткий путь к достижению этой цели. [14]
4.4 Чрезвычайные ситуации
4.3.1 Возможные причины аварии, чрезвычайных ситуаций
Чрезвычайная ситуация обстановка, сложившаяся на определённой территории в результате аварии, опасного природного явления, катастрофы, которые могут повлечь за собой человеческие жертвы, ущерб здоровью людей и окружающей среде, значительные материальные потери и нарушение условий жизнедеятельности людей.
ЧС могут произойти при следующих обстоятельствах: наличие источника риска (давление, взрывчатые вещества, радиоактивные вещества); действие факторов риска (выброс газа, взрыв, возгорание); нахождение в очагах поражения людей, сельскохозяйственных животных и угодий. [11]
4.3.2 Мероприятия по защите человека от аварии, чрезвычайных ситуаций
Комплекс мероприятий по защите населения от ЧС включает в себя: оповещение населения об опасности, его информирование о порядке действий в сложившихся чрезвычайных условиях; эвакуацию и рассредоточение; инженерную защиту населения и территорий; радиационную и химическую защиту; медицинскую защиту; обеспечение пожарной безопасности; подготовку населения в области ГО и защиты от ЧС.
Для непосредственной защиты пострадавших от поражающих факторов аварий, катастроф и стихийных бедствий проводятся аварийно-спасательные и другие неотложные работы в зоне ЧС. [15]
4.3.3 Меры по ликвидации последствий чрезвычайных ситуаций
Ликвидация чрезвычайной ситуации осуществляется силами и средствами предприятий, учреждений и организаций независимо от их организационно-правовой формы, органов местного самоуправления, органов исполнительной власти субъектов РК, на территории которых сложилась чрезвычайная ситуация, под руководством соответствующих комиссий по чрезвычайным ситуациям.
К ликвидации ЧС могут привлекаться Вооруженные силы РК, Войска гражданской обороны РК, другие войска и воинские формирования в соответствии с законодательством РК.
Для своевременного и успешного проведения спасательных работ планируется проведение целого ряда неотложных мероприятий: устройство при необходимости проездов в завалах и на загрязненных участках; оборудование временных путей движения транспорта (так называемых колонных путей); локализация аварий на сетях коммунально-энергетических систем; восстановление отдельных поврежденных участков энергетических и водопроводных сетей и сооружений; укрепление и обрушение конструкций зданий и сооружений, препятствующих безопасному проведению спасательных работ. [11]
5 Технико-экономическое обоснование проекта
5.1 Общие сведения
В данной главе производится стоимостный расчет по следующим вариантам, рассмотренным в общей и специальной части. Для этого сопоставляется два варианта.
Вариант № 1
Объем перевозок 50 конт./сут.
Капиталовложения отсутствуют. Задействованы 59 автомобилей (69 списочный состав автомобилей) самопогрузчиков марки FоtоnBJ (3,5 т) для перевозки контейнеров.
Вариант № 2
Объем перевозок 50 конт./сут.
Приобретается в лизинг новый подвижной состав, задействованы 22 автомобиля (26 списочный состав автомобилей): самопогрузчик FоtоnАumаn (9 т), автопоезд КамаАЗ 5410 и бортового полуприцепа ОдАЗ (15 т), автопоезд КамаАЗ 4308 (20 т), автопоезд КамаАЗ 54115 и полуприцеп НефАЗ 9334 (23 т). На терминале погрузо разгрузочныеработы осуществляются с помощью козлового крана.
5.2 Расчёт эксплуатационных затрат по вариантам транспортного обслуживания полигона
Эксплуатационные расходы по варианту рассчитывается по формуле:
Э = Эпост. + Эпер., (8)
где Эпост. постоянные затраты по вариантам транспортного обслуживания полигона, ;
Эпер. - переменные затраты по вариантам транспортного обслуживания полигона, .[9]
5.3 Расчёт постоянных затрат по вариантам транспортного обслуживания полигона
Постоянные затраты рассчитываются по формуле:

где Звод величина фонда заработной платы водителям по варианту, ;
Зрем величина фонда заработной платы ремонтному персоналу по варианту, ;
Зотч сумма отчислений оплаты труда во внебюджетные государственные фонды (34%), . [9]
5.3.1 Расчет заработной платы водителям по первому варианту
Годовой фонд оплаты труда складывается из тарифного заработка, некоторых доплат, районного коэффициента (30%).
Часовая тарифная ставка водителя автомобиля FоtоnBJ составляет 140 тенге/час (турная езда).
Тарифная заработная плата водителям по первому варианту освоения объема перевозок вычисляется по следующей формуле:
, (10)
где Чвод. списочная численность водителей по первому варианту;
Стар. часовая тарифная ставка водителя;
Стар.Fоtоn BJ = 140 тенге/ч (при турной езде);
1,2 доплата в праздничные дни;
Т количество часов отработанных водителем в год, ч;
Баланс рабочего времени в 2012 году составляет 1600 ч. (количество рабочих дней в году 200).
Необходимое количество водителей рассчитывается по формуле:
, чел. (11)
где суммарное количество автомобилей, шт.;
1,3 коэффициент перевода явочного состава водителей в списочный;
2 турная езда.
Nвод. = 691,32 = 179 чел.;
.
Доплата с учетом районного коэффициента равного 30% по первому варианту освоения объема перевозок вычисляется по следующей формуле:
, . (12)
где Край. районный коэффициент, Край = 0,3;
.
Доплата за отпуск по первому варианту освоения объема перевозок вычисляется по следующей формуле:
, (13)
.
Общий фонд заработной платы водителей по первому варианту освоения объема перевозок вычисляется по следующей формуле:
, (14)
.
Сумма отчислений оплаты труда во внебюджетные государственные фонды по первому варианту составляет 34% от величины заработной платы:
Зотч. = Звод.0,34, (15)
Зотч. = 68179,24.0,34 = 23180,94 . [10]
5.3.2 Расчет заработной платы водителям по второму варианту
Часовая тарифная ставка водителя автомобиля КамАЗ 54115 составляет 270 тенге/час, КамАЗ 4308 260 тенге/час, КамАЗ 5410 210 тенге/час и FоtоnАumаn 160 тенге/час.
Необходимое количество водителей рассчитывается по формуле (11):




Тарифная заработная плата водителям по второму варианту освоения объема перевозок вычисляется по формуле (10):
;
;
;
;
.
Доплата с учетом районного коэффициента равного 30% по второму варианту освоения объема перевозок вычисляется по формуле (12):
;
;
;
;
.
Доплата за отпуск по второму варианту освоения объема перевозок вычисляется по формуле (13):
;;
;
;
.
Общий фонд заработной платы водителей по второму варианту освоения объема перевозок вычисляется по формуле (14):
.
Сумма отчислений оплаты труда во внебюджетные государственные фонды по второму варианту составляет 34% от величины заработной платы:
Зотч. = 43775,09.0,34 = 14883,53 . [10]
5.3.3 Расчет заработной платы ремонтному персоналу по первому варианту
Списочная численность ремонтного персонала рассчитывается исходя из числа автомобилей, в среднем находящихся ежедневно на ремонте. Списочную численность ремонтного персонала принимаем 30% от списочной численности водителей по первому варианту.
Чрем. = Чвод. 0,3 = 179 0,3 = 54 чел.
Тарифная ставка ремонтного персонала принята, 80 тенге/ч.
Заработная плата ремонтному персоналу вычисляется по формуле:
, (16)
где Чрем. = 54 чел.;
80 тенге/ч;
1,2 доплата в праздничные дни;
Т количество часов в год (1600 ч.).
.
Доплата ремонтному персоналу с учетом районного коэффициента равного 30% по первому варианту освоения объема перевозок вычисляется по следующей формуле:
, (17)
где Край. районный коэффициент, Край = 0,3;
.
Доплата за отпуск по первому варианту освоения объема перевозок вычисляется по следующей формуле:
, (18)
.
Общий фонд заработной платы ремонтному персоналу по первому варианту вычисляется по следующей формуле:
, . (19)
.
Сумма отчислений оплаты труда ремонтному персоналу во внебюджетные государственные фонды по первому вариатну составляет 34% от величины заработной платы:
Зотч.рем. = Зрем.0,34, . (20)
Зотч.рем. = 11753,17.0,34 = 3996,08 .
Постоянные затраты по первому варианту, :
. [9]
5.3.4 Расчет заработной платы ремонтному персоналу по второму варианту
Списочную численность ремонтного персонала принимаем 30% от списочной численности водителей по второму варианту.
Чрем. = Чвод. 0,3 = 68 0,3 = 20 чел.
Тарифная ставка ремонтного персонала принята, 80 тенге/ч.
Заработная плата ремонтному персоналу вычисляется по формуле (16):
.
Доплата ремонтному персоналу с учетом районного коэффициента равного 30% по второму варианту освоения объема перевозок вычисляется по формуле (17):
.
Доплата за отпуск по второму варианту освоения объема перевозок вычисляется по формуле (18):
.
Общий фонд заработной платы ремонтному персоналу по второму варианту освоения объема перевозок вычисляется по формуле (19):
.
Сумма отчислений оплаты труда ремонтному персоналу во внебюджетные государственные фонды по второму варианту составляет 34% от величины заработной платы (20):
Зотч.рем. = 4353,02.0,34 = 1480,03 .
Постоянные затраты по второму варианту, :
. [9]
5.4 Расчёт переменных затрат по вариантам транспортного обслуживания полигона
Переменные затраты рассчитываются по формуле:

где А амортизационные отчисления по вариантам транспортного обслуживания, ;
Эр - суммарные затраты на ТО и ТР, ГСМ и шины по вариантам транспортного обслуживания, .[9]
5.4.1 Расчёт амортизационных отчислений по первому варианту
Амортизационные отчисления по первому варианту рассчитывается по формуле:
где Савт стоимость автомобиля, тыс.тенге;
L суммарный пробег автомобиля в сутки, км (таблица 15);
200 количество дней работы автомобилей в году.
[9]
5.4.2 Расчёт амортизационных отчислений по второму варианту
Амортизационные отчисления по второму варианту рассчитывается по формуле (22):

А = [9]
5.4.3 Расчёт эксплуатационных расходов на техническое обслуживание, текущий ремонт, ГСМ и шины по первому варианту
Суммарные затраты на ТО и ТР, ГСМ, смазочные материалы и шины, :
где - затраты на ТО и ТР по вариантам освоения объёма перевозок,;
- затраты на ГСМ по вариантам освоения объёма перевозок, ;
- затраты на смазочные материалы по вариантам освоения объёма перевозок, ;
- затраты на шины по вариантам освоения объёма перевозок, .[9]
Расчёт эксплуатационных расходов на ТО и ТР, ГСМ и шины производится из расчёта на 1000 км пробега грузооборота.
Затраты на ТО и ТР вычисляется по формуле:
где, - удельные затраты на ТО и ТР на 1000 км пробега для автомобиля, ;
средний пробег автомобиля за год, км.
Удельные затраты на ТО и ТР для автомобиля FоtоnBJ 1000 тенге/1000 км.
где количество дней работы автомобиля на маршруте, дней.
Затраты на топливо по первому варианту рассчитываются по формуле:
где расход ГСМ автомобиля, л/100 км;
- стоимость одного литра топлива, тенге/ 1л. (24,6 тенге/1л).
Расходы ГСМ FоtоnBJ 14 л/100км.
Затраты на смазочные материалы по первому варианту рассчитываются по формуле:

Затраты на шины принимаются в размере 25% от расхода топлива:
Суммарные затраты на ТО и ТР, ГСМ, смазочные материалы и шины по первому варианту, :
Переменные затраты по первому варианту,:
Величина эксплуатационных расходов по первому варианту вычисляется по формуле (8).
.[9]
5.4.4 Расчёт эксплуатационных расходов на техническое обслуживание, текущий ремонт, ГСМ и шины по второму варианту
Средний пробег автомобиля за год определяется по формуле (19):
Удельные затраты на ТО и ТР для автомобилей: КамАЗ 54115 1600 тенге/1000 км; КамАЗ 4308 1500 тенге/1000 км; КамАЗ 5410 1300 тенге/1000 км; FоtоnАumаn 1200 тенге/1000 км.
Затраты на ТО и ТР по второму варианту освоения объёма перевозок вычисляется по формуле (18):
Расходы ГСМ для автомобилей: КамАЗ 54115 38 л/100 км; КамАЗ 4308 34 л/100 км; КамАЗ 5410 28 л/100 км; FоtоnАumаn 21 л/100 км.
Затраты на топливо по второму варианту рассчитываются по формуле (20):
Затраты на смазочные материалы по второму варианту рассчитываются по формуле (21):

Затраты на шины по второму варианту принимаются в размере 25% от расхода топлива (22):

Суммарные затраты на ТО и ТР, ГСМ, смазочные материалы и шины по второму варианту, :
Переменные затраты по второму варианту,:
Величина эксплуатационных расходов по второму варианту вычисляется по формуле (8).
.[9]
5.5 Расчёт себестоимости перевозок
Себестоимость перевозок рассчитывается по формуле:

где Q объём грузовых перевозок за год, конт. [10]
Расчёт себестоимости перевозок по первому варианту:

Расчёт себестоимости перевозок по второму варианту:

5.6 Расчёт капитальных вложений по вариантам транспортного обслуживания полигона
Расчет капитальных вложений, необходимых для реализации предложенного варианта производится по формуле:
КВ = Кзатр. Кпрод.,тыс.тенге (24)
Средства, полученные от продажи автомобилей, рассчитываются по формуле:

где, - количество проданных автомобилей одной марки, ед;
средства, полученные от продажи автомобилей одной марки, тыс. тенге
Доставка контейнеров автомобилями с одной грузоподъёмностью по прямому варианту.
Продаются 69 автомобилей марки Fоtоn BJ по 700 тыс. тенге
Приобретается новый подвижной состав FоtоnАumаn 3 ед., автопоезд КамАЗ 5410 в количестве 8 ед., автопоезд КамАЗ 4308 в количестве 5 ед. и автопоезд КамАЗ 54115 в количестве 10 ед.,общая стоимость ПС 77300 тыс.тенге
где, - капитальные затраты на покупку автомобилей, тыс. тенге;
- количество покупаемых автомобилей одной марки, ед;
средства необходимые для покупки автомобилей одной марки, тыс. тенге
;
КВ = 77300 48300 = 29000 тыс. тенге[10]
5.7 Расчёт удельных приведённых затрат по вариантам транспортного обслуживания полигона
Удельные приведённые затраты рассчитываются по формуле:

где, П приведённые расходы, тенге/год;
П = КВ Е + Э, тыс.тенге/год. (28)
где Е нормативный коэффициент эффективности (0,12).[10]
П = 3480 + 112536,85 = 116016,85 тыс.тенге/год.

5.8 Сравнение технико экономических показателей существующего и предлагаемого варианта транспортного обслуживания предприятия
В таблице приведены технико экономические показатели существующего и предлагаемого варианта транспортного обслуживания.
При сравнении двух технико-экономических вариантов обслуживания предприятия второй вариант является более выгодным по всем показателям. Заработная плата водителей сократилась на 24404,15 тыс.тенге/год, амортизационные отчисления на 39920,31 тыс.тенге/год, эксплуатационные расходы на 139502,356 тыс.тенге/год и себестоимость перевозки на 13,95 тыс.тенге/конт.
Таблица 32 Сравнение технико экономических показателей по вариантам транспортного обслуживания
|
Наименование показателей |
Вариант №1 |
Вариант №2 |
|
Объем перевозок, конт./сут. |
50 |
50 |
|
Количество автомобилей, ед., в том числе: |
69 Fоtоn BJ |
26 КамАЗ 54115 10 КамАЗ 4308 5 КамАЗ 5410 8 FоtоnАumаn 3 |
|
Численность водителей, чел. |
179 |
68 |
|
Численность ремонтников, чел. |
54 |
20 |
|
Заработная плата водителей, тыс.тенге/год. |
68179,24 |
43775,09 |
|
Заработная плата ремонтников, тыс.тенге/год. |
11753,17 |
4353,02 |
|
Сумма отчислений оплаты труда во внебюджетные государственные фонды, тыс.тенге/год. |
27177,02 |
16363,56 |
|
Амортизационные отчисления, тыс.тенге/год. |
53325,01 |
13404,7 |
|
Расходы на ТО и ТР, тыс.тенге/год. |
8894,702 |
2162,09 |
|
Расходы на ГСМ, тыс.тенге/год. |
30633,35 |
12029,04 |
|
Расходы на смазочные материалы, тыс.тенге/год. |
3063,335 |
1202,904 |
|
Расходы на шины, тыс.тенге/год. |
7658,34 |
3007,24 |
|
Эксплуатационные расходы, тыс.тенге/год. |
252039,203 |
112536,847 |
|
Капитальные затраты, тыс. тенге, в том числе: - покупка - продажа |
- |
29000 77300 48300 |
|
Себестоимость перевозки, тыс.тенге/конт. |
25,20 |
11,25 |
|
Приведенная себестоимость, тыс.тенге/конт. |
- |
11,60 |
ЗАКЛЮЧЕНИЕ
В данном дипломном проекте был рассмотрен вариант прямой доставки контейнеров, и предложено использование терминальной технологии и внедрение сборно развозочных маршрутов. Рассмотрены современные методы планирования, организации и управления перевозками грузов автомобильным транспортом. Описаны организация автомобильных грузовых перевозок и методы организации движения подвижного состава.
Внедрение на заданный полигон обслуживания терминальной технологии с использованием нового подвижного состава с большей грузоподъёмностью, значительно снизило количество ТС на 43 ед. Для выполнения заданного объема перевозок при введении схем маршрутизации (вариант №1) необходимо 69 автомобилей, при введении сборно развозочных маршрутов (вариант №2) 26. Снизился общий суточный пробег на 37098,87 км, сократились эксплуатационные расходы на 139502,356 тыс.тенге/год и себестоимость перевозки на 13,95 тыс.тенге/конт.
Таким образом, внедрение терминальной технологии и сборно развозочных маршрутов с правильным выбором ПС является целесообразным, так как обеспечивает высокий коэффициент использования пробега, следовательно, обеспечивает повышение производительности ПС и снижение себестоимости перевозок.
СПИСОК ЛИТЕРАТУРЫ
1. Кравченко Е.А., Бабий А.В., Ушмаев Е.Н. Эффективность терминальной системы перевозок грузов // Фундаментальные исследования. 2007. № 12 С. 61-65
2. Горев А.Э. Грузовые автомобильные перевозки. М.: Академия, 2004 г.
3,. Беляев В.М. Терминальные системы перевозок грузов автомобильным транспортом. М.: Транспорт, 1987.
4. Саркисов С.В. Контейнерные перевозки, Москва, 2000г.
5. Сханова С. Э. Транспортно-экспедиционное обслуживание: учеб.пособие для вузов / С. Э. Сханова, О. В. Попова, А. Э. Горев; - М.: издательский центр «Академия». 2005 г. 432 с.
6. Савин В.И. Перевозки грузов автомобильным транспортом: Справ. Пособие. 2-е изд., перераб. и доп. М.: Изд-во «Дело и Сервис», 2004. 544 с.
7. Официальный сайт. Тяжелые грузовики, все о грузовиках [Электронный ресурс]: 2012 г. Режим доступа: httр://vsе-gruzоviki.blоgmir.ru
8. Тозик А. А. Экономика автомобильного транспорта: учеб.пособие / А. А. Тозик. 2-е изд. Минск: УП «Технопринт», 2005. 140 с.
9. Бронштейн, Л. А. «Экономика автомобильного транспорта» /Л. А. Бронштейн, А. С. Шульман. М.: Транспорт, 1978. 350с.
10. Безопасность жизнедеятельности. Под ред. Белова В.С. М, высш. шк., 2007 616 с.
11. А.А. Раздорожный. Охрана труда и производственная безопасность. М., Экзамен, 2006. 420 с.
12. Е.И. Павлова. Экология транспорта. М, высш. шк., 2006. 240 с.
13. Расчёт платежей за негативное воздействие на окружающую среду. Метод.указания. Шилинговский И.Г., СибГИУ, 2007. - 22 с.
14. Правила по охране труда на автомобильном транспорте. ПОТ РО 200 01 01 М., Транспорт, 2001 207 с.
Оптимизация перевозочного процесса на заданном полигоне с помощью внедрения терминальной технологии
