Підвищення ефективності транспортних структур за допомогою термоелектричних перетворювачів
Тернопільський національний педагогічний університет
імені Володимира Гнатюка
|
Інженерно-педагогічний факультет |
|
(повне найменування інституту, назва факультету (відділення)) |
|
Кафедра машинознавства та транспорту |
|
(повна назва кафедри) |
Пояснювальна записка
|
до дипломної роботи |
|
(освітньо-кваліфікаційний рівень) |
|
на тему: |
Підвищення ефективності транспортних структур за допомогою термоелектричних перетворювачів
|
Виконав: дипломник 5 курсу, групи ПТ-52 напряму підготовки (спеціальності) |
|
|
6. 010104 Професійна освіта. (Транспорт) |
|
|
(шифр і назва напряму підготовки, спеціальності) |
|
|
Мартинів В.П. |
|
|
(прізвище та ініціали) |
|
|
Керівник: |
Федорейко В. С. |
|
(прізвище та ініціали) |
|
|
Рецензент: |
|
|
(прізвище та ініціали) |
Тернопіль 2015 року
Міністерство освіти і науки України
Тернопільський національний педагогічний університет
імені В. Гнатюка
Інженерно-педагогічний факультет
|
Факультет |
інженерно-педагогічний |
Кафедра |
Машинознавства та транспорту |
|
Спеціальність |
Експлуатація і ремонт приватного і місцевого автомобільного транспорту |
Затверджую:
Завідувач кафедри Федорейко В.С
«______» _____________________2015
|
ЗАВДАННЯ НА дипломну РОБОТУ СТУДЕНТОВІ |
|||
|
Мартиніву Віталію Петровичу |
|||
|
(прізвище, ім'я, по-батькові) |
|||
|
1. Тема роботи |
|||
|
Підвищення ефективності траспортних структур за допомогою_______________ термоелектричних перетворювачів |
|||
|
затверджена наказом по університету від |
« » |
2015 р. за № |
|
|
2. Термін здачі закінченої роботи |
« » |
2015 р. |
|
|
3. Вихідні дані до роботи |
схема когенераційної установки на основі |
||
|
біотеплогенератора |
|||
|
4. Зміст пояснювальної записки роботи |
В пояснювальній записці проаналі- |
||
|
зовано поняття когенрації і когенераційних установок; досліджено принцип ро- |
|||
|
боти елемента Пельтьє, теплогенераторів та когенераційної установки на |
|||
|
основі біотеплогенератора. Визначено основні норми і правила роботи з |
|||
|
електроустановками та застосування їх на автомобілі. Також розроблено |
|
Лекційне та практичне заняття для вивчення когенераційних установок |
|
студентами ВНЗ І-ІІ рівнів акредитації |
|
5. Перелік графічного матеріалу (з точним зазначенням обов'язкових |
|
креслень) |
|
КАЛЕНДАРНИЙ ПЛАН
|
№ з/п |
Назва етапів магістерської роботи |
Термін виконання етапів роботи |
Примітка |
|
1. |
Аналітичне дослідження особливостей та принципів роботи когенераційної установки на основі біотеплогенератора |
22.12.2014 р. |
Виконано |
|
2. |
Визначення основних норм і правил роботи з електроустановками та та застосування на автомобілі |
05.01.2015 р. |
Виконано |
|
3. |
Дослідження елемента Пельтьє в лабораторних умовах |
25.01.2015 р. |
Виконано |
|
4. |
Проектування імітаційної моделі когенераційної установки |
01.03.2015 р. |
Виконано |
|
5. |
Розробка стенду для дослідження параметрів генерування електричної енергії із теплових викидів автомобіля |
30.03.2015 р. |
Виконано |
|
6. |
Оформлення пояснювальної записки. |
21.04.2015 р. |
Виконано |
|
Дипломник |
Мартинів Віталій Петрович |
||
|
(підпис) (прізвище, імя, по-батькові) |
|||
|
Керівник роботи |
Федорейко Валерій Степанович |
||
|
(підпис) (прізвище, імя, по-батькові) |
АНОТАЦІЯ
Мартинів В.П. Підвищення ефективності транспортних структур за допомогою термоелектричних перетворювачів Дипломна робота.
Дипломна робота за спеціальністю 6.010104 «Професійна освіта. Транспорт». Тернопільський національний педагогічний університет імені Володимира Гнатюка. Тернопіль, 2015. 88 с.
Дипломна робота присвячена проблемі підвищення ефективності енергозберігаючих технологій.
На сьогоднішній день перспективним є рекуперація електроенергії з відпрацьованого тепла та одержання холоду з електричного струму. Такі перетворення енергії відбуваються за допомогою термоелектричних явищ ефекту Зеебека, явище перетворення тепла і холоду в електричний струм, а також ефекту Пельтьє, процес нагрівання та охолодження з допомогою струму. Термоелектрична генерація є одним із перспективних, а в деяких випадках єдино доступним джерелом перетворення теплової енергії в електричну.
Також, термоелектричні перетворювачі енергії мають ряд привабливих властивостей серед них:
- відсутність рухомих частин
- можливість функціонування без обслуговування
- практично необмежений ресурс роботи
- стійкість до екстремальних навантажень
- робота в широкому діапазоні температурних режимів від -50 одо 500 оС.
Такі особливості термоелектричних джерел енергії забезпечили їх успішне використання в першу чергу на транспорті.
Необхідно відмітити, що екологічний та економічний зиск від впровадження таких матеріалів важко переоцінити: вони дозволяють безпечно для навколишнього середовища генерувати електроенергію із теплових втрат двигунів внутрішнього згорання, що дасть змогу заощаджувати 20-25 % палива на транспортних засобах.
Матеріали дипломної роботи можуть бути використані для проведення лабораторних занять, самостійної роботи, чи під час дистанційного навчання.
Ключові слова: когенерація, теплофікація, термоелектрика, елемент Пельтьє, когенераційна установка, моделювання, імітаційне моделювання.
ЗМІСТ
ВСТУП....................................................................................................................
РОЗДІЛ І. Закони когенерації…………………………………………………
1.1 Відкриття ефекту Пельтьє……………………………………………………
1.1.1 Пояснення принципу когенерації…………………………….............
1.1.2 Електрогенеруючі модулі……………………………………………..
1.1.3 Особливості експлуатації термоелектричних перетворювачів……..
1.2 Когенерація, комбіноване виробництво теплової
та електричної енергії…………………………………………………………
1.3 Застосування термоелектрогенератора на транспорті……………………..
РОЗДІЛ ІІ. Експериментальне дослідження когенераційної установки…………………………………………………………………………
2.1 Аналітичний огляд…………………………………………………………..
2.3 Дослідницька частина……………………………………………………….
2.4 Візуалізація спроектованої установки…………………………………….
2.5Лабораторно-практична робота……………………………………………
РОЗДІЛ III Охорона праці…………………………………………………….
- Профілактика електровражень……………………………………………..
3.2. Надання першої допомоги особам, що постраждали від електричного
струму……………………………………………………………………….
ВИСНОВКИ……………………………………………………………………..
СПИСОК ВИКОРИСТАНИХ ДЖЕРЕЛ………………………………….....
ДОДАТКИ……………………………………………………………………….
ВСТУП
Людина, приречена учитися постійно. Тільки засвоївши уроки, які їй надає життя, вона не буде повторювати ті ж помилки. На сьогоднішній день, людство розуміє: що створено чи мало корисних винаходів, моделей які позитивно впливають на рівень нашого життя. Про те, є і інша сторона медалі, яка показує низький рівень екології, недосконалість та негативні наслідки наших надбань.
Тому, слід задуматися та зробити висновки над нашим майбутнім використовувати дійсно близькі до досконалого способи отримання енергії. Особливу актуальність це здобуває при впровадженні нових технологій, а саме, використання когенераційних установок.
Когенерація є одним із найпоширеніших методів повторного використання енергії. Вона грунтується на трьох важливих ефектах: Зеєбека, Пельтьє та Томсона, що описують процеси перетворення теплової енергії в електричну та навпаки.
Термоелектрика є перспективним науково-технічним напрямком, який заснований на використанні прямого, безмашинного перетворення теплової енергії у електричну. Термоелектричні перетворювачі енергії мають ряд привабливих властивостей. Серед них відсутність рухомих частин, можливість функціонування без обслуговування, практично необмежений ресурс роботи, стійкість до екстремальних навантажень. Такі особливості термоелектричних джерел енергії забезпечили їх успішне використання в першу чергу на транспорті.
Актуальність роботи. Сьогодні заслуговують уваги доволі актуальні завдання, повязані із зниженням теплових втрат в потужних енергетичних установках. Адже, зниження тепловтрат забезпечує підвищення таких важливих показників для теплогенераторів, як економне використання енергії, палива, зниження теплового забруднення атмосфери, що в кінцевому результаті, дає змогу підвищити їх енергоефективність, рентабельність та конкурентоспроможність а також зменшити негативний вплив на екологію, що є актуальним завданням сьогодні.
Мета роботи: Дослідження робочих характеристик елементів Пельтьє, для визначення їх параметрів у режимі генерування електричної енергії, шляхом створення експериментально-дослідної установки.
Для досягнення поставленої мети в роботі необхідно вирішити такі задачі:
- Провести аналітичний огляд та дослідити процес утворення термоструму в елементі Пельтьє на основі ефекту Зеебека з метою аналізу його технічних характеристик.
- Розглянути будову та принципи роботи електрогенеруючих модулів з можливим використанням на транспорті. Проаналізувати можливість використання модулів Пельтьє на транспорті.
- Розробити експериментально-дослідну установку на базі термоелектроперетворювача Пельтьє для визначення його параметрів у режимі генерування електричного струму.
- Здійснити візуалазацію спроектованої установки та створити стенд для дослідження робочих характеристик електрогенеруючих модулів.
Об'єкт дослідження процес перетворення теплової енергії в електричну.
Предмет дослідження закономірності генерації електроенергії на основі ефекту Зеєбека з використанням елементу Пельтьє.
Методи досліджень. Теоретична складова досліджень здійснювалась із застосуванням імітаційного математичного моделювання, яке базується на законах термоелектрики, електричних кіл, теплопровідності. Експериментальні дослідження проводились в лабораторних умовах за допомогою створеної нами експериментально-дослідної установки.
Основні наукові та практичні результати, їх значення.
- У результаті проведеного аналітичниого огляду встановлено, що ККД сучасних металевих термопар щодо перетворення теплової енергії в електричну не перевищує 1%, а для напівпровідникових 5 7 %, тому така особливість створює перспективи застосування останніх у термоелектричних перетворювачах теплогенегаторних установок.
- Проведені експериментальні дослідження довели можливість отримання до 5 Вт електричної потужності з площі 25 см2 та різниці температур поверхонь елемента Пельтьє у 70 оС, що реально може бути досягнуто в існуючих теплогенеруючих установках, з доведенням цього показника до 1,5 2 кВт на 1м2 поверхні нагрівача.
- Результати імітаційного моделювання елемента Пельтьє у середовищі Simulink довели адекватність створеної моделі. Похибка моделювання не перевищувала 5 % у порівнянні із отриманими експериментальними даними. Ця модель може бути використана для подальших досліджень і розробок, автономних систем енергозабезпечення, та дасть можливість підвищити ефективну роботу транспортних структур.
Загальна характеристика наукової роботи. Робота складається із вступу, 3 розділів, висновків, списку використаних джерел та 2 додатків. Загальний обсяг роботи становить 98 сторінок, список використаних джерел складається з 28 найменувань на 4 сторінках.
Ключові слова: когенерація, теплофікація, термоелектрика, елемент Пельтьє, когенераційна установка, моделювання, імітаційне моделювання.
РОЗДІЛ І. ЗАКОНИ КОГЕНЕРАЦІЇ
- Відкриття ефекту Пельтьє
Наукова думка має здатність випереджати час. Відкриття, зроблені вченими, дозволяють майбутнім поколінням, керуючись ними, покращують життя людини, а прилади і пристосування - знаходити нові способи захисту його здоров'я і благополуччя. І явище, відкрите в 1834 році годинникарем Жаном-Шарлем Пельтьє і назване пізніше «Ефектом Пельтьє», не стало винятком. У зв'язку з даною обставиною ефект, що мав місце на початку XIX століття, актуальний і сьогодні.
Можливості його застосування необмежені. Безліч лабораторій і дослідницьких ценів займаються розробкою способів його застосування, тому що відкриття, зроблене французьким ученим, дозволяє зробити життя людини комфортним, барвистим, а блага цивілізації - доступними широкому колу споживачів.
У конкретно цій роботі ми розглянемо явище Пельтьє і його застосування. Зробимо: стенд для дослідженнь температуних режимів роботи, термоелектричних перетворювачів, та дослідимо умови, що впливають на підвищення ефективності транспортних структур, шляхом генерування електроенергії з теплових викидів, і навпаки, перетворення струму в тепло (для підігріву сидіння) і холод (для компактних автомобільних холодильників і роботи кондиціонера).
Початок XIX століття ознаменоване «Золотим віком фізики й електротехніки». У 1834 році французький годинникар і натураліст Жан-Шарль Пельтьє експериментував з краплею води, поміщеній на стику двох провідників (вісмуту і сурми). При пропущенні струму в одному напрямку крапля води замерзала, а при зміні напрямку струму - танула. Задавалося, на той момент, що відкрито закони та сили магії. Тим самим було встановлено, що при проходженні струму через контакт двох провідників в одному напрямку тепло виділяється, в іншому - поглинається. До свого здивування, він побачив: що крапля несподівано замерзла, а в зротньому напрямку струму танула. Дане явище було названо ефектом Пельтьє.
Про теплові дії електричного струму на провідники було відомо, а от зворотний ефект був на кшталт магії. Можна зрозуміти почуття Пельтьє: це явище на стику двох різних областей фізики - термодинаміки і електрики викликає відчуття дива і сьогодні.
Процес перетворення електричної енергії в теплову вперше виявив Жан Пельтьє [12]. Peltier J.C. Nouvelles experiences sur la caloricite des courans electrique // Ann. Phys. Chim., LV1, p. 371 (1834).
Його можна розглядати, як зворотний до ефекту Зеєбека (про який ми опишемо нижче). Ефект Пельтье є основною термоелектричного охолодження.
Рис. 1.1. Приклад реалізації ефекту Пельтьє.
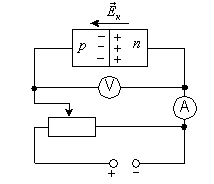
Коли електричний струм проходить через два різнорідні матеріали (метали або напівпровідники), один з яких має два спаї (рис. 1.1), то на одному спаї тепло буде поглинатися, а на іншому виділятися.
При цьому один спай охолоджується, а другий нагрівається, залежно від напрямку струму. Нагрівання (охолодження) контакту можна розглядати з точки зору поглинання чи випромінювання енергії (рис. 1.2), або ж задавати як потік електронів, що рухаються із напівпровідника в металічні електроди (і навпаки) на їх контакті (рис. 1.3).
Цей процес є оборотним: електричний струм може подаватися через контакт для створення градієнта температури (а отже і теплового потоку), або ж градієнт температури може використовуватися для генерування електричного струму (рис. 1.2).
Рис. 1.2 Схема поглинання і випромінювання енергії на контактах двох напівпровідників
а) б)
в) г)
Рис. 1.3 Схема процесів поглинання (а), (б) та випромінювання (в), (г) теплової енергії з точки зору переходу електронів (б), (г) та дірок (а), (в) через контакти між напівпровідником і металом. EF енергія Фермі
Et n,p зміщення енергії Фермі на контакті «метал-напівпровідник», відносно енергії Фермі у металі [13].
Hogan T. “Thermoelectricity” in the Encyclopedia of Physical Science and Technology. Third Edition,
R.A. Meyers, editor-in-chief, San Diego: Academic Press, CA (2001).
Коли струм проходить через коло, тепло поглинається на контакті Т2 і виділяється на контакті Т1, якщо диференційний коефіцієнт Пельтьє негативний. Теплота Пельтье (Q), яка поглинається на холодному спаю в одиницю часу визначається згідно виразу:
dQ/dt =Пав І = (Па - Пв)І; (1.1)
де, Па та Пв коефіцієнти Пельтьє матеріалів A і B, відповідно.
При проведенні одного з експериментів Жан-Шарль Пельтьє пропускав електричний струм через смужку вісмуту, з підключеними до неї мідними провідниками (рис. 1.4). У ході експерименту він виявив, що одне з'єднання вісмут-мідь нагрівається, інше - остигає.

Рис. 1.4 - Схема досліду для вимірювання тепла Пельтьє
Сам Пельтьє не розумів в повній мірі сутність відкритого ним явища. Справжній сенс явища був пізніше пояснений в 1838г. Ленцем.
Тепло Пельтьє пропорційне силі струму і може бути виражено формулою:
Qп = П • q (1.2)
де q - заряд пройшов через контакт, П - так званий коефіцієнт Пельтьє, який залежить від природи контактуючих матеріалів та їх температури. Коефіцієнт Пельтьє може бути виражений через коефіцієнт Томпсона:
П = T (3)
де - коефіцієнт Томпсона, Т - абсолютна температура.
Необхідно відзначити, що коефіцієнт Пельтьє знаходиться в істотній залежності від температури. Деякі значення коефіцієнта Пельтьє для різних пар металів представлені в таблиці 1.
Таблиця 1.1
|
Значення коефіцінта Пельтє для різних пар металів |
|||||
|
Ферум-константан |
Мідь-нікель |
Свинец-константан |
|||
|
T, К |
П, мВ |
T, К |
П, мВ |
T, К |
П, мВ |
|
273 |
13,0 |
292 |
8,0 |
293 |
8,7 |
|
299 |
15,0 |
328 |
9,0 |
383 |
11,8 |
|
403 |
19,0 |
478 |
10,3 |
508 |
16,0 |
|
513 |
26,0 |
563 |
8,6 |
578 |
18,7 |
|
593 |
34,0 |
613 |
8,0 |
633 |
20,6 |
|
833 |
52,0 |
718 |
10,0 |
713 |
23,4 |
Величина тепла Пельтьє, що виділяється і його знак залежать від виду контактуючих речовин, сили струму і часу його проходження.
Розмірність коефіцієнта Пельтьє [П] СІ = Дж / Кл = В
Класична теорія пояснює явище Пельтьє тим, «що при переносі електронів струмом з одного металу в іншій, вони прискорюються або сповільнюються внутрішньою контактною різницею потенціалів між металами. У разі прискорення кінетична енергія електронів збільшується, а потім виділяється у вигляді тепла. У зворотному випадку кінетична енергія зменшується, і енергія поповнюється за рахунок енергії теплових коливань атомів другого провідника, таким чином він починає охолоджуватися. При більш повному розгляді враховується зміна не тільки потенційної, а й повної енергії[3]»
На рис. 1.5. і рис. 1.6. зображена замкнута ланцюг, складена з двох різних напівпровідників ПП1 і ПП2 з контактами А і В.
Рис. 1.5. Виділення тепла Пельтьє (контакт А)
Рис. 1.6. Поглинаня тепла Пельтьє (контакт В)
Такий ланцюг, прийнято називати термоелементом, а її гілки - термоелектродами. Через ланцюг проходить струм I, створений зовнішнім джерелом e. Рис. 1.2. ілюструє ситуацію, коли на контакті А (струм тече від ПП1 до ПП2) відбувається виділення тепла Пельтьє Qп (А)> 0, а на контакті В (струм направлений від ПП2 до ПП1) його поглинання
Qп (В)<0. У результаті відбувається зміна температур спаїв: ТА> ТВ.
Причина виникнення ефекту Пельтьє на контакті напівпровідників з однаковим видом носіїв струму (два напівпровідника n-типу або два напівпровідника p-типу) така ж, як і у випадку контакту двох металевих провідників. Носії струму (електрони або дірки) по різні сторони спаю мають різну середню енергію, яка залежить від багатьох причин: енергетичного спектру, концентрації, механізму розсіяння носіїв заряду.
Якщо носії, пройшовши через спай, потрапляють в область з меншою енергією, вони передають надлишок енергії кристалічній решітці, в результаті чого поблизу контакту відбувається виділення теплоти Пельтьє (Qп> 0) і температура контакту підвищується. При цьому на іншому спаю носії, переходячи в область з більшою енергією, запозичують відсутню енергію від решітки, відбувається поглинання теплоти Пельтьє (Qп <0) і зниження температури.
Ефект Пельтьє, як і всі термоелектричні явища, виражений особливо сильно в ланцюгах, складених з електронних (n - тип) і діркових (р - тип) напівпровідників. У цьому випадку ефект Пельтьє має інше пояснення.
Розглянемо ситуацію, коли струм в контакті йде від діркового напівпровідника до електронного (р®n). При цьому електрони і дірки рухаються назустріч один одному і, зустрівшись, рекомбінують. В результаті рекомбінації звільняється енергія, яка виділяється у вигляді тепла. Ця ситуація розглянута на рис. 1.7., Де зображені енергетичні зони (ec- зона провідності, ev- валентна зона) для домішкових напівпровідників з дірковою і електронною провідністю.
Рис. 1.7. Виділення тепла Пельтьє на контакті напівпровідників p і n-типу.
На рис. 1.8. (ec - зона провідності, ev - валентна зона) ілюструється поглинання тепла Пельтьє для випадку, коли струм йде від n до p-напівпровідника (n ® p).
Рис. 1.8 - Поглинання тепла Пельтьє на контакті напівпровідників p і n-типу.
Тут електрони в електронному й дірки в дірковому напівпровідниках рухаються в протилежні сторони, йдучи від кордону розділу. Спад носіїв струму в прикордонній області заповнюється за рахунок попарного народження електронів і дірок. На освіту таких пар потрібна енергія, яка поставляється тепловими коливаннями атомів решітки. Утворені електрони і дірки захоплюються в протилежні сторони електричним полем. Тому поки через контакт йде струм, безперервно відбувається народження нових пар. В результаті в контакті тепло буде поглинатися.
Застосування напівпровідників різних типів в термоелектричних модулях представлено на рис. 1.9.

Рис.1.9. Використання напівпровідникових структур в
термоелектричних модулях.
Такий ланцюг дозволяє створювати ефективні охолоджуючі елементи.
Проблема, отримання «чистої енергії» та відводу тепла від пристроїв в XІX не була такою гострою, як сьогодні. Тому до ефекту Пельтьє звернулися тільки через майже два століття, коли з'явилися електронні пристрої, для роботи яких потрібні були мініатюрні системи охолодження.
Перевагою охолоджуючих елементів Пельтьє є малі габарити, відсутність рухомих деталей, можливість каскадного з'єднання для отримання великих перепадів температур.
Крім цього, ефект Пельтьє звернемо: при зміні полярності струму через модуль, охолодження змінюється нагріванням, тому на ньому легко реалізуються системи точного підтримки температури - термостати. Недоліком елементів (модулів) Пельтьє є низький ККД, що вимагає підведення великих значень струму для отримання помітного перепаду температур.
1.1.2. Пояснення ефекту Пельтьє
Пояснення ефекту Пельтьє слід розпочати з того, що одиничним елементом термоелектричного модуля (ТЕМ) - є термопара, що складається з двох різнорідних елементів з p-і n-типом провідності.
Елементи зєднуються між собою за допомогою комутаційної пластини з міді. Як матеріал елементів традиційно використовуються напівпровідники на основі вісмуту, телуру, сурми і селену.
В напівпровідниках за перенесення енергії відповідають електрони і "дірки", але механізм перенесення тепла і появи різниці температур зберігається. Різниця температур збільшується до тих пір, поки не вичерпаються високоенергетичні електрони. Настає, так звана, температурна рівновага. Така сучасна картина опису ефекту Пельтьє.
З неї зрозуміло, що ефективність роботи елемента Пельтьє залежить від підбору пари матеріалів, сили струму і швидкості відводу тепла від гарячої зони. Для сучасних матеріалів (як правило, це напівпровідники) ККД становить 5-8%.
Для його збільшення окремі термопари (спаї двох різних матеріалів) збираються в групи, що складаються з десятків і сотень елементів. Основне призначення таких модулів - це охолодження невеликих об'єктів або мікросхем
А тепер давайте згадаємо загальний курс фізики у якому описується, що первинними та єдиними носіями заряду є електрони та протони. У вакуумі та газах, електрони і протони можуть бути вільними, в твердих тілах та рідинах - зв'язані з атомами і їх заряди взаємно врівноважують один одного. При визначених умовах електрони можуть відриватись від атомів або приєднюватися до них і, в цьому випадку, виникають додатньо та від'ємно заряджені іони, які також можуть створювати струм. Здатність іонів переміщуватись у твердому тілі дуже обмежена, так як вони утворюють зв'язки із сусідніми атомами, тому, якщо в твердому тілі присутні вільні електрони, то саме вони і будуть визначати його провідністьх [1]. Жеребцов И.П. Основы электроники. - Л.:Энергоатомиздат, 1985.
Електрон (грец. , англ. electron, нім. Elektron) - стабільна, негативно заряджена елементарна частинка, що входить до складу всіх атомів. Має електричний заряд (-е= 1,6021892(46)1019 Кл) і масу (9,109554(906)1031 кг). Зазвичай електрон позначається в формулах символом e-.
У напівпровідниках p-типу дірки є основними носіями заряду. Оскільки дірка переміщується в кристалі, як і вільний носій електричного заряду, то їй приписують позитивний заряд. Якщо діє зовнішнє електричне поле, в кристалі напівпровідника виникає впорядковане переміщення дірок і до електричного струму вільних електронів (електронна провідність) додається електричний струм, пов'язаний з переміщенням дірок (діркова провідність).
Питомий опір низки елементів (кремнію, германію, селену тощо) та деяких оксидів, сульфідів, телуридів з підвищенням температури не зростає, як у металів, а, навпаки, різко зменшується. Такі речовини назвали напівпровідниками.
Пояснимо ці закономірності, розглянувши будову напівпровідників на прикладі чотиривалентного елемента силіцію. Взаємодія пари сусідніх атомів здійснюється за допомогою ковалентного (парноелектронного) зв'язку. У темноті і при низьких температурах усі електрони зайняті в ковалентних зв'язках. Вільних носіїв у кристалі напівпровідника немає (n),Отже:
I = q0nS= 0 (4)
тому кристал не проводить струму і його опір великий. За цих умов напівпровідник схожий на ізолятор.
З підвищенням температури кристала (або під час попадання на нього світла) деякі ковалентні зв'язки руйнуються. На місці кожного розірваного зв'язку відразу утворюється вакантне місце з нестачею електрона. Його називають діркою. Оскільки дірка переміщується в кристалі, як і вільний носій в електричного заряду, то їй приписують позитивний заряд. Якщо діє зовнішнє електричне поле, в кристалі напівпровідника виникає впорядковане переміщення дірок і до електричного струму вільних електронів додається електричний струм, пов'язаний з переміщенням дірок (діркова провідність).
Провідність чистих напівпровідників, що не мають ніяких домішок, називають власною провідністю напівпровідників.
Власна провідність напівпровідників невелика, оскільки малою є кількість вільних електронів. Особливість напівпровідників полягає в тому, що в них за наявності домішок поряд із власною провідністю виникає додаткова - домішкова провідність. Змінюючи концентрацію домішки, можна суттєво змінити кількість носіїв заряду того або того знака, а отже, створити напівпровідники з переважаючою концентрацією чи позитивно, чи негативно заряджених носіїв. Наприклад, внесемо в чотиривалентний кремній Si невелику кількість п'ятивалентного арсену (As) (рис. 1.10). Чотири електрони арсену (As) утворюють ковалентні зв'язки із сусідніми атомами силіцію (Si), а п'ятий одразу стає вільним. Домішки, що легко віддають електрони, і, отже, збільшують кількість вільних носіїв, називають донорними домішками.

Рис.1.10. Зєднання чотиривалентного кремнію Si з п'ятивалентним арсеном (As)
Напівпровідники з донорною провідністю мають більшу кількість електронів порівняно з кількістю дірок. Їх називають напівпровідниками n-типу. У них електрони є основними носіями заряду, а дірки- неосновними[2]. http://metoduchka.c om/konspekt-elektronno-dirkovyj-perehid-joho-vlastyvosti-j-zastosuvannja-napivprovidnykovyj-diod-napivprovidnykovi-prylady-ta-jihnje-zastosuvannja/
Коли як домішку використовують індій (In), атоми якого тривалентні, то характер провідності силіцію зміниться. Тепер для встановлення нормальних парно-електронних зв'язків із сусідами атома індію не вистачає електрона. Унаслідок цього утворюється дірка. Кількість дірок у кристалі дорівнюватиме кількості атомів домішки (рис.1.11).

Рис. 1.11. Зєднання трьох валентного кремнію індій (In) з чотирьох валентним кремнієм (Si)
Домішки цього типу називають акцепторними (приймальними). Напівпровідники з переважанням діркової провідності над електронною називають напівпровідниками р-типу. Основними носіями заряду таких напівпровідників є дірки, а неосновними - електрони.
Цікаві явища спостерігаються під час контакту напівпровідників n- і р-типів.
З'єднаємо два напівпровідники: один з донорною, а другий з акцепторною домішкою. Контакт двох напівпровідників називають р-n-переходом (рис.1.12).
На межі контакту електрони частково переходять із напівпровідника n-типу в напівпровідник р-типу, а дірки - навпаки.

Рис.1.12. р-n-перехід, зєднання з донорною та акцепторною домішкою напівпровідників
Якщо подати напругу на напівпровідник з р-n-переходом так, щоб до напівпровідника р-типу під'єднувався позитивний полюс батареї, а на n-типу - негативний, то при цьому струм через р-n перехід забезпечується основними носіями: з n-типу в р-тип - електронами, а із р-типу в n-тип - дірками. Унаслідок цього провідність усього зразка велика, а опір малий. Такий перехід називають прямим.
Підєднаємо батареї навпаки. Струм I в колі стане незначним за тієї ж напруги U, оскільки струм через р-n перехід забезпечується неосновними носіями заряду і провідність зразка стає незначною, а опір великим. Утворюється так званий запірний шар. Цей перехід називають зворотним [2].
При проходженні через термоелектричний модуль постійного електричного струму між його сторонами утворюється перепад температур-одна сторона (холодна) охолоджується, а інша (гаряча) нагрівається. Якщо з гарячою боку ТЕМ забезпечити ефективне відведення тепла, наприклад, за допомогою радіатора, то на холодній стороні можна отримати температуру, яка буде на десятки градусів нижче температури навколишнього середовища. Ступінь охолодження буде пропорційною величиною струму. При зміні полярності струму гаряча і холодна сторони міняються місцями.Практика.Елементи Пельтьє широко використовуються в системах охолодження. Але не багато хто знає про їх іншому властивості виробляти енергію.
1.1.3 Модулі Пельтьє
Об'єднання великої кількості пар напівпровідників p - і n - типу дозволяє створювати охолоджуючі елементи - модулі Пельтьє, порівняно великої потужності. Структура напівпровідникового термоелектричного модуля Пельтьє представлена на рис. 1.13.

Рис. 1.13. Структура модуля Пельтьє
Модуль Пельтьє, являє собою термоелектричний холодильник, що з послідовно з'єднаних напівпровідників p- і n-типу утворюють рn і nр-переходи. Кожен з таких переходів має тепловий контакт з одним з двох радіаторів. В результаті проходження електричного струму певної полярності утворюється перепад температур між радіаторами модуля Пельтьє: один радіатор працює як холодильник, інший радіатор нагрівається і служить для відводу тепла. На рис. 1.14. представлений зовнішній вигляд типового модуля Пельтьє.

Рис. 1.14. Зовнішній вигляд модуля Пельтьє
Типовий модуль забезпечує значний температурний перепад, який становить кілька десятків градусів. При відповідному примусовому охолодженні нагріваючого елемента радіатора, другий радіатор - холодильник, дозволяє досягти від'ємних значень температур. Для збільшення різниці температур можливе каскадне включення термоелектричних модулів Пельтьє при забезпеченні адекватного їх охолодження. Це дозволяє порівняно простими засобами отримати значний перепад температур і забезпечити ефективне охолодження елементів, що захищаються. На рис. 1.15. представлений приклад каскадного включення типових модулів Пельтьє.

Рис. 1.15. Представлений приклад каскадного включення модулів Пельтьє
Пристрої охолодження на основі модулів Пельтьє часто називають активними холодильниками Пельтьє або просто кулерами Пельтьє.

Рис.1.16. - Зовнішній вигляд кулера з модулем Пельтье
Головна характеристика термоелектричного охолоджуючого пристрою - це ефективність охолодження:
Z = a2 / (RL), (5)
де - коефіцієнт термоерс;
R - питомий опір;
L - питома теплопровідність напівпровідника.
Параметр Z - функція температури і концентрації носіїв заряду, причому для кожної заданої температури існує оптимальне значення концентрації, при якій величина Z максимальна. Введення в напівпровідник тих чи інших домішок - основне доступний засіб змінювати його показники (а, г, л) в бажану сторону.
Використання модулів Пельтьє в активних кулерах робить їх істотно більш ефективними в порівнянні зі стандартними типами кулерів на основі традиційних радіаторів і вентиляторів. Однак у процесі конструювання та використання кулерів з модулями Пельтьє необхідно враховувати ряд специфічних особливостей, що випливають з конструкції модулів, їх принципу роботи, архітектури сучасних апаратних засобів комп'ютерів і функціональних можливостей системного та прикладного програмного забезпечення.
1.1.4 Особливості експлуатації модулів Пельтьє
Модулі Пельтьє, застосовувані в складі засобів охолодження електронних елементів, відрізняються порівняно високою надійністю, і на відміну від холодильників, створених за традиційною технологією, не мають рухомих частин. І, як це зазначалося вище, для збільшення ефективності своєї роботи вони допускають каскадне використання, що дозволяють довести температуру корпусів захищаючих електронних елементів до негативних значень навіть при їх значній потужності розсіювання. Також модуль є оборотним, тобто при зміні полярності постійного струму гаряча і холодна пластини міняються місцями.
Однак крім очевидних переваг, модулі Пельтьє володіють і рядом специфічних властивостей і характеристик, які необхідно враховувати при їх використанні в складі охолоджуючих засобів. Деякі з них були вже відзначені, але для коректного застосування модулів Пельтьє вимагають більш детального розгляду.
До найважливіших характеристик відносяться такі особливості експлуатації:
- Модулі Пельтьє, що виділяють в процесі своєї роботи велику кількість тепла, вимагають наявності в складі кулера відповідних радіаторів і вентиляторів, здатних ефективно відводити надмірне тепло від охолоджуючих модулів.
- Термоелектричні модулі відрізняються відносно низьким коефіцієнтом корисної дії (ккд) і, виконуючи функції теплового насоса, вони самі є потужними джерелами тепла. Використання даних модулів у складі засобів охолодження електронних комплектуючих комп'ютера викликає значне зростання температури усередині системного блоку, що нерідко вимагає додаткових заходів і засобів для зниження температури всередині корпусу комп'ютера. В іншому випадку підвищена температура всередині корпусу створює труднощі для роботи не тільки для захищаються, і їх систем охолодження, але і решті складових комп'ютера.
- Модулі Пельтьє є порівняно потужної додатковим навантаженням для блоку живлення. Споживаний ними струм перевищує 6А. Занадто тонкі дроти живлення можуть не витримати такої сили струму. З урахуванням значення струму споживання модулів Пельтьє величина потужності блоку живлення комп'ютера повинна бути не менше 250 Вт
- Модуль Пельтьє, в разі виходу його з ладу, ізолює охолоджуваний елемент від радіатора кулера. Це призводить до дуже швидкого порушення теплового режиму захищається елемента і швидкого виходу його з ладу від подальшого перегріву.
- Термоелектричні модулі відповідають технічним даними протягом 2-х років з дати виготовлення при дотриманні споживачем умов зберігання і експлуатації. Термін зберігання і експлуатації - 15 років з моменту прийняття. З досвіду відомо, що якщо тільки модуль не нагріватиметься до температури плавлення олова, він прослужить дуже довго.
- Напруга, що подається пна модуль визначається кількістю пар гілок у модулі. Найбільш поширеними є 127-парні модулі, величина максимальної напруги для яких становить приблизно 16 В. На ці модулі зазвичай подається напруга живлення 12 В. Такий вибір напруги живлення в більшості випадків є оптимальним і дозволяє забезпечити, з одного боку, достатню потужність охолодження, а з іншого боку, достатню економічність. При підвищенні напруги живлення більш 12 В збільшення холодильної потужності буде слабким, а споживана потужність буде різко збільшуватися. При зниженні напруги живлення економічність зростатиме, холодильна потужність зменшуватиметься, але лінійно, що дуже зручно для організації плавного регулювання температури. Для модулів з числом пар гілок відмінним від 127, необхідно враховувати особливості конкретного пристрою, перш за все, умови тепловідведення з гарячою боку, і можливості джерел живлення.
- Велике значення відіграє потужність модуля Пельтьє, яка, як правило, залежить від його розміру. Модуль малої потужності не забезпечує необхідний рівень охолодження, що може привести до порушення працездатності захищається електронного елемента, наприклад, процесора внаслідок його перегріву. Однак застосування модулів дуже великої потужності може викликати пониження температури охолоджуючого радіатора до рівня конденсації вологи з повітря, що небезпечно для електронних ланцюгів. Це пов'язано з тим, що вода, безперервно одержувана в результаті конденсації, може привести до коротких замикань в електронних ланцюгах комп'ютера. Для виключення даної небезпеки доцільно використовувати холодильники Пельтьє оптимальної потужності. Виникне конденсація чи ні, залежить від декількох параметрів.
Найважливішими є:
- температура навколишнього середовища (в даному випадку температура повітря всередині корпусу);
- температура охолоджуваного об'єкта;
- вологість повітря.
Чим тепліше повітря всередині корпусу і чим більше вологість, тим імовірніше сконденсовану вологи і подальший вихід з ладу електронних елементів комп'ютера. Нижче представлена таблиця, що ілюструє залежність температуру конденсації вологи на охолоджуваному об'єкті залежно від вологості і температури навколишнього повітря. Використовуючи цю таблицю, можна легко встановити, чи існує небезпека конденсації вологи чи ні. Наприклад, якщо зовнішня температура 25 ° C, а вологість 65%, то конденсація вологи на охолоджуваному об'єкті відбувається при температурі його поверхні нижче 18 ° C.
Таблиця 1. 2
|
Вологість, % |
|||||||||
|
Температура навколишнього середовища, °C |
30 |
35 |
40 |
45 |
50 |
55 |
60 |
65 |
70 |
|
30 |
11 |
13 |
15 |
17 |
18 |
20 |
21 |
23 |
24 |
|
29 |
10 |
12 |
14 |
16 |
18 |
19 |
20 |
22 |
23 |
|
28 |
9 |
11 |
13 |
15 |
17 |
18 |
20 |
21 |
22 |
|
27 |
8 |
10 |
12 |
14 |
16 |
17 |
19 |
20 |
21 |
|
26 |
7 |
9 |
11 |
13 |
15 |
16 |
18 |
19 |
20 |
|
25 |
6 |
9 |
11 |
12 |
14 |
15 |
17 |
18 |
19 |
|
24 |
5 |
8 |
10 |
11 |
13 |
14 |
16 |
17 |
18 |
|
23 |
5 |
7 |
9 |
10 |
12 |
14 |
15 |
16 |
17 |
|
22 |
4 |
6 |
8 |
10 |
11 |
13 |
14 |
15 |
16 |
|
21 |
3 |
5 |
7 |
9 |
10 |
12 |
13 |
14 |
15 |
|
20 |
2 |
4 |
6 |
8 |
9 |
11 |
12 |
13 |
14 |
Крім зазначених особливостей, необхідно враховувати і ряд специфічних обставин, , це пов'язано з тим, що існуючі холодильники Пельтьє, як правило, розраховані на безперервну роботу. У зв'язку з цим, найпростіші холодильники Пельтьє, що не володіють засобами контролю, не рекомендується використовувати разом з охолоджуючими програмами. Це дозволяє оптимізувати їх енергоспоживання.
Елементи Пельтьє застосовуються в ситуаціях, коли необхідно охолодження з невеликою різницею температур, або енергетична ефективність охолоджувача не важлива. Наприклад, елементи Пельтьє застосовуються в маленьких автомобільних холодильниках, так як застосування компресора в цьому випадку неможливо через обмежених розмірів і, крім того, необхідна потужність охолодження невелика.
Крім того елементи Пельтьє застосовуються для охолодження пристроїв із зарядним зв'язком в цифрових фотокамерах. За рахунок цього досягається помітне зменшення теплового шуму при тривалих експозиціях (наприклад в астрофотографії). Багатоступінчасті елементи Пельтьє застосовуються для охолодження приймачів випромінювання в інфрачервоних сенсорах.
Також елементи Пельтьє часто застосовуються:
1. для охолодження і термостатування діодних лазерів, щоб стабілізувати довжину хвилі випромінювання;
2. в комп'ютерній техніці;
3. в радіоелектричних пристроях;
4. у медичному і фармацевтичному обладнанні;
5. у побутовій техніці;
6. в кліматичному обладнанні;
7. в термостатах;
8. в оптичній апаратурі;
9. для управління процесом кристалізації;
10. як підігрів в цілях опалення;
11. для охолодження напоїв;
12. в лабораторних і наукових приладах;
13. в льодогенераторами;
14. в кондиціонерах;
15. для отримання електроенергії;
16. в електронних лічильниках витрати води.
Звичайно, охолоджуючі пристрої Пельтьє навряд чи підходять для масового використання. Вони досить дорогі і вимагають правильного режиму експлуатації. Сьогодні це, швидше, інструмент для любителів розгону процесорів. Однак у випадку необхідності сильного охолодження процесорів кулери Пельтье є найбільш ефективними пристроями.
З'явилися повідомлення про експерименти з вбудовування мініатюрних модулів Пельтьє безпосередньо в мікросхеми процесорів для охолоджування їх найбільш критичних структур. Таке рішення сприяє кращому охолодженню за рахунок зниження теплового опору і дозволяє значно підвищити робочу частоту і продуктивність процесорів.
Роботи в напрямку вдосконалення систем забезпечення оптимальних температурних режимів електронних елементів ведуться багатьма дослідницькими лабораторіями. І системи охолодження, що передбачають використання термоелектричних модулів Пельтьє, вважаються надзвичайно перспективними.
.
1.2 Комбіноване вироблення теплової та електричної енергії
Однією із найбільш актуальних проблем нашого часу є пошук екологічно чистих альтернативних джерел енергії. Термоелектрика описує процеси перетворення теплової енергії в електричну та навпаки. Ці процеси дістали назву когенерація. Під когенерацією розуміють (також комбіноване виробництво тепла та електроенергії) яке полягає у використанні електростанції для одночасного виробництва тепла та електроенергії. Когенерація є одним із найпоширеніших методів повторного використання енергії.
Вона грунтується на трьох важливих ефектах: Зеєбека, Пельтьє та Томсона. При цьому основною задачею є виробництво "чистої" електроенергії, а також виконання функції охолодження. До інших переваг термоелектричних пристроїв слід віднести безшумну роботу (відсутність рухомих частин) та багаторічну стабільність функціонування. Енергетична ефективність термоелектричних пристроїв визначається якістю термоелектричних матеріалів.
Когенераційні установки не тільки дорога високотехнологічна іграшка для компаній, які їх використовують. Це данина нашому часу, коли доводиться берегти енергоресурси.
Спільне виробництво теплової та електричної енергії практикується вітчизняними енергетиками вже давно, оскільки дозволяє значно збільшити ефективність використання палива. Даний процес отримав у нас назву теплофікація. «Заморський» же термін когенерація з'явився значно пізніше. Слід зауважити, що обидва поняття, принаймні для нашої країни, не зовсім тотожні, оскільки принцип роботи та структура когенераційних систем схожа на роботу паротурбінних теплоелектроцентралей (ТЕЦ), але має деякі відмінності. У когенераційних установках для вироблення теплової енергії використовуються вихлопні гази двигунів різної будови, які через теплообмінник віддають енергію в магістраль, а в ТЕЦ для тих же цілей використовується перегріта пара, нагрітий теплом від спалювання палива в спеціальних котлоагрегатах.
Хоча слід зауважити, в ЄС на ці відмінності ніхто не звертає уваги, адже головне, що обидва види енергії виробляються одночасно. Тому всі подібні системи мають назву CHP-plant (Combined Heat and Power plant - завод по спільному виробництву тепла та електроенергії).
Підприємства, побудовані зусиллями держави для виробництва електричної та теплової енергії, мають величезну потужність (тисячі МВт) і здатні забезпечувати теплом і світлом цілі міста. Частка даних об'єктів в енергетиці держави досить істотна (рис. 1.17)
Рис. 1.17 Розподіл потужностей української енергетики за даними міністерства палива та енергетики України за 2009 рік [4] http://www.ges-ukraine.com/maininfo_14-16.html
Три кити когенерації
Головним чинником, який змушує використовувати і вдосконалювати альтернативні джерела є: вироблення тепла і електроенергії, зношеність тепло- і електромереж, а також низька якість електроенергії. Цією альтернативою стали когенераційні установки малої потужності, так звані міні-ТЕЦ, здатні забезпечити тепловою та електричною енергією окремі будівлі або підприємства.
Розрізняють когенераційні системи на базі газотурбінних і газопоршневих установок, мікротурбін. Рідше використовуються двигуни, що працюють на дизельному паливі. Ще одним критерієм класифікації може служити вид палива. Справа в тому, що походження газу буває різним. Серед інших особливо перспективними вважаються шахтний метан, біогаз та звалищний газ.
До слова, когенераційні системи використовуються не тільки за прямим призначенням. У тепличних підприємствах вони виконують роль установки з виробництва СО2 для підвищення врожайності.
До початку двадцять першого століття більшість об'єктів в Україні стали енергозалежними, тобото, їхня працездатність залежала від кількості енергії яка вироблялася, і вразі її відсутності колапс неминучий. Також, примарою, попереду стало зростання цін на енергоносії (в першу чергу на газ і нафту). І все це на тлі зростання енергоспоживання як підприємствами, так і населенням.
Паличкою-виручалочкою в сформованій ситуації мали б стати енергозберігаючі технології та альтернативні джерела енергії. І якщо друге завжди було занадто дорого, то енергозберігаючі технології, в числі яких на першому місці стоїть когенерація як спосіб значного збільшення ККД енергогенеруючих установок, були доступнішими. Тим більше що вітчизняне машинобудування мало потужності з випуску газотурбінних двигунів («Мотор-Січ», «Сумське машинобудівне НВО»), а також серійно перероблених в газопоршневі дизельних установок («Первомайськдизельмаш»). З появою попиту на українському ринку когенераційних систем незабаром з'явилися зарубіжні виробники. Перші проекти були реалізовані вже в 2004-2005 роках. До слова, головною особливістю інсталяції когенераційних установок є тривалість їх реалізації. Від проекту на папері до пуско-налагоджувальних робіт проходить від декількох місяців до півтора і більше років. [5]
http://www.ges-ukraine.com/maininfo_20.html
Комбіноване виробництво електричної та теплової енергії здійснюється в Україні відповідно до прийнятого у 2005 році (з останніми змінами у 2012) Закону України «Про комбіноване виробництво теплової та електричної енергії (когенерацію) та використання скидного енергопотенціалу».
Скидний енергетичний потенціал технологічних процесів вторинні енергетичні ресурси, які можуть бути використані для виробництва електричної та теплової енергії в когенераційних установках
Цей Закон визначає правові, економічні та організаційні
засади діяльності суб'єктів відносин у сфері енергозбереження щодо
використання когенераційних установок, регулює відносини,
пов'язані з особливостями виробництва, передачі, розподілу і
постачання електричної та теплової енергії від когенераційних
установок. { Абзац перший преамбули із змінами, внесеними згідно
із Законом N 663-VII ( 663-18 ) від 24.10.2013 }
Метою цього Закону є створення правових засад для підвищення
ефективності використання палива в процесах виробництва енергії
або інших технологічних процесах, розвитку та застосування
технологій комбінованого виробництва електричної і теплової
енергії, підвищення надійності та безпеки енергопостачання на
регіональному рівні, залучення інвестицій на створення
когенераційних установок.
Під терміном «когенераційні установки» сьогодні розуміють комплекс обладнання, що працює за способом комбінованого виробництва електричної і теплової енергії або перетворює скидний енергетичний потенціал технологічних процесів в електричну та теплову енергію.
«Значна частина електроенергії в Україні виробляється конденсаційними електростанціями (КЕС). На таких електростанціях первинна енергія палива перетворюється в котлах на пару. Після чого отримана пара подається в парову турбіну, яка приводить в рух електрогенератор. Генератор перетворює механічну енергію турбіни на електричний струм. Середній коефіцієнт корисної дії традиційних електростанцій становить близько 38%, тобто більше 60% підведеної первинної енергії палива не використовується і скидається у навколишнє середовище. Теплоелектроцентраль (ТЕЦ) відрізняється від конденсаційної електростанції тим, що її загальний коефіцієнт корисної дії можна підвищити завдяки використанню відхідного тепла. Газовий двигун внутрішнього згоряння приводить в рух синхронний генератор, який виробляє електричний струм. Двигун віддає тепло, яке у так званому «внутрішньому контурі охолодження» відбирається послідовно від мастила, рідини охолодження двигуна та відхідних газів і в пластинчастому теплообміннику передається в систему теплопостачання.
На потужних ТЕЦ процеси відбору тепла та його передачі споживачу реалізуються за допомогою теплових мереж, але їхній потенціал здебільшого майже вичерпано. Зрештою, ефективна робота теплоелектроцентралей можлива тільки за умови, коли великі споживачі теплової енергії, наприклад, житлові райони, розташовані поблизу ТЕЦ. З огляду на ці обставини було розроблено ідею про створення децентралізованих когенераційних установок: виробництво електричної та теплової енергії відбувається у порівняно невеликих блочних модулях, які встановлені у безпосередній близькості від споживача. Завдяки цьому втрати електричного струму та тепла під час транспортування мінімізуються. Коефіцієнт використання енергоресурсів зростає більше ніж на 60%, а вартість електричної та теплової енергії, яка виробляється КГУ, значно нижча порівняно з «великою» енергетикою.
Електричний струм, який виробляється когенераційною установкою, використовується, в першу чергу, для покриття власних потреб об'єкта. Якщо немає потреби у виробленій електроенергії, її надлишок скидається до зовнішньої електричної мережі, за що власник установки отримує грошові кошти. Також когенераційна установка може працювати в режимі автономного джерела живлення або паралельно з зовнішньою мережею без скидання надлишку електроенергії до неї» [1].
http://www.viessmann.ua/content/dam/internet-ua/pdf_dokumente/top-info_5_GKA_and_different/vitobloc_toptechnik040511d.pdf
Когенераційні установки, що виробляють теплоту й електроенергію, називають також міні-ТЕЦ (МТЕЦ).
По своїй суті МТЕЦ повністю аналогічні паротурбінним ТЕЦ: вони включають системи виробництва теплової і електричної енергії, теплові й електричні магістралі для доставки енергії споживачам, розподільні мережі та системи, системи контролю і управління. Відрізняються вказані ТЕЦ тільки масштабами і видом енергії, яка є базовою: якщо для паротурбінної ТЕЦ базовою в більшості випадків є електрична енергія, а виробіток теплової є засобом підвищення ефективності виробітку базового продукту, то в МТЕЦ базовою є, як правило, теплова енергія. По існуючому тепловому навантаженню визначається електрична потужність когенераційної установки, яка забезпечує максимальний коефіцієнт корисного використання палива впродовж всього року.
Вже за своїм визначенням МТЕЦ є альтернативою крупним централізованим паротурбінним ТЕЦ. У цьому плані застосування МТЕЦ служить засобом децентралізації (зменшення) теплофікаційних систем, створення помірно-централізованих систем теплопостачання, які забезпечують теплотою і електроенергією, а при необхідності й холодом окремі адміністративні і громадські будівлі, підприємства, житлові комплекси, учбові заклади і тому подібні обєкти. Такий шлях розвитку енергетики має наступні переваги:
• зниження втрат при транспорті теплоти і електроенергії за рахунок зменшення відстаней між виробниками і споживачами енергії, а також за рахунок застосування сучасних засобів захисту і технологій;
• можливість оперативного регулювання теплової і електричної потужності установки в залежності від навантаження, часу доби, сезону, погодних умов;
• можливість використання сучасного високоефективного енергетичного обладнання;
• використання систем глибокої утилізації (утилізація схованої теплоти пароутворення при спалюванні вуглеводневого палива);
• можливість використання в КОУ місцевих нетрадиційних видів енергії і енергозберігаючих технологій;
• зменшення коштів, необхідних для модернізації або заміни застарілого обладнання і мереж.
Вказані особливості когенераційних технологій дозволяють зменшити витрату палива на виробіток теплоти і електроенергії, тобто витрати на енергоносії, а разом з цим скоротити викиди парникових газів і шкідливих речовин в навколишнє середовище, що є на сьогоднішній день найпотужнішим стимулом для будівництва когенераційних установок.
Початковим імпульсом для реалізації енергозберігаючих технологій в теплоенергетиці й, в першу чергу, будівництва когенераційних установок слугували нафтові кризи, що вибухнули у 19731978 рр. і вперше змусили світове товариство глянути та її зростання до 2010 року у відповідності зі стратегією ЄС на проблеми паливозабезпечення й паливозбереження у подальшій перспективі. Враховуючи важливість вирішення паливних проблем, урядами багатьох промислово розвинених країн були прийняті законодавчі акти, що стимулювали розвиток когенераційної енергетики. На сьогоднішній день когенерація визнається радикальним засобом протидії глобальній зміні клімату, марнотратству в паливній сфері, засобом, який сприяє сільському й регіональному відродженню, росту зайнятості у машинобудуванні. До початку ХХI століття когенерація займала вже вагоме місце в енергетиці багатьох країн світу
-
Застосування термоелектрогенераторів на транспорті
Термоелектрика це явище, яке описує перетворення теплової енергії в електричну, та навпаки, чим сприяє вирішенню однієї із найбільш актуальних проблем нашого часу пошуку екологічно чистих джерел альтернативної енергії.
Основним принципом термоелектрики є виробництво "чистої" електроенергії, а також виконання функції охолодження. Серед інших переваг, термоелектричні пристрої відзначаються безшумною роботою (відсутність рухомих частин) та багаторічним стабільним функціонуванням термоелектричні генератори. В даний час це один із найбільш актуальних наукових напрямів.
Термоелектричні генератори (ТЕГ) здійснюють пряме перетворення тепла в електроенергію: [6]
http://tech.pu.if.ua/uk/project/3
Термоелектричні генератори працюють таким чином, що при різниці температур відбувається пряме перетворення теплової енергії на електричну. Кожен з нас, людей, також є структурою, яка виробляє енергію і виділяє тепло в довкілля, подивіться: навколишнє середовище насичене значною кількістю дармової теплової енергії - вона виділяється внаслідок роботи побутових пристроїв, автомобілів, різних промислових установок. Всі вони віддають енергію в довкілля, де вона просто розсіюється. Але ж її можна «вловити» і використати. Дослідження показують, що використовуючи теплову енергію автотранспорту - перетворюючи її на електричну, можна частково замінити пальне та зменшити його використання на 20-25%. Колосальна економія!»
Для такого перетворення - тепла на електричний струм - виготовляють спеціальні пристрої. Термоелектричні генератори на основі напівпровідникових матеріалів.[7]
http://gk-press.if.ua/node/11375
Такі пристрої мають ряд суттєвих переваг і виконують одночасно кілька корисних функцій :
- Їх застосовують для перетворення дармового тепла, яке викидається в довкілля, тобто зменшують «парниковий ефект».
- Є екологічними, не спричиняють викидів в атмосферу, як це відбувається при вивільненні енергії від згорання будь-якого виду палива.
- Довговічні в роботі
- Не мають рухомих частин.
- Прості в конструкції, що означає здешевлення технології.
- Мініатюрні, що дозволяє виготовляти невеликі пристрої без втрати потужності.
- Повністю автономні в роботі.
Враховуючи, кількість автомобілів що створюються кожен рік, якими ми користуємося, постає питання про їх раціональне використання та економію. У цей час світовий автомобільний парк перевищив ~ 1 млрд. одиниць, у результаті автомобілі стали основними забруднювачами атмосфери Землі вихлопними газами (ВГ) і непридатним теплом [1].
Сучасні двигуни внутрішнього згоряння (ДВЗ) автомобілів мають досить високий ККД ДВЗ~ 0.4. Однак, значна частина потужності палива, що згоряє, Q і частина корисної потужності ДВЗ WДВЗ= ДВЗQ безповоротно губиться в атмосферу через вихлопну трубу (ВТ) ((QВТ~ 0.3Q)), систему охолодження (СО) (QСО~ 0.3Q), трансмісію й допоміжні механізми автомобіля (L) (Q L ~ 0.2 Q) .
Звідси виникає необхідність збору й наступного використання (рекуперації) теплових втрат (РТП) і економії палива автомобілем.
Пристрій, завдяки якому можливі такі дива, відомий під назвою «термоелектричний генератор». Родом він, як і всі електричне, з далекого ХІХ століття.
Термоелектрогенератори допоможуть автолюбителям заощадити паливо. Адже, напівпровідникових матеріалів, що володіють термоелектричними властивостями, нараховують чи мало, проте далеко не всі вони можуть використовуватися на практиці. Досягти хоча б 5-відсоткової економії палива, будучи при цьому недорогим, високотехнологічним і малотоксичним.
Американська компанія BSST привернула до своїх здобутків автоконцерну BMW і Форд. «Порадившись», компанії замінили традиційно використовуваний в термоелектрогенератор теллурид вісмуту (містить дорогий телур; може нагріватися до 250 С) матеріалами на основі гафнію і цирконію. В результаті ефективність термоелектричного перетворення виросла на 40%.
Дослідницький підрозділ General Motors пропонує використовувати скуттерудіти - арсеніди кобальту і нікелю. Вони дешевші теллурідів і більш стійкі до високих температур. Прототип системи, протестований на Chevrolet Suburban, показав, що здатний генерувати 350 Вт енергії, економлячи 3% палива.
Втім, виробництво термоелектрогенераторів на основі скуттерудітів є вельми трудомістким і витратним за часом. До того ж установки виходять поки досить громіздкими. Інженер GM Грегорі Майснер вважає, що комерційне виробництво термоелектричних генераторів може початися лише років через чотири.[9]
Всі визнають великий потенціал повторного використання тепла, але це завжди було занадто складним завданням, щоб думати про це серйозно.
Генератор, представлений компанією General Motors може витримувати нагрівання до температури 600 C на його гарячій стороні (верхня поверхня) при підтримці температури від 100 ° C на його холодній стороні (нижня поверхня). При такій різниці температур модуль розміром в 5 квадратних сантиметра може виробляти 7,2 Вт енергії. Якщо розмістити подібний генератор біля вихлопної труби автомобіля, то навантаження на штатний генератор машини істотно знизиться. Зменшиться також споживання палива та обсяг шкідливих викидів.
Рис.1.18. Розміщення термоелектричного генератора у вихлопній трубі автомобіля
В даний час тверді розчини Bi2Te3 - Bi2Se3 n типу поряд з твердими розчинами Bi2Te3 - Sb2Te3 р типу є основними матеріалами для термоелементів, що працюють в інтервалі температур 200 ... 600 °C.
Враховуючи, що в транспортних засобах з двигунами внутрішнього згоряння існують система відпрацьованих газів з температурою Т = 800 °C і система рідинного охолодження з температурою нижче 100 °C, можна підтвердити, що температурний градієнт близько 200 °C між вищевказаними системами, створює реальні умови для експлуатації термогенераторів, що працюють в зазначеному діапазоні температур.
В даній роботі показана можливість застосування напівпровідникових термогенераторів в якості джерела струму для зарядки кислотних акумуляторів в транспортних засобах.
Наведемо деякі кількісні оцінки, характерні для двигунів внутрішнього згоряння. Відомо, що ККД двигунів зазначеного типу порядку 30%, отже, інші 70% губляться у вигляді теплової енергії відпрацьованих газів[10]. http://tech.asj-oa.am/1482/1/23.pdf
Частина цієї енергії можна використовувати для підігріву відповідних пластин термоелементів з одночасним охолодженням пластин за допомогою циркулюючої рідини системи охолодження двигуна. Температура системи охолодження регулюється термостатом в межах 80 ... 90 ° C. За цих умов можна забезпечити необхідний температурний градієнт близько 200 ° C між пластинами термопари. ККД термогенератора становить 15%, отже, для отримання електричної потужності 300 Вт, необхідної для зарядки акумуляторів, обсяг теплової енергії, отриманої за рахунок відпрацьованих газів, повинен бути в межах 2000 Вт, що еквівалентно потужності 3 к.с. Якщо врахувати, що реальні втрати у вигляді теплової енергії автомобільних двигунів еквівалентні потужності в сотні к.с., то з енергетичної точки зору, працездатність вищеописаної системи не викликає сумнівів, що стосується конструктивних рішень, то оптимальні результати можуть бути отримані шляхом тривалих випробувань на конкретних транспортних засобах.
Фізичні розміри сучасних термогенераторів, що забезпечують потужність порядку 300 Вт, можна визначити на основі існуючих реальних оцінок, при яких потужність 15 Вт виходить від термопластини площею 150 см2. Вартість, термоматеріалів на одиницю потужності 1 Вт приблизно дорівнює 1 дол. США.
Однак наведені технічні та економічні оцінки основних параметрів термогенераторів постійно поліпшуються. Робота пропонованої конструкції здійснюється наступним чином.
Труба глушника після виходу колектора, обмотується теплопровідною гнучкою стрічкою, з допомогою якої теплова енергія від системи випуску відпрацьованих газів, передається гарячій пластині термогенератора, до якої з двох сторін притиснуті поверхні термопластини.
Протилежні поверхні пластин охолоджуються радіатором як повітряного, так і рідинного охолодження. При компонуванні термогенератора поруч із двигуном, коли охолоджуючі радіатори закріплюються впритул з поверхнею шасі, питання рідинного охолодження автоматично відпадає. Вдале рішення цієї задачі в основному залежить від ККД термогенераторів, підвищення якого може призвести до зменшенню габаритів термопластини.
Вирішення низки завдань зі створення термогенераторів нового покоління з підвищеним ККД і низькою ціною дозволить замінити електрогенератори термогенераторами, що обумовлено нижченаведеними перевагами:
а) в обсязі споживаної потужності електрогенератора зменшується навантаження на валу двигуна, що призводить до зменшення витрати палива протягом усього терміну експлуатації транспортних засобів;
б) напруга на виході термогенератора постійна і не вимагає додаткових перетворень;
Автомобільна промисловість, як і будь-яка інша галузь, рухається у бік зниження енергоспоживання, так як це тягне за собою зниження витрати палива.
Друге, самодостатнє за значимістю завдання на перспективу для наукових розробок в автомобільній сфері - підвищення екологічності автомобіля, а значить - знову зниження енергоспоживання, і як наслідок - знову зниження витрати палива. Згадайте, ще недавно було ЄВРО-3, а скоро вже введуть ЄВРО-7. На сьогодні існують досить таки масові моделі автомобілів концерну VAG, оснащені двигунами об'ємом 1,2 л. з турбонаддувом - тут явно простежується тенденція до зниження викидів і підвищення екологічності, задана в екологічному стандарті Євро-6. Чим менше об'єм двигуна, тим менше витрата палива на холостих обертах (а майже всі міста стоять у пробках). Система «Старт-Стоп» родом звідти ж.
Тобто, весь автомобільний світ живе (поки) мріями про автомобіль, який б не витрачав пальне взагалі. Таке диво є - електромобіль. Але ця іграшка поки не володіє хоч скільки-небудь осудним запасом ходу від зарядки до зарядки. Тому придумали гібридну силову установку. Перший серійний автомобіль з гібридним двигуном - TOYOTA PRIUS був випущений в 1997 році. І сьогодні ця модель автомобіля володіє витратою палива 4,5 літра по місту (якщо вірити його бортовому комп'ютеру). Коли я особисто взяв PRIUS 30 напрокат, викачаний по місту його повний бак у мене не вийшло. Чесно кажучи, їздити на PRIUS 30 дуже навіть приємно. Особисто мене розпирало від гордості за те, що я менше сусіда по пробці спалюю палива, а значить - менше забруднюючих атмосферу.
Ще один недавній крок, який зробив автопром в цьому плані - заміна галогенних ламп світлодіодами LED. Це відразу дозволило знизити енергоспоживання експлуатованого автомобіля як мінімум на 60 Вт (дві галогенки мінімум по 55 Вт), так як ближнє світло при русі по правилам повинен бути включений постійно.
На сьогоднішній день існує ще досить архаїчний, і в той же час енергоємний елемент автомобіля, який суттєво збільшує витрату палива. Мова іде про кондиціонер (або система клімат-контролю). На деяких автомобілях з двигуном менше двох літрів, якщо включити кондиціонер, досить сильно можна відчути зниження «тяги» автомобіля. Скільки потужності втрачається через клімат-контроль, сказати важко - на різних автомобілях по-різному, але це і не суть. Досить багато, щоб задуматися про те, як знизити ці витрати і в прямому і в переносному сенсі - адже потужність на автомобілях з ДВЗ - це витрата палива. А значить - і забруднення атмосфери. Цікавим є спосіб зниження витрат енергії ДВЗ на кліматичній установці хоча він поки не впроваджений у серійне виробництво.
Рис. 2.1 Застосування модуля Пельтьє у автомобільних сидіннях
http://www.pu.if.ua/inst/phys_che/start/pcss/vol13/1302-01.pdf - подивитися на цю ссилку стор 311
РОЗДІЛ ІІ. Експериментальне дослідження термоелектричного модуля