Сравнительный анализ конструкций распределительного устройства высокого напряжения на газомазутной ГРЭС (8К-300)
МИНИСТЕРСТВО ОБРАЗОВАНИЯ РОССИЙСКОЙ ФЕДЕРАЦИИ
________________________________________________________
Казанский государственный энергетический университет
Дипломный проект
Тема: Сравнительный анализ конструкций распределительного устройства высокого напряжения на газомазутной ГРЭС (8К-300)
Группа Э-1-10
Студент Билалов Р.Ф.
Преподаватель Миронова Е.А.
Казань 2015
Содержание.
1.Выбор типов и конструкции синхронных генераторов..................................3-5
2.Разработка вариантов структурных схем.......................................................6-10
3.1Выбор силовых трансформаторов...............................................................11-12
3.2Выбор автотрансформаторов.......................................................................12-14
4.Технико-экономическое сравнение схем.....................................................15-22
5.Выбор схем РУ................................................................................................23-26
6.Разработка схем СН........................................................................................27-28
7.Расчет токов трехфазного КЗ.........................................................................29-36
8.Выбор аппаратов и проводников........................................................................37
8.1Выбор выключателей...................................................................................37-41
8.2 Выбор проводников.....................................................................................42-45
8.3Выбор КИР и измерительных трансформаторов.......................................46-51
Заключение.........................................................................................................52-53
Литература...............................................................................................................54
Паспорт станции:
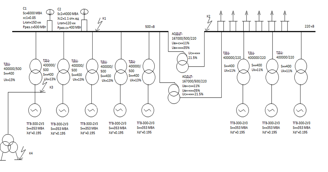
Тип и мощность станции: КЭС-2400 МВт.
Связь с энергосистемой на напряжении 500 кВ по двум воздушным линиям. Параметры первой системы: мощность 6000 МВА, сопротивление 0,85. Параметры первой системы: мощность 4000 МВА, сопротивление 1,1. От шин 220 кВ отходят 4 воздушные линии в районную сеть, на 10 кВ получает питание местная нагрузка.
Расположение:
Топливо: основное - газ, резервное - мазут.
Система технического водоснабжения: прямоточная река.
Турбины: 8 x К-300
Турбогенераторы типа ТГВ-300-2У3. Генераторы имеют высокочастотную систему возбуждения, водородную систему охлаждения.
Блочные силовые трансформаторы типа ТДЦ-400000/220 и ТДЦ-400000/500 и автотрансформаторы связи типа 3*АОДЦТН-167000/500/220.
1. Выбор типа и конструкции синхронных генераторов
Для выработки электроэнергии на КЭС используют синхронные турбогенераторы трехфазного переменного тока. Номинальная мощность турбогенераторов выбирается в соответствии с номинальной мощностью турбин , исходя из условия:
На проектируемой КЭС установлено 8 турбин:
- 8 турбин К-300 конденсационная, без промышленных отборов ,мощ. 300МВт
Для турбин К-300 выбираем генераторы типа ТГВ-300-2УЗ.
Основные данные выбранных генераторов занесены в табл. 1.
Таблица 1
Основные параметры генераторов
|
Тип генератора |
Sном., МВА |
Сos |
Iном., кА |
Uном., кВ |
Ном. частота вращения, об/мин |
, о.е. |
|
ТГВ-300-2У3 |
353 |
0,85 |
10.2 |
15.75 |
3000 |
0,195 |
ТГВ-300-2УЗ турбогенератор с водородным форсированным охлаждением. Генератора статор имеет косвенное водородное охлаждение, а ротор - непосредственное водородное, когда водород подается внутрь полых проводников со стороны торцевой части ротора.
Переводим графики нагрузок из относительных единиц в абсолютные (МВт):

Рис. 1. Суточный график выработки Рис. 2. Суточный график потребле-
активной мощности генераторами ния активной мощности по сети
КЭС. 220 кВ.
Определим долю выработки электроэнергии каждым генератором КЭС:

Рис. 3. Суточный график выработки
активной мощности турбиной
К-300
2. Разработка вариантов структурных схем КЭС
Общие принципы при разработке структурной схемы.
Структурная схема ГРЭС зависит от единичной и суммарной мощности агрегатов и от соотношения суммарной генераторной мощности и минимальной мощности местной нагрузки.
При наличии местной нагрузки не только на генераторном, но и на среднем напряжении (220 кВ) структурная схема выполняется с автотрансформаторами связи.
Исходя из требований надежности теплоснабжения потребителей, применяют только единичные блоки: отказ элементов объединенного или укрупненного блока привел бы к потере двух теплофикационных блоков и возможному при этом ограничению теплоснабжения потребителей. Это условие справедливо для современных мощных КЭС с агрегатами 500 МВт, которые сооружаются для электроснабжения больших городов и крупных промышленных предприятий.
Питание близлежащих районов нагрузки может осуществляться ответвлением от генераторов нескольких блоков через реактор (генераторное напряжение 10,5 кВ). Ответвление выполняют между генераторным выключателями блочным трансформатором. Это повышает надежность электроснабжения местных потребителей, так как при наиболее вероятных повреждениях в технологической части блока отключается генераторный выключатель, а питание местной нагрузки сохраняется через блочный трансформатор.
Нагрузка потребителей электроэнергии, генераторов станции и С.Н. для КЭС предпочтительнее характеризовать нагрузку соответствующими графиками известных потребителей электроэнергии

Рис. 4. Структурная схема КЭС (1 вариант).

Рис. 5. Структурная схема КЭС (2 вариант).

Рис. 6. Структурная схема КЭС (3вариант).

Рис. 6. Структурная схема КЭС (4 вариант).

Рис. 7. Структурная схема КЭС (5 вариант).

Рис. 8. Структурная схема КЭС (6 вариант).

Рис. 9. Структурная схема КЭС (7 вариант).

Рис. 10. Структурная схема КЭС (8 вариант).

Рис. 11. Структурная схема КЭС (9 вариант).

Рис. 12. Структурная схема КЭС (10 вариант).
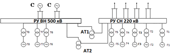
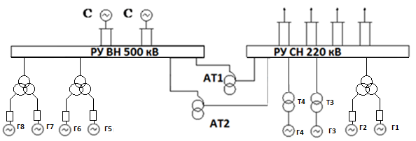
Разработаны 10 вариантов схем. Во всех вариантах принята блочная схема подключения генераторов к сборным шинам высокого и среднего напряжения: генератор- повышающий трансформатор. во всех вариантах связь между РУ высокого и среднего напряжения выполнена 2-мя автотрансформаторными связи.
Распределение блоков по шинам высокого напряжения след-я: в 1-м варианте к шинам высокого напряжения подключен 1 блок, низкого - 3 блока во 2-м: на ген-м напряжениями во всех вариантах установлены ген-е выключатели.
Вывод: на основании тех. анализа вариантов схем для дальнейшего рассмотрения принимаем варианты 1 и 2.
3. Выбор силовых трансформаторов и автотрансформаторов
3.1. Выбор трансформаторов блочных
Выбор трансформаторов для схемы 1:
,МВА (2)
Для : МВА
( Для газовой станции на СН сост-т 5%.
на высокое (500) ТДЦ 400000/500
на среднее (220) ТДЦ 400000/220
Выбор автотрансформаторов связи для схемы 1:
Автотрансформаторы связи выбираются по 4 расчетным режимам:
Нормальный режим зимой:
Нормальный режим летом:
Авария в системе летом:
Отключение одного блока зимой от РУ: ф. напряжения (220кВ)
По максимальной мощности аварии в системе летом выбираем автотрансформаторную группу из 3-х однофазных автотрансформаторов АОДЦН-267000/500/220
Выбор автотрансформаторов для схемы 1:
(3)
1) Нормальный режим зимой:
2) Нормальный режим летом:
3) Авария в системе летом:
4) Отключение одного блока зимой от РУ ср. напряжения
По максимальному перетоку норм. режиме зимой выбираем группу автотрансформаторов типа:3 АOДЦТН-167000/500/220
Основные параметры трансформаторов приведены в табл. 2.
Таблица 2
Основные параметры трансформаторов
|
Тип трансформатора |
Sном., МВ А |
Напряжения обм., кВ |
Потери, кВт |
, % |
Iхх , % |
стоимость |
|||||
|
ВН |
СН |
НН |
Рхх |
Рк |
ВН-СН |
ВН-НН |
СН-НН |
||||
|
ТДЦ-400000/500 |
400 |
525 |
13,8;15,75;20 |
315 |
790 |
13 |
0,45 |
||||
|
ТДЦ -400000/220 |
400 |
242 |
- |
15,75:13,8;20;21 |
330 |
880 |
- |
11 |
- |
0,4 |
|
|
3*АОДЦТН 167000/500/220 |
167 |
500/3 |
220/3 |
10,5;13,,8;15,95;20 |
90 |
315 |
11 |
35 |
21,5 |
0,25 |
|
|
3*АОДЦТН 267000/500/220 |
267 |
500/3 |
220/3 |
10,5;13,,8;15,95;20 |
125 |
470;115;95 |
11,5 |
37 |
23 |
0,25 |
Типы выбранных трансформаторов и автотрансформаторов по вариантам сведем в табл. 3.
Таблица 3
Типы выбранных трансформаторов и автотрансформаторов по вариантам
|
Вариант 1 |
Вариант 2 |
|
|
ТДЦ- 400000/500 |
Т5,Т6,Т7,Т8 |
Т4,Т5,Т6,Т7,Т8 |
|
ТДЦ -400000/220 |
Т1,Т2,Т3,Т4 |
Т1,Т2,Т3 |
|
3*АОДЦТН-267000/500/220 |
АТC1 , АТC2 |
|
|
3*АОДЦТН 167000/500/220 |
АТC1 , АТC2 |
Вывод. В проекте рассмотрено 2 схемы для дальнейшего рассмотрения в которых все генераторы подключены по блочной схеме с распределение блоков: к ОРУ среднего 2 блока, с ОРУ высокого блока. В обоих вариантов для связи РУ ВН и СН установлены 2 АТС. Вариантах на шинах среднего напряжения значительный избыток мощности; дифицит мощности что приводит к значительному перетоку мощности и необходимости выбора мощных АТС; в варианте к АТС - обмотки НН подключен генератор данный вариант исключаем поскольку значительно перегружается обмотка ВН АТС такой вариант не желательный; применение укрупненного блока снижает стоимость силовых трансформаторов и их количество и упрощает схему РУ но такая структурная схема целесообразна при большом количестве блоков.
4. Технико-экономическое сравнение вариантов схем
Для каждого варианта структурной схемы проектируемой электростанции определяют: капиталовложения, потери энергии в трансформаторах , и ущерб. Затем на основании этих основных показателей вычисляют значение приведенных затрат З, по которому мы можем дать оценку экономичности и надежности сопоставляемых вариантов структурной схемы.
Технико-экономический расчет заключается в нахождении расчетных приведенных затрат:
З=К+И+У (тыс. руб.),
где К капиталовложения в трансформаторы, автотрансформаторы и ячейуи РУ; И издержки на обслуживание и амортизацию и потери в силовых трансформаторах; У ущерб от недоотпуска электроэнергии.
Расчет капиталовложений для схемы 1:

Рис. 12. Структурная схема КЭС (1 вариант).
Рассчитаем капиталовложения в трансформаторы и в автотрансформаторы:
с учетом инфляции
Рассчитаем капиталовложения в РУ:
8768000 тыс. руб.
Расчет издержек для схемы 1:
- издержки на обслуживание КЭС.
- амортизационные издержки.
- издержки на потерю электроэнергии в трансформаторах и автотрансформаторах.
175360 тыс. руб.
561152 тыс. руб.
, тыс. руб.
Рассчитаем для автотрансформаторов:
Рассчитаем для трансформаторов :

Рис. 13. Графики нагрузок трансформаторов
Рассчитаем для трансформаторов:
Потери во всех трансформаторах:
Суммарные издержки:
790812тыс. руб/год.
Ущерб от недоотпуска электроэнергии:
Для :
Для :
Для :
ч.
Тогда:
З= 0,12К+И+У=
Расчет капиталовложений для схемы 2:

Рис. 14. Структурная схема КЭС (2 вариант)
Капиталовложения в трансформаторы и в автотрансформаторы:
Капиталовложения в РУ:
8560000 тыс. руб.
Расчет издержек для схемы 2:
- издержки на обслуживание КЭС.
- амортизационные издержки.
- издержки на потерю электроэнергии в трансформаторах и автотрансформаторах.
171200тыс. руб.
547840тыс. руб.
, тыс. руб.
Рассчитаем для автотрансформаторов:
Рассчитаем для трансформаторов :

Рис. 15. Графики нагрузок трансформаторов
Рассчитаем для трансформаторов:
Потери во всех трансформаторах:
Суммарные издержки:
271900тыс. руб/год.
Ущерб от недоотпуска электроэнергии:
Для
Для:
Для :
ч.
Тогда:
Таблица 4
Результаты технико -экономического расчета.
|
Вариант 1 |
Вариант 2 |
|
|
Капиталовложения К, тыс.руб |
8768000 |
8560000 |
|
Ущерб тыс.руб |
26.974 |
27.76 |
|
Издержки, тыс.руб/год |
790812 |
764960 |
|
Приведенные затраты, тыс.руб/год, % |
1842998.97 102% |
1792187.76 100% |
Вывод: Для дальнейшего расчета выбираем схему 2,потому что экономична на 2 %.
5. Выбор схем распределительных устройств
Тех.проектировании выбираем схемы РУ на стороне ВН 500кВ выбираем 2 варианта схем: схема с двумя системами шин и тремя выключателями схем и четыре выключателями. В РУ 500 кВ количество присоединений:
2ВЛ+2АТ+1Т=6присоединений
Рассмотрим два варианта схем:
Рис.16. схема на 500 кВ РУ 3/2
Рис17. схема на 500 кВ РУ 4/3
Рис. 18. Схема с двумя рабочими и обходной системой шин
Для дальнейшего рассмотрения выбираем более экономичную схему 4/3(на 1 выключатель меньше). На напряжении 220кВ выбираем схемы:
-одна рабочая СШ с обходной шиной;
-две рабочие СШ с обходной шиной.
В схеме РУ 220 кВ количество присоединений:
8 ВЛ+2АТ+3 Т=13 присоединений.
Рис.18.Схема РУ 220кв 1сш с обх.
Рис.19.Схема РУ 220кв 2сш с обх.
Анализируя схемы РУ 220кВ выбираем для дальнейшего рассмотрения 2 сш с обходной как более надежнее в эксплуатации.
В РУ с двумя системами сборных шин каждое присоединение содержит выключатель и два шинных разъединителя. Последний служит для изоляции выключателей от сборных шин при их ремонте, а также для переключения цепей с одной системы шин для переключения цепей с одной системы шин на другую без перерыва в их работе. Линейные разъединители предусмотрены в присоединения, где это необходимо для безопасного ремонта выключателей. Шиносоединительный выключатель в нормальном режиме замкнут. Исключения из этого правила могут быть сделаны только в целях ограничения тока КЗ.
Для защиты сборных шин применяют дифференциальную токовую защиту, обеспечивающую селективное отключение повреждений ее системы. При этом вторая система шин с соответствующими источниками энергии и нагрузкой остается в работе. Работа на одной системе сборных шин допускается только временно при ремонте другой системы. В это относительно короткое время надежность РУ снижается.
Достоинство рассматриваемой схемы с двумя системами сборных шин заключается в следующем:
возможность периодического ремонта сборных шин без перерыва в работе присоединений;
возможность деления системы на две части в целях повышения надежности электроснабжения или ограничения тока КЗ;
Второй вариант схемы более надежен, так как функцию ШСВ играют два последовательно включенных выключателя. Таким образом подключаются два блока, что исключает недостаток схемы а), где при отказе ШСВ гасится все распределительное устройство.
Вывод: выбираем первый вариант схемы т.к. в схеме с присоединением блока через два выключателя увеличиваются капитальные затраты и так как предусматривается установка элегазовых выключателей, которые обладают высокой надежностью.
6. Разработка схемы собственных нужд
Рабочие ТСН,количество по 1 на блок(8), мощность ТСН выбирается исходя из станции КЭС и вида топлива (газ), мин.нагрузка СН на газомазутной 3-5% от мощности стании на 1 блок нагрузки СН составляет Выбираем трансформатор трехфазный с расщепленной обмоткой для ограничения тока КЗ 17.65МВА на ВН, генераторное 20кВ и низкое 6,3кВ ТРДНС-32000/35. Данные трансформаторов приведены в таблице. Выбираем трансформатор на 6.3кВ с мощностью 1кВА ТМ-1000/10. Выбираем РТСН, поскольку установлены генераторные выключатели, количество резервных трансформаторов 2 (8 блока). Мощность РТСН при наличии генераторного выключателя, берется равной рабочему ТСН (32000/35кВ), выбираем РТСН-1(32000/220) подключенный к шинам 220 кВ и низким напряжением 6,3кВ. Второй РТСН-2 подключаем к автотрансформаторам НН.
Выбор мощности ТСН определяется по формуле:
В цепи генератора ТГВ-300-2У3:
Для ТГВ-300-2У3 выбираем трансформаторы марки: ТРДНС-32000/35
При наличии генераторных выключателей, РТСН выбирается такой же мощности как и ТСН. Выбираем РТСН марки: ТРДН-32000/220.
Число пускорезервных трансформаторов выбирают в зависимости от числа энергоблоков: при 8 - 2 трансформатора. Один подключим к ОРУ- 220 кВ, а второй - к НН автотрансформатора.
Основные данные трансформаторов приведены в таблице 5.
Таблица 5
Основные данные трансформаторов собственных нужд
|
Тип трансформатора |
Sном, кВА |
Uвн, кВ |
Uнн, кВ |
Рх, кВт |
Рк, кВт |
Uк, % |
|
ТРДНС 32000/35 |
32000 |
20 |
6,3 |
29 |
145 |
12,7 |
|
ТМ 1000/10 |
1000 |
6 |
0,4 |
2,45 |
11 |
5,5 |
|
ТРДН 32000/220 |
32000 |
230 |
6,3 |
45 |
150 |
11,5 |

Расчет токов трехфазного короткого замыкания

Рис. 20 Расчетная схема электроустановки

Рис.21 Схема замещения электроустановки
Производим расчет сопротивлений в о.е., относительно базовой мощности :
Расчет токов КЗ относительно т. К 1 500 кВ:

Рис.22
Таблица 6
|
Точка КЗ |
К1 |
|
|
Базовая мощность, |
1000 |
|
|
Uср, кВ |
515 |
|
|
Источники |
С1,2 |
8G |
|
Рез. сопротивление, о.е. |
0,13 |
0.12 |
|
1,12 |
||
|
Е |
1,00 |
1,13 |
|
8,77 |
10.73 |
|
|
11,2 |
2,69 |
|
|
0,78 |
3.98 |
|
|
0,06 |
||
|
0,85 |
0,9 |
|
|
7,45 |
9.65 |
|
|
1,85 |
1,974 |
|
|
0,06 |
0,388 |
|
|
19,49 |
14.78 |
|
|
0,36 |
0,86 |
|
|
4,42 |
13.05 |
Расчет токов КЗ относительно т. К2:

Рис.23
Таблица 7
|
Точка КЗ |
К2 |
|
|
Базовая мощность, |
1000 |
|
|
Uср, кВ |
220 |
|
|
Источники |
С+5G |
3G |
|
Рез. Сопротивление, о.е |
0,41 |
0.21 |
|
2,62 |
||
|
Е |
1,0 |
1,13 |
|
6,39 |
14 |
|
|
030,74 |
2,4 |
|
|
0,2 |
5.8 |
|
|
0,054 |
||
|
1,00 |
0,80 |
|
|
6,39 |
11.2 |
|
|
1,717 |
1,974 |
|
|
0,03 |
0,388 |
|
|
15,51 |
38.7 |
|
|
0,22 |
0,89 |
|
|
1,58 |
17.44 |
Расчет токов КЗ относительно т. К3:

Рис.24
Таблица 8
|
Точка КЗ |
К3 |
|
|
Базовая мощность, |
1000 |
|
|
Uср, кВ |
20 |
|
|
Источники |
С+7G |
1G |
|
Рез. Сопротивление, о.е |
0,55 |
0.1 |
|
36.7 |
||
|
Е |
1,0 |
1,13 |
|
66,7 |
414.7 |
|
|
355,8 |
8.82 |
|
|
0,18 |
47.02 |
|
|
0,03 |
||
|
1,00 |
0,90 |
|
|
66,7 |
373.23 |
|
|
1,608 |
1,974 |
|
|
0,02 |
0,388 |
|
|
149,41 |
1146.06 |
|
|
0,17 |
0,91 |
|
|
15,87 |
528.3 |
Расчет токов КЗ относительно т. К4:

Рис.24
Таблица 9
|
Точка КЗ |
К4 |
|
Базовая мощность, |
1000 |
|
Uср, кВ |
6,3 |
|
Источники |
С+G |
|
Рез. Сопротивление, о.е |
1,6 |
|
93,4 |
|
|
Е |
1,0 |
|
58.34 |
|
|
1157.7 |
|
|
0,05 |
|
|
0,035 |
|
|
1,00 |
|
|
58.34 |
|
|
1,82 |
|
|
0,05 |
|
|
148.65 |
|
|
0,49 |
|
|
40.02 |
Итоговая таблица результатов расчетов токов трехфазного КЗ
Таблица 10
|
Точка КЗ |
Uср, кВ |
Источник |
Токи трехфазного КЗ, кА |
||||
|
Iп0, кА |
Iп, кА |
iа, кА |
iу, кА |
2·Iп + iа, кА |
|||
|
К 1 |
500 |
С, Г1-8 |
19.5 |
17.1 |
17.47 |
24.27 |
41.41 |
|
К - 2 |
220 |
С,Г1-8 |
20.39 |
17.59 |
19.02 |
54.21 |
43.89 |
|
К 3 |
20 |
Г1 |
66.7 |
66.7 |
15,87 |
149.41 |
110.19 |
|
С,Г2-8 |
414.7 |
373.2 |
528.3 |
1146.06 |
1056.08 |
||
|
К-4 |
6,3 |
С |
58.34 |
58.34 |
40.02 |
148.65 |
121.69 |
|
Двигатели |
Выбор аппаратов и проводников
Выбор коммутационных аппаратов

Рис.26
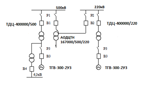
Выбор выключателя В1 и разъединителя Р1 в цепи высокого напряжения 500 кВ блока с генератором ТГВ-500-2УЗ
Расчетные токи продолжительного режима в цепи блока генератортрансформатор определяются по наибольшей электрической мощности генератора ТГВ-300-2УЗ
IНОРМ = IMAX = SНГ/ (3*UВН) =353*103/(3*500) = 415,3А
Расчетные токи КЗ принимаются по пункту 3, точка КЗ1 с учетом того, что все цепи на стороне ВН проверяются по суммарному току КЗ на шинах:
IП0 =19.5 кА; iУД = 19,9 кА; Iп =7,85 кА; iа = 4,46 кА.
Тепловой импульс:
ВК= IП02*(tОТКЛ+ТА)= 19.52*(0,15+0,45)= 228.15кА2с,
где tОТКЛ= 0,1+tСВ = 0,1+0,05 = 0,15 сек.
Выбран по [13] выключатель для наружной установки типа ВГУ500У1 (Выключатель элегазовый баковый усиленный по скорости восстанавливающегося напряжения на UH=500 кВ, IОТКЛ = 50 кА для умеренного климата). Гидропривод.
Выбран по [11] разъединитель для наружной установки типа РНД500/3200У1 (Разъединитель наружной установки двухколонковый с одним комплектом заземляющих ножей на UH= 500 кВ, IН=3200А умеренного климата).
Расчетные и справочные данные приведены в таблице .
Таблица 11. Расчетные и справочные данные
|
Расчетные данные |
Справочные данные |
|
|
ВГБУ500Б 40У1 |
РНД500/3200У1 |
|
|
UУСТ=500 кВ |
UH=500 кВ |
UH=500 кВ |
|
IMAX =415,3А |
IН=3150А |
IН=3200А |
|
Iп = 17.1 кА |
IОТКЛ=50 кА |
|
|
iа = 17.47 кА |
iан =2* IОТКЛ*/100 = 2*50*47/100= 33,2 кА |
|
|
IП0 =19.5 кА |
IДИН = 45 кА |
|
|
iУД = 24.27 кА |
- |
iДИН = 160 кА |
|
ВК= 228.15 кА2с |
IT2*tT=502*3=7500 кА2с |
IT2*tT=632*3=7938 кА2с |
|
Условия выполняются |
Выбор выключателя В2 и разъединителя Р2 в цепи среднего напряжения 220 кВ блока с генератором ТГВ-300-2УЗ
Расчетные токи продолжительного режима в цепи блока генератортрансформатор определяются по наибольшей электрической мощности генератора ТГВ-300-2УЗ (353МВА):
IНОРМ = IMAX = SНГ/ (3*Uсн) =353*103/(3*220) = 943,85А
Расчетные токи КЗ принимаются по пункту 3, точка КЗ2 с учетом того, что все цепи на стороне СН проверяются по суммарному току КЗ на шинах:
IП0 =20.4; iУД =54.27 кА; Iп =17.59кА; iа = 19.02 кА.
Тепловой импульс:
ВК= IП02*(tОТКЛ+ТА)= 20.4*(0,155+0,41)= 401.6 кА2с,
где tОТКЛ= 0,1+tСВ = 0,1+0,055 = 0,155 сек.
Выбран по [] выключатель для наружной установки типа ВГУ220 45У1 (Выключатель элегазовый усиленный по скорости восстанавливающегося напряжения на UH=220 кВ, IОТКЛ= 45 кА для умеренного климата). Привод: пружинное включение, пневматическое отключение.
Выбран по [Н] разъединитель для наружной установки типа РНДЗ.1220/1000У1 (Разъединитель наружной установки двухколонковый с одним комплектом заземляющих ножей на UH=220 кВ, IН=1000А умеренного климата).
Расчетные и справочные данные приведены в таблице .
Таблица . 12Расчетные и справочные данные
|
Расчетные данные |
Справочные данные |
|
|
ВГУ22045У1 |
РНДЗ.1220/1000У1 |
|
|
UУСТ=220 кВ |
UH= 220 кВ |
UH= 220 кВ |
|
IMAX =943,15А |
IН= 3150А |
IН= 1000А |
|
Iп = 17.59 кА |
IОТКЛ= 45 кА |
|
|
iа = 19.02кА |
iан =2* IОТКЛ*/100 = 2*45*47/100=29,8 кА |
|
|
IП0 =20.04 кА |
IДИН = 45 кА |
|
|
iУД = 54.27 кА |
iДИН = 150 кА |
iДИН = 100 кА |
|
ВК= 401.6 кА2с |
IT2*tT=502*2=5000 кА2с |
IT2*tT=402*3=4800 кА2с |
|
Условия выполняются |
Выбор выключателя В3 и разъединителя Р3 в цепи генераторного напряжения 20 кВ блока с генератором ТГВ300-2УЗ
Расчетные токи продолжительного режима в цепи блока генератортрансформатор определяются по наибольшей электрической мощности генератора ТВГ3002У3 (353МВА):
IНОРМ = IMAX = SНГ/ (3*UГН) = 353*103/(3*20) = 10382,35А
Расчетные токи КЗ принимаются по пункту 3, точка КЗ3 с учетом того, что в цепи генератора аппараты выбираются по наибольшему току КЗ:
IП0 =481.4кА; iУД =1295.47 кА; Iп =439.9кА; iа = 544.17 кА.
Тепловой импульс:
ВК= IП02*(tОТКЛ+ТА)= 481.42*(0,25+0,05)= 69523.7 кА2с,
где tОТКЛ= 0,1+tСВ = 0,1+0,15 = 0,25 сек.
Выбран по [11] выключатель для внутренней установки типа ВГГ-20(Выключатель элегазовый на UH=20 кВ, IОТКЛ=90 кА для умеренного климата). Гидропривод.
Выбран по [Н] разъединитель для внутренней установки типа РВПЗ120/12500У3 (Разъединитель внутренней установки с поступательным движением главных ножей с одним комплектом заземляющих ножей на UH=20 кВ, IН=12500А умеренного климата).
Расчетные и справочные данные приведены в таблице .
Таблица . 13Расчетные и справочные данные
|
Расчетные данные |
Справочные данные |
|
|
ВГГ20 |
РВПЗ120/12500У3 |
|
|
UУСТ=20 кВ |
UH= 20 кВ |
UH= 20 кВ |
|
IMAX =10382,35А |
IН= 10000А |
IН= 12500А |
|
Iп = 439.9кА |
IОТКЛ= 90 кА |
|
|
iа = 544.17кА |
iан =2* IОТКЛ*/100 = 2*90*20/100= 25,4 кА |
|
|
IП0 =481.4 кА |
IДИН = 125 кА |
|
|
iУД = 1295.47 кА |
iДИН = 230 кА |
iДИН = 490 кА |
|
ВК= 69523.27кА2с |
IT2*tT=1052*4= 44100 кА2с |
IT2*tT=1802*4= 129600 кА2с |
|
Условия выполняются |
Выбор выключателя В4 в цепи ТРДНС 32000/35
Расчетные токи продолжительного режима в цепи трансформатора определяются по наибольшей электрической мощности трансформатора ТРДНС 32000/35 (32МВА):
IНОРМ = IMAX = SНГ/ (3*UГН) = 32*103/(3*6,3) = 2987,8А
Расчетные токи КЗ принимаются по пункту 4:
IП0 = 58.34 кА; iУД = 148.65 кА; Iп = 58.34 кА; iа =40.02 кА.
Тепловой импульс:
ВК= IП02*(tОТКЛ+ТА)= 58.342*(0,12+0,05)= 578.6 кА2с,
где tОТКЛ= 0,1+tСВ = 0,1+0,02 = 0,12 сек.
Выбран по [ ] выключатель для внутренней установки типа ВВ/ТЕL10. Гидропривод.
Расчетные и справочные данные приведены в таблице .
Таблица.14 Расчетные и справочные данные
|
Расчетные данные |
Справочные данные |
|
ВВ/ТЕL10 |
|
|
UУСТ= 6,3 кВ |
UH= 35 кВ |
|
IMAX =2987,8А |
IН= 630А |
|
Iп = 58.34 кА |
IОТКЛ= 12,5кА |
|
iа = 40.02кА |
iан =2* IОТКЛ*/100= 2*12,5*50/100=8,8 кА |
|
IП0 =58.34кА |
IДИН = 32 кА |
|
iУД = 148.65 кА |
iДИН = 35 кА |
|
ВК= 578.6кА2с |
IT2*tT=32*3=3072 кА2с |
|
Условия выполняются |
Выбор проводников и изоляторов
Выбор сборных шин и ошиновки на напряжение 500 кВ и токоведущих частей в цепи генератора ТГВ-300-2УЗ
Таблица15 . Выбор сборных шин и ошиновки на напряжение 500 кВ и в цепи генератора.
|
Условия выбора и проверки |
Сборные шины 500 кВ и токоведущие части от трансформатора ТДЦ400 до сборных шин 500 кВ |
Токоведущие части от генератора ТГВ-300-2УЗ до трансформатора ТДЦ400 |
|
Условие выбора IMAX<IДОП |
По току наиболее мощного присоединения в трансформаторе ТЦ400 в блоке с генератором ТГВ-300-2УЗ (353МВА) IMAX = IНОРМ = SНГ/ (3*UНОМ)= 353*103/(3*500)= 407,6А |
По типу генератора ТГВ-300-2УЗ, UНОМ = 20 кВ IMAX = SНГ/ (3*UНОМ*0,95)= 353*103/(3*20*0,85)= 11988,5А |
|
Тип проводника, его параметры [Н] |
три провода в фазе 3АС600/72 IДОП= 2130А d= 24 мм |
ТЭКН-Е-20-12500-400 UНОМ = 20 кВ IНОМ = 10200А iДИН= 400 кА |
|
Проверка на схлестывание, электро-динамическую стойкость |
не производится, т.к. IП0 = 19.5 кА < 20 кА |
iУ < iДИН 24.27кА < 400 кА Условие выполняется |
|
Проверка шин на термическое действие токов КЗ |
не производится, т.к. шины выполнены голыми проводами на открытом воздухе. |
не производится |
|
Проверка по условиям коронирования 1,07Е<0,9Е0 ДСР=1,26Д= 1,26*300 = 378 мм. |
Е0 = 30,3m*[1+(0,299/r0)]; m=0,82 Е0 = 30,3*0,82*[1+(0,299/1,66)]= 30,56 кВ/см Для трех проводах в фазе: Е= k*0,354*1,1UНОМ / /[n*r0*lg(ДСР / rЭК)]= 1,14*0,354*1,1*500 / [2*1,66*lg(378/13,85)]= 25,6 кВ/см k=1+2* r0/a= 1+2*1,66/40= 1,14 rЭК = (r0*a2) = (1,66*40) = 13,85см. 1,07Е<0,9Е0 1,07*25,6 < 0,9*30,56 27,3 кВ/см < 27,54 кВ/см |
не производится |
|
Тип токопровода |
Тип генератора |
Uном, кВ |
Iном, А |
iд, кА |
Тип опорных изоляторов |
Тип ТТ |
Тип ТН |
|
ТЭКН-Е-20-12500-400 |
ТГВ-300-2УЗ |
20 |
10200 |
400 |
ОФР-20-500, ШАГ-3000 |
ТШ-20-12000-5 |
ЗНОЛ-20 ЗНОЛ-1/20 |
Выбор сборных шин и ошиновки на напряжение 220 кВ
Таблица 16 Выбор сборных шин и ошиновки на напряжение 220 кВ
|
Условия выбора и проверки |
Сборные шины 220 кВ и токоведущие части от трансформатора ТДЦ400 до сборных шин 220 кВ |
|
Условие выбора IMAX<IДОП |
По току наиболее мощного присоединения в трансформаторе ТДЦ400 в блоке с генератором ТГВ-300-2УЗ (353МВА) IMAX = IНОРМ = SНГ/ (3*UНОМ)= 353*103/(3*220)= 926,38А |
|
Тип проводника, его параметры [11] |
два провода в фазе АС400/22 IДОП= 830А d= 26,6 мм r0= 1,47 см |
|
Проверка на схлестывание, электро-динамическую стойкость |
не производится, т.к. IП0 = 19.74кА < 20 кА |
|
Проверка шин на термическое действие токов КЗ |
не производится, т.к. шины выполнены голыми проводами на открытом воздухе. |
|
Проверка по условиям коронирования 1,07Е<0,9Е0 ДСР=1,26Д= 1,26*400 = 504 мм. |
Е0 = 30,3m*[1+(0,299/r0)]; m=0,82 Е0 = 30,3*0,82*[1+(0,299/1,47)]= 30,98 кВ/см Е= 0,354*1,1UНОМ / [r0*lg(ДСР / r0)]= 0,354*1,1*220 / [0,84*lg(504/1,47)]= 22,94 кВ/см 1,07Е<0,9Е0 1,07*22,94 < 0,9*30,98 24,54 кВ/см < 27,88 кВ/см |
Выбор сборных шин на секции собственных нужд 6 кВ
Таблица 17.
|
ТРДНС 32000/35 секция 6 кВ |
|
ША 100х8 Iдоп =1625 А в=8мм, h=100 мм, q=800 мм |
|
С учетом поправки на температуру окружающего воздуха отличную от номинальной на 25 Примем tокр=30С
|
|
165· 0,943 = 156 А Условие выполняется |
|
Проверка на термическую стойкость |
|
Условие выполняется |
|
Проверка шин на электродинамическую стойкость расч доп для алюминевых шин доп =700 кг/см |
|
кг·см 689800 Условие выполняется |
Выбор контрольно-измерительных приборов, измерительных трансформаторов и щитов управления
Выбор контрольно-измерительных приборов Таблица 18
Контрольно-измерительные приборы.
|
Цепь |
Место установки приборов |
Перечень приборов |
|
Турбогенератор |
Статор |
Амперметр в каждой фазе, вольтметр, ваттметр, счетчик активной энергии, датчики активной и реактивной мощности. Регистрирующие приборы: ваттметр, амперметр, вольтметр. |
|
Ротор |
Амперметр, вольтметр; вольтметр в цепи основного и резервного возбудителей. Регистрирующий амперметр. |
|
|
Блочного трансформатор |
ВН |
Амперметр |
|
НН |
|
|
|
Автотрансформатора связи |
ВН |
|
|
НН |
Амперметр, ваттметр и варметр с двусторонней шкалой |
|
|
Трансформатора собственных нужд |
На одну секцию |
Со стороны питания: амперметр, ваттметр, счетчик активной энергии |
|
Сборных шин собственных нужд |
На каждой секции |
Вольтметр для измерения междуфазного напряжения, вольтметр с переключением для измерения трех фазных напряжений, частотомер, приборы синхронизации: два частотомера, два вольтметра и синхроноскоп |
|
Общие приборы с переключением на любую секцию |
Два регистрирующих вольтметра для измерения междуфазных напряжений, два частотомера |
|
|
Шиносоединительного выключателя |
------- |
Амперметр. |
|
Обходного выключателя |
------- |
Амперметр, ваттметри варметр с двухсторонней шкалой, расчетные счетчики и фиксирующий прибор. |
|
Линии 220 кВ |
------- |
Амперметр, ваттметр, варметр, фиксирующий прибор для определения места КЗ, счетчики активной и реактивной мощности |
|
Сборных шин высшего напряжения |
На каждой шине |
Вольтметр с переключением для измерения трех фазных напряжений; регистрирующие приборы: частотомер, суммирующий ваттметр; приборы синхронизации: два частотомера, два вольтметра, синхроноскоп, осциллограф |
|
Секционный выключатель |
------- |
Амперметр |

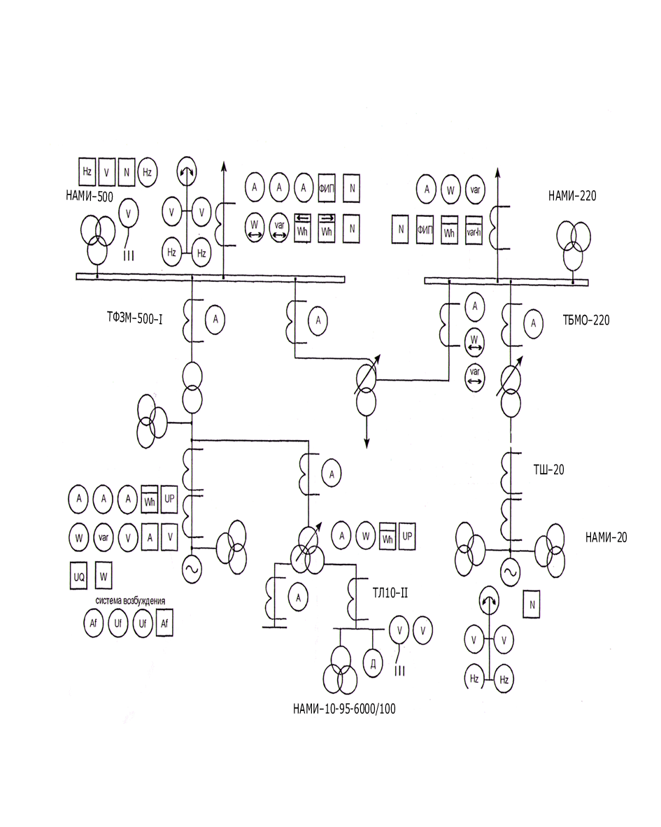
Рис.27 Измерительные приборы в основных цепях КЭС
Выбор трансформаторов тока.
В цепи генератора ТГВ-300-2УЗ
Iпрод.расч. =
Т.к. участок от выводов генератора до вводов трансформатора выполнен комплектным токопроводом типа ТЭКН-Е-20-12500-400выбираем встроенные трансформаторы тока ТШ-20-12000/5
Таблица 19.
Вторичная нагрузка трансформатора тока
|
Прибор |
Тип прибора |
Нагрузка от измерительных приборов в фазах, В·А |
||
|
А |
В |
С |
||
|
Вольтметр показывающий, Варметр, Амперметр показывающий Расчетный счетчик Ваттметр регистрирующий Амперметр регистрирую- щий Датчик активной мощности Датчик реактивной мощности |
Д 335 Д 335 Э 335 ЦЭ 6807Б-1 Н 3180 Н 344 Е 829 Е 830 |
0,5 0,5 0,5 2,5 10,0 --- 5,0 --- |
--- --- 0,5 --- --- 10 --- 5,0 |
0,5 0,5 0,5 2,5 10,0 --- 5,0 --- |
|
Итого: |
19,0 |
15,5 |
19,0 |
Вторичная номинальная нагрузка в классе точности 0,5 составляет
Z2ном.=1,2 Ом.
Таблица 20.Сравнение данных.
|
Расчетные данные |
Каталожные данные |
|
Uуст.=20кВ Imax.= 10926,71А iу.=160,65 кА Вк =3683,4 кА2с |
Uном. =20кВ Iном. =30000А не проверяется
|
Общее сопротивление приборов:
rприб. = Sприб. І2 = 19,0 25 = 0,76 Ом
сопротивление контактов примем 0,1 Ом, тогда сопротивление соединительных проводов:
Zпр.= Z2ном. Zприб. rкон. = 1,2 - 0,76 - 0,1 = 0,34 Ом
Принимая длину соединительных проводов с медными жилами 40 м;
q = lрасч. rпр. = 0,0175 40 0,34 = 2,06 мм
принимаем контрольный кабель КРВГ с жилами сечением 2,5 мм.
Выбор трансформаторов напряжения
В цепи генератора трансформаторы напряжения предназначены для подключения измерительных приборов, для подключения колонки синхронизации и приборов контроля состояния изоляции. Приборы синхронизации и контроля состояния изоляции подключаются к трансформатору напряжения кратковременно, поэтому их можно не учитывать при подсчете нагрузки
Таблица 21
Вторичная нагрузка трансформатора напряжения
|
Прибор |
Тип прибора |
Нагрузка ТН, ВА, включенная между фазами, |
||
|
АВ |
ВС |
СА |
||
|
Вольтметр показывающий, Ваттметр показывающий, Ваттметр показывающий, Частотомер показывающий, Вольтметр регистрирующий, Ваттметр регистрирующий, Счетчик, Датчик активной мощности, Датчик реактивной мощности. |
Э 335; Д 335; Д 335; Э 371; Н 344; Н 3180; ЦЭ 6807Б-1 Е 829; Е 830; |
--- 1,5 1,5 --- --- 10,0 2,0 5,0 --- |
--- 1,5 1,5 --- --- 10,0 2,0 --- 5,0 |
2,0 --- --- 3,0 10,0 --- --- 5,0 --- |
|
Итого: |
20,0 |
20,0 |
20,0 |
В цепи генератора ТГВ-500 выбираем трансформатор напряжения типа ЗНОЛ.06-24.
Таблица 22.Сравнение данных
|
Расчетные данные. |
Каталожные данные. |
|
Uсети ном. = 20 кВ; S2 расч. = 20 ВА; |
Uном. = 24 кВ; S2 ном. = 75 ВА; |
Для остальных ступеней напряжения принимаем к установке ТН :
500 кВ марки НКФ 500
220 кВ марки НКФ-220
Заключение
Рис.28.Схема рабочих и резервных трансформаторов СН
В соответствии с заданием выполнен курсовой проект, представленный на 51 страницах пояснительной записки (включает 29 рисунков, 22 таблиц) и 2 листах графической части формата А1.
В курсовом проекте произведен расчет конденсационной электрической станции мощностью 2000 МВт. Станция предназначена для электроснабжения крупного промышленного центра.
На станции установлены 4 конденсационных турбины с промышленным отбором пара типа К-500. Топливо газ. Резервное мазут. Место строительства: Республика Татарстан, г. Набережные Челны. Система технического водоснабжения: река Кама.
Для заданного типа турбин были выбраны турбогенераторы: для турбин К-500 выбираем генераторы типа ТГВ-500-2У3.
Связь с энергосистемой на напряжении 500 кВ по двум воздушным линиям. Параметры системы: мощность 7200 МВА, сопротивление 0,93. От шин 220 кВ отходят 8воздушные линии в районную сеть.
В проекте выбраны турбогенераторы типа ТГВ-500-2У3. Генераторы имеют высокочастотную систему возбуждения, водородную систему охлаждения. Система отмоток статора, обмоток ротора.
Разработаны 10 варианта структурных схем станции. Выбраны блочные силовые трансформаторы типа ТЦ-630000/220 и ТЦ-630000/500 и автотрансформаторы связи типа АОДЦТН-167000/500/220. Для расчета выбраны 2 схемы.
Произведен расчет приведенных затрат по капитальным затратам, издержкам на обслуживание, амортизацию и потери в силовых трансформаторах и ущербу от недоотпуска электроэнергии. Выбрана схема с минимальными приведенными затратами (второй вариант). Разница 6%.
В соответствии с рекомендациями НТП выбраны схемы РУ 4/3 и 2 ш с обх. На высокое напряжение 500 кВ выбрана схема 4/3 На среднее напряжение 220 кВ выбрана схема с двумя рабочими и обходной системами шин с отдельными шиносоединительным и обходным выключателями. В соответствии с НТП разработана схема собственных нужд станции. Выбраны рабочие и резервные трансформаторы собственных нужд типа ТРДН-32000/220.
Произведен расчет токов трехфазного короткого замыкания для 4 точек: на шинах 500 кВ, шинах 220 кВ, генераторном напряжении 20 кВ, секции собственных нужд 6 кВ.
Выбраны электрические аппараты и проводники напряжением выше 1кВ:
элегазовые выключатели: ВГБУ-220- 45У1, ВГБУ-500-45У1,ВГГ-20,ВВ/ТЕL10
разъединители: для наружной установки РНДЗ-2-220/1000У1, РНДЗ-2-500/1000У1, внутренней установки РВП-20/12500УЗ;
проводники: гибкие сталеалюминиевые провода АС-600/72, комплектный пофазно-экранированный токопровод ТЭКН-24-24000-560; жесткие шины ША 100х8;
измерительные трансформаторы: тока: наружной установки ТФЗМ-500-УI, встроенные ТШЛ-24;
напряжения: наружной установки НКФ-500, внутренней установки ЗНОЛ-24 ЗОМ-1/24ЗНОЛ.06-24;
Выбраны контрольно-измерительные приборы для основных цепей станции.
Распределительные устройства 500 и 220 кВ выполнены открытого типа, собственных нужд 6 кВ комплектного типа внутренней установки с шкафами типа К- 104 М.
Все технические решения приведены в графической части: лист 1,2.
Список литературы.
1. ПУЭ «Правила устройства электроустановок. Издание 7» Минэнерго России , ОАО «ВНИИЭ». 2003г
2. "Нормы технологического проектирования тепловых электрических станций", Министерство энергетики и электрификации СССР (Минэнерго СССР)Нормы технологического проектирования тепловых электрических станцийВНТП-81
3. Теплотехническое и электротехническое оборудование: Справочные материалы для курсового и дипломного проектирования. Для студентов всех форм обучения / Сост.: О.Г. Губаева, Ю.Н. Зацаринная, Е.А. Миронова, А.М. Семененко, Е.А. Федотов. Казань: Казан. гос. энерг. ун-т, 2012. 75 с.
Сравнительный анализ конструкций распределительного устройства высокого напряжения на газомазутной ГРЭС (8К-300)

