Инфракрасноесное излучение
Содержание:
- Инфракрасноесное излучение;
- Приборы ИК диапазона;
- Тепловизоры;
- Пирометр.
1.Инфракрасноесное излучение
Инфракрасное излучение электромагнитное излучение, занимающее спектральную область между красным концом видимого света (с длиной волны = 0,74 мкм и частотой 430 ТГц) и микроволновым радиоизлучением ( ~ 12 мм, частота 300 ГГц).

Рис.1 Электромагнитный спектр
Оптические свойства веществ в инфракрасном излучении значительно отличаются от их свойств в видимом излучении. Например, слой воды в несколько сантиметров непрозрачен для инфракрасного излучения с = 1 мкм. Инфракрасное излучение составляет большую часть излучения ламп накаливания, газоразрядных ламп, около 50 % излучения Солнца; инфракрасное излучение испускают некоторые лазеры. Для его регистрации пользуются тепловыми и фотоэлектрическими приёмниками, а также специальными фотоматериалами.
Весь диапазон инфракрасного излучения делят на три составляющих:
ИК поддиапазоны:
- Ближний ИК (англ. near IR, сокращённо NIR ): 0.78 - 1 мкм;
- Коротковолновый ИК (англ. short wavelength IR, сокращённо SWIR ): 1 - 3 мкм;
- Средневолновый ИК (англ. medium wavelength IR, сокращённо MWIR ): 3 - 6 мкм;
- Длинноволновый ИК (англ. long wavelength IR, сокращённо LWIR ): 6 - 15 мкм;
- Сверхдлиннволновый ИК (англ. very long wavelength IR, сокращённо VLWIR ): 15 - 1000 мкм.

Рис. 2 Спектр инфракрасных лучей
Длинноволновую окраину этого диапазона иногда выделяют в отдельный диапазон электромагнитных волн терагерцевое излучение (субмиллиметровое излучение).
Инфракрасное излучение также называют «тепловым» излучением, так как инфракрасное излучение от нагретых предметов воспринимается кожей человека как ощущение тепла.

Рис. 3 Изображение собаки, полученное в инфракрасном излучении
При этом длины волн, излучаемые телом, зависят от температуры нагревания: чем выше температура, тем короче длина волны и выше интенсивность излучения. Спектр излучения абсолютно чёрного тела при относительно невысоких (до нескольких тысяч Кельвинов) температурах лежит в основном именно в этом диапазоне. Инфракрасное излучение испускают возбуждённые атомы или ионы.
2.Приборы ИК диапазона
Инфракрасный спектральный диапазон 0,78 - 3 мкм применяется в ВОЛС (сокр. от волоконно-оптическая линия связи), приборах внешнего наблюдения за объектами и аппаратуре для проведения химического анализа. В свою очередь все длины волн начиная с 2 мкм и заканчивая 5 мкм используются в пирометрах, и газовых анализаторах, контролирующих уровень загрязнения в конкретной среде. Интервал 3 - 5 мкм более подходит для систем, регистрирующих изображения объектов, с высокой собственной температурой или же в применениях где требование к контрасту предъявляются выше чем к чувствительности. Очень популярный для спецприменений спектральный диапазон 8 - 15 мкм в основном используется там, где необходимо увидеть и распознать любые объекты, находящиеся в тумане.
Все ИК-приборы разрабатываются в соответствии с графиком пропускания ИК излучения.

Рис.4 Окна прозрачности в атмосфере для ИК диапазона
Существует два типа ИК детекторов:
Фотонные. Чувствительные элементы состоят из полупроводников различных типов, а так же могут включать в свою структуру различные металлы, принцип их работы основан на поглощении фотонов носителями заряда, в результате чего изменяются электрические параметры чувствительной области, а именно: изменение сопротивления, возникновение разности потенциалов, фототока и др. Данные изменения могут быть зарегистрированы измеряющими схемами, сформированными на подложке, где расположен сам сенсор. Сенсоры обладают высокой чувствительностью и высокой скоростью отклика.
Тепловые. ИК излучение поглощается чувствительной областью сенсора, нагревая её до некоторой температуры, что приводит к изменению физических параметров. Данные отклонения которые могут быть зарегистрированы измеряющими схемами, выполненными непосредственно на одной подложке с фоточувствительной областью. Описанные выше типы датчиков имеют высокую инерционность, значительное время отклика и относительно низкую чувствительность, в сравнении с фотонными детекторами.
2.1. Тепловизор
Тепловизор устройство для наблюдения за распределением температуры исследуемой поверхности. Распределение температуры отображается на дисплее (или в памяти) тепловизора как цветовое поле, где определённой температуре соответствует определённый цвет. Как правило, на дисплее отображается диапазон температуры видимой в объектив поверхности. Типовое разрешение современных тепловизоров 0,1 °C.

Рис.5 Изображение дома, сделанное тепловизором.
Принцип действия приборов этого типа основан на преобразовании излучения инфракрасного (ИК) диапазона в видимый диапазон длин волн излучения. Спектральный диапазон, в котором работают тепловизоры, определяется интервалами длин волн в области максимума энергии излучения наблюдаемых объектов в соответствующих окнах прозрачности атмосферы. Обычно это интервалы длин волн от 3,5 до 5,5 мкм или от 8 до 13,5 мкм. Современные тепловизоры позволяют обнаруживать объекты, имеющие температурные контрасты до десятых и даже сотых долей градусов, формируют изображение в телевизионном или близком к телевизионному стандартах и находят, в связи с этим широкое применение в промышленности, медицине и военном деле.
Первым тепловизионным прибором, появившимся в конце 20-х годов, был эвапорограф, принцип действия которого основан на визуализации фазового рельефа масляной пленки, образующейся на поверхности мембраны при проекции на противоположную сторону этой мембраны теплового изображения. Эвапорогафы имели низкую пороговую чувствительность, большую инерционностью и давали изображение с очень малым контрастом.
В 40-е годы наметились две тенденции в развитии тепловизионных приборов. К первой группе приборов относятся тепловизоры, в которых для преобразования оптического сигнала ИК-диапазона в электрический сигнал используется принцип оптико-механического сканирования (ОМС), а ко второй группе приборов тепловизоры с электронным сканированием. В тепловизорах первого типа используются одноэлементные или многоэлементные ИК приемники излучения (ПИ) мгновенного действия, а в тепловизорах второго типа в качестве ПИ используются ИК видиконы, пириконы, а сейчас уже и матричные приемники излучения, так называемые фокальные матрицы, работающие в режиме накопления зарядов и основанные на различных физических принципах.
Большинство используемых в настоящее время тепловизионных приборов построены по первому принципу, но в связи с успехами в технологии производства матричных приемников излучения появились приборы без оптико-механического сканирования, которые не только не уступают, но даже превосходят приборы первого типа по потребительским свойствам .
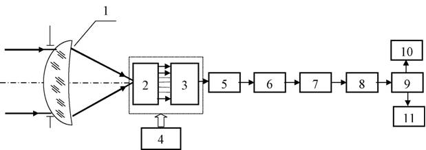
На рис.6. представлена обобщенная функциональная схема тепловизора с фокальной ИК матрицей.

Рис.6 Обобщенная функциональная схема сканирующего тепловизора: 1 оптическая система; 2 блок оптико-механического сканирования; 3 приемник излучения; 4 система охлаждения; 5 электронный тракт; 6 видеоконтрольное устройство; 7 система синхронизации.
Система ОМС, в общем случае, должна обеспечивать обзор пространства предметов сканирование, как в направлении строк (по горизонту), так и по кадру (в вертикальном направлении), что иллюстрируется рис.7.
Существует множество схем сканирующих тепловизоров, различающихся методами сканирования, обработки сигналов и представления выходного изображения. Эти различия, во многом, обусловлены топологией ПИ, используемых в тех или иных приборах. В частности, в тепловизорах с системами ОМС могут использоваться одноэлементные, а также многоэлементные ПИ в виде линеек или матриц (см.рис.8). Кроме этого, в качестве видеоконтрольного устройства, помимо широко применяемых ТВ-мониторов, используются различного рода устройства с линейками светодиодов и оптико-механическими системами развертки.

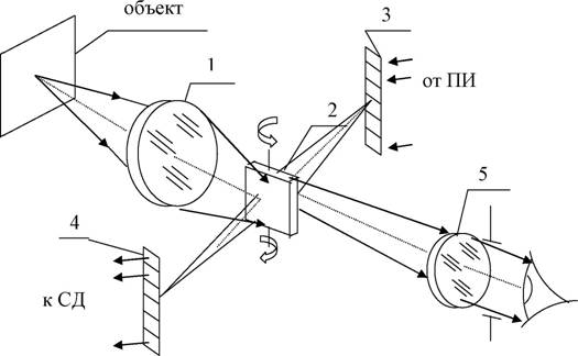
Рис. 7 Функциональная схема тепловизора со сканированием по строкам и кадру: 1 объектив; 2 и 3 сканирующие зеркала; 4 приемник излучения; 5 электронный тракт; 6 видеоконтрольное устройство.

Рис. 8 Методы сканирования: а) сканирование одноэлементным ПИ; б) последовательное сканирование линейкой чувствительных элементов; в) параллельное сканирование линейкой чувствительных элементов; г) параллельно- последовательное сканирование матричным ПИ.
Различают следующие методы сканирования пространства предметов и развертки при формировании выходного изображения: последовательное, параллельное и параллельно-последовательное. При последовательном сканировании или развертке осуществляется изменение направления визирной оси и
преобразование сигнала поочередно вдоль каждой из строк изображения с последующим переходом на каждую следующую строку. Такое сканирование или развертка могут осуществляется при использовании одноэлементных ПИ или СД, а также ПИ или СД в виде линеек, элементы которых ориентированы вдоль строки.
При параллельном сканировании или развертке площадки ПИ или СД, выполненные в виде линейки, ориентированы перпендикулярно направлению движения визирной оси. При параллельно-последовательном сканировании или развертке используются ПИ и СД в виде линеек или матриц, а обзор поля производится последовательно по зонам.
В соответствии с наиболее целесообразными сочетаниями типов сканирования, обработки сигналов и развертки тепловизионные приборы с системами ОМС строят на основе следующих 4-х основных принципов:
параллельное сканирование, параллельная обработка видеосигналов и параллельная развертка (рис.9);

Рис. 9 Тепловизор с параллельным сканированием и параллельной разверткой изображения: 1 объектив; 2 сканирующее зеркало; 3 линейка светодиодов; 4 линейка ПИ; 5 окуляр.
параллельное сканирование, параллельная обработка сигналов с последующим их преобразованием (мультиплексированием) для вывода изображения на ТВ-монитор (рис.10);

Рис. 10 Тепловизор с параллельным сканированием и параллельной обработкой сигналов с последующим мультиплексированием для вывода изображения на ТВ монитор: 1 объектив; 2 сканирующее зеркало; 3 линейка ПИ; 4 линейка светодиодов; 5 проекционный объектив; 6 передающая телевизионная трубка (матрица ПЗС); 7 ТВ монитор.
параллельно-последовательное сканирование и развертка с параллельной обработкой сигналов (рис.11);

Рис. 11 Тепловизор с параллельно-последовательным сканированием, параллельной обработкой сигналов и параллельно-последовательной разверткой изображения: 1 объектив; 2 сканирующее зеркало; 3 матрица светодиодов; 4 матрица ПИ; 5 окуляр.
- последовательная обработка сигналов с преобразованием сигнала для вывода на ТВ-монитор

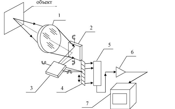
Рис. 12 Тепловизор с последовательным сканированием линейкой ПИ и преобразованием сигналов для вывода изображения на ТВ монитор: 1 объектив; 2 и 3 сканирующие зеркала; 4 линейка ПИ; 5 линии задержки с сумматором; 6 видеоусилитель; 7 ТВ монитор.
Матрица тепловизора.
Матрица тепловизора приемник, или детектор излучения, принимающий и преобразующий энергию оптического излучения ИК-спектра в электрический сигнал, пропорциональный мощности поглощенного ИК-излучения их чувствительными площадками.
Рис.13 Устройство матричного ИК-детектора.
Матричные фотоприемники, устанавливаемые в фокальной плоскости объектива, состоят из множества чувствительных элементов, расположенных по рядам и столбцам прямоугольной матрицы.
Таким образом, в тепловизоре каждый пиксель - это измеренное значение температуры в данной точке. Так, тепловизор с размерами матрицы 320x240 пикселей отображает ИК изображение, состоящее из 76800 значений температуры.
Виды матриц

Рис.14 Внешний вид ИК-матрицы в модуле.
Количество элементов ИК-матрицы определяет качество получаемого инфракрасного изображения. Помимо функциональной пригодности, минимальный размер матрицы тепловизора, используемого при решении различных задач, может быть регламентирован нормативными актами в применяемой сфере.
Например, согласно ГОСТ Р 54852-20011 размеры матрицы должны составлять не менее 160х120 элементов, а согласно РД 13-04-2006 не менее 240х128 элементов.
Размер матрицы (датчика) определяет разрешающую способность тепловизора. В настоящее время распространены тепловизоры с матрицами 160х120, 320х240 и 640х480 пикселей.
Тепловизором с матрицей 160х120 элементо можно проводить контроль систем вентиляции, отопления, электротехнического оборудования, а также обследование ограждающих конструкций зданий высотой не более 1-2 этажей.
Камеру с такой матрицей целесообразно использовать для контроля областей с плавными перепадами температур на относительно большой площади (наблюдение за охлаждающими системами) и объектов с большой разностью температур, где равномерность распределения таковой не имеет значения (перегрев контакта одной из фаз токоведущих элементов).
Для обследования более высоких объектов, таких, например, как многоэтажные дома и дымовые трубы, необходим тепловизор с разрешением матрицы 320х240 пикселей.
Такой тепловизор целесообразно использовать также для контроля ограждающих конструкций, электрических машин и линий электропередач (с дополнительным узкоугольным объективом).
Камера с матрицей 640480 является универсальной для наблюдения практически всех объектов регламентированных ПБ 03-372-00, а также для разносторонних технологических решений и научных изысканий. Кроме того, позволяет вести контроль удаленных (высотных) объектов без применения дорогостоящих узкоугольных объективов.
Влияние размера матрицы на результат работы
Качество изображения, или разрешение камеры, является важным фактором. Высокое разрешение помогает более точно увидеть, измерить и понять процессы, происходящие в объекте контроля.
Камеры с высоким разрешением позволяют увидеть мелкие детали на большом расстоянии от объекта. В отличие от тепловизоров с низким разрешением, они позволяют охватить больший участок без потери информации о температуре элементов объекта на инфракрасном изображении.

Матрица 160х120 пикселей Матрица 320х240 пикселей Матрица 640х480 пикселей.
Рис.15 Пример сравнения измеренной температуры нагретого узла на разных матрицах
Кроме то, камера, например, с разрешением 640х480 пикселей, оборудованная широкоугольным объективом, позволяет запечатлеть участок размером приблизительно 4 х 3 м с расстояния 5 м всего одним снимком. Чтобы проверить тот же объект без потери качества с помощью камеры с разрешением 160х120 пикселей, потребуется сделать 16 изображений и с более близкого расстояния.

Рис. 16 Пример сравнения размера изображений матриц на 640х480 и 160х120 элементов
Таким образом, использование тепловизоров с небольшими размерами матриц целесообразно для решения простых задач, не связанных с серьезными тепловизионными обследованиями и энергоаудитом.
Главные преимущества использования тепловизоров.
Использование тепловизоров не имеет погодных и временных ограничений. Их можно использовать вне зависимости от времени суток и в любое время года.
Все измерения производятся дистанционно и не требуют близкого контакта с потенциально опасными механизмами. Останавливать работу машин на время исследования так же не обязательно.
Нет ограничений ни на площадь исследования, ни на то, что вы будете изучать. Один и тот же тепловизор способен продиагностировать и теплопотери здания и температуру электрического реле. Достоверность, точность и наглядность гарантируют высокую информативность исследования. Так же у этих приборов весьма доступная стоимость и быстрая самоокупаемость.
В каких же областях нашли широкое распространение термографические исследования при помощи тепловизоров?
На сегодняшний день признано эффективным применение тепловизоров при диагностике в следующих областях: строительство и реконструкция зданий, системы водоснабжения и отопления, испытания и наладку тепловых сетей, турбины и генераторы, электрические сети и их оборудование, механическое оборудование, холодильное оборудование (включая кондиционирование), автодиагносика. И это еще далеко не полный список того что можно сделать с их помощью.
Практическое применение тепловизоров
- Строительство и реконструкция зданий
На сегодняшний день чаще всего тепловизоры используют для проведения энергоаудита как строящихся, так и уже построенных домов и сооружений. Обнаружить с их помощью теплопотери легко. На появившемся во время осмотра, на экране тепловизора изображении сразу будут видны места, имеющие строительные дефекты (горячие области). Это позволяет с минимальными затратами сил выявить зоны с повышенными потерями тепла, мостики холода и дефекты в теплоизоляции здания. Но возможности инфракрасных камер не ограничиваются только этим. С их помощью легко можно обнаружить наличие избыточной влаги в стенах, потолках и т.д. А ведь такая вроде бы незначительная проблема может привести к повреждению как теплоизоляции сооружения, так и к коррозии металлических элементов строительных конструкций. А следовательно создать проблемы для безопасности и здоровья людей, и привести к увеличению потерь тепла.
Суровые погодные условия во многих местах в России заметно сказывается на общем состоянии всех зданий, причем большинство из них в той или иной мере нуждаются в ремонте, восстановлении или реконструкции.
В процессе ремонта и реставрации любого дома, тепловизор, как правило, бывает чрезвычайно полезен и удобен. Его используют для поиска неявных, скрытых от глаз проблем и повреждений. А так же позволяет выявить области с повышенной влажностью невидимые невооруженным глазом.
При проведении обследований плоских крыш кровель с небольшим градусом уклона тепловизор является одним из наиболее передовых способов обнаружения протечек. Благодаря ему обнаружение влажной кровельной изоляции и теплоизоляции самого здания можно совершить в кратчайшие сроки. Такой вид обследований уже прекрасно зарекомендовал себя, как один из самых экономичных по трудозатратам способ поведения диагностики. И заметно поспособствовал в случае его применения сокращению расходов на обслуживание зданий. Благодаря ему значительно продлевается срок службы плоских крыш, благодаря появившейся возможности раннего выявления протечек, что дает необходимые сведения выявления проблем на ранних стадиях и для последующего проведения локального ремонта кровли.
- Водоснабжение и отопление.
Места утечки воды благодаря тепловизорам могут быть обнаружены на очень ранних стадиях. Поскольку разница температур между сухими и влажными материалами легко выявляется с помощью тепловизора. А это позволяет экономить значительное количество сил и времени.


Рис.17 Определено направление труб отопления
Скрытно проложенные трубы, встроенные в полы системы водяного отопления и охлаждения прекрасно видны на экране тепловизора. Обычно практически всегда есть возможность отрегулировать температуру воды (или иного носителя тепла в замкнутых отопительных системах) таким образом, чтобы на короткий промежуток времени получить достаточную разность температур (буквально в несколько градусов), и определить как местонахождение труб, или обнаружить место течи.
- Электрические сети и их оборудование.
Тепловизоры так же часто используют и для диагностики электрических сетей и их оборудования. Со временем из-за ослабления соединений в них возникает избыточное сопротивление тока, что, как правило, вызывает заметное повышение температуры в проблемных местах. По этой причине могут возникать повреждения проводки и оборудования. Кроме того, перед окончательным отказом системы снижается и производительность электросети, увеличиваются потери, так как электроэнергия начинает затрачиваться на ненужное производство тепла.

Рис.18 Диагностики электрических сетей с помощью тепловизора
Неоспорим так же тот факт, что для детального и качественного обследования электросетей и электрооборудования в процессе функционирования чаще всего необходимо произвести остановку работающего устройства. Тепловизор же произвести всю диагностику без выключения электричества.
Тепловизор малогабаритный "Альфа-КТ-5"

Рис.19 Тепловизор "Альфа-КТ-5
|
ТЕХНИЧЕСКИЕ ХАРАКТЕРИСТИКИ |
“Альфа-КТ-5” |
|
Рабочий спектральный диапазон, мкм |
3 5 |
|
Поле зрения (верт. х.гориз.), град. |
4 х 7 |
|
Увеличение, крат |
2 |
|
Разрешаемая разность температур, °С |
0,08 |
|
Энергопотребление, Вт |
6 |
|
Время непрерывной работы без подзарядки аккумуляторов, ч, не менее |
2,0 |
|
Диапазон рабочей температуры окружающей среды, °С |
± 50 |
|
Габаритные размеры , мм |
195х124х106 |
|
Масса , кг |
1,2 |
Высокочувствительный компактный тепловизор "Альфа-КТ-5" обеспечивает преобразование невидимого глазом инфракрасного излучения в видимое изображение, наблюдаемое в окуляр. Прибор предназначен для:
поиска и обнаружения человека, других объектов по собственному инфракрасному излучению при проведении аварийно-спасательных работ, в том числе в условиях задымленности и полной темноты;
оценки состояния теплотрасс, высоковольтных линий электропередач и другого промышленного оборудования;
обнаружения мест утечки тепла из зданий;
Термическая чувствительность и пространственное разрешение прибора сохраняются и при панорамировании с высокими угловыми скоростями, что обеспечивает обнаружение и распознавание объектов в режиме кругового обзора за кратчайшее время.
Прибор позволяет осуществить обнаружение человека по его собственному излучению на расстоянии до 1000 м, обнаружение транспортных средств и другой техники на расстоянии более 3 км, в том числе в условиях полной темноты и задымленности.
2.1.Пирометры
Пирометры - это приборы, которые используют электромагнитное излучение тел для определения их температуры.

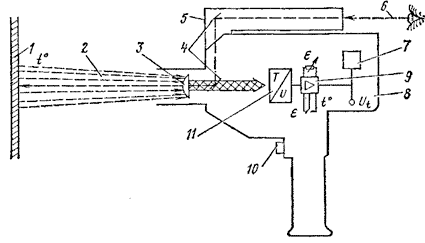
Рис. 20. Схематическое устройство пирометра:
1 контролируемый объект; 2 инфракрасное излучение; 3 оптическая система; 4зеркало: 5 оптический видоискатель; 6 оптическая ось видоискателя; 7 счетно-измерительное устройство; 8 корпус пирометра; 9 электронное устройство; 10 кнопка; 11 датчик; 12 зажим для подсоединения измерительного прибора
Поверхности всех тел веществ, температура которых выше абсолютного нуля излучают электромагнитные волны. Причем характер этого излучения и характеристики зависят от температуры.
Диапазон теплового излучения лежит в пределах 0,1 - 1000 мкм. Кроме излучения тела также поглощают излучение от других тел. В целом тело часть энергии поглощает, часть отражает, часть пропускает далее. Все это характеризуется соответствующими коэффициентами. В физике теплового излучения существует понятие абсолютно черного тела. Абсолютно черное тело это тело, которое поглощает все падающее на него излучение. Относительно такого тела и рассматривается поглощение и излучение тел.
На практике ни одно тело не поглощает и не излучает как абсолютно черное. Моделью абсолютно черного тела может быть отверстие камеры, внутренняя поверхность которой имеет хорошую поглощательную способность и одинаковую температуру.
Излучательная способность абсолютно черного тела и его зависимость от температуры имеет вид:

Рис.21. Длина волны максимума интенсивности излучения определяется законом Вина: m = b/T
b - постоянная Вина, Т - абсолютная температура
Зная законы излучения температуру излучаемой поверхности можно определить по измеренному потоку излучения, падающему на определенную поверхность.
Существуют следующие приемники излучения:
- Черные и серые приемники (термические). К этим приемникам относятся датчики температуры (терморезисторы, термопары) закрепленные на зачерненных принимающих излучение пластинках. Их чувствительность не зависит от длины волны.
- Селективные чувствительные элементы. Это фотоэлементы, фоторезисторы, фотодиоды, фототранзисторы. Абсолютная чувствительность селективных чувствительных элементов намного выше.
Приемники излучения вызывают в соответствующей электрической схеме обработки сигнала изменение силы тока, сопротивления, напряжения.
При высоких температурах излучающей поверхности ( выше 650 °С) приемником излучения может служить и глаз наблюдателя.
Различают пирометры:
- Оптические пирометры - чувствительны к излучению в определенной полосе частот.
- Радиационные пирометры - чувствительны во всем диапазоне частот.
Оптические пирометры.
Оптические пирометры чувствительны только в узком интервале волн. Это достигается с помощью специального фильтра.

Рис.22. Оптический пирометр
Измерение исследуемого объекта анализируется или приемником излучения или с помощью сравнения с источником контрольного измерения. Наиболее широко используются пирометры с исчезающей нитью накаливания. При работе с такими пирометрами исследователь сравнивает в узком интервале длин волн видимой области спектра яркость измеряемого излучения и контрольного (раскаленной нити вольфрама). При достижении равенства обеих яркостей нить накаливания исчезает. Мощность нагрева (ток) нити накаливания является показателем оптической температуры контролируемого объекта. Температуру определяют по градуировочной кривой или на пирометр может быть уже нанесена шкала. Яркостная (спектральная, оптическая) температура, измеренная пирометром равна истинной, если спектральный коэффициент излучения поверхности контролируемого объекта равен единице (абсолютно черное тело). На практике измеренная температура всегда меньше истинной и необходимо в измеренное значение вводить поправку, которая определяется в зависимости от измеренной температуры и спектрального коэффициента излучения (определяется по таблицам) (например, для длины волны =0,65 нм - фарфор 0,78 при 1200 °С , железо 0,35 при 800 °С).
Пирометры с исчезающей нитью это очень удобные и простые пирометры. Недостатком является ограничение по нижнему пределу температур, а также некоторая субъективность результатов измерения. В то же время поправка, вносимая в результат измерения при не черных излучающих объектах точнее, чем для радиационных пирометров. Разработаны также оптические пирометры с объективным приемником излучения - фотоэлектрическим элементом и др.
Измерения пирометром с исчезающей нитью осуществляются с расстояния от 2м до бесконечности. Расстояние может быть скорректировано с помощью специальной оптики. Нижний предел температур 650 °С или 200 °С для объективного приемника. Верхний предел обычно не превышает 2500 °С. Пирометры градуируют на черном излучателе или лампе накаливания с вольфрамовой нитью.
Схема наиболее распространенного оптического пирометра ОППИР-09 показана на рис. 23.

Рис. 23. Схема оптического пирометра ОППИР 09: 1 объектив; 2 ослабляющий светофильтр; 3 температурная лампа; 4 нить накаливания температурной ламды; 5 монохроматический светофильтр; 6 окуляр; 7 милливольтметр; S- реостат; 9 движок реостата; 10 кольцевая рукоятка реостата: рукоятка прибора.
Это переносный прибор, все части которого смонтированы в общем кожухе или корпусе. Луч света, испускаемый накаленным телом, попадает в прибор через объектив 1, а затем через окуляр 6 в глаз наблюдателя, сравнивающего яркость светового потока тела с яркостью нити 4 температурной лампы 3. Сравнение проводят в монохроматическом свете, получаемом с помощью светофильтра 5, расположенного за окуляром и пропускающего узкий спектральный участок света (область красных лучей).
Нить температурной лампы накаливается от щелочного аккумулятора, присоединенного к прибору проводами, проходящими через, рукоятку
Накал нити регулируют реостатом 8, включенным в цепь лампы последовательно. Движок 9 реостата передвигают при помощи кольцевой рукоятки 10. На рукоятке и на корпусе прибора имеются черточки белого цвета, около которых стоит отметка «0». Когда черточки на рукоятке и на корпусе прибора совпадают цепь лампы разомкнута и аккумулятор отключен. Сила тока, подаваемого лампе, уменьшается, при повороте рукоятки по направлению стрелки, которая имеется на ней.
Температуру отсчитывают по показанию пирометрического милливольтметра 7, градуированного в градусах по накалу нити.
При измерении температуры оптическим пирометром ОППИР-09 его придерживают за рукоятку и направляют объектив на накаленное тело, предварительно убрав светофильтр. Передвигая окуляр и объектив, добиваются получения четких изображений нити температурной лампы и тела,температуру которого измеряют. После этого светофильтр .снова помещают на его место и, поворачивая ручку реостата в сторону, противоположную направлению стрелки, постепенно повышают накал нити до тех пор, пока ее верхняя часть, хорошо заметная на фойе раскаленного тела, не сольется с фоном и не исчезнет из поля зрения.
Когда температура нити лампы ниже измеряемой температуры тела, видна темная линия на светлом фоне. Если же температура нити лампы выше измеряемой, видна светлая линия на темном фоне. При равенстве температур нить перестает быть видимой.
Оптический пирометр ОППИР-09 предназначен для измерения температуры от 800 до 2000 С, однако нить температурной лампы не выдерживает накала больше 1400° С. При температуре выше указанной материал нити начинает испаряться, вследствие чего характеристика лампы меняется. Чтобы избежать этого, при измерении температуры выше 14000C для ослабления светового потока накаленного тела между объективом и температурной лампой помещают дополнительный светофильтр 2. Таким образом, прибор имеет два диапазона измерений: 8001400 0C и 12002000° С.
Ввиду того, что оптические пирометры градуируют по излучению абсолютно черного тела, для измерения температуры реальных тел с различными' коэффициентами черноты в показания прибора следует вводить соответствующие поправки по специальным таблицам.
Кроме описанного, имеются эталонные оптические пирометры ОР-48, имеющие три диапазона измерений: до 1400° С, до 2QOO0C и до 3000° С. Оптический пирометр ЭОП-1 имеет пять диапазонов от 1400 до 6000° С, с погрешностью измерения 0,05% при 1063° С, 0,2% при 3000° С и 1 % при 6000° С.
К приборам всегда прилагаются инструкции, содержащие описание прибора, правила его использования, а также правила зарядки аккумуляторов. В паспорте прибора указывается его характеристика, данные о его градуировке свидетельство о его пригодности для работы. Как все точные приборы, оптические пирометры следует периодически проверять.
Фотоэлектрический' пирометр. Для непрерывного и бесконтактного измерения и записи температуры неподвижных и движущихся тел применяют фотоэлектрический пирометр ФЭП-4*. При его помощи можно измерять температуры от 500 до 4000° С. Прибор выпускается как одношкальный с предельной температурой измерения 2000° С, так и двушкальный с пределом измерения до 4000° С. Основная погрешность показателей пирометра не превышает ±1% для приборов с верхним пределом измерения больше 2000° С.
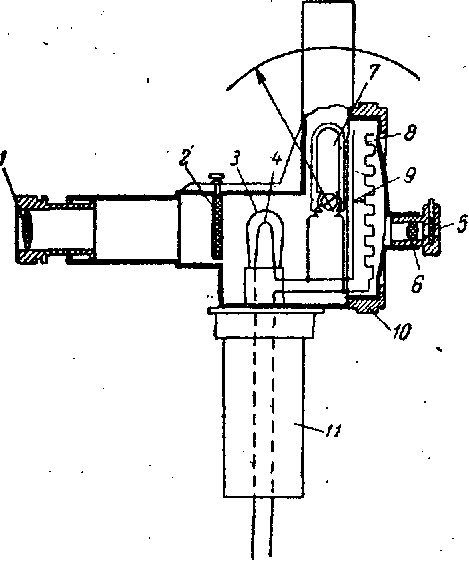
Пирометры радиационные (полного излучения).

Рис.23. Пирометр радиационный
Это пирометры, которые воспринимают излучение во всем спектральном диапазоне. Такими принято считать, если хотя бы 90% излучения объекта используется в пирометре. Для таких пирометров приемником практически могут быть использованы только термические приемники - термопары, терморезисторы. Такие пирометры могут измерять температуру в диапазоне -50 °С - 2000 °С и выше. Корректировка показаний на коэффициент излучения во многих пирометрах осуществляется автоматически и пирометр сразу показывает истинную температуру, если заранее установить известное значение коэффициента излучения.
Принципиальная схема радиационного пирометра показана на рис24. Он состоит из корпуса 6, имеющего объектив 2, который улавливает, тепловой поток и направляет его на теплочувствительную. часть 1 прибора. Эта часть представляет собой крестообразную пластину из платины, покрытую платиновой чернью. К этой пластине припаяны четыре горячих спая хромель-копелевых термопар, образующих термобатарею. При нагревании или охлаждении теплочувствительной части также нагреваются или охлаждаются горячие спаи этой термобатареи. Таким путем достигается увеличение электродвижущей силы и,следовательно, увеличивается точность прибора.

Рис. 24. Схема радиационного пирометра: 1- термочувствительная часть; 2 объектив; 3 диафрагма; 4 температурная лампа; 5 медный кожух; 6-корпус; 7 светофильтр; 8 окуляр; 9-температура; 10 милливольтметр
Платиновая пластинка и термопары заключены в стеклянную температурную лампу 4, закрытую почерненным медным кожухом 5. В медном кожухе имеются отверстия для прохода тепловых лучен на теплочувствительную часть прибора и для наблюдения за правильностью фокусирования. Через цоколь лампы выведены концы термопар и присоединены внутри прибора к клеммам.
При фокусировании прибора нужно добиваться того, чтобы раскаленное тело было виднов в телескопе и закрывало бы все поле зрения. Если изображение будет больше или меньше поля зрения, то условия наблюдения будут отличаться от градуировочиых и результат измерения будет неправильным. Четкость изображения для правильной наводки достигается перемещением окуляра 8. Чтобы предохранить глаз наблюдателя от яркого света, можно пользоваться светофильтром 7, который перемещают при помощи ручки, расположенной рядом с клеммами.
Для измерения величины электродвижущей силы, возбуждаемой в термобатарее радиационного пирометpa, пользуются или гальванометром, или потенциометром, которые должны быть градуированы в градусах по температуре излучения абсолютно черного тела.
Истинную температуру раскаленного реального тела по измеренной радиационным пирометром определяют введением поправок с учетом коэффициента черноты реального тела, температуру которого измеряют. Для этого пользуются специальными таблицами коэффициентов черноты полного излучения материалов при различных истинных температурах, а также таблицами соотношений между температурой, измеренной радиационным пирометром, или радиационной температурой и истинной температурой в зависимости от коэффициента черноты полного излучения.
При помощи радиационных пирометров полного излучения можно измерять температуру от 900 до 1800° С и даже, до 2000° С.
Инфракрасноесное излучение