Разработка и внедрение ИТО для организации крепления альпенийского снаряжения при спасении людей с высотных зданий повышенной этажности
Разработка и внедрение ИТО для организации крепления альпенийского снаряжения при спасении людей с высотных зданий повышенной этажности.
Содержание.
Введение
Глава 1 Особенности зданий повышенной этажности
1.1 Общая статистика смертельных случаев в высотных зданиях при ЧС.
1.2 Основные проблемы эвакуации людей в зданиях высотной этажности
1.3 Масштаб строительства в УР высотных зданий
Глава 2 Организация решения проблемы по эвакуации людей из зданий повышенной этажности с установкой закладных деталей и анкерных болтов крепления к бетону и защиты их от коррозии.
2.1. Общие положения
2.2. Конструкции закладных деталей и расчет их закрепления
2.3. Материалы и оборудование
2.4. Подготовка и крепление закладных деталей
2.5. Контроль качества крепления закладных деталей
2.6. Защита закладных деталей от коррозии
2.7. Выписка из указаний по технике безопасности при работе с эпоксидным клеем.
Предисловие.
Глава 3. Система обеспечения комплексной безопасности высотных зданий и сооружений.
3.1 Область применения.
3.2 Нормативные ссылки.
Глава 4. Основные положения.
4.1 Особенности высотного здания (сооружения) как объекта защиты.
4.2 Подходы к обеспечению безопасности.
4.3 Комплексный подход.
4.4 Источники, виды и характер проектных опасностей и угроз.
4.5 Риск.
Глава 5. Общие требования.
5.1 Требования к документации.
5.2 Общие требования к системам и функциям.
5.3 Управление функциональной безопасностью.
5.4 Требования к жизненным циклам систем и средств безопасности .
5.5 Предварительный анализ и разработка концепции безопасности.
5.6 Определение назначения и области применения.
5.7 Анализ опасностей и риска.
Заключение.
Библиографический список.
Приложение А.
Приложение Б.
Б.1 Элементы системы конструкций.
Б.2 Инженерные системы
Б.3 Системы, связанные с безопасностью.
Б.4 Критически важные точки.
Приложение В.
Список литературы.
Введение.
В современном мире строительства высотные здания получили большое развитие. Они являются примером того, как утилитарные потребности человечества служат мощным стимулом научно-технического прогресса, в том числе развития архитектурной науки, появления новых приемов градостроительства, архитектурно-строительных, конструктивных и инженерно-технических решений. Высотные здания стали показателем экономического прогресса, мощи государств и престижа ведущих, преуспевающих фирм. С возведением небоскребов изменились очертания городской застройки, появились новые доминанты, преобразовывается организация жизненного пространства, как внутри самих зданий, так и в масштабах района застройки. Чем активнее развивается какая-либо отрасль народного хозяйства, тем более глубокого изучения она требует, тем больше вопросов она ставит перед исследователями. Одним из актуальных вопросов высотного строительства, который предлагается рассмотреть является архитектурная типология высотных зданий.
В существующей нормативной базе по строительству трудно найти четкие указания по определению типа высотного здания. Также не раскрыт данный вопрос и в отечественной литературе по архитектуре. Само понятие типологии часто упоминается в различных статьях и лекциях по высотным зданиям, но, как правило, не освещается достаточно полно для того, чтобы составить четкое понятие о ней и необходимости ее использования на практике.
У исследователей нет единого подхода и методики деления высотных зданий на типы. Как правило, высотные здания считаются исключительно многофункциональными. Это объясняется тем, что в настоящее время официально существует определение только многофункционального высотного здания, которое дано в МГСН 4.19-2005. Но даже у этого понятия нет четкого определения, какие именно и в каком соотношении должны быть помещения в таком объекте.
Деление зданий на типы является основой для исследования и создания нормативной базы по их проектированию. Понятие типология обозначает метод научного познания, в основе которого расчленение систем объектов и их группировка с помощью обобщенной, идеализированной модели или типа. Используется в целях сравнительного изучения существенных признаков, связей, функций, отношении, уровней организации объектов как сосуществующих, так и разделенных во времени.
Архитектурная типология зданий и сооружений систематизирует и разрабатывает основные принципы формирования зданий и сооружений с учетом их предпочтительных характеристик. Она раскрывает социальное, идеологические, функциональные, конструктивно-технические, экономические, градостроительные и архитектурно-художественные требования. Определяет классификацию и номенклатуру типов и видов зданий, устанавливает основные параметры норм проектирования, состава, размеров, характера технологических связей помещений и их оборудования.
Необходимо отметить, что, прежде всего, тип зданий определяется градостроителями при планировании застройки или реконструкции городской территории с учетом ее назначения (селитебной, административной, промышленной).
При этом современные высотные здания обращают на себя особое внимание специалистов так как они стали частью городской структуры включающей основные виды жизнедеятельности людей - жилище, отдых, места приложения труда. Активное возведение высотных зданий влияет на количественные и качественные перемены в структуре и облике городов - существенное изменение уклада жизни населения, повышение социального статуса районов их строительства, создание современной инфраструктуры, приближение системы обслуживания к потребителю, повышение комфорта проживания.
Наряду с положительными факторами высотная застройка имеет массу негативных - в первую очередь это усложнение архитектурно-строительных и конструктивных решений, большое потребление энергии, сложные инженерные системы и оборудование, трудности эвакуации людей из высотного здания, влияние на экологическую обстановку района строительства. Острыми вопросами высотного строительства стали превышение плотности застройки и населения, транспортного обслуживания, сохранения исторических центров городов. Поэтому изучение типов высотных зданий, их влияние на существующую застройку, стало важным вопросом теоретических и практических исследований прежде всего градостроителей. Ряд исследований по данной проблеме уже проведены градостроителями, их результатом стали нормативные требования, включенные в нормативные документы.
Учитывая подход градостроителей к классификации высотных зданий и традиции отечественной архитектурной науки, типология рассматриваемых объектов может быть выполнена, основываясь на их функциональном назначении, с учетом архитектурно-планировочных и архитектурно-художественных решений. Функциональное назначение здания определяется характером помещений, размещаемых в нем. Следовательно, для разработки вопросов типологии высотных зданий прежде всего требуется анализ их функционального состава, классификация помещений, входящих в него, выявление функционально-образующих элементов, их размещение в здании, взаимосвязи и взаимовлияние.
Анализ построенных, проектируемых и предлагаемых в качестве концепций высотных объектов в нашей стране и за рубежом показывает, что чаще всего в них функционально-образующими элементами являются жилые, гостиничные, административные помещения. Кроме указанных, это могут быть учебные, медицинские, библиотечные помещения, проектируемые в высотных зданиях реже, и производственные, которые потенциально могли бы в них проектироваться в перспективе. Типы, номенклатура, требования к безопасности и правила проектирования для
Каждого из этих помещений в отдельности уже выявлены и регламентированы соответствующими строительными нормами и правилами: СНиП 31-01-2003, СНиП 2.08.02-89*, СНиП 31-05-2003, СНиП
21-02-99*. Между тем типологические требования к высотному зданию, которое включает данные помещения, еще не сформированы.
Рассматривая функционально-планировочное решение здания можно отметить, что если помещения различного функционального назначения делят между собой его площади примерно в равных долях, то классификация такого объекта как многофункционального не вызывает сомнений. В тоже время в практике проектирования и строительства имеется значительное количество зданий с архитектурно-планировочными решениями, при которых все здание занимают, помещения только одного функционального назначения, например, жилые (квартиры и апартаменты квартирного типа); исключение составляют общественные помещения, которые обслуживают жителей данного дома, а также предприятия торговли и учреждения обслуживания в первых этажах или стилобатной части. Если подобное здание имеет высоту до 75 м, то проектируется по СНиП 31-01-2003 и считается "жилым многоквартирным зданием с встроенно-пристроенными помещениями общественного назначения". В связи с этим возникает вопрос, можно ли считать высотное здание с аналогичным функционально-планировочным решением многофункциональным? Очевидно, такое определение было бы неправомерным. Та же ситуация возникает когда почти все этажи занимают гостиница, или административные помещения. Авторы предлагают, подобные высотные здания считать специализированными, то есть их архитектура будет подчинена размещению помещений какого-либо одного функционально-образующего элемента.
Глава 1 Особенности зданий повышенной этажности
- Общая статистика смертельных случаев в высотных зданиях при ЧС.
Высотные здания придают большим городам исключительную выразительность и современный индивидуальный облик. Архитектурные сооружения относятся к объектам с массовым пребыванием людей и представляют огромную материальную ценность. В связи с этим, разного рода чрезвычайные ситуации, связанные с пожарами и авариями в высотных зданиях, могут приводить к большим жертвам, сильной общественной реакции. Все это определяет особое внимание к проблеме обеспечения безопасности людей и самих высотных зданий в случае возникновения пожара.
В современном строительстве разработана и успешно применяется многоуровневая система противопожарной защиты (СПЗ) высотных зданий, включающая 15 элементов защиты. При правильном проектировании, устройстве и эксплуатации этого комплекса мер СПЗ обеспечивается требуемый уровень безопасности людей, оказавшихся в высотном здании при возникновении пожара.
Ниже приведены примеры пожаров в зданиях повышенной этажности и высотных зданиях, трагические последствия которых заставили специалистов обратить внимание на особенности пожарной опасности этих объектов и совершенствование системы их противопожарной защиты.
Пожар в 22-этажном здании отеля в Сеуле (Южная Корея) 25 декабря 1971 года
Этот пожар стал самым крупным из всех пожаров в гостиницах повышенной этажности. Пожар начался на кухне кафетерия на втором этаже здания. По нейлоновым занавесям на окнах, синтетическим коврам, через лестничные клетки и шахты лифтов огонь с необычайной быстротой стал распространяться на верхние этажи, превращая здание в горящий факел (рис. 1). Произошло обрушение конструкций лестничных клеток и перекрытий на нескольких этажах. Из 296 человек, находившихся в гостинице в момент возникновения пожара, погибло164 и 58 человек получили ожоги и отравление дымом. В тушении этого пожара участвовали пожарные команды, полицейские и армейские части (более 1100 человек).
Пожар в 32-этажном небоскребе (Мадрид, Испания, 2005 год)
На рис. 2 представлены последствия этого пожара в высотном здании. Как ни парадоксально, но именно этот случай является примером эффективности современной СПЗ зданий. Дело в том, что данное 32-этажное здание в Мадриде находилось на ремонте. В связи с этим СПЗ здания не функционировала. Отсутствие нормально функционирующей СПЗ высотного здания и привело к тому, что пожар без помех распространился на все здание и привел его в состояние, не подлежащее восстановлению.
ЧС в московских многоэтажных зданиях
В марте 1993 года и ноябре 2005 года произошли серьезные пожары в 25-этажных жилых зданиях Москвы. В первом случае пожар возник на предпоследнем этаже здания на проспекте маршала Жукова, выгорело 5 квартир, погибло 5 человек. Во втором случае пожар начался на последнем, 25-м этаже здания по Второму Сетуньскому проезду. Пожар распространился на площади 250 м2. Погибло 4 человека, 15 человек были спасены при проведении спасательной операции. Причиной столь серьезных последствий этих пожаров явилась устаревшая система противопожарной защиты здания.
Эти примеры свидетельствуют о том, что пожары и другие ЧС представляют собой особую опасность для высотных зданий и зданий повышенной этажности в силу особенностей их конструктивно-планировочных решений, назначения, технологии возведения и последующей эксплуатации.
Особый характер пожарной опасности высотных зданий определяется:
• наличием условий, способствующих возникновению пожара;
• возможностью массового пребывания людей в здании;
• высотой здания, превышающей возможности использования для спасения людей механических лестниц, имеющихся в гарнизонах пожарной охраны;
• возможностью частичного или полного разрушения при пожаре отдельных элементов здания, определенной части здания или всего здания;
• интенсивным распространением в высотном здании пламени, дыма, токсичных веществ по помещениям, коридорам и техническим коммуникациям, а также через зазоры в строительных конструкциях;
• блокированием лифтов и выходом из строя управления лифтами;
• отсутствием или недостаточностью средств для спасения людей внутри здания;
• отсутствием в нормах четких регламентаций относительно оценки уровня пожарной опасности рассматриваемых объектов.
1.2 Основные проблемы эвакуации людей в зданиях высотной этажности
Проблемы безопасности людей при эвакуации из высотных зданий и сооружений в чрезвычайных ситуациях, в частности, при пожаре, были сформулированы в результате работ, выполненных сотрудниками института архитектуры всероссийской академии художеств, кафедры архитектуры гражданских и промышленных зданий, центрального научно-исследовательского института противопожарной обороны МВД СССР. В нормировании они были впервые использованы при выполнении МИСИ контракта с ЮНЕСКО.
В систему строительного и противопожарного нормирования страны эти критерии введены СНиП II-2-80. До 1980 года явно выраженные критерии безопасности людей при пожаре в нормировании отсутствовали.
Критерии обеспечения безопасности были выражены аналитически:

В формулах (1), (2), (3):
tэв - время эвакуации людей, начиная с момента возникновения чрезвычайной ситуации ( пожара) до момента выхода людей в зону безопасности или на безопасный участок, мин.;
tнб - время, необходимое (допустимое) для эвакуации людей до достижения на участках эвакуации опасными факторами уровней, угрожающих здоровью и жизни людей, мин.;
Di значение плотности людского потока на любом участке его эвакуации;
Dnp предельно допустимая величина плотности людского потока, исключающая возможность образования их скоплений, в которых взаимное давление людей друг на друга может привести к физическому травматизму и удушью (компрессионная асфиксия); qi-1, и qi интенсивность движения людского потока на смежных (предшествующем i-1 и рассматриваемом i) участках эвакуационного пути, чел./м. мин, т.е. количество людей, проходящих в каждую минуту через поперечное сечение пути; bi и bi-1 - ширина смежных участках пути, м.
Вполне очевидно, что выполнение соотношения (3) требует, чтобы величина людского потока (Рi-1 =qi-1 • bi-1), направляющегося к границе участка i, не превосходила его пропускной способности (Qi = qmax bi), что и является условием недопущения скопления людей перед ним.
В СНиП 21-01-97* эти аналитически выраженные критерии безопасности заменены словесным требованием обеспечить «своевременную и беспрепятственную эвакуацию людей». Поскольку содержание этих терминов (своевременная, беспрепятственная) не раскрыто, то допускается их произвольное толкование. Оно обнаруживается в СНиП по проектированию общественных зданий и сооружений. Пункт 1.115 этих норм отменяет необходимость определения tнб.ac ним и tэв , при эвакуации людей по незадымляемой лестничной клетке.

Рисунок 1. Распределение плотности людского потока через 1,5 мин после начала эвакуации.
Это оказалось столь удобно и проектировщикам и служащим госпож надзора, что они, коллективно забыв об иерархии глав СНиП и ГОСТ и не обращая внимания на то, что этот пункт не отменяет требования обеспечить беспрепятственную эвакуацию на всех её этапах, единодушно сняли с себя юридическую и моральную ответственность за то, что будет с людьми в незадымляемой лестничной клетке. Это уже настолько укоренившаяся позиция, что недавний разработчик первой концепции обеспечения пожарной безопасности высотных многофункциональных зданий комплекса ММДЦ «Москва-Сити», при обсуждении 24 июня 2005 г. на научно-техническом Совете при Москомархитектуре новой концепции пламенно возражая против содержащихся в ней требований вести расчет эвакуации людей по незадымляемым лестничным клеткам.
Специалистам давно известно и сегодня от их имени ещё раз следует обратить внимание всех, кто имеет отношение к решению о строительстве того или иного высотного здания, что не соблюдение критериев (1-3), допущение одновременной, неорганизованной эвакуации из них, равнозначно рукотворному созданию для людей катастрофы.
Как было показано при одновременной эвакуации людей со всех этажей высотного здания в его незадымляемых лестничных клетках через несколько минут образуются (рис. 1) на уровне выходов с этажей людские потоки с максимальной плотностью. Такая плотность потока постепенно распространяется на всю лестницу. При этом часть людей долго не может выйти с этажей в лестничную клетку, а на выходе из неё постоянно на протяжении практически всего времени эвакуации поддерживается предельная плотность потока (выше 5, до 9 чел/м2). Естественно, что при таких плотностях скорость движения людей становится минимальной и эвакуация растягивается на часы. Но страшнее другое. Давление людей друг на друга в образовавшейся толпе достигает таких величин, что прогибаются ограждения из стальных труб диаметром 50 мм, сдавливание тела приводит к компрессионной асфиксии. Такие случаи известны не только медикам. Гибель людей в переуплотненной толпе при похоронах И.В. Сталина описана, например, в произведениях П. Проскурина и Е. Евтушенко. Подобное происходит и в наши дни: по заключению медицинской экспертизы 19 молодых женщин погибли в результате компрессионной асфиксии во время известной демонстрации в Тбилиси.

Рисунок 1а. Максимальная плотность людского потока в течение всего времени эвакуации.
Имеется несколько проектных и организационных возможностей предотвращения возникновения подобных ситуаций при эвакуации из высотных зданий:
значительное увеличение количества лестничных клеток,
поэтапная эвакуация;
использование лифтов для эвакуации людей во время чрезвычайных ситуаций, в том числе при пожаре.
Конечно, идеальным решением было бы создание условий, позволяющих вообще не проводить эвакуацию людей. Но пока это мечта, сегодня необходимо оценивать реальные возможности.
Требование увеличить количество лестничных клеток может быть высказано в нормах прямо или косвенно, например, через установление весьма малых, как правило не аргументированных, допустимых расстояний от выходов из помещений до входа в лестничную клетку. За примером далеко ходить не нужно - «Расстояние от дверей любого помещения до эвакуационной лестницы должно быть не более 20 м» (п.3.32 Проекта МГСН «Многофункциональные высотные здания и комплексы»). Но в любом случае необходимо обосновать требуемое количество лестничных клеток. А чем обосновать? Ссылками на то, что американские специалисты в результате анализа последствий катастрофы 11 сентября 2000 года пришли к выводу о недостаточном количестве лестниц в зданиях Всемирного Торгового Центра? Не аргумент - они сами не знают сколько их нужно. А специалисты ведущих европейских стран только недавно создали специальную комиссию, чтобы разобраться в причинах образования скоплений людей.
Критерием для определения необходимого количества лестничных клеток в высотном здании могло бы быть недопущение в них потоков с плотностью более 4 чел/м2 при одновременной эвакуации людей со всех этажей. Такие ситуации определяются моделированием движения людских потоков. Только не следует пользоваться для этого моделями американских фирм (например, знаменитой SOM), поскольку они используют гидроаналогии, закономерности которых противоречат установленным кинематическим и психофизиологическим закономерностям людских потоков. Однако полученные решения требуют внимательной оценки. Во-первых, потому, что длительное движение даже по лестнице вниз вызывает у них сильное утомление. По данным зарубежных исследователей люди испытывают усталость при 5 минутах спуска по лестнице, а при спуске приблизительно с 18 этажа «страдают от усталости». Во-вторых, потому, что это будет очень дорогостоящее решение, ставящее под сомнение технико-экономическую целесообразность строительства высотного здания. На диаграмме (рис. 2) «стоимость коммуникационных путей (и связанных с ними планировочных решений здания) - время эвакуации» такое решение соответствует кривой CD максимальной стоимости.

Гораздо более целесообразное решение дает организация поэтапной эвакуации. Впервые она была предложена в 1969 году, декларировалась в нескольких редакциях норм по противопожарной безопасности при разработке систем оповещения и управления эвакуацией (СОУЭ), но необходимая для неё очень четкая и вариабельная организация осталась не проработанной. Но даже интуитивно применившие её специалисты восхищаются её эффективностью. Организация поэтапной эвакуации позволяет обеспечить беспрепятственное движение людских потоков, не влияя значительно на стоимость объемно-планировочных решений высотных зданий.
Однако остаются проблемы высокой физической и психологической утомляемости людей при их пешеходной эвакуации и её продолжительность. Как и 35 лет назад остаётся рекомендовать, как наиболее рациональное решение проблем эвакуации людей из высотных зданий, организацию их поэтапной эвакуации с использованием лифтов. По данным зарубежных исследований большая, а часто и большая часть людей успевает эвакуироваться из многоэтажных зданий при помощи лифтов до их отключения. За прошедшие 35 лет возросла надёжность лифтовых установок и главное, многократно увеличилась их противопожарная защита. Сегодня уже сами пожарные требуют установки противопожарных лифтов для доставки своих подразделений к этажу пожара. Но до сих пор они, «заботясь» о безопасности людей, запрещают им в случае пожара воспользоваться для эвакуации техническим устройством, благодаря которому стало возможным само существование высотных зданий, и посылают их в толкучку в незадымляемую лестничную клетку на время сопоставимое с продолжительностью пожара. Парадоксальная ситуация, которая давно требует своего разрешения. Сведения из-за рубежа свидетельствуют, что наконец-то, после катастрофы 11 сентября 2000 г, среди специалистов и США, и Европы окончательно возобладало мнение о целесообразности использования лифтов для эвакуации людей и необходимости поиска для этого соответствующих технических решений.
1.3 Масштаб строительства в УР высотных зданий.
Высотное здание это всегда красиво. Высотка как правило предстает доминантой для целого района и даже города. Однако для того чтобы возвести такое здание, всякий раз приходится «изобретать велосипед», придумывать особенные и уникальные инженерные и технологические решения.
Недавний форум небоскребов «100+ Forum Russia» прошел в Удмуртскую Республику и задал тон нешуточной дискуссии: зачем нужны высотные здания, какие плюсы у высотного строительства, оправдано ли подобное строительство экономически и, наконец, не пора ли подвести под высотную стройку прочную нормативную базу.
Так уж произошло, что Удмуртская Республика внезапно оказался «впереди планеты всей» по части высотного строительства. Во всяком случае, многие российские города он уж точно опередил. В настоящее время Удмуртская Республика догоняет большие города: за последние десятилетия здесь возведено более ста высотных зданий. Накоплен любопытный опыт, коим Удмуртская Республика решили поделиться со строительным сообществом.
Глава 2 Организация решения проблемы по эвакуации людей из зданий повышенной этажности с установкой закладных деталей и анкерных болтов крепления к бетону и защиты их от коррозии.
Позволяют обоснованно назначать геометрические параметры крепления закладных деталей и качественно выполнять крепления их к поверхности бетона и (или) в отверстиях, высверленных в нем.
Описаны все виды необходимых работ: от конструирования и расчета закладных деталей до контроля качества их крепления.
УСИЛИЯ, ДЕЙСТВУЮЩИЕ НА ЗАКЛАДНУЮ ДЕТАЛЬ
ОСНОВНЫЕ БУКВЕННЫЕ ОБОЗНАЧЕНИЯ
N - нормальная сила;
Q -сдвигающая сила;
Qx и Qy - сдвигающие силы, действующие соответственно вдоль осей х и у, находящихся в плоскости наружной грани пластины и проходящих через центр тяжести нормальных анкеров в направлении осей ее симметрии;
Qtot - равнодействующая сдвигающих сил Qx и Qy;
М - изгибающий момент относительно оси, находящейся в плоскости наружной грани пластины и проходящей через центр тяжести всех анкеров;
Мх и My- соответственно изгибающие моменты относительно x и y;
Т - крутящий момент;
Nan - наибольшее растягивающее усилие в одном ряду нормальных анкеров;
Nan1 -наибольшее растягивающее усилие в одном нормальном анкере;
Qan - сдвигающее усилие, приходящееся на один ряд нормальных анкеров;
Qan1 - наибольшее сдвигающее усилие, приходящееся на одиннормальный анкер;
- наибольшее сжимающее усилие водном ряду нормальных анкеров;
- наибольшее сжимающее усилие водном нормальном анкере.
ХАРАКТЕРИСТИКИ МАТЕРИАЛОВ
Rb и Rbt - расчетные сопротивления бетона соответственно осевому сжатию и растяжению для предельных состояний первой группы;
Rs - расчетное сопротивление анкеров закладной детали из арматурной стали для предельных состояний первой группы;
Ry - расчетное сопротивление прокатной стали закладной детали при растяжении, сжатии и изгибе по пределу текучести;
Rsq - расчетное сопротивление прокатной стали закладной детали при сдвиге, соответствующее Rs в главе СНиП II-23-81 «Стальные конструкции»;
Eb - начальный модуль упругости бетона при сжатии и растяжении.
ГЕОМЕТРИЧЕСКИЕ ХАРАКТЕРИСТИКИ
Аaп- площадь поперечного сечения нормальных анкеров наиболее напряженного ряда;
Аaп1 -площадь поперечного сечения наиболее напряженного нормального анкера, приваренного в тавр к пластине;
Аап, tot - площадь поперечного сечения нормальных анкеров закладной детали;
Аaпi - площадь сечения наклонных анкеров наиболее напряженного ряда;
Аап, tot, i - площадь поперечного сечения наклонных анкеров;
zx и zу - расстояния между крайними рядами нормальных анкеров, расположенных соответственно вдоль осей х и у;
d -номинальный диаметр анкерного стержня;
laп - длина зоны анкеров.
la - длина анкерного стержня;
g - угол между анкерными стрежнями и пластиной или угол отгиба полосовых анкеров;
d- толщина пластины закладной детали и полосовых анкеров;
Asp - площадь проекции поверхности одного сферического выступа на плоскость, нормальную к оси полосового анкера;
bsa - ширина полосового анкера штампованной закладной детали;
lsa - длина полосового анкера штампованной закладной детали.
РАЗНЫЕ ОБОЗНАЧЕНИЯ
n -общее число анкеров;
пх и nу- число анкеров в крайних рядах, параллельных соответственно осям х и у.
2.1. Общие положения.
1. По установке закладных деталей и анкерных болтов крепление к бетону и защите их от коррозии" следует руководствоваться при установке закладных деталей и анкеров в железобетонные, бетонные и каменные конструкции любого назначения при их сооружении, ремонте или реконструкции.
2. Разработаны в развитие действующих норм и рекомендаций по проектированию стальных закладных деталей для железобетонных конструкций и отражают особенности конструирования закладных деталей, расчетов и технологии их установки прикрепления к бетону.
2.2 Конструкции закладных деталей и расчет их закрепления.
Закладные детали могут быть выполнены в виде:
стальных пластин с приваренными к ним анкерными стержнями (рис. 3, а);
стальных пластин, прикрепляемых к бетону с помощью анкерных болтов (рис. 3б).
анкерного стержня с кольцом, пластиной или крюком для крепления альпенийского снаряжения. (рис. 3, в);
стальных пластин, прикрепляемых к бетону с помощью сквозных анкерных болтов, закрепленных на накладке (рис. 3, г).

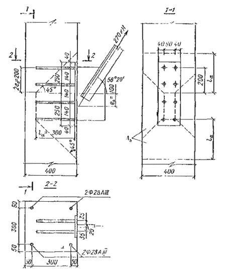
Рис. 3. Закладные детали:
1 - стальная пластина; 2 - анкерный стержень; 3 - анкерный болт;
4 - шайба; 5 - гайка; 6 - отверстие; 7 - анкерный стержень с кольцом
для крепления; 8 накладка.
К закладной детали колонны приварен раскос стальных связей, растянутый силой от действия ветровых нагрузок 270 кН(рис. 2); пластина закладной детали из стали марки ВCт3кп2 (Ry = 205 МПа); анкеры закладной детали из арматуры класса А-III (Rs = 365 МПа); для колонн принят тяжелый бетон класса В30 (Rbt = 1,2 МПа; Rb = 17 МПа); схема армирования колонны показана на рис.2; в колонне действует продольная сила, минимальная величина которой равна 1100 кН; изгибающий момент в колонне на уровне закладной детали в плоскости анкеров М = 40 кНм.
Раскос - строительный элемент, соединяющий два узла каркаса, фермы и т. п. Раскос располагается по диагонали замкнутого контура и обеспечивает жесткость конструкции.

Рис. 4.
Требуется запроектировать анкеры закладной детали, определить толщину пластины, проверить прочность бетона на выкалывание и определить смещение закладной детали в направлении усилия и раскосе.
Расчет. Вертикальное расположение рядов анкеров принимаем, как показано на рис. 4. Усилие в раскосе раскладываем на нормальную силу N, приложенную к закладной детали с эксцентриситетоме0 = 100 мм, и сдвигающую силу Q:
N = 270 cos 56° 20 = 2700,555 = 150 кН;
Q = 270 sin 56° 20 = 2700,832 = 225 кH.
По формуле (2)находим наибольшее растягивающее усилие в одном ряду анкеров при z =0,42 м иМ = Ne0 = 1500,1 = 15 кНм:

Наибольшее сжимающее усилие в одном ряду анкеров вычисляем по формуле (4):

т. е. прижатие пластины к бетону отсутствует.
Сдвигающее усилие Qan, приходящееся на одни ряд анкеров, определяем по формуле (3) при
= 0:

Так как
= 0,

следовательно,

Задаваясь диаметром анкеров, равным 16 мм, для бетона класса В30 с анкерами из арматуры класса A-III находим j = 0,49.
Тогда

Следовательно, принимаем в каждом ряду по два анкера диаметром 18 мм (Аап = 509 мм2). Проверим значение Аап при j = 0,46, соответствующем принятому диаметру 18 мм.

В каждом ряду оставляем по два анкера диаметром 18 мм.
Расстояние между анкерами принимаем:
а) по горизонтали -минимальным, равным 5d = 518 = 90 мм;
б) в вертикальном направлении(т.е. в направлении сдвигающей силы) - равным 140 мм > 7d = 718 = 120 мм.
Определим толщину пластины закладной детали. Поскольку фасонка, передающая отрывающую силу на закладную деталь, расположена посредине расстояния между вертикальными рядами анкеров, толщину пластины определяем расчетом по прочности пластины как консольной балки с вылетом 35 мм на действие растягивающего усилия в одном анкере, равного: Nan1 =
= 36,6 кН.
Ширину консольной балки принимаем b = 80 мм. Расчет производим из условия M RyW, где М = 3660035 = 1280000 Нмм, Ry = 205 МПа;
.
Тогда

Толщину пластины из полосовой стали принимаем равной 22 мм.

и обеспечиваются требования любого вида сварки стержней 0,75d = 0,7518 = 13,5 мм < 22 мм.
Определяем по формуле минимально допустимую длину анкеров без усилений. Для этого по формуле вычисляем коэффициент jc.

Учитывая, что площадь Аап принята с запасом, уточняем значение Rs.

Поскольку на закладную деталь действует не значительная нагрузка, значение Rb принимаем с учетом
= 1,1 - Rb = 171,1 = 18,7 МПа.
Для определения коэффициентов w и Dl вычислим максимальное и минимальное напряжения бетона в пределах длины анкера.
Приведенные площадь Ared и момент инерции Ired сечения колонны соответственно равны:


Здесь

Максимальное напряжение в бетоне sbmax в конце анкера длиной la = 300 мм (т.е. на расстоянии y= 300 + 22 - 400/2 » 120 мм от центра тяжести сечения) находим по формуле

Минимальное напряжение в бетоне sbmin в начале анкера (т.е. при y = 400/2-22 » 180 мм) будет равно:

Поскольку анкер не расположен полностью в зоне с напряжениями от 0,25 до 0,75 Rb, находим длину той части анкера а которая находится в этой зоне:

Тогда


Следовательно, расчетная длина анкера будет равна:

Принимаем la =300 мм.
Проверим бетон в зоне установки закладной детали на выкалывание.
Поскольку все анкеры растянутый не имеют усилений, расчет производим из условия.
Определим площадь проекции поверхности выкалывания Аh с учетом смещения наклонной грани пирамиды выкалывания на величину, равную 2е0 = 2100 = 200 мм. При h = la = 300 мм
Аh= (420-200+2300)400 = 32,8104 мм2.
Так как сила N приложена в центре тяжести площади Аh, то е1 = c =0; q2 = 0,5; (как для тяжелого бетона). Зная, что a/la = 0,74, находим

Поскольку la = h, тоRs Аап,tot
= 0. Значение Rbt с учетом
=1,1 - Rbt = 1,11,2=1,32 МПа.
j2j3AhRbt = 0,51,14832,81041,32= 248500 H > N = 150 кН.
Проверим условие при h =200 мм < la. Так как на расстоянии h от пластины поверхность выкалывания пересекает только две пары анкеров, их общая площадь составит
Aan,tot = 1018 мм2,
Ah = (420 - 200 + 2200)400 = 24,2104 мм2.


При меньших значениях h условие не проверяем, поскольку несущая способность закладной детали при этом повышается.
Проворим условие при h =400 мм (высота сечения колонны), но без учета площади, расположенной между анкерами, - (420 - 200)90 = 19800 мм2.
Ah = (420 - 200 + 2400) 400 - 19800 = 388 000 мм2 > 328000 мм2,
т.е. площадь Ah превышает площадь, вычисленную выше при h = 300 мм. Следовательно, прочность бетона на выкалывание обеспечена.
Смещение закладной детали по направлению сдвигающей силы определяем по формуле при jcс= 1.



Смещение закладной детали по направлению отрывающей силы находим как сумму смещений анкеров и прогиба пластины закладной детали.
Смещение анкеров определим по формуле

1. Смещение анкера наиболее растянутого ряда от действия усилия 

При этом прогиб пластины на этом уровне, определенный в соответствии с той же расчетной схемой, что и для определения толщины пластины, составит:

где 
Тогда полное смешение на уровне наиболее растянутого ряда анкеров равно: ai = aan,t + apl,t = 0,079 + 0,074 = 0,153 мм.
2. Смещение анкера наименее растянутого ряда от действия растягивающего усилия, равного
составит

При этом прогиб пластины на этом уровне будет равен:

а полное смещение -

Используя линейную интерполяцию, определим смещение закладной детали на уровне приложения отрывающей силы, т.е. на расстоянии 210-100 = 110 мм от наиболее растянутых анкеров:

Смещение закладной детали в направлении усилия в раскосе равно:

1.В качестве анкерных стержней и болтов следует использовать арматурную сталь периодического профиля диаметром 12-25 мм. Для болтов предпочтительно использовать арматурную сталь винтового профиля.
2.Расчет бетона на выкалывание анкерными стержнями (болтами) и определение числа и диаметра анкерных стержней выполняют так же, как и расчет при использовании закладных деталей, устанавливаемых в опалубку перед бетонированием конструкции.
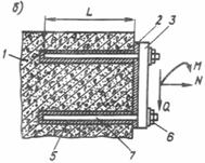
3.При креплении закладных деталей к бетону, приклеивают стальные пластины по их плоскостям и вклеивают анкерные стержни и болты в отверстия (рис. 5).




Рис. 5. Крепление закладных деталей к бетонным, железобетонным и каменным элементам конструкций:
1 - бетонный, железобетонный или каменный элемент; 2 - клей; 3 - стальная пластина; 4 - анкерный стержень; 5 - отверстие, заполненное клеем; 6 - шайба и гайка; 7 - анкерный болт; 8 накладка.
Rв,sh1 - расчетное сопротивление соединения сдвигу принимают по табл. 2
|
Количество отвердителя, % оптимального количества |
Коэффициент т при глубине вклеивания анкерного стержня, см |
||||
|
10 |
20 |
30 |
40 |
50 и более |
|
|
100 и менее |
1,10 1,10 |
0,95 0,95 |
0,80 0,80 |
0,65 0,65 |
0,55 0,55 |
|
150 |
1,10 1,00 |
0,95 0,85 |
0,80 0,70 |
0,65 0,60 |
0,55 0,50 |
|
200 |
1,10 0,75 |
0,95 0,65 |
0,80 0,55 |
0,65 0,45 |
0,55 0,40 |
|
250 |
0,90 0,45 |
0,75 0,38 |
0,60 0,30 |
0,50 0,25 |
0,40 0,25 |
Примечания: 1. Над чертой приведены значения для соединений "бетон - клей", под чертой - “клей - анкерный стержень”.
4.Оптимальное количество отвердителя, вводимого в состав клея, рекомендуется принимать (% массы эпоксидной смолы): УП-0633М - 16, сложного амина - 15, диэтилентриамина - 9.
5.Расчетную глубину вклеивания анкерных стержней, вычисляют дважды (проверяют скалывание по соединениям “бетон - клей” и "клей - анкерный стержень”) и назначают соответствующий диаметр цилиндра скалывания и расчетное сопротивление соединения сдвигу.
|
Показатель прочности соединения |
Значение показателя прочности соединения, МПа |
|
|
"бетон - клей” |
"клей - анкерный стержень” |
|
|
Расчетное сопротивление Rв,sh1 |
2,5 |
13,0 |
|
Временное сопротивление Rв,sh2 |
6,0 |
20,0 |
|
Среднеквадратическое отклонение Rв,sh3 |
1,0 |
1,8 |
Примечания: 1. При расчетах на долговременную нагрузку и выносливость значение показателя прочности следует умножать на коэффициенты соответственно 0,6 и 0,7.
6.Прочность соединения "бетон - клей" приведена при наличии в зоне приклеивания закладных деталей бетона класса В40. Чтобы установить прочность соединения при бетонах других классов, следует вводить поправочный коэффициент, принимаемый по табл. 3.
|
Класс бетона по прочности на сжатие |
В30 |
В35 |
В40 |
В45 |
В50 |
В55 |
В60 |
|
Поправочный коэффициент |
0.75, |
0,85 |
1,00 |
1,12 |
1,24 |
1,37 |
1,50 |
7. Допускается глубину вклеивания анкерных стержней назначать менее установленной. При этом число анкерных стержней, работающих на выдергивание, в наиболее напряженном ряду nsup следует вычислять по формуле:

где n - число анкерных стержней, работающих на выдергивание, в наиболее напряженном ряду.
ф(х) - функция нормального распределения (табулирована);

Rqu и Rqv - соответственно среднее значение и среднеквадратическое отклонение прочности заделки анкерных стержней, МПа;

Глубину вклеивания анкерных стержней рекомендуется назначать равной не менее 10 диаметров стержня.
8. Глубину вклеивания одиночного анкерного стержня (см. рис. 3, в) необходимо назначать не менее вычисленной по формуле (1), при этом расчетная сила Q (кН) не должна превышать вычисленную по формуле (2) и расчетное сопротивление стержня срезу.
При воздействии на анкерный стержень только сдвигающей силы глубину вклеивания допускается снижать до 7 диаметров анкерного стержня.
9. Диаметр канала для вклеивания анкерных стержней и болтов необходимо выбирать таким, чтобы в процессе установки закладных деталей обеспечивалось попадание стержней - в каналы или болтов в отверстия закладной детали, исходя при этом из допустимых отклонений от проектных размеров между осями отверстий и стержней (болтов). Не рекомендуется назначать диаметр канала таким, чтобы проектный слой клея между стержнем и поверхностью канала превышал 15 мм.
Допускается вклеивать анкерные стержни (болты) в пазы, если поверх пазов уложен слой армированного бетона или через них выше стержней проходит поперечная (к стержням) арматура.
10. Если к стальным пластинам закладных деталей с анкерными стержнями или болтами после приклеивания будут непосредственно привариваться элементы конструкций, то между пластинами и бетоном (см. рис. 2) предусматривают вместо клея использование цементного раствора, укладываемого слоем 5-15 мм.
11. Прочность закрепления стальных пластин, прикрепляемых к бетону с помощью сквозных анкерных болтов (см. рис. 2, г), проверяют обычными методами.
По данным примера запроектировать анкеры закладной детали при вклеивании с бетонном действии силы, равной 570 кН.
Расчет. Находим силы сдвигающую Q инормальную N:
Q = 570 cos 30° = 5700,866 = 494 кН;
N = 570 sin 30° = 5700,5 = 285 кН.
По формуле определяем общую площадь сечения наклонных анкеров Aan, приваренных в нахлестку.

что соответствует площади четырех анкеров диаметров 22 мм.
Поскольку увеличение диаметра или числа анкеров по сравнению с принятыми в данном случае приведет к существенному увеличению размеров пластины закладной детали и примыкающих к ней элементов, оставляем четыре наклонных анкера диаметром 18 мм (Aan,tot,i = 1018 мм2), а нормальные анкеры, будем рассчитывать на действие сдвигающей силы, равной Q - 0,9RsAan,tot,i,т.е. на действие
Q = 494000 - 0,93651018 = 159000 Н = 159 кН.
Нормальные анкеры располагаем в три ряда по высоте закладной детали (nan = 3) и, определяем площадь анкеров одного ряда при М = 0и
= 0.

Коэффициент j1 определяем по формуле . Так как
= 0,


Задаваясь диаметром нормальных анкеров, равным 20 мм, для бетона класса В25 и арматуры класса A-III находим j= 0,41.
Тогда по формуле получим

Принимаем в каждом ряду по два анкера диаметром 20 мм (Аan = 628 мм2).
Располагаем нормальные анкеры на минимальном расстоянии один от другого: в горизонтальном направлении 5d = 520 = 100 мм, в вертикальном (т.е. вдоль действия силы Q) -7d = 720 = 140 мм)
По формуле определяем минимально допустимую длину нормальных анкеров при w= 0,7 и Dl= 11. Находим коэффициент jс по формуле.


принимаем la = 270 мм (с усилением их концов анкерными пластинами размером 5050 мм).
Проверяем бетон под этими пластинами на смятие.
Площадь смятия равна:
Aloc = Apl - Aan1 = 5050 - 314 = 2186 мм2.
Расчетную площадь Ad определяем как симметричную по отношению к площади смятия Aloc :
Ad = 100140 = 14000 мм2.
Тогда по проектированию бетонных и железобетонных конструкций из тяжелого бетона (без предварительного напряжения)» (М., 1977), коэффициент bb будет равен:

Коэффициент jb для бетона класса В25 равен jb = 1. Определим силу смятия Nloc. Поскольку в окружающем закладную деталь бетоне трещины отсутствуют, а la = 270 мм < 15d =1520 = 300 мм. Для определения Nloc в формулу вводим
.


т.е. прочность бетона на смятие обеспечена; при этом толщину анкерной пластины принимаем равной 0,250 = 10 мм.
Проверим прочность бетона на выкалывание для этого случая, если поверхность выкалывания идет от наружных краев анкерных пластинок; при этом их площадь не учитывается:
А = (2140 + 50 + 2290) (100 + 50 + 2290) - 65050 = 649300 мм2.
j2 =0,5; j3 = 1,085; Rbt = 0,89 МПа; е1 = е2 = 0.
Проверяем условие.

т.е. прочность бетона на выкалывание обеспечена.
2.3. Материалы и оборудование
1. Для анкерных стержней и болтов рекомендуется арматурная сталь периодического профиля классов, A-I - A-III.
Марку стали для анкерных стержней назначают в зависимости от условий эксплуатации конструкций.
Пластины закладных деталей необходимо проектировать для конструкций, расчетная температура эксплуатации которых до минус 30°С включительно, из стали марок ВСт3кп2 и ВСт3кп2-1, ниже минус 30°С до минус 40°С включительно - из стали марок ВСт3пс6 ВСт3пс6-1 и ВСт3пс6-2
2. Для приклеивания пластин и вклеивания анкерных стержней рекомендуются составы клея, приведенные в табл. 1.
|
Номер состава клея
|
Количество компонента, мас. ч. |
|||||||
|
Эпоксидная смола |
Пластификатор |
Отвердитель |
Наполнитель (цемент) |
Тиксотропная добавка |
||||
|
Фуриловый спирт |
Дибутилфталат |
УП-0633М |
Сложный амин |
Диэтилентриамин |
||||
|
Клей на эпоксидной смоле ЭД-20 или ЭИС-1 |
||||||||
|
1 |
100 |
20 |
- |
15-50 |
- |
- |
150-300 |
0-20 |
|
2 |
100 |
20 |
- |
- |
12-35 |
- |
150-300 |
0-20 |
|
3 |
100 |
20 |
- |
- |
- |
6-25 |
150-300 |
0-20 |
|
4 |
100 |
- |
20 |
16-50 |
- |
- |
150-250 |
0-20 |
|
5 |
100 |
- |
20 |
- |
15-45 |
- |
150-250 |
0-20 |
|
6 |
100 |
- |
20 |
- |
- |
9-20 |
150-250 |
0-20 |
|
Клей на эпоксидной смоле ЭД-14 или ЭД-16 |
||||||||
|
7 |
100 |
20 |
- |
13-50 |
- |
- |
150 |
0-15 |
|
8 |
100 |
20 |
- |
- |
11-35 |
- |
150 |
0-15 |
|
9 |
100 |
20 |
- |
- |
- |
6-7 |
150 |
0-15 |
|
10 |
100 |
- |
20 |
13-50 |
- |
- |
100-300 |
0-15 |
|
11 |
100 |
- |
20 |
- |
15-40 |
- |
100-300 |
0-15 |
|
12 |
100 |
- |
20 |
- |
- |
7-25 |
100-300 |
0-15 |
Количество отвердителя назначают в зависимости от требуемых температуры склеивания и величин технологической, адгезионной и когезионной жизнеспособности.
Технологическая жизнеспособность - это время, в течение которого клей может быть нанесен на склеиваемые поверхности или залит в отверстия; определяется по появлению нитей отрыва при извлечении из клея палочки. Рекомендуемая технологическая жизнеспособность клея - 0,5-2 ч.
Адгезионная жизнеспособность - это время, в течение которого соединяемые поверхности склеиваются; определяется по потере прилипаемости к клею пальца руки. Рекомендуемая адгезионная жизнеспособность клея - 1-4 ч.
Когезионная жизнеспособность - это время, в течение которого клей набирает достаточную прочность (время полимеризации); определяется испытанием образцов. Рекомендуемая когезионная жизнеспособность клея - 6-24 ч.
Тиксотропную добавку (аэрозоль, аэросил, сажу, асбестовую крошку) вводят в состав клея для повышения его вязкости с целью предотвратить вытекание клея из отверстий и отекание с вертикальных поверхностей.
Предварительно (до начала выполнения работ) в лаборатории исходя из наличия материалов необходимо подобрать состав клея и количество компонентов в пределах рекомендуемых в табл. 4, применительно к конкретным условиям производства работ.
3. Для грунтования бетонных поверхностей перед склеиванием используют клей такого же состава, как и для склеивания, но без наполнителя и тиксотропной добавки. Взамен пластификатора или в дополнение к нему в состав грунтовки вводят растворитель (ацетон или толуол) в количестве, равном количеству (по массе) эпоксидной смолы.
4. В качестве канало образователей для формирования в свежеуложенном бетоне отверстий для анкерных стержней рекомендуется применять резинотканевые рукава или полиэтиленовые трубки.
5. Для сверления в затвердевшем бетоне отверстий для анкерных стержней рекомендуется, использовать станок передвижной марки ИЭ-1801, укомплектованный кольцевыми алмазными сверлами.
Допускается сверлить отверстия перфораторами электрическими (например, марки ИЭ-4707), электромагнитными (ИЭ-4709) или пневматическими (П-47).
6. Приготавливать клей рекомендуется в клеемешалке (рис. 6), предназначенной для получения клея в небольших объемах.
7. Для заполнения клеем горизонтальных, наклоненных кверху и идущих снизу вверх отверстий, рекомендуется изготовить приспособление в виде шприца.
8. Для заполнения зазора между бетонным элементом и стальной пластиной закладной детали, к которой непосредственно приваривают элементы конструкций, рекомендуется применять цемент песчаный раствор подвижностью 2-3 см и с водоцементным отношением не более 0,45, приготовленный на цементе марки не ниже 400.

Рис. 6. Установка для приготовления клея:
1 - подставка; 2 - направляющие стойки; 3 - крюк, фиксирующий положение мешалки в нерабочем положении; 4 - рычаг; 5 - электродвигатель; 6 - направляющая обойма; 7 - мешалка; 8 - емкость с клеем; 9 - хомут; 10 станина
При вертикальном положении стальной пластины допускается применять более подвижный раствор при условии обеспечения требуемой морозостойкости раствора.
2.4. Подготовка и приклеивание закладных деталей.
1. Качество приклеивания закладных деталей обеспечивается правильным подбором, состава клея, хорошей подготовкой бетонных и стальных поверхностей к склеиванию и соблюдением технологии работ.
2. Стальные пластины перед приклеиванием очищают от ржавчины и окалины с помощью наждака или пескоструйным аппаратом. Не разрешается хранить очищенные пластины более 8 ч до приклеивания.
Анкерные стержни и болты должны быть очищены от ржавчины с помощью стальной щетки или другими способами.
3. Бетонные поверхности перед склеиванием очищают от грязи и пыли металлическими щетками и продувают сжатым воздухом.
Поверхности, загрязненные маслами (например, при применении жирных смазок для обработки щитов опалубки), необходимо обработать 10%-ным раствором каустической соды, промыть сильной струей воды, просушить и очистить металлическими щетками либо двукратно промыть 5%-ным раствором соляной кислоты (при расходе 150 г раствора на 1 м2), просушить и очистить щетками.
4. Отверстия для вклеивания анкерных стержней и болтов продувают сжатым воздухом.
5. Компоненты клея тщательно перемешивают (химикаты должны быть перед дозированием перемешаны, а наполнитель и тиксотропная добавка просушены и просеяны).
Рекомендуется следующая технология получения клея:
в строительной лаборатории приготавливают компаунд, состоящий из эпоксидной смолы, пластификатора и наполнителя, причем сначала перемешивают смолу с пластификатором, а затем с наполнителем. Компаунд развешивают в небольшие емкости, вместимость которых рассчитана для разового использования. Дозируют в количестве, соответствующем емкости с компаундом, отвердитель и тиксотропную добавку, вводимую в количестве, необходимом для обеспечения требуемой вязкости клея (добиваясь, чтобы он не вытекал из отверстий, зазоров между бетоном и пластиной); на строительной площадке компаунд тщательно перемешивают сначала с отвердителем, а затем с тиксотропной добавкой до получения однородной массы.
6. Рекомендуется следующая технология установки закладных деталей с анкерными стержнями (см. рис. 3, а): очищают поверхность бетона, отверстия и стальную пластину;
грунтуют поверхность бетона и отверстия, просушивают грунтовку в течение 2-4 ч;
устанавливают закладную деталь насухо и определяют необходимую толщину слоя клея;
заполняют клеем отверстия;
наносят клей на поверхность бетона слоем 2-3 мм и на пластину слоем необходимой толщины;
устанавливают пластину в проектное положение, добиваясь выдавливания клея из отверстий и по всему периметру пластины;
фиксируют закладную деталь в проектном положении в течение когезионной жизнеспособности клея.
7. Рекомендуется следующая технология установки закладных деталей с анкерными болтами и одиночных анкерных стержней (см. рис. 2, б, в):
очищают отверстия для анкеров;
грунтуют отверстия и просушивают в течение 2-4 ч;
заполняют отверстия клеем;
устанавливают анкерные болты или стержни, добиваясь выдавливания клея из отверстий;
фиксируют анкерные болты (например, расклиниванием их в отверстиях) в проектном положении в течение когезионной жизнеспособности клея;
очищают поверхность бетона (в том числе от подтеков клея) и стальную пластину;
устанавливают закладную деталь насухо и определяют необходимую толщину слоя клея;
наносят клей на поверхность бетона слоем 2-3 мм и на пластину слоем необходимой толщины;
устанавливают пластину в проектное положение, добиваясь выдавливания клея по всему ее периметру;
фиксируют пластину в проектном положении с помощью гаек в течение когезионной жизнеспособности клея;
подтягивают гайки.
8. Если отверстия не были предусмотрены при изготовлении элементов, то их высверливают специальным инструментом.
9. Рекомендуется следующая технология установки закладных деталей с анкерными стержнями или болтами при горизонтальном положении стальных пластин, к которым непосредственно приваривают элементы конструкций:
очищают отверстия для анкеров;
грунтуют отверстия и просушивают в течение 2-4 ч;
заполняют отверстия клеем;
смачивают поверхность бетона водой;
приготавливают цементный раствор и разравнивают его на поверхности бетона;
устанавливают закладную деталь в проектное положение;
фиксируют закладную деталь в проектном положении в течение когезионной жизнеспособности клея.
10. Рекомендуется следующая технология установки закладных деталей с анкерными стержнями или болтами при вертикальном положении стальных пластин, к которым непосредственно приваривают элементы конструкций:
очищают отверстия для анкеров;
грунтуют отверстия и просушивают в течение 2-4 ч;
заполняют отверстия клеем;
устанавливают закладные детали в проектное положение с зазором относительно бетонной поверхности, добиваясь выдавливания клея из отверстий;
фиксируют закладную деталь в проектном положении в течение когезионной жизнеспособности клея;
промывают зазор водой;
законопачивают зазор по нижней и боковым кромкам стальной пластины;
приготавливают текучий цементный раствор и заполняют им зазор, заливая раствор сверху через воронку или закачивая снизу насосом.
11. Рекомендуется следующая технология установки закладных деталей со сквозными анкерными болтами (см. рис. 2, г):
очищают поверхность бетона, отверстия и стальные накладки и пластины;
грунтуют поверхность бетона и отверстия и просушивают в течение 2-4 ч;
устанавливают закладную деталь насухо и определяют необходимую толщину слоя клея;
наносят клей на поверхность бетона слоем 2-3 мм и на накладку слоем необходимой толщины;
устанавливают накладку в проектное положение, добиваясь выдавливания клея по всему периметру накладки;
фиксируют накладку с анкерными болтами;
заполняют клеем отверстия;
наносят клей на поверхность бетона слоем 2-3 мм и на пластину слоем необходимой толщины;
устанавливают пластину в проектное положение, добиваясь выдавливания клея по всему периметру пластины, подтягивая гайки;
выдерживают в течение когезионной жизнеспособности клея;
подтягивают гайки на анкерных болтах.
В случаях необходимости приварить непосредственно к пластинам закладные детали элементов конструкций после приклеивания пластин вместо клея под пластиной предусматривают использование текучего цементного раствора (работы выполняются в соответствии с п./п. 4.9 и 4.10).
2.5. Контроль качества приклеивания закладных деталей.
1. Испытания образцов с целью проверить качество приклеивания закладных деталей проводят после установления наличия валика клея по всему периметру закладной детали.
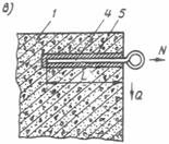
2. Образцы изготавливают, склеивая бетонные кубики и стальные пластины (рис. 4) по той же технологии и тем же составом клея, что и при приклеивании закладных деталей. Образцы испытывают на сдвиг по плоскости склеивания. Разрушающее скалывающее напряжение должно быть не менее 2,5 МПа.

Рис. 7. Схема образца и испытания соединения “бетон - клей - сталь" на сдвиг:
1 - бетонный кубик размером 101010 см; 2 - стальная пластина размером 21012 см; 3 - клеевой шов; 4 - прокладка шириной 2 см,
2.6. Защита закладных деталей от коррозии.
1. Способ антикоррозионной защиты закладных деталей и материалы назначают, руководствуясь соответствующими нормативными документами, учитывая при этом назначение закладной детали, условия ее эксплуатации, конструкцию узла с закладными деталями.
2. В технологический процесс антикоррозионной защиты входят следующие основные операции:
обезжиривание поверхностей закладной детали;
удаление сварочных брызг, заусенцев, обработка кромок;
очистка поверхности от окалины струйно-абразивным методом либо с помощью шлифовальных механизмов;
очистка поверхности от ржавчины струйно-абразивным методом либо преобразователями коррозии;
нанесение материала, обеспечивающего защиту от коррозии в соответствии с выбранной системой защиты;
сушка защитного материала после нанесения каждого слоя.
3. Закладные детали, устанавливаемые в бетонную конструкцию, могут иметь защитное покрытие межоперационного либо эксплуатационного назначения, что определяется дальнейшими операциями, которым впоследствии подвергается закладная деталь (приварка, бетонирование и т.д.).
4. Для обезжиривания поверхностей закладных деталей их промывают специально приготовленными в горячей воде щелочными растворами (70-75°С). Состав раствора (в расчете на 1 л): сода кальцинированная (ГОСТ 5100-85Е) - 10-12 г; тринатрийфосфат - 5-3 г.
Промывают очищаемую поверхность, погружая детали в раствор; при сильном загрязнении их протирают волосяными щетками, а затем промывают водой.
Качество очистки должно соответствовать первой степени обезжиривания поверхностей по ГОСТ 9.402-80.
Очищенная от жировых загрязнений поверхность должна быть гидрофильной.
При протирке очищенной поверхности чистой сухой белой тряпкой на ней не должно оставаться следов грязи.
5. Поверхность пластин закладных деталей должна быть очищена от окалины и окислов. Класс чистоты поверхности - второй. При визуальном осмотра не должны обнаруживаться окалина, ржавчина и т.п.
6. Шероховатость поверхности, подготовленной под антикоррозионное покрытие, должна быть 40-60 мкм.
7. Очистку поверхности от окалины и окислов предпочтительно производить струйно-абразивным методом либо, при производстве работ на открытом воздухе, - пескоструйным.
8. Для струйно-абразивной очистки следует применять чугунную колотую дробь типа ДЧК № 0,8; 1,0; 1,4 по ГОСТ 11964-81Е либо кварцевый песок по ТУ ИЭС 54/14-89 с крупностью зерен 0,7-2,0 мм и влажностью не более 5 %.
9. При небольшом объеме работ для очистки пластин можно использовать пневматические щетки с реверсивной головкой УПРЩ-1, ручные стальные щетки по ТУ 1-4-23, ЩПС по ТУ 102.10.78, молоток и зубило. После обработки ручным или механизированным инструментом обрабатываемую поверхность необходимо обдуть воздухом.
10. Удалить ржавчину можно травлением металла травильными пастами либо преобразователями коррозии.
11. Травильную пасту наносят шпателем, штукатурной лопаткой и т.п. Поверхность металла выдерживают под травильной пастой в течение 1-6 ч, промывают водой и высушивают.
Рекомендуемые составы паст приведены в табл. 5. Расход травильной пасты на 1 м2 поверхности 2-3 кг, пассивирующей - 1,0-1,5 кг.
|
Состав (назначение) пасты |
Количество компонента, %массы |
Продолжительность выдерживания, ч |
Последующие операции |
|
Травильная (удаление ржавчины): |
|
1-6 |
Промывка, пассивация |
|
Ортофосфорная кислота |
2,4 |
|
|
|
Серная кислота |
7,7 |
|
|
|
Соляная кислота |
21,3 |
|
|
|
Ингибитор (ПБ-5, катапин и т.п.) |
0,5 |
|
|
|
Контакт Петрова |
0,5 |
|
|
|
Вода |
17,0 |
|
|
|
Сульфитцеллюлозный щелок |
14,6 |
|
|
|
Инфузорная земля (трепел) |
36,0 |
|
|
|
Пассивирующая (обработка после удаления ржавчины травильной пастой): Едкий натр |
0,9 |
0,5-1 |
Промывка, сушка |
|
Бихромат натрия (или калия) |
2,3 |
|
|
|
Сульфитцеллюлозный щелок |
9,6 |
|
|
|
Инфузорная земля (трепел) |
40,0 |
|
|
|
Вода |
47,2 |
12. Обработке преобразователями ржавчины подвергаются продукты коррозии, плотно сцепленные с поверхностью металла, слоем до 100 мкм.
В качестве грунтовок - преобразователей ржавчины применяют грунтовки: ЭВА-0112 (ТУ 6-10-1234-85), выпускаемую Загорским лакокрасочным заводом; ЭВА-01-ГИСИ (ТУ 81-05-121-78), выпускаемую заводом "Оргсинтез" и ПО "Белместбытхим"; МС-0152 (ТУ 6-10-100-86-77), выпускаемую Ленинградским НПО "Пигмент"; ЭП-0180 (ТУ 6-10-1658-82), выпускаемую предприятиями "Союз краски"; кислотный модификатор ржавчины № 3, выпускаемый объединениями Метбытхимпрома; ЭП-0199, выпускаемую Одесским лакокрасочным заводом.
Грунтовки - преобразователи ржавчины, представляющие собой многокомпонентные системы, - приготавливают непосредственно перед применением (пропорции указаны в табл. 6).
|
Компонент грунтовки |
Массовое соотношение компонентов грунтовки |
|||||
|
ЭВА-0112 |
ЭВА-01-ГИСИ |
ЭП-0180 |
МС-0152 |
№ 3 |
ЭП-0199 |
|
|
Основа грунтовки |
100 |
100 |
100 |
100 |
- |
100 |
|
Ортофосфорная кислота 70 %-ная |
- |
5-7 |
- |
- |
- |
- |
|
85 %-ная |
3 |
- |
|
- |
- |
- |
|
40 %-ная |
- |
- |
- |
- |
90 |
- |
|
Отвердитель № 1 |
- |
- |
7,5 |
- |
- |
4,4 |
|
Цинк |
- |
- |
- |
- |
10 |
- |
Нанесение грунтовки осуществляют методом пневматического или безвоздушного распыления с помощью краскораспылителя, а также вручную (кистью, валиком) при температуре не ниже 5°С на поверхность металла, очищенную от рыхлой и пластовой ржавчины и предварительно смоченную водой. До рабочей вязкости грунтовку разводят обессоленной водой (конденсатом).
13. В целях межоперационной защиты пластины, на которые впоследствии наносят долговременное защитное покрытие, а также металлические поверхности, контактирующие с бетоном, покрывают грунтовками МС-067 (по ТУ 6-10-789-79); ЭФ-0121 (ТУ 6-10-1499-75); ВЛ-02 ВЛ-023 (ГОСТ 12707-77).
14. На закладные детали, находящиеся при эксплуатации на воздухе, наносят лакокрасочные материалы (табл. 7), металлизационные покрытия, а также покрытия на основе битумно-бутил каучуковых мастик, хлорсульфированного полиэтилена, полиуретановых красок и т.п.
|
Лакокрасочный материал |
Нормативный документ |
Условия применения |
|
Первая группа материалов |
||
|
Пенфталевые: Лаки ПФ-170 и |
ГОСТ 15907-70 |
Наносятся по грунтовкам ГФ-021, |
|
ПФ-171 |
ГОСТ 5494-71Е |
ГФ-0119, ГФ-0163, ПФ-020 |
|
Эмали ПФ-115 |
ГОСТ 6465-76 |
Наносятся по грунтовкам первой |
|
Эмаль ПФ-133 |
ГОСТ 926-82 |
группы |
|
Эмаль ПФ-1126 (быстросохнущая) |
ТУ 6-10-1540-78 |
|
|
Эмали ПФ-1189 |
ТУ 6-10-1710-79 |
Наносятся без грунтовки |
|
Грунтовка ПФ-020 |
ГОСТ 18186-79 |
|
|
Грунтовка ПФ-0142 |
ТУ 6-10-1689-78 |
|
|
Глифталевые: Грунтовка ГФ-021 |
ГОСТ 25129-82 |
Под эмали первой группы |
|
Грунтовка ГФ-0119 |
ГОСТ 23343-78 |
Допускаются под эмали перхлорви- |
|
Грунтовка ГФ-0163 |
ОСТ 6-10-409-77 |
ниловые и на сополимерах винилхлорида второй, третьей групп по СНиП 2.03.11-85 |
|
Алкидно-уретановые: Эмаль УРФ-1128 (быстросохнущая) |
ТУ 6-10-1421-76 |
Наносится по грунтовкам первой группы по СНиП 2.03.11-85 |
|
Алкидно-стирольные: Грунтовка МС-0141 (быстросохнущая) |
ТУ 6-10-1568-76 |
Под эмали первой и второй групп по СНиП 2.03.11-85 |
|
Масляные: Краски масляные густотертые для наружных работ |
ГОСТ 8292-85 |
Наносятся по железному сурику на олифе оксоль, по грунтовкам ГФ-021, ПФ-020, ГФ-0119 |
|
Железный сурик густотертый на олифе оксоль |
ГОСТ 8868-76 |
Под масляные краски |
|
Маслянобитумные: Краска БТ-177 |
ОСТ 6-10-426-79 |
Наносится по грунтовкам ГФ-021, ПФ-020 |
|
Нитроцеллюлозные: Эмаль НЦ-132 |
ГОСТ 6631-74 |
Наносится по грунтовкам ГФ-021, ГФ-0163, ПФ-020, ФЛ-03К |
|
Вторая группа материалов |
||
|
Фенолоформальдегидные: Грунтовка ФЛ-03К |
ГОСТ 9109-81 |
Под эмали второй, третьей групп перхлорвиниловые, на сополимерах винилхлорида, хлоркаучуковые |
|
Полиакриловые и акрилсиликоновые: Эмали АС-182 |
ГОСТ 19024-79 |
Наносятся по грунтовкам ГФ-021, ГФ-0163, ПФ-020, ФЛ-03К |
|
Перхлорвиниловые и на сополимерах винилхлорида: Эмали ХВ-16 |
ТУ 6-10-1301-78 |
Наносятся по грунтовкам ГФ-021, |
|
Эмали ХВ-113 и ХВ-110 |
ГОСТ 18374-79 |
ГФ-0163, ГФ-0119, ФЛ-03К, ПФ-020 |
|
Эмали ХС-119 |
ГОСТ 21824-76 |
Наносятся по грунтовкам ГФ-021, |
|
Эмали ХВ-124 и ХВ-125 |
ГОСТ 10144-74 |
ГФ-0119, ФЛ-03К, ПФ-020 |
|
Третья группа материалов |
||
|
Фенолоформальдегидные: Грунтовка ФЛ-03К |
ГОСТ 9109-81 |
Под краски второй группы |
|
Полиуретановые: Эмали УР-175 |
ТУ 6-10-682-76 |
Наносятся по грунтовкам третьей группы |
|
Эпоксидные: Эмаль ЭП-1155 (толстослойная) |
ТУ 6-10-1504-75 |
Наносится по грунтовке ЭП-057, шпатлевке ЭП-0010 |
|
Шпатлевка ЭП-0010 |
ГОСТ 10277-76 |
Под эпоксидные .эмали |
|
Грунтовка ЭП-057 |
ТУ 6-10-1117-75 |
Под эмали эпоксидные, перхлорвиниловые и на сополимерах винилхлорида |
|
Полистирольные: Эмали ПС-1184 и ПС-1186 |
ТУ 51-164-83 |
Наносятся по грунтовке ВЛ-02 |
|
Перхлорвиниловые и на сополимерах винилхлорида: Эмали ХВ-1100 |
ГОСТ 6993-79 |
Наносятся по грунтовкам ГФ-021, |
|
Эмали ХВ-124, ХВ-125 |
ГОСТ 10144-74 |
ГФ-0163, Гф-0119, ФЛ-03К, ПФ-020 |
|
Кремнийорганические: Эмаль КО-813 |
ГОСТ 11066-74 |
Наносится по грунтовкам ГФ-021, ФЛ-03К, ГФ-0163, ГФ-0119, ПФ-020 |
15. При защите металлических поверхностей с использованием материалов, приведенных в табл. 7, наносят 1-2 слоя грунтовки и 1-2 слоя основного лакокрасочного материала, так чтобы общая толщина защитного покрытия составила 100-200 мкм.
Ориентировочный срок службы лакокрасочного защитного покрытия - не менее 8 лет.
Требования к лакокрасочному покрытию
16. Лакокрасочные защитные покрытия необходимо наносить в такой технологической последовательности: наносят и сушат грунтовку, а затем наносят и сушат покровные слои.
17. Лакокрасочные материалы перед применением должны быть перемешаны и отфильтрованы. Вязкость их должна соответствовать способу нанесения. Ориентировочная вязкость по В3-4 при 18-22 °С - 14-22 с.
18. Целесообразно наносить лакокрасочные материалы воздушным или безвоздушным напылением. Допускается применение кистевого метода.
19. Лакокрасочные материалы необходимо наносить сплошным слоем постоянной толщины. Адгезия покрытия должна соответствовать 1-2 баллам по ГОСТ 15140-78.
Подтеки, пузыри, сморщивание, кратеры, не прокрашенные места не допускаются.
20. При работе с краскораспылителями необходимо:
сопло распылителя располагать перпендикулярно к окрашиваемой поверхности на постоянно одинаковом расстоянии от нее;
передвигать распылитель с постоянной скоростью;
наносить лакокрасочный материал, последовательным наложением полос, не проходя дважды по одному месту;
следить за правильным соотношением подаваемых в распылитель воздуха и краски: при недостатке воздуха краска из краскораспылителя поступает неравномерно крупными брызгами, а при избытке - резкими толчками и пульсирующей струей.
21. Расстояние от краскораспылителя до окрашиваемой поверхности должно быть 300-400 мм, ширина отпечатка плоского факела 300-500 мм, круглого 100 мм. Работы предпочтительно производить плоским факелом.
22. Металлизационные покрытия наносят непосредственно на поверхность металла. Толщина покрытия при горячем цинковании 60-100 мкм, при горячем алюминировании - не менее 50 мкм; при газо-термическом напылении цинка - 120-180 мкм, алюминия - 200-250 мкм. Срок службы металлизационных покрытий в зависимости от металла, примененного для защиты, и толщины слоя - от 10 до 50 лет.
Требования к металлизационным покрытиям.
23. Металлизационные покрытия наносят вручную газопламенным или электродуговым способом.
Проволока, используемая для создания металлизационного покрытия, должна быть гладкой, чистой, без перегибов и не иметь вспученных оксидов. При необходимости проволоку очищают от консервационной смазки растворителями, от загрязнений - наждачной бумагой № 0.
24. Металлизация вручную должна осуществляться последовательным нанесением взаимно перекрываемых полос. Покрытия наносят в несколько слоев, при этом каждый последующий необходимо наносить перпендикулярно предыдущему.
25. Для обеспечения высокого качества защитного покрытия, устраиваемого электродуговым способом, необходимо соблюдать следующие условия: расстояние от точки плавления проволоки до защищаемой поверхности - 80-150 мм;
оптимальный угол нанесения металла-воздушной струи - 65-80°;
оптимальная толщина одного слоя - 50-60 мкм;
температура защищаемой поверхности при нагреве - не более 150°С.
26. Для устройства покрытия методом газо-термического напыления, следует применять установки газопламенного напыления типа Л-5405А, УН-121, УГПН Института электросварки им. О.Е. Патона.
27. Металлизационное покрытие должно быть сплошным, однородного цвета, без частиц нерасплавленного металла, без трещин, отслоений (вздутий), следов местной коррозии.
28. Способом металлизации целесообразно защищать открытую поверхность закладных деталей, эксплуатируемых в условиях сильно агрессивной среды.
29. Защита стальных армирующих пластин может быть выполнена герметизирующими резинобитумными мастичными материалами "Вента" (ТУ 21-27-39-77), “Вента У" (ТУ 21-27-101-83), "БЛЭМ-20", "Гермабутил" (РСТ УССР 5018-86), которые наносят на загрунтованную в один слой грунтовкой поверхность (толщина 30-40 мкм) слоем 1,5-2 мм.
Ориентировочный срок службы покрытия 20 лет.
30. Производственный контроль качества работ должен осуществляться на всех этапах подготовки и выполнения антикоррозионных работ.
31. При входном контроле проверяют соответствие материалов требованиям технических условий.
32. При операционном контроле проверяют подготовку поверхности, соблюдение условий производства антикоррозионных работ (температуру и влажность окружающего воздуха и защищаемых поверхностей, чистоту сжатого воздуха), толщину отдельных слоев и общую толщину законченного защитного покрытия.
33. При приемочном контроле выполненных защитных покрытий проверяют их сплошность, сцепление с защищаемой поверхностью и толщину.
Техника безопасности при выполнении антикоррозионных работ
34. При выполнении антикоррозионных работ следует соблюдать требования главы СНиП III-4-80.
35. При подготовке поверхности к окрашиванию необходимо соблюдать требования безопасности по ГОСТ 9.402-80
36. Все окрасочные работы должны проводиться в соответствии с требованиями "Санитарных правил при окрасочных работах с применением ручных распылителей" № 991-72, утвержденных Министерством здравоохранения СССР.
2.7. Выписка из указаний по технике безопасности при работе с эпоксидным клеем.
1. При выполнении работ, связанных с приготовлением клея, приклеиванием закладных деталей, вклеиванием анкерных стержней, следует соблюдать общие правила техники безопасности и изложенные ниже.
2. Работа с клеем на основе эпоксидных смол и их составляющих (отвердителя, пластификатора, растворителя) требует осторожности и аккуратности, так как он токсичен, оказывает на организм человека вредное воздействие. Наиболее токсичный компонент клея - гексаметил - диамин. Поэтому, рекомендуется во всех возможных случаях заменять его менее токсичным отвердителем, например полиэтиленполиамином, диэтилентриамином, УП-0633М.
3. Перед зачислением на работу рабочие должны пройти специальное обучение и инструктаж, а также медицинский осмотр.
В состав медицинской комиссии при проведении регулярных осмотров должны входить отоларинголог и дерматолог.
В процессе работ должен проводиться специальный медицинский надзор.
4. Не допускаются к работе лица, с повышенной чувствительностью к веществам с сенсибилизирующими свойствами (эпоксидные смолы).
5. При попадании эпоксидных смол на кожу или в глаза необходимо промыть кожу водой с мылом, а глаза - водой с физиологическим раствором, после чего обратиться к врачу.
В случае плохого самочувствия во время работы или после нее, а также при появлении отечности вокруг глаз надо немедленно обратиться к врачу.
6. Для лиц, работающих ежедневно с полимерными материалами, устанавливается 7-часовой рабочий день, предоставляются дополнительный отпуск и молоко в количестве 0,5 л в день.
7. Вспомогательные и бытовые помещения должны соответствовать требованием пожарной безопасности в соответствии с ГОСТ 12.1.004-85 и оснащаться пожарной техникой по ГОСТ 12.4.003-75.
8. Если пролито даже небольшое количество отвердителя, необходимо немедленно засыпать это место опилками, смоченными керосином, затем обработать 10%-ной серной кислотой, и обязательно промыть водой. Загрязненные ветошь и мусор надлежит собирать в специальное ведро и выносить в железный ящик вне помещения или закапывать в отведенном месте.
9. При выполнении работ, связанных с применением эпоксидных составов, необходимо соблюдать меры по сохранению чистоты окружающей среды.
10. Ответственность за соблюдение правил техники безопасности при работе с полимерными материалами и противопожарных мер несут непосредственный исполнитель, руководитель производства и инженер по технике безопасности.
Предисловие.
ПРЕДСТАВЛЕН НА УТВЕРЖДЕНИЕ
Комитетом по системам инженерно- технического обеспечения зданий и сооружений Национального объединения строителей, протокол от 16 мая 2012 г. № 13
УТВЕРЖДЕН И ВВЕДЕН В ДЕЙСТВИЕ
Решением Совета Национального объединения строителей, протокол от 22 июня 2012 г. № 30
ВВЕДЕН ВПЕРВЫЕ
© Национальное объединение строителей, 2012 Распространение настоящего стандарта осуществляется в соответствии с действующим законодательством и с соблюдением правил, установленных Национальным объединением строителей.
Глава 3.СИСТЕМЫ ОБЕСПЕЧЕНИЯ КОМПЛЕКСНОЙ
БЕЗОПАСНОСТИ ВЫСОТНЫХ ЗДАНИЙ И СООРУЖЕНИЙ.
СТАНДАРТ НАЦИОНАЛЬНОГО ОБЪЕДИНЕНИЯ СТРОИТЕЛЕЙ
Инженерные сети высотных зданий
3.1 Область применения
1. Стандарт распространяется на связанные с безопасностью высотных зданий (сооружений) системы (далее СБЗС системы) и устанавливает требования:
- к мерам, мероприятиям, техническим средствам и системам обеспечения безопасности и антитеррористической защищенности высотных зданий (сооружений);
- к СБЗС системам, включая комплексные системы безопасности (далее
КСБ), на стадиях их жизненных циклов;
- к внутренним автоматизированным системам обеспечения безопасности
инженерных систем жизнеобеспечения и реализации процессов высотных зданий (сооружений) (далее СБИС системам).
2 Настоящий стандарт не устанавливает архитектурно-строительные требования, относящиеся к прочности строительных конструкций, их устойчивости к нагрузкам и воздействиям, долговечности и другим характеристикам, которые устанавливаются отдельными стандартами и сводами правил.
3. Настоящий стандарт не распространяется на оперативно развертываемые или временно устанавливаемые сооружения, которые или высотная часть которых подлежит удалению или разборке.
4. Настоящий стандарт применяется совместно с ГОСТ Р 53195.1,
ГОСТ Р 53195.2, ГОСТ Р 53195.3, ГОСТ Р 53195.4, ГОСТ Р 53195.5,
ГОСТ Р МЭК 61511-1, ГОСТ Р 61511-2, ГОСТ Р 61511-3.
3.2 Нормативные ссылки
В настоящем стандарте использованы ссылки на следующие стандарты и своды правил:
ГОСТ 2.6102006 Единая система конструкторской документации. Правила выполнения эксплуатационных документов
ГОСТ 12.1.00491 Система стандартов безопасности труда. Пожарная безопасность. Общие требования
ГОСТ 1515069 Машины, приборы и другие технические изделия. Исполнения для различных климатических районов. Категории, условия эксплуатации, хранения, транспортирования в части воздействия климатических факторов внешней среды
ГОСТ 307092002 Техническая совместимость. Термины и определения
ГОСТ Р 22.0.0294 Безопасность в чрезвычайных ситуациях. Термины и определения основных понятий
ГОСТ Р 500092000 Совместимость технических средств электромагнитная.
Технические средства охранной сигнализации. Требования и методы испытаний
ГОСТ Р 50571.32009 Низковольтные установки. Часть 4-41 Защита для обеспечения безопасности. Защита от поражения электрическим током.
ГОСТ Р 50571.172000 Электроустановки зданий. Часть 4. Требования по обеспечению безопасности. Глава 48. Выбор защиты в зависимости от внешних условий. Раздел 482. Защита от пожара
ГОСТ Р 50571.202000 Электроустановки зданий. Часть 4. Требования по обеспечению безопасности. Глава 44. Защита от перенапряжений. Раздел 444. Защита электроустановок от перенапряжений, вызванных электромагнитными воздействиями
ГОСТ Р 50571.212000 Электроустановки зданий. Часть 5. Выбор и монтаж оборудования. Раздел 548. Заземляющие устройства и системы уравнивания электрических потенциалов в электроустановках, содержащих оборудование обработки информации
ГОСТ Р 50571.222000 Электроустановки зданий. Часть 7. Требования к специальным электроустановкам. Раздел 707. Заземление оборудования обработки информации
ГОСТ Р 508392000 Совместимость технических средств электромагнитная.
Устойчивость средств вычислительной техники и информатики к электромагнитным помехам. Требования и методы испытаний
ГОСТ Р 509222006 Защита информации. Основные термины и определения
ГОСТ Р 51318.2499 Совместимость технических средств электромагнитная.
Устойчивость оборудования информационных технологий к электромагнитным помехам. Требования и методы испытаний
ГОСТ Р 521082003 Ресурсосбережение. Обращение с отходами. Общие положения
ГОСТ Р 528752007 Указатели тактильные наземные для инвалидов по зрению. Технические требования
ГОСТ Р 53195.12008 Безопасность функциональная связанных с безопасностью зданий и сооружений систем. Часть 1. Основные положения
ГОСТ Р 53195.22008 Безопасность функциональная связанных с безопасностью зданий и сооружений систем. Часть 2. Общие требования
ГОСТ Р 53195.32009 Безопасность функциональная связанных с безопасностью зданий и сооружений систем. Часть 3. Требования к системам
ГОСТ Р 53195.42010 Безопасность функциональная связанных с безопасностью зданий и сооружений систем. Требования к программному обеспечению.
ГОСТ Р 53195.52010 Безопасность функциональная связанных с безопасностью зданий и сооружений систем. Часть 5. Меры по снижению риска, методы оценки
ГОСТ Р 532612009 Техника пожарная. Само спасатели фильтрующие для защиты людей от токсичных продуктов горения при эвакуации из задымленных помещений во время пожара. Общие технические требования. Методы испытаний
ГОСТ Р 532962009 Установка лифтов для пожарных в зданиях и сооружениях. Требования пожарной безопасности
ГОСТ Р 533252009 Техника пожарная. Технические средства пожарной автоматики. Общие технические требования. Методы испытаний
ГОСТ Р 541012010 Средства автоматизации и системы управления. Средства и системы обеспечения безопасности. Техническое обслуживание и текущий ремонт
ГОСТ Р ИСО 63852007 Эргономика. Применение эргономических принципов при проектировании производственных систем
ГОСТ Р ИСО 90002008 Системы менеджмента качества. Основные положения и словарь
ГОСТ Р ИСО 90012008 Системы менеджмента качества. Требования
ГОСТ Р ИСО 90042010 Менеджмент для достижения устойчивого успеха организации. Подход на основе менеджмента качества
ГОСТ Р ИСО/МЭК 13335-12006 Информационная технология. Методы и средства обеспечения безопасности. Часть 1. Концепция и модели менеджмента безопасности информационных и телекоммуникационных технологий
ГОСТ Р ИСО/МЭК 177992005 Информационная технология. Практические правила управления информационной безопасностью
ГОСТ Р МЭК 600652009 Аудио-, видео- и аналогичная электронная аппаратура. Требования безопасности
ГОСТ Р МЭК 61508-42007 Функциональная безопасность систем электрических, электронных, программируемых электронных, связанных с безопасностью.
ГОСТ Р МЭК 61511-12011 Безопасность функциональная. Системы безопасности приборные для промышленных процессов. Часть 1. Термины, определения и технические требования
ГОСТ Р МЭК 61511-22011 Безопасность функциональная. Системы безопасности приборные для промышленных процессов. Часть 2. Руководство по применению МЭК 61511
ГОСТ Р МЭК 61511-32011 Безопасность функциональная. Системы безопасности приборные для промышленных процессов. Часть 3. Руководство по определению требуемых уровней полноты безопасности
СП 1.13130.2009 Системы противопожарной защиты. Эвакуационные пути и выходы
СП 3.13130.2009 Системы противопожарной защиты. Система оповещения и управления эвакуацией людей при пожаре. Требования пожарной безопасности
СП 6.13130.2009 Системы противопожарной защиты. Электрооборудование.
Требования пожарной безопасности
СП 59.13330.2012 «СНиП 35-01-2001. Доступность зданий и сооружений для маломобильных групп населения»
СП 60.13330.2010 «СНиП 41-01-2003. Отопление, вентиляция и кондиционирование»
Конструкции монолитные бетонные и железобетонные. Технические требования к производству работ, правила и методы контроля Примечание При пользовании настоящим стандартом следует проверить действие ссылочных нормативных документов в информационной системе общего пользования на официальных сайтах национального органа Российской Федерации по стандартизации и НОСТРОЙ в сети Интернет или по ежегодно издаваемым информационным указателям, опубликованным по состоянию на 1 января текущего года. Если ссылочный нормативный документ заменен (изменен, актуализирован), то при пользовании настоящим стандартом следует руководствоваться заменяющим (измененным, актуализированным) нормативным документом. Если ссылочный нормативный документ отменен без замены, то положение, в котором дана ссылка на него, применяется в части, не затрагивающей эту ссылку.
Глава 4. Основные положения объекта защиты.
1. Высотное здание (сооружение) как объект защиты в рамках настоящего стандарта следует рассматривать как сложную техническую систему, включающую в себя: систему строительных конструкций и ряд систем инженерно-технического обеспечения, в том числе жизнеобеспечения, реализации процессов, поддержания комфорта, энерго- и ресурсосбережения, обеспечения безопасности, которые взаимодействуют между собой и средой. Само здание (сооружение) взаимодействует с внешним окружением на градостроительном, ресурсном, структурном, функциональном, информационном уровнях в заданных географических, геологических, климатических и иных местных условиях.
2. Высотное здание (сооружение) должно быть защищено от внешних и внутренних опасностей и угроз природного, техногенного и антропогенного характера.
В качестве технических средств по обеспечению безопасности высотных зданий (сооружений) и снижению риска причинения вреда людям, имуществу, окружающей среде из-за внешних и внутренних опасностей и угроз должны быть применены электрические, электронные, программируемые электронные (далее Э/Э/ПЭ) СБЗС системы, и могут быть применены средства уменьшения риска на основе неэлектрических технологий, а также внешние средства уменьшения риска.
Примечания:
1 Упрощенная базовая модель высотного здания (сооружения) как сложной технической системы.
2 Неполный перечень строительных конструкций высотного здания (сооружения), влияющих на безопасность, приведен в Б.1 приложения
Неполный перечень СБЗС систем приведен в Б.3. приложения Б.
4.1 Особенности высотного здания (сооружения) как объекта защиты.
Особенностями и факторами, влияющими на комплексное обеспечение
безопасности и антитеррористической защищенности высотного здания (сооружения), являются:
- высотные здания (сооружения) относятся к строительным объектам повышенного уровня ответственности;
- вертикальная планировка объекта и естественная тяга воздушных потоков вверх; Примечание Вертикальная планировка объекта и естественная тяга воздушных потоков способствуют быстрому развитию пожара с преимущественным распространением его я вверх; быстрому возрастанию температуры, способной привести к потере прочности и устойчивости несущих конструкций.
- сложная инфраструктура здания (сооружения) и высокая насыщенность системами инженерно-технического обеспечения;
- большое число вертикально и горизонтально направленных каналов для коммуникаций, которые могут служить путями распространения пожара;
- большое число людей, которые одновременно могут находиться в высотном здании;
- ограниченная возможность устройства в здании необходимого числа путей безопасной эвакуации людей из здания при кризисных или чрезвычайных ситуациях, в том числе при пожаре;
- отсутствие эффективных технических средств, позволяющих организовать спасение (само спасение) людей с большой высоты;
- отсутствие необходимых мобильных пожарных машин и механизмов, позволяющих поднимать пожарные расчеты и огнетушащие вещества на большую высоту для подавления огня и (или) спасения людей;
- привлекательность для осуществления террористических актов и иных злонамеренных противоправных действий криминального характера;
- возможная значительная тяжесть последствий при реализации причиняющих вред событий;
- необходимость немедленного реагирования на опасные, причиняющие вред события для снижения риска причинения вреда и тяжести последствий;
- необходимость организации в высотном здании (сооружении) внутренней системы комплексного обеспечения безопасности с возможностью централизованного управления, в том числе в критических и кризисных ситуациях с участием персонала службы безопасности и технического персонала.
Комплексное обеспечение безопасности и антитеррористической защищенности высотного здания (сооружения) достигается путем применения комплекса технических мер, использования технических средств и проведения организационных мероприятий, осуществляемых на всех стадиях жизненного цикла (далее ЖЦ) здания (сооружения).
4.2 Подходы к обеспечению безопасности.
Приемлемый риск, обусловленный свойствами высотного здания (сооружения) как сложной технической системы, должен достигаться с помощью итеративного процесса анализа опасностей и рисков, общей оценки риска и принятия мер по снижению риска в соответствии с концепцией безопасности. Итеративный процесс должен осуществляться на разных стадиях ЖЦ объекта и его систем и продолжаться до тех пор, пока риск не будет снижен до уровня приемлемого риска.
Для снижения риска до уровня приемлемого риска необходимо на стадии подготовки проектной документации осуществить следующую последовательность действий:
- определить возможные группы пользователей высотным зданием (сооружением): производственный персонал, включая рабочих и служащих для производственных зданий (сооружений); жильцов, посетителей, временно пребывающих лиц, в том числе людей, относящихся к маломобильным группам населения (далее МГН), пожилых людей и детей для жилых и общественных зданий;
- определить группы персонала, эксплуатирующего высотное здание (сооружение), персонала службы безопасности и лиц, осуществляющих техническое обслуживание (далее ТО) и текущий ремонт (далее ТР) здания (сооружения), его систем и составляющих;
- определить использование по назначению и выявить возможное предсказуемое неправильное использование здания (сооружения) и входящих в него систем, в том числе СБЗС систем;
- определить возможность реализации проектных опасностей с учетом моделей опасностей, моделей угроз и моделей нарушителей;
- провести анализ развития опасных событий с учетом их возможной взаимосвязи и взаимовлияния;
- выявить каждую опасность, включающую любую опасную ситуацию и опасное событие, предусмотренные специальными техническими условиями (далее СТУ) и (или) заданием на проектирование, возникающие на всех стадиях полного ЖЦ здания (сооружения), систем инженерно-технического обеспечения, включая Э/Э/ПЭ СБЗС системы, средства снижения риска на основе неэлектрических технологий и внешние средства уменьшения риска;
- оценить риск для персонала и пользователей высотным зданием (сооружением), возникающий вследствие опасных событий;
- определить, является ли риск приемлемым;
Примечание Например, по сравнению:
- с рисками в случае использования таких же Э/Э/ПЭ СБСЗ систем и средств снижения риска на основе неэлектрических технологий, примененных в подобных объектах при схожих условиях применения;
- с расчетными или целевыми значениями рисков;
- с нормативно установленным предельным индивидуальным риском для конкретного вида опасности пожарной опасности.
- принять меры по снижению риска до уровня приемлемого риска, если риск приближается к уровню максимально допустимого риска;
- определить баланс между техническими мерами и организационными мероприятиями, в том числе с участием персонала, и предусмотреть возможность его уточнения на стадии эксплуатации.
При выборе мер по снижению риска на стадии подготовки проектной документации высотного здания (сооружения) (рисунок 3) следует руководствоваться следующими приоритетами:
- подготовка проектной документации с эффективными решениями по безопасности;
- применение СБЗС систем и средств снижения риска на основе не электрических технологий, а также внешних средств уменьшения риска (рисунок 4);
- предоставление информации по безопасности лицу, осуществляющему подготовку проектной документации (далее проектировщику) систем инженерно-технического обеспечения, в части их касающейся.
При проектировании Э/Э/ПЭ СБЗС систем, средств снижения риска на основе неэлектрических технологий и внешних средств уменьшения риска следует учитывать остаточный риск, оставшийся в результате предварительно принятых конструктивных и объемно-планировочных решений здания (сооружения), а также инженерных решений по отдельным системам инженерно-технического обеспечения. Для снижения риска при подготовке к вводу в эксплуатацию здания (сооружения), рекомендуется применение следующих мер:
- применение дополнительных Э/Э/ПЭ СБЗС систем, СБЗС систем на основе не электрических технологий и внешних средств снижения риска по результатам эксплуатации здания (сооружения) и его систем;
- обучение эксплуатирующего персонала, а также пользователей высотного здания (сооружения) правильному использованию СБЗС систем;
- применение индивидуальных средств защиты;
- организация безопасной эксплуатации высотного здания (сооружения) и безопасного его использовании. Примечание Приоритеты в принятии мер по снижению риска могут отличаться от указанных в настоящем пункте. Они зависят от организации подготовки к вводу в эксплуатацию и эксплуатации высотного здания (сооружения) со всеми входящими в него системами.
При подготовке проектной документации не допускается снижение требований к безопасности на основании возможного применения на последующих стадиях жизненного цикла здания (сооружения) дополнительных СБЗС систем, средств снижения риска на основе неэлектрических технологий, индивидуальных средств защиты и предоставления информации по безопасности пользователям и эксплуатирующему персоналу.
4.3 Комплексный подход
Комплексное обеспечение безопасности и антитеррористической защищенности высотного здания (сооружения) достигается путем:
- выполнения всеми лицами, действия которых на каждой стадии ЖЦ высотного здания (сооружения), его систем и подсистем влияют на безопасность объекта, требований федеральных законов, законодательных актов, национальных стандартов и сводов правил, технического задания (задания на проектирование), СТУ, проектной и рабочей документации (включая эксплуатационную документацию), утвержденных в установленном порядке, а также требований настоящего стандарта;
- применения технических мер и организационных мероприятий по обеспечению безопасности высотного здания (сооружения), его систем и подсистем в соответствии с Руководством ИСО/МЭК 51:1999 [1];
- осуществления регулярного анализа опасностей и рисков, анализа и общей оценки риска и проведения корректирующих действий по снижению риска на каждой стадии ЖЦ высотного здания (сооружения), его систем и подсистем;
- ведения технической документации на высотное здание (сооружение) и его составляющие, содержащей в хронологическом порядке все изменения, связанные с безопасностью, внесенные в установленном порядке, и сохранения этой документации вплоть до вывода из эксплуатации здания (сооружения) и его составляющих, а также их утилизации;
- предоставления сведений по безопасности высотного здания (сооружения), его систем и подсистем, полученных на предыдущей стадии их ЖЦ, лицам, несущим ответственность за выполнение последующей стадии ЖЦ, а также владельцу и (или) организации, в чьем хозяйственном ведении или оперативном управлении находится здание (сооружение), арендаторам и пользователям, в части их касающейся;
- выполнения всех работ, связанных с безопасностью здания (сооружения), его систем и подсистем, осуществляемых на стадиях ЖЦ высотного здания (сооружения), систем и подсистем в соответствии с системами менеджмента качества, действующими на предприятиях (организациях) исполнителях (соисполнителях, подрядных организациях), не противоречащих требованиям ГОСТ Р ИСО 9000, ГОСТ Р ИСО 9001 и ГОСТ Р ИСО 9004;
- привлечения к выполнению работ, влияющих на каждой стадии (этапе) ЖЦ на безопасность высотного здания (сооружения), его систем и подсистем, квалифицированного персонала, имеющего разрешение на проведение соответствующих работ, полученное в установленном порядке;
- своевременного осуществления всех регламентных работ по техническому обслуживанию (далее ТО) и текущему ремонту (далее ТР) Э/Э/ПЭ СБЗС систем и средств снижения риска на основе неэлектрических технологий квалифицированным персоналом;
- поддержания готовности персонала, эксплуатирующего СБЗС системы (СБИС системы), и иного персонала службы безопасности к выполнению требований по обеспечению безопасности высотного здания (сооружения) путем регулярного тренинга;
- принятия дополнительных компенсирующих мер по поддержанию необходимого уровня полноты безопасности в случае временной неработоспособности одной или нескольких СБЗС систем и средств снижения риска на основе неэлектрических технологий;
Примечание Временная неработоспособность может возникнуть из-за отказа Э/Э/ПЭ
СБСЗ систем и средств снижения риска на основе неэлектрических технологий, частичного либо полного их отключения при проведении ТО и ТР.
- выполнения установленных для высотного здания (сооружения) требований безопасности всеми лицами, постоянно или временно в (на) нем пребывающими.
4.4 Источники, виды и характер проектных опасностей и угроз
Для высотного здания (сооружения) на стадиях разработки задания на проектирование и (или) СТУ должны быть приняты во внимание положения
На стадии разработки СТУ для высотного здания (сооружения) должны быть установлены источники, виды и характер проектных опасностей, угроз и модели нарушителей.
Проектные опасности и угрозы для высотного здания (сооружения), предусмотренные техническим заданием и СТУ, должны быть детализированы с учетом всех местных условий, возможных опасных событий и тяжести их последствий.
При детализации проектных опасностей и угроз и выборе СБЗС систем для высотного здания (сооружения) должны быть учтены:
- функциональное назначение;
- конструкция;
- сложность;
- состав (см. приложение Б);
- расположение на местности;
- окружение, местные условия;
- виды и характер опасностей (приложение В);
- факторы риска (приложение Г);
- возможная тяжесть последствий при реализации причиняющих вред событий.
Для каждой проектной опасности (угрозы) на стадии подготовки проектной документации должен быть проведен анализ возможных вариантов развития опасных событий с учетом вида, характера каждой опасности или угрозы, взаимосвязи опасностей разных видов и их совокупного проявления в неблагоприятных сочетаниях, в том числе с учетом моделей нарушителей, подкрепленный расчетами и (или) моделированием.
Первоначальный анализ опасностей и риска должен предшествовать разработке технического задания на разработку СБЗС систем и средств снижения риска на основе неэлектрических технологий.
4.5 Риск
Риск, связанный с реализацией опасного события, должен определяться как функционал f, характеризующийся частотой или вероятностью реализации опасного события и последствиями этого события (тяжестью причиненного вреда) на основе выражения:
Ri = f (Fi
, Ci
), (1)
где Ri риск, возникающий в результате реализации i-го опасного события;
Fi частота или вероятность реализации i-го опасного события;
Ci тяжесть последствий тяжесть вреда, причиненного в результате реализа-
ции i-го опасного события;
f функционал.
Комплексное обеспечение безопасности здания (сооружения) при совокупности опасных событий должно достигаться за счет снижения риска до уровня приемлемого риска.
Значение максимально допустимого риска из-за опасности пожара (индивидуального пожарного риска) при эксплуатации или использовании высотного здания (сооружения) устанавливается «Техническим регламентом о требованиях пожарной безопасности» .
Примечание Значение максимально допустимого риска, связанного с другими опасностями и угрозами, может быть установлено заданием на проектирование высотного здания (сооружения) или СТУ.
5. Общие требования
5.1. Для высотного здания (сооружения) должно быть обеспечено следующее:
а) на этапе разработки СТУ:
1) проведение анализа опасностей природного, техногенного и антропогенного характера, возможных опасных ситуаций и их последствий с учетом особенностей высотного здания (сооружения), его составляющих, систем и подсистем в их взаимосвязи и всех местных условий;
2) уточнение и применение на всех последующих этапах и стадиях ЖЦ
здания (сооружения) его составляющих, систем и подсистем результатов анализа, полученных на предыдущих этапах и стадиях ЖЦ;
б) на этапе подготовки проектной документации:
1) подготовка проектной документации, удовлетворяющей всем требованиям безопасности зданий (сооружений), установленным «Техническим регламентом о безопасности зданий и сооружений» [3], «Техническим регламентом «О требованиях пожарной безопасности» [2], техническим заданием (заданием на проектирование), СТУ, а также настоящим стандартом;
2) выбор конструктивных и объемно-планировочных решений, обеспечивающих возможность безопасной эвакуации всех людей из высотного здания (сооружения) при чрезвычайных или кризисных ситуациях, в том числе при пожаре;
3) выбор несущих, ограждающих строительных конструкций, перекрытий и противопожарных преград, обеспечивающих огнестойкость, достаточную для обеспечения возможности эвакуации всех людей из здания (сооружения) при пожаре с учетом расчетного времени эвакуации;
4) выбор отдельных систем инженерно-технического обеспечения для жизнеобеспечения, поддержания комфорта и реализации процессов, преимущественно оснащенных собственными СБИС системами и содержащих компоненты и встроенные элементы, позволяющие осуществлять непрерывный дистанционный мониторинг их состояния;
5) установление времени живучести СБЗС систем и СБИС систем не меньше времени эвакуации людей из здания или сооружения при кризисных или чрезвычайных ситуациях, в том числе при пожаре;
6) применение оборудования, программного обеспечения (далее ПО), комплектующих изделий и материалов, влияющих на безопасность, сертифицированных в установленном порядке;
в) на этапе строительства (строительно-монтажных работ):
1) проведение строительных, монтажных, пусконаладочных работ в точном соответствии с проектной документацией, с учетом организационных мероприятий и обеспечением авторского надзора за ходом выполнения работ;
2) проведение мероприятий в ходе выполнения строительных, монтажных и пусконаладочных работ, препятствующих хищению, незаконной подмене изделий и материалов, закладке в основание, конструкции и системы объекта предметов, веществ и материалов, опасных для последующей эксплуатации здания (сооружения);
г) при эксплуатации:
1) осуществление эксплуатации высотного здания (сооружения) и его составляющих в точном соответствии с эксплуатационной и соответствующей технической документацией с выполнением организационных мероприятий, предусмотренных проектной документацией, а также дополнительных организационных мероприятий, установленных владельцем объекта, не противоречащих мероприятиям и требованиям, установленным в эксплуатационной документации;
2) привлечение к работам по эксплуатации систем инженерно-технического обеспечения (далее ИС) высотного здания (сооружения) квалифицированных лиц, имеющих полученное в установленном порядке разрешение на проведение соответствующих работ (в случаях, предусмотренных законодательством Российской Федерации);
3) осуществление ТО и ТР СБЗС систем и СБИС систем квалифицированными лицами, имеющими полученное в установленном порядке разрешение на проведение соответствующих работ (в случаях, предусмотренных законодательством Российской Федерации), в соответствии с требованиями эксплуатационной документации на системы, требованиями ГОСТ Р 54101 и требованиями настоящего стандарта;
4) проведение мероприятий по обучению эксплуатирующего персонала и персонала службы безопасности правильному применению и использованию ИС, в том числе Э/Э/ПЭ СБЗС систем и средств снижения риска на основе неэлектрических технологий, перед допуском персонала к выполнению работ в высотном здании (сооружении);
5) проведение регулярных мероприятий по поддержанию постоянной готовности эксплуатирующего персонала объекта и персонала службы безопасности путем обучения и тренинга.
5.1 Требования к документации.
В составе проектной документации должен быть подготовлен подраздел «Мероприятия по противодействию терроризму и комплексному обеспечению безопасности», который включают в подраздел «Технологические решения»
«Сведения об инженерном оборудовании, о сетях инженерно-технического обеспечения, перечень инженерно-технических мероприятий, содержание технологических решений»
«Мероприятия по обеспечению пожарной безопасности»
Мероприятия технологического характера включают в себя:
- определение критически важных точек и элементов объекта;
- определение возможных путей проникновения нарушителя;
- обоснование минимально необходимых степеней защиты критически важных точек (строительных узлов и помещений объекта);
- обоснование мероприятий по предотвращению несанкционированного доступа в здание (сооружение) и критически важные точки физических лиц, транспортных средств и грузов;
- обоснование мероприятий по оснащению входных и въездных контрольно-пропускных пунктов (далее КПП) техническими средствами обнаружения взрывных устройств, оружия, боеприпасов;
- обоснование перечня видов Э/Э/ПЭ СБЗС систем и средств снижения риска на основе неэлектрических технологий, которыми должно быть оснащено высотное здание (сооружение), а также внешних средств уменьшения риска;
- подготовку эксплуатационной документации, включая инструкции по эксплуатации систем, регламенты по ТО и ТР, описание процедур по организации работ по ТО и ТР;
- описание проектных решений и мероприятий по охране высотного здания (сооружения) в период строительства. Мероприятия организационного характера включают в себя:
- разработку комплекта организационно-распорядительных документов, регламентирующих порядок комплексного обеспечения безопасности и антитеррористической защищенности высотного здания (сооружения) с учетом особенностей его функционирования и местных условий;
- разработку структурно-штатного построения эксплуатирующей организации и службы обеспечения безопасности высотного здания (сооружения), определение прав и обязанностей структурных подразделений, профессионально-личностных требований к персоналу службы комплексного обеспечения безопасности здания (сооружения);
- определение порядка функционирования службы комплексного обеспечения безопасности и антитеррористической защищенности высотного здания (сооружения) и ее взаимодействия с внешними оперативными службами МЧС, МВД, ФСБ, администрации, экстренными медицинскими службами;
- разработку рекомендаций по подбору, обучению, повышению квалификации и тренингу персонала службы комплексного обеспечения безопасности и антитеррористической защищенности высотного здания (сооружения). К существенной информации относится информация:
- содержащая ключевые положения стратегии достижения и поддержания комплексного обеспечения безопасности и антитеррористической защищенности высотного здания (сооружения), описание мероприятий, обоснование проектных решений и описание применяемых технических средств;
- необходимая для выполнения всех стадий и этапов полного ЖЦ СБЗС систем, их аппаратных средств и ПО, средств снижения риска на основе неэлектрических технологий, в том числе информация, требуемая для осуществления управления функциональной безопасностью, верификации, действий по обеспечению функциональной безопасности и ее оценке, в том числе в период эксплуатации, а также действий по охране высотных зданий (сооружений) в период строительства, согласно постановлению [5];
- необходимая в качестве исходных данных для обоснования и принятия решений по комплексному обеспечению безопасности и антитеррористической защищенности высотного здания (сооружения), относящихся к различным разделам комплекта проектной и рабочей документации (в том числе разделам: 2 «Схема планировочной организации земельного участка», 3 «Архитектурные решения», 4 «Конструктивные и объемно-планировочные решения», 9 «Мероприятия по обеспечению пожарной безопасности», а также подразделам раздела 5 «Сведения об инженерном оборудовании, о сетях инженерно-технического обеспечения, перечень инженерно-технических мероприятий, содержание технологических решений»);
- о планировании работ по установке, монтажу, пуско-наладке, интеграции Э/Э/ПЭ СБЗС систем, средств снижения риска на основе неэлектрических технологий, оценке и подтверждении соответствия систем установленным требованиям, о завершении этих работ и их результатах, в том числе контролируемых в порядке авторского надзора;
- необходимая для осуществления эксплуатации высотного здания (сооружения) с применением Э/Э/ПЭ СБЗС систем, средств снижения риска на основе не электрических технологий, включая эксплуатационную и сопутствующую техническую информацию, а также информацию о технических и организационных мероприятиях, необходимых для поддержания требуемого уровня безопасности, в том числе информацию о квалификации, результатах обучения и тренинга эксплуатирующего персонала и персонала службы безопасности объекта;
- достаточную для реализации действий по верификации на каждой стадии полного ЖЦ Э/Э/ПЭ СБЗС систем и средств снижения риска на основе неэлектрических технологий, их аппаратных средств и ПО в соответствии с ГОСТ Р 53195.2, действий по управлению функциональной безопасностью в соответствии с ГОСТ Р 53195.2 (раздел 6), действий по оценке функциональной безопасности в соответствии с ГОСТ Р 53195.2 (раздел 8), а также информацию и результаты, полученные от любой иной оценки функциональной безопасности.
Детальные требования к информации, подлежащей документированию и хранению на отдельных стадиях и этапах ЖЦ Э/Э/ПЭ СБЗС систем и средств снижения риска на основе неэлектрических технологий.
Документацию с информацией, относящейся к комплексному обеспечению безопасности и антитеррористической защищенности высотного здания (сооружения), создаваемую на разных стадиях его ЖЦ, разрабатывают следующие лица или организации:
а) на стадии подготовки проектной документации (проектную документацию
застройщик или проектная организация по его поручению;
б) на стадии строительства (включая этапы строительных, монтажных, пусконаладочных, приемо-сдаточных работ) застройщик или подрядная(ые) организация(ии) по его поручению;
в) на стадии эксплуатации, вывода из эксплуатации, разборки (сноса), утилизации и рекультивации территории владелец объекта или по его поручению управляющая компания, либо подрядная организации
Документация должна быть структурирована таким образом, чтобы облегчить лицам, осуществляющим на стадиях ЖЦ Э/Э/ПЭ СБЗС систем и средств снижения риска на основе неэлектрических технологий, действия, связанные с обеспечением безопасности, поиск существенной информации. Она должна быть скомпонована в комплекты, удобные для пользования этими лицами (проектировщики, строители, монтажники, наладчики, лица, эксплуатирующие эти системы и средства, а также лица, осуществляющие их ТО и ТР).
Ведение документации на разных стадиях ЖЦ должно осуществляться в соответствии с системой ведения документации, установленной в организации-исполнителе работ.
По завершении подготовки и утверждения в установленном порядке проектной документации два комплекта в соответствии сохраняются застройщиком для использования в работе. Эта
документация дополняется документацией, созданной (подготовленной) на стадии строительства застройщиком или подрядной(ыми) организацией(ями) по его поручению.
По завершении строительства объекта один комплект утвержденной в установленном порядке проектной документации (с под подразделом «Мероприятия по противодействию терроризму и комплексному обеспечению безопасности») вместе с документацией, подготовленной на стадии строительства.
Требования к связанным с безопасностью системам
5.2 Общие требования к системам и функциям.
Э/Э/ПЭ СБЗС системы и средства снижения риска на основе неэлектрических технологий с их функциями безопасности выбираются проектировщиком в ходе подготовки проектной документации на основании результатов анализа опасностей, моделей угроз, рисков с учетом требований «Технического регламента о безопасности зданий и сооружений» [3], технического задания на проектирование высотного здания (сооружения), соответствующих СТУ и настоящего стандарта.
Требования к системам противопожарной защиты устанавливаются с учетом требований «Технического регламента «О требованиях пожарной безопасности» [2] и соответствующих СТУ, согласованных в установленном порядке.
Системы мониторинга конструкций и оборудования ИС высотного здания (сооружения) проектируют с учетом требований настоящего стандарта и нормативных документов по системам мониторинга.
Контроль и управление комплексной системой безопасности (далее КСБ) должен осуществляться из центрального пункта управления (далее ЦПУ), контроль и управление Э/Э/ПЭ СБЗС системами и их группами может осуществляться из локальных пунктов управления (далее ЛПУ).
При необходимости обмена информацией между ИС жизнеобеспечения и Э/Э/ПЭ СБЗС системами такой обмен следует предусмотреть на уровне пультов диспетчерского пункта управления инженерными системами и центрального пункта управления службы безопасности (далее ЦПУ СБ) высотного здания (сооружения), а также локальных коммуникационных узлов внутри пожарных отсеков. Проектирование и размещение дополнительных СБЗС систем, устанавливаемых арендаторами на арендуемых площадях, допускается при выполнении следующих условий:
- проектной документацией на здание (сооружение) предусмотрена возможность установки дополнительных СБЗС систем, и в КСБ имеются соответствующие порты для обмена информацией с дополнительными системами, а также ресурс для осуществления такого обмена;
- проведен анализ влияния, который показал несущественность влияния дополнительных СБЗС систем на КСБ объекта и ее составляющие в соответствии с
- проект установки дополнительных СБЗС систем арендатора согласован с разработчиком КСБ и утвержден владельцем здания (сооружения) или лицом, в чьем хозяйственном ведении или оперативном управлении оно находится.
Э/Э/ПЭ СБЗС системы и системы снижения риска на основе не электрических технологий должны быть спроектированы и выполнены таким образом, чтобы назначенные функции безопасности с установленной в результате проектирования полнотой безопасности выполнялись в течение установленного для них срока эксплуатации при установленных условиях эксплуатации.
На стадии подготовки проектной документации должны быть спроектированы или выбраны такие СБЗС системы, которые обеспечивают выполнение, по крайней мере, функций, установленных для этих систем.
При выборе ИС, оснащенных внутренними СБИС системами, должно быть отдано предпочтение таким ИС, СБИС системы которых обеспечивают выполнение, по крайней мере, функций, установленных для этих систем в приложении И. Каждая СБЗС система высотного здания (сооружения), включая КСБ, должна быть спроектирована и выполнена с учетом требований ГОСТ Р 53195.1,
ГОСТ Р 53195.2, ГОСТ Р 53195.3 и ГОСТ Р 53195.4 СБИС системы, примененные в высотных зданиях (сооружениях), должны удовлетворять требованиям ГОСТ Р МЭК 61511-1, ГОСТ Р МЭК 61511-2 и ГОСТ Р МЭК 61511-3, а также настоящего стандарта.
Состав и структура каждой Э/Э/ПЭ СБЗС системы и каждого средства снижения риска на основе неэлектрических технологий определяют на стадии подготовки проектной документации в соответствии с требованиями задания на проектирование, СТУ с учетом местных условий на основании результатов анализа опасностей, рисков и общей оценки риска.
5.3 Управление функциональной безопасностью.
Управление и технические действия лиц, влияющих на стадиях жизненных циклов Э/Э/ПЭ СБЗС систем и средств снижения риска на основе не электрических технологий на безопасность высотного здания (сооружения), должны быть направлены на достижение и поддержание требуемой полноты безопасности в течение полного жизненного цикла этих систем и средств. Лица, несущие ответственность за одну или несколько стадий ЖЦ СБЗС систем, средств снижения риска на основе неэлектрических технологий, их аппаратных средств или ПО, должны определить все управленческие и технические действия, которые необходимы для достижения и поддержания СБЗС системами и средствами снижения риска на основе неэлектрических технологий требуемой функциональной безопасности, разработать планы мероприятий и осуществить мероприятия в соответствии с требованиями ГОСТ Р 53195.2 . Все лица, ответственные за действия по управлению функциональной безопасностью, должны быть информированы о возложенной на них ответственности. При выполнении требований следует предпринимать действия и осуществлять контроль, обеспечивающие предоставление поставляемой продукции (материалов, приборов, оборудования) и оказания услуг предприятиями в полном соответствии с требованиями организации и в соответствии с требованиями СМК предприятий, не противоречащих требованиям ГОСТ Р ИСО 9000 и ГОСТ Р ИСО 9001.
Примечание К таким действиям относится детальное согласование с предприятиями на ранних стадиях подробных требований организации к поставляемой продукции и (или) услугам и тщательный контроль выполнения этих требований.
Требования к жизненным циклам систем и средств безопасности ЖЦ Э/Э/ПЭ СБЗС системы, средства снижения риска на основе не электрических технологий, КСБ или самого высотного здания (сооружения) в рамках настоящего стандарта рассматривается как процесс, который (и каждая стадия или этап которого) характеризуется входом (что имеется на входе), функционалом процесса (выполняемые действия) и выходом (результатом процесса). Для обеспечения достижения и поддержания требуемой функциональной безопасности Э/Э/ПЭ СБЗС систем, средств снижения риска на основе не электрических технологий и возможности оценки соответствия предъявляемым требованиям на любой стадии их ЖЦ в качестве базовой технической структуры полного ЖЦ этих систем должна быть использована структура.
В течение одного ЖЦ объекта может пройти несколько ЖЦ СБЗС систем и средств снижения риска на основе неэлектрических технологий. Структура полного ЖЦ Э/Э/ПЭ СБЗС систем и средств снижения риска на основе неэлектрических технологий для конкретного высотного здания (сооружения) может быть дополнена, сокращена или изменена при условии обоснования новой структуры и обеспечения достижения целей, установленных настоящим стандартом.
Действия, относящиеся к верификации, управлению и оценке функциональной безопасности, относятся ко всем стадиям и этапам ЖЦ Э/Э/ПЭ СБЗС систем и средств снижения риска на основе неэлектрических технологий, ЖЦ их аппаратных средств и ПО. Они должны быть выполнены, а результаты действий документированы. Каждая стадия полного ЖЦ Э/Э/ПЭ СБЗС систем и средств снижения риска на основе неэлектрических технологий должна быть разделена на элементарные этапы с указанием для каждого этапа входа, выполняемых действий и выхода. Процедуры и действия лиц на стадиях (этапах) ЖЦ Э/Э/ПЭ СБЗС систем и средств снижения риска на основе неэлектрических технологий, влияющих на безопасность объекта, должны удовлетворять требованиям, установленным в ГОСТ Р 53195.2
5.4 Предварительный анализ и разработка концепции безопасности
На стадии предварительного анализа опасностей и риска, разработки концепции безопасности (см. блок 1 на рисунке 5) должны быть рассмотрены и учтены:
- предварительные общие характеристики высотного здания (сооружения): предварительные генеральный план, объемно-планировочные и конструктивные решения, ИС и управляющее оборудование (далее УО), предполагаемые для применения в конкретном здании (сооружении), их функции управления и физическое окружение;
- предварительная информация о вероятных источниках опасности природного, техногенного и антропогенного характера, опасных воздействиях, моделях нарушителей, с учетом местных условий;
- требования действующих технических регламентов, национальных стандартов и сводов правил по безопасности зданий (сооружений), общие требования к объемно-планировочным решениям, низковольтному оборудованию. На основании предварительного анализа должны быть сформулированы концептуальные требования и предложения по различным аспектам проектируемого объекта, в том числе: а) по генеральному плану:
1) на прилегающей к высотному зданию (сооружению) территории должны быть предусмотрены места (площадки, проходы и т.п.) для беспрепятственного и безопасного рассредоточения эвакуирующихся людей, с учетом возможного заполнения территории подразделениями сил спасения с их техникой, а также возможной необходимой эвакуации людей из соседних зданий (сооружений);
2) должна быть предусмотрена инженерно-техническая укрупнённость объекта, приняты меры, препятствующие несанкционированному приближению транспортных средств к зданию (сооружению) и их разгону для таранного удара (например, устройство уступов, извилистых подъездных путей, установка скульптур, малых архитектурных форм, а также преграждающих устройств); по архитектурным, объемно-планировочным решениям и функциональным элементам:
1) высотное здание (сооружение) должно быть разделено на зоны общего и ограниченного доступа с учетом с учетом архитектурной концепции надземной части, территории и функционального назначения помещений, в том числе помещений в подземной части, а также деления здания на пожарные отсеки;
2) в самостоятельные зоны доступа должны быть выделены пути эвакуации из подземной и надземной частей высотного здания (сооружения), лестницы
(участки лестниц) между этажами, вертикальный транспорт, а также подходы к вертикальному транспорту (лифтовые холлы);
3) в контролируемые зоны ограниченного доступа должны быть включены:
- хозяйственная зона загрузки и выгрузки;
- административные помещения;
- встроенные объекты инженерного обеспечения высотного здания (сооружения), такие как электрощитовые, индивидуальный тепловой пункт, насосные станция, водомерный узел, вент камеры, дизельная электростанция и другие объекты, важные для жизнеобеспечения;
- инженерно-технологические, технические и служебные помещения;
- технические этажи;
- помещения, используемые для размещения личного состава службы безопасности, пункты управления, диспетчерские и иные помещения, предназначенные для решения задач обеспечения комплексной безопасности и антитеррористической защищенности проектируемого высотного здания (сооружения);
- зоны размещения автомобилей на автостоянках;
- крыша.
Информация и требования, установленные в, должны быть проанализированы и документированы; они должны быть учтены лицами, ответственными за разработку задания на проектирование мероприятий по обеспечению антитеррористической защищенности и комплексного обеспечения безопасности высотного здания (сооружения).
5.5 Определение назначения и области применения
На этапе определения назначения и области применения СБ систем при учете характеристик проектных, техногенных, природных и антропогенных опасностей и угроз, установленных СТУ и (или) заданием на проектирование, подлежащих компенсации Э/Э/ПЭ СБЗС системами и средствами снижения риска на основе неэлектрических технологий, для дальнейшего определения необходимых функций безопасности, в зависимости от особенностей высотного здания (сооружения), его окружения и факторов риска, должно быть определено следующее:
- виды Э/Э/ПЭ СБЗС систем и средств снижения риска не основе неэлектрических технологий, которые могут быть использованы для защиты объекта;
- объемно-планировочные, конструктивные и инженерные решения, которые следует учитывать при анализе опасностей и риска;
- влияние возможных событий с учетом проектных моделей внешних и внутренних опасностей и угроз, которые должны быть учтены при анализе опасностей и рисков;
- системы и подсистемы, которые могут стать источниками опасностей и повышения риска;
- виды требующих анализа событий, приводящих к аварии, несчастному случаю, катастрофе (например, отказы компонентов, процедур, ошибки человека, зависимые механизмы отказов, нарушение прочности, устойчивости и иные факторы, которые могут привести к последовательности опасных событий);
- виды опасностей, факторы риска и возможная тяжесть последствий при реализации опасных событий.
5.6 Анализ опасностей и риска.
К исходным проектным решениям и сведениям относятся:
- функциональное назначение объекта;
- организация рельефа прилегающей территории здания (сооружения) вертикальной планировкой;
- зонирование земельного участка и функциональное назначение зон (за исключением случаев размещения здания (сооружения) на участках с плотной городской застройкой);
- ситуационный план размещения здания (сооружения);
- транспортные и инженерные коммуникации и места их присоединения к существующим инженерным коммуникациям;
- внешний и внутренний виды здания (сооружения), его пространственная, планировочная и функциональная организация, включая поэтажные планы с экспликацией помещений;
- сведения по отделке помещений основного, вспомогательного и технического назначения;
- технические решения, обеспечивающие необходимую прочность, устойчивость и пространственную неизменяемость здания (сооружения) и отдельных конструктивных элементов;
- номенклатура, компоновка и площади помещений основного, вспомогательного, обслуживающего назначения и технического назначения;
- мероприятия, обеспечивающие снижение шума и вибраций, пожарную безопасность, защиту от опасных природных и техногенных процессов;
- сведения об инженерном оборудовании и сетях инженерно-технического обеспечения, перечень инженерно-технических мероприятий, содержание технологических решений;
- решения по системе электроснабжения, в том числе решения по ее действиям в рабочем и аварийном режимах, мероприятия по обеспечению электропитания систем от дополнительного и резервного источников электроэнергии, заземлению занулению и молние защите, аварийному освещению;
- сведения по системе водоснабжения, автоматизации водоснабжения;
- сведения по системам отопления, вентиляции и кондиционирования воздуха, тепловым сетям, в том числе:
1) сведения о климатических и метеорологических условиях района строительства, расчетных параметрах наружного воздуха;
2) сведения об источниках теплоснабжения, параметрах теплоносителей систем отопления и вентиляции;
3) решения по обеспечению надежности, в том числе при аварийной ситуации;
4) перечень мероприятий по обеспечению эффективности работы систем вентиляции в аварийной ситуации;
- решения по сетям связи и местам присоединения к сетям, мероприятия по обеспечению устойчивого функционирования сетей, в том числе при чрезвычайных ситуациях, по защите информации, сведений о локальных вычислительных сетях, применяемых для управления оборудованием и процессами, планы размещения оконечного оборудования, иных технических, радиоэлектронных средств и высокочастотных устройств;
- сведения по газоснабжению, включая описание применяемых систем автоматического регулирования и контроля тепловых процессов, систем автоматического регулирования, маршрута прохождения газопровода и границ охранной зоны присоединяемого газопровода, а также сооружений на нем, описание мероприятий по обеспечению безопасного функционирования системы газоснабжения, в том числе описание и обоснование проектируемых ИС по контролю и предупреждению возникновения потенциальных аварий, систем оповещения и связи;
- сведения по технологическим решениям, в том числе по автоматизированным системам жизнеобеспечения и обеспечения коммунальных услуг;
- сведения о мероприятиях по обеспечению пожарной безопасности, в том числе:
1) описание системы обеспечения пожарной безопасности объекта;
2) проектные решения по наружному противопожарному водоснабжению, автоматизации пожарного водоснабжения;
3) конструктивные и объемно-планировочные решения, сведения о степени огнестойкости и класса конструктивной пожарной опасности;
4) проектные решения по обеспечению безопасности людей при возникновении пожара;
5) сведения о категории помещений и оборудования, подлежащих защите автоматическими установками пожаротушения, и сведения об оборудовании автоматической пожарной сигнализации; описание противопожарной защиты (автоматических установок пожаротушения, пожарной сигнализации, 6) оповещения и управления эвакуацией людей при пожаре, внутреннего противопожарного водопровода, против дымной защиты), мест размещения оборудования противопожарной защиты, средств управления, описание взаимодействия с другим оборудованием;
7) описание организационно-технических мероприятий по обеспечению пожарной безопасности объекта;
8) расчет пожарных рисков (при необходимости);
- сведения о лифтах и подъемниках, включая технические характеристики и алгоритмы управления;
- сведения, относящиеся к организации строительства, в том числе:
1) описание особенностей проведения работ в условиях стесненной городской застройки;
2) принятая организационно-технологической схема, определяющая последовательность возведения здания (сооружения);
3) перечень видов строительных и монтажных работ, ответственных конструкций, участков сетей инженерно-технического обеспечения, подлежащих освидетельствованию;
4) технологическую последовательность работ при возведении здания (сооружения) или его отдельных элементов; 5) предложения по обеспечению контроля качества строительных и монтажных работ, а также поставляемых на площадку и монтируемых оборудования, конструкций и материалов.
С учетом данных должны быть определены или уточнены:
- критически важные точки и элементы высотного здания (сооружения) и минимальный уровень степеней их защиты;
- последовательности событий, приводящих к опасным событиям;
- возможные опасности и опасные ситуации для УО и систем управления УО
во всех режимах работы (штатных, предаварийных, аварийных) в обоснованных случаях, включая случаи появления отказов и предсказуемого неправильного применения аппаратных средств и ПО СБЗС систем;
- риск, обусловленный применением УО без учета действия Э/Э/ПЭ СБЗС систем и средств снижения риска на основе неэлектрических технологий.
Должен быть проведен анализ опасностей и риска, в котором учитываются результаты. При этом может потребоваться проведение нескольких вариаций анализа опасностей и риска с различными возможными последовательностями развития опасных событий. Число вариаций анализа определяется проектировщиком СБЗС систем.
Заключение.
В заключение обсуждаемой проблемы следует обратить внимание на её следующий аспект. Потеря высотного здания в результате ЧС является, конечно, большим градостроительным ущербом и безусловно оказывает на общество громадное моральное воздействие. Тем не менее, «проблема сохранения здания, как имущественной ценности относится к вопросам страхования и решается в каждом конкретном случае посредством соглашения между владельцем и страховой компанией. Сохранение же жизни и здоровья людей ответственность государства, определяющая основной смысл Федерального закона «О техническом регулировании» Поэтому обеспечение безопасности людей в любом высотном здании показатель реальной степени ответственности государства перед каждым из его жителей, а не предмет компромисса интересов сторон, участвующих в его создании и эксплуатации.
Приложение А
СПИСОК НОРМАТИВНО-ТЕХНИЧЕСКИХ ДОКУМЕНТОВ, ИСПОЛЬЗОВАННЫХ ПРИ РАЗРАБОТКЕ ТР, И РЕКОМЕНДУЕМЫХ ДЛЯ ИСПОЛЬЗОВАНИЯ ПРИ ПРОЕКТИРОВАНИИ СИСТЕМ АНТИТЕРРОРИСТИЧЕСКОЙ ЗАЩИЩЕННОСТИ И КОМПЛЕКСНОЙ БЕЗОПАСНОСТИ ВЫСОТНЫХ ОБЪЕКТОВ
|
Номер документа |
Наименование документа |
|
№ 35-Ф3 от 06.03.2006 |
Федеральный закон «О противодействии терроризму» |
|
№ 184-ФЗ от 27.12.2002 |
Федеральный закон «О техническом регулировании» |
|
2683-РП от 29.12.2005 |
Распоряжение Правительства Москвы «Об организации работы по обеспечению антитеррористической защищенности и комплексной безопасности высотных зданий и сооружений города Москвы» |
|
№ 1305-РП от 27.06.2007 |
Распоряжение Правительства Москвы «Об утверждении Концепции комплексного обеспечения безопасности уникальных и высотных объектов города Москвы» |
|
МГСН 4.19-2005 |
Временные нормы и правила проектирования многофункциональных высотных зданий и зданий-комплексов в городе Москве |
|
ГОСТ 21.101-97 |
Система проектной документации для строительства. Основные требования к проектной и рабочей документации. |
|
ГОСТ 21.110-95 |
СПДС. Правила выполнения спецификации оборудования, изделий и материалов. |
|
ГОСТ 21.406-88 |
СПДС. Проводные средства связи. Обозначения условные графические на схемах и планах. |
|
ГОСТ 21.501-93 |
СПДС. Правила выполнения архитектурно-строительных рабочих чертежей |
|
ГОСТ 21.508-93 |
СПДС. Правила выполнения рабочей документации генеральных планов предприятий, сооружений и жилищно-гражданских объектов |
|
ГОСТ Р 21.1703-2000 |
СПДС. Правила выполнения рабочей документации проводных средств связи |
|
ГОСТ 21.607-82 |
СПДС. Электрическое освещение территории промышленных предприятий. Рабочие чертежи |
|
ГОСТ 21.608-84 |
СПДС. Внутреннее электрическое освещение. Рабочие чертежи |
|
ГОСТ 21.614-88 |
СПДС. Изображения условные графические электрооборудования и проводок на планах. |
|
ГОСТ Р 50775-95* |
Системы тревожной сигнализации. Часть 1. Общие требования. Раздел 1. Общие положения |
|
ГОСТ Р 50776-95 |
Системы тревожной сигнализации. Часть 1. Общие требования. Раздел 4. Руководство по проектированию, монтажу и техническому обслуживанию |
|
ГОСТ 27990-88 |
Средства охранной, пожарной и охранно-пожарной сигнализации. Общие технические требования |
|
ГОСТ 26342-84 |
Средства охранной, пожарной и охранно-пожарной сигнализации. Типы, основные параметры и размеры |
|
ГОСТ 4.188-85 |
Средства охранной, пожарной и охранно-пожарной сигнализации. Номенклатура показателей |
|
ГОСТ 28130-89 |
Пожарная техника. Огнетушители, установки пожаротушения и пожарной сигнализации. Обозначения условные графические |
|
ГОСТ 12.1.004-91 |
ССБТ. Пожарная безопасность. Общие требования |
|
ГОСТ 12997-84 |
Изделия ГСП. Общие технические условия |
|
ГОСТ Р 50658-94 |
Системы тревожной сигнализации. Часть 2. Требования к системам охранной сигнализации. Раздел 4. Ультразвуковые доплеровские извещатели для закрытых помещений |
|
ГОСТ Р 50659-94 |
Системы тревожной сигнализации, Часть 2. Требования к системам охранной сигнализации. Раздел 5. Радиоволновые доплеровские извещатели для закрытых помещений |
|
ГОСТ Р 51186-97 |
Извещатели охранные звуковые пассивные для блокировки остекленных конструкций в закрытых помещениях. Общие технические требования и, методы испытаний |
|
ГОСТ Р 51179-98 (МЭК 870-2-1-95) |
Устройства и системы телемеханики. Часть 2. Условия эксплуатации. Раздел 1. Источники питания и электромагнитная совместимость |
|
ГОСТ Р 51089-97 |
Приборы приемно-контрольные и управления пожарные. Общие технические требования и методы испытаний |
|
ГОСТ Р 51241-98 |
Средства и системы контроля и управления доступом. Классификация. Общие технические требования. Методы испытаний |
|
ГОСТ Р 51558-2000 |
Системы охранные телевизионные. Общие технические требования и методы испытаний |
|
ГОСТ 22006-76* |
Установки телевизионные прикладного назначения. Основные параметры и общие технические условия |
|
ГОСТ 23456-79 |
Установки телевизионные прикладного назначения. Методы измерений и испытаний |
|
ГОСТ Р 50725-94 |
Соединительные линии в каналах изображения. Основные параметры. Методы измерений |
|
ГОСТ Р 50571.24-2000 |
Электроустановки зданий, Часть 5. Выбор и монтаж электрооборудования. Глава 51. Общие требования |
|
ГОСТ Р 50571.10-96 (МЭК 364-5-54-80) |
Электроустановки зданий. Часть 5. Выбор и монтаж электрооборудования. Глава 54. Заземляющие устройства и защитные проводники |
|
ГОСТ Р 50571.18-2000 (МЭК 60364-4-442-93) |
Электроустановки зданий. Часть 4 Требования по обеспечению безопасности. Глава 44. Защита от перенапряжений. Раздел 442. Защита электроустановок до 1 кВ от перенапряжений, вызванных замыканиями на землю в электроустановках выше 1кВ |
|
ГОСТ Р 50571.19-2000 (МЭК 60364-4-443-95) |
Электроустановки зданий. Часть 4. Требования по обеспечению безопасности. Глава 44. Защита от перенапряжений. Раздел 443. Защита электроустановок от грозовых и коммутационных перенапряжений |
|
ГОСТ Р 50571.20-2000 (МЭК 60364-4-444-96) |
Электроустановки зданий. Часть 4. Требования по обеспечению безопасности. Глава 44. Защита от перенапряжений. Раздел 444. Защита электроустановок от перенапряжений, вызванных электромагнитными воздействиями |
|
ГОСТ Р 50571.21-2000 (МЭК 60364-5-548-96) |
Электроустановки зданий. Часть 5. Выбор и монтаж электрооборудования. Раздел 548. Заземляющие устройства и системы уравнивания электрических потенциалов в электроустановках, содержащих оборудование обработки информации |
|
ГОСТ Р 50571.22-2000 (МЭК 60364-7-707-84) |
Электроустановки зданий. Часть 7. Требования к специальным электроустановкам. Раздел 707. Заземление оборудования обработки информации |
|
ГОСТ Р 12.2.143-2002 |
Системы фотолюминесцентные эвакуационные. Элементы систем. Классификация. Общие технические требования. Методы контроля |
|
ГОСТ Р 12.4.026-2001 |
Цвета сигнальные, знаки безопасности и разметка сигнальная. Назначение и правила применения. Общие технические требования и характеристики. Методы испытаний |
|
РД Гостехкомиссии России |
Автоматизированные системы. Защита от несанкционированного доступа к информации. Классификация автоматизированных систем и требования по защите информации |
|
СНиП 23.05-95* |
Естественное и искусственное освещение |
|
СНиП 21-02-99* |
Стоянки автомобилей |
|
ГОСТ 29073-01 |
Совместимость технических средств измерения, контроля и управления промышленными процессами электромагнитная. Устойчивость к электромагнитным помехам. Общие положения |
|
ГОСТ Р 50009-2000 |
Совместимость технических средств электромагнитная. Технические средства охранной сигнализации. Требования и методы испытаний |
|
ГОСТ Р 50739-95 |
Средства вычислительной техники. Защита от несанкционированного доступа к информации. Общие технические требования |
|
ГОСТ Р 50752-95 |
Информационная технология. Защита информации от утечки за счет побочных электромагнитных излучений при ее обработке средствами вычислительной техники |
|
Р 78.36.005-99 |
Выбор и применение систем контроля и управления доступом |
|
РД 78.36.003-2002 |
Руководящий документ МВД России. Инженерно-техническая укрепленность. Технические средства охраны. Требования и нормы проектирования по защите объектов от преступных посягательств |
|
Р 78.36.002-99 |
Выбор и применение телевизионных систем видео контроля. Рекомендации |
|
Р 78.36.008-99 |
Проектирование и монтаж систем охранного телевидения и домофонов. Рекомендации |
|
РД 78.145-93 |
Системы и комплексы охранной, пожарной и охранно-пожарной сигнализации. Правила производства и приемки работ |
|
РД 78.36.006-2005 |
Выбор и применение технических средств охранной, тревожной сигнализации и средств инженерно-технической укрепленности для оборудования объектов |
|
ТР 182-08 |
Технические рекомендации по научно-техническому сопровождению и мониторингу строительства большепролетных, высотных и других объектов уникальных зданий и сооружений |
Приложение Б
Составляющие высотных зданий (сооружений)
Б.1 Элементы системы конструкций.
К элементам системы строительных конструкций высотных зданий, которые следует учитывать при анализе опасностей и рисков, относятся:
а) фундамент;
б) несущие и самонесущие стены (наружные, внутренние, противопожарные);
в) колонны;
г) стены лестничных клеток;
д) перекрытия и элементы перекрытий (балки, ригели, рамы, фермы);
е) ветровые связи;
ж) конструкции шахт и машинных отделений лифтов:
1) перекрытия;
2) наружные стены нижних этажей;
3) стены, отделяющие помещения для систем управления объектом, инженерными системами жизнеобеспечения, системами обеспечения безопасности);
4) узловые соединения.
Б.2 Инженерные системы
В состав инженерных систем жизнеобеспечения, систем и подсистем энерго-, ресурсосбережения, поддержания комфортной среды высотных зданий, а также реализации процессов обычно входят следующие системы или подсистемы:
1) водоснабжения;
2) канализации;
3) водостоков и дренажа;
4) сброса сточных вод;
5) теплоснабжения;
6) отопления;
7) автономных источников теплоснабжения;
8) тепловоздушных завес;
9) приточно-вытяжной вентиляции;
10) кондиционирования воздуха;
11) холодоснабжения;
12) вертикального транспорта;
13) мусоро-удаления;
14) пылеуборки;
15) электроснабжения;
16) электроосвещения;
17) наружного освещения фасадов;
18) учета потребления энергоресурсов;
19) учета водопотребления;
20) энергосбережения;
21) диспетчеризации и управления оборудованием инженерных систем;
22) автоматизированного управления зданием и сооружением;
23) оперативной радиосвязи;
24) телефонной связи общего пользования;
25) местной автоматической телефонной связи;
26) диспетчерской (технологической) телефонной связи;
27) домофонной системы (в жилых зданиях);
28) проводного звукового вещания (радиотрансляции);
29) кабельного радиовещания (в жилых зданиях);
30) широкополосная интерактивная система кабельного телевидения;
31) спутникового телевидения;
32) местного проводного вещания;
33) звукоусиления залов и помещений (в административных, общественных и многофункциональных зданиях);
34) ларингофонная система (в зданиях учебных заведений);
35) конференц-система (в административных, общественных, многофункциональных зданиях, зданиях учебных заведений и научных учреждений);
36) видео конференц-система (в административных, общественных, многофункциональных зданиях, зданиях учебных заведений и научных учреждений);
37) видеопроекции (в административных, общественных, многофункциональных зданиях, зданиях учебных заведений и научных учреждений);
38) кинофикации (в многофункциональных зданиях);
39) перевода речи (в зданиях учебных и научных заведений);
40) звуковая студия (в зданиях учебных заведений, научных учреждений, сооружениях телерадиовещания);
41) телевизионная студия (в зданиях учебных заведений, научных учреждений, сооружениях телерадиовещания);
42) видеостудия (в зданиях учебных и научных учреждений, телерадиовещания);
43) пневмо-почта;
44) локальных вычислительных сетей;
45) узел подключения внешних интегральных сетей (в жилых, административных и общественных зданиях, зданиях учебных заведений и научных учреждений);
46) управления товарооборотом (в многофункциональных зданиях);
47) управления гостиницей (в многофункциональных зданиях);
48) структурированная кабельная сеть;
49) электро-часификации;
50) системы для людей, относящихся к МГН:
- система диспетчеризации подъемных платформ для людей, относящихся к МГН (автоматическое открывание дверей);
- система доступа в подъезд для людей, относящихся к МГН;
- система звуковых маячков для определения своего подъезда для людей с ограниченным зрением;
- система дублирования звуковых сигналов световыми сигналами для людей с ограниченным слухом;
51) реализации производственных, технологических и иных процессов.
Приведенный перечень может быть ограничен или дополнен другими инженерными системами и подсистемами.
Конкретный перечень инженерных систем высотного здания (сооружения) определяется проектировщиком на стадии разработки проектной документации.
Б.3 Системы, связанные с безопасностью.
В состав систем обеспечения безопасности высотных зданий (сооружений) обычно входят следующие СБЗС системы или подсистемы:
1) заградительных огней;
2) аварийного освещения;
3) противоаварийной защиты (для инженерных систем, отказ которых может привести к тяжелым последствиям);
4) автоматизации противопожарного водоснабжения;
5) автоматического водяного пожаротушения;
6) газового и порошкового пожаротушения;
7) пожарной сигнализации;
8) автоматизации противо-дымной защиты;
9) контроля тока утечки;
10) контроля воздушно-газовой среды, в том числе контроля токсичных паров и газов;
11) контроля уровня жидкостей в емкостях и бассейнах;
12) контроля биологической защиты;
13) контроля радиации;
14) объектовая система мониторинга состояния конструкций и основания здания (сооружения);
15) объектовая система мониторинга и аварийного управления инженерными системами здания (сооружения);
16) охраны периметров;
17) охранной и тревожной сигнализации;
18) контроля и управления доступом;
19) телевизионного наблюдения, включая охранное телевидение;
20) охранного освещения;
21) эвакуационного освещения;
22) обнаружения людей;
23) оповещения и управления эвакуацией людей;
24) системы и подсистемы для людей, относящихся к МГН:
- система телевизионного контроля работы платформ людей;
- система автоматизированного открывания эвакуационных выходов;
- альтернативная система эвакуационного оповещения;
25) оперативной связи;
26) структурированная кабельная сеть безопасности;
27) защиты информации;
28) комплексная система безопасности1).
Приведенный перечень может быть ограничен или дополнен другими инженерными подсистемами.
Конкретный перечень СБЗС систем высотного здания (сооружения) определяется на стадии разработки проектной документации.
Б.4 Критически важные точки
К критически важным точкам высотных зданий (сооружений) относятся элементы, выход
1) При объединении двух или более систем или подсистем из строя которых может привести к опасным событиям с тяжелыми последствиями, и которые требуют дополнительных мер защиты.
К ним относятся:
- строительные конструкции, несанкционированное воздействие на которые может привести к прогрессирующему обрушению. Определение указанных критически важных точек осуществляют путем расчета несущей конструктивной системы высотного здания (сооружения);
Примечание К факторам несанкционированного воздействия на конструкции относятся такие воздействия, как диверсионные взрывы, таран транспортным средством, комбинация тарана транспортным средством с диверсионным взрывом и последующим пожаром, воздействие механическим инструментом и др.
- коммуникации, воздухозаборники, узлы и оборудование, помещения и ниши, в которых располагаются элементы инженерно-технических систем жизнеобеспечения и комплексного обеспечения безопасности и антитеррористической защищенности;
- пункты управления и диспетчеризации;
- КПП;
- помещения загрузки/выгрузки;
- помещения приема и обработки входящей корреспонденции;
- помещения, расположенные в зоне доступа VIP персон и места сопряжения зоны VIP персон с другими функциональными помещениями и зонами доступа.
Приложение В
Источники, виды и характер опасностей
При установлении проектных опасностей для высотных зданий (сооружений) в зависимости от местных условий следует учитывать:
а) природные опасности:
1) землетрясение в сейсмоопасных зонах;
2) сель в селеопасных зонах;
3) оползень, обвал в зонах опасности оползней, обвалов;
4) лавина в лавиноопасных зонах;
5) вулканическое извержение в зонах вулканической деятельности;
6) карст, суффозионный процесс на территориях, подверженных карсту и суффозии;
7) просадка в лессовых грунтах;
8) наводнение, затопление в зонах опасности наводнений и затоплений;
9) подтопление;
10) сильный ветер, шквал, шторм, смерч, ураган;
11) гроза в зонах повышенной грозовой активности;
12) осадки;
13) гололед в зонах опасности обледенений;
14) чрезмерно низкая или высокая температура среды в отдельных климатических зонах.
б) техногенные опасности:
1) механическая опасность, например, нарушения прочности и устойчивости конструкций;
2) опасность пожара;
3) опасность взрыва при наличии или образовании взрывоопасных веществ и материалов;
4) промышленная опасность при наличии потенциально опасных производств, процессов и технологий;
5) термическая опасность для сооружений, где имеются высокотемпературные источники;
6) химическая опасность при наличии большого количества химически активных веществ;
7) электрическая опасность;
8) опасность излучений при наличии источников излучений;
9) биологическая опасность при наличии источников биологической опасности;
10) радиационная опасность при наличии радиоактивных веществ и материалов;
11) опасность радиоизлучений при наличии мощных источников радиоизлучения антропогенные опасности:
1) вызванные прогнозируемым неправильным использованием систем и их составляющих эксплуатирующим, обслуживающим персоналом различных групп, пользователями различных групп и контактными группами;
2) вызванные злонамеренными действиями криминального или террористического характера.
Список литературы.
1.Серков Б.Б. Безопасная эвакуация людей при строительстве и эксплуатации высотных зданий / Б.Б. Серков, Д.А. Самошин // Пожары и чрезвычайные ситуации: предотвращение, ликвидация. 2009. № 2. С. 3236.
2.Сотникова, И.И. Переславцева, О.Н. Филатова // Научный журнал. Инженерные системы и сооружения. 2011. № 2. С. 4649.
3.Холщевников В.В. Проблема беспрепятственной эвакуации людей из зданий, пути ее решения и оценки // Алгоритм безопасности. 2006. № 4. С. 6063.
4. Технология возведения зданий и сооружений: Теличенко В. И., Лапидус А. А., Терентьев О. М., Соколовский В.
5. Проектирование современных высотных зданий: Сюй Пэйфу, Фу Сюеи, Ван Цуйкунь, Сяо Издательство Ассоциации , 2008 г.- 480 с.
6. Копылов Н.П. Сравнительный анализ противопожарных требований к высотным и многофункциональным зданиям а России и за рубежом // Пожарная безопасность многофункциональных и высотных зданий и сооружений. Материалы XIX науч.- практ. конф. 4 3 - М.: ВПИИПО, 2005. - С. 31- 47.
7. Болодьян И.А., Хасанов И.Р., Гомозоа А.В. Концептуальный подход к обеспечению пожарной безопасности высотного строительства и формирование противопожарных норм для высотных и многофункциональных комплексов // Современные системы и средства комплексной безопасности и противопожарной защиты объектов строительства. Материалы 2-й науч.-практ. конф. - М.: Строй безопасность, 2003. - С. 14-15.
8.Т.Уилмот, Т.Пейш. Ужасающие показатели смертности при пожарах в Восточной Европе // Пожар взрывобезопасность. - 2003. - № 1. - С.17-18.
9. П.В.Корчагин. Будущее высотного строительства. Система АДК - основа концепции «умного небоскреба» // Глобальная безопасность. - 2007. - № 1. - с.38-51.
Разработка и внедрение ИТО для организации крепления альпенийского снаряжения при спасении людей с высотных зданий повышенной этажности