Мультиплексоры
Лекция 1.6
Мультиплексоры
1. Мультиплексоры
В ЭВМ часто бывает необходимо подключиться к одной из нескольких входных линий, передающих информацию в двоичных кодах. Такое подключение осуществляется с помощью устройства, называемого мультиплексором. Мультиплексор подключает одну из входных линий к единственной выходной линии с помощью цифровой команды, называемой адресом. Мультиплексоры используются, когда нужно уплотнить линии связи, т. е. когда по одной линии нужно передавать цифровые сигналы, получаемые от нескольких источников.
Мультиплексоры осуществляют подключение одного из входных каналов к выходному в зависимости от соответствующего управляющего (адресующего) слова. Разрядности каналов могут быть различными, причём мультиплексоры для коммутации многоразрядных слов составляются из одноразрядных.
Входы мультиплексора делятся на две группы: информационные и адресующие (адресные).

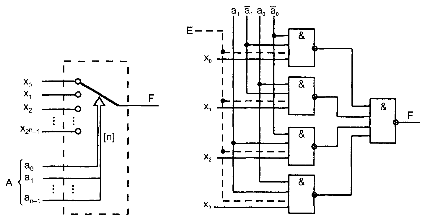
а б
Рис. 1. Упрощённое представление мультиплексора многопозиционным ключом (а)
и реализация мультиплексора на элементах И-НЕ (б)
Работу мультиплексора можно упрощённо представить с помощью многопозиционного ключа. Одноразрядный мультиплексор упрощённо представлен на рис. 1, а. Адресующий код А задаёт переключателю определённое положение, соединяя с выходом F один из информационных входов xi . При нулевом адресующем коде переключатель занимает верхнее положение x0 , с увеличением кода на единицу переходит в соседнее положение x1 и т. д.
Работа мультиплексора в общем случае описывается соотношением
,
которое иногда называется мультиплексной формулой. При любом значении адресующего кода все слагаемые, кроме одного, равны нулю. Ненулевое слагаемое равно xi , где i значение текущего адресного кода.
Схемотехнически мультиплексор реализует электронную версию показанного переключателя, имея, в отличие от него, только одностороннюю передачу данных. На рис. 1, б показан мультиплексор с четырьмя информационными входами, двумя адресными входами и входом разрешения работы. Выход F данного мультиплексора описывается выражением
.
При отсутствии разрешения работы (Е = 0) выход F становится нулевым независимо от информационных и адресных сигналов.
Таблица истинности для мультиплексора с двумя адресными входами и соответственно четырьмя (22 = 4) информационными входами (рис. 1, б) будет выглядеть следующим образом:
Таблица 1
|
E |
a0 |
a1 |
F |
|
1 |
0 |
0 |
x0 |
|
1 |
0 |
1 |
x1 |
|
1 |
1 |
0 |
x2 |
|
1 |
1 |
1 |
x3 |
|
0 |
x |
x |
0 |
В стандартных сериях размерность мультиплексоров не более “16 1”.
Условное графическое обозначение (УГО) одного из вариантов мультиплексора представлено на рис. 2. В зависимости от комбинации сигналов управления x1 , x2 , x3 он обеспечивает подключение одного из восьми информационных входов Di на выход y. Сигнал синхронизации E в данном случае имеет нулевое активное значение, разрешающее передачу информации с одного из входов на выход. Удобно считать, что вход D0 подключается к выходу при наборе сигналов управления 000, вход D1 при наборе 001 и т. д. В этом случае номер подключаемого входа равен десятичному значению двоичного кода управления.
Структурная формула, описывающая функционирование рассматриваемого восьмивходового мультиплексора, имеет вид
Мультиплексор можно реализовать с помощью логических элементов заданного базиса. В его структуру можно ввести и более сложные цифровые устройства. Сопоставляя формулы (12) и (13), замечаем, что для каждого входа комбинации сигналов управления в мультиплексоре такие же, как и в дешифраторе. Следовательно, составной частью мультиплексора является дешифратор, как показано на рис. 3.
На схемах мультиплексор обозначается как MUX (от англ. MUltipleXer), реже как MS.
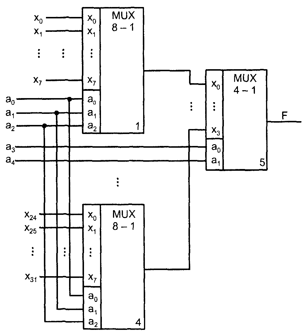
2. Наращивание размерности мультиплексоров
Наращивание размерности мультиплексоров возможно с помощью пирамидальной структуры из нескольких мультиплексоров. При этом первый ярус схемы представляет собою столбец, содержащий столько мультиплексоров, сколько необходимо для получения нужного числа информационных входов. Все мультиплексоры столбца адресуются одним и тем же кодом, составленным из соответствующего числа младших разрядов общего адресного кода (если число информационных входов схемы равно 2n, то общее число адресных разрядов равно n, младшее поле n1 адресного кода используется для адресации мультиплексоров первого яруса). Старшие разряды адресного кода, число которых равно n n1 , используются во втором ярусе, мультиплексор которого обеспечивает поочерёдную работу мультиплексоров первого яруса на общий выходной канал.
Пирамидальная схема, выполняющая функции мультиплексора “32 1” и построенная на мультиплексорах меньшей размерности, показана на рис. 2.

Рис. 2. Схема наращивания мультиплексоров
Демультиплексоры
Демультиплексоры выполняют операцию, обратную операции мультиплексоров, т. е. передают данные из одного входного канала в один из нескольких каналов-приёмников. Многоразрядные демультиплексоры составляются из нескольких одноразрядных. Условное обозначение демультиплексоров на примере размерности “1 4” показано на рис. 3 (сокращение DMX от англ. DeMultipleXer).

Рис. 3. Условное обозначение дешифратора-демультиплексора
Нетрудно заметить, что дешифратор со входом разрешения работы будет работать в режиме демультиплексора, если на вход разрешения подавать информационный сигнал. Действительно, при единичном значении этого сигнала адресация дешифратора (подача адресного кода на его входы) приведёт к возбуждению соответствующего выхода, при нулевом нет. А это и соответствует передаче информационного сигнала в адресованный выходной канал.
В связи с этим в сериях элементов отдельные демультиплексоры могут отсутствовать, а дешифратор со входом разрешения часто называется дешифратором-демулътиплексором (обозначается как DC/DMX).
На рис. 13.11, а показано условное изображение микросхемы К155КП2, содержащей в одном корпусе два мультиплексора вида 4:1, на рис. 13.11, б логическая структура половины этой микросхемы. Каждая секция имеет четыре информационных входа , разрешающий вход (), а также прямой по отношению к информационным входам выход (). Два адресных входа и общие для этих мультиплексоров. Структурная логическая формула для каждой из секций микросхемы К155КП2 выглядит следующим образом:
. (14)
В мультиплексорах серий ТТЛ входные информационные сигналы проходят через несколько логических элементов. Поэтому такие мультиплексоры могут обрабатывать только импульсные сигналы, логические уровни которых находятся в пределах, допустимых для ТТЛ-микросхем.
Мультиплексоры серий КМОП строятся иначе, на основе дешифраторов и двунаправленных вентильных ключей. Сопротивление открытых вентильных ключей невелико (примерно 80 Ом) и мало зависит от проходящего сигнала. Такие ключи хорошо проводят как импульсные, так и аналоговые сигналы. Разомкнутые ключи обеспечивают практически полный разрыв цепи, так как токи утечки не более 1 нА.
Двунаправленный ключ (рис. 13.12, а) состоит из двух МДП-транзисторов VT1 и VT2 с каналами p- и n-типов, исток одного транзистора соединен со стоком другого [69, 71]. Управление транзисторами осуществляется двумя взаимноинверсными сигналами, которые поступают на затворы транзисторов и обеспечивают их одновременное отпирание. Питающее напряжение подается на выводы подложек: для p-канального транзистора VT1, для n-канального. Для инвертирования управляющего сигнала в схеме на рис.13.12, а используется инвертор на комплементарных МДП-транзисторах VT3 и VT4.
При управляющем напряжении транзистор VT3 закрыт, VT4 открыт, и транзисторы VT1, VT2 двунаправленного ключа закрыты, поскольку напряжения между их затворами и истоками близко к нулю.
При транзисторы VT2 и VT3 открыты, VT4 закрыт, транзистор VT1 открыт напряжением , подаваемым на его затвор через открытый транзистор VT3.
Диапазон изменения входного напряжения для рассматриваемого ключа от до . На рис. 13.12, б представлен вид зависимостей сопротивлений открытых МДП-транзисторов от входного напряжения (1-VT1, 2-VT2). При напряжения затвор-исток открытых транзисторов VT1 и VT2 , , сопротивление ключа равно параллельному соединению сопротивлений открытых транзисторов. Когда , , , транзистор VT1 остается открытым, а транзистор VT2 закрыт, общее сопротивление ключа (кривая 3 на рис. 13.12, б) равно сопротивлению транзистора VT1, которое несколько уменьшается по сравнению со случаем при . Аналогично, при транзистор VT1 закрыт, поскольку , а транзистор VT2 открыт под действием напряжения , сопротивление ключа определяется транзистором VT2.
Сопротивление открытых ключей различных типов составляет от 50 до сотен Ом [69, 71].
Во избежание появления так называемой «мертвой зоны» при изменении , в которой оба транзистора VT1 и VT2 закрыты, должно выполняться условие , где и модули пороговых напряжений транзисторов VT1 и VT2; обычно В.
Микросхема 564КП2 представляет собой восьмиканальный коммутатор (мультиплексор-демультиплексор) импульсных и аналоговых сигналов. Она состоит из дешифратора и восьми двунаправленных вентильных ключей К1-К8 (рис.13.13).
Работу микросхемы характеризует таблица истинности (табл. 13.12). На разрешающем входе для нормальной работы микросхемы необходим сигнал . Когда , все ключи разомкнуты.
Таблица 13.12
|
Входы |
Проводящие ключи |
|||
|
V |
C |
B |
A |
|
|
0 |
0 |
0 |
0 |
|
|
0 |
0 |
0 |
1 |
|
|
0 |
0 |
1 |
0 |
|
|
0 |
0 |
1 |
1 |
|
|
0 |
1 |
0 |
0 |
|
|
0 |
1 |
0 |
1 |
|
|
0 |
1 |
1 |
0 |
|
|
0 |
1 |
1 |
1 |
|
|
1 |
Все ключи разомкнуты |
Мультиплексоры широко применяются в качестве коммутаторов-селекторов сигналов, для преобразования параллельного кода в последовательный, построения схем генераторов, сравнения кодов.
Формула (13) показывает, что мультиплексор является схемой, с помощью которой возможно реализовать любую из логических функций от логических переменных ( число адресных входов) [71]. Например, на мультиплексоре с и входами реализуется любая логическая функция от трех переменных.
Пример. Допустим, что логическая функция задана таблицей истинности (табл. 13.13).
Таблица 13.13
|
x |
у |
z |
f1 |
|
0 |
0 |
0 |
0 |
|
0 |
0 |
1 |
1 |
|
0 |
1 |
0 |
1 |
|
0 |
1 |
1 |
0 |
|
1 |
0 |
0 |
0 |
|
1 |
0 |
1 |
0 |
|
1 |
1 |
0 |
1 |
|
1 |
1 |
1 |
1 |
Согласно таблице имеем
.
Поскольку функционирование четырехвходового мультиплексора (рис.13.14) описывается структурной формулой
,
для реализации функции нужно принять , , , , , . Тогда , .
Для наиболее рационального использования адресных входов на них следует подавать те переменные, от которых наиболее сильно зависит минимальная ДНФ функции.
Демультиплексор представляет собой цифровое устройство для коммутации информационного входного сигнала на один из выходов, где m число адресных входов. Условное графическое обозначение демультиплексора с четырьмя информационными выходами представлено на рис.13.15. Структурные формулы, определяющие формирование выходных сигналов такого демультиплексора, имеют вид
(15)
именно такими выражениями определяется формирование выходных сигналов дешифратора, использующего синхронизацию по входу . Поэтому в качестве демультиплексора можно применять дешифратор, подавая информационный входной сигнал демультиплексора на вход синхронизации дешифратора. Существует много микросхем демультиплексоров-дешифраторов [69].
Демультиплексоры выполняют функцию, обратную мультиплексорам. Мультиплексоры, выполненные на основе аналоговых двунаправленных ключей (например, 564КП1 и 564КП2), могут выполнять функции и демультиплексоров. В этом случае информационные входы (рис.13.13) являются выходами , а выход входом .
7
Мультиплексоры