Основы виброзащиты машин
Лекция N12
Основы виброзащиты машин.
Повышение быстроходности машин, характерное для развития машиностроения, неизбежно приводит к повышению уровня создаваемых динамических воздействий. Это проявляется в увеличений динамических напряжений в элементах машин, снижении их несущей способности, появлении усталостных напряжений.
Особенно сложны проблемы виброзащиты в современных транспортных средствах (летательные аппараты, колесные и гусеничные машины, морские суда и т.д.). Создатели новых машин могут по разному подходить к решению проблемы виброзащиты. Так защищая водителя от вибрационных воздействий, конструктор может пойти по пути снижения колебаний массы со всеми установленными на нем агрегатами, или по пути уменьшения колебаний только одного сидения механика-водителя. Очевидно, что во втором случае эффективность решения достигается более простыми техническими средствами, чем в первом случае.
Виброзащита - это совокупность методов и средств, уменьшающих вредное влияние вибраций. Создание виброзащитных устройств, позволяющих эффективно решать поставленные перед ними задачи при ограниченных массовых и геометрических характеристиках, является сложной технической задачей, решение которой оказывается возможной только при всестороннем учете характера возмущений и особенностей динамики, создаваемых систем, Все это привело к возникновению и развитию большого самостоятельного раздела динамики машин - теории виброзащитных систем.
Основные методы виброзащиты.
Уменьшение интенсивности колебаний объекта может быть достигнуто следующими способами:
- Уменьшением уровней механических воздействий, возбуждаемых источником (такой способ виброзащиты называется снижением виброактивности источника). Для этого осуществляют уровновешивание рычажных механизмов и балансировку роторов, о чем мы говорили на предыдущих лекциях.
- Изменением конструкции объекта, при котором заданные механические воздействия будут вызывать менее интенсивные колебания объекта или отдельных его частей (этот метод называется внутренней виброзащитой объекта)
- Присоединению к объекту дополнительной динамической системы, изменяющий характер его колебаний, Такая система называется динамическим гасителем колебаний, а метод защиты, основанный на ее применении, - динамическим гашением колебаний.
- Установкой между объектом и источником колебаний дополнительной системы, изменяющей характер его колебаний.
Этот метод виброзащиты называется виброизоляцией, а устройства, устанавливаемые между источником и объектом - виброизоляторами (виброизолирующими устройствами).
Виброизоляция.
Действие виброизоляции сводится к ослаблению связей между источником и объектом; при этом уменьшаются динамические воздействия, передаваемые объекту.
Ослабление связей обычно сопровождается возникновением некоторых нежелательных явлений:
- увеличением статических смещений объекта относительно источника;
- увеличением амплитуд относительных колебаний при низкочастотных воздействиях;
Поэтому применение виброизоляции как метода виброзащиты, в большинстве случаев связано с нахождением компромиссного решения, удовлетворяющего всей совокупности требований.
Давайте рассмотрим случай виброизоляции с помощью упругих амортизаторов.
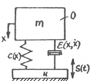
Принципиальная схема вибразащитной системы представлена на рисунке 12.1
1.Случай силового возбуждения:

Между основанием и амортизируемым объектом устанавливается упругий амортизатор (или упругие амортизаторы)
К амортизируемому объекту приложена внешняя сила (F(t)). Ставится задача снизить динамические силы, передаваемые на основание, за счет введения в систему упругих амортизаторов.
Поведение системы описывается следующим дифференциальным уравнением:
(12.1)
где m - масса амортизированного объекта; х - обобщенная координата; F(x) - внешняя сила, приложенная к объекту; - сила, приложенная к массе со стороны упругого амортизатора.
Простейшими примерами таких воздействий могут служить:
а) гармоническая вынуждающая сила

- амплитуда колебаний;
- круговая частота (рад/с);
- фаза колебания;
- период колебаний, с;
- частота колебаний, Гц.
В более сложных случаях воздействие на массу "m" может быть описано конечной (или бесконечной) суммой гармонических компонентов. Тогда:
Такое вибрационное воздействие принято называть полигармоническим. Существует множество различных видов ударных воздействий, но о них из-за краткости курса мы говорить не будем, а рекомендуем обратиться к учебнику [стар] параграф 10.1 ... 10.9. Ограничимся рассмотрением случая, когда на массу "m" действует гармоническая вынуждающая сила, описываемая уравнением:
(12.2)
Этапы решения задач виброзащиты.
- построение модели объекта;
- формирование критериев качества;
- изучение реакции объекта на заданное внешнее воздействие;
- сравнение по заданному критерию результирующих показателей с допустимыми величинами.
Простейшие задачи виброизоляци возникают в том случае, когда совокупность сил в реальном упругом амортизаторе может быть с достаточной точностью описана как линейная функция координаты х и скорости :
(12.3)
Коэффициент "с" принято называть жесткостью амортизатора, а "" -коэффициент вязкого трения (демпфирования). С учетом (12.3) уравнение (1) примет вид:
(12.4)
Обозначим и перепишем (12.4) следующим образом:
(12.5)
Ограничимся анализом работы вибразащитной системы в установившемся режиме. В этом случае решение уравнение (12.5) может быть представлено в виде:
(12.6)
где А - амплитуда колебаний массы "m"; - сдвиг фаз между колебаниями массы "m" и внешней силой F(t). При этом амплитуда колебаний:
(12.7)
и сдвиг фаз колебаний массы и силы F(t):
Оценку качества виброизоляции целесообразно проводить, сопоставляя амплитудное значение силы , развиваемой в амортизаторе и, следовательно, передаваемой на основание, с амплитудным значением внешней силы .
Отношение амплитудного значения силы r0 к амплитудному значению внешней силы F0, называется коэффициентом виброизоляции
Амплитудное значение силы, развиваемой в упругом амортизаторе:
(12.8)
Используя понятие относительного коэффициента затухания можно привести выражение к виду, удобному для анализа:
(12.9)

Из анализа выражения (12.9) видно, что коэффициент виброизоляции явным образом зависит от соотношения частот (вынужденной и собственной). Для различных соотношений: - (расстройка) и построены графики:
Условие эффективности виброзащиты :
- Виброизоляции эффективна при любом в диапазоне
- При чем меньше , тем эффективнее виброизоляция.
Вывод: Виброизоляция эффективна для уменьшения вредного влияния вибраций в широком частном диапазоне.
2.Кинематическое возбуждение :
Если перед проектировщиком ставится задача защиты объекта, находящегося на вибрирующем основании (см. рис. 12.2), то в простейшем случае и в рамках сделанных выше предположений данная задача сводится к анализу динамической схемы, представленной на рис. 12.1

Дифференциальное уравнение, описывающее колебание массы "m", может быть записано в виде:
где S(t) - перемещение основания.
Данное уравнение можно представить в виде:
(12.10)
Если S(t) представляет собой монохроматические колебания, то член F(t), стоящий в правой части уравнения (12.10) приобретает смысл гармонической возмущающей силы. Очевидно, что анализ уравнения (12.10) аналогичен анализу уравнения (12.4), проведенному ранее. Совпадают и вытекающие из этого анализа рекомендации.
3. Динамическое гашение колебаний
Динамический гаситель, присоединяемый к объекту, формирует дополнительные динамические воздействия. Прикладываемые к объекту в точках присоединения гасителя. Динамическое гашение осуществляется при таком выборе параметров гасителя, при котором эти дополнительные воздействия частично уравновешивают (компенсируют) динамические воздействия, возбуждаемые источником.
Схема простейшего динамического виброгасителя представлена на рис. 12.3

На массу , упруго соединенную с основанием, действует приложенная сила F(t), которую будем в дальнейшем полагать монохроматической.
Рис. 12.3
Задача ставится следующим образом: выяснить возможность снижения амплитуды колебаний массы "m1" за счет введения дополнительной массы "m2" , упруго соединенной с массой m1. С целью упрощения задачи полагаем, что система недиссипативна, т.е. рассеяние энергии в упругих связях не происходит.
Дифференциальные уравнения, описывающие движения масс "ml" и "m2", могут быть записаны в виде:
(12.11)
Поскольку система недиссипативна, то колебания отдельных масс либо совпадают по фазе с внешней возмущающей силой, либо находятся с ней в противофазе (сдвиг 180 градусов).
Частное решение системы (12.11) может быть представлено в виде:
(12.12)
где - коэффициент распределения амплитуд колебаний.
Величину определяем, подставив соотношение (12.12) во второе уравнение (12.11)
(12.13)
Для искомого периодического решения системы (12.11) справедливо равенство:
(12.14)
Подставляя (12.14) в первое уравнение системы (12.11) получим:
(12.15)
Решение системы линейных дифференциальных уравнений может быть сведено к интегрированию одного линейного дифференциального уравнения второго порядка вида (12.15):
Нетрудно получить
(12.16)
Знаменатель дроби может обращаться в нуль при изменении параметров системы, т.е.
Данное уравнение является частным уравнением системы, у которого два корня и , являющиеся частотами собственных колебаний системы. В нуль может обращаться и числитель дроби в правой части соотношения (12.16),т.е.
(12.17)
Обозначим эту частоту через . Очевидно,
При вьшолнении соотношения (12.17) амплитуда А колебаний массы ml обращается в нуль, и, следовательно, масса ml становится неподвижной. Это явление называется антирезонансом, а частоту , при которой это происходит - частотой антирезонанса.
Частота антирезонанса совпадает с частотой собственных колебаний массы m2 при неподвижной массе ml. Неподвижность массы ml в точке антирезонанса гарантируется только выполнением соотношения (12.17).
Определим амплитуду колебаний массы m2. Из соотношения (12.16) и (12.17) получим:
При
Очевидно, что если масса m2 оказывается малой, то при фиксированной жесткость также мала и большой оказывается амплитуда . Чтобы её уменьшить, приходится увеличивать массу m2.
Контрольные вопросы к лекциям N10-12
- В чём состоит задача уравновешивания?
- Какие виды неуравновешенности механизмов Вы знаете? Обьясните каждый из них.
- Сформулируйте условия полного уравновешивания механизмов машины.
- Что является мерой статической и динамической неуравновешенностей?
- Расскажите о методе замещающих масс при уравновешивании.
- С какой целью и как устанавливаются корректирующие массы (противовесы)?
- Как произвести полное статической уравновешивание (шарнирного четырёхзвенника), кривошипно-ползунного механизма?
- Сформулируйте, что такое статическая, моментная и динамическая неуравновешенность Вотора?
- В чём состоят причины дисбаланса вращающихся деталей?
- На каком принципе работают станки для динамической балансировки?
- В чём состоит вибрационная защита машин? Какие методы виброзащиты Вы знаете?
- Какой метод виброзащиты называется виброизоляцией? В чём суть этого метода? В каких случаях он эффективен?
- Что такое динамическое гашение колебаний? В каких случаях оно применяется?