Сумматоры
Лекция 18
Сумматоры
1. Определение и классификация сумматоров
Сумматоры это КЦУ, выполняющие арифметическое (в противоположность логическому) сложение и вычитание чисел. Они имеют самостоятельное значение и являются также ядром схем арифметико-логических устройств (АЛУ), реализующих ряд разнообразных операций и являющихся непременной частью всех процессоров.
Аппаратная сложность и быстродействие сумматора являются очень важными параметрами и поэтому разработано множество вариантов сумматоров, которые имеют разветвлённую классификацию. Выделяя главные варианты, остановимся на следующих типах сумматоров:
1) одноразрядный сумматор;
2) сумматор для последовательных операндов;
3) сумматор для параллельных операндов с последовательным переносом;
4) сумматор для параллельных операндов с параллельным переносом;
5) сумматор с последовательным распространением переноса по цепочке замкнутых ключей;
6) сумматор групповой структуры с цепным переносом;
7) сумматор групповой структуры с параллельным межгрупповым переносом;
8) сумматор с условным переносом;
9) накапливающий сумматор.
Наряду с сумматорами могут быть реализованы вычитатели, однако это почти никогда не делается, поскольку вычитание выполняется посредством сложения с применением дополнительных либо обратных кодов.
2. Одноразрядный сумматор
Одноразрядный сумматор имеет три входа (два слагаемых и перенос из предыдущего разряда) и два выхода (суммы и переноса в следующий разряд).
Таблица истинности одноразрядного сумматора имеет вид, представленный в табл. 1.
Таблица 1
|
ai |
bi |
ci1 |
ci |
si |
|
|
0 |
0 |
0 |
0 |
0 |
1 |
|
0 |
0 |
1 |
0 |
1 |
1 |
|
0 |
1 |
0 |
0 |
1 |
1 |
|
0 |
1 |
1 |
1 |
0 |
0 |
|
1 |
0 |
0 |
0 |
1 |
1 |
|
1 |
0 |
1 |
1 |
0 |
0 |
|
1 |
1 |
0 |
1 |
0 |
0 |
|
1 |
1 |
1 |
1 |
1 |
0 |
Как видно из таблицы, совокупность сигналов ci и si по сути является двухзначной суммой трёх чисел ai, bi и ci1 .
Аналитические выражения функций суммы S (от англ. sum) и переноса С (от англ. Carry) имеют вид
; .
В базисе Шеффера функции si и ci выражаются следующим образом:
; .
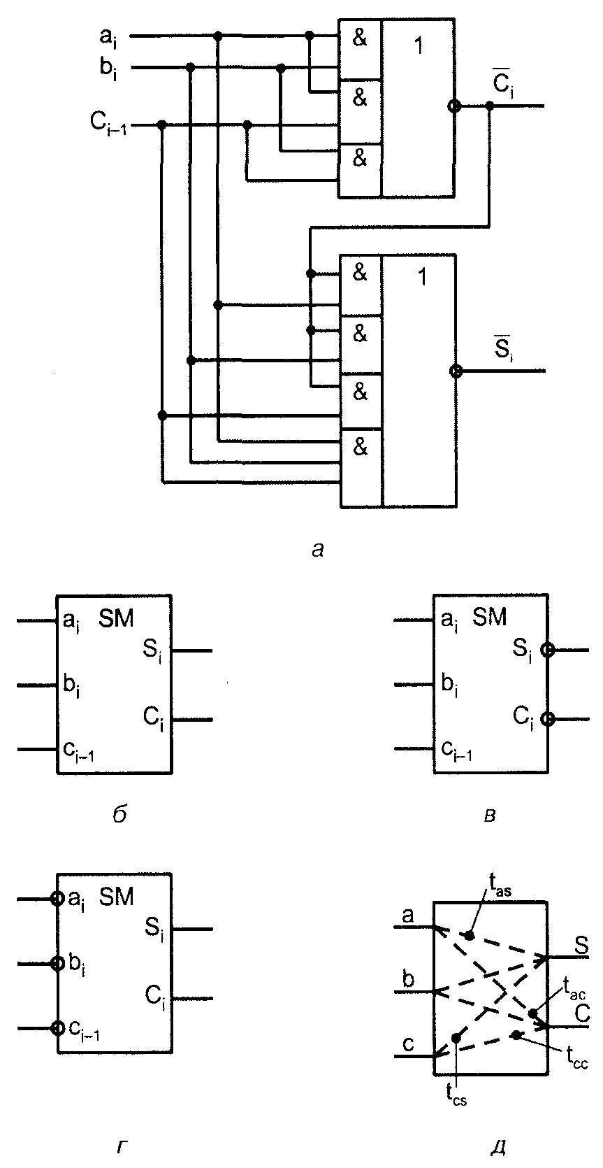
Непосредственное воспроизведение полученных формул на элементах двухступенчатой логики И-ИЛИ-НЕ приводит к применению элемента 2-2-2И-ИЛИ-НЕ для выработки сигнала переноса и элемента 3-3-3-3И-ИЛИ-НЕ для сигнала суммы . Такое решение используется в некоторых сериях микросхем, но более популярно решение, приводящее к некоторому сокращению аппаратной сложности схемы при сохранении минимальной задержки по цепи переноса. Идея этого решения состоит в использовании полученного уже значения в качестве вспомогательного аргумента при вычислении .
Из табл. 1 видно, что во всех её строчках, кроме первой и последней, si = . Чтобы сделать формулу справедливой также в первой и последней строчках, нужно убрать единицу в строчке нулевых входных величин и добавить единицу в строчку единичных входных величин, что приводит к соотношению
.
Схема сумматора, построенного по этому соотношению, показана на рис. 1, а.

Рис. 1. Схема (а), условные обозначения (б, в, г) и пути распространения сигналов одноразрядного сумматора (д)
Можно привести ещё одно выражение для si , в котором происходит инвертирование на первой и последней комбинациях:
.
Это выражение, хотя и красиво с идейной точки зрения, но немного сложнее в реализации, чем приведённое выше соотношение.
Из табл. 1 видно, что и функция суммы, и функция переноса обладают свойством самодвойственности: при инвертировании всех аргументов инвертируется и значение функции, т. е.
, .
Условное обозначение одноразрядного сумматора показано на рис. 1, б. Для варианта с выработкой инвертированных значений суммы и переноса на основании свойства самодвойственности можно пользоваться двумя вариантами обозначений для одной и той же схемы (рис. 1, в, г).
Быстродействие одноразрядного сумматора оценивается задержками по шести трактам распространения сигналов: от первого слагаемого до выхода суммы, от первого слагаемого до выхода переноса, от второго слагаемого до тех же выходов и от входа переноса до выхода переноса, от входа переноса до выхода суммы (рис. 1, д). Так как тракты от обоих слагаемых обычно одинаковы, то остаются четыре задержки, отмеченные надписями tas , tac , tcc и tcs на рис. 1, д.
На рис. 2 показана схема сумматора, входящая в библиотеку схемных решений семейства программируемых СБИС фирмы Altera.

Рис. 2. Схема одноразрядного сумматора из библиотеки схемных решений
для СБИС фирмы Altera
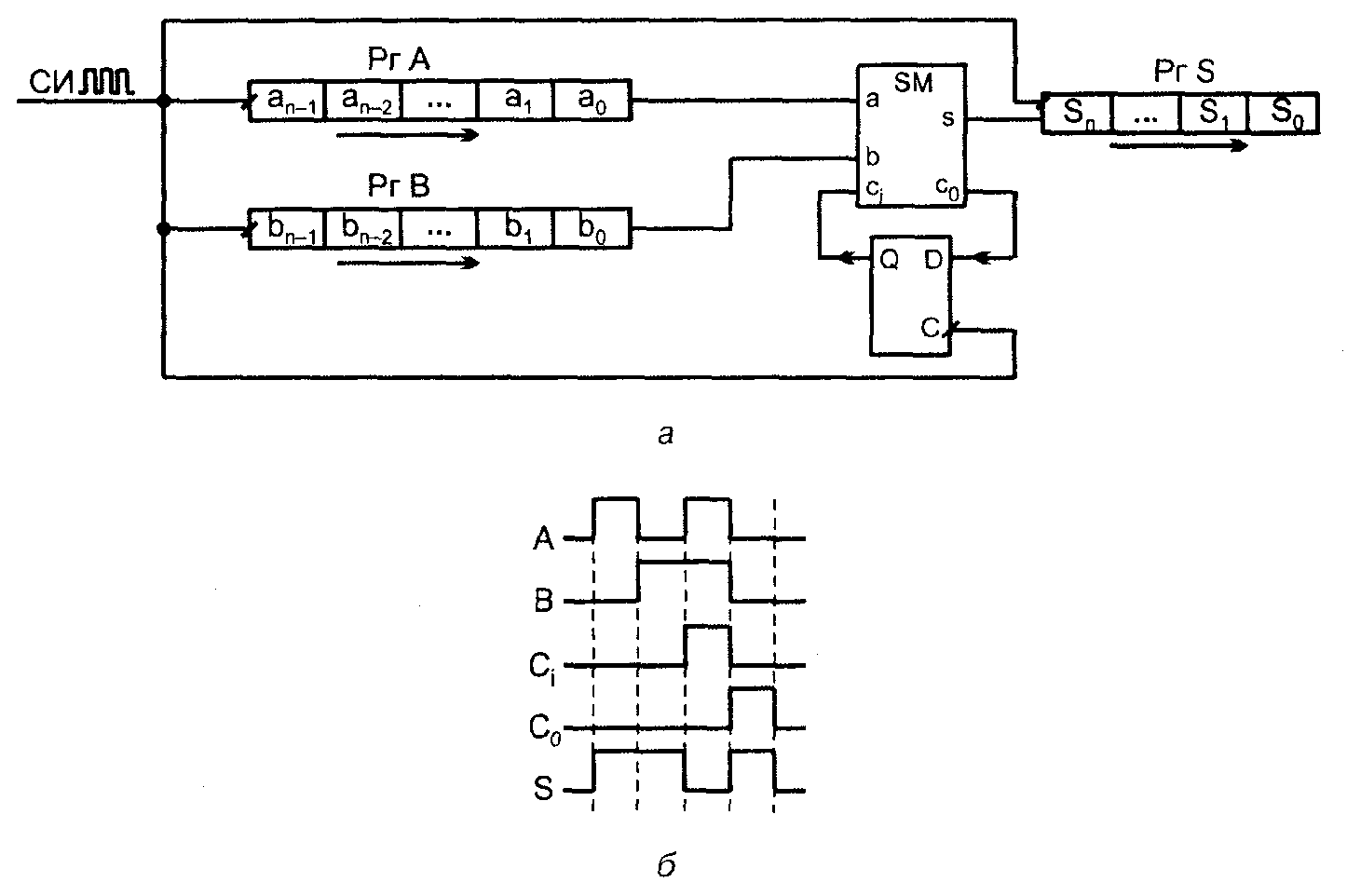
3. Последовательный сумматор
Сумматор для последовательных операндов содержит всего один одноразрядный сумматор, обрабатывающий поочерёдно разряд за разрядом, начиная с младшего. Сложив младшие разряды, одноразрядный сумматор вырабатывает сумму для младшего разряда результата и перенос, который запоминается на один такт.
В следующем такте складываются вновь поступившие разряды слагаемых a1 и b1 с переносом из младшего разряда и т. д. Схема сумматора последовательных операндов (рис. 3, а), помимо сумматора, содержит сдвигающие регистры слагаемых и суммы, а также триггер запоминания переноса. Регистры и триггер тактируются синхроимпульсами СИ.
На рис. 3, б показана временная диаграмма, соответствующая операции сложения двух операндов 101 + 110 = 1011 или в десятичном выражении 5 + 6= 11.

Рис. 3. Схема сумматора для последовательных операндов (а) и её временная диаграмма (б)
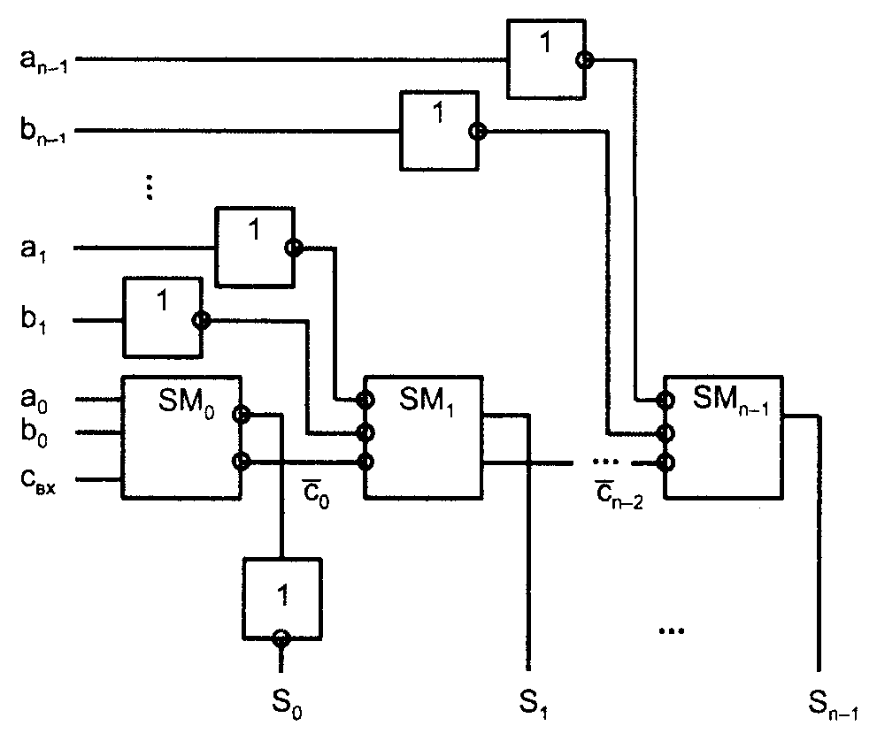
4. Параллельный сумматор с последовательным переносом
Сумматор для параллельных операндов с последовательным переносом строится как цепочка одноразрядных, соединённых последовательно по цепям переноса. Для схемы с одноразрядными сумматорами, вырабатывающими инверсии суммы и переноса, такая цепочка имеет вид, приведенный на рис. 4, поскольку функции суммы и переноса самодвойственны. Там, где в разряд сумматора должны подаваться инверсные аргументы, в их линиях имеются инверторы, а там, где вырабатывается инверсная сумма, инвертор включен в выходную цепь. Важно, что инверторы не входят в цепь передачи переноса они при этом не замедляют работу сумматора в целом.

Рис. 4. Схема сумматора с последовательным переносом
Длительность суммирования для этой схемы в наихудшем случае распространения переноса по всей цепочке разрядов составит
tsum = tac + (n 2)tcc + tcs ,
где n разрядность сумматора.
Как и в других схемах с последовательным распространением сигналов от разряда к разряду, здесь время суммирования практически пропорционально разрядности сумматора.
Если одноразрядные сумматоры выполнены по схеме (см. рис. 1, а), то время суммирования для многоразрядного сумматора составит
tsum = (n + l)tЛР ,
где tЛР задержка элемента И-ИЛИ-НЕ, обозначенная индексом ЛР, поскольку именно эти буквы входят в маркировку элементов данного типа. Если одноразрядные сумматоры выполнены по схеме (см. рис. 2), то
tsum = ntЛР .
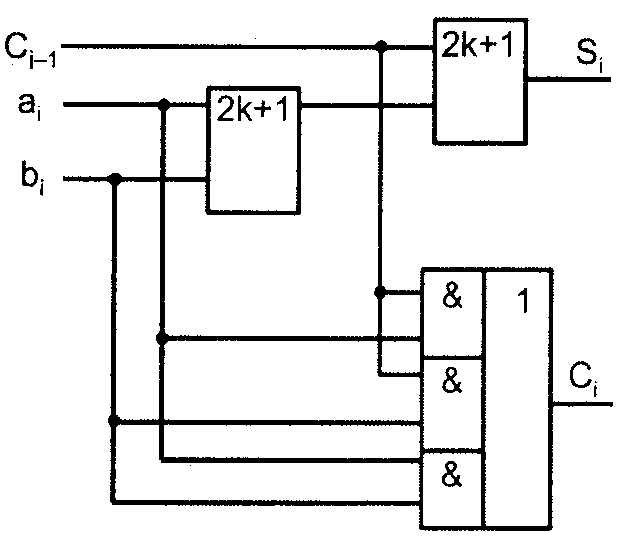
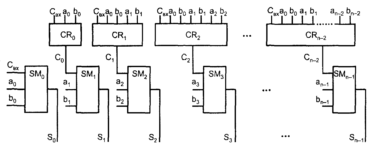
5. Параллельный сумматор с параллельным переносом
Сумматоры для параллельных операндов с параллельным переносом разработаны для получения максимального быстродействия.
Подход к решению этой задачи требует пояснений. Дело в том, что рассматриваемые сумматоры комбинационные схемы, и вырабатываемые ими функции могут быть представлены в нормальных формах, например, в ДНФ, что приводит к двухъярусной реализации при наличии парафазных аргументов и к трёхъярусной при однофазных аргументах. Таким образом, предельное быстродействие оценивается 2-3 элементарными задержками. Однако реальные схемы таких пределов не достигают, т. к. построение сумматоров многоразрядных слов на основе нормальных форм дало бы неприемлемо громоздкие схемы. Реальные схемы имеют модульную структуру, т. е. состоят из подсхем (разрядных схем), что резко упрощает их, но не даёт предельно возможного быстродействия.
Сумматоры с параллельным переносом не имеют последовательного распространения переноса вдоль разрядной сетки. Во всех разрядах результаты вырабатываются одновременно, параллельно во времени. Сигналы переноса для данного разряда формируются специальными схемами, на входы которых поступают все переменные, необходимые для выработки переноса, т. е. те, от которых зависит его наличие или отсутствие. Ясно, что это внешний входной перенос cвх (если он есть) и значения всех разрядов слагаемых, младших относительно данного. Одноразрядные сумматоры, имеющиеся в разрядных схемах, здесь упрощены, т. к. от них выход переноса не требуется, достаточно одного выхода суммы (рис. 5). Обозначение CR происходит от слова carry (перенос).

Рис. 5. Структура сумматора с параллельным переносом
Для перехода от идеи построения схемы к её конкретному виду удобно ввести две вспомогательные функции: генерации и прозрачности.
Функция генерации принимает единичное значение, если перенос на выходе данного разряда появляется независимо от наличия или отсутствия входного переноса. Очевидно, что эта функция gi = aibi .
Функция прозрачности (транзита) принимает единичное значение, если перенос на выходе данного разряда появляется только при наличии входного переноса. Эта функция 0i = ai + bi . Строго говоря, , но т. к. при ai = bi = 1, т. е. в ситуации, где между функциями ИЛИ и “исключающее ИЛИ” проявляется разница, перенос всё равно формируется из-за gi = 1, допустимо заменить функцию прозрачности на дизъюнкцию.
Теперь выражение для сигнала переноса можно записать в виде ci = gi + ci10i . На основе полученного выражения выведем функции переноса C для нулевого, первого и второго разрядов с последующим их обобщением.
Перенос на выходе младшего разряда c0 = g0 + cвх00 , согласно чему он либо генерируется самим разрядом (g0 = 1), либо пропускается через него (00 = 1 и cвх = 1).
Аналогичным образом для переноса c1 на выходе следующего разряда справедливо соотношение c1 = g1 + c001 .
Подставив в это соотношение выражение для c0 , получим
c1 = g1 + g001 + cвх0100 .
Для следующего разряда произведем те же действия
c2 = g2 + c102 = g2 + g102 + g00201 + cвх020100 .
Выведённые формулы имеют ясный физический смысл перенос на выходе разряда сгенерируется в нём или придёт от предыдущих разрядов при прозрачности тех, через которые он распространяется.
Для произвольного разряда с номером i можно записать
ci = gi + gi10i + gi20i0i1 + … + cвх0i0i1…00 .
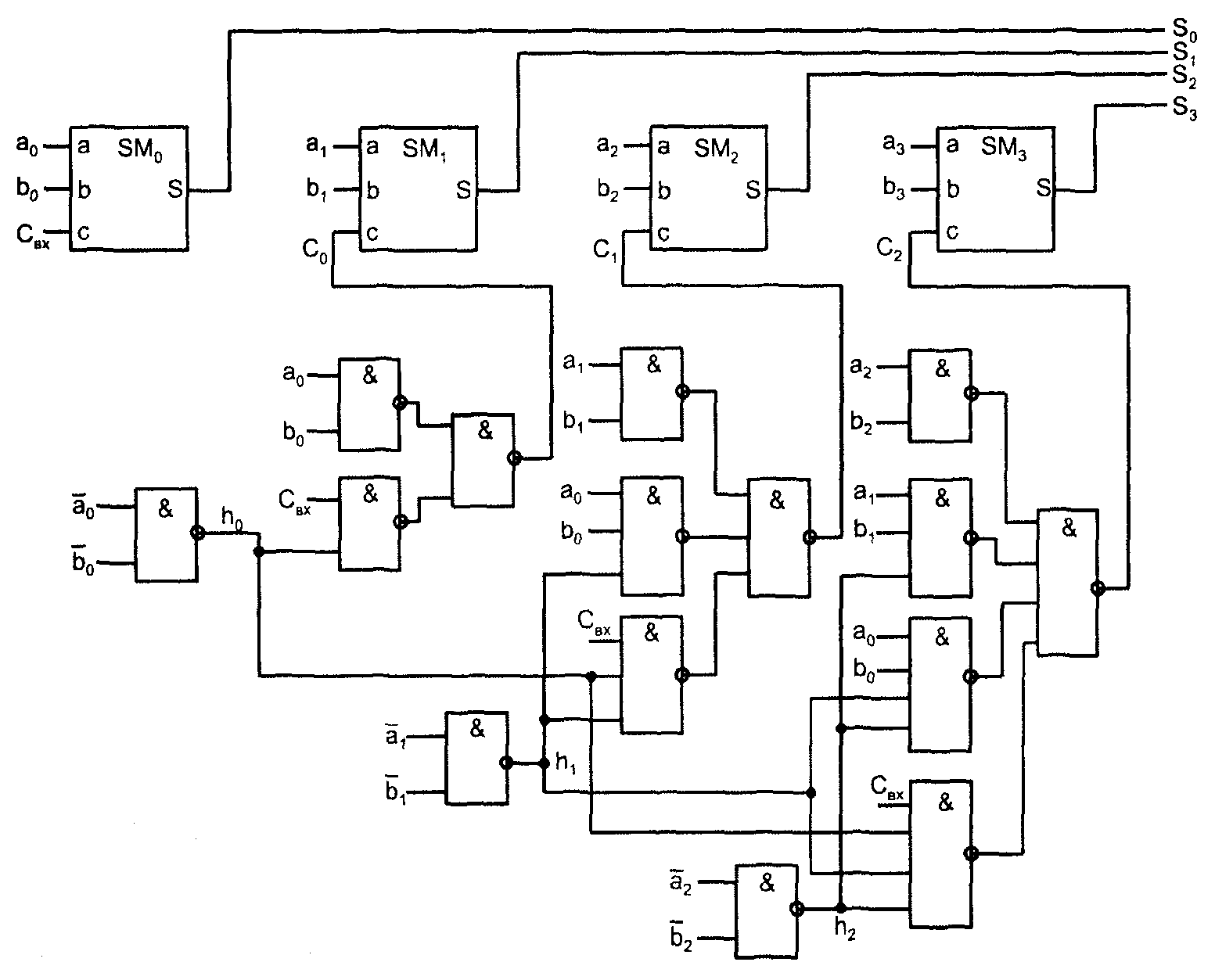
Функции переноса имеют нормальную дизъюнктивную форму и могут быть реализованы элементами И-ИЛИ (либо И-ИЛИ-НЕ, для , если это свойственно данной схемотехнике). Однако у этих элементов недостаточное число входов по И, требуемое для построения многоразрядного сумматора. Поэтому предпочтительна схема на элементах И-НЕ (у стандартных элементов имеется до восьми входов по И). Перевод полученных выражений в базис И-НЕ даёт выражения
;
;
.
Схема сумматора (рис. 6) соответствует полученным выражениям.
Исходя из схемы, можно видеть, что время суммирования складывается из времени формирования функций прозрачности (одна задержка элемента И-НЕ, которую обозначим tЛА), времени формирования функций переноса (2tЛА) и задержки упрощённых одноразрядных сумматоров (tЛР), что в результате даёт tsum = (4...5)tЛА .
Длительность суммирования, полученная из рассмотрения логической схемы сумматора, не зависит от его разрядности, что является характерным признаком структур с параллельными переносами вообще, и не только сумматоров. Однако фактически это не совсем так, поскольку с ростом разрядности сумматора увеличивается нагрузка элементов схемы, что увеличивает их задержки. В частности, коэффициент разветвления элементов, вырабатывающих функции прозрачности, равен n2/4, т. е. квадратично зависит от разрядности сумматора. Поэтому рост разрядности замедляет процесс суммирования.

Рис. 6. Вариант схемы сумматора с параллельным переносом
Диапазон разрядностей, в которых проявляются достоинства сумматоров с параллельным переносом, невелик. До n = 3...4 преимущества имеют более простые схемы сумматоров с последовательным переносом, после n = 8 появляются перегруженные элементы и элементы с большим числом входов, что замедляет работу сумматора, требует введения развязывающих элементов с их задержками и т. п.
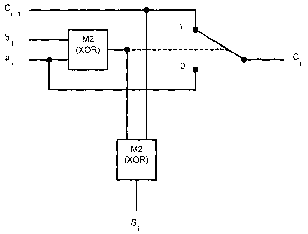
6. Сумматор с передачей сигнала переноса по цепочке замкнутых ключей
Среди компромиссных вариантов сумматоров, занимающих промежуточное положение между сумматорами с последовательным и параллельным переносами, имеется интересный вариант, который в первом приближении оценивается как обладающий простотой сумматора с последовательным переносом при быстродействии, близком к быстродействию сумматора с параллельным переносом.
Предложенный подход предусматривает разделение задачи вычисления сигналов переноса на два этапа. На первом этапе для всех разрядов (параллельно во времени) задаются условия вычисления переносов, на втором происходит простая передача информации по образованной на первом этапе цепи.
При вычислении сигнала переноса ci возможны два случая: ai = bi или ai bi . В первом случае перенос от предыдущего разряда не имеет значения (не влияет на сигнал переноса из данного разряда) и его можно исключить из рассмотрения. Действительно, при ai = bi = 0 перенос ci = 0, а при ai = bi = 1 перенос ci = 1. Следовательно, в качестве переноса может использоваться значение любого операнда (ai или bi). Примем, что ci = ai . Во втором случае сигнал переноса из данного разряда совпадает с сигналом переноса в данный разряд, т. е. ci = ci1 .
В обоих случаях после установления факта равенства или неравенства операндов дальнейших переключений элементов не требуется, происходит только передача информации по цепи, заготовленной на предыдущем этапе, что может происходить достаточно быстро.
Схема разряда описанного сумматора (рис. 2.31) содержит ключ, управляемый от элемента сложения по модулю 2 операндов aj и bj, который выявляет равенство или неравенство этих операндов. В зависимости от выходного сигнала этого элемента выходному переносу присваиваются значения aj или Q. Этот же элемент используется для вычисления совместно со вторым элементом сложения по модулю 2 значения суммы данного разряда по формуле: S, = aj XOR bj XOR Q.i, где XOR (от англ. exclusive OR) обозначение операции "исключающее ИЛИ" (синоним операции сложения по модулю 2).
Автор описанного метода построения сумматора проверил его работу при реализации схемы на элементах ТТЛ. Результат оказался эффективным. Например, для сумматоров с 2, 4 и 8 разрядами время сложения практически не зависело от разрядности, как это свойственно структурам с параллельным переносом. По скорости четырехразрядный сумматор выиграл у варианта с последовательным переносом в 2 раза, а восьмиразрядный сумматор в 3,5 раза. Естественно, рассматриваемая структура может быть реализована в Рамках любой схемотехнологии, в том числе и на наиболее популярной схе-Мотехнологии КМОП. Эффективность метода будет зависеть от задержки сигнала при его распространении через цепочку, состоящую из последовательного соединения замкнутых ключей, и в зависимости от параметров этих ключей будет меняться.

Рис. 7. Схема разряда сумматора с передачей сигнала переноса
по цепочке замкнутых ключей
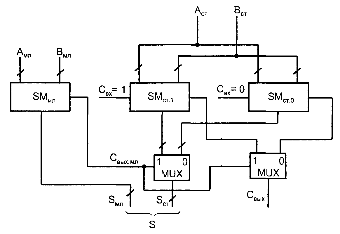
Сумматор с условным переносом
Сумматор с условным переносом давно известная структура, которая со временем вышла из широкого применения, но сейчас возродилась в новейших СБИС программируемой логики. Эта структура улучшает быстродействие сумматоров с последовательным переносом. В СБИС программируемой логики, начиная с семейства микросхем FLEX 8000 фирмы Altera, была реализована цепь последовательных переносов с малыми задержками (1 нс на разряд, впоследствии задержка переноса была снижена до 0,2 нс на разряд). Это возродило интерес к структурам с последовательным переносом и, соответственно, к методам улучшения их быстродействия.
Идея построения сумматора с условным переносом такова. Имея сумматор с n разрядами, делят его на две равные группы с разрядностями n/2. Старшую группу дублируют, так что в схему входят три сумматора с разрядностью n/2. На одном суммируются младшие поля операндов Амл и Вмл . На втором старшие поля операндов Аст и Вст при условии Свх = 1, в третьем старшие же поля операндов при условии Свх = 0. После получения результата в младшем сумматоре становится известным фактическое значение переноса в старший сумматор, и из двух заготовленных заранее результатов выбирается тот, который нужен в данном случае. Цепь последовательного переноса здесь как бы укорачивается вдвое, т. к. обе половины сумматора работают параллельно во времени (рис. 10).

Рис. 10. Схема сумматора с условным переносом
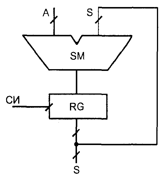
Накапливающий сумматор
Накапливающий сумматор обычно представляет собою сочетание комбинационного сумматора и регистра, работающее по формуле S := S + А, согласно которой к содержимому сумматора добавляется очередное слагаемое, и результат замещает старое значение суммы. Структура накапливающего сумматора показана на рис. 11. Очередное прибавление слагаемого тактируется синхроимпульсами СИ. Учитывая особенности функционирования, накапливающие сумматоры называют иногда аккумуляторами.

Рис. 11. Структура накапливающего сумматора
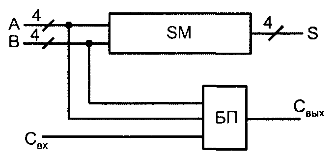
В сериях элементов имеются одноразрядные сумматоры, в том числе с дополнительной входной логикой, двухразрядные и четырехразрядные. Примером стандартных ИС сумматоров могут служить микросхемы ИМЗ серии К555, содержащие четырехразрядный сумматор с последовательным переносом и блок переноса (рис. 2.36), которые непосредственно пригодны для составления из них группового сумматора с цепным переносом.
Микросхемы четырехразрядных сумматоров можно также объединять в групповую структуру с межгрупповым параллельным переносом с помощью специальных блоков ускоренного переноса.

Рис. 12. Структура микросхемы К555ИМ3
В некоторых сериях элементов сумматоры отсутствуют. Причиной этого обычно является наличие арифметико-логического устройства (АЛУ), для которого режим суммирования есть один из возможных режимов.
Арифметико-логические устройства
1. Арифметико-логические устройства и блоки ускоренного переноса
Арифметико-логические устройства (АЛУ) [ALU = Arithmetic-Logic Unit] предназначены для выполнения ряда действий над двоичными словами. Основой АЛУ служит сумматор, схема которого дополнена логикой, расширяющей функциональные возможности АЛУ и обеспечивающей его перестройку с одной операции на другую.
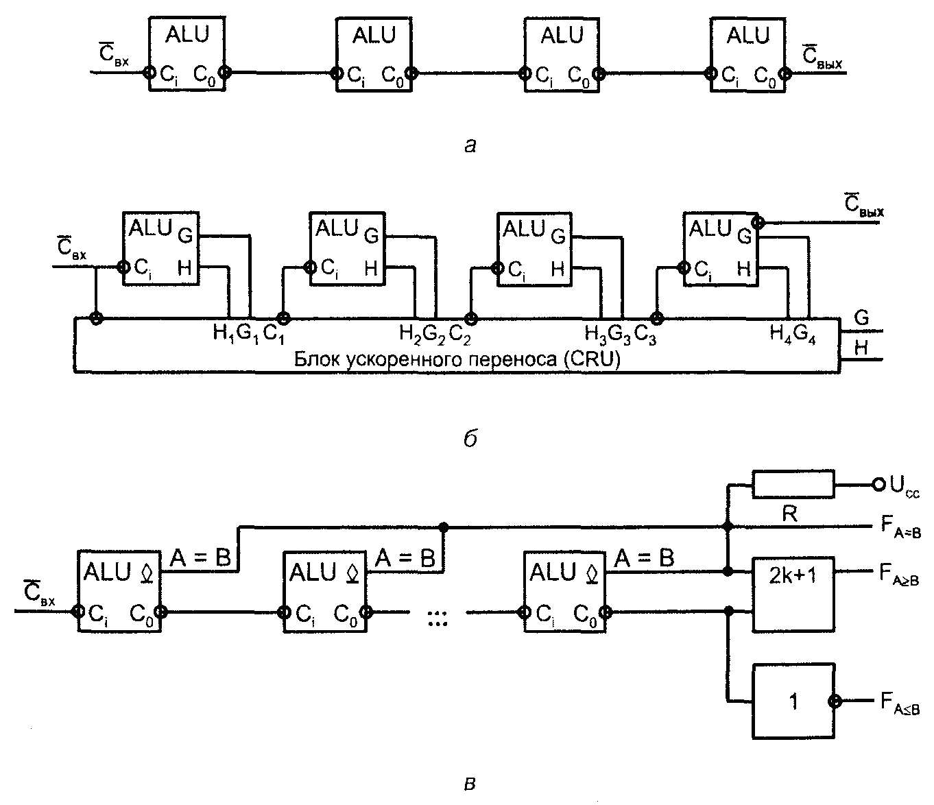
Обычно АЛУ четырёхразрядны и для наращивания разрядности объединяются с формированием последовательных или параллельных переносов. Логические возможности АЛУ разных технологий (ТТЛШ, КМОП, ЭСЛ) сходны. В силу самодвойственности выполняемых операций условное обозначение и таблица истинности АЛУ встречаются в двух вариантах, отличающихся взаимно инверсными значениями переменных.
АЛУ (рис. 1) имеет входы операндов А и В, входы выбора операций S, вход переноса и вход М (Mode режим), сигнал которого задаёт тип выполняемых операций: логические (М = 1) или арифметико-логические (М = 0). Результат операции вырабатывается на выходах F, выходы G и Н дают функции генерации и прозрачности, используемые для организаций параллельных переносов при наращивании размерности АЛУ. Сигнал выходной перенос, а выход А = В это выход сравнения на равенство с открытым коллектором.

Рис. 1. Условное обозначение АЛУ
Перечень выполняемых АЛУ операций дан в табл. 1. Для краткости двоичные числа S3S2S1S0 представлены их десятичными эквивалентами. Под полужирными обозначениями 1 и 0 следует понимать наборы 1111 и 0000, входной перенос поступает в младший разряд слова, т. е. равен 000Ci . Логические операции поразрядные, т. е. операция над словами А * В означает, что ai * bi при отсутствии взаимовлияния разрядов. При арифметических операциях учитываются межразрядные переносы.
16 логических операций позволяют воспроизводить все функции двух переменных. В логико-арифметических операциях встречаются и логические, и арифметические операции одновременно.
Запись типа следует понимать так: вначале поразрядно выполняются операции инвертирования (), логического сложения () и умножения (АВ), а затем полученные указанным образом два четырёхразрядных числа складываются арифметически.
Таблица 1
|
S |
Логические функции (М = 1) |
Арифметико-логические функции (М = 0) |
|
0 1 2 3 |
0 |
A + Ci + Ci + Ci 1 + Ci |
|
4 5 6 7 |
А + + Ci + AB + Ci А + + Ci + 1 + Ci |
|
|
8 9 10 11 |
В АВ |
А + АВ + Ci А + В + Ci + AB + Ci АВ + 1 + Ci |
|
12 13 14 15 |
1 А |
А + А + Ci + A + Ci + A + Ci А + 1 + Ci |
При операциях над словами большой размерности АЛУ соединяются друг с другом с организацией последовательных (рис. 2, а) или параллельных (рис. 2, б) переносов. В последнем случае совместно с АЛУ применяют микросхемы блоки ускоренного переноса (CRU = CaRry Unit), получающие от отдельных АЛУ функции генерации и прозрачности, а также входной перенос и вырабатывающие сигналы переноса.

Рис. 2. Схемы наращивания АЛУ при последовательном (а) и параллельном (б) переносах и реализация функций компаратора для группы АЛУ (в)
Блок CRU вырабатывает также функции генерации и прозрачности для всей группы обслуживаемых им АЛУ, что при необходимости позволяет организовать параллельный перенос на следующем уровне (между несколькими группами из четырёх АЛУ).
На рис. 2, в показаны способы выработки сигналов сравнения слов для группы АЛУ. Выход сравнения на равенство выполняется по схеме монтажной логики для выходов типа ОК (общий коллектор). Комбинируя сигнал равенства слов с сигналом переноса на выходе группы при работе АЛУ в режиме вычитания, легко получить функции Fab и Fab . Если А < В, то при вычитании возникает заём из старшего разряда и Fab = 1. Если заём отсутствует (А > В), то получим Fab = 1.
2. Матричные умножители
Микросхемы множительных устройств появились в 1980-х г.г., когда достигнутый уровень интеграции позволил разместить на одном кристалле достаточно большое количество логических элементов.
Структура матричных умножителей тесно связана со структурой математических выражений, описывающих операцию умножения.
Пусть имеются два целых двоичных числа без знаков Аm = аm1...а0 (множимое) и Bn = bn...b0 (множитель). Их перемножение выполняется по известной схеме “умножения столбиком”. Если числа четырёхразрядные, т. е. m = n = 4, то
а3 а2 а1 а0
b3 b2 b1 b0
a3b0 a2b0 a1b0 a0b0
+ a3b1 a2b1 a1b1 a0b1
+ a3b2 a2b2 a1b2 a0b2
+ a3b3 a2b3 a1b3 a0b3
p7 p6 p5 p4 p3 p2 p1 p0
Произведение выражается числом Pm+n = pm+n1 pm+n1… p0 .
Члены вида aibj , где i = 0...(m 1) и j = 0...(n1) вырабатываются параллельно во времени конъюнкторами. Их сложение в столбцах, которое можно выполнять разными способами, составляет основную операцию для умножителя и определяет почти целиком время перемножения.
Матричные перемножители могут быть просто множительными блоками (МБ) или множительно-суммирующими блоками (МСБ), последние обеспечивают удобство наращивания размерности умножителя.
МСБ реализует операцию Р = Аm Вn + Сm + Dn , т. е. добавляет к произведению два слагаемых: одно разрядности т, совпадающей с разрядностью множимого, другое разрядности n, совпадающей с разрядностью множителя.
Множительно-суммирующие блоки
Множительно-суммирующий блок (МСБ) для четырёхразрядных операндов без набора конъюнкторов, вырабатывающих члены вида aibj , показан на рис. 3, а, где для одноразрядного сумматора принято обозначение (рис. 3, б).
Для построения МСБ чисел равной разрядности потребовалось n2 конъюнкторов и n2 одноразрядных сумматоров.

Рис. 3. Схема множительно-суммирующего блока для четырёхразрядных
сомножителей (а), обозначение одноразрядного сумматора для данной схемы (б)

Рис. 4. К пояснению принципа наращивания размерности множительных устройств (а),
условное обозначение множительно-суммирующего блока (б) и схема умножителя
“4 4”, построенная на множительно-суммирующих блоках “4 2” (в)
Максимальная длительность умножения сумма задержек сигналов в конъюнкторах для выработки членов aibj и задержки в наиболее длинной цепочке передачи сигнала в матрице одноразрядных сумматоров, равной 2n 1 (m + n 1 в общем случае). Таким образом, tMPL = tк + (2n l)tSM , где tк задержка конъюнктора.
Схема множительного блока отличается от схемы МСБ тем, что в ней отсутствуют сумматоры правой диагонали, т. к. при Сm = 0 и Dn = 0 они не требуются.
Построение умножителей большей размерности из умножителей меньшей размерности на основе МБ требует введения дополнительных схем, называемых “деревьями Уоллеса”, которые имеются в некоторых зарубежных сериях. При использовании МСБ дополнительные схемы не требуются. Принцип наращивания размерности умножителя иллюстрируется на рис. 4, а на примере построения MPL “4 4” из МСБ “4 2”. На поле частичных произведений выделены зоны, воспроизведение которых возможно на блоках размерности 42 (это две первые и две последние строки).
Перемножение в пределах зон даёт частичные произведения
p1 = p51 p41 p31 p21 p11 p01 и р2 = р52 р42 р32 р22 р12 р02 . Для получения конечного значения произведения эти частичные произведения нужно сложить с учётом их взаимного положения (сдвига одного относительно другого).
Схема, реализующая указанный принцип, изображена на рис. 4, в. В ней использовано условное обозначение МСБ (рис. 4, б). Для общности оба блока размерности 42 показаны как МСБ, хотя первый может быть просто множительным блоком, т. к. для него слагаемые С и D имеют нулевое значение.
Схемы ускоренного умножения
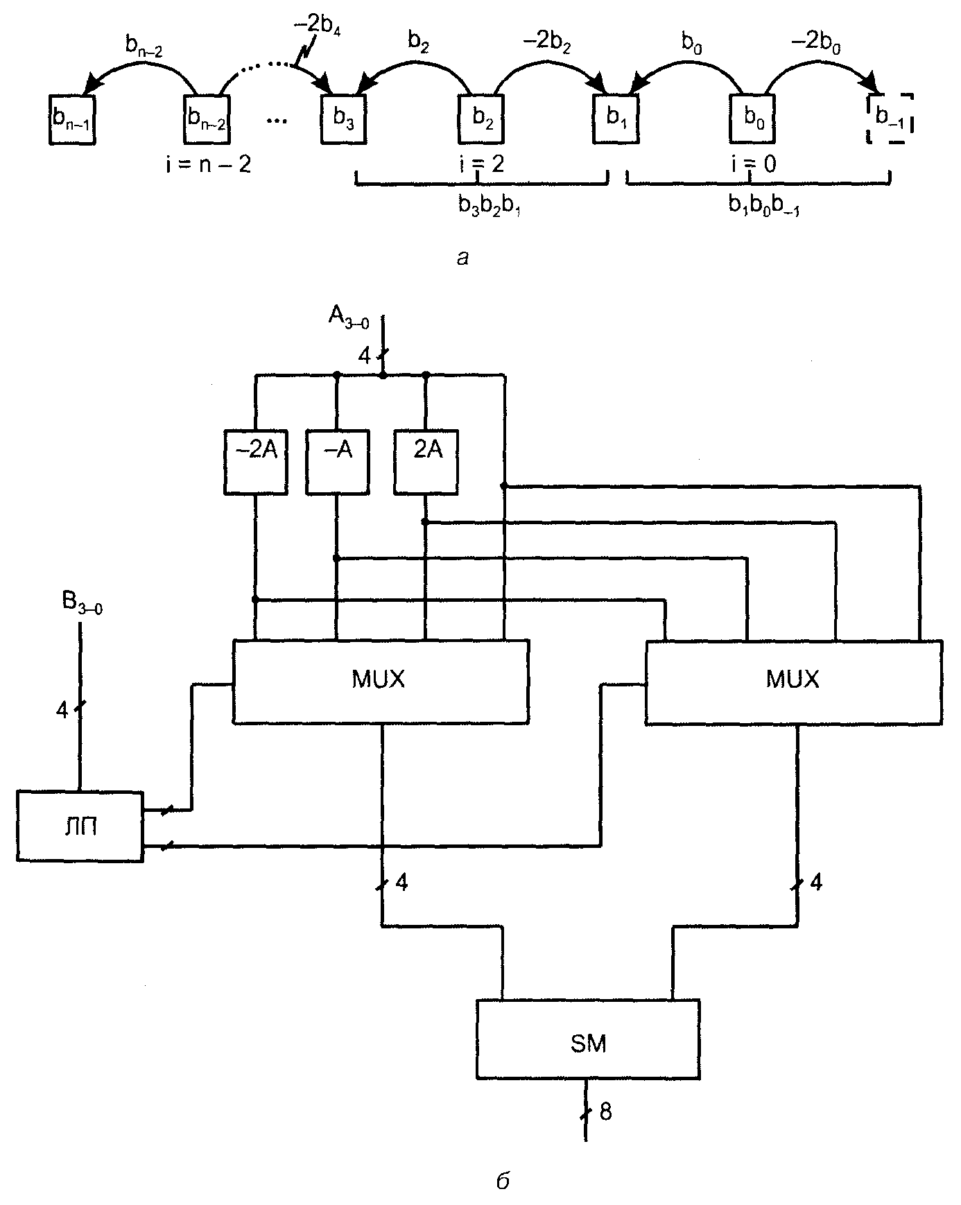
Для ускорения умножения разработан ряд алгоритмов, большой вклад в эти разработки внёс Э. Бут (Е. Boot). Рассмотрим процесс умножения по так называемому модифицированному алгоритму Бута (умножение сразу на два разряда).
Из изложенного ранее видно, что основную задержку в процесс выработки произведения вносит суммирование частичных произведений. Уменьшение их числа сократило бы время суммирования. К этому приводит алгоритм, основанный на следующих рассуждениях.
Пусть требуется вычислить произведение
Р = А В = А (bn12n1 + bn22n2 + ... + b020). (2.1)
Непосредственное воспроизведение соотношения (2.1) связано с выработкой частичных произведений вида Abi2i (i = 0...n1). Число таких произведений равно разрядности множителя n.
Выражение (2.1) можно видоизменить с помощью соотношения
bi2i = bi2i+1 2bi2i1, (2.2)
справедливость которого очевидна.
Это соотношение позволяет разреживать последовательность (спектр) степеней в сумме частичных произведений. Можно, например, исключить чётные степени, как показано на рис. 5, а.

Рис. 5. К пояснению принципа быстрого умножения “сразу на два разряда” (а)
и схема быстрого умножения (б)
Исключение чётных (или нечётных) степеней не только изменяет значения оставшихся частичных произведений, но и сокращает их число примерно вдвое, что, в конечном счёте ускоряет выработку произведения. Для того чтобы “разнести по соседям” член со степенью 20, расширим разрядную сетку, введя слагаемое b121 (нулевой разряд с номером 1).
Оставшиеся частичные произведения имеют вид
Ri = A(2bi+1 + bi + bi1)2i.
Так как число частичных произведений уменьшилось примерно вдвое, при применении этого алгоритма говорят об умножении сразу на два разряда.
Для всех возможных сочетаний bi+1 , bi, bi+1 можно составить таблицу (табл. 2) частичных произведений.
Таблица 2
|
b|+i |
ь, |
bi_i |
Значение скобки |
Ri/2' |
Операция для получения R|/2' |
|
0 |
0 |
0 |
0 |
0 |
Заменить А нулем |
|
0 |
0 |
1 |
1 |
А |
Скопировать А |
|
0 |
1 |
0 |
1 |
А |
Скопировать А |
|
0 |
1 |
1 |
2 |
2А |
Сдвинуть А влево |
|
1 |
0 |
0 |
-2 |
-2А |
Сдвинуть А влево и преобразовать в дополнительный код |
|
1 |
0 |
1 |
-1 |
-А |
Преобразовать А в дополнительный код |
|
1 |
1 |
0 |
-1 |
-А |
Преобразовать А в дополнительный код |
|
1 |
1 |
1 |
0 |
0 |
Заменить А нулем |
Пример
Пусть требуется умножить \0\Ъ2 на ОИЪ, т. е. 10x7. При разреживании частичных произведений оставим только нечётные, как показано на рис. 2.41, а. Расширив разрядную сетку множителя, имеем В = b4b3b2bibob_ib-2 = 0011100.
Первому частичному произведению соответствует тройка bob_ib^2 = 100. Из табл. 2.14 получаем, что этой тройке соответствует частичное произведение -2А 2" = -А, для получения которого требуется перевести А в дополнительный код. Сама величина А в пределах разрядной сетки произведения должна быть записана как 00001010, ее обратный код 11110101 и дополнительный код 11110110.
Второму частичному произведению соответствует тройка b2bibo = 111, следовательно, второе частичное произведение равно нулю (табл. 2.14).
Третьему частичному произведению соответствует тройка ЬдЬзЬг = 001, следовательно, оно имеет вид А 23 = 01010000.
У 38
Глава 2
Для получения результата заданного умножения требуется сложить частичные произведения:
11110110
01010000
01000110 = 26 + 22 + 21 = 64 + 4 + 2 = 70.
Схема, реализующая алгоритм быстрого умножения сразу на два разряда, показана на рис. 2.41, б.
Множимое А поступает в этой схеме на ряд преобразователей, заготавливающих все возможные варианты частичных произведений (-2А, -А, 2А), кроме самого А и нуля, которые не требуют схемной реализации. Множитель В поступает на логический преобразователь ЛП, который анализирует тройки разрядов, декодирует их и дает мультиплексорам MUX сигналы выбора того или иного варианта частичных произведений. Окончательный результат получается суммированием частичных произведений с учетом их взаимного сдвига в разрядной сетке. Размерность умножителя 4x4.
Приведенные ранее примеры множительных устройств касались операций с прямыми кодами. В этом случае умножение знакопеременных чисел сведется только к выработке знакового разряда как суммы по модулю 2 знаковых разрядов сомножителей. Если же числа представлены не прямыми кодами со знаковыми разрядами, а, например, дополнительными кодами, то, имея рассмотренные ранее умножители, можно дополнить их преобразователями дополнительного кода в прямые на входах и преобразователем прямого кода в дополнительный на выходе или использовать схемы, непосредственно реализующие алгоритмы умножения дополнительных кодов (см., например, [37]).
Разработке матричных умножителей уделяют внимание многие фирмы. В отечественных сериях МИС/СИС имеются умножители малой размерности (2 х 2, 4 х 4, 4 х 2 и др.). В сериях БИС размерности умножителей значительно больше. В серии 1802, например, имеются умножители 8x8, 12x12, 16x16 (ВРЗ, ВР4 и ВР5 соответственно). В схемотехнике ЭСЛ выполнен умножитель 1800ВР1 (8 х 8 за 17 не). Зарубежные фирмы разработали умножители (фирмы BIT, Hitachi и др.) размерностями 16x16 и более с временами умножения 3...5 не. Несколько лет назад предприятие "Интеграл" (г. Минск) выпустило умножитель КА1843ВР1 размерностью 32x32 со временем умножения 250 нс в корпусе с 172 выводами.
§ 2.11. Быстрые сдвигатели
Сдвиги слов в разрядной сетке типовая операция, используемая при вычислениях с представлением чисел с плавающей точкой, умножениях чисел на константу и в других случаях. Среди самых распространенных узлов
цифровых устройств (регистров) имеются сдвигающие, но с их помощью сдвиг на несколько разрядов можно реализовать только как результат нескольких одноразрядных, а это занимает много времени. Поэтому были разработаны так называемые быстрые сдвигатели, которые перемещают слово сразу на несколько разрядов в соответствии с указанным значением сдвига.
Схемотехника быстрых сдвигателей насчитывает ряд вариантов, из которых основными являются сдвигатели, управляемые кодом "1 из N" (Barrel Shifters) и сдвигатели, управляемые двоичным кодом (Logarithmic Shifters).
Сдвигатель, управляемый кодом "1 из N"
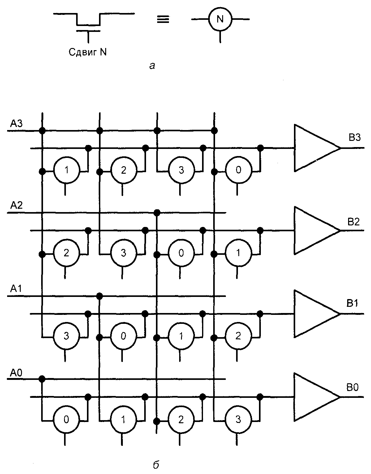
Структура этого варианта показана на рис. 2.42, б с обозначением ключевых транзисторов согласно рис. 2.42, а. Ключевые транзисторы (Pass transistors) для наглядности представления структуры изображены кружками, причем по прямой линии расположены выводы истока и стока (т. е. в эту линию включен управляемый ключ), а боковой вывод связан с затвором, и на него подается управляющее напряжение. Обозначение управляющего напряжения, замыкающего ключ, записывается в кружке в сокращенном виде. Если ключ замыкается сигналом "Сдвиг N", т. е. при команде сдвига на N разрядов, то в кружке ставится символ N.
Основа схемы сдвигателя матрица ключевых транзисторов, управляемых кодами "1 из N" согласно табл. 2.15 (сдвиги производятся в сторону разрядов с меньшими номерами).
Таблица 2.15
|
Операция |
Сигналы управления |
|||
|
Сдвиг 0 |
Сдвиг 1 |
Сдвиг 2 |
Сдвиг 3 |
|
|
Передача без сдвига Сдвиг на 1 разряд Сдвиг на 2 разряда Сдвиг на 3 разряда |
1 0 0 0 |
0 1 0 0 |
0 0 1 0 |
0 0 0 1 |
Требуемый результат получается за счет определенной схемы соединений ключей. В схеме рис. 2.42, предусмотрено автоматическое повторение знакового разряда и на выходы В передаются следующие коды:
при сдвиге на 0 разрядов: А3А2А1А0;
при сдвиге на 1 разряд: A3A3A2Ai;
при сдвиге на 2 разряда: А3А3АзА2;
при сдвиге на 3 разряда: А3А3А3А3.

Рис. 2.42. Условное обозначение ключевых транзисторов, принятое при изображении структуры сдвигателя, управляемого кодом "1 из N" (а) и структура сдвигателя (б)
Сдвигатель типа Barrel Shifter отличается высоким быстродействием, т. к. сигнал сдвига замыкает для каждой передачи входного бита на выходной буфер цепь только из одного ключа. Однако это справедливо, если управляющий код является кодом "1 из N". В большинстве случаев управляющие коды исходно вырабатываются как двоичные, и перед сдвигателем требуется включать дешифратор, что увеличивает как сложность схемы, так и задержки в ее работе. В этих случаях, особенно при больших величинах максимально возможных сдвигов, преимущество по технико-экономическим показателям обычно оказывается на стороне сдвигателя, непосредственно управляемого двоичными кодами и называемого логарифмическим.
функциональные узлы комбинационного типа
141
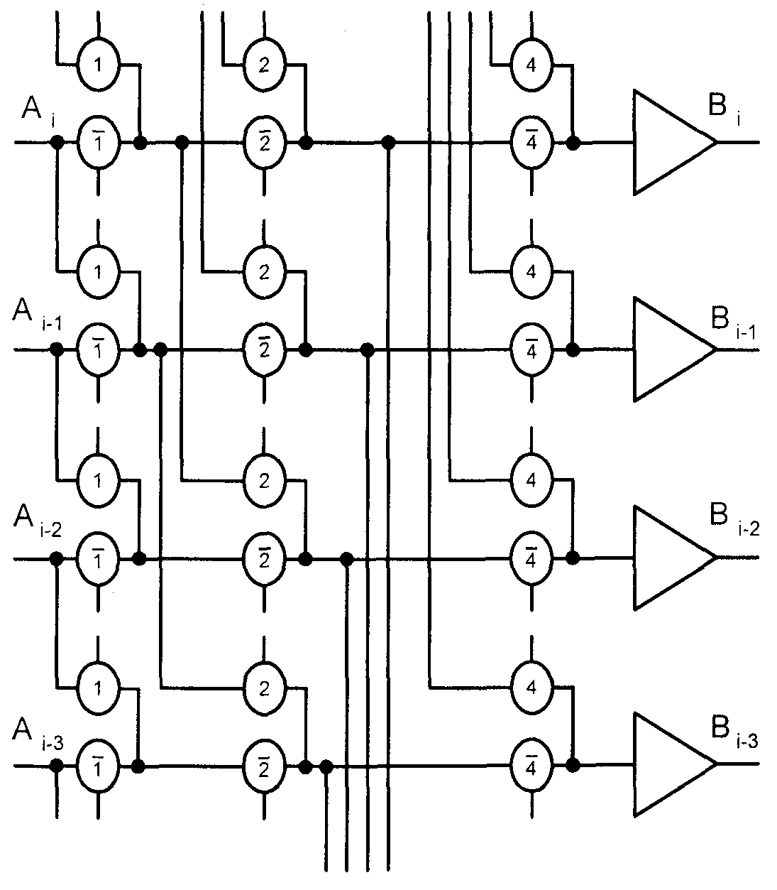
Сдвигатель, управляемый двоичным кодом (логарифмический)
В отличие от предыдущего варианта этот сдвигатель в качестве основы имеет не единую матрицу ключевых транзисторов, а схему, состоящую из нескольких каскадов (ступеней). Число ступеней N связано со значением максимального сдвига S зависимостью N = log2S, что и объясняет название "логарифмический" применительно к данному типу сдвигателя. Требуемое значение величины сдвига образуется в этом сдвигателе как композиция нескольких сдвигов, каждый из которых равен числу 2', где i = 1, 2, 3.
Структура логарифмического сдвигателя показана на рис. 2.43 на примере четырехразрядного фрагмента.

Рис. 2.43. Фрагмент структуры логарифмического сдвигателя
°означения сигналов управления ключевыми транзисторами совпадают с Принятыми на рис. 2.42, кроме того, на рисунке показаны и инверсные сиг-
142
Глава 2
налы. Как видно из схемы, сигналы от разрядов входного слова до входов выходных буферов проходят через цепочку последовательно включенных транзисторов, число которых равно log2S. Это замедляет процесс сдвига, а поскольку задержка цепочки из RC-звеньев, которая создается последовательно включенными пасс-транзисторами, зависит от их числа сильнее, чем по линейному закону, в длинные цепочки целесообразно вводить промежуточные буферные каскады, разбивая цепочки на более короткие части.
Для иллюстрации работы сдвигателя рассмотрим сдвиг на 5 разрядов. В двоичном коде число 5 представляется кодом 101 = 1х22 + 0x2' + 1x2°, соответственно чему первая и третья ступени устанавливаются в режим сдвига, а вторая в режим пропуска сигнала без сдвига.
Сумматоры