АЦП для проведения лабораторных работ
ЗАДАНИЕ НА ДИПЛОМНУЮ РАБОТУ
Студенту Тема дипломной работы: «АЦП для проведения лабораторных работ», утверждена приказом по университету приказом по университету № 421-ОД от 24 марта 2014г.
Срок сдачи расчетно-пояснительной записки на кафедру 25 июня 2014 г.
Исходные данные к работе: разработать АЦП для проведения лабораторных работ при помощи стенда «Дискрет», а также разработать устройство сбора аналоговых данных, подключаемый к персональному компьютеру.
Краткое содержание дипломной работы:
- Исследовательской части: Провести обзор наиболее популярных семейств АЦП, а так же микроконтроллеров. Провести анализ существующего промышленного оборудования для проведения лабораторных работ.
- Технологическое части: произвести выбор микросхем, описать их технические характеристики, разработать принципиальные схемы и печатные платы.
- Организационно-экономическое части: произвести расчет экономических затрат на проектирование и изготовление плат для изучения АЦП и микроконтроллеров.
- Охрана труда: произвести расчеты освещения и заземления производственного помещения, а так же рассмотреть вопросы техники безопасности при радиомонтажных работах.
АННОТАЦИЯ
В данной дипломной работе была решена проблема создания аналого-цифрового устройства для проведения лабораторных работ с использованием микроконтроллера. Разработаны структурная и принципиальная схемы. Выбран и подробно описан используемый микроконтроллер.
Описан процесс реализации устройства, программирования микроконтроллера и выбрана элементная база.
ABSTRACT
In this thesis work has solved the problem of creating an analog-to-digital devices for laboratory work using a microcontroller. Described structural and schematic diagrams. Chosen and described in detail used microcontroller.
Describes the process of the device, microcontroller programming and selected element base.
СОДЕРЖАНИЕ
|
ВВЕДЕНИЕ |
5 |
|
|
1 ИССЛЕДОВАНИЕ И АНАЛИЗ ПРЕДМЕТНОЙ ОБЛАСТИ |
7 |
|
1.1Современные аналого-цифровые преобразователи |
7 |
|
1.2 Обзор аналого-цифровых преобразователей |
7 |
|
|
1.3 Обзор лабораторных стендов для изучения АЦП |
18 |
|
|
2 ПРОЕКТИРОВАНИЕ МИКРОПРОЦЕССОРНОЙ СИСТЕМЫ |
25 |
|
|
2.1 Выбор элементной базы для реализации системы сбора аналоговых данных |
25 |
|
|
2.2 Программирование микроконтроллера |
27 |
|
|
2.3 Принципиальная схема устройства сбора аналоговых данных |
32 |
|
|
2.4 Принципиальная схема стенда для исследования АЦП |
33 |
|
|
2.5 Печатная плата |
34 |
|
|
2.6 Программа микроконтроллера |
38 |
|
|
3 ОРГАНИЗАЦИОННО-ЭКОНОМИЧЕСКАЯ ЧАСТЬ |
40 |
|
|
3.1 Общие положения |
40 |
|
|
3.2 Расчет затрат на проектирование и внедрение устройства |
40 |
|
|
3.3 Определение экономической эффективности от внедрения устройства |
44 |
|
|
4 ОХРАНА ТРУДА |
47 |
|
|
4.1 Организация рабочего места программиста |
48 |
|
|
4.2 Электробезопасность |
50 |
|
|
4.3 Пожарная безопасность |
53 |
|
|
ЗАКЛЮЧЕНИЕ |
54 |
|
|
ПЕРЕЧЕНЬ УСЛОВНЫХ ОБОЗНАЧЕНИЙ, СИМВОЛОВ, ЕДИНИЦ И ТЕРМИНОВ |
55 |
|
|
СПИСОК ИСПОЛЬЗОВАННОЙ ЛИТЕРАТУРЫ |
56 |
|
|
ПРИЛОЖЕНИЕ А АЦП для проведения лабораторных работ. Схема электрическая принципиальная |
57 |
|
|
ПРИЛОЖЕНИЕ Б АЦП для проведения лабораторных работ. Перечень элементов |
58 |
|
|
ПРИЛОЖЕНИЕ В АЦП для проведения лабораторных работ. Плата печатная |
59 |
|
|
ПРИЛОЖЕНИЕ Г Аналого-цифровой преобразователь. Схема электрическая принципиальная |
60 |
|
|
ПРИЛОЖЕНИЕ Д Аналого-цифровой преобразователь. Перечень элементов |
61 |
|
|
ПРИЛОЖЕНИЕ Е Аналого-цифровой преобразователь. Плата печатная |
62 |
ВВЕДЕНИЕ
Последние десятилетия обусловлены широким внедрением в отрасли народного хозяйства средств микроэлектроники и вычислительной техники, обмен информацией с которыми обеспечивается линейными аналоговыми и цифровыми преобразователями (АЦП и ЦАП) [1].
Современный этап характеризуется больших и сверхбольших интегральных схем ЦАП и АЦП обладающими высокими эксплуатационными параметрами: быстродействием, малыми погрешностями, многоразрядностью. Включение БИС ЦАП и АЦП единым, функционально законченным блоком сильно упростило внедрение их в приборы и установки, используемые как в научных исследованиях, так и в промышленности и дало возможность быстрого обмена информацией между аналоговыми и цифровыми устройствами.
Аналого-цифровой преобразователь (англ. Analog-to-digital converter, ADC) устройство, преобразующее входной аналоговый сигнал в дискретный код (цифровой сигнал). Обратное преобразование осуществляется при помощи ЦАП (цифро-аналогового преобразователя, DAC).
Как правило, АЦП электронное устройство, преобразующее напряжение в двоичный цифровой код. Тем не менее, некоторые неэлектронные устройства с цифровым выходом, следует также относить к АЦП, например, некоторые типы преобразователей угол-код. Простейшим одноразрядным двоичным АЦП является компаратор.
Компаратор (аналоговых сигналов) (англ. comparator - сравнивающее устройство) электронная схема, принимающая на свои входы два аналоговых сигнала и выдающая логическую «1», если сигнал на прямом входе «+» больше чем на инверсном входе «», и логический «0», если сигнал на прямом входе меньше чем на инверсном входе [1].
Простейший компаратор представляет собой дифференциальный усилитель. Компаратор отличается от линейного операционного усилителя (ОУ) устройством входного и выходного каскадов:
Входной каскад компаратора должен выдерживать широкий диапазон входных напряжений между инвертирующим и неинвертирующим входами, вплоть до размаха питающих напряжений, и быстро восстанавливаться при изменении знака этого напряжения. В операционном усилителе, охваченном обратной связью, это требование некритично, так как дифференциальное входное напряжение измеряется милливольтами и микровольтами.
Выходной каскад компаратора выполняется совместимым по уровням и токам с конкретным типом логических схем (ТТЛ, ЭСЛ и т. п.). Возможны выходные каскады на одиночном транзисторе с открытым коллектором (совместимость с ТТЛ и КМОП логикой).
При подаче эталонного напряжения на инвертирующий вход, входной сигнал подаётся на неинвертирующий вход, и компаратор является неинвертирующим (повторителем, буфером). При подаче эталонного напряжения на неинвертирующий вход, входной сигнал подаётся на инвертирующий вход и компаратор является инвертирующим (инвертором).
Несколько реже применяются компараторы на основе логических элементов, охваченных обратной связью (смотреть, например, триггер Шмитта не компаратор по своей природе, но устройство с очень схожей областью применения).
Компараторы, построенные на двух дифференциальных усилителях, можно условно разделить на двухвходовые и трехвходовые. Двухвходовые компараторы применяются в тех случаях, когда сигнал изменяется достаточно быстро и на выходе генерируют один из потенциалов, которыми запитаны операционные усилители (как правило +5 В или 0).
Трехвходовые компараторы имеют более широкую область применения и обладают двумя опорными потенциалами, за счёт чего их вольт-амперная характеристика может представлять собой прямоугольную петлю гистерезиса.
1 ИССЛЕДОВАНИЕ И АНАЛИЗ ПРЕДМЕТНОЙ ОБЛАСТИ
1.1 Современные аналого-цифровые преобразователи
В настоящее время известно большое число методов преобразования напряжение-код. Эти методы существенно отличаются друг от друга потенциальной точностью, скоростью преобразования и сложностью аппаратной реализации.
Аналого-цифровые преобразователи (АЦП) являются устройствами, которые принимают входные аналоговые сигналы и генерируют соответствующие им цифровые сигналы, пригодные для обработки микропроцессорами и другими цифровыми устройствами. Принципиально не исключена возможность непосредственного преобразования различных физических величин в цифровую форму, однако эту задачу удается решить лишь в редких случаях из-за сложности таких преобразователей. Поэтому в настоящее время наиболее рациональным признается способ преобразования различных по физической природе величин, сначала в функционально связанные с ними электрические, а затем уже с помощью преобразователей напряжение-код в цифровые. Именно эти преобразователи имеют обычно в виду, когда говорят об АЦП [2].
Процедура аналого-цифрового преобразования непрерывных сигналов, которую реализуют с помощью АЦП, представляет собой преобразование непрерывной функции времени U(t), описывающей исходный сигнал, в последовательность чисел {U'(tj )}, j=0,1,2, отнесенных к некоторым фиксированным моментам времени. Эту процедуру можно разделить на две самостоятельные операции. Первая из них называется дискретизацией и состоит в преобразовании непрерывной функции времени U(t) в непрерывную последовательность {U(tj )}. Вторая называется квантованием и состоит в преобразовании.
1.2 Обзор аналого-цифровых преобразователей
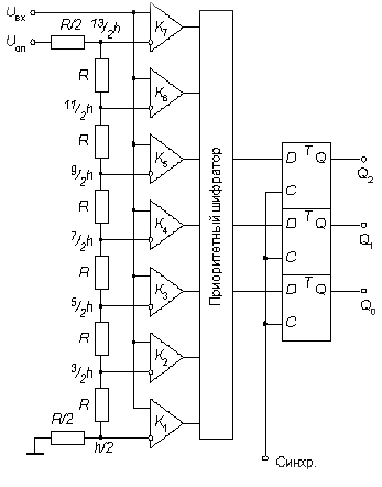
Параллельные АЦП. АЦП этого типа осуществляют квантование сигнала одновременно с помощью набора компараторов, включенных параллельно источнику входного сигнала. На рисунке 1.1 показана реализация параллельного метода АЦП-преобразования для трёх разрядного числа.
С помощью трех двоичных разрядов можно представить восемь различных чисел, включая нуль. Необходимо, следовательно, семь компараторов. Семь соответствующих эквидистантных опорных напряжений образуются с помощью резистивного делителя [2].
Если приложенное входное напряжение не выходит за пределы диапазона от 5/2h, до 7/2h, где h=Uоп/7 квант входного напряжения, соответствующий единице младшего разряда АЦП, то компараторы с первого по третий устанавливаются в состояние один, а компараторы с четвертого по седьмой - в состояние ноль. Преобразование этой группы кодов в трехзначное двоичное число выполняет логическое устройство, называемое приоритетным шифратором, диаграмма состояний которого приведена в таблице 1.1.
Таблица 1.1 Диаграмма состояний

Подключение приоритетного шифратора непосредственно к выходу АЦП может привести к ошибочному результату при считывании выходного кода. Рассмотрим, например переход от трех к четырем, или в двоичном коде от 011 к 100. Если старший разряд вследствие меньшего времени задержки изменит свое состояние раньше других разрядов, то временно на выходе возникнет число 111, т.е. семь [3]. Величина ошибки в этом случае составит половину измеряемого диапазона.
Так как результаты АЦ-преобразования записываются, как правило, в запоминающее устройство, существует вероятность получить полностью неверную величину. Решить эту проблему можно, например, с помощью устройства выборки-хранения (УВХ). Некоторые интегральные микросхемы (ИМС) параллельных АЦП, например МАХ100, снабжаются сверхскоростными УВХ, имеющими время выборки порядка 0,1 нс.

Рисунок 1.1 Схема параллельного АЦП
Другой путь состоит в использовании кода Грея, характерной особенностью которого является изменение только одной кодовой позиции при переходе от одного кодового значения к другому. Наконец, в некоторых АЦП (например, МАХ1151) для снижения вероятности сбоев при параллельном АЦ-преобразовании используется двухтактный цикл, когда сначала состояния выходов компараторов фиксируются, а затем, после установления состояния приоритетного шифратора, подачей активного фронта на синхровход выходного регистра в него записывают выходное слово АЦП [3].
Как видно из таблицы 1.1, при увеличении входного сигнала компараторы устанавливаются в состояние 1 по очереди снизу вверх. Такая очередность не гарантируется при быстром нарастании входного сигнала, так как из-за различия во временах задержки компараторы могут переключаться в другом порядке. Приоритетное кодирование позволяет избежать ошибки, возможной в этом случае, благодаря тому, что единицы в младших разрядах не принимаются во внимание приоритетным шифратором.
Благодаря одновременной работе компараторов параллельный АЦП является самым быстрым. Например, восьмиразрядный преобразователь типа МАХ104 позволяет получить один млрд отсчетов в секунду при времени задержки прохождения сигнала не более 1,2 нс. Недостатком этой схемы является высокая сложность. Действительно, N-разрядный параллельный АЦП сдержит 2N-1 компараторов и 2N согласованных резисторов. Следствием этого является высокая стоимость (сотни долларов США) и значительная потребляемая мощность. Тот же МАХ104, например, потребляет около четырех Вт.
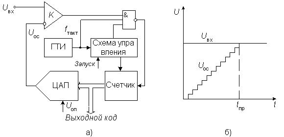
Последовательные АЦП. Данные виды АЦП бывают последовательного счета и последовательного приближения. Структурная схема АЦП последовательного счета приведена на рисунке 1.2.
Работа преобразователя начинается с прихода импульса запуска, который включает счетчик, суммирующий число импульсов, поступающих от генератора тактовых импульсов ГТИ. Выходной код счетчика подается на ЦАП, осуществляющий его преобразование в напряжение обратной связи Uос. Процесс преобразования продолжается до тех пор, пока напряжение обратной связи сравняется с входным напряжением и переключится компаратор, который своим выходным сигналом прекратит поступление тактовых импульсов на счетчик. Переход выхода компаратора из один в ноль означает завершение процесса преобразования. Выходной код, пропорциональный входному напряжению в момент окончания преобразования, считывается с выхода счетчика [3].

Рисунок 1.2 - АЦП последовательного счета (а), временная диаграмма (б)
Время преобразования АЦП этого типа является переменным и определяется входным напряжением. Его максимальное значение соответствует максимальному входному напряжению и при разрядности двоичного счетчика N и частоте тактовых импульсов fтакт равно tпр.макс = (2N-1)/ fтакт.
Например, при N=10 и fтакт = 1 МГц tпр.макс = 1024 мкс, что обеспечивает максимальную частоту выборок порядка одного кГц.
Статическая погрешность преобразования определяется суммарной статической погрешностью используемых ЦАП и компаратора. Частоту счетных импульсов необходимо выбирать с учетом завершения переходных процессов в них.
При работе без устройства выборки-хранения апертурное время совпадает со временем преобразования. Как следствие, результат преобразования чрезвычайно сильно зависит от пульсаций входного напряжения. При наличии высокочастотных пульсаций среднее значение выходного кода нелинейно зависит от среднего значения входного напряжения. Это означает, что АЦП данного типа без устройства выборки-хранения пригодны для работы с постоянными или медленно изменяющимися напряжениями, которые за время преобразования изменяются не более чем на значение кванта преобразования.
Таким образом, особенностью АЦП последовательного счета является небольшая частота дискретизации, достигающая нескольких килогерц. Достоинством АЦП данного класса является сравнительная простота построения, определяемая последовательным характером выполнения процесса преобразования.
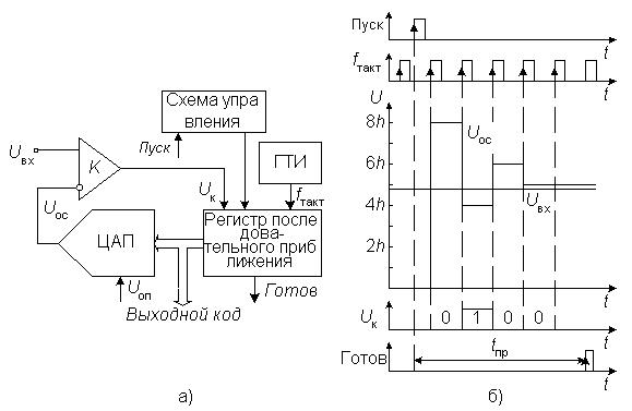
АЦП последовательного приближения, называемый в литературе также АЦП с поразрядным уравновешиванием, является наиболее распространенным вариантом последовательных АЦП [3].
В основе работы этого класса преобразователей лежит принцип дихотомии, т.е. последовательного сравнения измеряемой величины с 1/2, 1/4, 1/8 и т.д. от возможного максимального значения ее. Это позволяет для N-разрядного АЦП последовательного приближения выполнить весь процесс преобразования за N последовательных шагов (итераций) вместо 2N-1 при использовании последовательного счета и получить существенный выигрыш в быстродействии. Так, уже при N=10 этот выигрыш достигает 100 раз и позволяет получить с помощью таких АЦП до 105...106 преобразований в секунду. В то же время статическая погрешность этого типа преобразователей, определяемая в основном используемым в нем ЦАП, может быть очень малой, что позволяет реализовать разрешающую способность до 18 двоичных разрядов при частоте выборок до 200 кГц (например, DSP101 фирмы Burr-Brown).
Рассмотрим принципы построения и работы АЦП последовательного приближения на примере классической структуры (рисунок 1.3а) четырёх разрядного преобразователя, состоящего из трех основных узлов: компаратора, регистра последовательного приближения (РПП) и ЦАП [4].

Рисунок 1.3 Структурная схема (а) и временная диаграмма (б)
АЦП последовательного приближения
После подачи команды "Пуск" с приходом первого тактового импульса РПП принудительно задает на вход ЦАП код, равный половине его шкалы (для 4-разрядного ЦАП это 10002=810). В этом последнем случае схема управления должна переключить старший разряд d3 обратно в состояние нуля. Непосредственно вслед за этим остаток Uвх - d3 23 h.
Таким же образом сравнивается с ближайшим младшим разрядом и т.д. После четырех подобных выравнивающих шагов в регистре последовательного приближения оказывается двоичное число, из которого после цифро-аналогового преобразования получается напряжение, соответствующее Uвх с точностью до одного ЕМР. Выходное число может быть считано с РПП в виде параллельного двоичного кода по N линиям. Кроме того, в процессе преобразования на выходе компаратора, как это видно из рисунка 1.3б, формируется выходное число в виде последовательного кода старшими разрядами вперед.
Быстродействие АЦП данного типа определяется суммой времени установления tуст ЦАП до установившегося значения с погрешностью, не превышающей 0,5 ЕМР, времени переключения компаратора tк и задержки распространения сигнала в регистре последовательного приближения tз. Сумма tк + tз является величиной постоянной, а tуст уменьшается с уменьшением веса разряда. Следовательно, для определения младших разрядов может быть использована более высокая тактовая частота. При поразрядной вариации fтакт возможно уменьшение времени преобразования tпр на 40%. Для этого в состав АЦП может быть включен контроллер [4].
При работе без устройства выборки-хранения апертурное время равно времени между началом и фактическим окончанием преобразования, которое так же, как и у АЦП последовательного счета, по сути, зависит от входного сигнала, т.е. является переменным. Возникающие при этом апертурные погрешности носят также нелинейный характер. Поэтому для эффективного использования АЦП последовательного приближения, между его входом и источником преобразуемого сигнала следует включать УВХ. Большинство выпускаемых в настоящее время ИМС АЦП последовательного приближения (например, 12-разрядный МАХ191, 16-разрядный AD7882 и др.), имеет встроенные устройства выборки-хранения или, чаще, устройства слежения-хранения (track-hold), управляемые сигналом запуска АЦП. Устройство слежения-хранения отличается тем, что постоянно находится в режиме выборки, переходя в режим хранения только на время преобразования сигнала.
Данный класс АЦП занимает промежуточное положение по быстродействию, стоимости и разрешающей способности между последовательно-параллельными и интегрирующими АЦП и находит широкое применение в системах управления, контроля и цифровой обработки сигналов.
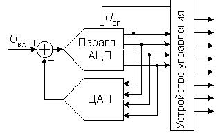
Последовательно-параллельные АЦП. Последовательно-параллельные АЦП являются компромиссом между стремлением получить высокое быстродействие и желанием сделать это по возможности меньшей ценой. Последовательно-параллельные АЦП занимают промежуточное положение по разрешающей способности и быстродействию между параллельными АЦП и АЦП последовательного приближения. Последовательно-параллельные АЦП подразделяют на многоступенчатые, многотактные и конвеерные [4].
Многоступенчатые АЦП. В многоступенчатом АЦП процесс преобразования входного сигнала разделен в пространстве. В качестве примера на рисунке 1.5 представлена схема двухступенчатого 8-разрядного АЦП.
Верхний по схеме АЦП осуществляет грубое преобразование сигнала в четыре старших разряда выходного кода. Цифровые сигналы с выхода АЦП поступают на выходной регистр и одновременно на вход четырехразрядного быстродействующего ЦАП. Во многих ИМС многоступенчатых АЦП (AD9042, AD9070 и др.) этот ЦАП выполнен по схеме суммирования токов на дифференциальных переключателях, но некоторые (AD775, AD9040A и др.) содержат ЦАП с суммированием напряжений. Остаток от вычитания выходного напряжения ЦАП из входного напряжения схемы поступает на вход АЦП2, опорное напряжение которого в 16 раз меньше, чем у АЦП1. Как следствие, квант АЦП2 в 16 раз меньше кванта АЦП1. Этот остаток, преобразованный АЦП2 в цифровую форму представляет собой четыре младших разряда выходного кода. Различие между АЦП1 и АЦП2 заключается прежде всего в требовании к точности: у АЦП1 точность должна быть такой же как у восьмиразрядного преобразователя, в то время как АЦП2 может иметь точность 4-разрядного [5].

Рисунок 1.5 - Структурная схема двухступенчатого АЦП
Грубо приближенная и точная величины должны, естественно, соответствовать одному и тому же входному напряжению Uвх(tj). Из-за наличия задержки сигнала в первой ступени возникает, однако, временнoе запаздывание. Поэтому при использовании этого способа входное напряжение необходимо поддерживать постоянным с помощью устройства выборки-хранения до тех пор, пока не будет получено все число.
Конвейерные АЦП. Быстродействие многоступенчатого АЦП можно повысить, применив конвейерный принцип многоступенчатой обработки входного сигнала. В обыкновенном многоступенчатом АЦП (рисунок 1.6) вначале происходит формирование старших разрядов выходного слова преобразователем АЦП1, а затем идет период установления выходного сигнала ЦАП. На этом интервале АЦП2 простаивает. На втором этапе во время преобразования остатка преобразователем АЦП2 простаивает АЦП1. Введя элементы задержки аналогового и цифрового сигналов между ступенями преобразователя, получим конвейерный АЦП, схема восьмиразрядного варианта которого приведена на рисунке 1.6 [5].
Роль аналогового элемента задержки выполняет устройство выборки-хранения УВХ2, а цифрового четыре D-триггера. Триггеры задерживают передачу старшего полубайта в выходной регистр на один период тактового сигнала CLK.
Сигналы выборки, формируемые из тактового сигнала, поступают на УВХ1 и УВХ2 в разные моменты времени (рисунок 1.6). УВХ2 переводится в режим хранения позже, чем УВХ1 на время, равное суммарной задержке распространения сигнала по АЦП1 и ЦАП. Задний фронт тактового сигнала управляет записью кодов в D-триггеры и выходной регистр. Полная обработка входного сигнала занимает около двух периодов CLK, но частота появления новых значений выходного кода равна частоте тактового сигнала.
Таким образом, конвейерная архитектура позволяет существенно повысить максимальную частоту выборок многоступенчатого АЦП. То, что при этом сохраняется суммарная задержка прохождения сигнала, соответствующая обычному многоступенчатому АЦП с равным числом ступеней, не имеет существенного значения, так как время последующей цифровой обработки этих сигналов все равно многократно превосходит эту задержку. За счет этого можно без проигрыша в быстродействии увеличить число ступеней АЦП, понизив разрядность каждой ступени. В свою очередь, увеличение числа ступеней преобразования уменьшает сложность АЦП. Действительно, например, для построения 12-разрядного АЦП из четырех трёхразрядных необходимо 28 компараторов, тогда как его реализация из двух шестриразрядных потребует 126 компараторов [5].
Конвейерную архитектуру имеет большое количество выпускаемых в настоящее время многоступенчатых АЦП. В частности, двуступенчатый 10-разрядный AD9040А, выполняющий до 40 млн. преобразований в секунду (МПс), четырехступенчатый 12-разрядный AD9220 (10 МПс), потребляющий всего 250 мВт, и др. При выборе конвейерного АЦП следует иметь в виду, что многие из них не допускают работу с низкой частотой выборок.

Рисунок 1.6 Структурная схема конвейерного АЦП
Например, изготовитель не рекомендует работу ИМС AD9040А с частотой преобразований менее 10 МПс, трехступенчатого 12-разрядного AD9022 с частотой менее двух МПс и т.д. Это вызвано тем, что внутренние УВХ имеют довольно высокую скорость разряда конденсаторов хранения, поэтому работа с большим тактовым периодом приводит к значительному изменению преобразуемого сигнала в ходе преобразования.

Рисунок 1.7 Диаграммы работы конвейерного АЦП
Многоконтактные последовательно-паралельные АЦП. Преобразователь состоит из четырехразрядного параллельного АЦП, квант h которого определяется величиной опорного напряжения, четырехразрядного ЦАП и устройства управления [6].

Рисунок 1.8 Структурная схема двухтактного АЦП
Если максимальный входной сигнал равен 2,56 В, то в первом такте преобразователь работает с шагом квантования h1 = 0,16 В. В это время входной код ЦАП равен нулю. Устройство управления пересылает полученное от АЦП в первом такте слово в четыре старших разряда выходного регистра, подает это слово на вход ЦАП и уменьшает в 16 раз опорное напряжение АЦП. Таким образом, во втором такте шаг квантования h2 = 0,01 В и остаток, образовавшийся при вычитании из входного напряжения схемы выходного напряжения ЦАП, будет преобразован в младший полубайт выходного слова.
Очевидно, что используемые в этой схеме четырехразрядные АЦП и ЦАП должны обладать восьмиразрядной точностью, в противном случае возможен пропуск кодов, т.е. при монотонном нарастании входного напряжения выходной код АЦП не будет принимать некоторые значения из своей шкалы. Так же, как и в предыдущем преобразователе, входное напряжение многотактного АЦП во время преобразования должно быть неизменным, для чего между его входом и источником входного сигнала следует включить устройство выборки-хранения.
Быстродействие рассмотренного многотактного АЦП определяется полным временем преобразования четырехразрядного АЦП, временем срабатывания цифровых схем управления, временем установления ЦАП с погрешностью, не превышающей 0,2...0,3 кванта восьмиразрядного АЦП, причем время преобразования АЦП входит в общее время преобразования дважды. В результате при прочих равных условиях преобразователь такого типа оказывается медленнее двухступенчатого преобразователя, рассмотренного выше. Однако он проще и дешевле. По быстродействию многотактные АЦП занимают промежуточное положение между многоступенчатыми АЦП и АЦП последовательного приближения. Примерами многотактных АЦП являются трехтактный 12-разрядный AD7886 со временем преобразования один мкс, или трехтактный 16-разрядный AD1382 со временем преобразования два мкс.
1.3 Обзор лабораторных стендов для изучения АЦП
Лабораторный стенд ЭСАиВТ-НР. Учебный лабораторный стенд предназначен для проведения лабораторных работ по курсу "Электроника" в средних специальных и высших учебных заведениях [7].

Рисунок 1.9 Структурная схема двухтактного АЦП
Стенд позволяет проводить следующие лабораторные работы:
- Исследование схемы дифференциатора на ОУ.
- Исследование генератора линейно изменяющегося напряжения.
- Исследование компаратора:
- исследование схемы компаратора на ОУ. Исследование триггера Шмидта на ОУ.
- Исследование генераторов:
- исследование схемы RC-генератора на биполярном транзисторе.
- Исследование схемы RC-автогенератора на ОУ с мостом Вина с АРУ и без АРУ.
- Исследование мультивибратора на ОУ:
- исследование схемы JK-триггера на логических элементах.
- Исследование схем регистров в интегральном исполнении.
- Исследование счетчиков и дешифраторов:
- исследование схем счетчиков в интегральном исполнении.
- Исследование схем дешифраторов в интегральном исполнении.
- Исследование схемы ЦАП с матрицей резисторов.
- Исследование схемы АЦП последовательного приближения.
Исследование микропроцессора (Изучение архитектуры, программирование с ПК, работа со светодиодной четырёхразрядной индикацией, работа в качестве таймера, совместная работа с ПЛИС и т.д.).
Лабораторный стенд ТПЖ-010-6ЛР-01. Комплекс предназначен для проведения лабораторных работ по курсам «Теплотехника», «Техническая термодинамика», «Гидравлика теплообменных аппаратов» в вузах и средних специальных заведениях. Обеспечивает изучение и исследование процессов теплообмена при движении жидкости в различных системах, измерение параметров жидкости.
Стенд выполнен в виде единой рамной конструкции, объединенной с лабораторным столом. На стенде установлены два бака из коррозионно стойких материалов. Емкость баков: горячего контура десять литров, холодного контура 60 литров. Жидкость в систему холодного и горячего контура стенда подается из баков двумя насосами циркуляционного типа. Подача каждого насоса, не менее, 25 л/мин при отсутствии давления на выходе, максимальный напор четыре м. Система является автономной и не требует подключения внешнего источника воды и канализации [7].
Измерения осуществляются комплектом датчиков, смонтированных на исследуемых элементах. Измерения осуществляются датчиками давления и температуры с вторичными преобразователями. Диапазон измерения датчиков: избыточное давление, не менее 40 кПа; диапазон измерения температуры 0...100 °С. Датчики подключены к цифровым индикаторам и плате АЦП.
Измерение расхода жидкости осуществляется расходомерами. Стенд оснащен двумя расходомерами холодного и горячего контура с диапазоном измеряемого расхода до 25 л/мин, имеющими импульсный выходной сигнал для подключения цифрового индикатора и платы АЦП [8].
Все приборы смонтированы на панели стенда и позволяют осуществлять их коммутацию для проведения соответствующей лабораторной работы.
Лабораторный стенд СУ-МК-51. Учебный стенд СУ-МК предназначен для изучения устройства микроконтроллеров семейства MCS-51, современной элементной базы, входящей в состав типичных устройств, базирующихся на применении микропроцессорной техники. Стенд позволяет исследовать законченные устройства на базе микропроцессоров, решать специфичные задачи по управлению объектами, сбору, хранению и обработке информации.

Рисунок 1.10 - Учебный стенд СУ-МК-51
Стенд предназначен для использования в составе компьютерных классов. Загрузка пользовательской программы, переключение режим работы стенда осуществляется по интерфейсу RS232 с персонального компьютера. Неотъемлемой частью учебного стенда СУ-МК является программа-загрузчик, предназначенная для записи пользовательской программы в стенд. Учебный стенд комплектуется полным техническим описанием и набором методических указаний к лабораторным работам.
Описание прибора
Стенд представляет собой готовое к использованию устройство, в состав которого входят:
- дискретные переключатели (10 переключателей);
- дискретные светодиодные индикаторы (10 светодиодов);
- динамический семисегментный индикатор (восемь символов);
- жидкокристаллический матричный индикатор (две строки по 16 символов);
- клавиатура (12 клавиш);
- цифроаналоговый преобразователь;
- аналого-цифровой преобразователь (три канала);
- порт ввода-вывода (КР580ВВ55);
- последовательный порт RS232;
- энергонезависимая память для хранения данных;
- шина I2C.
Все перечисленные устройства являются программно-доступными для пользователя.
Стенд предназначен для использования в составе компьютерных классов. Загрузка пользовательской программы, переключение режима работы стенда осуществляется по интерфейсу RS232 с персонального компьютера.
Неотъемлемой частью учебного стенда СУ-МК является программа-загрузчик, предназначенная для записи пользовательской программы в стенд.
Учебный стенд комплектуется полным техническим описанием и набором методических указаний к лабораторным работам. Методические указания ориентированы на использование интегрированной среды ProView фирмы Franclin Software Inc., позволяющей разрабатывать программы на языке ассемблера и на языке высокого уровня C (си), с возможностью отладки в режиме симулятора [8].
Стенд оснащен:
- имитаторами аналоговых сигналов для исследования работы АЦП;
- индикатором уровня аналогового сигнала для исследования работы ЦАП;
- разъемом расширения для подключения внешних устройств;
- Работа стенда осуществляется в двух режимах:
- режим загрузки программы пользователя;
- режим выполнения программы пользователя.
Универсальный лабораторный стенд ME-UNI-DS6 для изучения микроконтроллеров. ME-UNI-DS6 универсальная отладочная плата компании mikroElektronika для изучения микроконтроллеров PIC, AVR, 8051, ARM, PSoCи dsPIC. Плата включает универсальное посадочное место, в которое может быть установлена одна из плат специализации (mikroBoard).
Плата оснащена большим количеством разнообразных устройств, ввода и вывода информации и гибкой системой их коммутации с платой специализации. В качестве устройства ввода предусмотрены кнопки, подключаемые ко всем линиям портов микроконтроллеров, двенадцатиразрядный АЦП, температурный датчик, накопитель MMC/SD. Для отображения данных на плате имеются светодиоды на всех линиях портов микроконтроллера, а также предусмотрены посадочные места со штыревыми разъемами для установки алфавитно-цифрового и графического ЖКИ дисплеев. Для двунаправленного обмена установлены два USB-UART моста. Все линии портов микроконтроллера выведены на 11 штыревых разъемов 25. К этим разъемам возможно подключение более 120-ти внешних плат (ACCESSORY BOARDS), использование которых расширяет номенклатуру изучаемых периферийных устройств. Программатор на данной плате не установлен. Он предусмотрен на каждой из плат специализации.
Отличительные особенности:
- посадочное место для установки плат расширения;
- 12-разрядный четырехканальный АЦП MPC3204;
- два моста USB-UART;
- температурный датчик DS18S20;
- держатель карт памяти MMC/SD;
- место под установку ЖКИ 216 знаков;
- место под установку графического ЖКИ 12864 точек;
- регулятор контрастности GLCD;
- контроллер сенсорного экрана;
- пьезоизлучатель;
- последовательная EEPROM 24LC01;
- разъем USB 2.0;
- светодиоды и кнопки подключены ко всем линиям портов микроконтроллера;
- одиннадцать штыревых разъемов 25 для подключения плат расширения (ACCESSORYBOARDS);
- стабилизатор напряжения (Uвх = + 9 В…+ 32 В) с разъемом для подключения внешнего источника питания.
Платы специализации:
- ME-mikroBoard for PIC40-pin, установлен микроконтроллер Microchip PIC16F887.
- ME-mikroBoard for PIC80-pin, установлен микроконтроллер Microchip P18F8520.
- ME-mikroBoard for AVR with ATmega128 установлен микроконтроллер Atmel ATMEGA128.
- ME-mikroBoard for PSoC установлена БИС типа «система на кристалле» (PSoC) CY8C27643 фирмы Cypress Semiconductor.
- ME-mikroBoard for 8051 40-pin установлен микроконтроллер Atmel AT89S8253.
- ME-mikroBoard for ARM 64-pin установлен микроконтроллер NXP LPC2148.
- ME-mikroBoard for ARM 144-pin установлен микроконтроллер NXP LPC2214.
- ME-mikroBoard for dsPIC установлен сигнальный процессор Microchip dsPIC30F6014A.
Учебный лабораторный стенд LESO1 на микроконтроллера ADuC842. Микропроцессорный стенд LESO1 готовый учебный лабораторный стенд, предназначенный для изучения микроконтроллеров. Стенд разработан для освоения студентами архитектуры микроконтроллеров семейства MCS-51, а также методов разработки микропроцессорных систем различного назначения.
Особенности микропроцессорного стенда LESO1:
- Программирование осуществляется через порт USB.
- Не требуется дополнительно источника питания.
- Простота реализации и программирования (все периферийные устройства подключены непосредственно к микроконтроллеру).
- Взаимодействие лабораторного стенда с персональным компьютером осуществляется в программной среде LabVIEW.
Учебный лабораторный стенд LESO1 построен на базе микроконтроллера ADuC842 фирмы Analog Devices. Микроконтроллер содержит 12-разрядные прецизионные АЦП и ЦАП, встроенный высокоскоростной МК с FLASH-ЭРПЗУ на 62 КБ.
Учебный лабораторный стенд на микроконтроллере LESO1 содержит следующую периферию:
- жидкокристаллический символьный индикатор 82;
- матричную клавиатуру 43;
- часы реального времени PCF8583;
- излучатель звука;
- датчик температуры DS18B20;
- инфракрасный фотоприемник TSOP1736;
- четыре красных светодиода;
- микросхему преобразования интерфейсов фирмы FTDI.
Для загрузки исполняемого кода во внутреннюю память микропроцессора и взаимодействия лабораторного стенда с ПК разработана программа nwFlash.
Программа nwFlash позволяет:
- выполнять сброс микроконтроллера (Reset);
- загружать во FLASH-память микроконтроллера пользовательскую программу;
- принимать и отправлять данные в текстовом и шестнадцатеричном виде по интерфейсу UART (режим терминала).
Главное меню позволяет производить операции со стендом, а также настраивать параметры терминала. Окно терминала служит для отображения данных, посылаемых микроконтроллером по интерфейсу UART, а также для отправки пользовательских данных (от компьютера микроконтроллеру) по этому же интерфейсу. В окне состояния отображаются результаты всех проведённых операций для контроля.
2 ПРОЕКТИРОВАНИЕ МИКРОПРОЦЕССОРНОЙ СИСТЕМЫ
2.1 Выбор элементной базы для
реализации системы сбора аналоговых данных
Микроконтроллер PIC16F876A. Система команд микроконтроллеров семейства PIC состоит из относительно небольшого набора команд. Каждая команда состоит из одного 12, 14 или 16-разрядного слова, разделенного на код операции (OPCODE) - она задает тип операции одного или нескольких операндов, являющихся частью команды [8].

Рисунок 2.1 - Расположение контактов PIC16F628 в SOP корпусе
Высокопроизводительный RISC-процессор:
- всего 35 простых для изучения инструкции;
- все инструкции исполняются за один такт (200 нс), кроме инструкций перехода, выполняемых за два такта. Минимальная длительность такта 200 нс;
- 14 битовые команды;
- восьмибитовые данные;
- вход внешних прерываний;
- восьмиуровневый аппаратный стек;
- прямой, косвенный и относительный режимы адресации для данных и инструкций.
Периферия:
- 22 линий ввода/вывода с индивидуальным контролем направления;
- Timer0: восьмиразрядный таймер/счетчик;
- Timer1: 16-разрядный таймер/счетчик;
- Timer2: восьмиразрядный таймер/счетчик;
- два ШИМ модуля;
- последовательные интерфейсы;
- пять каналов 10-битного АЦП;
- два аналоговых компаратора;
- интегрированный программируемый источник опорного напряжения.

Рисунок 2.2 Микроконтроллер PIC16F873A
Особенности микроконтроллера:
- сброс при включении питания (POR);
- таймер включения питания (PWRT) и таймер запуска генератора (OST);
- сброс по снижению напряжения питания (BOR);
- сторожевой таймер (WDT) с собственным встроенным RC-генератором для повышения надежности работы;
- режим экономии энергии (SLEEP);
- выбор источника тактового сигнала;
- программирование на плате через последовательный порт (ICSPT) (с использованием двух выводов);
- отладка на плате через последовательный порт (ICD) (с использованием двух выводов);
- возможность самопрограммирования;
- программируемая защита кода;
- 1000 циклов записи/стирания FLASH памяти программы;
- 100 000 циклов записи/стирания памяти данных ЭСППЗУ;
- период хранения данных ЭСППЗУ > 40 лет.
Технология КМОП:
- экономичная, высокоскоростная технология КМОП;
- полностью статическая архитектура;
- широкий рабочий диапазон напряжений питания от 2,0 В до 5,5 В;
- промышленный и расширенный температурный диапазоны;
- низкое потребление энергии.
Аналогово-цифровой преобразователь ADC0804. АЦП нашло огромное применение в качестве промежуточного устройства для преобразования сигналов из аналогового в цифровой форме. Эти цифровые сигналы используются для дальнейшей обработки цифрового процессора. Различные датчики, такие как температуры, давления, сила и т.д.[8].

Рисунок 2.3 Аналого-цифровой преобразователь ADC0804
ADC0804 является широко используемым восьмибитным аналого-цифровым преобразователем. Он может принимать только один аналоговый сигнал в качестве входного сигнала. Цифровые выходы изменяются от ноля до максимум 255. Размер шага можно регулировать путем установки опорного напряжения на контакте рисунок 2.3.
Оптопара - AOT101. AOT101 предназначены для электронной бесконтактной коммутации цепей однополярного тока с гальванической развязкой между входом и выходом, применяются в узлах и приборах радиоэлектронной аппаратуры и систем автоматики; содержат две электрически не связанные между собой оптоэлектронные пары, состоящие из кремниевых планарных n-р-n транзисторных приемников и излучающих светодиодов на основе арсенида галлия; монтируются в восьмивыводные корпуса типа DIР.
2.2 Программирование микроконтроллера
Программатор аппаратно-программное устройство, предназначенное для записи/считывания информации в постоянное запоминающее устройство [9].
Классификация программаторов:
- По типу микросхем:
- программирующие микросхемы ПЗУ (ПЗУ с ультрафиолетовым стиранием, ППЗУ, флэш-память);
- программирующие внутреннюю память микроконтроллеров;
- программирующие ПЛИС.
Универсальные программаторы могут поддерживать все вышеперечисленные типы.
- По подключению микросхемы:
- параллельный;
- внутрисхемный.
Параллельные программаторы содержат разъём, в который и вставляется программируемая микросхема. Внутрисхемные пригодны только для тех микросхем, в которых поддерживается внутрисхемное программирование, но позволяют прошивать микросхему, не вынимая её из устройства.
При покупке параллельного программатора стоит обратить внимание на качество разъёма, в который устанавливается микросхема. Обычный одноразовый разъём долго не прослужит; программатор должен иметь цанговые разъёмы, а ещё лучше ZIF. В дорогих программаторах есть несколько разъёмов под разные виды корпусов [9].
По подключению к компьютеру:
Первые программаторы были автономными для набора прошивки имелась клавиатура или коммутационная панель. С распространением ПК такие программаторы были полностью вытеснены подключаемыми к компьютеру специальная программа (которая также называется программатором) передаёт прошивку с компьютера, а программатору остаётся только записать её в память микросхемы.
Для подключения программаторов могут применяться:
- последовательный порт;
- параллельный порт;
- специализированная интерфейсная плата (ISA или PCI);
- USB;
- Ethernet.
Стоит заметить, что в самых простых параллельных и последовательных программаторах управляющему ПО приходится напрямую управлять логическим уровнем на выводах порта. Такое прямое управление в Windows NT запрещено, это обходится установкой специализированного драйвера; через адаптеры USBCOM bitbang программаторы работают крайне медленно (единицы-десятки байт в секунду). Микроконтроллерные программаторы полностью поддерживают протокол COM- или LPT-порта и поэтому свободны от этих недостатков.
Специализированные платы изредка применялись до появления USB, так как позволяли достичь максимальных скоростей обмена данными. Впрочем, одновременно они делали программатор стационарным.
Современные программаторы подключаются через USB (лишь простые дешёвые конструкции используют COM- или LPT-порты). Высокопроизводительные промышленные программаторы используют Ethernet.
Программатор PIC контроллеров. EXTRAPIC программатор PIC контроллеров и микросхем памяти I2C (IIC) EEPROM.
Особенности программатора EXTRAPIC:
- Функционально совместим с ПО программаторов JDM, но в отличие от них, благодаря более качественному схемотехническому решению, а также использованию внешнего источника напряжения питания.
- Работоспособен с любыми COM-портами, как стандартными так и с нестандартными COM-портами некоторых моделей современных ноутбуков, имеющих пониженные напряжения сигнальных линий, вплоть до +/-5v.
- Не перегружает по току COM-порт компьютера, так как использует стандартный формирователь интерфейса RS232 (MAX232 или аналогичный), и при правильной эксплуатации не представляет опасности для COM-порта.
- Имеет разъём внутрисхемного программирования (ICSP In Circuit Serial Programming).
- Поддерживается распространёнными программами IC-PROG, PonyProg и другими, как программатор JDM.
- Программатор подключается к COM-порту компьютера, через стандартный кабель-удлинитель COM-порта (DB9M - DB9F). Кабель приобретается отдельно.
- Для питания программатора должен использоваться стабилизированный источник питания напряжением от +15,5v до +24,0v или от +13,0v до +14,0v. Источник питания должен быть оборудован стандартным разъёмом "Jack", центральный "+", толщина центрального вывода 2,1мм. Источник питания приобретается отдельно.
На плате программатора имеются:
- светодиоды, указывающие режим работы программатора (POWER, VPP);
- встроенные интегральные стабилизаторы напряжений +5 В (VDD) и +13,5 В (VPP);
- разъём внутрисхемного программирования (ICSP);
- панельки для установки микросхем в распространённых корпусах DIP8, DIP18, DIP28, DIP40 (микросхемы в других корпусах подключаются через разъём ICSP).
Особенности программы ICPROG:
При записи микроконтроллеров с установленным (включенным) битом защиты кода от считывания (CP = Code Protect и/или CPD = Code Protect Data), сразу, после записи кода, программа ICPROG может выдавать сообщение об ошибке чтения/проверки по адресу 0000h. Это связано с тем, что установки Конфигурационного Слова (Configuration Word) микроконтроллера, начинают действовать сразу, после их изменения, и микроконтроллер осуществляет защиту кода от считывания (если эта защита включена). Данное сообщение об ошибке следует воспринимать скорее как подтверждение, что включена защита кода от считывания. При этом, код программы записан корректно и микроконтроллер работоспособен [9].
Для снятия защиты от считывания (для микроконтроллеров "FLASH") достаточно «стереть» память микроконтроллера. При этом, естественно, стирается и прошивка. После этого, микроконтроллер можно использовать вновь и вновь, для записи новых программ.
Программное обеспечение АЦП УМ-АЦП1. УМ-АЦП1 универсальный многоканальный аналогово-цифровой преобразователь [10].
УМ-АЦП1 может использоваться для:
- мониторинга напряжения на входах;
- контроля крайних значений;
- регистрации показаний;
- управления выходами (нагрузкой).
К устройству можно подключать разнообразные датчики, например, температуры, давления, влажности и пр. Гибкие настройки комплекса могут найти широкое применение в различных сферах от университетских измерений до автоматизации процессов и технологий "умного дома".
УМ-АЦП1 представляет собой программно-аппаратный комплекс, состоящий из:
- устройства приема и оцифровки аналоговых сигналов;
- программы сбора и обработки полученных сигналов.
Обмен осуществляется через интерфейс RS-232 (COM-порт). Устройство имеет гальваническую развязку и допускает "горячее" включение и выключение.
Подбор делителей на входе устройства позволяет измерять сигналы в широком диапазоне. Программно можно корректировать смещение сигнала +/- в случае погрешности номиналов сопротивлений делителя.
Например, если делителями задан диапазон 10 В, то точность составляет 10 / 1023 = 0,0097 В или 9,7 мВ.
В программе каждый управляемый выход можно сопоставить с любым входом (каналом) и настроить напряжение срабатывания и отключения по показаниям выбранного канала. В программе имеется возможность эмулирования входного сигнала, что позволяет оценить сделанные настройки. Программно можно задать вывод данных в других единицах измерения и других числовых диапазонах, т.е. адаптировать в случае использования конкретных датчиков. В программе реализована визуальная и звуковая сигнализация, в случае пересечения допустимых границ сигнала. Графики данных можно сохранять в виде графических файлов. Возможен просмотр и печать данных. Гибкие настройки программы позволяют установить желаемую скорость регистрации, ширину измеряемого диапазона. Люди с ограниченными возможностями зрения могут настроить цветовую палитру программы под себя. Программа автоматически сохраняет сделанные настройки [10].
2.3 Принципиальная схема устройства сбора аналоговых данных