Синхронные системы передачи
PAGE 6
5.3 Синхронные системы передачи
5.3.1. Схема синхронизации системы передачи для
кода Манчестер-2
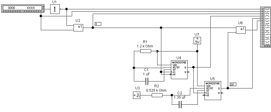
Модель схемы синхронизации системы передачи данных в коде Манчестер-2, изображенная на рисунке 1, состоит из следующих элементов:
- генератора слов;
- инвертора U1;
- логического анализатора;
- двух двухвходовых логических элементов исключающее или U2 и U6;
- двух одновибраторов U4 и U5;
- двух RC цепочек состоящих их последовательно соединенных конденсатора и резистора R1, C1 и R2, C2;
Генератор слов служит для формирования двух последовательностей логических сигналов:
- последовательности представляющей значение данных D, которая формируется на младшем (нулевом) выводе генератора и
- последовательности синхронизирующих импульсов S, которая формируется на синхронизирующем выводе генератора.
Инвертор служит для сдвига фазы синхронизирующего сигнала. После инвертирования фронты синхросигнала не совпадают с моментами переключения сигнала данных.
Логический анализатор служит для отображения формируемых в модели сигналов.
Логические элементы исключающее или используются для преобразования логических сигналов. Первый логический элемент U2 используется для формирования канального сигнала данных Dt, который помечен на схеме меткой 3. Второй логический элемент U3 используется для формирования принятого сигнала данных из канальных данных.
Одновибраторы используются для формирования одиночных импульсов заданной длительности при изменении входного сигнала, подключенного к входам А1 или А2. Причем, на выходе одновибратора формируется импульс при фронте сигнала на входе А1 и при спаде сигнала на входе А2. Первый одновибратор U4 на каждое изменение (фронт или спад) входного сигнала формирует импульсы длительность которых должна быть не менее 2/3 длительности битового интервала системы передачи. Второй одновибратор U5 формирует синхронизирующие импульсы, длительность которых должна составлять половину длительности битового интервала системы передачи. Сформированный на выходе второго одновибратора сигнал синхронизации на схеме отмечен меткой 20. Длительности импульсов формируемых одновибраторами определяются параметрами RC цепочки подключенной к одновибратору. Один вывод конденсатора RC-цепочки подключается к входу СТ одновибратора, а второй вывод к резистору. Второй вывод резистора подключается к источнику питания. Точка соединения резистора и конденсатора подключается к входу RT/CT одновибратора.
Вход инвертора U1 подключен к выходу синхросигналов генератора слов, а его выход к первому входу логической схемы U2 исключающее или и к первому входу логического анализатора. На рисунке 2 показано состояние логического анализатора после шести тактов работы модели схемы синхронизации. В первой строке состояния логического анализатора изображена временная диаграмма формирования синхросигналов для логических сигналов формируемых генератором слов с частотой 1КГц. Частота формирования логических сигналов определяется состоянием соответствующего окна на панели управления генератором слов.
Второй вход логической схемы исключающее или U2 подключен к выходу младшего разряда генератора слов. Сигналы формируемые генератором слов показаны на панели управления генератором и на экране логического анализатора, ко второму входу которого подключен сигнал данных D. В методическом указании рассматривается последовательность из шести бит 011010. Фронты синхросигнала определяют значения логического сигнала на средине битовых интервалов.

Рис. 1 Модель схемы синхронизации кода Манчестер 2
Рис 1. Схема синхронной передачи с использованием кода Манчестер 2.
5.3.2 Формирование импульсов синхронизации на приемной стороне
На рисунке 2 изображена временная диаграмма процесса передачи данных в коде Манчестер-2. В первой строке диаграммы описано значение информационного сигнала D, вторая строка диаграммы представляет значение сигнала синхронизации S. Передние фронты этого сигнала определяют значение информационного сигнала в последовательные моменты времени t0, t1, … На этой диаграмме в момент времени t0 информационный сигнал D равен 0, в момент времени t1 равен 1. Эти значения на временной диаграмме отмечены цветными маркерами красного и синего цвета, соответственно. Таким образом, в первой строке представлена последовательность 011010, состоящая из шести информационных бит. Спады синхронизирующего сигнала определяют моменты времени, в которых значение информационного сигнала может изменяться. Например, спад (задний фронт) первого импульса синхронизации определяет момент времени, в который информационный сигнал изменяет свое значение со значения 0 на 1. А во время спада второго импульса синхронизации информационный сигнал не изменяет своего значения и остается равным 1. Интервал времени между последовательными спадами определяет битовый интервал информационного сигнала, а фронты синхросигнала определяют моменты времени считывания информационного сигнала.
Для передачи в канал связи информационного сигнала D, значение этого сигнала {0,1} на двухвходовом элементе XOR U2 складывается по модулю два c логическим значением синхронизирующего сигнала S. Далее сложение по модулю два будем обозначать знаком +. В результате получаем канальный сигнал Dt, значение которого представлено в третьей строке временной диаграммы. Cигнале Dt всегда изменяет свое значение при изменении синхронизирующего сигнала из 10 (по фронту сигнала S). Рассмотрим моменты времени, соответствующие фронтам синхросигнала. В эти моменты времени информационный сигнал не меняет своего значения, а синхронизирующий сигнал изменяет свое значение 01. Если информационный сигнал D в этот момент времени имел значение 1, то канальный сигнал Dt=1 имел значение 1, и при переходе синхросигнала из 0 в 1 канальный сигнал изменит свое значение на 0 (D+S=Dt 1+1=0). Если информационный сигнал D имел значение 0, то канальный сигнал Dt имел значение 0. После изменения значения синхросигнала на 1 канальный сигнал изменит свое значение и станет равным 1 (D+S=Dt 0+1=1). Таким образом канальный сигнал изменяет свое значение на каждом битовом интервале и переход 01 (фронт) канального сигнала соответствует нулевому значению информационного сигнала в этот момент времени, а переход 01 (спад) канального сигнала соответствует единичному значению информационного сигнала в этот момент времени.
информационный сигнал D=1
информационный сигнал D=0
При переходе синхронизирующего сигнала из состояния 1 в состояние 0 (10 спад сигнала S) значение канального сигнала зависит не только от значения информационного сигнала и его изменение происходит только в тех случаях, когда сигнал данных и синхронизирующий сигнал имеют разные значения.
Способ формирования канального сигнала, при котором в канальном сигнале происходят изменения значения на каждом битовом интервале, и эти изменения однозначно определяют значения информационного сигнала в эти моменты времени называют Манчестерским кодом (Манчестер 2).
Переходы 01 (фронты) этого сигнала, определяют моменты времени, в которые информационный сигнал равен 0, а переходы 10 (спады) этого сигнала определяют моменты времени, в которые информационный сигнал равен 1. В канальном сигнале содержится информация об информационном сигнале D и синхросигнале S.
На приемном конце системы передачи канальный сигнал Dt вновь складывается с синхронизирующим сигналом. Пусть Dt=D S канальный сигнал, тогда на приемной стороне системы передачи получим:
Dt S=D S S =D так как S S=0 и X 0=X для любых Х. (1)
Значение принятого таким образом информационного сигнала представлено в последней строке временной диаграммы. Процесс формирования сигналов синхронизации показан на рисунке 2.

Рис 2 Временная диаграмма процесса синхронизации приема при использовании кода Манчестер-2
Для получения синхросигнала S на приемном конце системы передачи используется два одновибратора U4 и U5. Одновибратор вырабатывает положительный импульс длительностью =0.7RC сек, если на его вход А1 поступает положительный перепад (фронт) сигнала, или на вход А2 поступает спад сигнала. Причем, если на один из входов поступает перепад, и на выходе формируется положительный импульс, то этот импульс блокирует до своего окончания выработку импульса при поступлении перепада на второй вход. Например, выработка импульса на выходе мультивибратора U4 на втором битовом интервале от фронта канального сигнала заблокирована импульсом, который сформирован раннее от спада этого сигнала.
Импульсы, которые получены с выхода первого одновибратора D2 на приемномной стороне системы передачи показаны в четвертой строке временной диаграммы. Фронты этих импульсов соответствуют фронтам синхронизирующих сигналов стороны передачи. Однако их длительность в полтора раза больше. Поэтому выход первого одновибратора U4 подключен к входу А1 второго одновибратора U5, который вырабатывает синхронизирующие импульсы на приемной стороне системы передачи нужной длительности. Эти синхронизирующие импульсы показаны в пятой строке временной диаграммы. В соответствии с выражением (1) сумма по модулю два (XOR) принятого канального сигнала Dt и полученных синхронизирующих импульсов дает на выходе элемента U6 принятый информационный сигнал, который показан в шестой строке временной диаграммы. Этот сигнал по фронту синхросигнала может записываться в регистр для хранения и обработки.
Применение канального кодирования кодом Манчестер 2 позволяет исключить использование канала для передачи синхросигнала. Однако для применения этого кода требуется в два раза более широкая полоса частот.
Вопросы для самопроверки
1 Перечислите элементы схемы синхронизации и их назначение
2 Опишите как формируются канальные сигналы данных и почему они содержат информацию о данных и сигналах синхронизации.
3 Опишите процесс получения сигналов синхронизации и данных на приемной стороне системы передачи.
5.3.2 Кадровая синхронизация в системах передачи
Порции данных передаваемых в среду передачи на канальном и физическом уровне взаимодействия систем называют кадрами. Процесс передачи данных в среду передачи и процесс приема данных из среды передачи называют звеном данных, прибавляя в случае необходимости определение передаваемых или принимаемых данных. Данные представляются последовательностями символов некоторого алфавита. Если данные представляются двоичными символами, то такое взаимодействие называют бит-ориентированным протоколом. Если данные представляются символами некоторого другого алфавита, то такое взаимодействие называют символ-ориентированным протоколом.
Например, HDLC (High-Level Data Link Control) бит-ориентированный кодопрозрачный сетевой протокол управления каналом передачи данных канального уровня сетевой модели OSI, разработанный ISO. стандартом для HDLC является ISO 13239. SLEP- символ ориентированных протокол.
Кадровой синхронизацией будем называть процесс выделения передаваемого кадра данных из потока символов звена передачи данных физического уровня. Рассмотрим процесс кадровой синхронизации на примере бит-ориентированной процедуры канального уровня HDLC. Формат кадра (Рис 1) в этой процедуре представляет собой последовательность бит, которая завершается флагом конца кадра состоящим из 8-ми бит 01111110 (0х7E представление в виде шестнадцатиричной константы). В англйской нотации этот флаг обозначают FD Frame Delimiter ограничитель кадра.
Рис 1 Формат кадра HDLC
Формат представления данных в кадре зависит от протокола (Х25, IP, Ethernet и т.п.) в котором применяется процедура взаимодействия HDLC. Как правило, кадр содержит контрольную последовательность символов CRC (Cyclic Redundance Check) циклический избыточный проверочный код. Этот проверочный код служит для определения целостности принятых данных. Кадры передаются в канал последовательно один за другим, так как это изображено на рисунке 2.
Рис 2 Последовательность передачи кадров
В начале процесс приема получает кадр i-1, затем кадр i, и после этого кадр i+1. Кадры отделены друг от друга флагами 01111110. Если у процесса передачи нет кадров для передачи, то для поддержания синхронизации он передает флаги один за другим.
Для правильного приема данных в кадре не должны встречаться последовательности бит совпадающие с флагом. В этом случае кадр будет принят не полностью. Для обеспечения «прозрачности» данных последовательность передаваемых бит преобразуется так, что после каждых пяти подряд следующих единиц вставляется ноль. Такое преобразование называют битстаффингом. На приемной стороне принятая последовательность бит преобразуется так, что бит, расположенный за пятью подряд следующими единицами «вычеркивается». Этот процесс называется обратным битстаффингом.
Рис 3 Алгоритмы прямого и обратного битстаффинга.
Алгоритм битстаффинга получает последовательность бит из области Buf_s источника данных, анализирует эту последовательность и помещает ее в область Buf_d приемник данных, вставляя после каждых пяти подряд следующих единиц бит ноль. В результате такого преобразования передаваемая последовательность становится длиннее. Причем увеличение ее длины зависит от передаваемой последовательности и трудно предсказуемо. Поэтому в передаваемых кадрах не указывается длина последовательности. Эта длина определяется в процессе приема после получения флага конец кадра. На приемной стороне процесса передачи производиться обратное преобразование принятой последовательности.
Функциональная схема обнаружения флага конца кадра F=01111110, изображенная на рисунке 1, состоит из восьмиразрядного регистра сдвига окна обнаружения флага, схемы сравнения и регистра сдвига для приема данных. Двоичные данные принятые из канала поступают в регистр сдвига и на каждом следующем битовом интервале переписываются в следующий разряд регистра сдвига. Таким образом в каждый текущий
Рис 4 Функциональная схема приема кадра
момент времени в регистре окна флага оказывается 8 последних бит принятых из канала. Если в окне флага окажется код конца кадра (f0,f1,f2,f3,f4,f5,f6,f7)=(0,1,1,1,1,1,1,0), то схема сравнения вырабатывает управляющий сигнал «Флаг получен». По этому сигналу содержимое регистра данных переписывается в буфер приема и принятые n бит данных обрабатываются. В процессе обработки, используя CRC проверяется целостность данных и формат принятого кадра. Если данные переданные в кадре не искажены и формат соответствует протоколу, то принятые данные поступают на верхние уровни протокола. В противном случае запрашивается повторная передача кадра.
В самых общих чертах процесс приема кадра может быть описан следующим образом:
П1 Очищаем приемный буфер (регистр данных);
П2 До тех пор пока в окно флага не получен флаг помещать принятый поток бит в приемный буфер;
П3 Переписать принятую последовательность бит в буфер обработки;
П4 Выполнять П1.
Очистка приемного буфера сводится к начальной установке указателей буфера приема, которые определяют место размещения очередного принятого бита в буфере. После очистки буфера эти указатели указывают на место размещения первого бита в пустом буфере. Рассмотрим некоторые ситуации, которые могут возникнуть в процессе приема.
1 Пусть передатчик, не имея данных для передачи, передает в канал флаги для поддержания синхронизации. В этом случае в буфер обработки ничего не поступит, так как буфер приема будет оставаться пустым. Пусть один или несколько подряд следующих флагов будут искажены и не распознаны схемой сравнения. Тогда в приемном буфере окажутся искаженные флаги и после приема не искаженного флага содержимое буфера приема будет записано в буфер обработки. В процессе обработки будет обнаружено нарушение целостности данных и данные не будут использоваться.
2 Пусть в процессе передачи очередного кадра был искажен флаг конца кадра. Тогда в буфер приема попадут данные от двух соседних кадров и при анализе принятых данных будет обнаружена ошибка при проверке CRC.
Синхронные системы передачи