Нарізання зовнішньої та внутрішньої різьби
Заняття № 19-20
Тема. Нарізання зовнішньої та внутрішньої різьби
Мета: Ознайомити учнів з інструкцією при нарізуванні зовнішньої і внутрішньої різьби; розвинути в учнів навички роботи з інструментами для нарізання різьби; виховати в учнів бережливе ставлення до інструменту та любов до праці.
Обладнання, матеріали, наочність: підручники, плакати, таблиці, лещата, плашки, мітчики, плашкотримачі, воротки, заготовки, свердла, свердлильний верстат, розмічальний інструмент.
ХІД ЗАНЯТТЯ
- Організаційний момент
II. Актуалізація знань та мотивація навчальної діяльності учнів
Фронтальна бесіда
- З яких частин складається плашка?
- Яка послідовність нарізування внутрішньої різьби?
- Визначте діаметри стержнів під різьбу: М 3; М 4.
- З яких частин складається мітчик?
ІІІ. Повідомлення теми заняття
ІV. Вивчення нового матеріалу
Інструкція з охорони праці при нарізуванні метричної різьби
1. ВИМОГИ БЕЗПЕКИ ПЕРЕД ПОЧАТКОМ РОБОТИ.
1.1. Правильно одягніть спецодяг (застебніть його на всі ґудзики, сховайте волосся під головний убір).
1.2. Ретельно підготуйте своє робоче місце до безпечної роботи.
1.3. Уважно вислухайте вчителя й отримайте завдання на урок.
1.4. Підготуйте до роботи свій інструмент і пристрої, впевнившись у їх справності.
1.5. Забороняється розпочинати роботу без дозволу вчителя.
2. ВИМОГИ БЕЗПЕКИ ПІД ЧАС РОБОТИ.
2.1. Під час практичної роботи учні виконують тільки ті види робіт, які доручив учитель.
2.2. Використовуйте справний, добре налагоджений інструмент.
2.3. Перед нарізанням стержень (для зовнішньої) і мітчик (для внутрішньої) різьби змастіть маслом.
2.4. Виберіть діаметр заготовки (для зовнішньої) та діаметр свердла (для внутрішньої) за довідником.
2.5. Використовуйте інструмент за призначенням. Інакше можна не тільки зіпсувати його, але й отримати травму.
2.6. Не відволікайтесь під час роботи і не відзертайте увагу інших.
2.7. Стежте за надійним закріпленням мітчика у воротку та плашки у плашкотримачі.
2.8. Утримуйте робоче місце в чистоті.
2.9. Дбайливо ставтесь до устаткування, верстаків, інструментів.
2.10. Інструменти загального користування беріть із дозволу вчителя і відразу після користування повертайте їх.
3. ВИМОГИ БЕЗПЕКИ ПІСЛЯ ЗАКІНЧЕННЯ РОБОТИ.
3.1. Упорядкуйте робоче місце, приберіть деталі, матеріал, сміття, відходи.
3.2. Приведіть інструменти у справний стан.
3.3. Старанно приберіть робоче місце (стружку не здувайте і не змахуйте руками).
3.4. Покладіть інструменти в порядок, установлений учителем.
3.5. Приведіть до ладу свій одяг і залиште майстерню з дозволу вчителя.
3.6. Після виходу учнів чергові розпочинають прибирання приміщення.
V. Узагальнення нового матеріалу
- Які потрібно дотримуватися вимог безпеки праці під час нарізування різьби?
- Визначте діаметри стержнів під різьбу: М 1; М 11.
VI. Практична робота
Нарізування зовнішньої та внутрішньої різьби. (Виготовлення гайки)
Послідовність виконання роботи:
Проведення вступного інструктажу з нарізання різьби.
Виготовлення однієї із гайки за розмірами.
Нарізати різьбу.
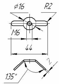
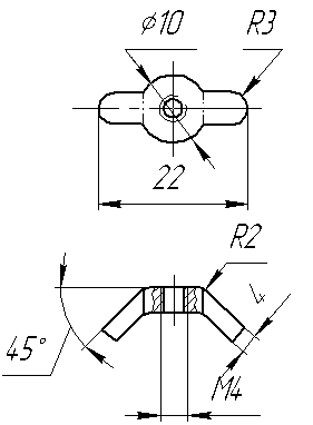
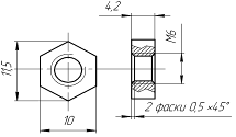
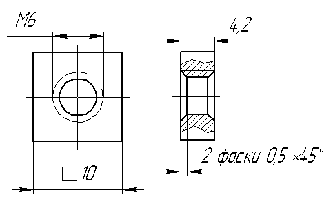
Гайка №1 М6 Гайка №2 М4


Гайка №3 М6 Гайка №4 М6


|
№ |
Операція |
№ |
Операція |
||
|
1 |
Гайки №1 та №2 |
Вибір та обробка базових сторін. |
5 |
Контроль розмірів. |
|
|
2 |
Вирізування заготовки. |
6 |
Свердління отвору. |
||
|
3 |
Обпилювання заготовки. |
7 |
Нарізування різьби. |
||
|
4 |
Розмічання центра та контурів. |
8 |
Шліфування. |
||
|
5 |
Вирізування контуру гайки. |
1 |
Гайка №4 |
Вибір заготовки. |
|
|
6 |
Обпилювання по контуру. |
2 |
Розмічання центру отвору з врахуванням припуску на обробку. |
||
|
7 |
Контроль розмірів. |
3 |
Свердління отвору. |
||
|
8 |
Свердління отвору. |
4 |
Нарізування різьби. |
||
|
9 |
Нарізування різьби. |
5 |
Розмічання за шаблоном. |
||
|
10 |
Згинання вушок. |
6 |
Вирізування заготовки. |
||
|
1 |
Гайка №3 |
Вибір та обробка базових сторін. |
7 |
Обпилювання заготовки. |
|
|
2 |
Розмічання контуру та центру за допомогою діагоналей. |
8 |
Контроль розмірів. |
||
|
3 |
Вирізування з припуском на обпилювання. |
9 |
Шліфування. |
||
|
4 |
Обпилювання в розмір. |
10 |
Прочищання різьби мітчиком. |
На що необхідно звернути увагу під час виготовлення гайок.

№1 та №2
На місце з'єднання круга та вушок.
На форму круга.
На заокруглення вушок.
На розміщення по центру отвору.
№3 та №4
На розміщення по центру отвору.
На точність розміру під ключ.
На форму.
VІІ. Домашнє завдання
Повторити матеріал за конспектом.
VІІІ. Оцінювання роботи учнів на уроці
ІX. Прибирання робочого місця і приміщення
Нарізання зовнішньої та внутрішньої різьби