Монтаж,эксплуатация и ремонт аппаратуры защиты и управления до 1000 В
СОДЕРЖАНИЕ:
1.Введение …………………………………………………………………………..
2.Назначение,устройство,принцип работы, маркировка и выбор
аппаратуры защиты и управления до 1000 В……………………………………..
3.Монтаж,эксплуатация и ремонт аппаратуры защиты и управления
до 1000 В……………………………………………………………………………
4.Новшество…………………………………………………………………………
5.Охрана труда………………………………………………………………………
6.Используемая литература…………………………………………………………
ВВЕДЕНИЕ
Электрические аппараты до 1000 В (ЭА) это электротехнические устройства, применяемые при использовании электрической энергии, начиная от ее производства, передачи, распределения и кончая потреблением. Разнообразие видов ЭА и различие традиций мировых электротехнических школ затрудняют их классификацию.
В настоящее время под ЭА понимают электротехнические устройства управления потоком энергии и информации. При этом речь может идти о потоках энергии различного вида: электрической, механической, тепловой и др. Например, потоком механической энергии от двигателя к технологической машине может управлять электромагнитная муфта. Потоками тепловой энергии можно управлять при помощи электромагнитных клапанов и заслонок. Таких примеров использования ЭА можно привести большое количество. Примером использования ЭА для управления информацией является применение реле в телефонии. Например, при создании телеграфного аппарата П.Л. Шиллинг в 1820г. применил впервые электромагнитное реле. Простейшая формально-логическая обработка дискретной информации также была реализована на реле.
Однако наибольшее распространение получили ЭА для управления потоками электрической энергии для изменения режимов работы, регулирования параметров, контроля и защиты электротехнических систем и их составных частей. Как правило, функции таких ЭА осуществляются посредством коммутации (включения и отключения) электрических цепей с различной частотой, начиная от относительно редких, нерегулярных значений до периодических высокочастотных, например, в импульсных регуляторах напряжения.
Большинство аппаратов низкого напряжения условно можно разделить на следующие основные виды:
аппараты управления и защиты автоматические выключатели, контакторы, реле, пускатели электродвигателей, переключатели, рубильники, предохранители, кнопки управления и другие аппараты, управляющие режимом работы оборудования и его защитой;
аппараты автоматического регулирования стабилизаторы и регуляторы напряжения, тока, мощности и других параметров электрической энергии;
аппараты автоматики реле, датчики, усилители, преобразователи и другие аппараты, осуществляющие функции контроля, усиления и преобразования электрических сигналов.
Следует отметить, что АНН иногда классифицируют по величине коммутируемого тока: слаботочные (слаботоковые) до 10 А и сильноточные (сильнотоковые) свыше 10 А. При этом нижние пределы надёжно коммутируемых современными электрическими аппаратами токов достигают 10-9 А, а напряжений - 10-5 В.
Аппараты высокого напряжения работают в сетях с напряжением до 1150 кВ переменного тока и 750 кВ постоянного тока и также существенно различаются по своим функциям. В настоящем учебном пособии аппараты высоко напряжения не рассматриваются.
Электрические аппараты как низкого, так и высокого напряжения обычно являются конструктивно законченными техническими устройствами, реализующими определенные функции и рассчитанными на разные условия эксплуатации.
В основе большинства электромеханических ЭА лежит контактная система с различными типами приводов - ручным, электромагнитным, механическим и др. Процессы, протекающие в ЭА, определяются различными и многообразными физическими явлениями, которые изучаются в электродинамике, механике, термодинамике и других фундаментальных науках.
Одной их наиболее сложных задач, решаемых при разработке электромеханического электронного аппарата, является обеспечение работоспособности электрических контактов, в том числе и при гашении электрической дуги, возникающей при выключении ЭА.
По принципу работы электрические аппараты подразделяются на контактные и бесконтактные. Первые имеют подвижные контактные части, и воздействие на управляемую цепь осуществляется путем замыкания или размыкания этих контактов. Бесконтактные аппараты не имеют коммутирующих контактов. Эти аппараты осуществляют управление путем изменения своих электрических параметров (индуктивности, ёмкости, сопротивления и т.д.).
Контактные аппараты могут быть автоматическими и неавтоматическими. Автоматические это аппараты, приходящие в действие от заданного режима работы цепи или машины. Неавтоматические это аппараты, действие которых зависит только от оператора. Они могут управляться дистанционно или непосредственно.
Требования, предъявляемые к электрическим аппаратам, чрезвычайно разнообразны и зависят от назначения, условий применения и эксплуатации аппарата. Кроме специфических требований, относящихся к данному аппарату, все электрические аппараты должны удовлетворять некоторым общим требованиям:
1. Каждый электрический аппарат при работе обтекается рабочим током, при этом в токоведущих частях выделяется определенное количество теплоты и аппарат нагревается. Температура не должна превосходить некоторого определенного значения, устанавливаемого для данного аппарата и его деталей.
2. В каждой электрической цепи может быть ненормальный (перегрузка) или аварийный (короткое замыкание) режим работы. Ток, протекающий по аппарату в этих режимах, существенно (в 50 и более раз) превышает номинальный, или рабочий, ток. Аппарат подвергается в течение определенного времени чрезмерно большим термическим и электродинамическим воздействиям тока, однако он должен выдерживать эти воздействия без каких-либо деформаций, препятствующих дальнейшей его работе.
3. Каждый электрический аппарат работает в цепи с определенным напряжением, где возможны также и перенапряжения. Однако электрическая изоляция аппарата должна обеспечивать надежную работу аппарата при заданных значениях перенапряжений.
4. Контакты аппаратов должны быть способны включать и отключать все токи рабочих режимов, а многие аппараты также и токи аварийных режимов, которые могут возникнуть в управляемых и защищаемых цепях.
5. К каждому электрическому аппарату предъявляются требования по надежности и точности работы, а также по быстродействию.
6. Любой электрический аппарат должен, по возможности, иметь наименьшие габариты, массу и стоимость, быть простым по устройству, удобным в обслуживании и технологичным в производстве.
НАЗНАЧЕНИЕ, УСТРОЙСТВО, ПРИНЦИП РАБОТЫ, МАРКИРОВКА И ВЫБОР АППАРАТУРЫ ЗАЩИТЫ И УПРАВЛЕНИЯ ДО 1000 В.
Электрические аппараты управления и защиты до 1000 В служат для ручного или автоматического включения и отключения электрических цепей и их автоматической защиты при различных аномальных режимах . По назначению электрические аппараты подразделяются на коммутационные, обеспечивающие включение и отключение электрических цепей, защитные, предохраняющие электрические цепи и электродвигатели от длительного воздействия токов короткого замыкания и перегрузок, управления, контролирующие и регулирующие, применяемые для автоматической стабилизации или регулирования заданных параметров электрической цепи и т.п. В пределах каждой из этих групп аппараты различаются по напряжению, роду тока (постоянный, переменный), роду защиты от окружающей среды, способу действия (электромагнитные, индукционные, тепловые, магнитоэлектрические) и ряду других факторов быстродействию, способу гашения дуги и т.п. По способу воздействия на электрическую цепь различают аппараты контактные, которые замыкают или размыкают электрическую цепь при помощи контактов, и бесконтактные, воздействующие на электрическую цепь путем резкого изменения своей проводимости. Контактные аппараты бывают ручного и электромеханического управления, при котором подвижные контакты приводятся в действие при помощи электромагнита. Все эти аппараты обязательно содержат контактный узел, органы управления, а также могут иметь дугогасительные устройства. По конструктивному исполнению контактные узлы (сокращенно контакты) подразделяются на рычажные, мостиковые, врубные. По назначению контакты делятся на главные, которые включаются в цепь силового канала, и блокировочные (блок-контакты), используемые, в цепях управления. По действию контактов при начальном воздействии на орган управления их называют замыкающими или размыкающими. Дугогасительные устройства необходимы в аппаратах, коммутирующих большие токи, так как возникающая при разрыве тока электрическая дуга вызывает подгорание контактов. В низковольтных аппаратах применяются два вида дугогасительных камер: с магнитным гашением дуги и с деионным. При магнитном гашении контакты помещены внутри дугогасительной камеры , изготовленной из теплостойкого изоляционного материала. С обеих сторон камера охвачена стальными щеками , приклепленными к торцам стального сердечника дугогасительного электромагнита, магнитное поле которого выталкивает дугу 6 в узкую щель камеры вверх.
Плавкие предохранители ПР-2 и ПН-2
Плавкие предохранители это аппараты, защищающие установки от перегрузок и токов короткого замыкания. Основными элементами предохранителя являются плавкая вставка, включаемая в рассечку защищаемой цепи, и дугогасительное устройство, гасящее дугу, возникающую после плавления вставки.
К предохранителям предъявляются следующие требования:
1. Времятоковая характеристика предохранителя должна проходить ниже, но возможно ближе к времятоковой характеристике защищаемого объекта.
2. При коротком замыкании предохранители должны работать селективно.
3.Время срабатывания предохранителя при коротком замыкании должно быть минимально возможным, особенно при защите полупроводниковых приборов. Предохранители должны работать с токоограничением.
4. Характеристики предохранителя должны быть стабильными. Разброс параметров из-за производственных отклонений не должен нарушать защитные свойства предохранителя.
5. В связи с возросшей мощностью установок предохранители должны иметь высокую отключающую способность.
6. Замена сгоревшего предохранителя или плавкой вставки не должна требовать много времени.
В промышленности наибольшее распространение получили предохранители типов ПР-2 и ПН-2.
Устройство предохранителей ПР-2
Предохранители ПР-2 на токи от 15 до 60 А имеют упрощенную конструкцию. Плавкая вставка 1 прижимается к латунной обойме 4 колпачком 5, который является выходным контактом. Плавкая вставка 1 штампуется из цинка, являющегося легкоплавким и стойким к коррозии материалом. Указанная форма вставки позволяет получить благоприятную времятоковую (защитную) характеристику. В предохранителях на токи более 60 А плавкая вставка 1 присоединяется к контактным ножам 2 с помощью болтов.
Принцип действия предохранителей ПР-2
Процесс гашения дуги в плавком предохранителе ПР-2 происходит следующим образом. При отключении сгорают суженные перешейки плавкой вставки, после чего возникает дуга. Под действием высокой температуры дуги фибровые стенки патрона выделяют газ, в результате чего давление в патроне за доли полупериода поднимается до 48 МПа. За счет увеличения давления поднимается вольт-амперная характеристика дуги, что способствует ее быстрому гашению. Плавкая вставка предохранителя ПР-2 может иметь от одного до четырех сужений в
способствуют быстрому ее плавлению при коротком замыкании и создают эффект токоограничения.

Предохранитель типа ПР-2
Поскольку гашение дуги в плавком предохранителе ПР-2 происходит очень быстро (0,002 с), можно считать, что уширенные части вставки в процессе гашения остаются неподвижными. Давление внутри патрона плавкого предохранителя пропорционально квадрату тока в момент плавления вставки и может достигать больших значений. Поэтому фибровый цилиндр должен обладать высокой механической прочностью, для чего на его концах установлены латунные обоймы 4. Диски 6, жестко связанные с контактными ножами 2, крепятся к обойме патрона 4 с помощью колпачков 5. Предохранители ПР-2 работают бесшумно, практически без выброса пламени и газов, что позволяет устанавливать их на близком расстояния друг от друга. Плавкие предохранители ПР-2 выпускаются двух осевых размеров короткие и длинные. Короткие предохранители ПР-2 предназначены для работы на переменном напряжении не выше 380 В. Они имеют меньшую отключающую способность, чем длинные, рассчитанные на работу в сети с на-пряжением до 500 В.
Плавкие предохранители ПН-2
Эти предохранители более совершенны, чем предохранители ПР-2. Корпус квадратного сечения 1 предохранителя типа ПН-2 изготавливается из прочного фарфора или стеатита. Внутри корпуса расположены ленточные плавкие вставки 2 и наполнитель кварцевый песок 3. Плавкие вставки привариваются к диску 4, который крепится к пластинам 5, связанным с ножевыми контактами 9. Пластины 5 крепятся к корпусу винтами. В качестве наполнителя в предохранителях ПН-2 используется кварцевый песок с содержанием SiO2 не менее 98 %, с зернами размером (0,20,4)10-3 м и влажностью не выше 3 %. Перед засыпкой песок тщательно просушивается при температуре 120180 °С. Зерна кварцевого песка имеют высокую теплопроводность и хорошо развитую охлаждающую поверхность.
Плавкая вставка предохранителей ПН-2 выполняется из медной ленты толщиной 0,1 0,2 мм. Для получения токоограничения вставка имеет суженные сечения 8. Плавкая вставка разделена на три параллельных ветви для более полного использования наполнителя. Применение тонкой ленты, эффективный теплоотвод от суженных участков позволяют выбрать небольшое минимальное сечение вставки для данного номинального тока, что обеспечивает высокую токоограничивающую способность. Соединение нескольких суженных участков по-следовательно способствует замедлению роста тока после плавления вставки, так как возрастает напряжение на дуге предохранителя. Для снижения температуры плавления на вставки наносятся оловянные полоски 7 (металлургический эффект).
Принцип действия предохранителя ПН-2
При коротком замыкании плавкая вставка предохранителя ПН-2 сгорает и дуга горит в канале, образованном зернами наполнителя. Из-за горения в узкой щели при токах выше 100 А дуга имеет возрастающую вольт-амперную характеристику. Градиент напряжения на дуге очень высок и достигает (26)104 В/м. Этим обеспечивается гашение дуги за несколько миллисекунд.
После срабатывания предохранителя плавкие вставки вместе с диском 4 заменяются, после чего патрон засыпается песком. Для герметизации патрона под пластины 5 кладется асбестовая прокладка 6 что предохраняет песок от увлажнения. При номинальном токе 40 А и ниже предохранитель имеет более простую конструкцию.

РУБИЛЬНИКИ И ПЕРЕКЛЮЧАТЕЛИ
Рубильники и переключатели являются ручными неавтоматическими аппаратами управления. Рубильники выполняются в виде одно-, двух- и трехполюсных аппаратов и служат для включения и отключения, а переключатели и для переключения электрических цепей при номинальных токах и напряжениях, а также для оперативных действий без нагрузки.
По способу управления рубильники и переключатели бывают с центральной рукояткой для установки на лицевой стороне распределительных щитов; с рычажным приводом для установки на каркасе за распределительным щитом. Управление рубильниками и переключателями с рычажными приводами осуществляется с лицевой стороны щита. Рубильники с центральной рукояткой допускают отключение своего номинального тока при номинальном напряжении до 220 в. При более высоких напряжениях эти рубильники применяют для разрыва электрической цепи только при отсутствии в ней тока нагрузки, в качестве низковольтных разъединителей. При помощи рубильников с рычажными приводами можно отключить номинальные токи при номинальных напряжениях 220 в постоянного тока и 380 в переменного тока. В электроустановках напряжением выше 380 в рубильники с рычажными приводами используют только в качестве разъединителей.
АВТОМАТИЧЕСКИЕ ВЫКЛЮЧАТЕЛИ
Автоматические выключатель предназначен для коммутации цепей при
аварийных режимах, а также нечастых оперативных включений и отключений электрических цепей. Автоматические выключатели изготовляют для цепей переменного до 1000 В и постоянного тока до 440 В одно-, двух-, трех- и четырехполюсные на номинальные токи от 6,3 до 6300 А.
Автоматические выключатели имеют реле прямого действия, называемые
расцепителями, которые обеспечивают отключение при перегрузках, КЗ,
снижении напряжения. Отключение может происходить без выдержки времени или с выдержкой.
Автоматические выключатели изготавливают с ручным и двигательным
приводом, в стационарном или выдвижном исполнении.
При номинальных токах 630 А контактная система одноступенчатая, т. е.
Контакты выполняют роль главных и дугогасительных.
При отключении сначала размыкаются главные контакты и весь ток
переходит на дугогасительные контакты. На главных контактах дуга не
образуется.
Дугогасительные камеры выполняются со стальными пластинами и лабиринто-щелевыми. Втягивание дуги в камеру осуществляется магнитным дутьем.
Материал камеры должен обладать высокой дугостойкостью.
В современных выключателях применяют полупроводниковые расцепители, которые обеспечивают более высокую точность срабатывания по току и времени.
Автоматические выключатели серии А3700 на токи 160-630 А и напряжение
переменного тока до 630 В, постоянного до 440 В выпускаются в
пластмассовом корпусе с изолирующими перегородками между полюсами.
Автоматические выключатель серии « Электрон» (Э) изготовляются для
цепей переменного тока до 660 В и постоянного до 440 В на номинальные токи 1000-6300 А и токи отключения до 65-115 кА. Выключатели этой серии снабжены электродвигательным или электромагнитным приводом, который обеспечивает дистанционное включение.
Выключатели Э06 на ток до 1000 А имеют одноступенчатую контактную
систему, состоящую из параллельно включаемой пары контактов.
Автоматические выключатели серии АВМ выпускают на номинальные токи до 2000 А и напряжения 500 В переменного и 440 В постоянного тока. Выключатель имеет две пары контактов на полюс главные и дугогасительные. Гашение дуги происходит в камере со стальными пластинами.
Заводы-изготовители гарантируют термическую и электродинамическую
стойкость автоматических выключателей с расцепителями максимального тока,проверенными по отключаемому току.
УЗО(устройство защитного отключения) - Защитным отключением называется автоматическое отключение электроустановок при однофазном (однополюсном) прикосновении к частям, находящимся под напряжением, недопустимым для человека, и (или) при возникновении в электроустановке тока утечки (замыкания), превышающего заданные значения.
Назначение защитного отключения - обеспечение электробезопасности, что достигается за счет ограничения времени воздействия опасного тока на человека. Защита осуществляется специальным устройством защитного отключения (УЗО), которое, работая в дежурном режиме, постоянно контролирует условия поражения человека электрическим током.
Принцип работы УЗО состоит в том, что оно постоянно контролирует входной сигнал и сравнивает его с наперед заданной величиной (уставкой). Например, значения уставок должны выбираться для сетей с глухозаземленной нейтралью - из ряда 0,002; 0,006; 0,01; 0,02; 0,03; 0,1; 0,3; 0,5; 1,0 А. Если входной сигнал превышает уставку, то устройство срабатывает и отключает защищенную электроустановку от сети. В качестве входных сигналов устройств защитного отключения используют различные параметры электрических сетей, которые несут в себе информацию об условиях поражения человека электрическим током.Основными элементами любого устройства защитного отключения являются датчик, преобразователь и исполнительный орган.
Пакетные выключатели и переключатели - Пакетные выключатели служат для включения и отключения электрических цепей постоянного и переменного тока до 100 А при напряжении 220 В и до 60 А при напряжении 380 В. Пакетные выключатели и переключатели значительно компактнее рубильников. Пакетные выключатели монтируются с выводом на панель только рукоятки, что обеспечивает безопасность работы обслуживающего персонала.
Устройство пакетных выключателей - пакетный выключатель состоит из переключающего механизма и контактной группы; клеммы 2, 7 неподвижных контактов выступают из корпуса. Подвижные контакты 8 находятся внутри корпуса на втулке квадратного сечения, выполненной из изоляционного материала. Корпус набирается из изоляционных шайб, соединенных между собой стягивающими шпильками 4. Подвижные контакты поворачиваются рукояткой через пружинный механизм быстрого переключения 6.

При повороте рукоятки 5 вначале заводится пружина механизма быстрого переключения. Когда усилие, действующее от рукоятки на фигурную шайбу, возрастает до определенной величины, шайба очень быстро поворачивается на четверть оборота до следующего упора 3 в верхней крышке.
Упоры в крышке расположены под углом 90°. Втулка квадратного сечения, на которой укреплены подвижные контакты, соединена с фигурной шайбой. Одновременно с быстрым поворотом фигурной шайбы происходит поворот подвижных контактов 8. Последние укреплены в пластинах из фибры, которые выполняют роль направляющих и обеспечивают быстрое гашение возникающей дуги.
Фибра под воздействием высокой температуры выделяет большое количество газов. Давление их увеличивается, в результате чего происходит движение газов через щели пакета. Свежий, неионизированный воздух, поступающий внутрь выключателя, способствует быстрому гашению дуги.
Пакетные переключатели - кроме пакетных выключателей, широко применяются и пакетные переключатели. В пакетном переключателе только одно положение соответствует отключенному состоянию приемника, а три остальных - включенному различными способами.
На рисунке изображена схема включения трехскоростного двигателя М пакетным переключателем Q. Четырехпозиционный пакетный переключатель имеет шесть подвижных контактов. Одна позиция (0) соответствует отключенному состоянию двигателя. В статоре двигателя уложено две обмотки, одна из которых соединена в звезду, а другая может переключаться с соединения треугольником на двойную звезду.

Схема включения пакетным переключателем трехскоростного электродвигателя.
Согласно схеме в положении 1 рукоятки двигатель подсоединяется к сети клеммами ЗС1, ЗС2, ЗСЗ. В статоре двигателя создается вращающееся магнитное поле с тремя парами полюсов. Синхронная частота вращения двигателя (частота вращения магнитного поля) при этом равна 1000 об/мин.
На соединение левых клемм переключателя с правыми указывают точки с линиями, изображенные по вертикали под цифрами, соответствующими положениям рукоятки переключателя. положении 1 рукоятки переключателя верхняя левая клемма соединяется с клеммой 3С1 двигателя, средняя левая клемма с клеммой ЗС2, а нижняя левая с клеммой ЗСЗ.
В положении 3 рукоятки наряду с соединением левых клемм переключателя с клеммами 1С1, 1С2, 1СЗ двигателя происходит соединение клемм 2С1, 2С2 и 2СЗ друг с другом. Этим обеспечивается соединение обмотки в двойную звезду с образованием одной пары полюсов и получением синхронной частоты вращения 3000 об/мин.
В положении 2 рукоятки переключателя соединяются верхняя левая клемма с клеммой 2С1 двигателя, средняя левая клемма с клеммой 2С2 и нижняя левая клемма с клеммой 2СЗ. При этом двигатель включается в треугольник с образованием двух пар полюсов и получением синхронной частоты вращения 1500 об/мин.
КОНТАКТОР
Контактор - это дистанционно управляемый коммутационный аппарат, позволяющий коммутировать мощные (в том числе индуктивные) нагрузки как переменного, так и постоянного тока.
Отличительной особенностью электромагнитных контакторов, по сравнению с близкими к ним электромагнитными реле является то, что контакторы разрывают электрическую цепь в нескольких точках одновременно, в то время как электромагнитные реле обычно разрывают цепь только в одной точке.
Контакторы это аппараты дистанционного действия, предназначенные для частых включений и отключений силовых электрических цепей при нормальных режимах работы.
Электромагнитный контактор представляет собой электрический аппарат, предназначенный для коммутации силовых электрических цепей. Замыкание или размыкание контактов контактора осуществляется чаще всего с помощью электромагнитного привода.
НАЗНАЧЕНИЕ контактора - Контакторы бывают трех видов: постоянного тока, контакторы переменного тока и контакторы постоянно-переменного тока.
Контакторы предназначены для коммутации цепей постоянного тока и, как правило, приводятся в действие электромагнитом постоянного тока.Контакторы постоянного тока применяются для включения и отключения приемников электрической энергии в цепях постоянного тока; в электромагнитных приводах высоковольтных выключателей; в устройствах автоматического повторного включения.Контакторы постоянного тока выпускаются в основном на напряжение 22 и 440 В., токи до 630 А., однополюсные и двухполюсные.
Контакторы применяются для управления асинхронными трехфазными двигателями с короткозамкнутым ротором, для выведения пусковых резисторов, включения трехфазных трансформаторов, нагревательных устройств, тормозных электромагнитов и других электротехнических устройств.Контакторы переменного тока предназначены для коммутации цепей переменного тока. Электромагниты этих цепей могут быть как переменного, так и постоянного тока.
УСТРОЙСТВО контактора
Схема контактора постоянного тока представлена на рис. 330.

Контактор состоит из следующих основных узлов: главных контактов, дугогасительной системы, электромагнитной системы, вспомогательных контактов.Конструктивно контакторы состоят из электромагнитной системы, состоящей из сердечника? (электромагнита, магнитопровода) (7), якоря (8), катушки (3) и крепежных деталей (1,2); системы главных контактов (4,5); дугогасительной системы (токоведущая связь (6).Дугогасительная система обеспечивает гашение электрической дуги, возникающей при размыкании главных контактов.Главные контакты осуществляют замыкание и размыкание силовой цепи. Они должны быть рассчитаны на длительное проведение номинального тока и на производство большого числа включений и отключений при большой их частоте. Нормальным считают положение контактов, когда втягивающая катушка контактора не обтекается током и освобождены все имеющиеся механические защелки. Главные контакты могут выполняться рычажного и мостикового типа. Рычажные контакты предполагают поворотную подвижную систему, мостиковые прямоходовую.Дугогасительные камеры контакторов постоянного тока построены на принципе гашения электрической дуги поперечным магнитным полем в камерах с продольными щелями. Магнитное поле в подавляющем большинстве конструкций возбуждается последовательно включенной с контактами дугогасительной катушкой.Дугогасительная система обеспечивает гашение электрической дуги, которая возникает при размыкании главных контактов. Способы гашения дуги и конструкции дугогасительных систем определяются родом тока главной цепи и режимом работы контактора.Электромагнитная система контактора обеспечивает дистанционное управление контактором, т. е. включение и отключение. Конструкция системы определяется родом тока и цепи управления контактора и его кинематической схемой.Электромагнитная система контактора может рассчитываться на включение якоря и удержание его в замкнутом положении или только на включение якоря. Удержание же его в замкнутом положении в этом случае осуществляется защелкой.Отключение контактора происходит после обесточивания катушки под действием отключающей пружины, или собственного веса подвижной системы, но чаще пружины.Вспомогательные контакты. Производят переключения в цепях управления контактора, а также в цепях блокировки и сигнализации. Они рассчитаны на длительное проведение тока не более 20 А, и отключение тока не более 5 А. Контакты выполняются как замыкающие, так и размыкающие, в подавляющем большинстве случаев мостикового типа.
ПРИНЦИП ДЕЙСТВИЯ контактора
Принцип работы контактора: на катушку управления подается напряжение, якорь притягивается к сердечнику и контактная группа замыкается или размыкается в зависимости от исходного состояния каждого из контактов. При отключении происходят обратные действия.
Общепромышленные контакторы классифицируются:
- по роду тока главной цепи и цепи управления (включающей катушки) - постоянного, переменного, постоянного и переменного тока;
- по числу главных полюсов - от 1 до 5;
- по номинальному току главной цепи - от 1,5 до 4800 А;
- по номинальному напряжению главной цепи: от 27 до 2000 В постоянного тока; от 110 до 1600 В переменного тока частотой 50, 60, 500, 1000, 2400, 8000, 10 000 Гц;
- по номинальному напряжению включающей катушки: от 12 до 440 В постоянного тока, от 12 до 660 В переменного тока частотой 50 Гц, от 24 до 660 В переменного тока частотой 60 Гц;
- по наличию вспомогательных контактов - с контактами, без контактов.
Контакторы также различаются по роду присоединения проводников главной цепи и цепи управления, способу монтажа, виду присоединения внешних проводников и т.п.
На сегодняшний день существует огромный выбор контакторов и пускателей всех типов для всех возможных видов электроустановок.
Контакторы КМ модульные контакторы, применяемые в основном в системах управления и автоматизации жилых, офисных, промышленных и прочих помещениях для управления и коммутации осветительных, обогревательных и вентиляционных и прочих инженерных систем. Применяются в сетях с напряжением до 380В переменного тока частотой 50Гц. Главные достоинства контактора КМ малошумная коммутация, высокая коммутационная мощность и долговечность, свободный от фона переменного тока магнитный привод.
Контакторы серии КМЭ малогабаритные контакторы, предназначенные для дистанционного пуска, остановки и реверсирования трехфазных асинхронных двигателей с короткозамкнутым ротором в сетях переменного тока частотой 50/60Гц с напряжением до 660В (категория применения АС-3) и для дистанционного управления электрическими цепями в которых ток включения равен номинальному току нагрузки (категория АС-1).
Контакторы этой серии отличают: компактные размеры, широкий ассортимент исполнений и катушек управления, большой выбор дополнительных устройств и возможность реализации реверсивного варианта управления, простота в обслуживании и эффективность работы.
Контакторы серии КТЭ также используются для использования в схемах управления трехфазных асинхронных электродвигателей с короткозамкнутым ротором в сетях с напряжением до 660В. Могут использоваться для включения и отключения таких систем как: нагревательных установок, освещения, насосных систем, печей, вентиляции и т.д. В ассортименте компании как одиночные нереверсивные контакторы, так и блочные реверсивные контакторы.
Контакторы КТ-6000 Применяются для включения и отключения приемников электрической энергии с номинальным напряжением до 660В переменного тока частотой 50Гц. Сфера применения включение мощных электрических машин в аппаратуре автоматического включения резерва (АВР). Изготавливаются только в открытом исполнении с естественным воздушным охлаждением. Выпускаются в трехполюсном исполнении на номинальные токи от 100 до 630А, категория применения АС3.
МАГНИТНЫЙ ПУСКАТЕЛЬ
Магнитный пускатель - это модифицированный контактор. В отличие от контактора, магнитный пускатель комплектуется дополнительным оборудованием: тепловым реле, дополнительной контактной группой или автоматом для пуска электродвигателя.
Пускатель электромагнитный (магнитный пускатель) это низковольтное электромагнитное (электромеханическое) комбинированное устройство распределения и управления для пуска и разгона электродвигателя до номинальной скорости, обеспечения его непрерывной работы, отключения питания и защиты электродвигателя и подключенных цепей от рабочих перегрузок.
НАЗНАЧЕНИЕ МАГНИТНОГО ПУСКАТЕЛЯ
Магнитные пускатели предназначены для применения в стационарных установках для дистанционного пуска непосредственным подключением к сети, остановки и реверсирования трехфазных асинхронных электродвигателей с короткозамкнутым ротором при напряжении до 660В и номинальном токе частотой 50 и 60 Гц. При наличии тепловых реле пускатели осуществляют защиту управляемых электродвигателей от перегрузки недопустимой продолжительности и от токов, возникающих при обрыве одной из фаз. Пускатели, комплектуемые ограничителями перенапряжений, пригодны для работы в системах управления с применением микропроцессорной техники.
УСТРОЙСТВО МАГНИТНОГО ПУСКАТЕЛЯ
Пускатель представляет собой контактор, комплектованный дополнительным оборудованием: тепловым реле, дополнительной контактной группой или автоматом для пуска электродвигателя, плавкими предохранителями.

Помимо простого включения, в случае управления электродвигателем пускатель может выполнять функцию переключения направления вращения его ротора (т. н. реверсивная схема), путем изменения порядка следования фаз для чего в пускатель встраивается второй контактор.переключения обмоток трехфазного двигателя со «звезды» на «треугольник» производится для уменьшения пускового тока двигателя.Исполнение магнитных пускателей может быть открытым и защищенным (в корпусе); реверсивным и нереверсивным; с встроенной тепловой защитой электродвигателя от перегрузки и без нее.
Реверсивный магнитный пускатель представляет собой два трёхполюсных контактора, укреплённых на общем основании и сблокированных механической или электрической блокировкой, исключающей возможность одновременного включения контакторов.
ПРИНЦИП РАБОТЫ МАГНИТНОГО ПУСКАТЕЛЯ
Принцип действия нереверсивного магнитного пускателя (рис. 1) заключается в следующем: при включении пускателя по катушке проходит электрический ток, сердечник намагничивается и притягивает якорь, при этом главные контакты замыкаются, по главной цепи протекает ток. При отключении пускателя катушка обесточивается, под действием возвратной пружины якорь возвращается в исходное положение, главные контакты размыкаются.
При отключении магнитного пускателя вследствие перебоев в электроснабжении размыкаются все его контакты, в том числе и вспомогательные.

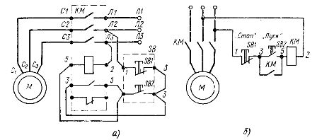
Рис. 1. Схема включения нереверсивного магнитного пускателя: а - монтажная схема включения пускателя,б)электрическая принципиальная схема включения пускателя.
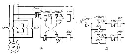
Принцип действия схем включения реверсивного магнитного пускателя: (рис. 2)Для изменения направления вращения асинхронного электродвигателя необходимо изменить порядок чередования фаз статорной обмотки.
В реверсивном магнитном пускателе используют два контактора: КМ1 и КМ2. Из схемы видно, что при случайном одновременном включении обоих контакторов в цепи главного тока произойдет короткое замыкание. Для исключения этого схема снабжена блокировкой.

Рис. 2. Схемы включения реверсивного магнитного пускателя.
Если после нажатия кнопки SB3 «Вперед» к включения контактора КМ1 нажать кнопку SB2 «Назад», то размыкающий контакт этой кнопки отключит катушку контактора КМ1, а замыкающий контакт подаст питание в катушку контактора КМ2. Произойдет реверсирование электродвигателя.Электрическая схема цепи управления реверсивного пускателя с блокировкой на вспомогательных размыкающих контактах изображена на рис. 2, б.В этой схеме включение одного из контакторов, например КМ1, приводит к размыканию цепи питания катушки другого контактора КМ2. Для реверса необходимо предварительно нажать кнопку SB1 «Стоп» и отключить контактор КМ1. Для надежной работы схемы необходимо, чтобы главные контакты контактора КМ1 разомкнулись раньше, чем произойдет замыкание размыкающих вспомогательных контактов в цепи контактора КМ2.Это достигается соответствующей регулировкой положения вспомогательных контактов по ходу якоря.
МАРКИРОВКА МАГНИТНЫХ ПУСКАТЕЛЕЙ ПМЛ
Пускатели ПМЛ в исполнении с трехполюсными тепловыми реле серии РТЛ для защиты управляемых электрических двигателей от перегрузок недопустимого времени действия и от токов, возникающих при разрыве одной из фаз.
Пускатели ПМЛ могут комплектоваться ограничителями перенапряжений типа ОПН для работы в системах управления с применением микропроцессорной техники.
Структура маркировки магнитных пускателей ПМЛ:
ПМЛ Х Х Х Х Х Х-ХХ
1 2 3 4 5 6 7
ПМЛ - серия пускателей магнитных
1- величина пускателя ПМЛ по номинальному току в амперах:
1 - 10 (16)А;
2 - 25А;
3 - 40А;
4 - 63 (80)А;
5 - 125А;
6 - 160А;
7 - 250А.
2- исполнение пускателей по назначению и наличию теплового реле:
1 - нереверсивный пускатель ПМЛ без теплового реле;2 - нереверсивный пускатель ПМЛ с тепловым реле; 5 - реверсивный пускатель ПМЛ без теплового реле с механической блокировкой для степени защиты IР00, IР20 и с электрической и механической блокировками для степени защиты IР40, IР54;
6 - реверсивный пускатель ПМЛ с тепловым реле с электрической и механической блокировками;7 - пускатель ПМЛ звезда треугольник степени защиты IР54;
3 - исполнение пускателей по степени защиты (ГОСТ 1425480) и наличию кнопок управления и сигнальной лампы
0 - IР00;
1 - IР54 без кнопок;
2 - IР54 с кнопками "Пуск" и "Стоп";
3 - IР54 с кнопками "Пуск", "Стоп" и сигнальной лампой (изготавливается только на напряжение 127, 220 и 380В, 50Гц);
4 - IР40 без кнопок;
5 - IР40 с кнопками "Пуск" и "Стоп";
6 - IР20;
4- число и вид контактов вспомогательной цепи:
0 - 1з (на 10, 25А), 1з + 1р (на 40, 60А), переменный ток;
1 - 1р (на 10, 25А), переменный ток;
2 - 1з (на 10 - 63А), переменный ток;
5 - 1з (на 10, 25А), постоянный ток;
6 - 1р (на 10, 25А), постоянный ток;
5- буква "Д", обозначающая пускатель ПМЛ с Iном=16А для 1-й величины, Iном=80А для 4-й величины, или с уменьшенными весогабаритными показателями для 3-й величины ;6- буква "М", обозначающая исполнение пускателей с креплением как на стандартные рейки так и винтами к плоскости;
7- климатическое исполнение (О, О) и категория размещения (2; 4) по ГОСТ 1515069 и ГОСТ 1554370.
МАРКИРОВКА КОНТАКТОРОВ
КТ (КТП) - Х1 Х2 Х3 Х4 С Х5
Х1 - номер серии, 60, 70.
Х2 - величина контактора: 0, 1, 2, 3, 4, 5, 6.
Х3 - число полюсов: 2, 3, 4, 5.
Х4 - дополнительное значение специфических особенностей сери: Б - модернизированные контакты; А - повышенная коммутационная способность при напряжении 660В.
С - контакты с металлокерамическими накладками на основе серебра. Отсутствие буквы означает, что контакты медные.
Х5 - климатическое исполнение: У3, УХЛ, Т3.
Выбор контакторов и магнитных мускателей
Контакторы и пускатели должны выбираться по следующим основным техническим параметрам:
1) по назначению и области применения;
2) по категории применения;
3) по величине механической и коммутационной износостойкости;
4) по числу и исполнению главных и вспомогательных контактов;
5) по роду тока и величинам номинального напряжения и тока главной цепи;
6) по номинальному напряжению и потребляемой мощности включающих катушек;
7) по режиму работы;
8) по климатическому исполнению и категории размещения.
МОНТАЖ, ЭКСПЛУАТАЦИЯ И РЕМОНТ АППАРАТУРЫ ЗАЩИТЫ И УПРАВЛЕНИЯ ДО 1000 В.
Монтаж магнитных пускателей и контакторов
Для надежной работы монтаж магнитных пускателей должен производится на ровной, жестко укрепленной вертикальной поверхности. Пускатели с тепловым реле рекомендуется устанавливать при наименьшей разности температуры воздуха, окружающего пускатель и электродвигатель. Что бы не допустить ложных срабатываний не рекомендуется устанавливать пускатели с тепловым реле в местах подверженных ударам, резким толчкам и сильной тряске (например, на общей панели с электромагнитными аппаратами на номинальные токи более 150 А), так как при включении они создают большие удары и сотрясения. Для уменьшения влияния на работу теплового реле дополнительного нагрева от посторонних источников тепла и соблюдении требования о недопустимости температуры окружающего пускатель воздуха более 40о рекомендуется не размещать рядом с магнитными пускателями аппараты теплового действия (реостаты и т.д.) и не устанавливать их с тепловым реле в верхних, наиболее нагреваемых частях шкафов.При присоединении к контактному зажиму магнитного пускателя одного проводника его конец должен быть загнут в кольцеобразную или П-образную форму (для предотвращения перекоса пружинных шайб этого зажима). При присоединении к зажиму двух проводников примерно равного сечения их концы должны быть прямыми и распологаться по обе стороны от зажимного винта.
Присоединяемые концы медных проводников должны быть залужены. Концы многожильных проводников перед лужением должны быть скручены. В случае присоединения алюминиевых проводов их концы должны быть зачищены мелким надфилем под слоем смазки ЦИАТИМ или технического вазелина и дополнительно покрыты после зачистки кварцевазилиновой или цинко-вазелиновой пастой. Контакты и подвижные части магнитного пускателя смазывать нельзя.Перед пуском магнитного пускателя необходимо произвести его наружный осмотр и убедится в исправности всех его частей, а также в свободном передвижении всех подвижных частей (от руки), сверить номинальное напряжение катушки пускателя с напряжением, подаваемым на катушку, убедится, что все электрические соединения выполнены по схеме. При использовании пускателей в реверсивных режимах, нажав от руки подвижную траверсу до момента соприкосновения (начало замыкания) главных контактов, проверить наличие раствора нормально-замкнутых контактов, что необходимо для надежной работы электрической блокировки.
Наладка электромагнитных пускателей и контакторов
Магнитные пускатели и контакторы проверяют и налаживают по следующей программе: внешний осмотр, регулировка магнитной системы; регулировка контактной системы, проверка сопротивления изоляции токоведущих частей. При внешнем осмотре контакторов и магнитных пускателей в первую очередь обращают внимание на состояние главных и блокировочных контактов, магнитной системы, проверяют наличие всех деталей контактора: немагнитной прокладки у контактора постоянного тока, крепежных болтов, гаек, шайб, короткозамкнутого витка у контакторов переменного тока, дугогасительных камер. Легкость хода контактора проверяют путем замыкания его от руки. Ход магнитной системы должен быть плавным, без толчков и заеданий. При протекании тока по катушке контактор переменного тока должен издавать лишь слабый шум. Сильное гудение контактора может указывать на неправильное крепление якоря или сердечника, повреждение короткозамкнутого витка, охватывающего сердечник, или на неплотное прилегание якоря к сердечнику электромагнита. Для устранения чрезмерного гудения подтягивают винты, крепящие якорь и сердечник. Плотность прилегания якоря к сердечнику проверяют следующим образом. Подкладывают между якорем и сердечником листок бумаги и замыкают контактор от руки. Площадь соприкосновения должна составлять не менее 70% сечения магнитопровода, при меньшей площади соприкосновения дефект устраняют правильной установкой сердечника и якоря. При образовании общего зазора шабруют поверхность вдоль слоев листовой стали магнитной системы. По мере работы контактора постоянного тока может происходить истирание немагнитной прокладки, что уменьшает зазор и способствует прилипанию якоря к сердечнику, поэтому при значительном износе прокладку заменяют на новую. Контактная система является наиболее ответственной частью контакторов магнитных пускателей, поэтому на ее состояние должно быть обращено особое внимание. В замкнутом состоянии контакты должны касаться друг друга нижними частями, образуя линейный контакт по всей ширине контакта без просветов. Наличие на контактной поверхности наплывов или застывших кусочков металла увеличивает контактное сопротивление (а следовательно, и потери в контактах) более чем в 10 раз. Поэтому при обнаружении наплывов необходимо удалить их напильником. Зачистка наждачной бумагой и смазка контактной поверхности не допускается. Кроме того, в особо ответственных контакторах и магнитных пускателях определяют начальную и конечную силы нажатия главных контактов. Начальное нажатие сила, создаваемая контактной пружиной в момент соприкосновения контактов. Начальную и конечную силы нажатия определяют с помощью динамометра.Сопротивление изоляции токоведущих частей контакторов и магнитных пускателей проверяют мегомметром на 500 или 1000 В. Значение сопротивления изоляции катушки не должно быть ниже 0,5 МОм.
Техническое обслуживание (наладка) и ремонт электромагнитных пускателей и контакторов
Для предотвращения быстрого износа и отказов, поддержания в постоянной готовности к использованию по назначению, обеспечения безопасной работы проводится техническое обслуживание (ТО) пускателей. Виды и регламенты технического обслуживания и испытаний определены Правилами безопасности (ПБ) и Положением о планово-предупредительной системе технического обслуживания и ремонта оборудования промышленных предприятий (Положение о ППР). Пуска в процессе эксплуатации должны периодически осматриваться:
а) лицами, работающими на технологических машинах, а также
дежурными электрослесарями, электромонтерами участка ежесменно;
б) механиками участков или лицами, их замещающими еженедельно;
в) главным энергетиком (главным механиком) или назначенными им лицами
не реже 1 раза в 3 мес.
Ежесменный осмотр производят в начале каждой смены без вскрытия оболочки пускателя. При этом проверяют следующее:
1. Место установки пускателя, где должно быть исключено возможноеобрушение кровли, повреждение транспортными средствами, попадание воды. Пускатель должен быть собран и укомплектован в соответствии с инструкцией завода-изготовителя.
2. Чистоту наружных поверхностей пускателя, т. е. отсутствие на нихугольной пыли и другого горючего материала.
3. Целость оболочки. Взрывобезопасная оболочка не должна иметь трещин,прожогов, отверстий, неисправных защитных стекол и других повреждений.
4. Наличие крепежных гаек и болтов, их затяжку. Гайки и болты должны быть полностью затянуты так, чтобы фланцы крыш и корпуса взрывобезопасной оболочки плотно прилегали по всему периметру. Запрещается эксплуатация пускателя при отсутствии или недостаточной затяжке хотя бы одного болта или гайки.
5. Исправность вводных устройств, наличие элементов уплотнения и крепления кабеля. Кабель не должен проворачиваться или перемещаться в осевом направлении. Ослабленные болты или гайки, предназначенные для уплотнения резинового кольца и закрепления кабеля от выдергивания, необходимо подтянуть.
6. Отсутствие не закрытых взрывонепроницаемой заглушкой кабельных вводов пускателя, которые не используются в работе.
7. Исправность устройств для облегчения открывания крышки и наличие специальных ключей к ним.
8. Наличие пломб на пускателях и надписей, указывающих включаемую технологическую машину, величину установки тока максимальной токовой защиты и максимальной токовой защиты от перегрузки.
9.Ширину щели (зазора) в плоских соединениях между наружными частями оболочки, подвергавшейся вскрытию, при нормальной затяжке крепежных болтов.
Ежеквартальную ревизию проводят с открыванием крышек взрывобезопасной оболочки, разборкой вводов (в случае необходимости), осмотром всех электрических элементов пускателя и выполнением необходимого технического ремонта. Перед ревизией следует: посредством ближайшего выключателя снять напряжение с подвергающегося ревизии пускателя и на его рукоятке повесить плакат «Не включать, работают люди»; открыть крышку вводного отделения пускателя и убедиться в отсутствии напряжения.
10. Чистоту внутренних поверхностей оболочки. Для этого открывают все крышки оболочки и, если надо, очищают поверхность и установленные элементы пускателя от влаги и пыли. Ввод коробки снимают в случае необходимости.
11. Состояние взрывозащитных поверхностей. При наличии загрязнений очищают поверхность ветошью от смазки и пыли, шлифовальной шкуркой от ржавчины.
12. Наличие и состояние эластичных уплотняющих прокладок (если предусмотрено конструкцией пускателя). Смятые или разорванные прокладки должны быть заменены.
13. Качество уплотнений гибких и бронированных кабелей при сухой заделке последних.
14. Исправность охранных колец для головок крепежных болтов и гаек.
15. Качество затяжки присоединенных кабельных жил к зажимам и состояние этих зажимов. Ослабленные гайки или болты подтягивают, изоляционные втулки, имеющие сколы или трещины, заменяют.
16. Состояние монтажа внутренней проводки и элементов пускателя: гайки и болты на зажимах подтягивают, поврежденные места изоляции проводников изолируют, а в случае необходимости проводник заменяют.
17. Исправность механической блокировки крышки, которая должна работать четко и надежно.
18. Состояние смотровых окон. Окна проверяют без разборки, обращая внимание на целость стекол и отметку «В», наличие на них крепежных элементов и их затяжку.
В условиях напряженной работы предприятий ремонт электрооборудования должен выполняться в предельно сжатые сроки, что возможно при высоком уровне организации ремонтных работ. Поскольку пока не полностью удовлетворяются потребности предприятий в трансформаторах, электрических машинах и аппаратах, своевременный и качественный ремонт этого электрооборудования стал одним из основных факторов, обеспечивающих нормальную работу предприятий.
В процессе ремонта возможны модернизация электрооборудования, изменение в нужном направлении его технических характеристик, повышение экономичности работы. Многолетняя практика работы электроремонтных цехов предприятий и электроремонтных заводов показала, что свыше 70% поступающего в ремонт поврежденного электрооборудования составляют трансформаторы, электрические машины и коммутационные аппараты, в ремонте которых значительное место занимают электрослесарные работы.В своей работе я рассмотрел вопросы технического обслуживания и ремонта магнитных пускателей
Техническое обслуживание
В период между ремонтами проводится техническое обслуживание электроустройств, которое представляет собой комплекс операций или операцию по поддержанию работоспособности или исправности устройства при пользовании по назначению, ожидании, хранении и транспортировании. Устройство при этом не разбирается.
В типовой объем работ по техническому обслуживанию магнитных пускателей входят: очистка от пыли и грязи, смазка трущихся частей, ликвидация видимых повреждений, затяжка крепежных деталей, очистка контактов от грязи и наплывов, проверка исправности кожухов, оболочек, корпусов, проверка работы сигнальных и заземляющих устройств.
Ремонтные работы
В результате эксплуатации, аварий, перегрузок и естественного износа часть электрооборудования и сетей выходит из строя и подлежит ремонту.
Ремонт - это комплекс операций по восстановлению исправности или работоспособности электротехнических устройств, восстановлению их ресурсов или их составных частей. Под операцией ремонта понимают законченную часть ремонта, выполняемую на одном рабочем месте исполнителями определенной специальности, например: очистка, разборка, сварка, изготовление обмоток и т.д.
В электрических аппаратах чаще всего повреждаются подвижные, неподвижные и дугогасительные контакты. Ремонт в основном заключается в определении неисправности, устранении ее, замене поврежденных и изношенных деталей с последующей регулировкой и испытанием. При эксплуатации контакты очищают от нагара металла, копоти, окислов. Очищают напильником с тонкой (мелкой) насечкой. Устраняют сильный и слабый нажим контактов. Для этого между контактами помещают бумагу (фольгу), оттягивая подвижные контакты через динамометр, вытягивают фольгу. Нормальное усилие 0,5-0,7кГ. Магнитная система контактов может создавать шум, гудение, причины этого: неплотно прилегает якорь к сердечнику, повреждение короткозамкнутого витка, очень большое натяжение контактов, якорь перекошен по отношению к сердечнику, в местах прикосновения якоря и сердечника имеется ржавчина, у магнитных пускателей и контакторов нельзя допускать разновременности замыкания силовых контактов.
Короткозамкнутые витки у контакторов и магнитных пускателей выполняются из меди, латуни и алюминия. Они укладываются в штампованные пазы на концах сердечника. Обращается внимание на дугогасительные камеры. Отсутствие их может вызвать перекрытие дугой отдельных фаз. Катушки ремонтируют при повреждении каркаса, обрывах, витковых замыканиях и полном сгорании. Обрыв в катушке определяется, если не развивается тяговое усилие и не потребляется ток. Витковое замыкание обнаруживается по ненормальному нагреву и уменьшению тяги.
У контакторов чаще меняют главные контакты, гибкие соединения, дугогасительные камеры, катушки, пружины, короткозамкнутые витки. Сопротивление изоляции обмоток не должно превышать 0,5 МОм. У реле чаще перегорают нагревательные элементы. Для нагревательных элементов применяют нихром, фехраль. Отдельные нагревательные элементы изготавливают методом штамповки. Спиральные нагревательные элементы кадмируют для предохранения от окисления. На рисунке 6 показан контактор магнитного пускателя.Ремонт контактов. Загрязнения, износ, обгорание, копоть или окисления, наплывы и брызги металла на поверхности подвижных (включая и ножи рубильников) или неподвижных (губки ножей) контактов, а также на пластинах и контактных мостиках устраняются хлопчатобумажной салфеткой, смоченной в бензине, или надфилем.При изломе или ослаблении контактных пружин, повреждениях антикоррозийного покрытия, пружины заменяют.
Ремонт катушек электромагнитов. Катушки бывают каркасными и бескаркасными. Наиболее часто встречающееся повреждение - трещины длиной до 15мм в каркасе. Их устраняют следующим образом. Поверхность каркаса вокруг трещины очищают от пыли и масла хлопчатобумажной салфеткой, смоченной в бензине.
При повреждении наружного слоя изоляции катушки или обрыве обмоточного провода в верхних слоях обмотки снимают наружную изоляцию обмотки и поврежденные витки до места повреждения или обрыва, припаивают, изолируют место пайки нового обмоточного провода и доматывают требуемое количество витков, повторив операции, которые выполняются при намотке новых катушек.
При значительных повреждениях каркаса, междувитковых замыканиях, обгорании изоляции обмотки на большую глубину катушка должна быть заменена новой.
Ремонт каркасных катушек. Подбирают необходимый для катушки каркас и провод, параметры которого должны соответствовать паспортным данным. Перед установкой на намоточный станок каркас следует обернуть двойным слоем электроизоляционной бумаги толщиной 0,02-0,03мм и конец ее приклеить к каркасу. При намотке необходимо следить за тем, чтобы натяжение провода не было чрезмерным, это может вызвать обрыв провода. Провод при намотке должен ложиться ровным плотным слоем. Между 1-м и 2-м слоями обмотки укладывают межслоевую изоляцию из изоляционной бумаги. Если катушка нагревостойкая, то для межслоевой изоляции используют тонкую стеклоткань.
Ремонт магнитопровода. Загрязнения удаляют хлопчатобумажной салфеткой, смоченной в бензине; следы коррозии тщательно зачищают стальной щеткой и шлифовальной шкуркой; наклеп на поверхностях соприкосновения сердечника и ярма удаляют шлифовкой поверхности напильником на шлифовальном станке.
НОВШЕСТВО
Обоснование структурной схемы источника бесперебойного питания
Источник бесперебойного питания автоматическое устройство, которое обеспечивает питание нагрузки при полном исчезновении напряжения во внешней электросети, например в результате аварии или от недопустимо высокого отклонения параметров напряжения сети от номинальных значений. Пари этом ИБП использует для аварийного питания нагрузки энергию аккумуляторных батарей.
Рассмотрим несколько основных типов построения структурных схем ИБП:
- ИБП с двойным преобразованием напряжения (On-line)
- ИБП резервного типа (Off-Line или Standby).
- Линейно-интерактивный ИБП.
ИБП с двойным преобразованием напряжения (On-line)


Рис. 1. ИБП с двойным преобразованием энергии.
Основная идея этой схемы действительно очень проста. Нагрузка питается от сети переменного тока. Значит на выходе ИБП должен выдавать переменный ток. И на входе ИБП тоже должен потреблять переменный ток, поскольку он питается от той же электрической сети. Но внутри ИБП (где-то в середке) должно быть постоянное напряжение, потому что оно необходимо для питания аккумуляторной батареи.
Вся мощность, потребляемая ИБП от сети, сначала преобразуется из переменного тока в постоянный с помощью выпрямителя. После этого в действие вступает преобразователь постоянного тока в переменный - инвертор, обеспечивающий на выходе ИБП необходимое переменное напряжение.
Аккумуляторная батарея, как ей и положено, находится в цепи постоянного тока, между выпрямителем и инвертором. Если в сети нормальное напряжение, выходного тока выпрямителя хватает для работы инвертора и для подзаряда батареи.
Когда напряжение в сети становится таким маленьким, что выпрямитель уже не может обеспечить полноценную работу инвертора, аккумуляторная батарея заменяет выпрямитель и питает инвертор требующимся ему постоянным током. Инвертор, в свою очередь, продолжает, как ни в чем ни бывало, подавать напряжение на нагрузку.
Достоинства:
Практически идеальное питание нагрузки при любых неполадках сети.
Нулевое время переключения в аварийный режим без возникновения переходных процессов на выходе устройства.
Недостатки:
Более высокая цена, по сравнению с другими типами ИБП.
Повышенное тепловыделение, по сравнению с другими типами ИБП.
Снижение общего КПД системы из-за потерь при двукратном преобразовании напряжения.
В таких схемах присутствует режим Bypass питание нагрузки отфильтрованным напряжением электросети в обход основной схемы ИБП.
Переключение в режим Bypass, который поддерживается внутренней схемой ИБП или специальным внешним модулем, может выполняться автоматически или вручную. ИБП, который имеет соответствующую встроенную схему, автоматически переходит в режим Bypass по команде устройства управления, при перегрузке электросетей или при выявлении неисправности в важных узлах ИБП.
Таким способом нагрузка защищается не только от сбоев в электросети, но и от неполадок в самом ИБП.
Возможность ручного включения режима Bypass предусматривается на случай проведения профилактического обслуживания ИБП или замены его узлов без отключения нагрузки.

Рис.2 Схема работы Bypass.
ИБП резервного типа (Off-line или Standby)

Рис.3 ИБП резервного типа (Off-line или Standby)
Это источник бесперебойного питания, выполненный по схеме с коммутирующим устройством, которое в нормальном режиме работы обеспечивает подключение нагрузки непосредственно к внешней питающей электросети, а в аварийном - переводит её на питание от аккумуляторных батарей. ИБП резервного типа, как правило имеют небольшую мощность и применяются для обеспечения гарантированного электропитания отдельных устройств (персональных компьютеров, рабочих станций, офисного оборудования) в регионах с хорошим качеством электросети.
Достоинства:
Простота и как следствие невысокая стоимость.
Недостаток:
Ненулевое время переключения (от 2 до 20 мс) на питание от батарей и более интенсивная их эксплуатация, так как источник переводится в аварийный режим при любых неполадках электросети.
Линейно-интерактивный ИБП (Line-Interactive)

Рис.4 Линейно-интерактивный ИБП (Line-Interactive).
Это источник бесперебойного питания, выполненный по схеме с коммутирующим устройством (Off-line), дополненной стабилизатором входного напряжения (бустером) на основе автотрансформатора с переключаемыми обмотками.
По эффективности линейно-интерактивные ИБП занимают промежуточное положение между простыми и относительно дешёвыми резервными источниками (Off-line) и высокоэффективными, но дорогостоящими ИБП с двойным преобразованием энергии (On-line). Как правило линейно-интерактивные ИБП применяют для серверов, узлов локальных вычислительных сетей и офисного оборудования.
Достоинства:
По сравнению с источниками резервного типа, такая схема способна обеспечить нормальное питание нагрузки при повышенном или пониженном напряжении электросети (наиболее распространенный вид неполадок в отечественных линиях электроснабжения) без перехода в аварийный режим. В итоге продлевается срок службы аккумуляторных батарей.
Недостаток:
Ненулевое время переключения (от 2 до 20 мс) на работу от аккумуляторных батарей.
В связи с особенностями ТРЛК «УТЁС-Т» нас интересует схема источника бесперебойного питания с нулевым временем переключения в аварийный режим. Поэтому выберем схему с двойным преобразованием напряжения (On-line).
Описание структурной схемы источника бесперебойного питания
Трехфазный ИБП может работать на четырех режимах работы:
1. При нормальной работе нагрузка питается по цепи выпрямитель-инвертор стабилизированным напряжением, отфильтрованным от импульсов и шумов за счет двойного преобразования энергии.
2.Работа от батареи. На это режим ИБП переходит в случае, если напряжение на выходе ИБП становится таким маленьким, что выпрямитель оказывается не в состоянии питать инвертор требуемым током, или выпрямитель не может питать инвертор по другой причине, например из-за поломки. Продолжительность работы ИБП от батареи зависит от емкости и заряда батареи, а также от нагрузки ИБП.
3.Когда какой-нибудь инвертор выходит из строя или испытывает перегрузку, ИБП безразрывно переходит на режим работы через статический байпас. Нагрузка питается просто от сети через вход статического байпаса, который может совпадать или не совпадать со входом выпрямителя ИБП.
4.Если требуется обслуживание ИБП, например для замены батареи, то ИБП переключают на сервисный байпас. Нагрузка питается от сети, а все цепи ИБП, кроме входного выключателя сервисного байпаса и выходных выключателей отделены от сети и от нагрузки. Режим работы на сервисном байпасе не является обязательным для небольших однофазных ИБП с двойным преобразованием. Трехфазный ИБП без сервисного байпаса немыслим.
Рассмотрим основные блоки, которые входят в состав устройства:
- Устройство коммутаций.
- Аккумуляторная батарея.
- Выпрямитель.
- Инвертор.
- Блок статического байпаса.
- Датчик тока.
- Датчик температуры.
- Интерфейс.
- Устройство индикации.
- Устройство управления работой ИБП.
Схема включает пять проводов: три фазных , нейтраль и землю. Между сетью и ИБП - предохранители (плавкие или автоматические). Они позволяют защитить сеть от аварии ИБП.
Выпрямитель
Выпрямитель ИБП с двойным преобразованием должен иметь мощность, достаточную для двух его основных функций. Его максимальный выходной ток должен быть не меньше суммы максимального входного тока инвертора и максимального зарядного тока батареи.
Выпрямитель в этой схеме - регулируемый тиристорный. Управляющая им схема изменяет время (долю периода синусоиды), в течение которого тиристоры открыты, т.е. выпрямляют сетевое напряжение 380 В частотой 50 Гц. Чем большая мощность нужна для работы ИБП, тем дольше открыты тиристоры.
Если батарея ИБП заряжена, на выходе выпрямителя поддерживается стабилизированное напряжение постоянного тока, независимо от величины напряжения в сети и мощности нагрузки. Если батарея требует зарядки, то выпрямитель регулирует напряжение так, чтобы в батарею тек ток заданной величины.
Такой выпрямитель называется шести-импульсным, потому, что за полный цикл трехфазной электрической сети он выпрямляет 6 полупериодов синусоиды (по два в каждой из фаз). Поэтому в цепи постоянного тока возникает 6 импульсов тока (и напряжения) за каждый цикл трехфазной сети. Кроме того, во входной электрической сети также возникают 6 импульсов тока, которые могут вызвать гармонические искажения сетевого напряжения.
Конденсатор в цепи постоянного тока служит для уменьшения пульсаций напряжения на аккумуляторах. Это нужно для полной зарядки батареи без протекания через аккумуляторы вредных импульсных токов. Иногда к конденсатору добавляется еще и дроссель, образующий совместно с конденсатором L-C фильтр.
Коммутационный дроссель ДР уменьшает импульсные токи, возникающие при открытии тиристоров и служит для уменьшения искажений, вносимых выпрямителем в электрическую сеть.
Аккумуляторная батарея
Для формирования батареи трехфазных ИБП применяются герметичные свинцовые аккумуляторы. Обычно это самые распространенные модели аккумуляторов с расчетным сроком службы 5 лет. Иногда используются и более дорогие аккумуляторы с большими сроками службы.
В большинстве случаев, аккумуляторы устанавливаются в отдельном корпусе, а иногда и в отдельном помещении.
Инвертор
Инвертор ИБП с двойным преобразованием энергии имеет возможность изменения выходной частоты инвертора для синхронизации выходного напряжения инвертора с сетью.
Эта функция используется в ИБП с двойным преобразованием постоянно и просто необходима для переключения ИБП на статический байпас.
Для того, чтобы ИБП с двойным преобразованием имел непрерывное выходное напряжение без скачков и разрывов на всех режимах работы, нужно обеспечить гладкое переключение на статический байпас при выходе из строя инвертора или его перегрузке.
Для этого необходимо, чтобы фаза и частота сетевого напряжения (т.е. напряжения в цепи байпаса) в момент переключения были такими же, как фаза и частота выходного напряжения инвертора.
Но управлять фазой и частотой сети не представляется возможным, следовательно нужно добиться желаемой цели за счет настройки инвертора. Не представляется возможным также подстроить фазу и частоту инвертора перед самым переключением. Ведь, к сожалению, не известно в какой момент инвертор выйдет из строя или испытает перегрузку.
Поэтому инвертор ИБП с двойным преобразованием должен всегда быть синхронизован с сетью. Точнее говоря, должна быть достигнута синхронизации инвертора с линией статического байпаса, которая в общем случае может быть подключена к другой линии электроснабжения, чем вход выпрямителя ИБП.
Что произойдет с ИБП , если частота сети вдруг начнет отличаться от стандартной (50 Гц).
ИБП с двойным преобразованием имеет некоторые пределы допустимых изменений частоты сети. Минимальная допустимая частота равна 49 Гц, а максимальная допустимая частота - 51 Гц (т.е. пределы допустимых изменений частоты равны ± 2%)
Если частота в линии байпаса находится в пределах допустимого, то частота инвертора аккуратно следует за ней. Частота и фаза инвертора равны частоте и фазе в линии байпаса. Следовательно ИБП в любой момент (при выходе из строя инвертора или его перегрузке) может переключиться на статический байпас, не испытывая импульсных нагрузок.
Если же частота в линии байпаса станет равной 48 Гц, то частота инвертора не может следовать за ней, чтобы не питать нагрузку напряжением с частотой, сильно отличающейся от номинальной.
ИБП с двойным преобразованием энергии отрабатывают эту ситуацию гораздо лучше, чем ИБП построенные по другим схемам. Блок управления просто разрешает инвертору ИБП прекратить синхронизацию с линией байпаса и перейти на режим независимой работы. Частота инвертора становится равной ровно 50 Гц и остается такой до тех пор, пока частота линии байпаса не вернется в пределы допустимого.
Во время независимой работы инвертора, переключение ИБП на статический байпас блокируется, поскольку при таком переключении возможны сильные фазовые и амплитудные искажения, которые могут нанести ущерб чувствительной нагрузке. Более того, переключение в отсутствие синхронизации опасно для самого ИБП.
Казалось бы, чем уже диапазон допустимых колебаний частоты, тем лучше для чувствительной нагрузки. На самом деле улучшение качества стабилизации частоты происходит за счет общей надежности системы. Ведь если диапазон допустимых изменений частоты установлен меньше реального диапазона изменения частоты сети в месте установки ИБП, то ИБП большую часть времени работает без синхронизации инвертора с линией байпаса. Это снижает общую надежность системы, защищаемой с помощью ИБП, поскольку во время независимой работы инвертора невозможно переключение на статический байпас.
Инвертор естественно имеет ограничение по допустимой нагрузке. При постоянной нагрузке этой границей является номинальная мощность ИБП. Кратковременно инвертор способен выдерживать большие токи. Обычно допускается перегрузка около 50-150 % на несколько миллисекунд и около 10-50 % на несколько секунд или десятков секунд.
В ИБП существует несколько уровней защиты инвертора от перегрузки. При небольших перегрузках инвертор может уменьшать выходное напряжение (пытаясь снизить ток, проходящий через силовые полупроводники). Если перегрузка очень велика (например нагрузка составляет более 125 % номинальной), ИБП начинает отсчет времени работы в условиях перегрузки и через некоторое время (зависящее от степени перегрузки - от долей секунды до минут) переключается на работу через статический байпас.
В случае большой перегрузки или короткого замыкания, переключение на статический байпас происходит сразу.
Инвертор построен по мостовому принципу на основе полностью управляемых силовых полупроводниковых приборов - биполярных IGBT-транзисторов с изолированным затвором (транзисторы, в которых наиболее удачно удалось соединить особенности полевых и биполярных транзисторов, работающих в ключевом режиме) , управляемый схемой широтно-импульсной модуляции (ШИМ).
Блок статического байпаса
Блок статического байпаса состоит из двух трехфазных тиристорных переключателей :
- статического выключателя инвертора (СВИ);
- статического выключателя байпаса (СВБ).
Выбор такого переключателя обусловлен высоким быстродействием тиристоров и их способностью выдерживать значительные кратковременные перегрузки по току.
При нормальной работе ИБП (от сети или от батареи) статический выключатель инвертора замкнут, а статический выключатель байпаса разомкнут. Во время значительных перегрузок или выхода из строя инвертора замкнут статический переключатель байпаса, переключатель инвертора разомкнут. В момент переключения оба статических переключателя на очень короткое время замкнуты. Это позволяет обеспечить безразрывное питание нагрузки.
ИБП имеет свою логику управления и, соответственно, свой набор условий срабатывания статических переключателей. ИБП сконструирован так, чтобы даже если байпас недоступен (т.е. отсутствует синхронизация инвертора и байпаса) в любом случае постарается обеспечить электроснабжение нагрузки, пусть даже за счет уменьшения напряжения на выходе инвертора.
Для обеспечения работы и нормального функционирования всех частей ИБП, необходимо звено, которое осуществляло бы связь между всеми этими частями. Можно рассмотреть несколько видов таких схем:
- Аналоговые системы, операции регулирования в которых осуществляются путем сравнения, усиления и преобразования аналоговых сигналов. Погрешность установки параметров в такой системе сильно зависит от параметров активных и пассивных элементов схемы. Такие системы используются, в основном в недорогих устройствах.
- Цифровые системы, операции управления проводятся над цифровыми величинами, полученными из аналоговых сигналов путем оцифровки аналого-цифровыми преобразователями (АЦП). Точность таких систем намного выше за счет использования математического аппарата вычисления.
- Комбинируемые, операции управления и регуляции в которых выполняются либо аналоговыми, либо цифровыми устройствами.
В нашем случае система управления работой ИБП построена на микроконтроллере ATTiny26. Он представляет собой высокопродуктивный контролер с функциями многоканального аналого-цифрового преобразователя. Ввод и вывод информации в микроконтроллер (далее МК) может осуществляться как в аналоговом так и в цифровом виде. Использование новейших разработок, которые содержат в своем составе МК, позволяет намного упростить схему. Микроконтроллер управляет работой как схемы управления так и работой всего устройства.
Схема управления выполняет роль интерфейса ИБП, подавая соответствующую команду включения на устройство коммутаций, осуществляет управление переключения нагрузки на питание от сети или от аккумуляторных батарей, следит за напряжением на аккумуляторных батареях (далее АБ). Если напряжение на АБ становится меньшим 10,5 В, то осуществляется аварийное отключение ИБП. Аварийное отключение осуществляется также, когда температура окружающей среды выходит за пределы допустимой. Для измерения температуры используется температурный датчик. На устройство управления работой ИБП поступает информация о величинах напряжения в сети. Обрабатывая эту информацию МК производит соответствующие сигналы управления для других узлов, составляющих блока.
Для измерения выходной мощности используется датчик тока. Если через датчик протекает ток больше допустимого, схема управления отключает нагрузку. Это обеспечивает защиту от выхода из строя устройства преобразования постоянного напряжения в переменную.
Особенно большое значение в ИБП имеет наличие связи с ПК. Это позволяет оператору (администратору) следить за состоянием сети, состоянием АБ и всей работы ИБП. В данном случае используется стандартный интерфейс связи МК и ПК RS-232. Это позволяет осуществлять дистанционный мониторинг ИБП и безопасное завершение работы ПК при аварии или долговременном отсутствии напряжения в сети (при условии настройки программного обеспечения ПК).
Входное напряжение 380В, 50Гц поступает через устройство коммутации и сетевой фильтр на зарядное устройство и байпас.
Сетевой фильтр предназначен для предотвращения попадания помех в сеть, которые возникают при работе ИБП.
Преобразователь переменного напряжения в постоянное выполняет роль преобразователя переменного напряжения 220В в постоянное 200В. Данное устройство построено по схеме импульсного преобразователя с ШИМ. Напряжение на его выходе постоянно, но не стабилизировано, то есть зависит от изменения входного напряжения. Для стабилизации используется стабилизатор постоянного напряжения. Стабилизатор построен по схеме однотактного импульсного повышающего стабилизатора. Напряжение на аккумуляторе изменяется в пределах 10,5...13,8 В, а выходное ИБП должно оставаться стабильным.
Преобразователь постоянного напряжения в переменное осуществляет формирование выходного стабилизированного напряжения 220В, 50Гц. Управление и синхронизацию данного устройства с сетью осуществляет устройство управления ИБП. Выходной фильтр служит фильтром электромагнитных помех и предотвращению их попадания в нагрузку.
Алгоритм работы ИБП приведен в графической части проекта.
Другие элементы ИБП с двойным преобразованием
Сравним еще раз схемы ИБП с двойным преобразованием и взаимодействующего с сетью. У ИБП с двойным преобразованием отсуствуют (хотя и не у всех моделей) некоторые элементы: фильтры шумов и импульсов. В ИБП этого типа импульсы и шумы фильтруются в результате выпрямления напряжения переменного тока: на выходе выпрямителя имеются схемы подавления пульсаций напряжения, выполняющие роль фильтров.
В процессе второго преобразования энергии шумы и импульсы еще раз уменьшаются и нагрузка питается чистым синусоидальным напряжением.
Поэтому отсутствие в схеме фильтров можно считать своего рода фокусом: внутри ИБП есть элементы, выполняющие эти функции, но называющиеся по другому. Кроме того, в некоторых ИБП с двойным преобразованием энергии установлены варисторные шунты.
Блок управления ИБП с двойным преобразованием энергии не анализирует состояния электрической сети (вы видите, что на блок-схеме нет соответствующей стрелки). В этом нет необходимости, ведь нам не нужно управлять переключением (или, вернее, переходом) ИБП с двойным преобразованием на работу от батареи - этот переход производится или, вернее, происходит, без участия управляющей электроники. Нет необходимости и производить анализ формы напряжения переменного тока на входе ИБП: выпрямитель ИБП с двойным преобразованием энергии может питаться напряжением переменного тока практически любой формы - все равно на выходе выпрямителя будет стабилизированное напряжение постоянного тока, а на выходе инвертора - чистая синусоида. Задача блока управления - регулировать напряжение на выходе выпрямителя, напряжение на выходе инвертора (как и у других, рассмотренных ранее ИБП) и не пропустить момент, когда понадобится произвести переключение на работу через статический байпас.
ОХРАНА ТРУДА
Организационные мероприятия
Организационными мероприятиями, обеспечивающими безопасность работы в электроустановках, являются:
а) оформление работы наряд-допуском, распоряжением или перечнем работ, выполняемых в порядке текущей эксплуатации;
б) допуск к работе;
в) надзор во время работы;
г) оформление перерыва в работе, переводов на другое рабочее место, окончания работы.
Наряд, распоряжение, текущая эксплуатация
Работа в электроустановках производится по наряду, распоряжению, в порядке текущей эксплуатации.
Наряд - это задание на производство работы, оформленное на специальном бланке установленной формы и определяющее содержание, место работы, время ее начала и окончания, условия безопасного проведения, состав бригады и лиц, ответственных за безопасность выполнения работы, и пр.
По наряду могут производится работы в электроустановках, выполняемые:
а) со снятием напряжения;
б) без снятия напряжения на токоведущих частях и вблизи них.
Распоряжение - это задание на производство работы, определяющее ее содержание, место, время, меры безопасности (если они требуются) и лиц, которым поручено ее выполнение. Распоряжение может быть передано непосредственно или с помощью средств связи с последующей записью в оперативном журнале.
Текущая эксплуатация - это проведение оперативным (оперативно-ремонтным) персоналом самостоятельно на закрепленном за ним участке в течении одной смены работ по перечню
Лица, ответственные за безопасность работ, их права и обязанности
Ответственными за безопасность работ являются:
а) лицо, выдающее наряд, отдающее распоряжение;
б) допускающий - ответственное лицо из оперативного персонала;
в) ответственный руководитель работ
г) производитель работ;
д) наблюдающий;
е) члены бригады.
Лицо, выдающее наряд, отдающее распоряжение, устанавливает необходимость и объем работы, отвечает за возможность безопасного ее выполнения, достаточность квалификации ответственного руководителя, производителя работ или наблюдающего, а также членов бригады.
Право выдачи нарядов и распоряжений предоставляется лицам из электротехнического персонала предприятия, уполномоченным на этом распоряжением лица, ответственного за электрохозяйство предприятия.
Указанные лица должны иметь группу по электробезопасности не ниже V в электроустановках напряжением выше 1000 В и не ниже IV в установках напряжением до 1000 В. Право давать распоряжения на производство ряда работ, перечень которых определяется лицом, ответственным за электрохозяйство предприятия, предоставляется также лицам из оперативного персонала с группой не ниже IV.
Допускающий - ответственное лицо из оперативного персонала - несет ответственность:
а) за правильность выполнения необходимых для допуска и производства работ мер безопасности, их достаточность и соответствие характеру и месту работы;
б) за правильность допуска к работе, приемку рабочего места по окончании работы с оформлением в нарядах или журналах.
Допускающий должен иметь группу по электробезопасности не ниже IV при работе в электроустановках выше 1000 В и не ниже III - в установках до 1000 В
Ответственный руководитель, принимая рабочее место от допускающего и осуществляя допуск, отвечает наравне с допускающим за правильную подготовку рабочего места и достаточность выполненных мер безопасности, необходимых для производства работы, в том числе и за достаточность мер, предусмотренных в графе наряда Отдельные указания
Ответственному руководителю запрещается принимать непосредственное участие в работе по нарядам, кроме случаев, когда он совмещает обязанности ответственного руководителя и производителя работ
Ответственный руководителями назначаются лица из электротехнического персонала, имеющие группу по электробезопасности V
Производитель работ, принимая рабочее место от допускающего, отвечает за правильность его подготовки и за выполнение необходимых для производства работы мер безопасности.
Производитель работ обязан проинструктировать бригаду о мерах безопасности, которые необходимо соблюдать при работе, обеспечить их выполнение членами бригады.
Производитель работ соблюдает настоящие Правила сам и отвечает за их соблюдение членами бригады, следит за исправностью инструмента, такелажа и другой ремонтной оснастки. Производитель работ обязан также следить за тем, чтобы установленные на месте работы ограждения, плакаты, заземления не снимались и не переставлялись.
Производитель работ, выполняемых по наряду с электроустановках напряжением выше 1000 В, должен иметь группу по электробезопасности не ниже IV, в установках до 1000 В - группу не ниже III. Производитель работ, выполняемых по распоряжению во всех электроустановках, должен иметь группу не ниже III
Наблюдающий назначается для надзора за бригадами строительных рабочих, разнорабочих, такелажников и других лиц из неэлектротехнического персонала при выполнении ими работы в электроустановках по нарядам или распоряжениям.
Наблюдающий за электротехническим персоналом, в том числе командированным, назначается в случае проведения работ в электроустановках при особо опасных условиях, определяемых лицом, ответственным за электрохозяйство предприятия, где эти работы производится.
Наблюдающий контролирует наличие установленных на месте работы заземлений, ограждений, плакатов, запирающих устройств и отвечает за безопасность членов бригады от поражения электрическим током электроустановки.
Наблюдающему запрещается совмещать надзор с выполнением какой-либо работы и оставлять бригаду без надзора во время работы.
Наблюдающими назначается лица с группой не ниже III.
Члены бригады обязаны соблюдать настоящие Правила и инструктивные указания, полученные при допуске к работам и во время работы.
Технические мероприятия
Для подготовки рабочего места при работах со снятием напряжения должны быть выполнены в указанном порядке следующие технические мероприятия:
а) произведены необходимые отключения и приняты меры, препятствующие подаче напряжения на место работы вследствие ошибочного или самопроизвольного включения коомутационной аппаратуры;
б) на приводах ручного и на ключах дистанционного управления коммутационной аппаратуры вывешены запрещающие плакаты;
в) проверено отсутствие напряжения на токоведущих частях, которые должны быть заземлены для защиты людей от поражения электрическим током;
г) наложено заземление (включены заземляющие ножи, а там, где они отсутствуют, установлены переносные заземления;
д) вывешены предупреждающие и предписывающие плакаты, ограждены при необходимости рабочие места и оставшиеся под напряжением токоведущие части.
При оперативном обслуживании электроустановки двумя и более лицами в смену перечисленные в настоящем пункте мероприятия должны выполнять двое. При единоличном обслуживании их может может выполнять одно лицо, кроме наложения переносных заземлений в электроустановках выше 1000 В и производства переключений, проводимых на двух и более присоединениях в электроустановках напряжением выше 1000 В, не имеющих действующих устройств блокировки разъединителей от неправильных действий.
ИСПОЛЬЗУЕМАЯ ЛИТЕРАТУРА
Список используемой литературы:
- ГОСТ Р 50030.4.1-2002 (МЭК 60947-4-1-2000) Аппаратура распределения и управления низковольтная. Часть 4-1. Контакторы и пускатели.
- ГОСТ 2491-82 «Пускатели электромагнитные низковольтные. Общие технические условия».
- А.Г. Прищеп “Учебник сельского электрика” Москва “Колос” 1981 г.
- И.Ф. Кудрявцев “Электрооборудование и автоматизация сельскохозяйственных агрегатов и установок” Москва ВО “Агропромиздат”
1988 г.
- Сибикин М.Ю. Техническое обслуживание, ремонт электрооборудования и сетей промышленных предприятий. ПрофОбрИздат, 2001.
- Б.С.Сергеев «Схемотехника функциональных узлов источников вторичного электропитания», «Радио и связь», Москва, 1992г.
- В.Л.Шило «Линейные интегральные схемы», «Советское радио», Москва, 1979г.
- В.Петик «Максимальный КПД в повышающих преобразователях», «Радиолюбитель» №2 с.26, 1997г.
- Б.И.Горошков «Элементы радиоэлектронных устройств», «Радио и связь», Москва
- Г.Д.Фрумкин «Расчет и конструирование радиоэлектронной аппаратуры», «Высшая школа», Москва, 1989 г.
- Н.Н.Акимов, Е.П.Ващуков «Резисторы, конденсаторы, трансформаторы, дроссели, коммутационные устройства радиоэлектронной аппаратуры. Справочник», «Беларуссб», Минск, 1994г.
