Технические средства предупреждения увлажнения
ЭКСПЛУАТАЦИЯ и ремонт ОБОРУДОВАНИЯ (5 курс)
ЛЕКЦИЯ №6
Технические средства предупреждения увлажнения
Учебные вопросы:
1. Предохранительный подогрев электродвигателей.
2. Термодиффузные устройство предупреждения увлажнения.
3. Электроосмотические устройство предупреждения увлажнения.
1. Предохранительный подогрев электродвигателей
Анализ условий и состояние эксплуатации электрооборудования в сельском хозяйстве показывает, что несмотря на достаточно высокое качество асинхронных двигателей, выпускаемых отечественной промышленностью, срок их службы в животноводческих помещениях не превышает 2...2,2 года. Ежегодно из строя выходит в хозяйствах до 25...30% электродвигателей. Одним из уязвимых мест в двигателе является его обмотка, надежность которой определяется состоянием изоляции.
Сопротивление изоляции в значительной мере зависит от влажности воздуха и наличия в нем примеси агрессивных химических веществ. На рис.1 показан характер изменения сопротивления изоляции обмоток отключенного двигателя.
Если же двигатель находится в рабочем режиме, то по его обмоткам протекает ток, подогревающий ее. В процессе этого режима двигатель самоподсушивается. В том случае, если режим его работы таков, что за период паузы изоляция обмоток увлажняется менее критической величины (0,5 МОм), то за период рабочего режима величина сопротивления изоляции возрастает и пагубное влияние окружающей среды на обмотки не сказывается. Качественная картина изменения сопротивления изоляции может быть представлена в виде следующей диаграммы (рис.2).

Рис.1. Изменение сопротивления изоляции обмоток в среде с повышенной влажностью (1) и химически агрессивной средой (2) для электродвигателей серии АО2

Рис. 2. Изменение сопротивления изоляции электродвигателя в зависимости от режима его работы
Если величина сопротивления изоляции снизится за период паузы ниже критической величины, то при включении двигателя может произойти пробой ее и в дальнейшем развитию дефекта.
Одним из методов поддержания величины сопротивления изоляции обмоток на безопасном уровне является применение предохранительного подогрева электродвигателей.
Предохранительный подогрев обеспечивается за счет незначительного тока, подводимого в обмотке двигателя в период паузы.
Экспериментальными исследованиями установлено, что величина тока подогрева должна удовлетворять условию:
Iпод. = (0,17...0,2)Iн
где: Iн - номинальный ток двигателя;
Iпод - ток подогрева.
Меньшее значение коэффициентов относится к двигателям большей мощности.
Предохранительный подогрев обеспечивает превышение температуры обмоток на 7....8оС относительно температуры окружающей среды. Этим поддерживается величина сопротивления изоляции на безопасном уровне.
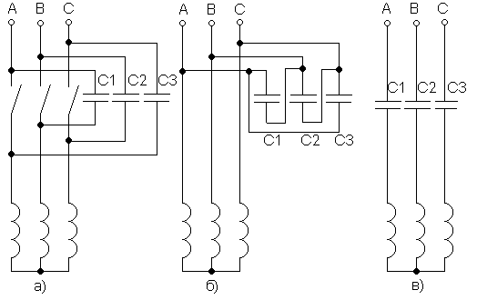
Наиболее рациональными схемами являются схемы с использованием конденсаторов. Рассмотрим некоторые из них.

Рис. 3. Подключение конденсаторов по первому варианту (а), схема рабочего режима (б) и схема подогрева (в).
В рабочем режиме конденсаторы подключены параллельно двигателю и обеспечивают компенсацию реактивной мощности. В режиме подогрева конденсаторы подключены последовательно по реверсивной схеме для исключения вращения двигателя без нагрузки. Емкость конденсаторов определяется из расчетной схемы (см. рис. 3).
В режиме подогрева линейные токи равны току подогрева: IA=IB=IC=Iпод.
Ток подогрева можно определить как:
,
где: Uф - фазное напряжение, В.;
R - фазное активное сопротивление, Ом.;
ХL - фазное индуктивное сопротивление обмотки заторможенного двигателя, Ом;
Хс - сопротивление конденсатора, Ом.

Рис. 4. Расчетная схема для определения емкости конденсаторов
по схеме подключения первого варианта
Так как ротор двигателя в режиме подогрева неподвижен, то его индуктивное сопротивление ХL является малой величиной по сравнению с сопротивлением конденсатора, т. е. Хс>>ХL В свою очередь ХL>>R. Таким образом, в расчетах значениями ХL и R можно пренебречь и ток подогрева определить по приближенным формулам в соответствии с упрощенной схемой представленной на рис. 4.
Ток подогрева в соответствии со схемой расчета (рис. 5) определяется из выражения:
,
где: Хс - сопротивление емкости, или:
; где:
СА - емкость конденсатора, Ф или мкФ.

Рис. 5. Упрощенная схема подогрева
Зная ток подогрева можно определить емкость токоограничивающего конденсатора.

Для линейного напряжения Uл=380 В., Uф=220 В., тогда СА=14,5Iпод., мкФ.
При включении конденсаторов по первому варианту требуется конденсаторы большой емкости. Так например: двигатель мощностью 7,5кВт, номинальный ток Iн =15 А должен иметь ток подогрева Iпод=(0,17...0,2)Iн=0,215=3,0 А, а емкость конденсаторов подогрева С=14,53=43,5 мкФ.
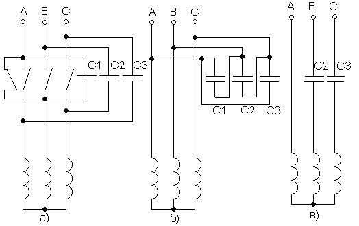
Для уменьшения величины ограничивающей емкости можно использовать схему второго включения конденсаторов для подогрева двигателя. Она представлена на рис. 6.
Как видно на рисунке схема рабочего режима осталась такой же, как и в первом варианте, но схема подогрева изменилась. При этом Хс>>ХL; ХL>>R и поэтому величинами ХL и R можно пренебречь при расчете емкости конденсаторов. Тогда расчетная схема примет вид, приведенный на рис. 7.
Тогда токи в фазах В и С могут быть определены из выражения:


Рис. 6. Схема включения конденсаторов по второму варианту

Рис. 7. Упрощенная схема подогрева
Для определения значения Uф рассмотрим векторные диаграммы, приведенные на рисунке 8. На рисунке 8 а. приведена векторная диаграмма для симметричного режима.
Так как UА=0, то эта диаграмма примет вид показанный на рисунке 8 б, т. е. точка “О” сместится в точку “А”, при этом UСА=UС; UАВ=UВ.
Тогда значение токов IB и IC можно определить следующим образом:

Величина тока IА в без конденсаторной фазе может быть определена как геометрическая сумма токов в двух других фазах:

Для определения величины тока IА необходимо построить векторную диаграмму токов и напряжений (см. рисунок 9).

Рис. 8. Векторные диаграммы для определения Uф
Между векторами UВ и UС угол равен 60о. Токи опережают напряжения на угол 90о. Из этой диаграммы можно записать, что ток в фазе А равен:

Подставив значение тока IC в данное выражение мы получим:
,
где XСВ - значение сопротивления емкости СВ.

Рис. 9. Векторная диаграмма токов и напряжений
Подогрев обмоток двигателя достигается в основном за счет тепла выделяемого в обмотках, т. е. мощность подогрева складывается из потерь энергии выделяемых в каждой их фаз:
Рб = РА + РВ + РС
где: Рб - общая мощность подогрева для второй схемы сушки;
РА, РВ, РС - мощности подогрева соответственно обмоток фаз А, В, С. Причем мощность подогрева фаз С и В равны:

Мощность подогрева фазы А:

Тогда общая мощность подогрева:

Нам известно, что мощность подогрева по схеме "а", см. рисунок 6 определяется из выражения:

Так как мощность должна быть одинаковой для обоих вариантов, то можно записать, что Ра =Рб или

откуда
;
Тогда емкость конденсатора для второго варианта: Сб = 0,447Са. Для напряжения Uл = 380 В. Сб=0,447Са=0,44714,5Iпод= 6,5Iпод.
Тогда если вспомнить приведенный пример, Сб=6,53=19,5 мкФ, вместо 43,5мкФ.





ВУЭОС - высоковольтное устройство для электроосмотической сушки
Высоковольтное устройство для электроосмотической сушки (ВУЭОС) предназначено для нетеплового обезвоживания твердой изоляции активной части маслонаполненных силовых трансформаторов 6-10/0,4 кВ в процессе эксплуатации и ремонта.
ВУЭОС может быть использовано для предотвращения увлажнения изоляции активной части трансформатора в процессе ремонта.
Использование ВУЭОС исключает коробление, тепловое старение, термическую деструкцию и локальные перегревы изоляции, повышает ресурс трансформаторов, экономит энергетические и другие ресурсы, расходуемые при тепловых технологиях сушки.
ВУЭОС эксплуатируется при температурах окружающей среды от -50С до +40С и относительной влажности воздуха до 100%.
Технические характеристики
|
Параметр |
Значение |
|
Напряжение питания |
220 В±10% |
|
Род потребляемого тока однофазный, переменный |
50 Гц |
|
Время установки рабочего режима |
не более 1 мин |
|
Длительность непрерывной работы |
неограничена |
|
Потребляемая мощность |
не более 40 Вт |
|
Выходное напряжение |
не более 10 кВ |
|
Относительная влажность воздуха |
до 100% |
|
Класс напряжения обслуживаемых трансформаторов |
6-10 кВ |
|
Диапазон мощностей обслуживаемых трансформаторов |
неограничен |
|
Место подключения |
обмотки и корпус трансформатора |
|
Вес устройства |
не более 1,5 кг |
|
Габаритные размеры, мм |
220x120x60 |
Сравнительные характеристики тепловой и электроосмотической сушки и влагозащиты
|
Параметр |
Тепловая сушка и влагозащита |
Электроосмотическая сушка и влагозащита |
|
Расход электроэнергии |
102...103кВтч |
Не более 102 Втч |
|
Длительность |
20. ..200 часов |
0,5... 5 часов |
|
Термическая деструкция (тепловое старение) |
Есть |
отсутствует |
|
Метод реализации |
Разборка, демонтаж электрооборудования, требуется наблюдение, трудозатраты значительные |
Без разборки и демонтажа со щита управления электрооборудованием, наблюдение не требуется, трудозатраты незначительные |
|
Масса габариты устройств |
Электролампы, сушильные шкафы, калориферы, воздуходувки, сварочные трансформаторы и генераторы 0,5. ..800 кг |
Устройства сушки и влагозащиты: 0,25... 1,5 кг; от 15x100 мм. до 220x120x60 мм |
|
Нагрев |
Есть |
отсутствует |
|
Ресурс обслуживаемого электрооборудования |
Снижается |
Не изменяется |
Влияние увлажнения изоляции на процесс ее старения. В процессе эксплуатации во внутреннюю изоляцию электроустановок может попадать влага. Она может попадать из окружающего воздуха или образоваться в самой изоляции в результате термоокислительных процессов.
Появление влаги в изоляции (адсорбция влаги) приводит к резкому снижению сопротивления утечки, так как во влаге содержатся растворенные и диссоциированные примеси, т. е. свободные ионы. Уменьшение сопротивления утечки опасно тем, что приводит к росту диэлектрических потерь. Вследствие этого снижается напряжение теплового пробоя и, кроме того, происходит дополнительный нагрев изоляции, что влечет за собой ускорение темпов теплового старения. Например, если при влагосодержании 0,3 %, бумажная изоляция считается хорошо высушенной и имеет полный срок службы, то при влагосодержании 1,5 % старение начинает ускоряться, а при влагосодержании более 3,3 % процессы старения и окисления становятся опасными для изоляции.
Вода сильнополярный диэлектрик, ее относительная диэлектрическая проницаемость равна 80, т. е. во много раз больше, чем у диэлектрических материалов, используемых во внутренней изоляции. В связи с этим сильное увлажнение может влиять на диэлектрическую проницаемость увлажненных слоев. При неравномерном увлажнении это обстоятельство может привести к искажению электрического поля в изоляции и снижению пробивного напряжения.
Увлажнение в принципе процесс обратимый, т. е. адсорбированная влага может быть удалена из изоляции путем сушки. Однако сушка требует затрат времени и энергии. Для периодического контроля состояния изоляции электрооборудования высокого напряжения в эксплуатации используются методы, позволяющие обнаружить опасную степень увлажнения изоляции.
ЗАЩИТА ДВИГАТЕЛЕЙ ОТ ДЕЙСТВИЯ НЕБЛАГОПРИЯТНЫХ УСЛОВИЙ ОКРУЖАЮЩЕЙ СРЕДЫ
С точки зрения влияния окружающей среды на электрооборудование все сельскохозяйственные помещения подразделяют следующим образом:
заведомо сухие (жилые помещения в домах городского типа);
сухие (конторы, жилые дома крестьянского типа, постоянное общежитие, общественное помещение, отапливаемые мастерские);
сырые (неотапливаемые коридоры, кухни, сараи, склады, гаражи и др.);
особо сырые (бани, прачечные, кормохранилища, кормоприготовительные цехи, насосные станции);
содержащие аммиак (скотные дворы, навозохранилища);
пожароопасные (сушилки, сенохранилища);
взрывоопасные (помещения с высоким содержанием взрывоопасной пыли, например мельница).
Кроме того, следует выделить электроустановки, работающие на открытом воздухе в различных условиях в зависимости от погоды. Самыми неблагоприятными следует считать животноводческие помещения, в которых высокая влажность сочетается с повышенным содержанием аммиака.
Для примера можно привести данные обследования ряда животноводческих ферм. Как показали измерения, относительная влажность воздуха в зимнее время в доильном зале колеблется от 85 до 90%, в телятнике 80 85%, в свинарнике 90100% [8]. Концентрация аммиака в свинарнике колеблется в больших пределах и достигает величины 0,17 мг/л, в коровнике 0,05 мг/л.
Содержание влаги и аммиака в помещении во многом зависит от действия системы вентиляции. Там, где она функционирует эффективно, влажность и содержание аммиака ниже приведенных цифр, однако они остаются на достаточно высоком уровне для того, чтобы эти помещения относить к категории помещений с повышенным содержанием влажности и аммиака.
Действие влаги на изоляцию также зависит от режима работы установки и интенсивности использования двигателя.
При постоянной работе двигателя его обмотка всегда находится в нагретом состоянии. Температура проводников, выше температуры окружающей среды. При этом даже при сильном насыщении воздуха водяными парами изоляция не увлажняется. Основной причиной ее износа является тепловое старение.
В сельском хозяйстве много установок, которые работают по нескольку часов в сутки. Например, транспортеры для уборки навоза на животноводческих фермах. Их включают 34 раза в сутки по 1520 мин, остальное время они не работают. За время работы двигатель прогревается током, а затем остывает. В эти периоды изоляция также периодически то подсыхает, то вновь увлажняется. Но так как длительность рабочего состояния невелика, то преобладает увлажнение. При включениях на небольшие периоды изоляция не подсыхает. В то же время при частых включениях изоляция подвергается действию перенапряжений, возникающих при включениях в сеть. Возрастает вероятность пробоя изоляции. Стойкость к действию влаги быстро ухудшается, если в процессе работы возникают перегрузки, приводящие к тепловому старению.
Весьма неблагоприятно для изоляции сочетание высокой влажности с высокой температурой окружающей среды. Как показывают опыты, скорость проникновения влаги в изоляционные материалы в таких условиях возрастает во много раз. В связи с этим для районов с высокой температурой и повышенной влажностью выпускают специальные двигатели и аппаратуру тропического исполнения.
Быстрое увлажнение может происходить при хранении двигателей и аппаратуры в неблагоприятных условиях (на открытом воздухе, в помещении с повышенной влажностью). По данным измерений [8], сопротивление изоляции электродвигателей, хранившихся под открытым небом, за полтора месяца снизилось в несколько раз. При этом наблюдалось, что изменение сопротивления зависит от погодных условий. Вслед за дождливой погодой в теплые дни сопротивление изоляции резко снижается. Один из наблюдаемых двигателей вышел из строя в результате пробоя изоляции во время измерения ее сопротивления.

Рис. 26. Изменение сопротивления изоляции двигателей общего назначения и влаго-морозостойкого исполнения;100%, окр==20 С.
Асинхронные электродвигатели единой серии А и А02, а также 4А основного исполнения предназначены для привода механизмов, не предъявляющих специальных требований к условиям окружающей среды. Их используют для работы в помещениях с нормальной средой, влажность которой не превышает 7580%, без повышенного содержания в них пыли и химически активных веществ. В сельском хозяйстве такие двигатели рекомендуется использовать в сухих помещениях. Допускается их использование в сырых и особо сырых помещениях при наличии отдельных помещений для двигателей и устранении влажности и запыленности воздуха.
Электродвигатели сельскохозяйственного исполнения серии 4А выпускают влагоморозостойкого и химовлаго-стойкого исполнения. Первые предназначены для работы в среде с влажностью до 98% (в помещениях сырых, особо сырых, а также на открытом воздухе). Двигатели химовлагостойкого исполнения предназначены для использования в животноводческих помещениях, содержащих аммиак и подвергающихся дезинфекции.
Применение специальных пропиточных составов позволяет поддерживать сопротивление изоляции на высоком уровне, несмотря на неблагоприятные условия. На рисунке 26 показано изменение сопротивления изоляции двигателей общего назначения 1 и влагоморозостойкого 2 исполнения.
МЕТОДЫ ПРЕДУПРЕЖДЕНИЯ УВЛАЖНЕНИЯ ИЗОЛЯЦИИ И СУШКИ ОБМОТОК ДВИГАТЕЛЯ
О влажности изоляции судят по величине сопротивления. В соответствии с «Системой мероприятий по выполнению планово-предупредительных работ электрооборудования в сельском хозяйстве» (ППРЭСХ) изоляция электродвигателей должна иметь сопротивление не менее 0,5 МОм. В противном случае ее требуется сушить.
Как было сказано выше, при работе на открытом воздухе с высоким содержанием влаги двигатели общего назначения быстро увлажняются. Двигатели, имеющие влагостойкую изоляцию, менее подвержены действию влаги, но их изоляция также требует контроля и при необходимости сушки обмоток. Для предупреждения выхода из строя необходимо прежде всего исключить там, где это возможно, прямое попадание влаги. В некоторых случаях этого можно достичь правильным выбором места установки двигателя. Часто причиной увлажнения является неправильное хранение. Поэтому перед включением в работу двигателя, не работавшего в течение длительного времени, необходимо проверить состояние его изоляции. Включение двигателя под напряжение сопровождается возникновением кратковременных импульсов напряжения, которые могут вызвать пробой изоляции в местах, ослабленных действием влаги. Сушка позволяет восстановить изоляцию.
В условиях эксплуатации используют несколько методов сушки обмоток. Если на пункте технического обслуживания имеется специальный сушильный шкаф, двигатель снимают и сушат в этом шкафу. Процесс сушки считается законченным, если сопротивление изоляции станет выше допустимого значения (~0,5 МОм). Такой метод восстановления изоляции требует специального оборудования, для подготовки к работе которого требуется много времени.
Для сушки можно использовать и электрические методы. В стенде МИИСП предусмотрено устройство для сушки обмоток путем пропускания выпрямленного тока. Обмотки двигателя присоединяют к трансформатору ТР-2 (рис. 25). Выпрямленный ток пониженного напряжения от обмоток трансформатора через диоды подается в обмотки двигателя. Величину тока выбирают в зависимости от мощности двигателя и схемы соединения [7]. Температуру изоляции в процессе сушки контролируют путем измерения сопротивления обмоток. Сопротивления Ru R2, Rs и сопротивление обмоток двигателя образуют мостовую схему, к одной диагонали которого подведено выпрямленное напряжение, а в другую диагональ через сопротивление R4 и переключатель включен милливольтметр mV. По мере нагрева сопротивление обмоток изменяется. Вначале сушки устанавливают ток требуемой величины, регулируя напряжение на первичной обмотке трансформатора ТР-1. Устанавливают стрелку милливольтметра на нуль при помощи сопротивлений Ri и Rs. В процессе сушки по стрелке милливольтметра контролируют температуру обмоток. Время сушки обмоток одного двигателя 34 ч. При сушке группы двигателей, когда токи в обмотках некоторых двигателей не превышают 0,4 /н, время сушки можно увеличить до 7 ч.
При отсутствии специального стенда можно сушить током пониженного напряжения. В качестве источника питания в этом случае используют сварочный трансформатор. Обмотки двигателя, соединенные последовательно, присоединяют к зажимам низкого напряжения. Величину тока регулируют регулятором сварочного трансформатора, она не должна быть более номинальной, так как при неподвижном роторе охлаждение двигателя ухудшается. Состояние обмоток контролируют, периодически измеряя сопротивление изоляции.
Для предупреждения увлажнения изоляции предложено несколько устройств подогрева двигателя в те периоды, когда он не работает. Установлено, что если температура корпуса двигателя на несколько градусов выше окружающей среды, то, несмотря на высокую влажность, сопротивление изоляции не уменьшается. Это явление используют для подсушки обмоток, не разбирая двигатель и не отсоединяя его от рабочей машины. Иногда в двигатели большой мощности встраивают специальные нагревательные устройства.

Рис. 27. Принципиальная схема устройства для подсушки обмоток без отключения от сети.
Предложен оригинальный метод предупреждения увлажнения изоляции [9]. Сущность его заключается в том, что в нерабочее время последовательно с двигателем включают конденсаторы и оставляют их подключенными к сети. По обмоткам протекает небольшой ток, который подогревает всю обмотку. Опыты показали, что таким образом можно предупредить увлажнение изоляции двигателей общего назначения при 100%-ной влажности окружающей среды. Сопротивление изоляции без подогрева через несколько часов становится ниже нормы. В рабочем режиме двигателя конденсаторы повышают его коэффициент мощности.
На рисунке 27 представлена одна из возможных схем такого устройства. При замкнутых контактах магнитного пускателя конденсаторы оказываются соединенными по схеме «треугольник» и служат компенсаторами реактивной мощности. При разомкнутых контактах конденсаторы оказываются соединенными последовательно с обмотками двигателя. Двигатель остается под напряжением. Небольшой ток, протекающий по обмоткам, подогревает их во время паузы, предотвращая увлажнение изоляции. Экспериментально установлено, что для поддержания сопротивления изоляции на допустимом уровне необходимо поддерживать превышение температуры обмоток над температурой окружающей среды в пределах 78 . Как показали опыты, сопротивление изоляции двигателя АОЛ2-32-4 при температуре окружающей среды.20°С и влажности 100% без подогрева через 810 ч становится ниже нормы (менее 0,5 МОм), а с подогревом не уменьшается ниже 2 МОм.
Для создания нужного превышения температуры требуется мощность подогрева 59 Вт на 1 кВт установленной мощности. Меньшее значение относится к двигателям большей мощности (7,510 кВт), а большее значение к двигателям меньшей мощности (до 0,8 кВт).
ДОПОЛНИТЕЛЬНЫЙ МАТЕРИАЛ
Влагообмен между изоляцией электродвигателей и окружающей средой