Технические средства для ограничения и стабилизации напряжения
ЭКСПЛУАТАЦИЯ и ремонт ОБОРУДОВАНИЯ (5 курс)
ЛЕКЦИЯ №8
Технические средства для ограничения и стабилизации напряжения
Учебные вопросы:
1. Электронные ограничители и стабилизаторы напряжения.
2. Ограничители и стабилизаторы напряжения, построенные на основе вольтодобавочных трансформаторов.
Стабилизаторы переменного напряжения представляют собой устройства, предназначенные для электропитания нагрузки (различное электрооборудование, офисная и бытовая аппаратура и приборы) стабилизированным переменным напряжением 220В 50Гц при отклонении сетевого напряжения в определенных пределах.
Выпускаемое сегодня промышленное и бытовое электрическое оборудование проектируется производителями с характеристиками, соответствующими международным и государственным стандартам электропитания. Российский стандарт (ГОСТ 13109-97) регламентирует бытовое электропитание по напряжению (220 В ± 5% с предельным отклонением ± 10%), частоте (частота 50 ± 0,2 Гц с предельным отклонением ± 0,4 Гц) и коэффициенту несинусоидальности (до 8 % с предельным отклонением до 12%).
Входное напряжение напряжение на входе стабилизатора, при котором обеспечивается минимальная ошибка установки напряжения на выходе стабилизатора конкретного типа.
Предельное входное напряжение напряжение на входе стабилизатора, при котором обеспечивается нормальная работа стабилизатора и ошибка установки напряжения на выходе стабилизатора удовлетворяет требованиям технической документации (обычно несколько больше минимальной ошибки).
Практически все производимое в мире оборудование и электроприборы бытового назначения согласуется с этими параметрами. Но по вполне объективным причинам (техническое несовершенство отечественных электросетей, устарелость большинства используемых в них приборов и оборудования) соблюдение ГОСТа часто проблематично, что приводит к сетевым искажениям, крайне губительно влияющим на работу электроприборов (стиральные машины, компьютеры, холодильники, микроволновые печи, насосы, электрокотлы, системы охраны и т.п.).
Избавиться от возможных финансовых потерь, обусловленных поломкой электрооборудования, можно с помощью включения стабилизаторов напряжения, последовательно между токоприемником, бытовым прибором и питающей электрической сетью. Требования к стабилизаторам напряжения определяются тем же ГОСТ 13109-97 "Нормы качества электрической энергии в системах электроснабжения общего назначения".
Стабилизаторы напряжения по принципу действия делят на:
- ступенчатые стабилизаторы напряжения;
- феррорезонансные стабилизаторы;
- электромеханические стабилизаторы;
- стабилизаторы с подмагничиванием трансформатора;
- системы с двойным преобразованием энергии и высокочастотные транзисторные регуляторы.
Причем системы с двойным преобразованием энергии и высокочастотные транзисторные регуляторы не доступны пока пользователям и пока находятся в стадии разработки, а стабилизаторы с подмагничиванием трансформатора ограничены по диапазону регулировки и имеют значительный коэффициент несинусоидальности, что не делает их конкурентоспособными другим типам стабилизаторов напряжения.
Релейный тип стабилизаторов напряжения можно назвать самым распространенным в России благодаря низкой стоимости. Релейные стабилизаторы напряжения относятся к классу автотрансформаторных стабилизаторов со ступенчатым регулированием напряжения путем переключения отводов (обмоток) силового автотрансформатора с помощью электромеханических силовых реле. То есть повышение/понижение напряжения на выходе стабилизатора идет параллельно повышению/понижению напряжения на входе стабилизатора.
Принцип работы стабилизаторов данных серий основан на автоматической коммутации (переключении) секций (обмоток) автотрансформатора с помощью силовых ключей.
В процессе работы при изменении напряжения на входе стабилизатора Uвх от Uвх min до Uвх max устройство управления отслеживает изменения входного напряжения и в соответствии с результатами измерений переключает силовые ключи таким образом, чтобы напряжение на выходе стабилизатора оставалось в пределах границ стабилизации от Uвых min до Uвых max. Переключение производится в момент перехода напряжения через ноль.

Рис.1 Зависимость выходного напряжения стабилизатора (Uвых) от входного напряжения (Uвх) в электросети.
В стабилизаторах напряжения, построенных по вольтодобавочной схеме, процесс стабилизации осуществляется без прерывания тока через нагрузку во время переключения силовых ключей.

Если значение входного напряжения Uвх ниже, чем Uвх пр min или выше чем Uвх пр max и стабилизатор переменного напряжения не может обеспечить заданное предельное выходное напряжение от Uвых пр min до Uвых пр mах, производится автоматическое отключение нагрузки и индикация отключения. При восстановлении входного напряжения Uвх от Uвх пр min до Uвх пр max стабилизатор переменного напряжения автоматически подключает нагрузку.
Время переключения напряжения (регулирования) на нагрузке зависит от величины его отклонения от номинального значения 220 В и составляет при переключении на 1 ступень (время измерения + время коммутации), не более: 100мс для моделей c силовыми ключами на основе реле, 30мс для моделей c силовыми ключами на тиристорах.
Для предотвращения выхода из строя узлов стабилизатора при превышении током нагрузки его максимального значения предусмотрена защита от перегрузки. Допускается кратковременное (до 10с) превышение нагрузки, выше предусмотренной (от 10 до 50% от заявленной выходной мощности, в зависимости от модели). При перегрузке, в зависимости от модели стабилизатора, в интервале от 10 до 60с, произойдёт отключение стабилизатора (обесточивание нагрузки) с индикацией причины отключения. Автоматическое подключение нагрузки не производится (необходимо вмешательство пользователя).
Рассмотрим схему переключения обмоток ступенчатого стабилизатора на примере Sassin Black Serie

Рис. 2. РСН. Схема переключения отводов силового трансформатора
релейного стабилизатора Sassin Black Series.
Точность выходного напряжения стабилизатора Sassin Black Series РСН составляет 220В±8%, т.е. 203-237В (согласно ГОСТ 13109-97 "Нормы качества электрической энергии в системах электроснабжения" продаваемое в России бытовое электрооборудование должно работать при напряжении 220В±10%). Например, если входное напряжение составляет 190В, то на выходе стабилизатор будет выдавать 228В, при повышении входного напряжения на 5В - на выходе будет 233В (идет параллельно с входным), однако при дальнейшем повышении U входного до 200В, произойдет переключение обмотки стабилизатора и на выходе будет уже 218В. При падении напряжения на входе принцип действия аналогичен, но стоит отметить, что, например, при повышении входного напряжения до 210В, на выходе будет 230В, а при понижении U входного до 210В - на выходе из стабилизатора будет 210В. Такова особенность данного типа стабилизаторов напряжения. Из вышесказанного можно также сделать вывод, что релейный стабилизатор напряжения не может постоянно на выходе показывать напряжение ровно 220В.
Точность стабилизации напряжения на выходе зависит от количества ступеней (ключей) автотрансформатора - чем больше обмоток у вольтодобавочного трансформатора, тем точнее напряжение на выходе, но тем и выше цена стабилизатора.
Одним из главных достоинств релейного стабилизатора является высокая скорость стабилизации напряжения - производители заявляют о времени стабилизации от 20 мс, однако в реальной эксплуатации это время составляет порядка 0,1-0,15 секунды и как правило не зависит от величины скачка напряжения (при точности стабилизации 8% скорость составляет более 250В/сек, при точности стабилизации в 5% - около 180 В/сек).
Также же к достоинствам данного типа стабилизаторов относятся:
- малые габариты, так как в вольтодобавочном трансформаторе циркулируют только компенсирующие мощности нагрузки;
- широкий диапазон стабилизации входного напряжения (например, для Sassin Black Series РСН при нагрузке составляет 140-270В при сохранении мощности на выходе более 80% от номинальной);
- допускаемая длительная перегрузка в 110% от номинальной и перегрузочная способность до двукратной в течение 4 секунд, так как реле непосредственно цепь нагрузки не коммутирует и работает в более благоприятном режиме - с меньшими токами;
- не искажает форму синусоиды тока на выходе, низкая чувствительность к частоте и искажениям входного напряжения;
- широкий температурный режим эксплуатации (как правило, -20…+40?С), ограниченный температурной характеристикой применяемых реле;
- низкая стоимость по сравнению с другими типами стабилизаторов;
- практически бесшумная работа;
- долговечность работы зависит в большинстве случаев только от качества переключающих реле и может доходить до 10 лет.
Главным же недостатком релейного стабилизатора можно назвать как раз ступенчатый способ стабилизации. Если использовать данный стабилизатор, например, на всю квартиру или коттедж, то, при точности выходного напряжения более 2%, в светильниках с лампами накаливания (к которым относятся и галогенные лампы) будет заметно резкое изменение накала лампы (освещенности) при переключениях обмоток стабилизатора (то есть при отработке просадок и всплесков напряжения).
К недостаткам же стоит отнести и то, что чем более точен стабилизатор на выходе, тем меньше скорость стабилизации напряжения, так как чем точнее стабилизатор, тем больше в нем обмоток трансформатора, следовательно большее количество ступеней (реле) нужно будет переключить прежде, чем всплеск напряжения будет отработан.
Релейный стабилизатор напряжения рекомендуется выбирать с запасом по мощности 20-30%, особенно это актуально для дешевых марок, у которых номинальная мощность часто бывает завышена.
Феррорезонансные стабилизаторы используют в работе эффект феррорезонанса напряжения, возникающего в контуре трансформатор-конденсатор. Феррорезонансные стабилизаторы довольно быстро реагируют на кратковременные изменения напряжения, имеют высокую надежность, работают устойчиво в широком диапазоне входных напряжений и не требуют особого контроля. Особенность вольтамперной характеристики насыщенного дросселя в том, что напряжение на нём мало изменяется при изменении тока через него. Подбором параметров дросселей и конденсаторов обеспечивалась стабилизация напряжения при изменении входного напряжения в достаточно широких пределах, но незначительное отклонение частоты питающей сети очень сильно влияло на характеристики стабилизатора. Но их недостаток - зависимость их выходного напряжения от колебания частоты питающей электрической сети, также из-за большой шумности при работе, искажении формы входного напряжения и его зависимости от частоты тока, недопустимости эксплуатации при больших перегрузках и в режимах «холостого хода» применяются довольно ограниченно.
Стабилизаторы со ступенчатым регулированием работают с использованием автоматической коммутации обмоток автотрансформатора посредством силовых реле, тиристоров или симисторов. Они дешевы, имеют высокое быстродействие при отсутствии синусоидальных искажений, работают на «холостом ходу» и отличаются значительным КПД. Поэтому несмотря на некоторые ограничения точности стабилизации из-за ступенчатого изменения напряжения на входе сегодня наиболее востребованы и применяются для стабилизации напряжения и защиты техники почти повсеместно (частные хозяйства, квартиры, офисы и т.д.). Отсутствие механических деталей и механического износа позволяют продлить срок службы стабилизатора, что позволяет давать на изделия бoльшую гарантию.
Достоинства:
- высокая точность стабилизации прямо пропорциональна числу ступеней и ключей;
- высокая скорость реакции;
- ограничение работы при низких температурах (ограничивается температурной характеристикой микроэлектроники);
- отсутствует механический износ (нет механических деталей);
- широкий диапазон стабилизации (определяется вольтодобавочным трансформатором при наличии);
- не критичен к наличию нагрузки (работает с нулевой нагрузкой);
- бесшумны (электронные ключи беззвучны);
- относительно небольшие габариты и вес.
Недостатки:
- перегрузочная способность ограничена (определяется запасом по току электронного ключа);
- ступенчатый способ стабилизации (хуже 3% на системе освещения заметно глазу);
- быстродействие стабилизатора напряжения обратно пропорционально точности стабилизации;
- форма напряжения искажается из-за нелинейной ВАХ электронных ключей (особенно на средних и больших мощностях);
- большое количество коммутационных элементов в целом снижает надежность системы;
- мощность стабилизатора напряжения выбирается исходя из значения пиковой мощности нагрузки (из-за ограничения перегрузочной способности);
- сложность применения в промышленных сетях (искаженная форма напряжения и тока, помехи осложняют работу электронных ключей. Применение в полном объеме мер по предотвращению таких влияний на электронные ключи ведет к увеличению габаритов и стоимости).
В целом, плюсы и минусы релейных и электронных ступенчатых стабилизаторов напряжения совпадают. Точно так же точность стабилизации напряжения на выходе зависит от количества обмоток трансформатора, но чем больше этих ступеней, тем ниже скорость отработки скачков напряжения. Однако у электронных стабилизаторов ниже перегрузочная способность (порядка 20-40% в течение нескольких секунд) и бoльшая чувствительность к помехам сети. Из-за того, что в электронных стабилизаторах используются полупроводниковые элементы, усложняется конструкция и, как следствие, повышается стоимость.
Электромеханические стабилизаторы (электромеханические следящие системы) используют автотрансформатор, включенный в первичную обмотку вольтодобавочного трансформатора, и следящий блок из электродвигателя и системы управлением электродвигателя. Однофазные электромеханические стабилизаторы мощностью до 3000ВА (вольтампер) имеют, как правило, один автротрансформатор и один щеточный узел (двухщеточные стабилизаторы не нашли широкого применения из-за более высокой цены), модели мощностью 5-10кВА обычно еще оснащаются и вольтодобавочным трансформатором. Мощные однофазные электромеханические стабилизаторы могут быть с двумя или тремя трансформаторами. Трехфазный стабилизатор напряжения конструктивно представляет собой три однофазных стабилизатора с общей защитной электроникой.
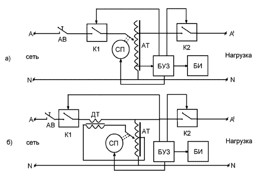
Данные стабилизаторы по принципу действия относятся к электромеханическим корректорам напряжения с сервоприводом и состоят из следующих узлов (см. рис.3):
автоматический выключатель (АВ) или сетевой предохранитель (в моделях малой мощности);
входное (К1) и выходное (К2) реле (в моделях с дополнительным трансформатором используются контакторы);
регулируемый автотрансформатор (АТ);
сервопривод управления щеткой автотрансформатора (СП);
электронный блок управления сервоприводом и защиты нагрузки (БУЗ);
блок индикации (БИ);
вольтодобавочный трансформатор (ДТ) - в моделях от 5 кВА и выше.
Стабилизаторы напряжения выполнены в стальных корпусах с толщиной стенок 0,8...1,2 мм. Габаритные размеры, расположение вентиляционных отверстий, кабельных вводов и разъемов для подключения питания и нагрузки (клеммных колодок или розеток) зависят от конструкции соответствующей модели стабилизатора.

Рис.3 Структурная схема электромеханического стабилизатора напряжения.
а) без дополнительного трансформатора;
б) с дополнительным трансформатором.
Стабилизация выходного напряжения осуществляется следующим образом. После включения стабилизатора блок управления анализирует величину входного/выходного напряжения и подает сигнал управления на электродвигатель, приводящий в движение угольную щетку автотрансформатора, скользящую по неизолированной дорожке на медной обмотке, навитой на торроидальный магнитопровод. При этом происходит плавное увеличение или уменьшение выходного напряжения до номинального значения.
Блок защиты анализирует значения напряжений и отключает выход стабилизатора от нагрузки при недопустимых значениях выходного напряжения. При восстановлении выходного напряжения нагрузка включается автоматически.
Самым главным преимуществом стабилизаторов электромеханического типа является плавность регулировки напряжения и высокая точность стабилизации при относительно низкой стоимости. Эти стабилизаторы имеют высокую точность регулировки при отсутствии помех, могут работать при больших перегрузках, недоступных другим стабилизаторам напряжения, и имеют широкий диапазон возможной регулировки.
К недостаткам электромеханических следящих систем относят ограниченный ресурс службы, довольно низкое быстродействие и ограниченность использования из-за открытого скользящего электрического контакта.
В советское время выпускались и другие типы стабилизаторов напряжения, которые впоследствии видоизменились. Стабилизаторы напряжения, как правило, выпускались с линейным сопротивлением в виде выделенного ненасыщенного дросселя, а также с магнитным шунтом. Стабилизаторы с магнитным шунтом, например, отличались от стабилизаторов с линейным дросселем тем, что в них в качестве линейного сопротивления используется индуктивность рассеяния магнитного потока на пути от первичной ко вторичной обмотке. Эта индуктивность усиливается при помощи внешнего или внутреннего магнитного шунта, создающего благоприятные условия для замыкания через него магнитного потока рассеяния, минуя вторичную обмотку автотрансформатора. Стабилизаторы этого типа, так же как и стабилизаторы с линейным сопротивлением, имеют те же элементы схемы нелинейное звено в виде параллельного феррорезонансного контура, компенсационную обмотку и фильтр высших гармонических составляющих.
1 ЭЛЕКТРОМАГНИТНЫЕ СТАБИЛИЗАТОРЫ НАПРЯЖЕНИЯ.
ЭЛЕКТРОМАГНИТНЫЕ СТАБИЛИЗАТОРЫ НАПРЯЖЕНИЯ работают за счет регулировки магнитных потоков в сердечнике трехфазного трансформатора. Регулировка выполняется через изменение магнитной проницаемости зазора сердечника, что меняет общую магнитную проницаемость контура и коэффициент трансформации напряжения.
В качестве коммутационных элементов переключающих обмотки положительной и отрицательной полуволн используют тиристоры или симисторы. Скорость регулировки определяется постоянной времени трансформатора, быстродействием системы подмагничивания, быстродействием системы измерения. Остальные важнейшие характеристики сердечником.
К несомненным достоинствам стабилизаторов напряжения с электромагнитным принципом работы относятся:
1) Самый широкий температурный диапазон, ограниченный снизу температурной характеристикой управляющей микроэлектроники (до -40), а сверху тепловым режимом работы трансформатора (до +60).
2) Отсутствие механических деталей и, следовательно, механического износа.
3) Высокая скорость начала отработки возмущения, которую можно грубо оценить как 20мсек (период) на измерение +20мсек (период) на отработку системы подмагничивания +20мсек (период) на переходные процессы в обмотках. Итого 60мсек на одну коррекцию. При точности стабилизации в 3% (т.е. размер условной ступени 6,6В) скорость ориентировочно составляет около 110В/сек.
4) Стабилизация происходит практически на уровне электрической машины. Таким образом, в самом своем принципе система дубовая как топор. При ее грамотной реализации в производстве и верном подборе запаса мощности под объект, стабилизатор надежно прослужит десятки лет.
5) Благодаря малой чувствительности к помехам стабилизатор хорошо работает в шумных промышленных сетях.
К сожалению, принцип работы определяет и ряд врожденных недостатков таких стабилизаторов напряжения:
1) Узкий диапазон стабилизации, обусловленный тем, что в сердечнике трансформатора циркулирует вся мощность нагрузки, а не только добавочная мощность для поднятия напряжения. То есть даже для номинального режима требуется значительное сечение стального сердечника трансформатора (чтобы пропускал весь магнитный поток). А запас мощности, закладываемый для компенсации просадок/всплесков напряжения, (по сути, и определяющий диапазон стабилизации), дополнительно увеличивает габарит в прямой пропорции.
2) Перегрузочная способность из-за вышеупомянутого обстоятельства так же не блещет. К примеру: кратковременная тридцати процентная перегрузка это на тридцать процентов больший ток в катушках сердечника, т.е. на тридцать процентов больший магнитный поток. Чтобы сталь сердечника трансформатора (напоминаем, прокачивающего через себя всю мощность нагрузки) не вышла в насыщение, и стабилизатор напряжения сохранял свои характеристики, необходим запас в 30% по сечению вышеупомянутого сердечника. Как это влияет на габариты, массу и цену и без того не маленького трансформатора, думаем, пояснять не нужно.
3) Наличие обязательной минимальной нагрузки в размере 15% от номинала т.к. должен быть минимальный поток в сердечнике для работы на линейном участке кривой намагничивания стали сердечника.
4) Серьезное искажение формы напряжения сети и сильнейшая генерация высоких гармоник из-за нелинейности характеристик стали сердечника и фазовой системы переключения (на тиристорах) между полуволнами в течение периода вызывают изменения работе ряда аудиосистем и цифровых комплексов (в том числе вычислительных).
5) Двойная масса в сравнении с аппаратами на других принципах работы (обусловлена габаритом трансформатора).
6) Гул при работе из-за магнитострикции (как и положено мощному трансформатору).
7) Плавающая точность стабилизации из-за нелинейности изменения магнитных потоков и нелинейности характеристик стали магнитопровода.
8) Чувствительность к изменению частоты напряжения, т.к. расчеты индуктивных сопротивлений катушек, токов и напряженности полей проводят для номинального режима 50Гц.
9) Чувствительность к перекосу фаз, т.к. опять же расчеты индуктивных сопротивлений катушек, токов, напряженности полей проводят для номинального симметричного режима трехфазного трансформатора. А при сильной не симметрии происходит перетекание магнитных потоков в сердечнике и, соответственно, схема нагрузки магнитопроводов другая т.е. режим работы основного элемента стабилизатора не штатный.
10) Вследствие ограниченной перегрузочной способности мощность стабилизатора выбирают исходя из значения пиковой мощности нагрузки.
2 ЭЛЕКТРОМЕХАНИЧЕСКИЕ СТАБИЛИЗАТОРЫ НАПРЯЖЕНИЯ.
ЭЛЕКТРОМЕХАНИЧЕСКИЕ СТАБИЛИЗАТОРЫ НАПРЯЖЕНИЯ с вольтодобавочным трансформатором компенсируют просадки/всплески напряжения в сети с помощью автотрансформатора с сервоприводом, регулирующим напряжение на первичной обмотке вышеуказанного вольтодобавочного трансформатора. В качестве коммутационного элемента выступает автотрансформатор. Параметры его щеточного узла определяют возможную скорость отработки просадок/всплесков напряжения. Другие важнейшие характеристики определяются вольтодобавочным трансформатором, через который подается компенсирующая мощность.
Достоинства стабилизаторов напряжения этого типа:
1) Плавная отработка всплесков/просадок напряжения.
2) Высокая точность стабилизации.
3) Высокая скорость отработки возмущения, но только в случае применения соответствующих по техническим характеристикам регулируемого автотрансформатора и сервопривода. В качестве примера можем привести следующие цифры: на автотрансформаторах фирмы TTW (Германия) стабилизаторы могут отрабатывать просадки напряжения со скоростью до 150В/сек, а на типовых автотрансформаторах производства Китай только до 30В/сек по причине резкого роста механического износа щеток на большей скорости.
4) Высокая перегрузочная способность, скажем до 200% в течение четырех секунд и 100% в течение восьми секунд позволяет в ряде случаев выбирать стабилизатор напряжения по значению средней мощности защищаемого оборудования, что серьезно сокращает затраты, т.к. пиковая мощность (исходя из которой обычно и берут стабилизаторы) от средней частенько отличается в разы. Грубо говоря экономия на установочной мощности. Это ценное свойство электромеханических стабилизаторов напряжения обусловлено тем, что из-за вольтодобавочного трансформатора, коммутационный элемент (щетка автотрансформатора) непосредственно в цепь нагрузки не включена и работает с меньшими токами, в благоприятном режиме. Кроме этого, между щеткой и обмотками автотрансформатора есть постоянный контакт, которому кратковременные пиковые токи вообще индифферентны, а скорость скольжения щетки (скажем в сравнении с коллекторным двигателем на 800 об/мин) обуславливает практически полное отсутствие коммутационных процессов.
5) Габарит вольтодобавочного трансформатора, вследствие циркуляции в нем только компенсирующей мощности нагрузки, гораздо меньше.
6) Форма напряжения не искажается за отсутствием искажающих элементов.
7) Благодаря разумному габариту вольтодобавочного трансформатора можно реализовать широкий диапазон стабилизации.
8) Стабилизатор напряжения успешно работает с нулевой нагрузкой.
9) Точность стабилизации в основном диапазоне определяется следящей системой сервопривод-автотрансформатор то есть постоянна.
10) Фазы стабилизируются независимо, таким образом, их перекос не влияет на качество стабилизации, более того, стабилизатор устраняет перекос.
11) При работе практически бесшумен, т.к. сервопривод не шумит.
12) Зависимость от частоты сети достаточно мала.
13) Стабилизатор напряжения весьма хорошо работает в тяжелых промышленных сетях, поскольку коммутационный элемент (щетка) к помехам и искажениям формы тока и напряжения совершенно индифферентна.
К недостаткам относятся:
1) Наличие постепенного механического износа сервопривода в течение до десятка лет, в зависимости от качества сервопривода и интенсивности перепадов напряжения.
2) Необходимость обслуживания сервопривода раз в два-три года (в виде смазывания графитовой смазкой трущихся деталей).
3) При больших отрицательных температурах для сервопривода требуется блок обогрева.
4) Качественный автотрансформатор с сервоприводом имеют весомую цену.
5) Стабилизаторы напряжения с автотрансформаторами производства Китай выбираются с запасом мощности не менее 30% по причине экономии производителем на сечении проводов. Коротко говоря, эти аппараты обычно рассчитаны на коэффициент загруженности 0,8 при напряжении 220В. Таким образом, 100% нагрузка, да еще при пониженном напряжении (т.е. большем токе) как минимум вызовет перегрузку по тепловому режиму и перегрев.
3 СТУПЕНЧАТЫЕ ЭЛЕКТРОННЫЕ СТАБИЛИЗАТОРЫ НАПРЯЖЕНИЯ.
СТУПЕНЧАТЫЕ ЭЛЕКТРОННЫЕ СТАБИЛИЗАТОРЫ НАПРЯЖЕНИЯ с вольтодобавочным трансформатором работают на принципе переключения обмоток указанного трансформатора с помощью тиристоров или симисторов, которые, собственно, и являются коммутационными элементами. Возможная скорость стабилизации определяется количеством обмоток и принципом работы электронных ключей. Остальные важнейшие характеристики вольтодобавочным трансформатором, через который подается компенсирующая мощность.
Достоинства стабилизаторов:
1) Высокая точность стабилизации, прямо пропорциональная числу ступеней (и ключей).
2) Хорошая скорость отработки возмущения, которую можно грубо оценить как 20 мсек на измерение, +20 мсек на закрытие ключа обмотки, +20 мсек на открытие другого ключа обмотки, +20 мсек на переходные процессы в обмотках. Итого 80 мсек на ступень. При точности стабилизации в 5% (т.е. размер ступени 11 В) скорость составляет около 137 В/сек. При точности стабилизации в 3% (т.е. размер ступени 6,6 В) скорость составляет около 82 В/сек.
3) Достаточно широкий температурный диапазон, ограничен снизу температурной характеристикой управляющей микроэлектроники (до -40), а сверху тепловым балансом электронных ключей (до +45).
4) Отсутствие механических деталей и механического износа.
5) Широкий диапазон стабилизации, определяется вольтодобавочным трансформатором.
6) Габарит вольтодобавочного трансформатора, вследствие циркуляции в нем только компенсирующей мощности нагрузки, в разумных пределах.
7) Успешно работают с нулевой нагрузкой.
8) Точность стабилизации в основном диапазоне определяется количеством обмоток вольтодобавочного трансформатора т.е. постоянна.
9) Фазы стабилизируются независимо, их перекос не влияет на качество стабилизации, более того, стабилизатор напряжения устраняет перекос.
10) При работе практически бесшумен, т.к. электронные ключи беззвучны.
11) Имеет малую чувствительность к частоте сети.
Из недостатков можно назвать:
1) Перегрузочная способность стабилизатора напряжения ограничена. Определяется заложенным запасом по току электронного ключа, соображениями теплового баланса и теплопроводности радиаторов. Поскольку инерционность тепловых процессов в полупроводниковой технике весьма мала, то типичное значение допустимой перегрузки 2040% в течение единиц секунд. Затем аппарат надо выключать (автоматикой) из-за опасности перегрева кристалла и теплового пробоя.
2) Ступенчатый способ стабилизации напряжения, при точности отработки ниже 3% не рекомендуется для систем освещения, т.к. изменение накала ламп при отработке всплесков/просадок будет заметно глазу.
3) Быстродействие стабилизатора напряжения обратно пропорционально заявленной точности стабилизации, поскольку, чем выше точность тем меньший допустимый шаг ступени добавки напряжения (обмотки трансформатора), тем, соответственно, большее число ступеней нужно переключить и большее время на это уйдет.
4) Форма напряжения искажается из-за нелинейной ВАХ электронных ключей. Особенно это заметно на средних и больших мощностях.
5) Большое количество коммутационных элементов в целом снижает надежность системы.
6) Вследствие ограниченной перегрузочной способности мощность стабилизатора напряжения выбирают исходя из значения пиковой мощности нагрузки.
7) По своей конструкции симисторы и тиристоры являются полууправляемыми ключевыми элементами. Это означает, что они открываются коротким импульсом блока управления, поданным на управляющий электрод ключа, а закрываются при смене полярности коммутируемого напряжения и уменьшении проходящего тока (суть силового тока) за порог удержания. К сожалению, в промышленных сетях искаженная форма напряжения и тока в купе с большим количеством помех является рядовым явлением (особенно при наличии сварочных аппаратов и иных электродуговых установок). Работа электронных ключей в таких условиях по вышеуказанной причине существенно осложнена. Для купирования ситуаций преждевременного закрытия ключа, либо наоборот, не закрытия (что ведет к короткому замыканию), либо самопроизвольного открывания из-за высоковольтного импульса (что так же ведет к короткому замыканию) в схеме стабилизатора напряжения должны применяться специальные меры по управлению ключами, облегчению их коммутации, помехоподавлению в цепях силы и управления. Но габариты и цена специальных мер растут пропорционально квадрату стабилизируемой мощности, что резко увеличивает размер и стоимость оборудования. Поэтому в полном объеме применять их в стабилизаторах напряжения экономически не целесообразно.
К счастью, в бытовых сетях интенсивные помехи редки.




PAGE \* MERGEFORMAT 1
Технические средства для ограничения и стабилизации напряжения