Розрахунок колінчастого вала
Лекція 30(1) ДВЗ Тема: Розрахунок колінчастого вала
- Вихідні дані для розрахунку колінчастого вала
Колінчастий вал знаходиться під впливом зовнішніх сил і моментів від сил тиску газів і сил інерції рухомих мас, які є періодичними функціями кута повороту кривошипа. Одночасно у валу можуть виникнути напруження від крутильних і згинальних коливань.
Різка зміна поперечних перерізів і спрямувань окремих елементів кривошипа, а також характер розподілу діючих сил приводять до нерівномірного розподілу напружень по довжині валу і в його поперечних перетинах. Нерівномірність напружень підсилюється їх концентрацією в галтелях щік і у країв масляних отворів шийок валу. У зв'язку з цим дійсні напруження можуть значно перевищувати номінальні, обчислені за формулами опору матеріалів.
Номінальні напруження в існуючих сталевих колінчастих валах при згині не перевищують 20%, а при крученні 15% відповідних меж міцності, що означає малоефективне використання металу.
Номінальні нормальні і дотичні напруження при розрахунках колінчастих валів виходять низькими і не дозволяють правильно оцінити напружений стан його елементів. Тому поряд з визначенням номінальних напружень вал необхідно розраховувати на втому з урахуванням виникаючих концентрацій напружень і визначати запаси міцності на характерних режимах роботи двигуна.
В існуючих методах розрахунку не враховуються деформації картера, пружна осаду опор валу, неспіввісність окремих підшипників і знос корінних шийок, що виникає в процесі експлуатації.
Загальноприйнятою розрахунковою схемою є схема, що представляє собою вирізаний з колінчастого вала кривошип, що працює в умовах максимального розмаху знакозмінних згинальних і скручуючи моментів і сил.
Порівняльні розрахунки, виконані за схемою нерозрізної багатоопорної балки, і за схемою розрізної балки для одного коліна, показали, що запаси міцності корінних шийок виходять в обох випадках майже однаковими. Запаси міцності шатунних шийок за розрізною схемою виходять меншими на 5…10%, а крайніх шийок на 30…40%.
Знання орієнтовних меж відхилень запасів міцності при переході від нерозрізної схеми до розрізної дозволяє з достатньою точністю розрахувати колінчастий вал за розрізною схемою.
Поломки колінчастого валу, як показала статистика дефектів, носять зазвичай втомний характер і викликаються змінними напруженнями згину та кручення. Руйнування окремих елементів кривошипа починається в місцях концентрацій напружень: у країв мастильних отворів корінних і шатунних шийок або в місцях сполучення шийок зі щоками (галтелях).
Надійність розрахунку колінчастих валів багато в чому залежить від невраховуваних факторів і в першу чергу неспіввісності опор і биття корінних шийок.
Неспіввісність викликається неточністю виготовлення, пластичними деформаціями блок-картера і зносами шийок вала і антифрикційного сплаву підшипників. Практика показала, що при неспіввісності 0,1…0,15 мм запаси міцності валів автомобільних двигунів знижуються на 50…70%.
При цьому також виникають періодичні коливання мас, тобто ділянки вала між сусідніми масами закручуються (так звані крутильні коливання).
Під дією збуджуючих індикаторних крутних моментів, прикладених до шатунних шийок, колінчастий вал здійснює вимушені коливання з частотою збурюю чого моменту.
Якщо вимушені коливання системи збігаються за формою з власними коливаннями відповідної частоти то виникає резонанс (резонансна або критична частота обертання).
Звичайно в діапазоні робочої частоти обертання колінчастого вала автомобільних двигунів виникають коливання одновузлової форми.
На ділянці з максимальним кутом закручування вала підраховують в елементах кривошипа знакозмінні дотичні напруження, які складають при визначенні запасів міцності з дотичними напруженнями, знайденими при розрахунках по діаграмах набігаючих моментів.
- Прослушать
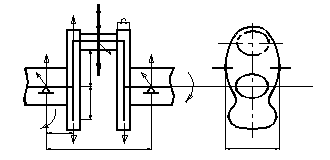
На рис. 1 наведено схему повно опорного колінчастого вала з симетричними колінами і асиметричним розташуванням противаг.
|
|
Рис. 1 Схема колінчастого валу.
Матеріал вала сталь 40ХНМА.
За прототипом, розрахунками і з конструктивних міркувань вибирають наступні вихідні дані.
Корінна шийка:
внутрішній діаметр: dвн ,мм; для автомобільних двигунів можна приймати dвн = 0 мм;
зовнішній діаметр: dн , мм;
довжина шийки: lкш , мм;
Шатуна шийка:
внутрішній діаметр: dвн , мм;
зовнішній діаметр: dн , мм;
довжина шийки: lкш , мм.
Радіус кривошипа: R , мм.
Відстань між серединами корінних шийок: l , мм.
Маса противаги: mпр , кг.
Приведена маса щоки: mщ , кг.
Приведена маса шатунної шийки: mшш , кг.
На рис. 2 наведено розрахункову схему кривошипа.
Прослушать
Словарь
|
|
Рис. 2 Розрахункова схема кривошипа
Товщина щоки: n = 25 мм
Довжина перерізу А-А щоки b = 120 мм
2. Розрахунок корінних шийок.
Корінні шийки розраховують тільки на кручення під дією тангенціальних сил. Максимальні та мінімальні значення крутних моментів визначають за допомогою складання таблиць набігаючих моментів (див. динамічний розрахунок двигуна). Як приклад, в таблиці 1 наведено чисельні значення набігаючих моментів для 2, 3, 4, 5-ої корінних шийок чотирициліндрового чотиритактного двигуна.
Таблиця 1 Набігаючи моменти на корінні шийки колінчастого вала
|
|
Мкш2 |
Мкш3 |
Мкш4 |
Мкш5 |
|
1 |
2 |
3 |
4 |
5 |
|
0 |
0 |
0 |
0 |
0 |
|
30 |
-427,32 |
-628,2 |
-389,79 |
171,9 |
|
60 |
-952,47 |
-581,88 |
-920,125 |
-461,34 |
|
90 |
177,6 |
-16,63 |
-254,2 |
295,2 |
|
120 |
317,03 |
553,08 |
666 |
1165,73 |
|
150 |
186,63 |
603,66 |
588,76 |
840,59 |
|
180 |
0 |
0 |
0 |
0 |
|
210 |
-188,91 |
-616,23 |
372,77 |
171,9 |
|
240 |
-338,25 |
-590,72 |
-131,93 |
-461,34 |
|
270 |
-237,56 |
-60 |
489,43 |
295,2 |
|
300 |
112,88 |
429,9 |
929,64 |
1165,73 |
|
330 |
-14,89 |
171,7 |
423,57 |
840,59 |
|
360 |
0 |
0 |
0 |
0 |
|
390 |
989 |
800,1 |
599,2 |
171,9 |
|
1 |
2 |
3 |
4 |
5 |
|
420 |
458,79 |
120,54 |
-208,9 |
-461,34 |
|
450 |
549,4 |
311,8 |
117,6 |
295,2 |
|
480 |
499,7 |
612,7 |
848,71 |
1165,73 |
|
510 |
251,83 |
236,94 |
653,96 |
840,59 |
|
540 |
0 |
0 |
0 |
0 |
|
570 |
-200,9 |
788,1 |
360,79 |
171,9 |
|
600 |
-329,4 |
219,38 |
-123,09 |
-461,34 |
|
630 |
-194,23 |
355,19 |
532,79 |
295,2 |
|
660 |
236,06 |
735,79 |
1052,8 |
1165,73 |
|
690 |
417,03 |
668,85 |
855,48 |
840,59 |
|
Мmax |
976 |
1428,3 |
1972,9 |
1627,1 |
Критерієм навантаженості шийки є розмах моменту.
Значення Мmax для кожної шийки наведено в останньому рядку таблиці 1набігаючих моментів.
1. Визначають таким чином найбільш навантажену шийку.
Найбільш навантаженою є 4-а корінна шийка (Мкш4 = 1972,9 Нм).
Для цієї шийки визначаємо мінімальні і максимальні дотичні напруження.
Wкш - момент опору шийки крученню. Для монолітної шийки (оскільки свердління в корінній шийці незначного діаметра):
Прослушать



2. Визначаємо амплітудне і середнє напруження:


З таблиці (табл. 5.6 [1]) з урахуванням наявності в шийці отвору для підведення мастила знаходимо теоретичний коефіцієнт концентрації напруження: Кт = 2,5
Для сталі 40ХНМА знаходимо q - коефіцієнт чутливості матеріалу до концентрації напружень:



Для сталі 40ХНМАдопустимі напруження:






3. Розрахунок запасу міцності виконуємо за межею витривалості:



3. Розрахунок шатунних шийок
4. Шатунові шийки розраховуються на кручення і згин. Запаси міцності при крученні та згині визначаються незалежно один для іншого, а потім підраховується загальний запас міцності.
З метою визначення моментів, що діють на кожну шийку (шатунну) повноопорного вала набігаючий момент, що навантажує попередню корінну шийку, складається з половиною моменту, що діє на дану шатунну шийку.
, а,оскільки,
, то 



5. Розрахунок запасу міцності виконуємо за межею витривалості
.
Таблица 9
|
|
Мшш1 |
Мшш2 |
Мшш3 |
Мшш4 |
|
1 |
2 |
3 |
4 |
5 |
|
0 |
0 |
0 |
0 |
0 |
|
30 |
-213,66 |
-527,76 |
-722,65 |
104,68 |
|
60 |
-126,23 |
-417,17 |
-751 |
-690,73 |
|
90 |
88,8 |
80,49 |
-135,42 |
20,51 |
|
120 |
158,5 |
435,06 |
609,54 |
915,87 |
|
150 |
93,32 |
395,14 |
596,22 |
714,67 |
|
180 |
0 |
0 |
0 |
0 |
|
210 |
-94,45 |
-402,57 |
-121,73 |
272,33 |
|
240 |
-169,13 |
-464,48 |
-361,33 |
-296,63 |
|
270 |
-118,79 |
-148,76 |
214,71 |
392,3 |
|
300 |
56,44 |
271,39 |
679,77 |
1047,67 |
|
330 |
7,44 |
78,42 |
297,61 |
632,08 |
|
360 |
0 |
0 |
0 |
0 |
|
390 |
494,49 |
894,55 |
699,66 |
385,54 |
|
420 |
229,39 |
289,67 |
-44,16 |
-335,13 |
|
450 |
274,71 |
430,6 |
214,79 |
206,4 |
|
480 |
249,87 |
556,16 |
730,73 |
1007,22 |
|
510 |
125,9 |
244,39 |
445,45 |
747,27 |
|
540 |
0 |
0 |
0 |
0 |
|
570 |
-100,44 |
293,59 |
574,44 |
266,34 |
|
600 |
-164,7 |
-100,03 |
3,15 |
-292,21 |
|
630 |
-97,11 |
80,48 |
443,99 |
413,99 |
|
660 |
118,03 |
485,9 |
894,3 |
1109,26 |
|
690 |
208,5 |
542,94 |
762,17 |
846,03 |
|
Мшшmax |
708,15 |
1421,55 |
1616,95 |
1799,99 |
Критерием нагруженности шатунной шейки служит размах момента: 
Определяем значения моментов, скручивающих каждую шатунную шейку и сводим их в таблицу. Определяем по значению
наиболее нагруженную шейку.
Наиболее нагруженной является 4-я шатунная шейка (
).
Определяем момент сопротивления шатунной шейки на кручение: 






Расчет выполняем по пределу выносливости: 

где
- определено в предыдущем расчете.
Расчет шатунной шейки на изгиб ведется в плоскости кривошипа и перпендикулярной ей плоскости.
Изгибающий момент в плоскости, перпендикулярной к плоскости кривошипа: 
где l расстояние между соседними серединами коренных шеек;
RT реакция опор при действии тангенциальной силы: RT = -0,5T
Центробежная сила инерции противовеса, расположенного на продолжении щеки: 
где mпр масса противовеса (1,5 кг)
расстояние от оси вращения коленчатого вала до центра тяжести противовеса ( = 6010-3 м) 
Сила инерции вращающихся частей шатуна: 

Центробежная сила, действующая на щеку: 
где тщ = 1,2 кг приведенная масса щеки 
Центробежная сила, действующая на шатунную шейку: 

Реакция опор при действии сил в плоскости кривошипа: 


Изгибающий момент, действующий в плоскости кривошипа: 


Суммарный изгибающий момент М в плоскости располжения масляного отверстия: м = 140 - угол между положительным направлением силы К и осью отверстия. 
Результаты вычислений сводим в таблицу. 








Расчет производим по пределу текучести: 
,
где 



Определяем суммарный запас прочности: 

Суммарный запас прочности шатунных шеек для тракторных дизелей должен быть Зшш 3...5
Расчет щеки.
Моменты, скручивающие щеку: 



Момент сопротивления прямоугольного сечения щеки: 

Находим касательные напряжения в щеке:







Расчет производим по пределу выносливости.
Определяем: 
где 

(без обработки) 

Моменты, изгибающие щеку: 



Силы, сжимающие (растягивающие) щеку: 


Максимальные и минимальные напряжения в щеке: 
где
- момент сопротивления щеки изгибу.
Fщ площадь расчетного сечения, м2 







Расчет производим по пределу выносливости.
Кт = 1,5, q
1, К = 1,5, Кf = 0,65, Кd = 0,6 

Суммарный запас прочности щеки: 

PAGE \* MERGEFORMAT 1
Розрахунок колінчастого вала

