Исследование шумовых и температурных свойств усилительного каскада
Федеральное государственное автономное
образовательное учреждение
высшего профессионального образования
«СИБИРСКИЙ ФЕДЕРАЛЬНЫЙ УНИВЕРСИТЕТ»
Институт инженерной физики и радиоэлектроники
Кафедра «Приборостроение и наноэлектроника»
КУРСОВАЯ РАБОТА
Исследование шумовых и температурных свойств усилительного каскада
Вариант 12
Руководитель ________ Ф.Г. Зограф
подпись, дата инициалы, фамилия
Студент РТВ13-02, 301312411 ________ И.А. Лылова
номер группы, зачетной книжки подпись, дата инициалы, фамилия
Красноярск 2015
Содержание
ВВЕДЕНИЕ
- Задание на курсовую работу…………………………………………….4
- Исходные данные………………………………………………………...5
- Цель…………………………………………………………………….....5
- Ввод и подготовка схемы……………………………………………......6
- Анализ шумов…………………………………………………………....6
- Температурный анализ. Temperature (Sweep)……………………….....9
- Температурный анализ. Parametric Sweep. Анализ эффективности.....10
ВЫВОД
ВВЕДЕНИЕ
В данной курсовой работе объектом исследования является усилитель, построенный из двух каскадов и выполненный по схеме включения с общим эмиттером. А рассматриваемым явлением - шумы в электронных устройствах, которые обычно рассматриваются как вредный фактор и которые накладывают ограничения на работу устройств. Шум характеризуется своим частотным спектром, распределением амплитуды и источником (происхождением). Наиболее часто встречающимися разновидностями шумов являются тепловой и дробовой. Тепловой шум возникает вследствие случайных флуктуаций скорости носителей заряда в резистивном материале. Общая величина шума пропорциональна квадратному корню сопротивления, поэтому для уменьшения шума величину сопротивлений в схеме надо также уменьшать. Дробовой шум связан с прохождением тока через барьер. Дробовой шум или шум, похожий на него, часто встречается в твердотельных устройствах, где ток проходит через потенциальный барьер (например, в обеднённом слое p-n-контакта). Особенность дробового шума физическое разделение двух областей на область, где случайно рождаются носители тока (катод, эмиттер или база), и область, где эти носители взаимодействуют с внешним электрическим полем. Другой вид анализа, который мы проводили температурный. Основная задача температурного анализа определение зависимости выходного параметра устройства от температуры. Сопротивление резистора, ёмкость конденсатора и иные параметры пассивных компонентов и полупроводниковых радиоэлементов меняются в зависимости от температуры, то есть меняются внутренние параметры схем, что и приводит к отклонениям выходных характеристик.
1 Задание на курсовую работу
1. Получить у преподавателя номер варианта, в соответствии с номером варианта выбрать исходные данные для работы и сформировать задание на курсовую работу.
2. Рассчитать сопротивления, задающие коэффициент передачи усилителя, подобрать по 3-5 ближайших сопротивлений из рядов номиналов Е24 и Е48.
3. Создать в OrCAD Capture схему усилителя согласно Приложению 1.4. Снять и проанализировать АЧХ усилителя по напряжению. Если необходимо, методом перебора подобрать сопротивления, задающие коэффициент передачи усилителя. Добиться соответствия коэффициента передачи заданному в Приложении 1 с абсолютной точностью ±1. При подборе сопротивлений использовать ряды номиналов Е24 и Е48.
5. Получить зависимость напряжения шумов на выходе усилителя от частоты.
6. Исследовать спектральные плотности шума для всех источников шума в схеме, отдельно для транзисторов и остальных компонентов схемы, выявить
элементы, дающие наибольший вклад в суммарное напряжение шумов.
7. Исследовать зависимости АЧХ по напряжению и отношения сигнал/шум усилителя от температуры. Температурный коэффициент резисторов (ТКС) принять равным 0,005, ёмкостей (ТКЕ) принять равным 0,003. Температуру менять в пределах рабочего диапазона транзисторов, для расчёта температурных зависимостей взять пять отсчётов, включая комнатную температуру, и температуры на границах диапазона.
8. Построить зависимости отношения сигнал/шум, коэффициента передачи по напряжению и ширины полосы пропускания от температуры. Для построения графиков использовать не менее десяти точек.
9. Составить общий вывод, включающий основные результаты проведенных исследований и заключение о работоспособности устройства в различных условиях.
Исходные данные
Внутреннее сопротивление источника сигнала R1=144 Ом; R8=1,1кОм; коэффициент передачи усиления К=46.
Рассчитала R7 по формуле R7=R8/(K-1)=1.1/(46-1)=0.024кОм=24Ом.

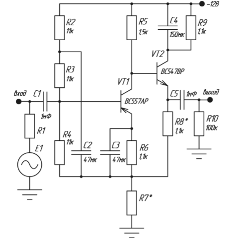
Рисунок 1 - Анализируемая схема
Цель:
Целью курсовой работы является закрепление теоретических знаний и практических навыков полученных в ходе изучения дисциплины. Курсовая работа подразумевает применение основных проектных процедур с использованием конкретных операций производимых с помощью стандартных программных средств для автоматизированного проектирования и моделирования радиоэлектронных устройств. В качестве программного средства студентам предлагается использовать пакет программ сквозного проектирования OrCAD версий 16.0-16.6. Приобретение навыков построения аналоговых схем и освоение методики учёта шумовых и температурных свойств радиоэлектронных компонентов средствами компьютерного проектирования (пакет OrCAD) на примере усилителя, построенного из двух каскадов, выполненных по схеме с общим эмиттером.
2 Ввод и подготовка схемы
Средствами Capture ввести схему согласно варианту
Рисунок 2 - Схема, полученная в пакете OrCAD
Методом подбора получила R7=22,6 Ом из ряда номиналов Е48
3 Анализ шумов
Построить и сохранить зависимость напряжения шумов каскада от частоты.
Рисунок 3 - АЧХ и напряжение шумов на выходе усилителя от частоты
По графику получила коэффициент передачи усиления К=25,090
Построить зависимость отношения сигнал/шум от частоты в децибелах.
Рисунок 4 - Зависимость отношения сигнал/шум от частоты в децибелах
Построить и сохранить спектральные плотности шумов для различных источников шума в схеме.
Рисунок 5 - Спектральные плотности шумов транзисторов
Рисунок 6 - Спектральные плотности шумов резисторов и суммарный шум транзисторов
Открыть выходной файл с директивами анализа (Analysis directives).
*Analysis directives:
.AC DEC 100 1 100meg
.NOISE v([OUT]) V_V1
.PROBE V(alias(*)) I(alias(*)) W(alias(*)) D(alias(*)) NOISE(alias(*))
.INC "..\SCHEMATIC1.net"
4 Температурный анализ. Temperature (Sweep)
Получить зависимости АЧХ для разных температур.
Рисунок 7 - АЧХ каскада для различных температур
Построить зависимость отношения сигнал/шум от частоты для различных температур
Рисунок 8 - Зависимость отношения сигнал/шум от частоты для различных температур
Открыть выходной файл с директивами анализа (Analysis directives)
*Analysis directives:
.AC DEC 100 1 100meg
.NOISE v([OUT]) V_V1
.TEMP -55 0 27 75 125
.PROBE V(alias(*)) I(alias(*)) W(alias(*)) D(alias(*)) NOISE(alias(*))
.INC "..\SCHEMATIC1.net"
5 Температурный анализ. Parametric Sweep. Анализ эффективности
Построить зависимость коэффициента передачи в полосе пропускания каскада от температуры.
Рисунок 9 - Зависимости выходных параметров усилителя от температуры - коэффициент передачи
Рисунок 10 - Зависимости выходных параметров усилителя от температуры -
сигнал/шум
Рисунок 9 - Зависимости выходных параметров усилителя от температуры
полоса пропускания
Открыть выходной файл с директивами анализа (Analysis directives)
*Analysis directives:
.AC DEC 100 1 100meg
.NOISE v([OUT]) V_V1
.TEMP -55 0 27 75 125
.PROBE V(alias(*)) I(alias(*)) W(alias(*)) D(alias(*)) NOISE(alias(*))
.INC "..\SCHEMATIC1.net"
ВЫВОД
В ходе курсовой работы я произвела анализ шумов и температурный анализ. Создала в OrCAD Capture схему усилителя согласно варианту 12. Сняла и проанализировала АЧХ усилителя по напряжению. Получила зависимость напряжения шумов на выходе усилителя от частоты. Исследовала спектральные плотности шума для всех источников шума в схеме, отдельно для транзисторов и остальных компонентов схемы, выявила элементы, дающие наибольший вклад в суммарное напряжение шумов. Исследовала зависимости АЧХ по напряжению и отношения сигнал/шум усилителя от температуры (рисунок 3). Температурный коэффициент резисторов (ТКС) приняла равным 0,005, ёмкостей (ТКЕ) приняла равным 0,003. Температуру меняла в пределах рабочего диапазона транзисторов, для расчёта температурных зависимостей взял пять отсчётов -55 0 27 75 125. Построила графики зависимости отношения сигнал/шум (рисунок 8), коэффициента передачи по напряжению и ширины полосы пропускания от температуры (рисунок 9). Проанализировав характеристики, определила, что элемент R1, являющийся свойством резистивных материалов и пределом, ниже которого нельзя ослабить шумы, вносит наибольший вклад в общие шумы усилителя. По зависимостям выходных параметров усилителя от температуры видно, что в диапазоне рабочих температур коэффициент передачи меняется от 35 до 24 (рисунок 9), сигнал/шум меняется от 144Дб до 139Дб (рисунок 10) и в полосе пропускания меняется от 2,5мГц до 2,1мГц (рисунок 11).
Исследование шумовых и температурных свойств усилительного каскада