ПРОЕКТИРОВАНИЕ ГИДРОПРИВОДА ПЛОСКОШЛИФОВАЛЬНОГО СТАНКА С ЧПУ
ГОСУДАРСТВЕННОЕ ВЫСШЕЕ УЧЕБНОЕ ЗАВЕДЕНИЕ
ДОНЕЦКИЙ НАЦИОНАЛЬНЫЙ ТЕХНИЧЕСКИЙ УНИВЕРСИТЕТ
Кафедра энергомеханических систем
КУРСОВАЯ РАБОТА
Тема: «ПРОЕКТИРОВАНИЕ ГИДРОПРИВОДА ПЛОСКОШЛИФОВАЛЬНОГО СТАНКА С ЧПУ»
Пояснительная записка к курсовому проекту по дисциплине
«ГИДРОПНЕВМОАВТОМАТИКА»
КР 05050205-15-314.Д.46.01.ПЗ
Выполнил студент гр. КГПС-11 ________________В. Ю. Донченко
(подпись, дата)
Проверил ст. пр. кафедры ЭМС _________________ В. М. Яковлев
(подпись, дата)
Нормоконтролер ______________________________ В. М. Яковлев
(подпись, дата)
Донецк, 2015 г.
ГОСУДАРСТВЕННОЕ ВЫСШЕЕ УЧЕБНОЕ ЗАВЕДЕНИЕ
ДОНЕЦКИЙ НАЦИОНАЛЬНЫЙ ТЕХНИЧЕСКИЙ УНИВЕРСИТЕТ
Кафедра энергомеханических систем
ЗАДАНИЕ
НА КУРСОВУЮ РАБОТУ СТУДЕНТУ
По дисциплине: «ГИДРОПНЕВМОАВТОМАТИКА»
Тема работы: «Составить гидравлическую схему гидропривода, рассчитать и выбрать элементы гидропривода плоскошлифовального станка с ЧПУ для автоматического управления гидроцилиндрами продольного и прерывистого (через один продольный ход) поперечного перемещений стола, а также гидроцилиндром зажимного устройства при шлифовании плоской поверхности детали»
Входные данные: Зажим заготовки = 1,5 с; Pд.з = 3 кН; быстрый подвод - Y = 2с; рабочая подача - Х = 1,6 с; Pдх = 5кН; Vдх = 300 мм / с; быстрый подвод - Y = 0,5 с; количество поперечных перемещений в цикле n = 12; быстрый отвод - Y = 2 с; разжим детали = 1 с; смена детали = 40с; длина гидролинии lн. = lс = 2 м.
Срок сдачи работы _______________________________________________________
Дата выдачи задания ______________________ Студент __________________
РЕФЕРАТ
Пояснительная записка 35 стр., 7 рисунков, 6 таблиц, 1 приложение.
Цель работы составить гидравлическую схему гидропривода, рассчитать и выбрать элементы гидропривода плоскошлифовального станка с ЧПУ для автоматического управления гидроцилиндрами продольного и прерывистого (через один продольный ход) поперечного перемещений стола, а также гидроцилиндром зажимного устройства при шлифовании плоской поверхности детали.
Объект исследования плоскошлифовальный станок с ЧПУ для автоматического управления продольного и прерывистого поперечного перемещений стола. С усилием при продольном перемещении стола 5 кН, скоростью перемещения 300 мм/с, количеством поперечных перемещений в цикле 10 и длиной гидролиний 2м.
В курсовой работе: была выбрана и обоснована гидравлическая схема; составлена циклограмма работ и определены необходимые расходы и давления в основных элементах гидропривода; были рассчитаны и выбраны гидроаппараты, гидролинии и трубы; построена линия манометрического давления в гидросистеме вдоль основного потока жидкости; определены рабочие режимы гидромашин.
НАСОС, ГИДРОЦИДИНДР, РАССПРЕДЕЛИТЕЛЬ, ХАРАКТЕРИСТИКА, ДАВЛЕНИЕ, РАСХОД.
СОДЕРЖАНИЕ
ВВЕДЕНИЕ……………………………………………………………………………………...…5
- ОБОСНОВАНИЕ ГИДРАВЛИЧЕСКОЙ СХЕМЫ……………………..….…6
- ВЫБОР ГИДРОДВИГАТЕЛЕЙ………….................................…............…7
- Оценка мощности гидропривода………….................................………7
- Выбор стандартного давления………….................................……....…7
- Выбор гидроцилиндра с двусторонним штоком для продольного перемещения стола………….................................…...…7
- Выбор гидроцилиндра с односторонним штоком для поперечного перемещения стола………….................................…...…9
- Выбор гидроцилиндра для зажимного устройства…………..........…9
- ВЫБОР НАСОСНОЙ УСТАНОВКИ………….................................…...10
- Циклограмма расходов и давлений………….............................…...10
- Выбор насоса……....................................…….............................…...11
- Выбор насосной установки...................…….............................…...11
- ВЫБОР РАБОЧЕЙ ЖИДКОСТИ...................……..........................…...14
- ВЫБОР ГИДРОАППАРАТУРЫ И ВСПОМАГАТЕЛЬНЫХ УСТРОЙСТВ.................................................…….............................…...15
- Описание разработанной гидравлической схемы..................…...15
- РАСЧЕТ ТРУБ ГИДРОЛИНИЙ И ПОТЕРЬ ДАВЛЕНИЯ...............16
- Расчетный диаметр труб.........................……............................…...16
- Расчет толщины стенки трубопровода..……............................…...17
- Потери давления в гидролиниях по длине..……......................…...17
- Потери давления в местных сопротивлениях..…….................…...18
- Потери полные давления..……..................................................…...18
- РАБОЧИЙ РЕЖИМ НАСОСА..……................................................…...19
- ПОСТРОЕНИЕ ЛИНИИ МАНОМЕТРИЧЕСКОГО ДАВЛЕНИЯ....21
- СИЛА ДАВЛЕНИЯ НА КОЛЕНО ТРУБЫ.........................................22
- МОЩНОСТЬ НАСОСА..……..........................................................…...23
- РАСЧЕТ ДИНАМИЧЕСКИХ ХАРАКТЕРИСТИК............................24
- Определение рабочего режима гидроцилиндра.................................28
- Эксплуатация и техника безопасности..........................................…...31
ВЫВОДЫ.........................................……...........................................…...32
ПЕРЕЧЕНЬ ССЫЛОК..................................…….............................…...34
ПРИЛОЖЕНИЕ А.........................................…...............................…...35
ПРИЛОЖЕНИЕ Б.........................................…...............................…....37
ВВЕДЕНИЕ
Гидропривод совокупность устройств, предназначенных для приведения в движение механизмов и машин посредством рабочей жидкости под давлением. В качестве рабочей жидкости в станочных гидроприводах используется минеральное масло.
Применение гидроприводов в станкостроении позволяет упростить кинематику станков, снизить их металлоемкость, повысить точность, надежность и уровень автоматизации.
Широкое использование гидроприводов в станкостроении определяется рядом их преимуществ, прежде всего, возможность получения больших усилий и мощностей при ограниченных размерах гидродвигателей. Гидроприводы обеспечивают широкий диапазон бесступенчатого регулирования скорости, возможность работы в динамических режимах с требуемым качеством переходных процессов, защиту системы от перегрузки и точный контроль от действующих усилий. С помощью гидроцилиндров удается получить прямолинейное движение без кинематических преобразований, а также обеспечить определенное соотношение скоростей прямого и обратного ходов.
К основным преимуществам гидропривода следует также отнести достаточно высокий КПД, жесткость и долговечность.
Гидроприводы имеют и недостатки, которые ограничивают их использование в станкостроении. Это потери на трение и утечки, снижающие КПД гидропривода и вызывающие повышение температуры рабочей жидкости. Недостатком наружных утечек, является то, что они приводят к повышенному расходу рабочей жидкости, загрязнению гидросистемы и рабочего места. А в связи с наличием внутренних утечек затруднена точная координация движений гидродвигателей.
1. ОБОСНОВАНИЕ ГИДРВАЛИЧЕСКОЙ СХЕМЫ
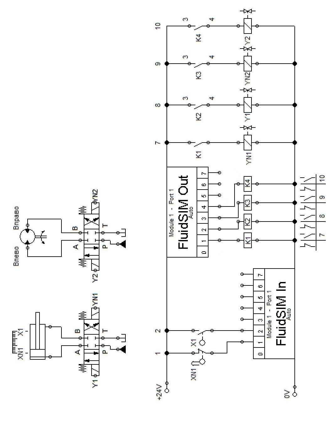
Гидропривод плоскошлифовального станка с прямоугольным столом модели ЗД722 показан на схеме 1. Основные узлы гидравлической схемы: насос, гидроцилиндры, распределители, обратный клапан, клапан усилия зажима, гидроклапан давления и фильтры.
Предварительно принимаем регулируемый пластинчатый насос Г12-5. Гидроцилиндры предназначены для преобразования энергии потока рабочей жидкости в поступательное движения выходного звена. Гидрораспределители применяются для изменения направления или пуска и остановки рабочей жидкости в двух или более линиях в зависимости от наличия внешнего управляющего воздействия. Они позволяют реверсировать движение рабочих органов, останавливать, а также выполнять другие операции в соответствии с гидросхемой распределителя.
Обратный клапан служит для протекания рабочей жидкости в одном направлении, а при движении жидкости в обратном направлении герметично запирают поток. Гидроклапаны давления применяются для достижения заданного значения давления в гидролиниях. Клапан усилия зажима предназначен для поддержания в зажимных устройствах станков постоянного давления, сниженного по сравнению с давлением в гидросистеме. Очистка жидкости осуществляется применением напорного и сливного фильтров.
Движение рабочей жидкости в напорную гидролинию осуществляется через напорный фильтр и обратный клапан. Далее через четырехлинейный трехпозиционный распределитель жидкость поступает в одну из полостей гидроцилиндра с двухсторонним штоком, что обуславливает продольное перемещение стола.
Реверс движения стола обеспечивается путем переключения по команде от электрических датчиков положения, установленных на столе, при этом поток в линиях управления движение стола реверсируется, после переключения распределителя. По аналогии производится поперечное перемещение стола.
Зажим и разжим заготовки обеспечивается подачей жидкости через двухпозиционный четырехлинейный распределитель в гидроцилиндр зажимного устройства, который представляет собой рычажную систему закрепленную на столе станка. Прижатие заготовки к столу осуществляется перемещением одного из рычагов штоком цилиндра при подаче жидкости через клапан усилия зажима в бесштоковую полость. Разгрузка насоса осуществляется путем переключения двухлинейного двухпозиционного распределителя, при этом рабочая жидкость не поступает в линии управления. Слив жидкости происходит через подпорный клапан и сливной фильтр в бак. Безопасность работы насоса обеспечивается с помощью установки переливного клапана.
2. ВЫБОР ГИДРОДВИГАТЕЛЕЙ
2.1. Оценка мощности гидропривода
Nд.в. = Рд vд = 3000 0,3 = 1500 Вт = 1,5 кВт
2.2. Выбор стандартного давления
Принимаем рекомендуемое стандартное давление Р = 4 МПа
2.3. Выбор гидроцилиндра с двусторонним штоком для продольного перемещения стола
По заданной скорости и усилию перемещения выбираем гидроцилиндр с двухсторонним штоком и автономным задатчиком перемещения стола по координате Х.
Гидроцилиндр для продольного перемещения стола должен обеспечивать высокую скорость перемещения при относительно малых усилиях.
Расчетный диаметр поршня гидроцилиндра с двусторонним штоком определяется по уравнению:

где = 0.8 Р = 0.8 4=3,2 - ориентировочное значение перепада давления
- соответственно механический и гидравлический КПД гидроцилиндра
d диаметр штока, отсюда:
, т.к. d = 0,5D
Тогда
А давление ГЦ при рабочем ходе
Расчет параметров ГЦ:


d=0.5D1=56 0.5= 28мм
По значению D1 принимаем гидроцилиндр с двусторонним штоком и стандартным диаметром поршня D = 56мм и штока d = 28мм.
Длина хода поршня гидроцилиндра должна быть не менее:

где tз заданное время перехода в цикле
Принимаем S=500мм
Давление гидроцилиндра при рабочем ходе

Расход гидроцилиндра при заданной скорости

2.4. Выбор гидроцилиндра с односторонним штоком для поперечного перемещения стола

=0.2 3=0.6

d=0.5D2=40 0.5= 20мм.


2.5. Выбор гидроцилиндра для зажимного устройства
Принимаем гидроцилиндр с односторонним штоком.
Для получения требуемого усилия прижатия шток гидроцилиндра должен совершить ход l = 70мм.

Расход гидроцилиндра для зажима:

Расход гидроцилиндра для разжима детали:

3. ВЫБОР НАСОСНОЙ УСТАНОВКИ
3.1. Циклограмма расходов
|
Переход цикла |
Время перехода, с |
Расход, л/мин |
Давление, МПа |
|
|
№ п/п |
Наименование |
|||
|
1 |
Зажим |
1,5 |
4,1 |
2,57 |
|
2 |
БП - у |
2 |
4,6 |
0,7 |
|
3 |
РП - х |
1,6 |
34 |
2,9 |
|
4 |
БП - у |
0,5 |
4,6 |
0,7 |
|
5 |
БО - у |
2 |
4,6 |
0,7 |
|
6 |
Разжим |
1 |
4,6 |
2,57 |
|
7 |
Смена детали |
40 |
Расчет расходов и давлений
Таблица 1

Рисунок 1. Циклограмма расхода
3.2. Выбор насоса
По максимальному расходу и давлению при рабочей подаче инструмента с учетом ранее подсчитанной мощности выбираем регулируемый пластинчатый насос ДГ12-54АМ со следующими параметрами
Таблица 2
|
Рабочий объем, см3 |
45 |
|
Номинальная подача (Q л/мин) |
58 |
|
Давление на выходе из насоса, МПа: номинальное (рном) предельное |
6,3 7 |
|
Мощность, кВт : номинальная при рном и Q = 0 |
8,1 1,2 |
|
КПД при номинальном режиме работы, не менее: объемный полный |
0,86 0,74 |
|
Частота вращения, мин-1: номинальная и максимальная минимальная |
1500 960 |
3.3. Выбор насосной установки
Схема, описание и принцип работы ДГ12-54АМ
Рабочий комплект насоса (рис. 2.3, а), состоящий из ротора 1 с пластинами 3, статора 4, наружного кольца 5, переднего 18 и заднего 15 распределительных дисков, установлен в соединенных между собой винтами в корпусе 14 и крышке 19 и скреплен винтами 7. Шейки ротора опираются на подшипники скольжения, выполненные в распределительных дисках. Ротор шлицами связан с приводным валом 22, опирающимся на шарикоподшипники 20 и 29. В переднем диске выполнены пазы 24 и 17 для всасывания и нагнетания масла, а также пазы 16 и 25 для соединения обращенных к центру ротора торцовых поверхностей пластин с напорной (на участке нагнетания) или всасывающей (на участке всасывания) линиями. Задний диск имеет связанную с напорной линией кольцевую камеру 26, ограниченную шайбой 28 и кольцами 27.
При вращении ротора рабочий комплект сжимается давлением масла в камере 26, а пластины под действием центробежной силы и давления масла (на участке нагнетания) прижимаются к расположенной эксцентрично внутренней поверхности статора, причем объемы рабочих камер, ограниченных двумя соседними пластинами, ротором, статором и распределительными дисками, изменяются: увеличиваются при движении камеры ниже оси 1 и уменьшаются в процессе ее движения выше этой оси. Пазы 24 и 17 выполнены таким образом, что при увеличении объемов камер последние постоянно связаны с всасывающей линией, а при уменьшении с напорной.

Рисунок 2.
Характеристики пластинчатых регулируемых насосов типа Г12-5М: а, 6, в - статические; г - осциллограмма переходного процесса
Давление масла в зоне нагнетания создает усилие, действующее на ротор сверху вниз (воспринимается подшипниками скольжения) и на статор снизу вверх (воспринимается опорой 6). Благодаря тому, что пазы 24 и 17 выполнены несимметрично относительно оси 1-1 (повернуты на некоторый угол в направлении вращения), усилие, действующее на статор, отклоняется от вертикали, т. е. появляется некоторая составляющая R этого усилия, стремящаяся сдвинуть статор, опирающийся на неподвижную 30 и подвижную 6 опоры, вправо, преодолевая усилие пружины 10 регулятора давления. Последний содержит также корпус 8, толкатель 9, подпятник 11, регулировочный винт 12 и гайку 13. Наибольший эксцентриситет ограничивается упором 2. Наружные утечки исключаются манжетой 21, утечки из корпуса отводятся через дренажное отверстие 23.
Характеристики насосов приведены на рис. 2.4. При увеличении давления р(а) подача насоса Q медленно снижается в связи с ростом внутренних утечек (Qном. - номинальная подача). Когда давление достигает величины p1, усилие R преодолевает сопротивление пружины, и при дальнейшем росте давления подача Q резко уменьшается практически до нуля, т. е. до величины утечек в гидросистеме при давлении p2. Изменение статических характеристик может быть обеспечено заменой пружин (б) или регулировкой упора ограничения эксцентриситета (в).

Рисунок 3. Конструктивная схема регулируемого насоса ДГ12-54АМ.
4. ВЫБОР РАБОЧЕЙ ЖИДКОСТИ
Рабочим жидкостям станочных гидроприводов должны быть присущи хорошие смазочные и антикоррозионные свойства, малое изменение вязкости в широком диапазоне температур, большой модуль упругости, химическая стабильность, сопротивляемость вспениванию, совместимость с материалами гидросистемы, малая плотность, малая способность к растворению воздуха, хорошая теплопроводность, низкое давление их паров и высокая температура кипения, возможно меньший коэффициент теплового расширения, негигроскопичность и незначительная взаимная растворимость с водой, большая удельная теплоёмкость, нетоксичность и отсутствие резкого запаха, прозрачность и наличие соответствующей окраски. Жидкость должна иметь также низкую стоимость и производиться в достаточном количестве. Наиболее подходящей жидкостью является минеральное масло. По рекомендациям справочной литературы принимаем в качестве рабочей жидкости минеральное масло И - 20А (ГОСТ 20799-75), которое изготовлено из нефти и достаточной селективной очистке, содержит антиокислительную, противоизносную и противопенную присадки и имеет следующие характеристики:
- вязкость, =20 мм2/c;
- плотность, =900 кг/м3.
Для очистки масла применяем фильтры, которые в процессе эксплуатации гидропривода обеспечивают необходимую чистоту масла, работая в режимах полнопоточной или пропорциональной фильтрации во всасывающей, напорной или сливной линиях гидросистемы. На всасывающей линии очистку производит всасывающий фильтр, работающий в режиме полнопоточной фильтрации, предотвращая попадание в насос сравнительно крупных частиц, а в остальные элементы гидросистемы более мелких частиц. Напорные фильтры обеспечивают полнопоточную фильтрацию в случае их установки перед предохранительным клапаном. Их применение целесообразно также для защиты высокочувствительных к засорению элементов гидросистемы. Сливные фильтры позволяют обеспечить тонкую фильтрацию рабочей жидкости; они достаточно компактны. Хорошее качество фильтрации может быть достигнуто при сочетании приемного (80 мкм) и сливного (25 мкм) фильтров.
5. ВЫБОР ГИДРОАППАРАТУРЫ И ВСПОМАГАТЕЛЬНЫХ УСТРОЙСТВ
Таблица 3
|
№позиции |
Тип |
Наименование |
Коли - чество |
Примечание |
|
1. |
В16 |
Распределитель |
3 |
100 л/мин, 20 МПа, Р=0,3 МПа, |
|
2. |
ДР-20 |
Дроссель |
1 |
63 л/мин, 32 МПа, Р=0,2 МПа. |
|
3. |
ПГ57-72 |
Клапан усилия зажима |
1 |
20 л/мин, 6,3 МПа, Риз=5,5 МПа, |
|
4. |
Г51-33 |
Обратный клапан |
1 |
63 л/мин, 20 МПа, Р=0,3 МПа, Q=0,087 л/мин. |
|
5. |
ОСТ2 С41-2-80 |
Приемный фильтр |
1 |
125 л/мин, 32 МПа, Р=0,007 МПа. |
5.1. Описание разработанной гидравлической схемы
При подаче рабочей жидкости от насоса Н через обратный клапан ОК в распределитель РС с включенной позицией 1 обеспечивается продольная подача стола. После окончания продольной подачи жидкость переместив поршень гидроцилиндра ЦС в крайнее правое положение возвращается через распределитель РС обратно. Скорость регулируется дросселем ДР на выходе. Цикл завершен.
Во всасывающей линии установлен фильтр тонкой очистки, обеспечивающий требуемую степень очистки рабочей жидкости от механических загрязнений после прохождения гидросистемы манипулятора.
В линии нагнетания после насоса установлен предохранительный клапан, настроенный на предельное давление и предохраняющий гидросистему от перегрузок и сливающий излишки рабочей жидкости в бак.
Для настройки гидроаппаратуры на заданное давление, в систему включён манометр, который благодаря соответствующему переходнику позволяет настраивать аппараты в требуемых точках гидросистемы.
6. РАСЧЕТ ТРУБ ГИДРОЛИНИЙ И ПОТЕРЬ ДАВЛЕНИЯ
При выборе конструктивных параметров трубопровода учитывается, что с увеличением внутреннего диаметра трубы при одном и том же расходе уменьшаются потери давления, однако увеличиваются размеры и вес трубопроводов. Внутренний диаметр трубопровода для различных по назначению участков гидролиний определяется по максимальным расходам, проходящим по ним, и средним скоростям потоков рабочей жидкости в трубопроводах. В зависимости от рабочего давления и вида трубопровода средняя скорость потока не должна превышать во всасывающих линиях 1,0…1,5 м/с, в сливных 2 м/с и в напорных 3…5 м/с.
6.1. Расчетный диаметр труб
Внутренний диаметр трубопроводов для линий напора определяем по формулам:

где - расчетный диаметр трубы
максимальные расходы жидкости в линиях нагнетания, л/мин.;
оптимальная скорость потока рабочей жидкости

Подставив в формулу соответствующие значения, получим:

6.2. Расчет толщины стенки трубопровода
Необходимая расчетная толщина стенки
р = 1 + 2
где 1 необходимая толщина обеспечивающая прочность, мм;
где 2 необходимая толщина обеспечивающая долговечность, мм;
Согласно ГОСТ 3845-75

где Рр = 1.25 Pmax = 1.25 2.9 = 3.625 - наибольшее давление в трубопроводе, МПа;
предел прочности на растяжение материала трубопровода, МПа;
2 = 1мм полагая, что скорость коррозии равна 0.2 мм/год, а срок службы установки 5лет.
р = 0.22 + 1 = 1.22 мм.
По ГОСТ 8734-78 окончательно выбираем = 3 мм, наружный диаметр dн = 25 мм, внутренний d = 25 6 = 19мм.
6.3. Потери давления в гидролиниях по длине
Скорость жидкости в гидролинии

Число Рейнольдса
- режим движения ж-ти ламинарный
= 20 вязкость рабочей ж-ти, мм2/c;
Коэффициент Дарси

Потери давления по длине в участках гидролиний

= 900 плотность рабочей ж-ти, кг/м3.


6.4. Потери давления в местных сопротивлениях
.
Для гидроаппаратов потери вычисляем исходя из условия автомодельности режима движения ж-ти:

- .
- .
- .
6.5. Полные потери давления

.
7. РАБОЧИЙ РЕЖИМ НАСОСА
Рабочий режим определяем графически точками пересечения характеристик насоса Рн = f(Q) и гидросети Рс = f(Q). Характеристику насоса строим по двум точкам с координатами ( Qн.т., 0) и ( Qн.ном., Рн.ном.), где Qн.т. теоретическая подача насоса; Qн.ном. и Рн.ном. номинальные значения подачи и давления насоса.
При рабочей скорости инструмента характеристику сети строим по уравнению:

где ас суммарное сопротивление гидросети с дросселем.
Для построения характеристики сети составим табличное значение.

|
Q , л/мин |
0 |
10 |
20 |
30 |
40 |
50 |
60 |
70 |
|
РС, Па |
2.9 106 |
2.917 106 |
2.968 106 |
3.053 106 |
3.172 106 |
3.325 106 |
3.504 106 |
3.72 106 |
Рисунок 4. Рабочий режим насоса
Точка А определяет рабочий режим насоса (РА=3,55 МПа, QА=62,121 л/мин), при рабочей подаче по Х. Подача насоса больше чем расход гидроцилиндра (Qн.теор. QА), их разность определяет количество жидкости которое сбрасывается в бак. При увеличении сопротивления дросселя, происходит смещение рабочего режима в сторону уменьшения подачи, тем самым подача насоса уменьшается.
8. ПОСТРОЕНИЕ ЛИНИИ МАНОМЕТРИЧЕСКОГО ДАВЛЕНИЯ
Строим линию манометрического давления в гидроприводе при РП-Х. Как видно из циклограммы (рисунок 1), в это время работает только гидроцилиндр с двухсторонним штоком для продольного перемещения стола по оси Х..Остальные потребители не работают.
Рисунок 5. Линия манометрического давления
9. СИЛА ДАВЛЕНИЯ НА КОЛЕНО ТРУБЫ
Равнодействующая сил давления на угольник трубы с поворотом 900 в месте наибольшего сопротивления:
;
где Rx и Rz - составляющие сил давления:

Тогда:

10. МОЩНОСТЬ НАСОСА
Мощность насоса определим по уравнению:

где П - полный КПД насоса.

Общий КПД гидропривода в расчетном режиме:

11. РАСЧЕТ ДИНАМИЧЕСКИХ ХАРАКТЕРИСТИК
Расчет скорости для привода с цилиндром, имеющим равные площади поршня, без учета нагрузки и сил трения.

Рисунок 6. Схема гидропривода продольного перемещения стола
D=56 мм, d=28 мм.
Расчет эффективной площади:

Расчет максимальной скорости поршня.
Путем замеров при выдвижении штока были получены такие данные:
- максимальное значение сигнала управления = 10В
- сигнал управления = 4В.
.




Расчет равномерного движения поршня под нагрузкой.
;







Движение поршня под нагрузкой с ускорением.

S=500 мм,




Время разгона до расчетной скорости под нагрузкой

Путь, пройденный во время разгона:

Расчет минимального времени разгона и торможения
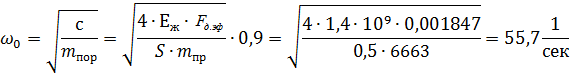
Для предотвращения возникновения колебаний системы в моменты разгона и торможения, время разгона и торможения выбираются так, чтобы они не были слишком малыми.


с жесткость объёма жидкости в цилиндре
модуль упругости жидкости
S ход цилиндра, мм
Минимальное время разгона и торможения


Путь разгона
м.
12. ОПРЕДЕЛЕНИЕ РАБОЧЕГО РЕЖИМА ГИДРОЦИЛИНДРА
;


















Таблица 5.
|
vД, мм/с |
0 |
100 |
200 |
250 |
300 |
350 |
|
PД, МПа |
|
|
|
|
|
|















Таблица 6
|
vД, мм/с |
0 |
100 |
200 |
250 |
300 |
350 |
|
Pнагр., МПа |
2 |
2,33 |
3,32 |
4,06 |
|
6,04 |

Рисунок 7. Рабочий режим гидроцилиндра
где PД рабочее давление в гидроцилиндре
Pнагр. давление нагрузки в гидросети
Точка пересечения линии нагрузки с линией рабочего давления определяет рабочий режим гидроцилиндра (PДХ =5 МПа, VДХ = 300 м/с), при рабочей подаче по Х.
13. ЭКСПЛУАТАЦИЯ И ТЕХНИКА БЕЗОПАСНОСТИ
Надежность гидропривода значительно повышается при правильной организации его технического обслуживания. Исключительное значение имеет профилактика неисправностей.
Поскольку стоимость узлов гидропривода сравнительно невелика, производить их трудоемкий ремонт обычно нецелесообразно, проще заменить узел новым, однако замена быстро-изнашиваемых элементов широко применяется при эксплуатации.
Часто поломки гидропривода происходят при его первом пуске в эксплуатацию, поэтому необходимо соблюдать следующий строго определенный порядок пуска:
- Заполнить бак маслом. Заливаемое масло должно соответствовать указанному в руководстве, а его качество должно предварительно контролироваться.
- Ослабить регулировочный винт предохранительного клапана.
- Проверить положение рабочих органов и распределителей. Поставить распределители в положение, обеспечивающее поджим рабочих органов к упору. Поскольку при первом пуске возможны любые случайные движения, рекомендуется установить дополнительные упоры, тщательно наблюдать за движением рабочего органа, предварительно установив их в неопасной зоне.
- После заливки корпуса насоса рабочей жидкостью и ручной проверки легкости вращения толчком, запускается приводной электродвигатель и проверяется правильность направления его вращения.
- Проверить наличие давления при включении насосной установки.
- Устранить наружные утечки.
- Начать работу на низком давлении.
- Выпустить воздух из верхних частей трубопроводов и гидродвигателей.
- Проверить уровень масла в баке.
- Установить нормальное рабочее давление в гидросистеме с помощью предохранительного клапана или регулятора насоса.
- Переключая распределители, проверить полный ход всех рабочих органов.
- Убедиться, что на поверхности масла в баке нет пены.
- Произвести регулировку аппаратов на заданные режимы работы.
- Подключить схему электро - автоматики.
- Проверить расход масла через дренажную линию.
- Тщательно устранить наружные утечки.
При работе гидрофицированного оборудования с исправной системой фильтрации в гидроприводе устанавливается определенный баланс загрязнений. Каждая заливка жидкости приводит к внесению дополнительных загрязнений, поэтому частота гидросистемы взаимосвязана с ее герметичностью. Периодический анализ загрязняющих частиц является хорошим диагностическим параметром состояния гидропривода.
Для защиты гидроприводов от перегрузок и контроля давления в напорных линиях должны быть установлены предохранительные клапаны и манометры. В линиях, ведущих к манометрам, запрещается производить отбор рабочей жидкости.
Конструкция гидроприводов должна исключать представляющие опасность для обслуживающего персонала перемещения выходных звеньев гидродвигателей в любые моменты цикла работы. Гидросистемы должны иметь блокировки, исключающие возможность ошибочного включения несовместных движений рабочих органов. Если снижение давления в системе может создать опасность для работающих или аварию машины, должна быть предусмотрена блокировка, останавливающая машину при снижении давления ниже значения, установленного в стандартах или технических условиях.
В станках с механизированным или автоматизированным закреплением заготовки должны быть предусмотрены блокировки, разрешающие включение цикла обработки только после окончания зажима детали.
Механизированные устройства для закрепления заготовок и инструмента должны надежно удерживать заготовки и инструмент даже в случаях неожиданного падения давления масла в гидроприводе.
ВЫВОДЫ
В данной курсовой работе была спроектирована гидравлическая схема плоскошлифовального станка для автоматического управления гидроцилиндрами продольного и прерывистого (через один продольный ход) поперечного перемещений стола и описан принцип её работы.
Мною был получен насос с такими техническими параметрами: рабочая подача насоса 34 л/мин., рабочее давление 2,9 МПа, мощность на валу кВт. Общий КПД 0,3.
Я рассчитал основные размеры гидроцилиндров с двухсторонним штоком для продольного перемещения стола, с односторонним штоком для поперечного перемещения стола и гидроцилиндра с односторонним штоком для зажимного устройства.
ПЕРЕЧЕНЬ ССЫЛОК
- Методические указания к курсовой работе по гидравлике, гидропневмоприводу и гидропневмоавтоматике станочного оборудования.
- Свешников В.К., Усов А.А. Станочные гидроприводы: Справочник. М.: Машиностроение, 1988. - 512 с.
- Башта Т.М. Объёмные насосы и гидравлические двигатели гидросистем. М.: Машиностроение, 1974. 605 с.
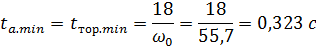
ПРИЛОЖЕНИЕ А

STEP 1
IF NOP
THEN
SET yn1
RESET yn2
SET tt1
WITH 5s
SET xt4
RESET y1
RESET y2
JMP TO 2
STEP 2
IF xn1
AND xt4
THEN
SET y1
RESET yn1
RESET yn2
RESET y2
RESET xt4
SET tt1
WITH 3s
SET xt3
JMP TO 3
STEP 3
IF x1
AND xt3
AND N tt1
THEN SET y2
SET y1
SET tt2
WITH 5s
SET xt4
RESET yn2
RESET xt3
JMP TO 5
STEP 5
IF x1
AND xt4
AND N tt2
THEN RESET yn2
RESET y2
SET tt2
WITH 3s
SET xt4
SET y1
RESET yn1
JMP TO 6
STEP 6
IF x1
AND xt4
AND N tt2
THEN SET y1
RESET yn1
SET yn2
RESET y2
SET tt2
WITH 5s
SET xt4
JMP TO 7
STEP 7
IF x1
AND xt4
AND N tt2
THEN RESET yn2
RESET y2
SET tt2
WITH 3s
SET xt4
SET yn1
RESET y1
JMP TO 2
ПРИЛОЖЕНИЕ Б 
ПРОЕКТИРОВАНИЕ ГИДРОПРИВОДА ПЛОСКОШЛИФОВАЛЬНОГО СТАНКА С ЧПУ






