Проектирование цифровых систем передачи
ФЕДЕРАЛЬНОЕ АГЕНТСТВО ПО ОБРАЗОВАНИЮ
РЯЗАНСКИЙ ГОСУДАРСТВЕННЫЙ РАДИОТЕХНИЧЕСКИЙ УНИВЕРСИТЕТ
Кафедра РУС
Пояснительная записка к курсовой работе
на тему: «Проектирование цифровых систем передачи»
по дисциплине «Многоканальные телекоммуникационные системы»
Выполнил:ст.гр.118
Коньков Д.И.
Проверил:
Казаков Ю. К.
Рязань, 2015 г.
Содержание.
Введение 3
1. Эскизное проектирование ЦСП 5
1.1 Исходные данные при проектировании ЦСП 5
1.2. Выбор трассы магистрали 5
1.3. Выбор аппаратуры уплотнения 6
1.4. Нормирование параметров качества на участках сети ЦСП 14
2. Оценка параметров дискретизации, квантования и кодирования 16
2.1. Выбор частоты дискретизации в ЦСП с ВД-ИКМ 16
3. Определение параметров линейного тракта 19
3.1 Выбор типа кода ЛЦС для ЦСП на оптическом кабеле……….……20
3.2. Расчет длины регенерационного участка ЦСП 22
3.2.1. Расчет длины регенерационного участка по затуханию 22
3.2.2. Расчет длины регенерационного участка по дисперсии 23
3.3. Оценка требуемой помехозащищенности регенератора 24
3.4 Сравнительный анализ ОР и ОУ…………………………………......26
4. Формирование структуры цикла передачи 36
4.1. Выбор метода согласования скоростей 36
4.2. Формирование временной структуры группового сигнала и
оценка сетки частот генераторного оборудования 37
4.2.1. Формирование структуры цикла передачи для систем
передачи низшего порядка (первичная, субпервичная) ……......37
4.2.2. Формирование структуры цикла передачи для систем
передачи высших порядков (вторичная, третичная…) ………...39
4.3. Оценка параметров системы цикловой синхронизации 40
5. Оценка эффективности и надёжности проектируемой ЦСП 43
5.1. Оценка эффективности проектируемой ЦСП 43
5.2. Оценка надёжности проектируемой ЦСП 44
Список литературы 46
Введение
В настоящее время во всём мире, в том числе и в РФ, возросли требования к сетям связи как с точки зрения обеспечения высоких показателей надёжности связи, так и расширения предоставляемых услуг абонентам. Удовлетворение потребностей в средствах связи, развитие и модернизация сетей электросвязи могут быть реализованы на базе новых технологий, таких как оптические линии связи, цифровые системы коммутации и цифровые системы передачи.
Интенсивное развитие цифровых систем передачи (ЦСП) объясняется существенными их преимуществами по сравнению с аналоговыми системами передачи (АСП). Основными преимуществами ЦСП перед АСП является следующее:
1) более высокая помехоустойчивость;
2) независимость качества передачи от длины линии;
3) стабильность параметров канала ЦСП;
4) эффективность использования пропускной способности каналов для
передачи дискретных сигналов;
5) более простая математическая обработка сигналов;
6) Возможность построения цифровой сети связи;
7) высокие технико-экономические показатели.
Основным недостатком ЦСП, работающих на электрическом кабеле, является необходимость использования для передачи одинакового объёма информации значительно более широкого, чем в аналоговых системах, спектра частот в линии, из-за чего промежуточные регенерационные станции приходится размещать более часто, чем усилительные пункты в аналоговых системах. Однако при использовании ЦСП для работы на оптическом кабеле (ОК), благодаря широкой полосе пропускания и малому затуханию оптического волокна, это обстоятельство оказывается, несущественным и расстояние между регенераторами на ОК во много раз превышает длину усилительного участка АСП.
Достоинства ЦСП в наибольшей степени проявляется в условиях цифровой сети связи. Такая сеть содержит только цифровые тракты, которые соединяются на сетевых узлах и заканчиваются цифровыми системами коммутации и цифровыми абонентскими установками.
В настоящее время в нашей стране идёт интенсивный процесс цифровизации связи, то есть переход с традиционных аналоговых систем передачи на цифровые.
1. Эскизное проектирование ЦСП
1.1. Исходные данные при проектировании
Исходными данными при проектировании ЦСП являются:
- информационная емкость, определяемая числом каналов ТЧ: N = 1300;
- оконечные пункты магистрали, определяющие длину трассы:
Москва-Владимир.
- режим работы ЦСП.
1.2. Выбор трассы магистрали
Трасса линии передачи прокладывается так, чтобы при обеспечении связью всех пунктов затраты на сооружение и эксплуатацию магистрали были минимальными.
Трасса магистрали выбирается, как правило, вдоль шоссейных и железных дорог, чтобы обеспечить удобное эксплуатационное обслуживание линейных сооружений связи, проходит через населенные пункты, в которых можно разместить обслуживаемые усилительные пункты (ОУП).
При сравнении вариантов трасс учитываются следующие факторы: протяженность трассы, необходимое количество каналов между различными пунктами, рельеф местности, энерговооруженность промежуточных пунктов и т. п.
Электрическая длина кабеля равна 101% от длины трассы. В дальнейших расчетах под длиной трассы подразумевают электрическую длину кабеля.

Рис. 1. Ситуационная схема трассы Москва - Владимир
1.3. Выбор аппаратуры уплотнения и построение схемы организации связи
В соответствии с выбранной трассой осуществляются выбор аппаратуры уплотнения и построение схемы организации связи. При этом необходимо знать назначение проектируемой системы, требуемую дальность связи и количество каналов между оконечными и промежуточными пунктами.
Составим схему условного размещения пунктов связи (рисунок 2) с указанием необходимого количества каналов между оконечными и промежуточными пунктами, исходя из задания на проектирование.
Рис. 2. Схема условного размещения пунктов связи
Расстояние между Москвой и Коломной составляет , а электрическая длина кабеля при этом .
В качестве вариантов рассматриваются стандартные ЦСП. Выбор наилучшего варианта обусловлен совокупностью технических и экономических показателей системы передачи.
Наиболее эффективным вариантом построения ЦСП на заданное число каналов N при заданной длине магистрали является вариант определенный по минимальной сумме приведенных затрат .
В качестве вариантов аппаратуры уплотнения будем рассматривать системы передачи:
1вариант: ИКМ-1920;
2 вариант: ИКМ-480.
Рассчитаем экономическую эффективность этих вариантов.
Значения показателей для КОО оконечных станций для всех вариантов могут быть приняты как:


- нормированный коэффициент эффективности
ИКМ-1920 (1 вариант)
Удельные затраты по каналообразующему оборудованию(КОО):

Годовые эксплуатационные расходы на КОО:

Удельные затраты по оборудованию линейно-аппаратного цеха (ЛАЦ):

Годовые эксплуатационные расходы на ЛАЦ:

Удельные затраты по линейному тракту:

Годовые эксплуатационные расходы по линейному тракту:

Удельные капитальные затраты на один телефонный канал:

Годовые эксплуатационные расходы на один телефонный канал:

Наименьшая сумма приведенных затрат:

ИКМ-480 (2 вариант)
Удельные затраты по каналообразующему оборудованию(КОО):

Годовые эксплуатационные расходы на КОО:

Удельные затраты по оборудованию линейно-аппаратного цеха (ЛАЦ):

Годовые эксплуатационные расходы на ЛАЦ:

Удельные затраты по линейному тракту:

Годовые эксплуатационные расходы по линейному тракту:

Удельные капитальные затраты на один телефонный канал:

Годовые эксплуатационные расходы на один телефонный канал:

Наименьшая сумма приведенных затрат:

Сводная таблица расчета:
|
Номер варианта |
Кiкоо |
Ciкоо |
Kiлац |
Ciлац |
KiL |
CiL |
Kimin |
|
1 вар. (ИКМ-1920) |
117 |
53 |
120 |
36 |
18 |
0.6 |
971.79 |
|
2 вар. (ИКМ-480) |
117 |
53 |
152 |
70 |
8 |
0.7 |
742.43 |
По результатам расчетов мы видим что использование системы ИКМ-1920 будет обходиться дороже системы ИКМ-480, но нельзя забывать о том, что по численности населения на 1 января 2014 года, Владимир находится на 52 месте из 1100 городов Российской Федерации и с каждым годом население города увеличивается. Так же Владимир является крупным промышленным центром Центральной России. Поэтому в будущем городу могут потребоваться дополнительные каналы связи. Ещё одной причиной выбора ИКМ-1920 может являться то, что для обеспечения связи по заданным каналам нам потребуется 3 стойки аппаратуры уплотнения ИКМ-480, а следовательно в 3 раза больше кабеля в отличие от одной стойки ИКМ-1920.
Таким образом, видно, что наиболее целесообразным следует считать 1-ый вариант, т. е. построение ЦСП на основе системы связи ИКМ-1920.
Рассмотрев два варианта выбора аппаратуры уплотнения, я выбираю оптическую систему «Сопка-4М».
При проектировании цифровой системы передачи между Москвой и Владимиром нельзя не обратить внимания на населенные пункты находящиеся на пути прокладки кабеля. Исходя из этого в данной курсовой работе мною было принято решение о предоставлении каналов связи данным населенным пунктам.
Из-за частого ввода-вывода цифрового потока в плезиохронной цифровой иерархии мы рискуем качеством принимаемой информации в городах первостепенной важности. Для решения данных проблем было предложено параллельно с аппаратурой «Сопка 4М» установить ИКМ-120
Характеристики ЦСП «Сопка-4М»:
|
Число каналов N |
1920 |
|
Частота дискретизацииFД, кГц |
14256 |
|
Цикловая частота FЦ, кГц |
64 |
|
Число разрядов кода, m |
8 |
|
Защищённость от шумов квантования Aз, дБ |
61 |
|
Максимальная частота согласования скоростей Fс, Гц |
870 |
|
Среднее время восстановления синхронизма tв, мс |
0.15 |
|
Скорость передачи в линейной тракте V, кбит/с |
167117 |
|
Тип линейного кода |
10B1P1R |
|
Предельная длина однородного линейного тракта, км |
830 |
|
Длина регенерационного участка Lру, км |
70 |
|
Тип электрического кабеля |
ОКЛ-01-0.3 |
|
Рабочая длина волны , мкм |
1.55 |
|
Энергетический потенциал системы Э, дБ |
38 |
|
Энергетический запас системы З, дБ |
4 |
|
Число уровней квантования |
256 |
|
Максимальное число НРП на участке между двумя соседними ОП |
12 |
Комплекс линии передачи «Сопка-4М»

Рис. 3. Структурная схема ВОСП «Сопка -4, -4М»
УССЛК- устройство стыковки станционного и линейного кабеля
СОЛТ-4М-стойка оборудования линейного тракта
ТМ-устройства телемеханики
УСС-устройство служебной связи
РЛ-линейный регенератор
ОП-оборудование оконечных пунктов
ОРП-обслуживаемый регенерационный пункт
НРП-необслуживаемый регенерационный пункт
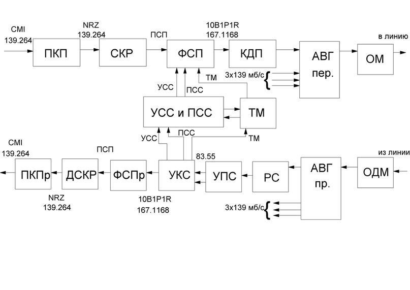
Принцип работы оборудования линейного тракта:
Структурная схема ВОСП-1920 представлена на рис.3. Сигнал со скоростью 139,264 Мбит/с в коде стыка СМ-1 поступает в тракт передачи стойки СОЛТ-4-0, где происходит его преобразование сигнала в код NRZ без изменения скорости. На эту стойку так же подается дополнительный цифровой поток. Далее сигналы поступают в формирователь сигнала (ФСП), где осуществляется формирование оптического сигнала в коде 10B1P1R с увеличением скорости сигнала до 167,1168 Мбит/с, тем самым образуются дополнительные места для ввода сигналов ПСС и УСС. С выхода ФСП оптический информационный сигнал и сигнал СС объединяется с сигналом ТМ, поступающим с фазового модулятора. Объединенный оптический сигнал через оптический разъем УССЛК (устройство стыковки станционного и линейного кабеля) поступает в оптический линейный кабель (ОК).
Входной оптический сигнал из OK поступает в НРП на блок регенератора линейного (БРЛ), где детектируется - преобразуется в электрический и усиливается. Далее в информационном сигнале восстанавливаются амплитудно-временные характеристики с разделением его на два информационных сигнала, один из которых несет информацию о четных символах исходного сигнала, другой о нечетных, для осуществления поиска синхро-группы в информационном сигнале, для восстановления и удержания состояния синхронизма.
Выделенные сигналы СС и ТМ поступают в блок телемеханики и СС (БТМСС), а также при необходимости выделяется дополнительный цифровой поток с R=2,048 Мбит/с.
Восстановленный информационный сигнал объединяется с сервисными сигналами, преобразуется в оптический сигнал с помощью лазерного диода и через оптический разъем подается в линейный ОК.
В тракте приема ОП линейный оптический сигнал из OK поступает на плату приема, где осуществляется преобразование его в электрический. Преобразованный сигнал регенерируется по амплитуде, длительности и положению на тактовом интервале. Из регенерированного сигнала выделяются сигналы ПCC и УСС, а также ТМ. После выделения из сигнала всей сервисной информации в формирователе приема (ФСПр) происходит преобразование сигнала в коде 10В1Р1R в сигнал с понижением скорости до 139,264 Мбит/с и дальнейшей его подачей на аппаратуру временного группообразования, а также выделение цифрового потока с 2,048 Мбит/с.

Функциональная схема аппаратуры солт.
ПКП - преобразователь кода
СКР скремблер
ДСКР дескремблер
ФСП формирователь случайной последовательности
КДП компенсатор дрейфа постоянной составляющей
АВГ аппаратура временного группообразования
ОМ оптический модулятор
ОДМ оптический демодулятор
УКС устройство контроля синхронизации
УПС устройство преобразования сигнала
РС регенератор стационарный
1.4. Нормирование параметров качества на участках сети ЦСП
При проектировании цифровых систем передачи и оценке их параметров необходимо учитывать ряд особенностей.
В цифровых системах передачи аналоговые сигналы преобразуются в цифровую форму, поэтому не существует непосредственной взаимосвязи между характеристиками цифрового сигнала и мощностью исходного аналогового сигнала т.е. параметры цифровой системы передачи в значительной степени не зависят от загрузки. Таким образом, понятие часа наибольшей нагрузки, весьма важное для АСП, практически теряет свое значение для цифровых систем передачи. Одной из важнейших характеристик цифровых систем передачи является коэффициент ошибок. Для цифровых систем передачи характерно наличие определенного порога, ниже которого система работает почти идеально, а при превышении его оказывается практически непригодной для использования.
Поэтому поддержанию требуемого отношения сигнал/шум, а следовательно коэффициента ошибок в цифровых системах передачи, необходимо уделять особое внимание. При нормировании параметров каналов передачи и групповых трактов первичной сети за основу принимаются параметры ОЦК. При проектировании цифровых трактов передачи обычно стремятся обеспечить вероятность ошибки . Для выполнения этого требования при международном соединении, максимальная протяженность которого в соответствии с рекомендациями МККТТ составляет 27500 км, должны выполняться более жесткие требования к значениям на различных участках номинальной цепи ОЦК ВСС РФ. В настоящее время окончательно не установлены принципы нормирования параметров качества, определяемых рекомендацией МККТТ G.821 на отдельных участках сети. Рассмотрим один из подходов к распределению указанных норм между различными участками соединения.
Международное соединение канала с пропускной способностью 64 кбит/с (т.е. ОЦК) предлагается рассматривать как линию, состоящую из участков низшего и среднего классов качества на каждом конце соединения и участка высшего класса качества максимальной протяженностью 25000 км.
При этом общие нормы соответствующих параметров качества при оценке ошибок при международном соединении разделяются по участкам следующим образом: на весь участок высшего качества отводится 80 % общей нормы, на каждый участок среднего качества по 8 %, а на участки низшего качества по 2 %.
Если принять указанное распределение за основу, то при переходе от международного соединения к номинальной цепи ОЦК (национальная сеть) получим следующие значения параметров качества: на номинальную цепь магистральной первичной сети (протяженностью 12500 км), входящую в состав участка высшего качества национальной сети, отводится 40 % общих норм, на участок внутризоновых первичных сетей (протяженностью 600 км), соответствующий участку среднего класса качества.
Участок низшего класса качества состоит из участка местной первичной сети (протяженностью 100 км) и абонентского участка местной вторичной сети, соединение на котором должны обеспечивать ЦСП вторичных сетей.
Таким образом, нормы, отводимые на участок низшего качества, должны быть распределены между участком местной первичной сети и абонентским участком. Возможное распределение норм параметров на различных участках номинальной цепи ОЦК
Если для каждого из национальных участков международного соединения принять и распределить эту норму между участками цепи ОЦК ВСС, то получим:
; ; ,
где допустимая вероятность ошибки соответственно для местного, внутризонового и магистрального участков номинальной цепи ОЦК ВСС.
Учитывая, что в ЦСП ошибки суммируются (накапливаются), можно получить нормированные условные значения вероятности ошибки в расчете на один километр линейного тракта (этот параметр аналогичен километрической норме шумов в АСП):
; ;
Пользуясь значением километрической нормы вероятности ошибок, можно определить допустимые значения вероятностей ошибки для рассчитываемого участка:
; ; ,
где , , .
Используя эти значения, можно оценить требования к линейным регенераторам ЦСП (установить допустимую защищенность на входе решающего устройства регенератора), работающего на соответствующих участках номинальной сети.
Т.к. линия внутризоновая и , то следует использовать формулу для внутризонового расчета ошибки расчёта ошибки:

2. Оценка параметров дискретизации, квантования и кодирования.
Выбор частоты дискретизации в ЦСП в ВД-ИКМ
В цифровых системах передачи с ВД-ИКМ дискретизации подвергается индивидуальный сигнал (сигнал КТЧ). Возможность передачи дискретизированных по времени сигналов вместо непрерывных и их неискаженного восстановления в месте приема основана на применении известной теоремы В.А. Котельникова.
В соответствии с ней любой непрерывный сигнал, спектр которого находится в полосе частот от до , можно воспроизвести по последовательности его мгновенных значений, следующих через интервалы времени, не превышающие . Таким образом, частота следования дискретных отсчетов сигнала, то есть частота дискретизации:
.
Для восстановления непрерывного сигнала из последовательности его дискретных отсчетов в пункте приема используется ФНЧ с частотой среза .
Если выбрать , то, как видно из рисунка 3, нижняя боковая полоса, определяемая из условия , совпадает с верхней частотой спектра модулирующего сигнала и для восстановления непрерывного сигнала из последовательности его дискретных отсчетов необходимо использовать идеальный ФНЧ с частотой среза .
В реальных системах ФНЧ реализуется на LC-элементах, поэтому частоту дискретизации выбирают больше критической: , то есть относительная полоса расфильтровки , где полоса расфильтровки, частота среза реального ФНЧ (рисунок 4).
Рис. 4. Восстановление непрерывного сигнала из последовательности его дискретных отсчетов идеальным ФНЧ
Рис. 5. Восстановление непрерывного сигнала из последовательности его дискретных отсчетов реальным ФНЧ
Исходный аналоговый сигнал обычно не имеет четко выраженной верхней граничной частоты, поэтому перед дискретизацией требуется ограничить его спектр. Так, спектр сигнала тональной частоты занимает полосу 0,3...3,4 кГц. Рассчитаем частоту дискретизации для КТЧ.
При , получим .
3. Определение параметров линейного тракта
Для ЦСП «Сопка-4М» будем использовать оптический кабель ОКЛ-01-0.3
Магистральный кабель ОКЛ изготавливается из одномодовых волокон с сердцевиной диаметром 10 мкм, имеет две модификации: с медными проводниками диаметром 1,2 мм для дистанционного питания регенераторов и без медных проводников с питанием от местной сети или автономных источников теплоэлектрогенераторов (ТЭГ).
Центральный силовой элемент выполнен из стеклопластиковых стержней.

Наружный покров кабеля имеет несколько разновидностей: для прокладки в канализации это полиэтиленовый шланг (марка ОКЛ), для подземной прокладки броневой покров из стеклопластиковых стержней (ОКЛС), стальных лент (марка ОКЛБ), круглой проволоки (ОКЛК).Для подводных речных переходов создан кабель с алюминиевой оболочкой и круглопроволочной броней (ОКЛАК). Для станционных вводов и монтажа используется кабель ОКС.
Рис. 6. Оптический кабель типа ОКЛ
1 - оптическое волокно фирмы "Корнинг"
2 - гидрофобный заполнитель
3 - центральный силовой элемент (стеклопластиковый стержень или стальной трос в ПЭ оболочке)
4 - водоблокирующая лента (по требованию)
5 - полимерная трубка
6 - скрепляющая лента
7 - вспарывающий корд(по требованию)
8 кордель
9 - полимерная защитная оболочка
10 маркировка
3.1. Выбор типа кода ЛЦС для ЦСП на оптическом кабеле
К линейным кодам ВОСП предъявляются следующие требования:
- Энергетический спектр кода в линии должен иметь минимальную спектральную плотность на нулевой частоте, а также минимальные НЧ и ВЧ составляющие.
- Линейный код должен содержать информацию о тактовой частоте передаваемого сигнала.
- Непрерывная часть энергетического спектра должна иметь низкий уровень в области тактовой (или кратной) частоты, используемой для синхронизации приема.
- Желательно, чтобы основная доля энергии непрерывной составляющей энергетического спектра была сосредоточена в относительно узкой части спектра.
- Для удобства выделения синхрочастоты и обеспечения устойчивой работы регенераторов статистические характеристики цифровых сигналов должны быть произвольными. В частности, должно быть ограничено максимальное число последовательностей символов одного уровня или амплитуды.
- Код не должен налагать какие-либо ограничения на передаваемое сообщение и однозначную передачу любой последовательности единиц и нулей.
- Алгоритм формирования цифрового сигнала должен позволять надежно контролировать качество передачи в процессе автоматической эксплуатации ВОСП путем контроля ошибок регенераторов.
- Устройства кодирования, декодирования и контроля ошибок должны быть простыми, надежными и малоэнергоемкими.
- Желательно, чтобы линейный код позволял осуществлять передачу сервисных сигналов.
- Линейный код не должен приводить к существенному размножению ошибок при декодировании.
- Желательно, чтобы линейный код имел малую избыточность.
- Структура линейного кода и форма элементарных символов кода должны соответствовать характеристикам оптического кабеля.
- Возможность без труда менять число каналов.
- Совместимость с существующими кодами для электрических кабельных линий.
В ЦСП «Сопка-4М» используется код 10B1P1R с битом служебной связи.
В качестве символов кода 10B1P1R помимо десяти информационных символов присутствуют еще два дополнительных P и R. Функции символа R заключаются в передаче дополнительной информации, а именно: кода синхронизации, сигналов СС, символов ТМ (телемеханики), резервных цифровых потоков. Функции символа P заключаются в организации процесса компенсации дрейфа постоянной составляющей кода 10B1P1R. Частота следования символов Р и R составляет 27,85 МГц при скорости передачи сигналов в линии 167,1168 Мбит/с.
Рис. 7. Энергетический спектр кодов 10В1Р1R и 2В4В
3.2 Расчет длины регенерационного участка ЦСП
В настоящее время для ЦСП применяются различные типы кабелей связи. Это симметричные, коаксиальные, а в последнее время широкое применение получили оптические кабели. По заданию требуется рассчитать ЦСП на оптическом кабеле - ОКЛ 01-0.3.
3.2.1. Расчет длины регенерационного участка по затуханию.
Метод расчёта по затуханию заключается в нахождении длины регенерационного участка по заданному значению затухания усилительного участка, на основе равенства допустимой и ожидаемой (расчётной) защищенности от собственных помех.
, дБ
где энергетический потенциал ЦСП;
уровень мощности сигнала на входе кабеля;
уровень мощности сигнала на входе приёмного устройства.
Длина регенерационного участка:
, км
где - километрическое затухание.
Для Сопка-4М и кабеля ОКЛ-01-0.3 эти значения равны:
|
, дБ |
, дБ |
, дБ |
, дБ/км |
|
37 |
3-7 |
7 |
0.3 |
.
3.2.2. Расчёт длины регенерационного участка по дисперсии
Длина регенерационного участка, в зависимости от пропускной способности линии определяется с помощью выражения:
.
Определим километрическое значение полосы пропускания оптического одномодового кабеля:
, МГц/км
где ширина спектра излучения источника,
удельная дисперсия,
.
Для Сопка-4М и кабеля ОКЛ-01-0.3:
0,0028 нм;
;
.
Пропускная способность ЦСП определяется по формуле:
.
Для Сопка-4М:
;
;
.
Длина регенерационного участка:
.
Длина регенерационного участка выбирается как минимальная величина из рассчитанных по дисперсии и затуханию:
.
3.3. Оценка требуемой помехозащищенности регенератора
Под помехозащищенностью регенератора понимают минимальное отношение сигнал/шум на его входе, при котором обеспечивается заданный коэффициент ошибок в регенерированном сигнале. Основными видами помех в линейном тракте ЦСП являются межсимвольные (переходные) помехи, вызванные наличием несогласованностей на участках регенерации, тепловой шум, а также помехи от устройств коммутации (например, приборов АТС) и индустриальные. Мощность помех во многом определяется параметрами линии связи, условиями эксплуатации и схемой организации связи.


Рис. 8. Графики зависимости вероятности ошибки от защищенности на входе регенератора
Таким образом, при использовании многоуровневых сигналов для обеспечения заданной вероятности ошибки требуется соответствующее увеличение помехоустойчивости на входе регенератора. Это может быть достигнуто, например, за счет увеличения амплитуды передаваемых импульсов Um либо за счет сокращения длины регенерационного участка.
Более существенное влияние на возникновение ошибок оказывают импульсные помехи АТС, вызванные работой коммутационных устройств в процессе установления соединений. Плотность распределения вероятности для таких помех описывается довольно сложными соотношениями, которые зависят от типа АТС, интенсивности телефонного обмена и многих других факторов. Одно из экспериментально полученных соотношений для вероятности ошибки за счет импульсных помех при использовании кода с ЧПИ выглядит следующим образом:
;
Зависимость вероятности ошибки от защищенности на входе регенератора от импульсных помех представлена на рис. 8 (кривая 2).
Импульсные помехи действуют на прилегающих к АТС участках и в этом случае являются основными. На других участках руководствуются шумовыми помехами.
На практике необходимо увеличивать отношение сигнал/шум на входе РУ регенератора по сравнению с этим отношением для идеального регенератора. Например: допустимому значению коэффициента ошибок 10-11 соответствует величина Аз.шп =21.7 дБ. Принимая запас на заводские допуски изготовления регенератора 3 дБ, а также предполагая равенство мощностей трех составляющих помех из-за переходного влияния на ближнем конце, на дальнем конце и тепловых шумов, следует увеличить Аз.шп на 4.8 дБ (10Lg3) и тогда минимально допустимая защищенность от шумовых помех на входе регенератора: Аз.шп.р=21.7+3+4,8=29.5дБ.
Для случая двухуровневых сигналов, какими являются сигналы, передаваемые по оптическому кабелю, расчет вероятности появления ошибки определяется по следующей формуле: (кривая 3 рис.8 , соответствует значениям, рассчитанным по данной формуле).
Ошибка на 1 интервал Pош.вз =1.310-10
3.4. Сравнение оптического усилителя и оптического регенератора.
По мере распространения оптического сигнала по оптическому волокну происходит его ослабление, а также уширение импульсов из-за дисперсии. Любой из этих факторов может оказаться причиной ограничения максимальной длины волоконно-оптической линии связи. Если же максимально допустимая длина между приёмником и передатчиком превышена, то необходимо в промежуточных точках линии связи добавлять один или несколько повторителей и оптических усилителей.
Типы повторителей. По методу усиления оптического сигнала повторители подразделяются на две категории: регенераторы и оптические усилители.
В волоконно-оптических линиях связи регенераторы значительно больше распространены, чем оптические усилители. При построении оптических магистралей оптические усилители в последнее время играют незаменимую роль.

Регенератор (электронно-оптический повторитель) сначала преобразует оптический сигнал в электрическую форму, усиливает, корректирует, а затем преобразовывает обратно в оптический сигнал (рис. 10).
Рис. 9. Электронно-оптический повторитель
Повторитель можно представить как последовательно соединённые приёмный и передающий оптические модули. Блок регенерации восстанавливает прямоугольную форму импульсов, устраняет шум.
Оптический усилитель (ОУ), в отличие от повторителя, не осуществляет оптоэлектронного преобразования, а сразу производит усиление оптического сигнала (рис. 11).

Рис. 10. Оптический усилитель
Эрбиевые оптические усилители (EDFA)
Принципиальным отличием оптического усилителя от регенератора, является то, что первый не осуществляет оптоэлектронного преобразования. Оптический усилитель увеличивает амплитуду входных оптических импульсов чисто оптическим путем, не выполняя при этом ни какого дискриминационного восстановления формы импульсов.
В 1990 году, создаются первые оптические усилители на основе волокна, легированного эрбием (EDFA), и становятся очевидными возможности их широкого использования в протяженных линиях связи. Несмотря на позднее рождение EDFA, первыми проникают на телекоммуникационный рынок, и на сегодняшний день доминируют на нем.
Оптический усилитель имеет три существенных преимущества перед регенератором. Во-первых, оптический усилитель конструктивно проще. Во-вторых, оптический усилитель в отличие от регенератора, не привязан к протоколу или скорости передачи и может преобразовывать (усиливать) входной сигнал любого формата. В-третьих, оптический усилитель способен одновременно усиливать большое число независимых спектрально разделенных каналов, в то время как регенератор может обрабатывать только один канал, одну длину волны. Перечисленные преимущества оптического усилителя настолько сильны, что отодвигают один из его главных недостатков на задний план оптический усилитель вносит шум.
Таблица сравнительного анализа оптического регенератора и оптического усилителя:

Из таблицы видно, что оптический усилитель обладает существенными преимуществами.
Усиление света в оптических системах осуществляется за счет энергии внешнего источника. Основой усилителя является активная физическая среда, в которой благодаря энергетической подкачке увеличивается мощность излучения. В качестве активной среды применяются полупроводники и стекловолокна с различными примесями, например, редкоземельными эрбием (Er), неодимом (Nd), празеодимом (Pr), тулием (Tm). Накачка этих сред осуществляется непрерывно или импульсно. При усилении может происходить преобразование спектра входного сигнала, т.е. выходной сигнал может быть смещен по частоте.
Классификация различных видов оптических усилителей приведена на рисункениже.
К усилителям, которые используются в оптических системах передачи, предъявляется ряд требований:
- высокий коэффициент усиления в заданном диапазоне оптических частот;
- малые собственные шумы;
- нечувствительность к поляризации;
- хорошее согласование с волоконно-оптическими линиями;
- минимальные нелинейные и линейные искажения оптических сигналов;
- большой динамический диапазон входных сигналов;
- требуемое усиление многочастотных (многоволновых) оптических сигналов;
- длительный срок службы;
- минимальная стоимость и т.д.
Этим требованиям в наибольшей степени отвечают полупроводниковые и волоконные усилители, настроенные на окна прозрачности стекловолокна (около 0,85 мкм; 1,31 мкм; 1,55 мкм).

Классификация оптических усилителей
Нелинейные усилители пока получили незначительное применение в ВОСП. Однако для некоторых перспективных методов передачи, например, солитонных и многоволновых, их использование может оказаться ключевым.
Полупроводниковые и волоконно-оптические усилители применяются в качестве усилителей мощности, совмещаемых с оптическими передатчиками, в качестве предусилителей перед фотоприемниками и в качестве промежуточных станций в линейных трактах оптических систем передачи.
1. Усилители на волокне, использующие бриллюэновское рассеяние. Стимулированное бриллюэновское рассеяние это нелинейный эффект, возникающий в кремниевом волокне, когда Энергия от оптической волны на частоте, скажем, f1 переходит в энергию новой волны на смещенной частоте f2.
Если мощная накачка производится на частоте f1, стимулированное бриллюэновское рассеяние способно усиливать слабый входной сигнал на частоте f2. Выходной сигнал сосредоточен в узком диапазоне, что позволяет выбирать канал с погрешностью 1,5 ГГц.
2. Усилители на волокне, использующие рамановское рассеяние. Стимулированное рамановское рассеяние также нелинейный эффект, который подобно бриллюэновскому рассеянию может использоваться для преобразования части энергии из мощной волны накачки в слабую сигнальную волну. Однако, при рамановском рассеянии частотный сдвиг между сигнальной волной и волной накачки (|f2-f1|) больше, а выходной спектральный диапазон усиления шире, что допускает усиление сразу нескольких каналов в WDM сигнале. Большие переходные помехи между усиливаемыми каналами представляют основную проблему при разработке таких усилителей.
3. Полупроводниковые лазерные усилители (ППЛУ). Основу ППЛУ составляет активная среда, аналогичная той, которая используется в полупроводниковых лазерах. В ППЛУ отсутствуют зеркальные резонаторы, характерные для полупроводниковых лазеров. Для уменьшения френелевского отражения с обеих сторон активной среды наносится специальное покрытие толщиной /4 с согласованным показателем преломления, рис. 11.

Рис. 11. Полупроводниковый лазерный усилитель
Полупроводниковые лазерные усилители не получили столь широкого распространения, как усилители на примесном волокне. Дело в том, что ППЛУ свойственны два существенных недостатка.
Светоизлучающий активный слой имеет поперечный размер несколько микрон, но толщину в пределах одного микрона, что много меньше, чем диаметр светонесущей части оптического волокна (~ 9 мкм для одномодового волокна). Вследствие этого большая часть светового потока из входящего волокна не попадает в активную область и теряется, что уменьшает КПД усилителя. Увеличить КПД можно, поставив между входящим волокном и активной средой линзу, но это приводит к усложнению конструкции.
Второй недостаток имеет более тонкую природу. Дело в том, что выход (коэффициент усиления) ППЛУ зависит от направления поляризации и может отличаться на 4-8 дБ для двух ортогональных поляризаций. Это нежелательно, так как в стандартном одномодовом волокне поляризация распространяемого светового сигнала не контролируется. Мощность светового потока данной поляризации может флуктуировать вдоль длины. Отсюда вытекает, что коэффициент усиления ППЛУ зависит от неконтролируемого фактора.
Можно уменьшить эту зависимость от поляризации путем установки двух лазеров -возможно как параллельное (требуется пара разветвителей), так и последовательное их подключение. Но это снова приводит к усложнению конструкции и росту стоимости.
Два приведенных недостатка нивелируются в тех случаях, когда ППЛУ интегрирован с другими оптическими устройствами. И именно так преимущественно используются ППЛУ. Одна из возможностей производство совмещенного с вето излучающего лазерного диода, непосредственно на выходе которого устанавливается ППЛУ.
4. Усилители на примесном волокне. Этот тип оптического усилителя наиболее широко распространен и является ключевым элементом в технологии полностью оптических сетей, поскольку он позволяет усиливать сигнал в широком спектральном диапазоне].
На рис. 12 приведена схема усилителя на примесном волокне. Слабый входной оптический сигнал (1) проходит через оптический изолятор (2), который пропускает свет в прямом направлении слева направо, но не пропускает рассеянный свет в обратном направлении, далее проходит через блок фильтров (3), которые блокируют световой поток на длине волны накачки, но прозрачны к длине волны сигнала. Затем сигнал попадает в катушку с волокном, легированным примесью из редкоземельных элементов (4). Длина такого участка волокна составляет несколько метров. Этот участок волокна подвергается сильному непрерывному излучению полупроводникового лазера (5), установленного с противоположенной стороны, с более короткой длиной волны накачки. Свет от лазера накачки волна накачки (б) возбуждает атомы примесей. Возбужденные состояния имеют большое время релаксации, чтобы спонтанно перейти в основное состояние. Однако при наличии слабого сигнала происходит индуцированный переход атомов примесей из возбужденного состояния в основное с излучением света на той же длине волны и с той же самой фазой, что и повлекший это сигнал. Селективный разветвитель (7) перенаправляет усиленный полезный сигнал (8) в выходное волокно (9). Дополнительный оптический изолятор на выходе (10) предотвращает попадание обратного рассеянного сигнала из выходного сегмента в активную область оптического усилителя.

Рис. 12 Оптический усилитель на примесном волокне
Активной средой усилителя является одномодовое волокно, сердцевина которого легируется примесями редкоземельных элементов с целью создания трехуровневой атомной системы, рис. 13. Лазер накачки возбуждает электронную подсистему примесных атомов. В результате чего электроны с основного состояния (уровень А) переходят в возбужденное состояние (уровень В). Далее происходит релаксация электронов с уровня В на промежуточный уровень С. Когда заселенность уровня С становится достаточно высокой, так что образуется инверсная заселенность уровней А и С, то такая система способна индуцировано усиливать входной оптический сигнал в определенном диапазоне длин волн. Если же входной сигнал не нулевой, то происходит спонтанное излучение возбужденных атомов примесей, приводящее к шуму.

Рис. 13 Энергетическая диаграмма уровней атомной системы улилителя нп примесном
Особенности работы усилителя во многом зависят от типа примесей и от диапазона длин волн, в пределах которого он должен усиливать сигнал. Наиболее широко распространены усилители, в которых используется кремниевое волокно, легированное эрбием. Такие усилители получили название EDFA, Межатомное взаимодействие является причиной очень важного положительного фактора -уширения уровней, что, в конечном итоге, обеспечивает усилителю широкую зону усиления сигнала. В EDFA наиболее широкая зона усиления от 1530 до 1560 нм, соответствующая переходу hvcA, достигается при оптимальной длине волны лазера накачки 980 нм.
|
Сравнительные характеристики ОУ |
Рамановский ОУ |
Эрбиевый ОУ |
||
|
Спектральная полоса усиления нм. |
Более 100 |
+ |
<(30-40) |
- |
|
Коэффициент усиления дБ |
10 |
- |
(30-40) |
+ |
|
Диапазон рабочих частот нм |
(1200-1600) |
+ |
(1550-1565) |
+ |
|
Уровень шума дБ |
7 |
- |
(3-5) |
+ |
|
Мощность накачки мВт |
более 1000 |
- |
50 |
+ |
|
Поляризационная чувствительность |
высокая |
- |
низкая |
+ |
Исходя из достоинств и недостатков выбираем оптический усилитель на примесном волокне EDFA.
4. Формирование структуры цикла передачи
4.1. Выбор метода согласования скоростей
Двустороннее СС с двухкомандным управлением обеспечивает ряд преимуществ по сравнению с односторонним:
1) в ОВГ с односторонним СС принципиально невозможен синхронный режим работы, а с ДСС при синхронном режиме не передается никаких команд СС, что увеличивает пропускную способность канала связи;
2) в ОВГ с ДСС возможно неограниченное увеличение помехоустойчивости команд согласования;
3) ОВГ с ДСС более устойчиво к размножению сбоев цикловой синхронизации;
4) ДСС дает возможность увеличить эффективность использования пропускной
способности группового тракта.
При идентичном построении циклов передачи большинство узлов ОВГ с односторонним и двусторонним согласованием скоростей практически одинаково. Учитывая отмеченные обстоятельства, в России при построении ЦСП высших порядков применяют двустороннее согласование скоростей с двухкомандным управлением.
Важным параметром ОВГ является частота формирования сигналов согласования .
Произведем расчет максимальной частоты формирования сигналов согласования в системах с двусторонним согласованием скоростей:
,
где ; ; .
|
ЦСП |
, кГц |
, кГц |
, кГц |
, кГц |
, кГц |
, кГц |
|
Сопка-4М |
34368 |
|
|
0.52 |
0.34 |
0.86 |
4.2. Формирование временной структуры группового сигнала и оценка сетки частот генераторного оборудования
4.2.1 Формирование структуры цикла передачи для систем передачи низшего порядка (первичная, субпервичная)
Линейный сигнал системы строится на основе сверхциклов, циклов, канальных и тактовых интервалов. Сверхцикл передачи (СЦ) представляет собой интервал времени, за который передается информация всех сигнальных каналов (каналов СУВ) и каналов аварийной сигнализации. Построение структуры цикла передачи показано на рисунке 14.
Циклы Ц1, Ц2......ЦS, каждый из которых длительностью 125 мкс, объединяются в сверхциклы, следующие друг за другом. Каждый цикл состоит из канальных интервалов КИ1, КИ2,..,КИn куда входят дополнительные канальные интервалы, необходимые для передачи синхросигнала (СС) цикловой синхронизации, каналов СУВ и других вспомогательных сигналов.
Каждый КИ представляет собой m-разрядную кодовую группу, в разрядах P1,P2,...,Pm которой передается закодированная информация соответствующего канала, а в дополнительных КИ - кодовые группы синхросигнала и СУВ. Обычно за один цикл передаются СУВ одного или двух каналов. Таким образом, для передачи СУВ всех n каналов потребуется соответственно n или n/2 циклов, объединенных в сверхцикл. Такое объединение циклов в сверхцикл необходимо для организации нужного числа каналов СУВ и правильного распределения этих сигналов на приеме. В первом цикле сверхцикла передается синхросигнал сверхцикловой синхронизации, а СУВ не передаются. Таким образом, число циклов в сверхцикле на один больше, чем требуется для передачи СУВ всех каналов.
Рис. 14. Структура цикла передачи
Скорость передачи группового ИКМ сигнала определяется тактовой частотой системы:, где m - разрядность кодовой группы, n - число каналов в системе, включая канальные интервалы для передачи СУВ, СС и других служебных сигналов; - частота дискретизации канала ТЧ.
Итак, расчет сетки частот генераторного оборудования произведем в следующей последовательности:
• Для первичной ЦСП ИКМ-30:
- по заданному числу каналов системы N=30, рассчитанной частоте дискретизации и значимости кода т определяется тактовая частота системы: ;
- по известной рассчитывается частота следования разрядных импульсов: ;
- частота следования циклов передачи равна частоте дискретизации: ;
- частота следования сверхциклов: кГц.
• Для субпервичной ЦСП ИКМ-15:
- ;
- ;
- ;
- кГц.
4.2.2 Формирование структуры цикла передачи для систем передачи низшего порядка (вторичная, третичная,…)
Использование рассмотренных способов согласования скоростей приводит к тому, что скорость передачи формируемого группового потока оказывается несколько больше суммы скоростей объединяемых потоков. Для количественной оценке требуемого увеличения скорости группового потока необходимо рассмотреть структуру цикла передачи, который должен содержать позиции для передачи символов: информационных, циклового синхросигнала, команд согласования, а также служебных.
При построении цикла передачи следует учитывать важные требования, предъявляемые к его структуре:
- число следующих подряд служебных символов должно быть по возможности минимальным;
- распределение символов синхросигнала должно быть таким, чтобы время восстановления синхросигнала было минимальным;
- распределение команд согласования скоростей должно быть таким, чтобы обеспечивалась их максимальная помехоустойчивость;
- длительность цикла должна быть по возможности минимальной;
- распределение служебных символов в цикле должно быть равномерным;
- структура цикла должна позволять системе работать как в синхронном, так и в асинхронном режимах.
С учетом этих требований получаем структуру цикла, изображенную на рисунке 16.
Рис. 15. Структура цикла ЦСП
На основе выбранной структуры цикла передачи формируется сетка частот ГО.
4.3. Оценка параметров системы цикловой синхронизации
Синхронизация приемной и передающей станций по циклам обеспечивает правильное декодирование кодовых групп и распределение группового АИМ сигнала по соответствующим приемникам каналов. Для обеспечения этой синхронизации в начале каждого цикла в состав группового цифрового сигнала вводится специальный синхросигнал, который представляет собой группу импульсов определенной комбинации. К системам цикловой синхронизации предъявляются следующие требования:
- время вхождения в синхронизм при первоначальном включении аппаратуры в работу и время восстановления синхронизма при его нарушении должно быть минимальным;
- число разрядов синхросигнала в цикле передачи при заданном времени восстановления синхронизма должно быть минимальным;
- приемник синхросигнала должен быть помехоустойчивым, что обеспечивает большое среднее время между сбоями синхронизма.
Основными отличительными особенностями синхросигнала являются его периодичность (повторяемость) на одних и тех же позициях в каждом цикле и постоянство кодовой комбинации. Эти свойства используются при выделении синхросигнала на приемной станции.
Система цикловой синхронизации представляет собой совокупность устройств, обеспечивающих синхронную работу соответствующих узлов ГО приемной и передающей станций. На передающей станции находится устройство формирования и ввода синхрогруппы в групповой цифровой сигнал. На приемной станции находится приемник синхросигнала, обеспечивающий установку синхронизма после включения аппаратуры, контроль за состоянием синхронизма в рабочем режиме, обнаружение сбоя синхронизма и его восстановление.
По принципу действия приемники цифрового синхросигнала (СС) могут быть разделены на неадаптивные и адаптивные.
Высокая помехоустойчивость системы цикловой синхронизации достигается включением накопительных устройств. В неадаптивных приемниках емкости накопительных устройств соответствуют предполагаемой заранее вероятности ошибок в линейном тракте и не изменяются в процессе работы. В адаптивных приемниках емкости накопительных устройств изменяются с изменением реальных значений этой вероятности.
Используем адаптивный приемник синхросигнала, т.к. в нем уменьшается время восстановления синхронизма без ухудшения параметров системы, путем осуществления операций накопления по выходу из синхронизма и поиска СС параллельно. В таком приемнике можно выделить две цепи: цепь удержания синхронизма и цепь поиска синхронизма.

Результаты расчета параметров системы синхронизации представлены в таблице:
|
ЦСП |
Q |
M |
, мс |
, мс |
, мс |
, мс |
, мс |
, мс |
|
Сопка-4М |
2166 |
2176 |
0.015 |
0.05 |
0.0312 |
0.094 |
0.09 |
|
Временная структура ЛЦС

Временная структура ЛЦС ИКМ-1920
5.Оценка эффективности и надёжности проектируемой ЦСП
5.1. Оценка эффективности проектируемой ЦСП
При проектировании СП помимо определения оптимального проекта часто приходится решать следующие важные задачи:
- оценивать уровень разработки системы в сравнении с современными отечественными и зарубежными аналогами;
- обосновывать целесообразность разработки новой системы;
- сравнивать существующие системы с целью выбора лучшей для заданных условий и др.
Нас интересует количественная оценка эффективности использования цифровых групповых трактов, Введем коэффициент использования ЦГТ при передаче сигналов стандартных групп частот - .
,
где число КТЧ в соответствующей стандартной группе, а число каналов, которые можно было бы организовать в тракте при индивидуальной обработке сигналов (ОЦК). Результаты соответствующих расчетов представлены в таблице:
|
Вид стандартной группы |
|
|
|
|
Первичная группа |
12 |
18 |
0.67 |
|
Вторичная группа |
60 |
90 |
0.67 |
|
Третичная группа |
300 |
360 |
0.83 |
|
ТВ-сигнал |
1620 |
1440 |
1.125 |
5.2. Оценка надежности проектируемой ЦСП
Под надежностью понимается свойство системы передачи выполнять заданные функции, сохраняя свои эксплуатационные показатели в заданных пределах в течение требуемого промежутка времени. Оборудование системы передачи, каналов и трактов является восстанавливаемым, то есть его эксплуатация представляет собой чередование интервалов работоспособности и простоя. В момент простоя происходит восстановление работоспособности. К основным наиболее употребительным характеристикам надежности многоканальной системы передачи относятся:
- параметр потока отказов аппаратуры;
- наработка на отказ;
- вероятность безотказной работы;
- коэффициент готовности системы передачи.
Ориентировочный расчет показателей надежности системы передачи производится следующим способом.
Определяется интенсивность потока отказов аппаратуры системы передачи в период нормальной эксплуатации:
,
где .
Здесь - параметры потока отказов соответственно аппаратуры ОРП, ОП, НРП, переприемных пунктов и кабеля длиной.
Тогда .
Параметр потока отказов кабеля:
,
где параметр потока отказов кабеля длиной 1 км;
длина кабеля;
- длина номинальной цепи ОЦК проектируемой ЦСП.
Тогда .
Получим .
Среднее время работы системы передачи между двумя отказами:
.
Рассчитаем вероятность безотказной работы за время в период нормальной эксплуатации:
.

Определим коэффициент готовности, как вероятность того, что система передачи будет работоспособна в любой момент времени в период нормальной эксплуатации:
,
где среднее время восстановления системы передач между двумя отказами:
.
Тогда .
СПИСОК ЛИТЕРАТУРЫ:
- Проектирование ЦСП: Учеб.пособие / Ю.К. Казаков; РГРТА, 2003.
- ЦСП. Параметры и характеристики: Учеб.пособие / Ю.К. Казаков; РГРТА, 2004.
- ЦСП. Принципы построения и описание: Учеб.пособие / Ю.К. Казаков; РГРТА, 2003.
- МСП: Учебник для вузов / Н.Н. Баева, В.Н. Гордиенко и др.М.: Радио и связь, 1996. 560с.
Проектирование цифровых систем передачи





