МЕТОДЫ ПРЕДСТАВЛЕНИЯ СИГНАЛОВ ЦИФРОВЫХ СИСТЕМ СВЯЗИ
Лекция 11
Тема. МЕТОДЫ ПРЕДСТАВЛЕНИЯ СИГНАЛОВ ЦИФРОВЫХ СИСТЕМ СВЯЗИ
Цель. Дать понятие о представлении цифрового сигнала.
Учебная. Разъяснить процесс формирования и представления цифрового сигнала.
Развивающая. Развивать логическое мышление и естественное - научное мировоззрение.
Воспитательная. Воспитывать интерес к научным достижениям и открытиям в отрасли телекоммуникации.
Межпредметные связи:
Обеспечивающие: информатика, математика, вычислительная техника и МП, системы программирования.
Обеспечиваемые: Стажерская практика
Методическое обеспечение и оборудование:
Методическая разработка к занятию.
Учебный план.
Учебная программа
Рабочая программа.
Инструктаж по технике безопасности.
Технические средства обучения: персональный компьютер.
Обеспечение рабочих мест:
Рабочие тетради
Ход лекции.
Организационный момент.
Анализ и проверка домашней работы
Ответьте на вопросы:
- Как выстраивается иерархия приоритетов в технологии современной связи?
- Опишите почему нормирование параметров качества является основой законодательного регулирования в современной связи и гарантией работоспособности сетей?
- В чем отличие нормирования от эксплуатационных измерений?
- Что предусматривает технологический подход к измерениям?
- Приведите алгоритм изучения измерительной технологии. Как происходит разбиение по уровням детализации?
- Кто несет ответственность за выбор методики измерения?
План лекции
- Особенности представления цифровых сигналов.Методы представления сигналов в виде диаграмм
- Глазковые диаграммы
- Диаграммы состояний
- Алгоритмические диаграммы - диаграмма Треллиса и древовидная диаграмма
- Особенности представления цифровых сигналов.Методы представления сигналов в виде диаграмм
Отличие цифровых сигналов от аналоговых заключается в их дискретной структуре. Если параметры аналоговых сигналов меняются в используемом диапазоне непрерывно, то параметры цифровых сигналов изменяются дискретно, в этом состоит основное отличие цифровых сигналов от аналоговых. Такая особенность цифровых сигналов позволяет использовать для их анализа ряд специфических методов.
Помимо достаточно хорошо известных методов измерения аналоговых сигналов с использованием осциллограмм и спектрального анализа, в методологии измерений цифровых сигналов широкое распространение получили специальные диаграммы, что определяется дискретной природой сигналов. При проведении измерений используются два основных класса диаграмм:
- диаграммы физических параметров цифрового сигнала, к которым относятся глазковые диаграммы
- диаграммы состояний, а также алгоритмические диаграммы, к которым относятся древовидные диаграммы и различные виды диаграмм Треллиса.
Диаграммы физических параметров используются для анализа как простых бинарных цифровых сигналов, так и сложных сигналов современных цифровых телекоммуникаций многоуровневых (таких как сигналы линейного кодирования ISDN (ISDN (англ. Integrated Services Digital Network) цифровая сеть с интеграцией служб. Позволяет совместить услуги телефонной связи и обмена данными. Основное назначение ISDN передача данных со скоростью до 64 кбит/с по абонентской проводной линии и обеспечение интегрированных телекоммуникационных услуг (телефон,факс, и пр.). Использование для этой цели телефонных проводов имеет два преимущества: они уже существуют и могут использоваться для подачи питания на терминальное оборудование.) и модулированных сигналов (применяемых в радиочастотных системах передачи и системах радиосвязи)
Алгоритмические диаграммы используются для анализа сигналов дифференциальных модуляций и современных алгоритмов кодирования информации.
- Глазковые диаграммы
Для анализа параметров цифрового сигнала часто используются глазковые диаграммы, как при проведении лабораторных измерений (системное оборудование), так и эксплуатационных По своей структуре глазковые диаграммы являются модификацией осциллограмм, с той только разницей, что используют периодическую структуру цифрового сигнала
Для построения двухуровневой глазковой диаграммы (рис1) цифровой (битовый) поток подается на осциллограф, в то время как синхронизация внешней развертки производится от битового потока с частотой fb. При построении многоуровневых диаграмм сигнал должен проходить через многоуровневый конвертер, а синхронизация производится от символьного потока с частотой fs. Для калибровки глазковой диаграммы сигнал часто подают в обход фильтра, ограничивающего диапазон сигнала. В этом случае возникает диаграмма в виде прямоугольника (рис 2, слева). Фильтр, ограничивающий полосу передаваемого сигнала, вносит существенные изменения в форму импульса, в результате чего возникает диаграмма в виде "стандартного глаза" (на рис.2, справа - "бинарный глаз") Глазковые диаграммы используют периодическую структуру цифрового сигнала. За счет внешней синхронизации развертки получаемые осциллограммы волнового фронта сигнала накладываются друг на друга с периодом одного отсчета. В результате проведения измерений с накоплением получается глазковая диаграмма, на которую по оси Y откладывается амплитуда сигналов по уровням (рис 3)

Рис. 1. Построение глазковой диаграммы
Процесс формирования диаграммы цифрового бинарного сигнала без фильтрации и с фильтрацией на передаваемую полосу (рис. 2) позволяет реально продемонстрировать механизм формирования глазковой диаграммы. Реальная осциллограмма сигнала (например, двухуровневого цифрового сигнала) "разрезается" посимвольно в соответствии с тактовыми импульсами синхронизирующего генератора, а затем глазковая диаграмма "складывается" из полученных кусков. В идеальном случае при отсутствии цепей фильтрации в результате такого сложения получится квадрат ("квадратный глаз", представлен на рисунке внизу слева). Однако глазковая диаграмма реального сигнала значительно отличается от квадрата, поскольку содержит составляющие нарастания фронта и спада фронта сигнала, прямоугольный импульс имеет форму колокола. В результате получится диаграмма, более похожая на глаз (на рисунке внизу справа).

Рис. 2. Глазковая диаграмма сигналов без фильтрации и с фильтрацией
Исследование глазковых диаграмм позволяет провести детальный анализ цифрового сигнала по параметрам, непосредственно связанным с формой волнового фронта: параметру межсимвольной интерференции (ISI), джиттеру (Джиттер (англ. jitter дрожание) или фазовое дрожание цифрового сигнала данных[1] нежелательные фазовые и/или частотные случайные отклонения передаваемого сигнала. Возникают вследствие нестабильности задающего генератора, изменений параметров линии передачи во времени и различной скорости распространения частотных составляющих одного и того же сигнала.) передачи данных и джиттеру по синхронизации.
Пример глазковой диаграммы представлен на рис. 3 (компьютерная имитация). Трасса двухуровневого сигнала на глазковой диаграмме в точках времени, соответствующих точкам отсчета, проходит точно через нормированные значения +1 и -1, следовательно ISI (межсимвольная интерференция) на рисунке отсутствует. В то же время различные трассы пересекаются с временной осью в разные временные промежутки. Максимальная ширина области пересечения с временной осью определяется как пиковое фазовое дрожание или джиттер передачи данных Djpp, Джиттер передачи данных измеряется обычно в единицах времени или как отношение к интервалу передачи символа DjPP/Ts. Пиковый джиттер, представленный на рисунке, составляет 35%. Следует отметить, что джиттер передачи данных является следствием ограниченной полосы каналов. Например, расчет показывает, что для фильтра с коэффициентом ограничения спектра а=0,2 джиттер передачи данных составляет уже 48%, т.е. чем меньше коэффициент ограничения спектра (альфа-фактор) канала, тем больше джиттер передачи данных. Сам по себе джиттер передачи данных является следствием объективных процессов преобразования сигналов и деградации качества связи не вызывает. Однако его комбинация с джиттером по синхронизации или постоянным сдвигом частоты передачи может привести к существенным нарушениям качества.

Рис. 3. Глазковая диаграмма цифрового сигнала, проходящего через фильтр с коэффициентом ограничения спектра а=0,3 (компьютерная имитация)
Пример 1.
В качестве иллюстрации воздействия джиттера по системе синхронизации на модулированный сигнал рассмотрим глазковую диаграмму модема с модуляцией 64 QAM, широко применяемой в радиочастотных системах передачи (рис. 4).

Рис.4. Глазковая диаграмма (компьютерная имитация) модулированного сигнала 64 QAM, а=0,2, джиттер по синхронизации 6 %
Предположим, что уровень джиттера по системе синхронизации CJpp =6% относительно периода сдвига символа Ts. Далее предположим уровень идеального сигнала равным 100 мВ. Тогда, как видно из рис. 4, наличие джиттера в системе синхронизации приводит к уменьшению интервала разрешения до 70 мВ. Это фактически эквивалентно деградации производительности системы на 3 дБ, что уже существенно. Добавим, что в предлагаемой на рис. 4 компьютерной имитации использовался фильтр с коэффициентом ограничения а = 0,2. Более узкополосные сигналы, имеющие меньший фактор сглаживания, оказываются более чувствительными к джиттеру по синхронизации. Наиболее же чувствительными являются многоуровневые системы (например, системы с модуляцией 64 или 256 QAM).
- Диаграммы состояний
Если аналоговый сигнал - это непрерывная функция изменения состояний, то цифровой сигнал может быть представлен в виде нескольких дискретных состояний, которые проходит сигнал. В связи с этим возникает задача анализа этих дискретных состояний с учетом используемых в современных телекоммуникациях принципов цифровой модуляции сигнала. Для этого комплексная амплитуда сигнала обычно представляется в полярных координатах (комплексной амплитудой сигнала называется его часть, отделенная от гармонической функции, например, для сигнала S = Aiwt, A(t) - комплексная амплитуда сигнала). Если представить сигнал в виде суммы синфазного (сигнал I) и смещенного на 90° относительно синфазного (сигнал Q) сигналов, то полученное представление будет являться графиком в координатах I-Q. В современных системах радиосвязи широкое распространение получили различные типы фазовых модуляций. Диаграмма представляет собой набор точек, соответствующих дискретным состояниям модулированного сигнала (рис. 5). Такие диаграммы называются диаграммами состояний.
Диаграммы состояний представляют собой диаграммы сигнала в полярных координатах с накоплением, цифровой сигнал проходит на диаграмме состояний характерные для него точки. Цифровая форма сигнала определяет точечную структуру диаграммы состояний (конечное количество состояний сигнала). Для каждого типа модуляции диаграмма состояний своя и несет информацию о параметрах тракта в целом, работе модемов, эквалайзеров и других устройств, принимающих и передающих модулированные сигналы.
Рис. 5. Примеры диаграмм состояния основных типов модуляции
Диаграммы состояния имеют особое значение для анализа модулированных сигналов так как в принятой технологии построения фазовых модуляторов и демодуляторов используется принцип разделения цифрового сигнала на две составляющие I и Q (например, на рис. 6 представлена схема модулятора квадратурной амплитудной модуляции QAM).(Квадратурная (амплитудная) модуляция (КАМ, КАМн; англ. Quadrature Amplitude Modulation (QAM)) разновидность амплитудной модуляциисигнала, которая представляет собой сумму двух несущих колебаний одной частоты, но сдвинутых по фазе относительно друг друга на 90°, каждое из которых модулировано по амплитуде своим модулирующим сигналом)

Рис. 6. Структурная схема модулятора QAM
Диаграммы состояний и глазковые диаграммы анализируют амплитудно-фазовые характеристики сигналов, однако различие в методах представления приводит к тому, что оба типа диаграмм сигналов взаимно дополняют друг друга. Глазковые диаграммы наиболее эффективны при анализе изменений в структуре волнового фронта сигнала, тогда как диаграммы состояний являются хорошим средством для анализа процессов модуляции и демодуляции.
Хотелось бы еще раз подчеркнуть, что и в том и в другом случае диаграмма формируется с накоплением данных, т.е. суммой параметров, измеренных через определенные промежутки времени. Поэтому фактором, определяющим использование обоих типов диаграмм, является цифровая природа сигнала. Для анализа аналоговых сигналов глазковые диаграммы и диаграммы состояний не имеют особого смысла.
- Алгоритмические диаграммы - диаграмма Треллиса и древовидная диаграмма
В практике анализа работы цифровой системы встречается класс задач, когда необходимо иметь представление не о состояниях сигнала, а о динамике изменения этих состояний. Такие задачи встречаются при анализе процессов кодирования (в первую очередь помехозащищенного сверточного кодирования современных радиочастотных систем передачи) и анализе дифференциальных методов модуляции, в которых передача цифровой информации осуществляется не сигналом, а сменой одного сигнала другим.
Для анализа динамики изменений состояний цифрового сигнала наиболее часто используется диаграмма Треллиса, являющегося одной из модификаций диаграммы состояний. На этой диаграмме помимо состояний цифрового сигнала показывается траектория изменений состояний. Реже используются древовидные диаграммы, представляющие собой дерево смены состояний. Обычно для анализа работы кодека измеряемая диаграмма сравнивается с теоретической и данными, передаваемыми в канале в двоичном представлении. В результате анализируется правильность работы алгоритма кодека. Необходимо подчеркнуть, что речь идет именно об алгоритмическом тестировании, т.е. проверке правильности работы алгоритма. Для анализа параметров деградации качества связи алгоритмические диаграммы неприменимы.
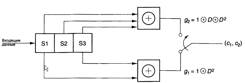
В качестве примера алгоритмических диаграмм рассмотрим алгоритмы сверточного кодирования, применяемого в радиочастотных системах передачи и спутниковых каналах связи. На рис.7 представлена схема сверточного кодера со скоростью кодирования 1/2, временная диаграмма и диаграмма состояний Треллиса на рис. 8 и 9, а древовидная диаграмма на рис. 10.

Рис. 7. Схема сверточного кодера со скоростью кодирования 1/2

Рис. 8. Временная диаграмма Треллиса кодера, представленного на рис. 7

Рис. 9. Диаграмма состояний Треллиса кодера, представленного на рис. 7

Рис. 10. Древовидная диаграмма кодера, представленного на рис. 7
Домашнее задание: § конспект.
Закрепление материала:
Ответьте на вопросы:
- В чем заключается отличие цифровых сигналов от аналоговых?
- Какие классы диаграмм используются при проведении измерений?
- Дайте краткое описание каждому классу.
- Что используется для построения глазковой диаграммы?
- Поясните суть глазковой диаграммы.
Литература:
Амренов С. А. «Методы контроля и диагностики систем и сетей связи» КОНСПЕКТ ЛЕКЦИЙ -: Астана, Казахский государственный агротехнический университет, 2005 г.
И.Г. Бакланов Тестирование и диагностика систем связи. - М.: Эко-Трендз, 2001.
Биргер И. А. Техническая диагностика. М.: «Машиностроение», 1978.240,с, ил.
АРИПОВ М.Н , ДЖУРАЕВ Р.Х., ДЖАББАРОВ Ш.Ю. «ТЕХНИЧЕСКАЯ ДИАГНОСТИКА ЦИФРОВЫХ СИСТЕМ» -Ташкент, ТЭИС, 2005
Платонов Ю. М., Уткин Ю. Г. Диагностика, ремонт и профилактика персональных компьютеров. -М.: Горячая линия - Телеком, 2003.-312 с: ил.
М.Е.Бушуева, В.В.Беляков Диагностика сложных технических систем Труды 1-го совещания по проекту НАТО SfP-973799 Semiconductors. Нижний Новгород, 2001
Малышенко Ю.В. ТЕХНИЧЕСКАЯ ДИАГНОСТИКА часть I конспект лекций
Платонов Ю. М., Уткин Ю. Г.Диагностика зависания и неисправностей компьютера/Серия «Техномир». Ростов-на-Дону: «Феникс», 2001. 320 с.
PAGE \* MERGEFORMAT 4
МЕТОДЫ ПРЕДСТАВЛЕНИЯ СИГНАЛОВ ЦИФРОВЫХ СИСТЕМ СВЯЗИ