Интегрированные системы безопасности (ИСБ)
Содержание
Введение………………………………………………………………………3
Задание 1 . Выбрать состав оборудования и начертить структурную схему многорубежного объектового комплекса охранно-пожарной сигнализации на базе ППКОП «С2000-4» для заданного объекта (см. Приложение 1, рис. 1). Произвести расчет бесперебойного электропитания комплекса, выбрать резервируемый источник питания....………………………..5
Задание 2. Произвести сравнительную характеристику извещателей охранных точечных магнитоконтактных ИО102-20 и ИО102-26 «Аякс»…..….12
Задание 3. Выбрать состав оборудования и начертить структурную схему системы контроля и управления доступом на базе оборудования и программного обеспечения «КОДОС» для заданного объекта (см. Приложение 1, рис. 1). Произвести расчет бесперебойного электропитания комплекса, выбрать резервируемый источник питания. ….………………………………….15
Задание 4. Выбрать состав оборудования и начертить структурную схему системы видеонаблюдения на базе 16-канального видеосервера для заданного объекта (см. Приложение 1, рис. 1). Произвести расчет бесперебойного электропитания комплекса, выбрать резервируемый источник питания…...….22
Задание 5. Принципы построения и основные технические характеристики интегрированной системы безопасности «ОРИОН»…………..25
Задание 6 Требования правил техники безопасности при монтаже и эксплуатации систем охранной безопасности.…………………..……………….29
Список использованной литературы ………….……………..……….…..33
Введение
В контрольной работе рассматриваются интегрированные системы безопасности (ИСБ) , их назначения, состав, какие функции они выполняют.
Это набор технических средств, включающих охрану и тревожную сигнализацию, средства обнаружения возгораний, оповещения о них, средств пожаротушения, системы ТВ наблюдения и контроля доступа, объединенных с помощью компьютера систему и обработки информации, посредством программного продукта, реализующего все организационные, технические и эксплуатационные критерии, объединения систем безопасности, т. е. «интеграция» позволяет:
· минимизировать капитальные затраты на оснащение объекта, аппаратная часть значительно уменьшается как за счет полного исключения дублирующей аппаратуры в разных системах, так и за счет увеличения эффективности работы каждой системы;
· уменьшать время поступления более полной и объективной информации о состоянии объекта, необходимой оператору в экстремальной ситуации для принятия правильного решения. Кроме того, оптимизировать штат охраны, что существенно снижает расходы на содержание, оснащение и лицензирование охранников;
· повышать защищенность самой системы от внешнего воздействия, от несанкционированного доступа к аппаратуре и базам данных, что в результате должно исключать влияние субъективного фактора;
· разграничивать права и приоритеты в доступе к хранению и использованию полученной информации;
· создавать с помощью необходимого комплекса аппаратно-технических средств гибкие логические структуры в интеграции средств безопасности, по принципу «есть задача всегда есть решение».
ИСБ изначально состоит из элементов, которые отвечают, а прием и обработку той информации, которая после преобразований будет сигнализировать:
· о проникновении на территорию;
· о пожарной сигнализации;
· задымлении помещений;
· местонахождении персонала.
И этими элементами являются электрические измерения неэлектрических величин, т. е. разнообразные типы датчиков, извещателей и сигнализаторов.
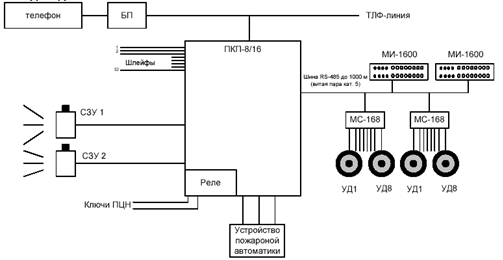
Задание 1 Выбрать состав оборудования и начертить структурную схему многорубежного объектового комплекса охранно-пожарной сигнализации на базе ППКОП «С2000-4» для заданного объекта (см. Приложение 1, рис. 1). Произвести расчет бесперебойного электропитания комплекса, выбрать резервируемый источник питания



Рис. 1. Структурная схема системы на основе ПКП8/16
Прибор приемно-контрольный охранно-пожарный ПКП-8/16 предназначен для [1, c. 9]:
- контроля состояния охранных, пожарных и тревожных ШС охраняемого объекта;
- визуальной и звуковой индикации состояния прибора и ШС;
- выдачи сигналов тревоги на СЗУ;
- передачи информации об изменении состояния прибора и ШС на пульт централизованного наблюдения (ПЦН) систем централизованного наблюдения (СЦН) «Нева-10М», «Центр-М»;
- передачи информации по абонентским линиям городской телефонной сети (ГТС) на пульт автоматизированной системы охранной сигнализации (АСОС) «Алеся» или в режиме объектового прибора «Атлас»;
- управления устройствами пожарной автоматики.
Функциональные возможности изделия [2, c. 5]:
- Модульная конструкция прибора, позволяющая адаптировать систему в зависимости от параметров объекта;
- Программирование системы с помощью пульта ПР-100;
- Контроль до 32-х шлейфов охранной и пожарной сигнализации;
- Гибкое программирование функций и свойств ШС;
- Разбиение шлейфов на 16 независимых зон постановки/снятия;
- Постановка/снятие с охраны при помощи ключей iButtons;
- Распознавание 4-х состояний ШС;
- Возможность использования двухпроводных дымовых извещателей с напряжением питания 12В;
- Наличие универсальной шины (RS-485);
- Поддержка до 8-ми модулей индикации (МИ-1600) и до 2-х модулей для раздельного подключения устройств доступа (МС-168) с возможностью удаления от прибора на расстояние до 1000м;
- Подключение (с помощью модулей МС-168) до 16 устройств доступа (по числу зон), с индикацией состояния соответствующих зон;
- Подключение до 8-ми независимо программируемых реле ПЦН, пожарной автоматики;
- Выходы для подключения 2-х независимо программируемых СЗУ сигнализации;
- Отключение прибора при разряде аккумулятора до 10В;
- Память событий с часами реального времени на 64, 192 или 448 событий (в зависимости от объема установленной памяти);
- Конфигурирование прибора с персонального компьютера при помощи адаптера программирования АП-1;
- Возможность объединения нескольких приборов (максимум 32) в локальную сеть (для версии 2.0К);
- Конфигурирование, а также управление работой прибора с персонального компьютера (ПО «Монитор-8/16») (для версии 2.0К).
Рассмотрим основные параметры вторичных источников питания.
Один из важнейших параметров - напряжение питания сети. В России стандарт на электросети допускает интервал напряжений от 187 до 242 В (220 В +10%, -15%).
Зарубежные требования к сети более жесткие (интервал меньше), поэтому импортные вторичные источники бесперебойного питания не рекомендуется использовать в наших сетях. Более того, некоторые отечественные источники бесперебойного питания выпускаются с параметрами, гарантированными в диапазоне от 198 до 242 В (220 ± 10%), что не соответствует российскому стандарту на сети [13, c. 16].
Использование таких источников питания в реальных условиях чревато либо хроническим недозарядом АКБ, либо срывом стабилизации напряжения, что совершенно недопустимо для систем безопасности. В последнее время на рынке появились источники бесперебойного питания с расширенным диапазоном питающей сети: порядка 150...250 В, так как во многих регионах России пониженное напряжение в сети является нормальным состоянием.
Отсутствие четких требований и стандартов на вторичные источники бесперебойного питания приводит к произволу в определениях и терминологии, что часто запутывает потребителя. Необходимо знать и помнить, что основным параметром вторичного источника бесперебойного питания является выходной номинальный ток.
Это ток, который может отдаваться источником при сохранении заявленного уровня пульсаций, при любом допустимом напряжении в сети в интервале не хуже 187 - 242 В, при любом (в том числе разряженном) состоянии АКБ и во всем допустимом рабочем интервале температур. Только на этот ток вы можете рассчитывать при построении любой системы безопасности [2, c. 8].
Все профессиональные вторичные источники бесперебойного питания имеют защиту от глубокого разряда АКБ. Некоторые источники питания позволяют подключать дополнительные источники резервного питания для увеличения времени работы в режиме резерва.
Многие источники питания имеют повышенные выходные токи в режиме резерва (при отсутствии сети) или кратковременно, что позволяет существенно оптимизировать питание систем безопасности. В первую очередь, это касается систем оповещения и пожаротушения.
Выбирать вторичные источники бесперебойного и резервного питания следует только отечественного производства и от производителей, специализирующихся на их выпуске.
Развитие рынка безопасности, а так же появление НПБ 86-2000 привело к тому, что все выпускаемые источники можно разделить на три основные группы по применению - источники общего применения, источники для систем CCTV и источники для систем ОПС.
Источники общего применения - недорогие источники с упрощенным набором возможностей и параметров. Могут использоваться при построении простых систем СКУД, систем охранной сигнализации на неответственных объектах [3, c. 12].
Профессиональные источники для ОПС - в первую очередь, отличаются наличием в них функций и возможностей, предусмотренных НПБ 86-2000 - таких как электронная защита от КЗ, определение наличия АКБ, индикация и информационные выходы об авариях источника и АКБ.
Источники питания для CCTV - многоканальные источники, специально разработанные для питания дорогостоящей аппаратуры CCTV. Имеют возможность поканальной регулировки напряжения для работы на длинных линиях, фильтры, защищающие камеры от перекрестных помех, дополнительные меры защиты оборудования и т.д.
Помимо источников постоянного тока для питания CCTV применяются переменные напряжения 24 и 220В.
Последнее время заметное развитие получили источники с возможностью установки АКБ большой емкости, либо с возможностью подключения дополнительных внешних АКБ. Это позволяет обеспечивать длительную работу объекта при авариях основной сети.
Появившиеся не так давно в номенклатуре производителей источники бесперебойного питания уличного исполнения позволяют организовать питание распределенных периметральных систем или уличных систем видеонаблюдения [12, c. 15].
При применении источников питания на улице следует помнить, что емкость АКБ существенно падает при отрицательных температурах - в этом случае следует применять специальные термостаты для АКБ.
Помимо пропаданий сетевого электропитания, большой вред аппаратуре наносят скачки напряжения в сети и высоковольтные импульсы, возникающие при грозовых разрядах или коммутационных помехах.
В этом случае хорошую службу сослужат стабилизаторы (для большинства применений в системах безопасности достаточно мощностей около 1 кВт) и устройства защиты от импульсных помех и перенапряжений [13, c. 19].
Задание 2 Произвести сравнительную характеристику извещателей охранных точечных магнитоконтактных ИО102-20 и ИО102-26 «Аякс»
Извещатель охранный точечный магнитоконтактный ИО102-20 предназначен для блокировки гаражных ворот, ангаров, железнодорожных контейнеров и других конструктивных магнитопроводящих (стальных) и магнитонепроводящих (алюминиевых, деревянных, пластиковых и так далее) элементов зданий и сооружений на открывание или смещение с последующей выдачей извещения о тревоге на пульт централизованного наблюдения, систему передачи извещений или приемно-контрольный прибор размыканием или замыканием шлейфа сигнализации контактами встроенного геркона.
Извещатель относится к изделиям конкретного назначения, вида I, непрерывного длительного применения, невосстанавливаемым, стареющим, неремонтируемым, обслуживаемым, контролируемым перед применением по ГОСТ 27.003-90.
В настоящее время выпускается модельный ряд извещателей из восьми конструктивных исполнений в пластмассовых и силуминовых корпусах, с нормально-замкнутыми и переключающими контактами.
Извещатель конструктивно состоит из магнитоуправляемого датчика со встроенным герконом и задающего элемента, выполненного на основе постоянного магнита. Магнитоуправляемый датчик и задающий элемент извещателя помещены в отдельные корпуса.
Масса составных частей извещателя [4, c. 11]:
- магнитоуправляемого датчика не более 0,23 кг;
- задающего элемента не более 0,15 кг.
Выходное электрическое сопротивление извещателя:
- не более 0,5 Ом при замкнутых контактах в режиме протекания максимального тока;
- не менее 200 кОм при разомкнутых контактах.
Средняя наработка извещателя до отказа в нормальном состоянии не менее 200000 ч.
Электрическое сопротивление изоляции между разомкнутыми контактами извещателя, предназначенными для подключения шлейфов сигнализации с номинальным напряжением до 72 В, в соответствии с ГОСТ 12997-84, не менее 5 МОм в нормальных климатических условиях по ГОСТ 28198-89 [4, c. 13].

Рис. 2. Схема извещателя ИО 102-20
Извещатель охранный точечный магнитоконтактный взрывозащищенный ИО 102-26/В (АЯКС) предназначен для блокировки дверей, ворот, ангаров, и других конструктивных элементов зданий и сооружений, (выполненных как из стальных, так и неметаллических материалов), на открывание или смещение с выдачей сигнала «Тревога» на приемно-контрольные приборы, концентраторы или пульты централизованного наблюдения, с входными искробезопасными цепями уровня "ia".
Для подключения извещателя ИО 102-26/В в шлейф сигнализации необходимо использовать устройства, имеющие необходимый уровень взрывозащиты.
Извещатель ИО 102-26/В имеет уровень взрывозащиты «особовзрывобезопасный», маркировку взрывозащиты 0ExiаIICT6 и предназначен для работы во взрывоопасных зонах помещений и наружных установок.
Извещатель ИО 102-26/В конструктивно состоит из датчика магнитоуправляемого на основе геркона и задающего элемента - магнита. Длина выводов датчика - 700мм кабеля, заключенного в металлорукав. Извещатель ИО 102-26/В выпускается в 2-х модификациях: исполнение «10» - нормально-разомкнутый и исполнение «20» - переключающий.
|
Параметр |
Значение |
|
Маркировка взрывозащиты |
0ExiаIICT6 |
|
Степень защиты оболочки |
IP66 |
|
Выходное сопротивление при замкнутых контактах, Ом, не более |
0,5 |
|
Выходное сопротивление при разомкнутых контактах, мОм, не менее |
5 |
|
Диапазон коммутируемых напряжений, В |
0,02 - 72 |
|
Максимальная коммутируемая мощность, Вт, не более |
10 |
|
Габаритные размеры, мм |
168х100х215 |
|
Масса, г не более: |
100 |
|
Температура окружающей среды, °С |
-50 ... +50 |

Рис. 3. Вид извещателя ИО 102-26 «АЯКС»
Задание 3 Выбрать состав оборудования и начертить структурную схему системы контроля и управления доступом на базе оборудования и программного обеспечения «КОДОС» для заданного объекта (см. Приложение 1, рис. 1). Произвести расчет бесперебойного электропитания комплекса, выбрать резервируемый источник питания.
Система контроля и управления доступом совокупность средств контроля и управления, обладающих технической, информационной, программной и эксплуатационной совместимостью.
«СКУД КОДОС» это объединенные в комплексы электронные, механические, электротехнические, аппаратно-программные средства, обеспечивающие возможность доступа определенных лиц в определенные зоны (территория, здание, помещение) или к определенной аппаратуре и ограничивающие доступ лицам, не имеющим такого права [5, c. 20].
Обобщенная структурная схема «СКУД КОДОС» приведена на рисунке 4.

Рис. 4. Обобщенная структурная схема «СКУД КОДОС»
«СКУД КОДОС» включает в свой состав:
1. Идентификаторы пользователей.
2. Устройства идентификации.
3. Контроллеры доступа.
4. Исполнительные устройства.
5. Датчики.
6. Программное обеспечение, установленное на ПК (Сервер ИКБ).
7. Источники питания.
8. Преобразователи протокола.
Идентификатор пользователя уникальный признак субъекта, или объекта доступа. В качестве идентификатора может использоваться запоминаемый сотрудником код, вещественный код, или биометрический признак (биометрическая идентификация) [11, c. 13].
Запоминаемый код - код, вводимый вручную с помощью клавиатуры, кодовых переключателей или других подобных устройств.
Вещественный код код, записанный на физическом носителе.
Кодоноситель электронный ключ, карта (транспондер). Служит для идентификации пользователя в системе. Каждый кодоноситель должен иметь уникальный шестнадцатеричный вещественный код.
Устройства идентификации предназначены для считывания информации с идентификатора пользователя, который запрашивает разрешение на проход, и передачи ее в контроллеры доступа (КД).
Контроллер доступа предназначен для обработки информации, поступающей от устройств идентификации, принятия решения о пропуске, или запрете прохода, управления исполнительным устройством (ИУ) и взаимодействия с сервером СКУД [10, c. 14].
Исполнительные устройства устройства, обеспечивающие допуск, или запрет допуска на объекты (управляемые преграждающие устройства замки, защелки, турникеты, автоматические ворота и так далее).
Датчики устройства, фиксирующие состояние дверей, турникетов и так далее (чаще всего, для этих целей используются герконы), а так же устройства охранной сигнализации.
Сервер ИКБ центральный элемент СКУД, который обеспечивает конфигурирование Системы, установку параметров, передачу настроек в КД, фиксацию всех событий, происходящих в Системе, формирование правил и так далее
Преобразователь протокола устройство, с помощью которого КД подключаются к серверу ИКБ [5, c. 22].
«СКУД КОДОС» позволяет обеспечивать на объекте необходимый порядок, безопасность персонала и посетителей, сохранность материальных ценностей и информации.
Основными функциями СКУД, построенных на КД «КОДОС», являются [6, c. 14]:
- предоставление допуска в находящуюся под контролем СКУД зону лицам, имеющим в данное время право прохода и запрещение доступа лицам, не имеющим такого права;
- автоматизированное управление режимом прохода в контролируемую зону, дистанционное управление состоянием ИУ;
- предоставление пользователю в реальном времени информации о текущих событиях СКУД с помощью текстовых, звуковых и речевых сообщений;
- автоматическое ведение протоколов событий, происходящих в СКУД, включая изменение режимов работы оборудования, ПО и фиксацию действий операторов, работающих с СКУД;
- автоматическое ведение учета рабочего времени, формирование отчетов о событиях СКУД;
- ведение автоматизированного учета постоянных, временных и разовых пропусков (идентификаторов) и хранение в базе данных информации об их владельцах (включая фотоизображения);
- дистанционная визуальная идентификации владельцев пропусков.
Первоначальная настройка «СКУД КОДОС», как и любой другой СКУД, заключается в том, что каждому сотруднику или посетителю после их регистрации с помощью средств СКУД выдается идентификатор. Регистрация с помощью средств СКУД заключается в том, что паспортные данные, фото и другие сведения о владельце идентификатора заносятся в персональную электронную карточку, которая связывается с кодом его идентификатора, после чего данные заносятся в БД. В СКУД каждому коду идентификатора ставится в соответствие информация о правах пользователя, которая хранится в БД на сервере и в КД [7, c. 5].
Пользователи в «СКУД КОДОС» идентифицируются по их кодоносителям при помощи считывателей. От считывателя в КД поступает код поднесенного кодоносителя. Номер считывателя (1 или 2) позволяет КД определить, поднесен кодоноситель со стороны входа или выхода в однодверном режиме работы, или же на входе какой из дверей (первой или второй) в двухдверном режиме.
После приема кода от считывателя КД определяет соответствующие пользователю права и принимает решение о его доступе. Если пользователю с этим кодом идентификатора в данный момент времени доступ разрешен, то КД разблокирует электромагнитный замок (ИУ) двери, соответствующей считывателю от которого принят код. В противном случае замок не разблокируется. Разрешение или запрет доступа индицируется светодиодом считывателя.
Информация обо всех событиях с КД передается в сервер ИКБ, где осуществляется их отображение и архивация. Если какому либо событию поставлено в соответствие правило, то сервер ИКБ «отрабатывает» данное правило [9, c. 3].
Права доступа в «СКУД КОДОС» настраиваются с использованием следующих понятий:
1. Таблица пользователей.
2. Уровень доступа.
3. Таблица разрешенных уровней доступа.
4. Временные зоны.
5. Режим запрета повторного прохода в одном направлении.
6. Режим запрета выхода.
Рассмотрим смысл каждого приведенного понятия.
Таблица пользователей база кодов кодоносителей используемых в СКУД, и хранящаяся в КД.
Уровень доступа совокупность временных интервалов доступа (окон времени) и точек доступа, которые назначаются определенному лицу или группе лиц, имеющим доступ в заданные точки доступа в заданные временные интервалы.
В отличие от кода, уровень доступа не является собственной характеристикой кодоносителя, а задается при занесении кода в память контроллера и в дальнейшем может быть изменен. Коды кодоносителей вместе с соответствующими уровнями доступа заносятся в таблицу пользователей контроллера [8, c. 35].
Таблица разрешенных уровней доступа таблица, ставящая в соответствие коду кодоносителя соответствующий уровень доступа.
Временная зона период времени, состоящий из одного или нескольких временных интервалов, поставленный в соответствие уровню доступа и определяющий особенности функционирования КД в данном временном интервале. Каждая временная зона состоит из восьми временных интервалов доступа.
Временной интервал доступа интервал времени, в течение которого разрешается перемещение в данной точке доступа. В «СКУД КОДОС» начало и окончание временного интервала доступа задаются в формате «часы: минуты» с дискретностью в 10 минут.
Временная зона активна, если выполнены два условия:
С каждой временной зоной сопоставляется таблица уровней доступа. Если временная зона активна, то разрешены все уровни доступа, входящие в ее таблицу [5, c. 31].
Если в какой-то текущий момент времени активны несколько временных зон, то текущая таблица доступа содержит все уровни доступа, разрешенные для активных временных зон в рассматриваемый момент времени.
Некоторое исключение из этого правила составляет доступ в праздничные дни. Флаг, соответствующий праздничным дням, перекрывает действие флагов, соответствующих дням недели.
Режим запрета повторного прохода в одном направлении (по международной терминологии AntiPassBack) противодействие передаче кодоносителя лицу, находящемуся вне зоны контроля СКУД.
Когда для двери включен режим AntiPassBack, то через нее запрещается два раза подряд совершать проход в одном направлении с одним кодоносителем.
Различают локальный AntiPassBack запрет повторного прохода через дверь (турникет), управляемую одним контроллером (чаще всего реализуемый при автономной работе контроллера), и глобальный AntiPassBack когда повторный проход запрещается через контур AntiPassBack [8, c. 42].
Режим запрета выхода (по международной терминологии NoOut) может быть включен или выключен. Если он включен, то запрещается выход тем пользователям, уровни доступа которых находятся в таблице запрета выхода (причина отказа запрет выхода).
Для доступа необходимо выполнение четырех условий:
1. Наличие кода кодоносителя в памяти КД. Если код контроллеру неизвестен (кодоноситель не прописан в памяти), то КД отказывает в доступе обладателю этого кодоносителя (причина отказа неизвестный кодоноситель).
2. Присутствие уровня доступа этого кодоносителя в таблице разрешенных уровней, действующих для данной двери в данный момент времени. Кодоносителю с уровнем доступа, отсутствующим в таблице разрешенных, КД в доступе отказывает (причина отказа заблокированный кодоноситель).
3. Отсутствие ограничений по режиму запрета повторного прохода в одном направлении. КД отказывает в доступе, если для считанного кодоносителя действует режим запрета повторного прохода и в предыдущий раз проход с ним осуществлялся в том же направлении (причина отказа попытка повторного прохода).
4. Отсутствие запрета на выход для считанного кодоносителя. Режим запрета выхода (причина отказа запрет выхода).
Выполнения четырех условий достаточно для разрешения доступа.
Следует учитывать, что выполнение второго условия зависит от момента времени, в который осуществляется попытка доступа. Если ни одна из временных зон в настоящий момент не активна, то права доступа КД определяет по таблице доступа «по умолчанию». Та же таблица применяется, если режим использования временных зон для доступа отключен [9, c. 6].
Система контроля и управления доступом (СКУД) «АЯКС» предназначена для защиты от проникновения посторонних лиц на территорию предприятия, контроля доступа сотрудников в помещения внутри предприятия, обеспечения трудовой дисциплины, автоматизации учета рабочего времени.
СКУД серии «АЯКС». Обобщенная функциональная схема системы СКУД серии «АЯКС» приведена на рис. 5.

Рис. 5. Структурная схема СКУД серии «АЯКС»
Системы серии «АЯКС» с открыванием замка по предъявлению бесконтактных карт доступа эффективны при установке на входные двери, на двери кабинетов и служебных (подсобных) помещений офисов, банков, складов, магазинов.
При установке системы на входные двери дополнительно могут быть подключены переговорные (аудио) видеоустройства.
Системы серии «АЯКС» могут использоваться в сочетании с более сложными системами контроля и управления доступом. При этом одни и те же карточки могут служить пропусками на все разрешенные к доступу объекты.
Максимальное число пользователей для систем «АЯКС» составляет примерно 500 человек. В настоящее время серия «АЯКС» имеет несколько моделей [10, c. 22].
Задание 4 Выбрать состав оборудования и начертить структурную схему системы видеонаблюдения на базе 16-канального видеосервера для заданного объекта (см. Приложение 1, рис. 1). Произвести расчет бесперебойного электропитания комплекса, выбрать резервируемый источник питания
При проектировании системы любой сложности рекомендую начать с наброска структурной схемы системы видеонаблюдения, которая позволит видеть состав всей системы и определится с перечнем необходимых элементов системы (неплохо так же составить предварительную схему расстановки видеокамер в привязке к плану объекта, например, как показано здесь).
Итак, система будет состоять из следующих элементов - видеокамеры, термокожухи, устройства защиты линий, сервер видеонаблюдения (или видеорегистратора), монитора, блока питания видеокамер, источника бесперебойного питания.
К данным элементам добавляем кабельные линии, связывающие все приведенные элементы системы видеонаблюдения [13, c. 25].
Графически, в наглядном виде, система видеонаблюдения построенной на аналоговых видеокамерах с применением видеорегистратора будет выглядеть следующим образом:

Рис. 6. Система видеонаблюдения на базе 16-канального видеосервера

Рис. 7. Структурная схема системы видеонаблюдения

Выпрямитель заряжает аккумуляторную батарею в режиме подзарядки с характеристикой IU и одновременно питает инвертор в режиме холостого хода. Потребители, пока доступна сеть, обеспечиваются напряжением из сети через электромеханическое переключающее устройство через встроенный байпас.
При нарушении общего электропитания, например при падении напряжения в сети более чем на 15% от номинальной величины, или полного отключения внешнего источника напряжения, встроенный контроллер сети переключает всю нагрузку на выход инвертора. При этом возникает пауза в обеспечении потребителей порядка 300 мс [7, c. 8].
Инвертор принимает на себя питание потребителей от аккумуляторной батареи. После появления напряжения в сети потребители с выдержкой времени, автоматически переключаются обратно на питание от сети. Выпрямитель сразу же начинает зарядку аккумуляторной батареи.
С помощью активируемого ручного байпаса для технического обслуживания установка может быть полностью отключена для осуществления проверки, например выпрямителя, инвертора или аккумулятора.
Пока переключатель находится в положении «Service bypass» байпас для технического обслуживания возможное переключение при неполадках сети блокировано [6, c. 20-21].
Задание 5 Принципы построения и основные технические характеристики интегрированной системы безопасности «ОРИОН».
В состав ИСО «Орион» входит 116 приборов и устройств и 33 программных продукта, однако принцип построения системы легко понять с помощью простой трехуровневой модели.

Рис. 8. Схема ИСО «ОРИОН»
На небольших по размеру или сложности объектах ИСО «Орион» ограничивается применением одного или нескольких приборов в автономном режиме работы (нижний уровень) [5, c. 37].
При этом возможности системы определяются функциональными возможностями каждого прибора. Так можно реализовать системы охранной и пожарной сигнализации, несложные системы контроля и управления доступом и оповещения о пожаре, локальную автоматику газового и порошкового пожаротушения.
Интеграция в этом случае ограничена простой передачей сигналов от одной системы к другой с помощью релейных выходов приборов. Пользователь может управлять такими системами непосредственно в месте установки приборов с помощью встроенных или подключаемых устройств: кнопок и считывателей. Все приборы, как правило, монтируются в одном защищаемом помещении на посту охраны или в диспетчерской.
Для перехода к «распределенной» системе безопасности используется средний уровень ИСО «Орион», в котором к приборам нижнего уровня добавляются пульт управления (сетевой контроллер) и вспомогательные устройства: клавиатуры, релейные модули, блоки индикации и другие [2, c. 12].
Пульт управления выполняет две основные функции: 1) аппаратного объединения отдельных приборов и устройств с помощью единого системного интерфейса RS-485 и линий связи; 2) информационного объединения оборудования с помощью общего протокола информационного обмена.
Дополнительно пульт управления имеет встроенную клавиатуру и индикацию, используемые пользователем для централизованного дистанционного управления системой безопасности. Линии связи за счет различной конфигурации («шина», «дерево», «кольцо») расширяют топологию простых радиальных шлейфов сигнализации и позволяют на несколько километров увеличить расстояние от поста охраны до крайнего извещателя.
Вспомогательные устройства пользователь использует для управления системой и получения от нее необходимой информации в нужном виде в любом месте объекта. Для обеспечения высокой надежности в основные приборы ИСО «Орион» заложена функция перехода на автономную работу в случае нарушения связи с пультом управления.
Таким образом, средний уровень построения ИСО «Орион» характеризуют следующие качественные признаки [12, c. 24-26]:
- все приборы осуществляют информационный обмен с пультом управления;
- приборы с разными функциями без потери взаимосвязи могут быть разнесены по территории объекта, смонтированы в отдельных помещениях (аппаратных) или в недоступных посторонним местах (запотолочном пространстве);
- возможности управления охранной сигнализацией расширяются за счет объединения шлейфов сигнализации в группы (разделы охраны);
- в системе контроля доступа появляется централизованная база ключей;
- количество приборов и вспомогательных устройств в системе определяется возможностями пульта управления;
- образуются перекрестные логические связи между шлейфами сигнализации одного прибора и релейными выходами другого;
- информационные команды, передаваемые по общей линии связи, приходят на смену релейным сигналам управления и сопутствующим соединительным кабелям;
- автоматизированы процедуры управления разделами охраны (группами шлейфов сигнализации) и группами релейных выходов;
- интеграция подсистемы видеонаблюдения ограничивается применением реле;
- интеграция между подсистемами безопасности действует на уровне взаимосвязи между несколькими событиями, при этом реакция системы формируется с помощью стандартных алгоритмов управления, заданных в пульте управления.
Верхний уровень построения ИСО «Орион» полностью опирается на использование системного программного обеспечения. Программное обеспечение обычно применяется в следующих случаях [10, c. 34-37]:
- на объекте требуется организация круглосуточного поста охраны или диспетчерской с автоматизированными рабочими местами;
- объект настолько большой, что для его оснащения недостаточно оборудования, обслуживаемого одним пультом управления и требуется объединить нескольких локальных систем.
Применение программного обеспечения, как правило, подразумевает использование локальной сети объекта, что значительно расширяет территориальную топологию системы безопасности. Локальная сеть позволяет организовать множество рабочих мест с различным функционалом по всей территории объекта [9, c. 7].
Верхний уровень построения ИСО «Орион» характеризуют следующие признаки:
- несколько локальных ИСО «Орион» со своими сетевыми контроллерами объединены с помощью компьютера, имеют сводную базу данных и общее взаимодействие;
- массовые процедуры постановки на охрану и снятия с охраны выполняются в один клик или автоматически - по сценариям и временному расписанию;
- число пользователей в системе контроля доступа достигает шестизначной цифры, ограничиваясь только размером таблицы Базы данных;
- контроль доступа поддерживает сложные алгоритмы прохода и учета;
- гибкая система формирования отчетов полностью удовлетворяет запросы службы безопасности и эксплуатации;
- к возможностям интеграции подсистемы видеонаблюдения на релейном уровне добавляется взаимодействие на программном уровне через локальную сеть;
- появляется возможность программного взаимодействия с инженерными системами;
- сценарии управления расширяются до уровня комплекса команд, запускаемых автоматически по событиям или по команде оператора [4, c. 17].
Задание 6 Требования правил техники безопасности при монтаже и эксплуатации систем охранной безопасности
Требования настоящего раздела подлежат выполнению работниками монтажных и эксплуатационных организаций, осуществляющих монтаж и техническую эксплуатацию ВОЛП ЖТ с кабелями, подвешенными на опорах контактной сети и линий автоблокировки.
Работы на высоте (при которых подошвы обуви работника монтажной или эксплуатационной организации находятся выше 1,3 м от поверхности земли, перекрытия, настила, пола площадки) и верхолазные работы (выполняемые на высоте более 5 м от поверхности земли, перекрытия или рабочего настила, над которым производятся работы, непосредственно с конструкций при их монтаже или ремонте) следует производить [2, c. 28]:
- с приставных лестниц, съемных монтажных вышек;
- с подмостей, лесов, площадок монтажных дрезин и автомотрис;
- с люлек и корзин гидроподъемников и машин с шарнирной стрелой;
- с применением когтей.
Работы должны производиться с обязательным применением предохранительного пояса [8, c. 90-91].
Работы по монтажу или восстановлению ВОЛП ЖТ с кабелями, подвешенными на опорах контактной сети или высоковольтных линий автоблокировки, возглавляются руководителем работ от монтажной организации или организации, осуществляющей техническую эксплуатацию (при восстановлении ВОЛП ЖТ), под наблюдением производителя работ от дистанции электроснабжения, ответственного за электробезопасность на контактной сети и ВЛ автоблокировки (исключая надзор за электроустановками машин и механизмов монтажной организации).
Работа выполняется по наряду формы ЭУ-115, который выдается производителю работ от дистанции электроснабжения к наряду-допуску, который должен быть получен руководителем работ от монтажной или эксплуатационной организации.
Вторым лицом, указанным в наряде, должен быть представитель монтажной или эксплуатирующей ВОЛП ЖТ организации, фамилия которого должна быть указана в списке, находящемся в дистанции электроснабжения.
Производитель работ от дистанции электроснабжения, на имя которого выдан наряд формы ЭУ-115, отвечает: за правильность подготовки рабочих мест и выполнение необходимых при производстве работ мер безопасности; за пригодность и исправность применяемых средств защиты, монтажных и сигнальных средств; за инструктаж работников монтажной или эксплуатационной организации по вопросам электробезопасности при выполнении работ вблизи контактной сети и ВЛ и обеспечению безопасности движения поездов; за оформление ежедневного допуска к работе и переход на другое место работ [13, c. 45].
Указания производителя работ от дистанции электроснабжения являются обязательными для руководителя работ от строительно-монтажной организации и подчиненных ему работников.
Верховые осмотры ВОЛП ЖТ с ВОК, подвешенными на опорах контактной сети или ВЛ автоблокировки, выполняются работниками ЭТЦ регионального оператора или ЛКУ ШЧ при технической эксплуатации ВОЛП ЖТ как работы категории «вдали от частей, находящихся под напряжением», при которых работающему в зоне (месте) работы нет надобности или запрещено приближаться к опасным элементам на расстояние менее 2 м.
Верховые осмотры, связанные с подъемом на опоры контактной сети или линий автоблокировки, должны выполняться по наряду-допуску, выданному лицом, имеющим право выдачи наряда-допуска по соответствующему району контактной сети (ЭЧК) или электрических сетей (ЭЧС) [10, c. 42].
При этом бригада ЭТЦ регионального оператора или ЛКУ ШЧ, производящая верховой осмотр, должна состоять не менее чем из двух человек. Руководитель работ должен иметь квалификационную группу по электробезопасности не ниже IV, а исполнители работ - не ниже III.
Список работников ЭТЦ и ЛКУ ШЧ, допущенных к проведению верховых осмотров с подъемом на опоры, должен находиться в дистанции электроснабжения и у энергодиспетчера, а также в ЭТЦ и РПЛ.
После окончания инструктажа исполнители работ должны расписаться в наряде-допуске.
Работники монтажной или эксплуатационной организации могут приступать к работе только после ежедневной (перед началом работ) и после каждого перерыва проверки наличия заземлений, установленных на провода, с которых снято напряжение. Такая проверка выполняется производителем работ от дистанции электроснабжения совместно с руководителем работ от строительно-монтажной организации.
Работникам организаций, осуществляющих монтаж ЛКС ВОЛП ЖТ, разрешается выполнять работы только со снятием напряжения и заземлением.
Работникам ЭТЦ регионального оператора, ЛКУ ШЧ, осуществляющих техническую эксплуатацию ВОЛП ЖТ, разрешается выполнять работы только двух категорий [6, c. 32-33]:
- со снятием напряжения и заземлением;
- вдали от частей, находящихся под напряжением.
Со снятием напряжения и заземлением считается такая работа, при которой в зоне (месте) ее выполнения снято напряжение и заземлены те провода и устройства, рядом с которыми будет выполняться эта работа.
Вдали от частей, находящихся под напряжением, считается такая работа, при которой работающему на ЛКС ВОЛП ЖТ запрещено приближаться самому, а также используемыми в работе предметами и инструментами к контактной сети и проводам линии автоблокировки на расстояние менее 2 м.
Работы могут производиться только при наличии оформленных надлежащим образом документов.
Производителем работ, выполняемых со снятием напряжения и заземлением, должен быть представитель дистанции электроснабжения.
Персонал дистанции электроснабжения должен выполнять снятие напряжения, проверку его отсутствия, установку заземлений, допуск к работе и наблюдение за производством работ по сооружению ВОЛП ЖТ [5, c. 41].
Список использованной литературы
- Зарубин В.С. Проектирование систем охраны: учеб. пособие / В.С. Зарубин, Д.В. Картавцев. Воронеж: Воронежский институт МВД России, 2010. 86 с.
- Зарубин В.С. Системы видеомониторинга стационарных объектов: учеб. пособие / В.С. Зарубин, Д.В. Картавцев, М.В. Таравков. Воронеж: Воронежский институт МВД России, 2012. 65 с.
- Зарубин В.С. Технические системы антитеррористической и противокриминальной защиты объектов: учеб. пособие / В. С. Зарубин. Воронеж: Воронежский институт МВД России, 2009. 194 с.
- Р 78.36.031-2013. О порядке обследования объектов, квартир и МХИГ, принимаемых под охрану: методические рекомендации. М.: НИЦ «Охрана» МВД России, 2013. 51 с.
- Р 78.36.032-2013. Инженерно-техническая укрепленность и оснащение техническими средствами охраны объектов, квартир и МХИГ, принимаемых под централизованную охрану подразделениями вневедомственной охраны. Часть 1: методические рекомендации «Охрана». М.: НИЦ «Охрана» МВД России, 2013. 84 с.
- Р 78.36.036-2013. Методическое пособие по выбору и применению пассивных оптико-электронных инфракрасных извещателей. М.: НИЦ «Охрана» МВД России, 2013. 84 с.
- Р 78.36.037-2013. Методика проведения входного контроля СЦН, предназначенных для применения во вневедомственной охране». М.: НИЦ «Охрана» МВД России, 2013. 21 с.
- Р 78.36.038-2013. Построение и техническое обслуживание локально-вычислительной сети в пределах пункта централизованной охраны: рекомендации. М.: НИЦ «Охрана», 2013. 205 с.
- Р 78.36.039-2014. Технические средства систем безопасности объектов. Обозначения условные графические элементов технических средств охраны, систем контроля и управления доступом, систем охранного телевидения. М.: НИЦ «Охрана» МВД России, 2014. 15 с.
- Рогожин А.А. Основы построения интегрированных систем безопасности: учеб. пособие / А.А. Рогожин. Воронеж: Воронежский институт МВД России, 2012. 74 с.
- Рогожин А.А. Техническое обслуживание и текущий ремонт средств и систем охранной безопасности: учебное пособие / А.А. Рогожин, М.В. Таравков. Воронеж: Воронежский институт МВД России, 2013. 93 с.
- Сердюк А. С. Объектовые средства обнаружения: учебное пособие / А. С. Сердюк, В.С. Зарубин. Воронеж: Воронежский институт МВД России, 2010. 95 с.
- Системы охранной безопасности: принципы построения и тактика применения: учебное пособие / В.С. Зарубин [и др.]. Воронеж: Воронежский институт МВД России, 2012. 266 с.
PAGE \* MERGEFORMAT2
Интегрированные системы безопасности (ИСБ)