Базові схеми, таблиці істинності та особливості функціонування запам’ятовуючих елементів: RS-тригер, JK-тригер, D-тригер, T-тригер, тригер Шмітта
Лекція №23
Тема лекції: Базові схеми, таблиці істинності та особливості функціонування запамятовуючих елементів: RS-тригер, JK-тригер, D-тригер, T-тригер, тригер Шмітта.
План лекції
1. Визначення і призначення тригерів
2. RS-тригер
3. D-тригер
4. Т-тригер
5. JK-тригер
Література
1. Кучумов А.И. Электроника и схемотехніка 2002. ст. 211-216.
2. Ю.П.Колонтаєвський „Промислова електроніка та мікросхемотехніка: теорія і практикум” 2003. ст. 161-167.
3. Опадчий Ю.Ф. Аналоговая и цифровая электроника 2000. ст. 553-572.
Зміст лекції
1. Визначення і призначення тригерів
Тригер - це що запам'ятовує елемент з двома стійкими поляганнями, зміна яких відбувається під дією вхідних сигналів. Як елемент комп'ютера, тригер призначений для зберігання одного біта інформації, тобто балка. 0 або балка. 1. Схема тригера забезпечує запис, зчитування, стирання і індикацію збереженої двійкової інформації. На основі тригерів будують типові функціональні вузли комп'ютерів - регістри, лічильники, суматори, а також мікропрограмні автомати.

Всі різновиди тригерів є елементарним автоматом, що включає власне елемент пам'яті (ЕП) і схему управління (СхУ), яка утворює вхідну логіку. Стан тригера визначається сигналами на прямому Q і інверсному виходах. При позитивному кодуванні інформації високий рівень напруги на прямому виході відображає значення лог. 1 (стан Q = 1), а низький рівень - значення лог. 0 (стан Q= 0).
Зміна стану тригера (його перемикання) забезпечується зовнішніми сигналами і сигналами зворотного зв'язку на виході тригера, поступаючі на входи СхУ. Звичайно зовнішні сигнали, як і входи тригера, позначають латинськими буквами R, S, Т, С, V і ін.. В найпростіших схемах тригерів окрема СхУ може бути відсутній. Оскільки функціональні властивості тригерів визначаються їх СхУ, то назви основних входів переносяться на всю схему тригера.
Тригери класифікують по наступних ознаках:
- логіці функціонування (RS, JK, D, T і ін.);
- способу запису інформації (асинхронні і синхронні);
- моменту реакції на тактовий сигнал (статичні, динамічні);
- кількості тактів синхронізації (одно-, двох- і тритактові);
- кількості ступенів (одно- або двухступеневі тригери);
- складу логічних елементів (тригери на елементах НІ-І, НІ-АБО, НІ-І-АБО і ін.).
Відповідно до логіки функціонування розрізняють наступні тригери:
- з роздільною установкою сттанів "0" і "1" (RS-тригери);
- з одним інформаційним входом (D-тригери);
- з рахунковим входом (T-тригери);
- універсальні з роздільною установкою станів "0" і "1" (JK-тригери);
- комбіновані (RSТ-, RSJK-тригери);
- з складною вхідною логікою.
Входи тригерів розділяються на інформаційні (R, S, Т і ін.) і управляючі (С, V). Інформаційні (логічні) входи призначені для прийому сигналів інформації, що запам'ятовується. Назви вхідних сигналів ототожнюють з назвами входів тригера. Управляючі входи служать для управління записом інформації. В тригерах може бути два види управляючих сигналів: синхронізуючий (тактовий) сигнал С, поступаючий на С-вход (тактовий вхід) і дозволяючий сигнал V, поступаючий на V-вхід.
За способом запису (прийому) інформації розрізняють асинхронні і синхронні (тактовані) тригери. Тригери, що не мають С-входу, називаються асинхронними. В асинхронних тригерах запис інформації проводиться у будь-який момент часу під час вступу сигналів на інформаційні входи.
Тригери, що мають С-вхід, називаються синхронними. В синхронному тригері запис інформації можливий при збігу сигналів на інформаційному і синхронному входах. Цим пояснюється більш висока перешкодостійкість синхронних тригерів порівняно з асинхронними.

На V-входи тригера поступають сигнали, які дозволяють (V = 1) або забороняють (V = 0) запис інформації. В синхронних тригерах з V-входом запис інформації можливий при збігу сигналів на інформаційному, С- і V- входах.
Залежно від кількості тактових сигналів, необхідних для формування нового стану, розрізняють однотактні, двотактні і багатотактні тригери.
За способом управління записом (моменту реакції на тактовий сигнал) виділяють синхронні тригери із статичним (по рівню), динамічним (по фронтах) і двохступеневим управлінням. В асинхронних тригерах запис нуля і одиниці можливий у будь-який момент часу, при цьому вхідний інформаційний сигнал одночасно є і керівником. В синхронних тригерах з управлінням по рівню запис інформації можливий тільки протягом тривалості тактового сигналу. При цьому тактові сигнали можуть бути прямими (змінюватися від нуля до одиниці) або інверсними (змінюватися від одиниці до нуля). При управлінні фронтами дозвіл на запис інформації дається тільки у момент перепаду тактового сигналу від нуля до одиниці (прямий динамічний вхід) або від одиниці до нуля (інверсний динамічний вхід). В інші моменти часу тригер не реагує на вхідні інформаційні сигнали незалежно від рівня тактового імпульсу.
Для тригерів встановлені наступні динамічні параметри, вимірювані на рівні половини амплітуди сигналів:
- мінімальна тривалість імпульсу tc на тактовому вході;
- мінімальний час попередньої установки сигналу на інформаційному вході tyст;
- час відновлення (фіксації) tвос - мінімальний час між наростанням синхросигнала С і спадом інформаційного сигналу D; для асинхронних тригерів tвoc просто тривалість вхідного сигналу;
- час перемикання тригера tпт - часовий інтервал між фронтом вхідного перемикаючого сигналу і фронтом сигналу на виході Q або (який пізніше приймає новий стан). Мінімальна тривалість синхросигнала на вході тригера визначається максимальним часом перемикання тригера tctпт.max. В двохступеневому тригері з однотактною синхронізацією час перемикання другого ступеня визначається по відношенню до спаду синхроімпульса.
2. RS-тригер
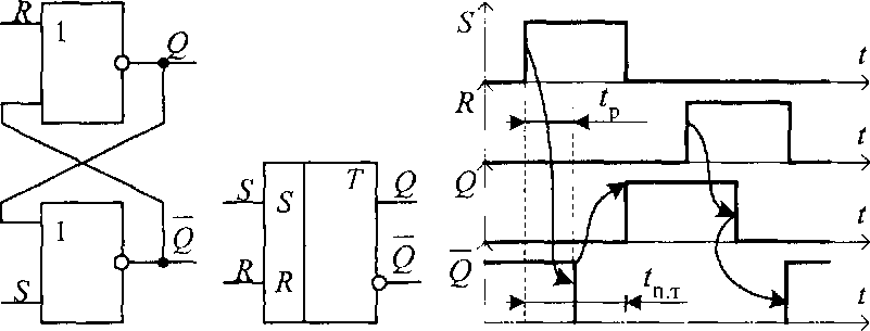
RS-тригером називають той, що запам'ятовує елемент з роздільними інформаційними входами для установки його в стан "0" (R-вход) і в стан "1" (S-вход). Назва "RS-тригер" утворена від перших букв слів RESET (скидання) і SET (установка). Тригер RS використовується як пристрій пам'яті в інших типах тригерів.
Асинхронный триггер RS-типа.
|
Rt |
St |
Qt |
Qt+1 |
|
0 |
0 |
0 |
0 |
|
0 |
0 |
1 |
1 |
|
0 |
1 |
0 |
1 |
|
0 |
1 |
1 |
1 |
|
1 |
0 |
0 |
0 |
|
1 |
0 |
1 |
0 |
|
1 |
1 |
0 |
К6 |
|
1 |
1 |
1 |
K7 |

При S=1 (одиничний вхід) и R=0 (нульовий вхід) на виходах тригеру зявляються сигнали: на прямому виході Q=1, на інверсному =0. При S=0 и R=1 вихідні сигнали тригера приймають протилежні стани (Q=0, =1). При одночасному надходженні сигналу 0 на входи R і S тригер зберігає стан, в якому він знаходитися до надходження інших вхідних сигналів. При одночасному надходженні сигналу 1 на входи R і S вихідні сигнали тригера не визначені, тому в пристроях на основі RS-тригера необхідно виключати режим, при якому обидва сигнали R і S рівні одиниці. Для тригера RS комбінація S=1 і R=1 є забороненою. Після такої комбінації управляючих сигналів стан тригера буде невизначеним: він може опинитися або в нулі, або в одиниці.
Синхронний RS-тригер відрізняється від асинхронного наявністю входу С (Clock) для синхронізуючих тактових імпульсів. Синхронний тригер складається із з асинхронного RS-тригера і двох логічних елементів на його вході.

3. D-тригер
Тригером типа D називається синхронний запам'ятовуючий елемент з двома стійкими станами і одним інформаційним D-входом (delay-задержка). Схему D-триггера можна побудувати на основі синхронного RS-тригера, якщо сигнал по входу S одночасно подавати через інвертування на вхід R
Завдяки інвертуванню неможливе заборонене співвідношення сигналів на входах S і R. D-тригер здійснює затримку установки Q на якийсь час, відділяючий момент зміни сигналу D від початку чергового тактового імпульсу, причому вихідний сигнал Q зберігається до приходу чергового тактового імпульсу.
D-тригер є синхронним тригером, тому при подачі синхроімпульса С=0 стан тригера стійкий і не залежить від стану входу D. При подачі синхроімпульса С=1 інформація на виході Q повторюватиме інформацію на вході D. На виході відбуватиметься затримка сигналу по відношенню до сигналу, поданого на вхід, на час паузи між синхроімпульсами. Тому для стійкої роботи D-тригера необхідно що б під час синхроімпульса інформація на вході була незмінною.
|
С |
Dn |
Qn+1 |
|
1 |
0 |
0 |
|
1 |
1 |
1 |
|
0 |
0 |
0 |
|
0 |
1 |
0 |

Для затримки інформації в D-тригері на довільне число тактів використовується дозволяючий V-вхід. Якщо V = 1, то DV-тригер функціонує як звичний тригер затримки; якщо V = 0, то робота схеми по входах блокується і DV-тригер зберігає попередню інформацію.
4. Т-тригер
Тригером типа Т називається що запам'ятовує елемент з двома стійкими станами і одним інформаційним Т-входом (toggole переключатель). Стан Т-тригера змінюється на протилежне після кожного надходження рахункового сигналу на Т-вход. T-триггер створюється на базі тактованого D-триггера, якщо його інверсний вихід з'єднати з інформаційним входом.

При Т=1 відповідний фронт сигналу на тактовому вході переводить тригер в протилежний стан (з нуля в одиницю і навпаки). Частота зміни потенціалу на виході Т-тригера в два рази менше частоти імпульсів на його тактовому вході (при Т=1). Ця властивість Т-тригерів дозволяє будувати на їх основі двійкові лічильники. Тому ці тригери і називаються рахунковими.
|
Т |
Qn |
Qn+1 |
|
0 |
0 |
0 |
|
0 |
1 |
1 |
|
1 |
0 |
1 |
|
1 |
1 |
0 |
5. JK-тригер
|
Kt |
Jt |
Qt |
Qt+1 |
|
0 |
0 |
0 |
0 |
|
0 |
0 |
1 |
1 |
|
0 |
1 |
0 |
1 |
|
0 |
1 |
1 |
1 |
|
1 |
0 |
0 |
0 |
|
1 |
0 |
1 |
0 |
|
1 |
1 |
0 |
1 |
|
1 |
1 |
1 |
0 |
Тригером типа JK називається запам'ятовуючий елемент з двома стійкими станами і інформаційними входами J (аналог S) і К (аналог R), які забезпечують відповідно роздільну установку станів "1" і "0". Він функціонує подібно RS-тригеру, проте при збігу сигналів JK = 1 перемикається в протилежний стан, тобто реалізує складання сигналів по модулю два. Таким чином, JK-тригер не має заборонених комбінацій вхідних сигналів. Тригер типу JK є універсальним, оскільки може виконувати функції RS-тригера (при роздільному надходженні сигналів J і К), T-тригера (при одночасній подачі сигналів J і К), D-тригера (при подачі сигналу від входу J через інвертування на вхід К).


Базові схеми, таблиці істинності та особливості функціонування запам’ятовуючих елементів: RS-тригер, JK-тригер, D-тригер, T-тригер, тригер Шмітта