Функціонування і використання кодерів і декодерів. Функціонування типів кодерів. Використання інтеграції середнього, високого і дуже високого рівнів
Лекція №26
Тема лекції: Функціонування і використання кодерів і декодерів. Функціонування типів кодерів. Використання інтеграції середнього, високого і дуже високого рівнів.
План лекції
1. Комбінаційні функціональні вузли
2. Шифратор
3. Дешифратор
Література
1. Кучумов А.И. Электроника и схемотехніка 2002. ст. 205-207.
2. Ю.П.Колонтаєвський „Промислова електроніка та мікросхемотехніка: теорія і практикум” 2003. ст. 172-173.
Зміст лекції
1. Комбінаційні функціональні вузли
Комбінаційні функціональні вузли характеризуються однозначною відповідністю вихідних сигналів допустимим комбінаціям на вході і не залежать від послідовності їх зміни. До комбінаційних функціональних вузлів відносяться:
- перетворювачі кодів (шифратори і дешифратори)
- розподільники кодів (мультиплексори і демультиплексори)
Перетворювачі кодів призначені для перекладу чисел з однієї форми представлення в іншу (прямий, зворотний, додатковий, двійково-кодований). При введенні інформації в цифровий пристрій необхідно перетворювати десяткові числа в двійкові, а на виході навпаки.
Перетворювачі кодів будуються на основі таблиць відповідностей, в яких записується повний набір вхідних і відповідний набір вихідних слів.
2. Шифратор

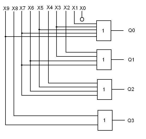
Окремим випадком перетворювача кодів є шифратор (кодер) пристрій, що забезпечує перетворений десяткового коду в двійковий. Входам шифратора привласнюють значення десяткових чисел, тому подача активного логічного сигналу на один з входів сприймається як подача відповідного десяткового числа. Шифратор має 2n входів і n виходів. Функція шифратора позначається CD (coder). Одне з основних вживань шифратора введення даних з клавіатури десяткових чисел.

Натиснення клавіші з числом повинне приводити до передачі в цифровий пристрій двійкового коду цього числа.
|
вхідні сигнали |
вихідні |
||||||||||||
|
x9 |
x8 |
x7 |
x6 |
x5 |
x4 |
x3 |
x2 |
x1 |
x0 |
Q3 |
Q2 |
Q1 |
Q0 |
|
0 |
0 |
0 |
0 |
0 |
0 |
0 |
0 |
0 |
1 |
0 |
0 |
0 |
0 |
|
0 |
0 |
0 |
0 |
0 |
0 |
0 |
0 |
1 |
0 |
0 |
0 |
0 |
1 |
|
0 |
0 |
0 |
0 |
0 |
0 |
0 |
1 |
0 |
0 |
0 |
0 |
1 |
0 |
|
0 |
0 |
0 |
0 |
0 |
0 |
1 |
0 |
0 |
0 |
0 |
0 |
1 |
1 |
|
0 |
0 |
0 |
0 |
0 |
1 |
0 |
0 |
0 |
0 |
0 |
1 |
0 |
0 |
|
0 |
0 |
0 |
0 |
1 |
0 |
0 |
0 |
0 |
0 |
0 |
1 |
0 |
1 |
|
0 |
0 |
0 |
1 |
0 |
0 |
0 |
0 |
0 |
0 |
0 |
1 |
1 |
0 |
|
0 |
0 |
1 |
0 |
0 |
0 |
0 |
0 |
0 |
0 |
0 |
1 |
1 |
1 |
|
0 |
1 |
0 |
0 |
0 |
0 |
0 |
0 |
0 |
0 |
1 |
0 |
0 |
0 |
|
1 |
0 |
0 |
0 |
0 |
0 |
0 |
0 |
0 |
0 |
1 |
0 |
0 |
1 |
Шифратори, які при одночасному натисненні декількох клавіш виробляють код тільки старшого числа, називаються пріоритетними. Пріоритетні шифратори, які здійснюють пошук старшої (лівої) одиниці в слові і формуванні на виході двійкового коду шуканого розряду, називаються показниками старшої одиниці. Їх використовують в пристроях нормалізації чисел з плаваючою точкою, в системах пріоритетного лудіння запитів на переривання роботи цифрового пристрою. Робота пріоритетного шифратора описується таблицею істинності:
|
вхідні сигнали |
вихідні |
||||||||||||
|
x9 |
x8 |
x7 |
x6 |
x5 |
x4 |
x3 |
x2 |
x1 |
x0 |
Q3 |
Q2 |
Q1 |
Q0 |
|
0 |
0 |
0 |
0 |
0 |
0 |
0 |
0 |
0 |
1 |
0 |
0 |
0 |
0 |
|
0 |
0 |
0 |
0 |
0 |
0 |
0 |
0 |
1 |
- |
0 |
0 |
0 |
1 |
|
0 |
0 |
0 |
0 |
0 |
0 |
0 |
1 |
- |
- |
0 |
0 |
1 |
0 |
|
0 |
0 |
0 |
0 |
0 |
0 |
1 |
- |
- |
- |
0 |
0 |
1 |
1 |
|
0 |
0 |
0 |
0 |
0 |
1 |
- |
- |
- |
- |
0 |
1 |
0 |
0 |
|
0 |
0 |
0 |
0 |
1 |
- |
- |
- |
- |
- |
0 |
1 |
0 |
1 |
|
0 |
0 |
0 |
1 |
- |
- |
- |
- |
- |
- |
0 |
1 |
1 |
0 |
|
0 |
0 |
1 |
- |
- |
- |
- |
- |
- |
- |
0 |
1 |
1 |
1 |
|
0 |
1 |
- |
- |
- |
- |
- |
- |
- |
- |
1 |
0 |
0 |
0 |
|
1 |
- |
- |
- |
- |
- |
- |
- |
- |
- |
1 |
0 |
0 |
1 |
Як видно з таблиці, сигнали з великим пріоритетом блокують запити з меншими пріоритетами.
3. Дешифратор

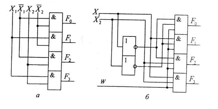
Дешифратором називається вузол цифрового пристрою, призначений для перетворення кожної комбінації вхідного двійкового коду в управляючий сигнал тільки на одному з своїх виходів (виходам привласнюють значення десяткових чисел). Дешифратор має n входів і 2n виходів. Функція дешифратора позначається DC (decoder)
У схеми дешифраторів іноді вбудовують стробуючі (дозволяючі) входи, наприклад, W. За допомогою цього сигналу визначається момент спрацьовування дешифратора; крім того, вхід W використовується для збільшення розрядності вхідного коду.
Дешифратори використовуються для виконання наступних операцій:
- дешифрації коду операції, записаного в регістр команд процесора, що забезпечує вибір необхідної мікрооперації
- перетворення коду адреси в управляючі сигнали вибору заданого елементу пам'яті в процесі запису або зчитування інформації
- забезпечення візуалізації на зовнішніх пристроях (формування зображень на дисплеях і табло)
Схемотехнічно дешифратор може бути реалізований з парафазними входами (рис а) або з однофазними входами і стробуванням (рис б). В другому випадку зворотний код формується елементами НІ. Якщо сигнал W=0, то робота дешифратора блокується на всіх виходах встановлюються логічні нулі незалежно від значення вхідних змінних. При W=1 функціонує згідно таблиці істинності
|
входи |
виходи |
||||
|
Х2 |
Х1 |
F0 |
F1 |
F2 |
F3 |
|
0 |
0 |
1 |
0 |
0 |
0 |
|
0 |
1 |
0 |
1 |
0 |
0 |
|
1 |
0 |
0 |
0 |
1 |
0 |
|
1 |
1 |
0 |
0 |
0 |
1 |

Функціонування і використання кодерів і декодерів. Функціонування типів кодерів. Використання інтеграції середнього, високого і дуже високого рівнів