Прямо ходовой импульсный преобразователь постоянного тока
АННОТАЦИЯ
Пояснительная записка к курсовому проекту содержит:
Страниц -12
Рисунков -7
Источников-3
Графического материала-1
Объектом проектирования является прямо ходовой импульсный преобразователь постоянного тока.
Цель работы: Выбор и обоснование силовой части. Расчет силовой части. Разработка системы управления и защиты.
Курсовой проект выполнен в текстовом редакторе Microsoft Word 2013 на белой бумаге формата А4 с использование программ T-Flex CAD 7.2, Paint 5.1, Microsoft Visio 2010.
СОДЕРЖАНИЕ
ВВЕДЕНИЕ……………………………………………………………...3
Выбор и обоснование силовой части………………………………….4
Разработка структурной схемы системы защиты и управления…….5
Расчет силовой части………………………………………………..….7
Расчет трансформатора………………………………………………...9
Выбор силовых ключей……………………………………………….11
Заключение ………………………………………...………………….12
Перечень используемых источников………………………...………12
Введение
В данном курсовом проекте проектируется прямоходовой импульсный преобразователь постоянного тока.
Прямоходовой преобразователь (Forward) это одноключевой преобразователь, в котором для передачи энергии из первичной цепи во вторичные цепи используется трансформатор. Энергия передаётся из первичной обмотки во вторичную, когда ключ замкнут и через него течёт ток.

Рис.1. Схема прямо ходового преобразователя постоянного тока
Достоинства :
- Наличие всего одного ключевого микросхема;
- Магнитопровод импульсного трансформатора имеет меньшие габариты, чем магнитопровод трансформатора обратноходового преобразователя при прочих одинаковых условиях эксплуатации и близких режимах работы.
Недостатки:
- У прямо ходового преобразователя постоянного тока возникает подмагничивание сердечника трансформатора, вызванное несимметричным циклом перемагничивания петли гистерезиса. Из-за этого КПД такого преобразователя обычно меньше, чем у двухтактных преобразователей с симметричным перемагничиванием импульсного трансформатора.
- Принципиальная невозможность использования эффективных систем симметрирования в прямо ходовых импульсных преобразователях постоянного тока является недостатком. Предельную петлю гистерезиса магнито-провода однотактного прямо ходового преобразователя может спасти только быстродействующая система защиты, в противном случае они будут выведены из строя.
Выбор и обоснование силовой части
Есть несколько схем прямо ходового импульсного преобразователя постоянного тока. Но наиболее часто встречается две схемы. Эти схемы представлены на рис. 2 и 3

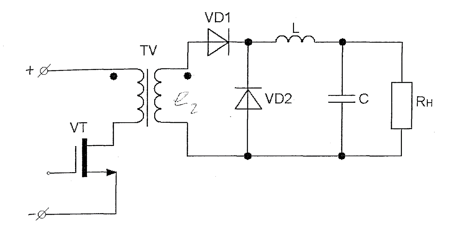
Рисунок 2 Прямоходовой импульсный преобразователь постоянного тока

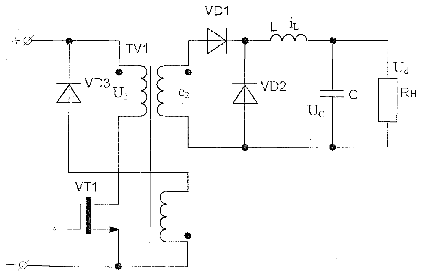
Рисунок 3 Прямоходовой импульсный преобразователь постоянного тока с вентилем обратного тока.
Разработка структурной схемы системы защиты и управления.
Для расчёта своего курсового проекта я взял за основу схему изображённую на рисунке 2,
а так же дополнил схему системой управления и системой защиты для долго срока службы схемы. Структурная схема с системой защиты и управления представлена на рисунке 4.
Рисунок 4. Прямо ходовой импульсный преобразователь постоянного тока с вентилем обратного тока.
Рассмотрим систему защиты и принцип её работы представленную на
рисунке 5.
Рисунок 5.
Здесь УВ - управляемый выпрямитель, работающий с системой управления (СУВ) реализующей вертикальный способ управления. Потенциометром Ry можно регулировать
уровень напряжения управления от нуля до максимального значения, определяемого амплитудой пилообразного напряжения при котором система управления полностью запирается и формирования импульсов управления не происходит. В случае возникновения
аварийного режима сигналом с датчика тока включается тиристор зашиты Т3 и подаёт на вход системы управления запирающее напряжение, действием которого формирование импульсов управления прекращается
Рассмотрим систему стабилизации выходного напряжения и принцип её работы представленную на
рисунке 6.
Рисунок 6. Система стабилизации выходного напряжения ИППТ
Для схемы ИППТ изображённого на рисунке 4 необходимо обеспечить стабилизацию выходного напряжения преобразователя который по заданию должен равняться примерно 2% . Поэтому в разработке схемы управления решил применить схему с обратной связью т. к он компенсирует Kcт равный 2 %.
Здесь ГПН - генератор пилообразного напряжения, формирующий последовательность пилообразных импульсов постоянной частоты н амплитуды рисунок 7. Эти импульсы сравниваются в компараторе К с напряжением Uy, в результате чего формируются прямоугольные импульсы с длительностью tи, которая может регулироваться уровнем напряжения управления Uy.

Рис. 7. Диаграмма, поясняющая работу системы управления нереверсивным ИППТ
Расчет силовой части
Все расчеты производим по формулам, взятым из источника №1
Исходные данные:
Uист=30 В ± 5%;
РН=500 Вт;
UН=220 В;
Kт=1%.
1.Расчёт сглаживающего фильтра
Рассчитываем ток в нагрузке
(А)
Сопротивление нагрузки
(Ом)
Коэффициент сглаживания определяется по выражению
- коэффициент пульсаций, для однополупериодной схемы выпрямления
=0,01- коэффициент пульсаций, который необходимо обеспечить
Частоту выбираем из соображения минимума массы трансформатора. Для сердечников , выполненных из электротехнической стали эта частота лежит в диапазоне от 3 до 5 к Гц. Принимаем значение f = 4 кГц.
Принимаем ёмкость С из стандартного ряда Е24
С=1 мкФ
Для LC фильтра справедливо выражение:
Где m пульсность, для однополупериодной схемы m=1
Из этого выражения определяем индуктивность сглаживающего фильтра L.
мГн
Условия необходимые, для нормальной работы фильтра XcRd и XL Rd
выполняются.
Принимаем, что коэффициент заполнения в нашем случае
Найдём напряжение на вторичной обмотке.
В
2.Расчёт сглаживающего дросселя
1.Находим величину
2.По кривой рис.9-2 определяем 80
3.Из табл. П 2-1 выбираем предварительно магнитопровод Ш 25 * 40 для
которого
4.По формуле 9-5 находим
5.Из кривых рис.9-1 находим
0,024
6.По данным табл. 9-1 выбираем плотность тока
7.По формуле 9-4 , где
Определяем возможные значения а
Выбираем типоразмер пластины Ш 25 (а = 2,5см)
8.Окончательно выбираем типоразмер магнитопровода Ш25*40 из табл.П 2-1
9.По данной формуле находим
По формуле находим
10.Определяем число витков обмотки по формуле
11.Проиэведём конструктивный расчёт дросселя в результате которого определяем:
Провод марки ПЭВ 1
Принимаем:
3. Расчёт трансформатора
1.Расчётная мощность трансформатора
Для однополупериодной схемы выпрямителя расчётная мощность трансформатора в три раза больше, чем нагрузки из-за того, что полезную мощность переносит только первая гармоника.
2. Выбираем ленточный магнитопровод из стали Э340, толщина ленты 0,15мм.
3. Находим ориентировочные величины: индукцию (табл.5-1) уменьшаем на 5% для того, чтобы при увеличении напряжения питающей сети в пределах 5% максимальная индукция не превышала табличное значение.
Принимаем 0,8 Tл
Плотность тока лежит в границах
Принимаем 1,5
Коэффициент заполнения окна принимаем
Коэффициент заполнения магнитопровода принимаем
4. Определим произведение сечения стали магнитопровода на площадь его окна по формуле
5. Из табл. П 2-2 выбираем магнитопровод ШЛ 20*25 у которого
6. Определяем потери в стали по формуле
удельные потери в стали по рис. 5-2 для
7. Находим активную составляющую тока холостого хода по формуле
с учётом превышения напряжения на 5%
8. Находим полную намагничивающую мощность по формуле 1-62
удельная намагничивающая мощность
9. Реактивная составляющая тока холостого хода
10. Находим абсолютное и относительное значение тока холостого хода по формуле
По формуле
и находим из табл. 5-5 принимаем
Что допустимо.
11. По формулам нахождения числа обмоток. Вторую вторичную обмотку рассчитаем для того, чтобы энергия, запасённая во вторичной обмотке успела уйти в сеть за время паузы и ток спал до нуля.
12. Найдём ориентировочные величины тока и сечения проводов обмоток.
13. Вбираем стандартные сечения проводов марки ПЭВ 2
14. Определяем осевую длину обмотке на гильзе
15. Находим число витков в одном слое и число слоёв каждой обмотки.
где k- коэффициент укладки по рис. 2-27 и
4. Выбор силовых ключей
1.Трензистор VT1
Условия выбора:
Выбираем MOSFET транзистор 2N4391CSM с параметрами
2. Диод VD1
Условия выбора:
Выбираем диод 2N4391CSM с параметрами
3. Диод VD2
Условия выбора:
Выбираем диод 2N4391CSM с параметрами
4. Диод VD3
Условия выбора:
Выбираем диод 2N4391CSM с параметрами
Заключение.
В данном курсовом проекте была рассчитана схема прямо ходового импульсного преобразователя постоянного тока сделаны обоснования и расчёты силовой части, а так же применилась замкнутая система управления для обеспечения стабилизации выходного напряжения. Подобрана система защиты на основе потенциометра для регулирования большего или меньшего напряжения.
Список литературы:
- Петрович В.П., Воронина Н.А., Глазачев А.В. Силовые преобразователи электрической энергии.
2) В.С. Мишуров, В.Д. Семенов ЭНЕРГЕТИЧЕСКАЯ ЭЛЕКТРОНИКА.
3)Б.Ю. Семёнов Силовая электроника для любителей и профессионалов.
11
PAGE \* MERGEFORMAT1
Прямо ходовой импульсный преобразователь постоянного тока