Построение плана станции, схемы питания и секционирования, монтажных кривых и таблиц
ФЕДЕРАЛЬНОЕ АГЕНТСТВО ЖЕЛЕЗНОДОРОЖНОГО ТРАНСПОРТА
федеральное государственное бюджетное образовательное учреждение
высшего профессионального образования
«Иркутский государственный университет путей сообщения»
ЗАБАЙКАЛЬСКИЙ ИНСТИТУТ ЖЕЛЕЗНОДОРОЖНОГО ТРАНСПОРТА
- филиал федерального государственного бюджетного образовательного
учреждения высшего профессионального образования
«Иркутский государственный университет путей сообщения»
(ЗабИЖТ ИрГУПС)
Факультет «Наземные транспортные системы»
Кафедра «Электроснабжение»
Курсовой проект
по дисциплине
«Режимы работы системы тягового электроснабжения»
КП.517120.190901.65.099.2015.ПЗ
Чита 2015
АННОТАЦИЯ
Страницы 58, рисунки 11, таблицы 14, библиография 5.
Ключевые слова: контактная сеть; перегон; цепная подвеска; пролет; трассировка контактной сети; консольные опоры; фиксирующие опоры; несущая способность; анкерные опоры; монтажные кривые.
Целью выполнения курсового проекта является построение плана станции, схемы питания и секционирования, монтажных кривых и таблиц. Также необходимо провести расчет несущей способности опор контактной сети с использованием справочной и технической документации и литературы, произвести расчет нагрузок на контактную сеть в режимах максимального ветра и гололеда с ветром.
В результате выполнения курсового проекта был составлен план проектируемой станции, спецификация необходимого оборудования, а также спецификация анкерных участков. Составлены монтажные графики и таблицы, которыми необходимо руководствоваться при монтаже контактной сети. Рассчитаны нагрузки на опоры контактной сети, а так же на провода и тросы контактной сети в режимах максимального ветра и гололеда с ветром.
СОДЕРЖАНИЕ
|
[0.1] СОДЕРЖАНИЕ |
НОРМАТИВНЫЕ ССЫЛКИ
В настоящей работе использованы ссылки на следующие стандарты (нормативные документы):
ГОСТ 2.104 2006 ЕСКД. Основные надписи;
ГОСТ 2.105 95 ЕСКД. Общие требования к текстовым документам;
ГОСТ 2.106 96 ЕСКД. Текстовые документы;
ГОСТ 2.108 68 ЕСКД. Спецификации;
ГОСТ 2.111 68 ЕСКД. Нормоконтроль;
ГОСТ 19330 2013. Стойки для опор контактной сети железных дорог. Технические условия. Переоформление ГОСТ Р (ГОСТ Р 542702010);
ГОСТ Р 55186 2012. Ригели жестких поперечин для контактной сети железнодорожного транспорта. Общие технические условия;
СТН ЦЭ 14199. Нормы проектирования контактной сети;
ВВЕДЕНИЕ
Контактная сеть является одним из основных элементов электрифицированных железных дорог. Она служит для подвода электрической энергии к электроподвижному составу через непосредственный контакт с его токоприемником.
Особенность контактной сети заключается в том, что работая в сложных климатических условиях и имея большую протяженность, она не имеет резерва. Специфика контактной сети предъявляет особые требования к ее проектированию. Необходимо обеспечить механическую прочность и устойчивость всех ее элементов: проводов, опорных и поддерживающих устройств с учетом экономической целесообразности и надежности.
Принятые проектные решения должны обеспечивать снижение затрат материалов, оборудования и стоимости работ по строительству и монтажу контактной сети.
Для проектирования задается станция и перегон железной дороги, для которых необходимо спроектировать контактную сеть.
Исходные данные
Таблица 1 Цепная подвеска переменного тока
|
Вариант |
Цепная подвеска на боковых путях станции |
Цепная подвеска на главных путях станции и перегона |
Провода с полевой стороны опор |
Вид консоли |
|
9 |
ПБСМ70+ МФ85 |
ПБСМ70+ МФ100 |
ДПР |
изолированные |
Таблица 2 Климатические условия
|
Параметры |
Вариант |
|
9 |
|
|
Низшая температура, |
35 |
|
Высшая температура, |
35 |
|
Максимальная расчетная скорость, м/с |
29 |
|
Расчетная скорость ветра при гололеде, м/с |
15 |
|
Толщина стенки гололеда, мм |
15 |
|
Максимальная скорость движения, км/ч |
180 |
Таблица 3 Аэродинамический коэффициент
|
Стержни конструкций, имеющие в сечении форму уголка с полкой, ортогональной ветровому потоку |
1,4 |
|
Стержни, имеющие в сечении форму уголка с полками, расположенными под углом к направлению ветра |
1,54 |
Продолжение таблицы 3.
|
Равнобокий уголок в зависимости от направления ветра |
От 1,83 до 2,4 |
|
Максимальное значение для уголка |
2,76 |
|
Конструктивные профили (двутавры, швеллеры, и т.д.) |
2 |
|
Прокатные двутавры различных типов |
1,1 |
|
Прямоугольного сечения балки, когда площадь поясов можно приравнять нулю |
1,5 |
|
Расчетные сечения фермы или балки с гибкой стенкой |
1,2 |
|
Балка с поперечным сечением |
2,1 |
|
Отдельно стоящие плоские решетчатые конструкции |
1,4 |

Рис. 1 Схема станции
Высота пешеходного мостика 8,3 м
Ширина пешеходного мостика 5,0 м
1. ОПРЕДЕЛЕНИЕ НАГРУЗОК НА ПРОВОДА КОНТАКТНОЙ СЕТИ
Нагрузки разделяют на постоянные и временные. Временные нагрузки делятся на длительные, кратковременные и особые. К постоянным нагрузкам относят все нагрузки от собственного веса (кроме веса электромонтеров). Длительные временные нагрузки на контактную сеть не действуют. К кратковременным относят нагрузки, возникающие при экстремальных температурах воздуха, воздействии ветра, гололедных и снеговых образований, при транспортировке и монтаже опор и других конструкций. К особым относят нагрузки, возникающие при обрыве проводов контактной сети, сейсмических и взрывных воздействиях [4, с. 22].
Нагрузка от собственного веса проводов и тросов выбирается из данных табл. 8 [4, с. 17].
Нагрузка от собственного веса контактной подвески с учетом зажимов и струн вычисляется по формуле:
, даН/м (1)
Рассчитаем g для главного и бокового путей:
главный путь:
даН/м
для бокового пути:
даН/м
Нагрузку от веса гололеда цилиндрической формы можно вычислить по формуле:
, даН/м (2)
где bг расчетная толщина стенки гололеда, мм. Для контактного провода расчетная толщина стенки гололеда принимается равным 50% от действительного значения.
di диаметр провода, мм.
мм (3)
Зная расчетный диаметр и толщину стенки гололеда, определим соответствующие нагрузки от веса гололеда:
Для станции:
главный путь:
даН/м,
даН/м,
для бокового пути:
даН/м,
даН/м.
Ветровая нагрузка при отсутствии гололеда на проводе, определяется по формуле:
, даН/м (4)
где Сx аэродинамический коэффициент лобового сопротивления, равный Сx = 1,25;
Скорость находится по формуле:

где коэффициент изменения ветрового давления и скорости ветра в зависимости от характера местности и высоты насыпи. Для станции = 0,73; для перегона при нормальных условиях ; для насыпи
Расчетная скорость для станции:

Ветровая нагрузка при отсутствии гололеда для станции:
главный путь:
даН/м,
даН/м,
боковой путь:
даН/м,
даН/м,
При наличии на проводе гололедных образований, ветровая нагрузка определяется:
, даН/м (5)
Для станции:
главный путь:
даН/м,
даН/м,
боковой путь:
даН/м,
даН/м.
Результирующая нагрузка на контактную подвеску при совместном действии гололеда и ветра определяется по формуле:
, даН/м (6)
Для станции:
главный путь:
даН/м,
боковой путь:
даН/м.
Результирующая нагрузка на контактную подвеску при ветре без гололеда на проводах определяется по формуле:
, даН/м (7)
Для станции:
главный путь:
даН/м,
боковой путь:
даН/м.
Таблица 4 Результаты расчетов погонных нагрузок, действующих на провода и тросы контактных подвесок
|
Погонная нагрузка, даН/м |
Станция |
Перегон |
||
|
Главный путь |
Боковой путь |
Норм. Условия |
Насыпь |
|
|
0,59 |
0,59 |
0,59 |
0,59 |
|
|
0,87 |
0,74 |
0,87 |
0,87 |
|
|
1,56 |
1,43 |
1,56 |
1,56 |
|
|
0,88 |
0,88 |
0,88 |
1,35 |
|
|
0,34 |
0,32 |
0,34 |
0,49 |
|
|
1,22 |
1,2 |
1,22 |
1,84 |
|
|
0,41 |
0,37 |
0,76 |
1,03 |
|
|
0,38 |
0,38 |
0,71 |
0,96 |
|
|
0,34 |
0,34 |
0,65 |
1,06 |
|
|
0,23 |
0,22 |
0,43 |
0,68 |
|
|
1,6 |
1,48 |
1,71 |
1,83 |
|
|
2,8 |
2,65 |
2,85 |
3,56 |
Вывод: выполнив необходимые в данном пункте курсового проекта расчеты и проанализировав полученные данные по нагрузкам на провода и тросы контактной подвески видно, что основная нагрузка приходится на несущий трос, в то время как контактный провод менее нагружен.
2. ОПРЕДЕЛЕНИЕ ДОПУСТИМЫХ ДЛИН ПРОЛЕТОВ
Длина пролета между опорами контактной сети во многом определяет ее надежность и экономичность. При большей длине пролета будет использоваться меньше число опор, что ведет к снижению строительной стоимости (стоимость опор и фундаментов достигает 40 % от общей стоимости сети). Однако с увеличением длины пролета ухудшаются важные характеристики контактной сети, происходит изменения геометрии, так как контактная подвеска больше подвержена влиянию ветровых и прочих нагрузок. Именно поэтому следует производить определение допустимых длин пролетов, для целесообразности с точки зрения экономики, а так же для оптимального конструктивного решения.
Определение допустимых длин пролетов производится с учетом взаимодействия несущего троса и контактного провода под действием ветровых нагрузок и других факторов по динамической методике, используя метод последовательных приближений, и выполняют следующим образом:
На прямых участках пути (при одинаковых односторонних зигзагах на смежных опорах) по формуле:
(8)
где - натяжение неизношенного контактного провода, даН;
коэффициент, зависящий от изменения прогиба опоры под действием ветра на уровне контактного провода (к) на прямом участке;
нагрузка от ветра на контактный провод, даН/м;
эквивалентная нагрузка, даН/м.
На кривых участках пути (при одинаковых односторонних зигзагах на смежных опорах) по формуле:
(9)
где коэффициент, зависящий от изменения прогиба опоры под действием ветра на уровне контактного провода (к) на кривой;
радиус кривой, м.
Значение коэффициента k1 определяется по следующей формуле:
(10)
где коэффициент, учитывающий упругие деформации проводов при его отклонении;
и коэффициенты, учитывающие пульсацию ветра;
коэффициент динамичности.
Значение коэффициента k2 определяется по следующей формуле:
(11)
где коэффициент, зависящий от длины пролета;
коэффициент, зависящий от скорости ветра;
коэффициент, зависящий от веса контактного провода.
Эквивалентная нагрузка PЭКВ находится по формуле:
(12)
где максимальное натяжение несущего троса, даН;
средняя длина струн в средней части пролета, равная:
, (13)
где h конструктивная высота контактной подвески, равна 1,8м ;
g нормативная вертикальная линейная нагрузка от веса проводов контактной подвески, Н/м;
T0 натяжение несущего троса контактной подвески при беспровесном положении контактных проводов.
Расчетным режимом в нашем случае является режим максимального ветра. Данные необходимые для расчета максимально допустимых длин пролетов, были найдены с помощью дополнительных расчетов и взяты из справочной литературы и из таблицы 14, представлены в таблице 5.
Таблица 5 Данные, необходимые для расчета максимально допустимых длин пролетов
|
Параметр |
Главный путь |
Боковой путь |
Нормальные условия |
Насыпь |
|
, м/с |
21,17 |
21,17 |
29 |
33,64 |
|
, м |
0,01 |
0,01 |
0,015 |
0,019 |
|
, м |
0,015 |
0,015 |
0,022 |
0,028 |
|
|
1,46 |
1,38 |
1,46 |
1,5 |
|
|
0,1 |
0,1 |
0,13 |
0,15 |
|
|
0,44 |
0,44 |
0,58 |
0,66 |
|
g, даН/м |
1,56 |
1,43 |
1,56 |
1,56 |
|
gK, даН/м |
0,87 |
0,74 |
0,87 |
0,87 |
|
PK, даН/м |
0,41 |
0,37 |
0,76 |
1,03 |
|
PH, даН/м |
0,38 |
0,38 |
0,71 |
0,96 |
|
qH, даН/м |
1,6 |
1,48 |
1,71 |
1,83 |
|
0,877 |
0,877 |
0,866 |
0,855 |
|
|
|
|
0,835 |
|
Продолжение таблицы 5.
|
Параметр |
Главный путь |
Боковой путь |
Нормальные условия |
Насыпь |
|
|
0,6 |
0,6 |
0,64 |
0,66 |
|
|
1,45 |
1,45 |
1,35 |
1,28 |
|
|
1,05 |
1,03 |
1,05 |
1,06 |
|
, даН |
1280 |
1280 |
1280 |
1280 |
|
, даН |
1360 |
1360 |
1360 |
1360 |
|
Тmax, даН |
1600 |
1600 |
1600 |
1600 |
|
К, даН |
1000 |
850 |
1000 |
1000 |
Расчет производим методом последовательного приближения, то есть сначала определяем по формуле (8) и (9) для прямых и кривых участков пути соответственно, приняв при этом = 0, затем, зная значение , находят по формуле (12) . После этого вновь определяют уже с учетом . Найденное значение сравнивают с , если не отличается от более чем на 5%, то оно принимается с округлением за окончательный результат. В противном случае расчет повторяется в той же последовательности.
Например, найдем значения длин пролетов при = 0, а также значения коэффициентов k1, k2 и среднюю длину струны для станции на главных путях:

для = 92,49 м принимаем = 0,44 и = 0,6 [5] и найдем k1, k2 :


Также найдем :

Далее зная найдем :

Теперь снова определим используя найденное значение и k1:

Погрешность между найденными значениями длины пролета:

Т.к. погрешность не превышает 5%, то значение = 94,55 м принимается с округлением за окончательный результат.
Найденные значения допустимых длин пролетов округляем до меньшего целого числа. Длины пролетов, имеющие значения более 70ти метров принимаем равным 70ти метрам, в данном случае для участков пути, расположенных на главных и боковых путях станции. Рассчитанные и принятые значения , а также значения сведем в таблицу 6.
Таблица 6 Результаты расчетов допустимых длин пролетов
|
Участок пути |
, даН/м |
Длина пролёта , м |
|
|
Рассчитано |
Принято |
||
|
Главный путь |
0,034 |
94,55 |
70 |
|
Боковой путь |
0,035 |
93,51 |
70 |
|
Насыпь |
0,007 |
51,95 |
51 |
|
Нормальные условия |
0,098 |
64,43 |
64 |
|
Кривая R = 600 м |
0,003 |
50,86 |
50 |
|
Кривая R = 850 м |
0,011 |
56,84 |
56 |
|
Кривая R = 1000 м |
0,014 |
59,49 |
59 |
Вывод: в результате расчетов максимальной длины пролета видно, что минимальная длина пролета будет на перегоне на кривой радиусом R=600м, в то время как максимальная длина пролета будет на главных и боковых путях станции.
3. СОСТАВЛЕНИЕ СХЕМ ПИТАНИЯ И СЕКЦИОНИРОВАНИЯ
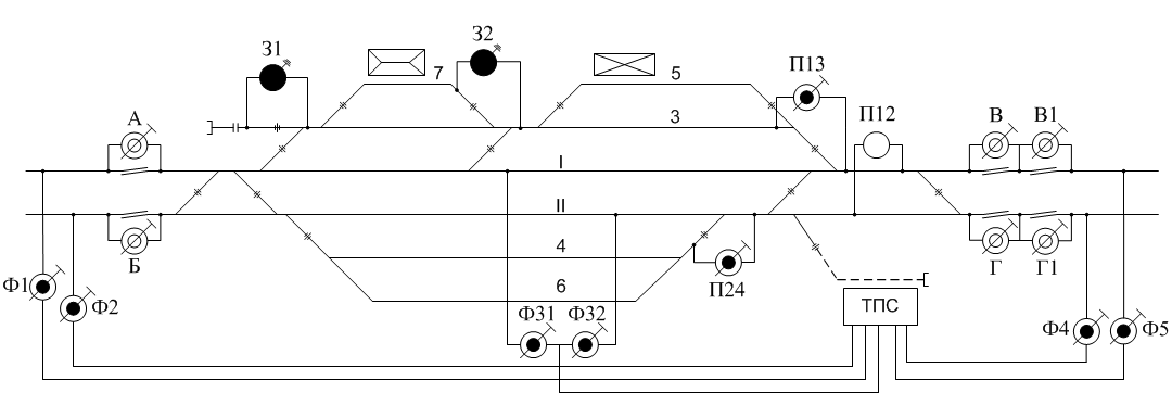
Для обеспечения надежной работы и удобства обслуживания электрические сети секционируют, т.е. разделяют на участки (секции), которые могут быть электрически изолированы один от другого. Такое деление контактных сетей обеспечивает локализацию места повреждения без нарушения движения поездов на остальных участках; выведение в ремонт отдельных секций с пропуском поездов по другим; минимальные потери напряжения, влияющего на скорость движения ЭПС, и мощности (энергосбережение). Для секционирования контактной сети используем изолирующие сопряжения анкерных участков, нейтральные вставки и секционные изоляторы. Секции подключаем и отключаем секционными разъединителями. Схема секционирования должна предусматривать возможно меньшее количество секционных изоляторов, разъединителей и минимальное количество операций по переключению разъединителей. В отдельные секции выделяем контактную сеть перегонов и станции, погрузочноразгрузочные пути и тупики с обязательным заземлением. Схема секционирования заданной станции приведена на рисунке 2.
Фидерные разъединители «Ф4» и «Ф5» с моторным приводом нормально включенные питают перегон, который отделяется от станции продольными разъединителями «В»,«В1»,«Г»,«Г1», находящимися в нормально отключенном состоянии. Станционные пути запитываются при помощи фидерных разъединителей «Ф31» и «Ф32» с моторным приводом, которые нормально включены. Главные пути запитываются поперечными разъединителями «П12». Боковые пути, выделенные в отдельные секции, запитываются поперечными разъединителями «П24» (четные пути) и «П13» (нечетные пути) с моторным приводом нормально включенными. Фидерные разъединители «Ф1» и «Ф2» с моторным приводом нормально включенные питают перегон, который отделяется от станции продольными разъединителями «А» и «Б», находящимися в нормально отключенном
состоянии. В отдельную секцию выделены погрузоразгрузочные пути запитанные разъединителем «З2» с заземляющим контактом нормально включенным. Тупик выделен в отдельную секцию, он запитывается с помощью разъединителя «З1» с заземляющими контактами.
Секционный изолятор должен обеспечивать проход по нему полоза токоприемника с установленной скоростью (согласно исходным данным максимальная скорость движения 180 км/ч) и иметь по возможности меньшие массу и длину. Учитывая эти требования, выбираем секционные изоляторы марки ИС2803. В качестве секционных разъединителей выбираем секционные разъединители марок РНД35/1000 и РНДЗ35/1000
Схема питания и секционирования представлена на рисунке 2.

Рис. 2 Схема питания и секционирования
4. ВЫБОР СПОСОБА ПРОПУСКА КОНТАКТНЫХ ПОДВЕСОК В ИССКУСТВЕННЫХ СООРУЖЕНИЯХ
Выбор способа прохода контактной подвески в искусственных сооружениях производят в зависимости от типа и конструкции сооружения, от высоты его над уровнем головок рельсов и длины в направлении вдоль электрифицированных путей. Принятый способ прохода должен обеспечивать движение поездов с установленной скоростью, определенную равномерность эластичности контактной подвески и ее необходимую надежность в эксплуатационных условиях.
Под искусственными сооружениями (пешеходные и сигнальные мостики, однопутные и двухпутные путепроводы и т.п.), длина которых вдоль пути меньше расстояния между струнами цепной подвески (8-12 м) или равна ему, может быть осуществлен один из следующих основных способов прохода контактной подвески:
использование искусственного сооружения в качестве опоры;
пропуск подвески без крепления к искусственному сооружению;
анкеровка несущего троса на искусственное сооружение или включение в несущий трос изолированной штанги, прикрепленной к сооружению.
Первый способ прохода может быть применен в тех случаях, когда расстояние от головки рельса до нижнего края искусственного сооружения удовлетворяет следующему условию:
(14)
расстояние от головки рельса до нижнего края искусственного сооружения, м;
минимальная допустимая высота контактных проводов над уровнем головок рельсов, принимаемая на станции, м ;
максимальная стрела провеса несущего троса, м;
наибольшая местная стрела провеса контактных проводов при условиях, определяющих наличие Fmax;
минимальное расстояние между несущим тросом и контактными проводами в середине пролета, м;
длина изоляторного звена или гирлянды, м.
Для полукомпенсированных подвесок расчет заключаются в определении натяжений и стрел провеса несущего троса, а также стрел провеса контактных проводов.
В расчеты вводим следующие упрощения: при расчетах рессорных подвесок считаем, что приводит к уравнению:
(15)
где Е модуль упругости материала провода, Гпа;
температурный коэффициент линейного расширения материала провода, 1/ оС;
минимальное натяжение несущего троса, даН;
площадь сечения материала провода, мм2.
Коэффициент А1 определим по формуле:
(16)
где минимальная температура, оС;
максимальное натяжение несущего троса, даН.
Коэффициент B0 определим по формуле:
, (17)
Произведения 24· и ·E·S зависят от материала и марки данного провода. Для ПБСМ70 принимаем = 0,0714 ; .
Для рессорной подвески максимальная стрела провеса проводов находится по формуле:
(18)
где натяжение несущего троса при беспровесном положении контактного провода, даН;
с расстояние от оси опоры до околоопорной струны в пролете, м;
длина пролета, м.
Стрела провеса несущего троса в вертикальной плоскости для рессорной подвески рассчитывается:
(19)
где b0 расстояние между несущим тросом и рессорными струнами равное 0,5 м;
Н0 натяжение рессорного троса при беспровесном положении, даН.
Проверяем первый способ прохода (рис. 3) контактной подвески под пешеходным мостиком для главного пути, используя выше приведенные формулы:
Рис. 3 Первый способ похода контактной подвески под пешеходным мостиком с использованием его в качестве опоры
Проверяется первый способ прохода контактной подвески в искусственных сооружениях для главного пути по формулам (1419):



Неполное кубическое уравнение рассчитывается методом подбора, и соответственно принимается .





Поскольку первый способ прохода контактной подвески в искусственных сооружениях подходит, т.е. условие, установленное выражением (14) выполнимо, то выбираем этот способ пропуска контактных подвесок через искусственные сооружения.
Вывод: после проведения расчетов по выбору способа пропуска контактной подвески под искусственными сооружениями видно, что в заданных условиях для пропуска под искусственным сооружением подходит первый способ прохода контактной подвески.
5. РАСЧЕТ АНКЕРНОГО УЧАСТКА ПОЛУКОМПЕНСИРОВАННОЙ КОНТАКТНОЙ ПОДВЕСКИ
Полукомпенсированные цепные подвески рассчитывают с целью проверки прочности несущего троса, определения соответствующих данных для правильного монтажа троса в разгруженном состоянии (без контактного провода) и стрел провеса всех проводов, которые необходимо знать при монтаже и эксплуатации. При расчетах проводов воздушных линий и несущих тросов полукомпенсированных подвесок нужно определить режимы, которым соответствует максимальное натяжение или наибольшая стрела провеса. Максимальное натяжение в проводе может возникнуть в режиме или минимальной температуры, или максимальных дополнительных нагрузок, возникающих при гололеде с ветром. Для выбора между этими режимами пользуемся понятиями критического пролета. Критическим называют такой пролет, при котором натяжение провода равно максимальному в обоих указанных режимах. Если расчетный пролет l меньше критического lкр, то максимальным натяжение Hmax будет при минимальной температуре tmin, а если l > lкр, то натяжение Hmax возникает при наибольших дополнительных нагрузках.
Определение длины эквивалентного пролета
Для начала необходимо выбрать пролеты, для которых будут рассчитываться монтажные кривые. Это должен быть максимальный, минимальный пролеты и пролет близкий к эквивалентному пролету.
На анкерном участке I пролет максимальной длины составляет 70 м, пролет минимальной длины 43 м.
Длину эквивалентного пролёта определим по формуле:
(21)
где длина анкерного участка, м;
номер пролета.
Длина анкерного участка, Lанк =1630 м. На данном анкерном участке 2 пролета по 70 м, 2 пролета по 68м, 5 пролетов по 63 м, 2 пролета по 52 м, 4 пролета по 48 м, 2 пролета по 44 м, 2 пролета по 43 м, 2 пролет по 61 м, по одному пролету по 56 м, 62м, 53м, 66м, 60м, 50м, 51м, 49м.

Выбор режима с максимальным натяжением несущего троса
При выборе режима с максимальным натяжением несущего троса будем исходить из сравнения эквивалентного пролета с критическим, длину которого определяем двумя способами по формуле Мазурского (22) и по формуле приведенных нагрузок (23):
, (22)
, (23)
где Zmax максимальное приведенное натяжение подвески, даН;
Wг, Wtmin приведенные линейные нагрузки на подвеску соответственно в режиме гололеда с ветром и при минимальной температуре, даН/м;
tг температура гололедных образований, С;
tmin минимальная температура, С.
коэффициент, зависящий от конструкции подвески (=0,15 для подвесок с рессорным тросом при одном контактном проводе);
Максимальное приведенное натяжение подвески определяем по формуле (24):
, (24)
где max конструктивный коэффициент цепной подвески, определяемый по формуле (25):
(25)
Коэффициент определяем по формуле:
(26)
Расстояние до первой околоопорной струны определятся как:
, (27)
Т.е. для эквивалентного пролета:

Для пролета максимальной длины:

Для пролета минимальной длины:

Приведенные линейные нагрузки на подвеску соответственно в режиме гололеда с ветром и при минимальной температуре находим по формулам:
(28)
(29)
При определении нагрузок в этом пункте курсового проектирования пользуемся некоторыми условностями.
Так, например, необходимое для расчета натяжение несущего троса при беспровесном положении контактного провода принимаем равным 0,85 от максимального значения. Для ПБСМ70 Тmax=1600 даН; Т0=1600·0,85=1360 даН.
Используя формулу (26), определяем коэффициент :

Конструктивный коэффициент подвески:

Максимальное приведенное натяжение подвески:

Приведенные погонные нагрузки для режима гололеда и минимальной температуры соответственно равны:


Для определения критического пролета необходимо знать температурный коэффициент расширения провода . Для подвески с несущим тросом ПБСМ70 °С.
Для подвесок с рессорным тросом при одном контактном проводе . Определяем длину критического пролета по формулам (22) и (23) соответственно:


Т.к. критический пролет больше эквивалентного, то режимом максимального натяжения несущего троса является режим минимальных температур.
Выбор температуры беспровесного положения контактного провода
Выбор осуществляется исходя из условия (30):
, (30)
Для полукомпенсированной подвески с опорными струнами равен 1015 °С, с рессорным тросом 0 °С.
Следовательно: °С.
Определение натяжения несущего троса при беспровесном положении контактного провода
Натяжение несущего троса при беспровесном положении контактного провода определяется при условии, когда х = 0 (для рессорных подвесок), по формулам (31), (32) и (33) соответственно:
, (31)
, (32)
, (33)
Здесь величины с индексом "1" относятся к режиму максимального натяжения несущего троса, а с индексом "0" к режиму беспровесного положения контактного провода.
Задаваясь значениями Т0, и воспользовавшись линейной интерполяцией, определяют значение этого натяжения, которое точно соответствует ранее выбранной температуре t0.
Произведем вычисления по формулам (3133):



Принимаем Т0 = 1216 даН.
Определение натяжения разгруженного несущего троса
При расчете, за известный режим, принимается режим беспровесного положения контактного провода. Расчет выполним по формуле (34), задаваясь значениями натяжения разгруженного несущего троса и определяя соответствующие этим натяжениям температуры, подставляют их в уравнение определения температуры:
, (34)
Значение коэффициента определяется по формуле (35):
(35)
Значение коэффициента А0 в формуле (34) равно значению коэффициента А1 в формуле (32), тогда получаем:


Путем интерполяции получили натяжение разгруженного несущего троса, равное 1482 даН,. Меняя значения температуры с шагом в 10°С, аналогично найдем значения для диапазона температур от 35 до +35 градусов. Полученные значения занесем в таблицу 7.
Таблица 7 Значения натяжений и соответствующих температур разгруженного несущего троса
|
t, С0 |
35 |
30 |
20 |
10 |
0 |
10 |
20 |
30 |
35 |
|
Трх, даН |
1482 |
1415 |
1282 |
1152 |
1023 |
899 |
781 |
672 |
622 |
Определение стрелы провеса разгруженного троса осуществляется исходя из уравнения:
, (36)
где максимальный, минимальный и эквивалентный пролеты.
Расчет стрелы провеса разгруженного несущего троса в пролете максимальной длины:

в пролете минимальной длины:

в эквивалентном пролете:

Аналогично производим расчеты для остального диапазона температур. Полученные данные занесем в таблицу 8.
Таблица 8 Монтажная таблица разгруженного несущего троса
|
Параметры |
l,м |
Значения параметров при температурах, С0 |
||||||||
|
35 |
30 |
20 |
10 |
0 |
10 |
20 |
30 |
40 |
||
|
l1=70 |
0,243 |
0,255 |
0,282 |
0,314 |
0,353 |
0,402 |
0,463 |
0,538 |
0,581 |
|
|
l2=58,16 |
0,168 |
0,176 |
0,195 |
0,217 |
0,244 |
0,277 |
0,319 |
0,371 |
0,401 |
|
|
l3=43 |
0,092 |
0,096 |
0,106 |
0,118 |
0,133 |
0,152 |
0,175 |
0,203 |
0,219 |
|
|
, даН |
1482 |
1415 |
1282 |
1152 |
1023 |
899 |
781 |
672 |
622 |
Расчет нагруженного несущего троса без дополнительных нагрузок
Натяжение нагруженного несущего троса при изменении температуры определяется по формуле (37):
, (37)
В формуле (37) коэффициент =.

Величина qx представляет собой результирующую нагрузку на несущий трос, которая в данном случае принимается равной g0. В результате расчётов строят вторую монтажную кривую Tx(tx). По этой кривой составляется монтажная таблица.
Методом подбора получим Тх = 1598 даН
По полученным значениям строится монтажная таблица, а затем монтажная кривая Tx(tx).
Таблица 9 Значения натяжений и соответствующих температур нагруженного несущего троса
|
t, Со |
35 |
30 |
20 |
10 |
0 |
10 |
20 |
30 |
35 |
|
,даН |
1598 |
1540 |
1426 |
1318 |
1216 |
1120 |
1032 |
952 |
915 |
Стрелы провеса контактного провода определяем как:
(38)
Пример расчета стрелы провеса контактного провода в пролете максимальной длины при максимальном натяжении несущего троса:

Для пролета минимальной длины:

Для эквивалентного пролета:

Стрелы провеса нагруженного несущего троса определяются как:
, (39)
где м, даН.
Пример расчета стрелы провеса несущего троса в пролете максимальной длины при его максимальном натяжении:

Для пролета минимальной длины:

Для эквивалентного пролета:

Перемещение контактного провода у опоры для рессорной подвески определим как:
, (40)
Пример расчета перемещения контактного провода у опоры в пролете максимальной длины при его максимальном натяжении:

Для пролета минимальной длины:

Для эквивалентного пролета:

По результатам расчетов строим монтажные кривые нагруженного несущего троса.
Таблица 10 Монтажная таблица нагруженного несущего троса
|
L,м |
t, °С |
35 |
30 |
20 |
10 |
0 |
10 |
20 |
30 |
35 |
|
, даН |
1598 |
1540 |
1426 |
1318 |
1216 |
1120 |
1032 |
952 |
915 |
|
|
70,00 |
|
0,677 |
0,698 |
0,744 |
0,794 |
0,847 |
0,906 |
0,968 |
1,033 |
1,066 |
|
|
0,051 |
0,045 |
0,030 |
0,015 |
0 |
0,016 |
0,032 |
0,047 |
0,055 |
|
|
|
0,119 |
0,105 |
0,073 |
0,039 |
0 |
0,043 |
0,089 |
0,138 |
0,164 |
|
|
58,16 |
|
0,482 |
0,497 |
0,530 |
0,565 |
0,604 |
0,646 |
0,691 |
0,737 |
0,761 |
|
|
0,035 |
0,031 |
0,021 |
0,011 |
0 |
0,011 |
0,022 |
0,033 |
0,038 |
|
|
|
0,082 |
0,072 |
0,051 |
0,015 |
0 |
0,029 |
0,033 |
0,095 |
0,113 |
|
|
43,00 |
|
0,285 |
0,294 |
0,313 |
0,335 |
0,358 |
0,384 |
0,410 |
0,439 |
0,453 |
|
|
0,019 |
0,017 |
0,011 |
0,006 |
0 |
0,006 |
0,012 |
0,018 |
0,021 |
|
|
|
0,045 |
0,040 |
0,028 |
0,027 |
0 |
0,016 |
0,061 |
0,052 |
0,062 |
Определение натяжения несущего троса в зависимости от температуры в режиме дополнительных нагрузок
Режим гололеда с ветром. Расчет при гололеде с ветром ведем согласно формулам:
, (41)
Расчет ведется методом подбора при температуре гололедных образований ( 5 °С). Расчет производится по эквивалентному пролету:

Путем интерполяции находим Тг = 1533 даН.
Режим ветра максимальной интенсивности. Расчет при ветре максимальной интенсивности ведем согласно формулам:
(42)
Расчет ведется методом подбора при температуре гололедных образований (+5 °С). Расчет производится по эквивалентному пролету:

Путем интерполяции получим Тв = 1176 даН.

Рис. 4 Натяжения несущего троса при дополнительных нагрузках

Рис. 5 Стрелы провеса контактного провода

Рис. 6 Стрелы провеса разгруженного несущего троса

Рис. 7 Стрелы провеса нагруженного несущего троса

Рис. 8 Натяжение несущего троса
Вывод: выполнив расчеты необходимые в данном пункте курсового проекта и проанализировав графики сделаем вывод, что натяжение несущего троса как нагруженного, так и разгруженного будет минимальным при высоких температурах и максимальным при минимальных температурах. Стрелы провеса контактного провода так же зависят от температуры окружающей среды и могут колебаться в пределах от 0,06 (м) при температуре +35 оС до 0,06 (м) при температуре 35 оС.
6. ВЫБОР ОПОР КОНТАКТНОЙ СЕТИ
Подбор консольных и фиксирующих опор
Опоры классифицируются по назначению, по направлению приложения нагрузки, по конструктивному выполнению поддерживающих конструкций, по материалу, из которого они изготовлены и по способу закрепления в грунте.
В зависимости от назначения различают опоры контактной сети: промежуточные, переходные, анкерные и фиксирующие.
По направлению приложения нагрузки: направленные, ненаправленные.
В зависимости от конструктивного выполнения поддерживающих конструкций: консольные однопутные, двухпутные, фидерные, жестких и гибких поперечин.
По материалу, из которого изготовлены опоры, различают: металлические и железобетонные.
В зависимости от способа закрепления в грунте: раздельные и нераздельные (безфундаментные), в т.ч. стаканного соединения.
На вновь электрифицируемых линиях применяют типовые железобетонные конические опоры типа СО на участках постоянного тока и СС на участках переменного тока.
Важнейшей характеристикой опор является их несущая способность допустимый изгибающий момент Мо на уровне УОФ условного обреза фундамента. По несущей способности и подбирают типы опор для применения в конкретных условиях установки.
Подбор типовых консольных и фиксирующих опор выполняют так, чтобы при наиболее невыгодном сочетании внешних нагрузок создаваемый ими нормативный изгибающий момент не превышал допускаемого в расчетном сечении опоры. Для этого необходимо правильно выбрать расчетный режим, расчетное направление ветра и расчетное сечение опоры. В таблице 9 приведены условия, которые нужно учитывать при подборе указанных опор в случаях использования полукомпенсированных подвесок и однопутных консолей.
На рисунке 9 показана расчетная схема для подбора промежуточных и переходных опор на участках переменного тока для тех случаев, когда на этих опорах, кроме проводов линий питания нетяговых потребителей, подвешены еще и питающие провода.
На рисунке 10 изображена расчетная схема для подбора фиксирующей опоры.
На рисунке 11 показана расчетная схема для подбора анкерной опоры вдоль пути.
Таблица 11 Условия для подбора опор
|
Типы опор |
Место установки опор |
Расчетные режимы |
Расчетные направления ветра |
Расчетные сечения опоры |
|
Консольная промежуточная |
Прямая |
Гололед с ветром (ГВ), максимальный ветер (Vmax). |
От опоры на путь. |
Условный обрез фундамента (УОФ). |
|
Консольная переходная |
Везде |
Гололед с ветром (ГВ), максимальный ветер (Vmax), минимальной температуры tmin. |
От опоры на путь, от пути на опору. |
Условный обрез фундамента (УОФ), уровень пяты консоли (УПК). |
|
Фиксирующая |
Везде |
Гололед с ветром (ГВ), максимальный ветер (Vmax), минимальной температуры tmin. |
От опоры на путь. |
Условный обрез фундамента (УОФ). |
|
Анкерная |
Везде |
Гололед с ветром (ГВ), максимальный ветер (Vmax), минимальной температуры tmin. |
От опоры на путь. |
Условный обрез фундамента (УОФ). |
Рис.9 Расчетная схема для подбора фиксирующих опор
Рис. 10 Расчетная схема для подбора промежуточных и переходных опор
Рис. 11 Расчетная схема вдоль пути для подбора анкерных опор
Расчет опор контактной сети целесообразно начать с расчета нагрузок и давления ветра [45].
1) Определяются распределенные вертикальные нагрузки на провода контактной сети:
- от собственного веса проводов принимаются по справочным данным
- от веса гололеда на проводах в соответствии с формулой (2).
- от давления ветра на провода при максимальной скорости ветра и минимальной температуре по формуле (4).
- от давления ветра на провода при гололеде с ветром по формуле (5).
2) Определяются нормативные нагрузки, действующие на опору контактной сети:
- вертикальная нагрузка от веса подвески для расчётных режимов минимальной температуры и максимального ветра определяется по формуле:
, (43)
где gj распределенная нагрузка от веса подвески в jом режиме, даН/м;
l расчётная длина пролёта, равная полусумме длин смежных с расчётной опорой пролётов, м;
Gиз нагрузка от веса гирлянды изоляторов, даН;
- вертикальная нагрузка от веса подвески для режима гололеда с ветром находится по формуле:
, (44)
- вертикальная нагрузка от веса проводов ДПР для расчётного режима j:
; (45)
- вертикальные нагрузки от веса консоли, кронштейна, стойки (Gкн, Gкр, Gс) принимаются по справочным данным с соответствующим увеличением этой нагрузки при гололёдном режиме.
- горизонтальная нагрузка от давления ветра на провода контактной подвески, на питающие провода и провода ДПР:
, (46)
где распределенная вертикальная нагрузка на провода контактной сети в jом режиме, даН/м.
- горизонтальная нагрузка от изменения направления провода контактной подвески при отводе его на анкеровку определяется из выражения:
, (47)
где Pij линейная нагрузка на iй провод контактной сети при jом режиме, даН/м;
Hij натяжение iго провода в jом режиме, даН;
z = Г + 0,5B расстояние от оси пути до места крепления анкеровки провода, равное сумме габарита (Г) и половины диаметра (В) опоры.
Горизонтальная нагрузка от изменения направления контактных проводов при зигзагах на прямых участках пути определяется по формуле:
, (48)
где а величина зигзага, м.
горизонтальная нагрузка от давления ветра на опору определяется из выражения:
, (49)
где Cx аэродинамический коэффициент, для железобетонных опор Cx =0,7;
vр расчётная скорость ветра, м/с;
Sоп площадь поверхности, на которую действует ветер (площадь диаметрального сечения опоры), Sоп=3,51 м2.
На расчётных схемах для подбора консольных опор горизонтальные силы условно обозначаются одной буквой (Р), однако каждая из них определяются выражением:
, (50)
где горизонтальное усилие от воздействия ветра на провод, даН/м;
горизонтальное усилие от изменения направления проводов на прямом участке пути, даН/м.
В зависимости от типа опоры (промежуточная, анкерная или переходная), а также от места нахождения опоры (прямой участок или кривая) соответствующие слагаемые выражения (50) будут иметь нулевые значения.
При расчете переходных опор необходимо учитывать нагрузки (вертикальные и горизонтальные) от всех проводов. Обычно переходная опора несёт нагрузку от двух контактных подвесок (2 несущих троса, 2 контактных провода и 2 консоли). Поэтому выражения (50), (51) и (52) составляются с учетом увеличения вертикальных и горизонтальных нагрузок.
3) Суммарные изгибающие моменты от внешних сил при расчётных режимах относительно уровня условного обреза фундамента промежуточной и переходной опоры определяются из выражения:
; (51)
где zi ,hi плечи действия соответствующих нагрузок, м.;
G нагрузки от веса проводов, даН;
Р ветровые нагрузки, даН.
Изгибающие моменты от внешних сил относительно пяты консоли определяются по формуле:
; (52)
Суммарные изгибающие моменты от внешних сил при расчётных режимах относительно уровня условного обреза фундамента фиксирующей опоры при двух подвесках находятся на основе формулы:
; (53)
Анкерные железобетонные опоры, которые применяются только с оттяжками, подбирают для нормального режима работы аналогично промежуточным опорам и проверяют для аварийного режима при обрыве несущего троса. В последнем случае происходит косой изгиб, при котором должно быть соблюдено условие:
(54)
где допускаемый момент при косом изгибе, даНм
изгибающий момент поперек пути, даНм;
изгибающий момент вдоль пути, даНм;
, (55)
где натяжение контактного провода при обрыве несущего троса, даН.
4) По наибольшему изгибающему моменту для расчетных режимов выбираются в качестве опор контактной сети железобетонные стойки. Изгибающий момент относительно уровня пяты консоли для выбора опор увеличивается в 2 раза.
При этом должно выполняться следующее условие:
,, (56)
где Mн нормативный момент выбранного типа опоры, кНм.
Подбор консольной промежуточной опоры
В качестве расчетной опоры принимается опора №96 станции.
Определим нормативные распределённые нагрузки на провода:
1) от собственного веса проводов:
- цепной контактной подвески ПБСМ70+МФ100:

2) от веса гололеда на проводах:
- несущего троса ПБСМ70:
даН/м,
- контактного провода МФ100:
даН/м,
- цепной контактной подвески ПБСМ70+МФ100:
,
- провода ДПР АС50:

- питающего провода А185:

3) от давления ветра на провода при максимальной скорости ветра.
- на несущий трос ПБСМ70:
даН/м,
- на контактный провод МФ100:
даН/м,
- на провода ДПР АС50:
даН/м,
- на питающий провод А185:
даН/м,
4) от давления ветра на провода при гололеде с ветром:
- на несущий трос ПБСМ70:
даН/м,
- на контактный провод МФ100:
даН/м,
- на провода ДПР АС50:
даН/м,
- на питающий провод А185:
даН/м,
Определим нормативные нагрузки, действующие на опору контактной сети:
Длины пролетов: l1=64 м, l2=64 м.

Вертикальная нагрузка при расчётном режиме максимального ветра:
- цепной контактной подвески ПБСМ70+МФ100:
Н,
- провода ДПР АС50:
Н,
- питающего провода А185:
Н,
Вертикальная нагрузка для расчётного режима при гололеде с ветром:
- цепной контактной подвески ПБСМ70+МФ100:
Н,
- провода ДПР АС50:
Н,
- питающего провода А185:
Н,
От давления ветра на провода при максимальной скорости ветра:
- на несущий трос ПБСМ70:
Н,
- на контактный провод МФ100:
Н,
- на провод ДПР АС50:
Н,
- питающего провода А185:
Н,
От давления ветра на провода при гололеде с ветром:
- на несущий трос ПБСМ70:
Н,
- на контактный провод МФ100:
Н,
- на провод ДПР АС50:
Н,
- питающего провода А185:
Н,
Горизонтальная нагрузка от давления ветра на опору:
- при максимальной скорости ветра:
Н,
- при гололеде с ветром:
Н,
- горизонтальная нагрузка от изменения направления контактных проводов при зигзагах на прямом участке пути при режимах:
Н,
Таблица 12 нормативные нагрузки, действующие на промежуточную опору контактной сети
|
Расчетный режим |
Нормативная нагрузка, Н |
||||||||||
|
Gп |
Gкн |
Gдпр |
Gкр |
Gпит |
Рн |
Рк |
Рдпр |
Рпит |
Роп |
Риз.гзиг |
|
|
Максимальный ветер |
998 |
583 |
291 |
548 |
520 |
243 |
262 |
211 |
390 |
677 |
187 |
|
Гололед с ветром |
1779 |
816 |
853 |
768 |
1331 |
275 |
147 |
211 |
262 |
181 |
187 |
Определим изгибающие моменты опоры относительно условного уровня обреза фундамента:
Изгибающий момент опоры в режиме максимального ветра для расчетного направления ветра от опоры на путь:

Изгибающий момент опоры в режиме гололеда с ветром для расчетного направления ветра от опоры на путь:

Наибольший изгибающий момент относительно УОФ равен .
В качестве промежуточной опоры выбирается СС136.61, т.к. этот тип опоры удовлетворяет по условию несущей способности на УОФ:

Подбор консольной переходной опоры
В качестве расчетной опоры принимается опора №108 станции.
Определим нормативные нагрузки, действующие на опору контактной сети:
Длины пролетов: l1 = 53м, l2 = 70м.

Вертикальная нагрузка для расчётных режимов минимальной температуры и максимального ветра:
- цепной контактной подвески ПБСМ70+МФ100:
Н,
- провода ДПР АС50:
Н,
- питающего провода А185:
Н,
Вертикальная нагрузка для расчётного режима при гололеде с ветром:
- цепной контактной подвески ПБСМ70+МФ100:
Н,
- провода ДПР АС50:
Н,
- питающего провода А185:
Н,
От давления ветра на провода при максимальной скорости ветра:
- на несущий трос ПБСМ70:
Н,
- на контактный провод МФ100:
Н,
- на провод ДПР АС50:
Н,
- питающего провода А185:
Н,
От давления ветра на провода при гололеде с ветром:
- на несущий трос ПБСМ70:
Н,
- на контактный провод МФ100:
Н,
- на провод ДПР АС50:
Н,
- питающего провода А185:
Н,
Горизонтальная нагрузка от давления ветра на опору:
- при максимальной скорости ветра:
Н,
- при гололеде с ветром:
Н,
- горизонтальная нагрузка от изменения направления контактных проводов при зигзагах на прямом участке пути при режимах:
Н,
Таблица 13 нормативные нагрузки, действующие на переходную опору контактной сети
|
Расчетный режим |
Нормативная нагрузка, Н |
||||||||||
|
Gп |
Gкн |
Gдпр |
Gкр |
Gпит |
Рн |
Рк |
Рдпр |
Рпит |
Роп |
Риз.гзиг |
|
|
Максимальный ветер |
959 |
583 |
284 |
548 |
507 |
234 |
252 |
202 |
375 |
677 |
195 |
|
Гололед с ветром |
1710 |
816 |
827 |
768 |
1288 |
264 |
141 |
202 |
252 |
181 |
195 |
|
Минимальной температуры |
959 |
583 |
284 |
548 |
507 |
|
|
|
|
|
|
Определим изгибающие моменты опоры относительно условного уровня обреза фундамента.
Изгибающий момент на УОФ в режиме максимального ветра для расчетного направления ветра от опоры на путь:

Изгибающий момент на УОФ в режиме гололеда с ветром для расчетного направления ветра от опоры на путь:

Изгибающий момент на УОФ в режиме минимальной температуры:

Изгибающий момент на УОФ в режиме максимального ветра для расчетного направления ветра с пути на опору:

Изгибающий момент на УОФ в режиме гололеда с ветром для расчетного направления ветра с пути на опору:

Определим изгибающие моменты опоры относительно уровня пяты консоли.
Изгибающий момент на УПК в режиме максимального ветра для расчетного направления ветра от опоры на путь:

Изгибающий момент на УПК в режиме гололеда с ветром для расчетного направления ветра от опоры на путь:

Изгибающий момент на УПК в режиме максимального ветра для расчетного направления ветра с пути на опору:

Изгибающий момент на УПК в режиме максимального ветра для расчетного направления ветра с пути на опору:

В качестве промежуточной опоры выбирается СС136.61, т.к. этот тип опоры удовлетворяет по условию несущей способности:
На УПК:

На УОФ:

Подбор фиксирующей опоры
В качестве расчетной опоры принимается опора №62а станции.
Определим нормативные нагрузки, действующие на опору контактной сети:
Длины пролетов: l1= 24м, l2= 43 м.

Определим нормативные распределённые нагрузки на провода:
1) от собственного веса проводов:
- цепной контактной подвески ПБСМ70+МФ100:
2) от веса гололеда на проводах:
- несущего троса ПБСМ70:
даН/м,
- контактного провода МФ100:
даН/м,
- цепной контактной подвески ПБСМ70+МФ100:
,
3) от давления ветра на провода при максимальной скорости ветра.
- на несущий трос ПБСМ70:
даН/м,
- на контактный провод МФ100:
даН/м,
4) от давления ветра на провода при гололеде с ветром:
- на несущий трос ПБСМ70:
даН/м,
- на контактный провод МФ100:
даН/м,
Вертикальная нагрузка при расчётном режиме максимального ветра:
- цепной контактной подвески ПБСМ70+МФ100:
Н,
От давления ветра на провода при максимальной скорости ветра:
- на несущий трос ПБСМ70:
Н,
- на контактный провод МФ100:
Н,
От давления ветра на провода при гололеде с ветром:
- на несущий трос ПБСМ70:
Н,
- на контактный провод МФ100:
Н,
Изгибающий момент на УОФ в режиме максимального ветра для расчетного направления ветра от опоры на путь:

Изгибающий момент на УОФ в режиме гололеда с ветром для расчетного направления ветра от опоры на путь:

В качестве фиксирующей опоры выбирается СС136.61, т.к. этот тип опоры удовлетворяет по условию несущей способности:
На УОФ:

Подбор анкерной опоры
В качестве расчетной опоры принимается опора №110 станции.
Определим нормативные нагрузки, действующие на опору контактной сети:
Длины пролетов: l1 = 70 м, l2 = 70 м.

Вертикальная нагрузка для расчётных режимов минимальной температуры и максимального ветра:
- цепной контактной подвески ПБСМ70+МФ100:
Н,
- провода ДПР АС50:
Н,
- питающего провода А185:
Н,
Вертикальная нагрузка для расчётного режима при гололеде с ветром:
- цепной контактной подвески ПБСМ70+МФ100:
Н,
- провода ДПР АС50:
Н,
- питающего провода А185:
Н,
От давления ветра на провода при максимальной скорости ветра:
- на несущий трос ПБСМ70:
Н,
- на контактный провод МФ100:
Н,
- на провод ДПР АС50:
Н,
- питающего провода А185:
Н,
От давления ветра на провода при гололеде с ветром:
- на несущий трос ПБСМ70:
Н,
- на контактный провод МФ100:
Н,
- на провод ДПР АС50:
Н,
- питающего провода А185:
Н,
Горизонтальная нагрузка от давления ветра на опору:
- при максимальной скорости ветра:
Н,
- при гололеде с ветром:
Н,
Горизонтальная нагрузка от изменения направления провода контактной подвески при отводе его на анкеровку:
- на несущий трос ПБСМ70:

- на контактный провод МФ100:

Таблица 14 нормативные нагрузки, действующие на опору контактной сети
|
Расчетный режим |
Нормативная нагрузка, Н |
|||||||||||
|
Gп |
Gкн |
Gдпр |
Gкр |
Gпит |
Рн |
Рк |
Рдпр |
Рпит |
Роп |
Ранк нт |
Ранк кп |
|
|
Максимальный ветер |
1092 |
583 |
303 |
548 |
550 |
266 |
287 |
231 |
427 |
677 |
804 |
502 |
|
Гололед с ветром |
1946 |
816 |
914 |
768 |
1434 |
301 |
161 |
231 |
287 |
181 |
804 |
502 |
|
Минимальной температуры |
1092 |
583 |
303 |
548 |
550 |
|
|
|
|
|
|
|
Определим изгибающие моменты опоры относительно условного уровня обреза фундамента:
Изгибающий момент на УОФ в режиме максимального ветра для расчетного направления ветра от опоры на путь:

Изгибающий момент на УОФ в режиме гололеда с ветром для расчетного направления ветра от опоры на путь:

Изгибающий момент на УОФ в режиме минимальной температуры:

Изгибающий момент опоры вдоль пути относительно условного обреза фундамента:


В качестве промежуточной опоры выбирается СС136.61, т.к. этот тип опоры удовлетворяет по условию несущей способности:
При косом изгибе:

На УОФ:

Вывод: выполнив в данном пункте курсового проекта необходимые расчеты по несущей способности различных опор в разных режимах и проанализировав результаты расчетов выбираем следующие опоры:
- Анкерная, марка СС136.61;
- Промежуточная, марка СС136.61;
- Фиксирующая, марка СС136.61;
- Переходная, марка СС136.61;
ЗАКЛЮЧЕНИЕ
В результате выполнения курсового проекта были рассчитаны нагрузки на провода контактной сети, длины максимальных пролетов для главных и боковых путей станции, перегона.
Была составлена схема питания и секционирования на которой предусмотрено раздельное питание главных и боковых путей станции (поперечное секционирование), а так же питание перегонов и станции (продольное секционирование). В отдельные секции вынесены (с обязательным заземлением секции) погрузочноразгрузочные пути станции и тупики. Тупик на тяговую подстанцию не электрифицируется.
Произведен расчет анкерного участка полукомпенсированной цепной подвески с построением монтажных графиков и таблиц.
Также были рассчитаны несущие способности различных опор контактной сети и в соответствии с расчетами выбраны опоры: для фиксирующих, переходных, промежуточных и анкерных опор по результатам расчетов подходят опоры с 1ой несущей способностью СС136.61 с нормативным изгибающим моментом на уровне обреза фундамента 44 кНм.
БИБЛИОГРАФИЧЕСКИЙ СПИСОК
1. Контактная сеть и воздушные линии. Нормативно-методическая документация по эксплуатации контактной сети и высоковольтным линиям: Департамент электрификации и электроснабжения ОАО «Российские железные дороги» // Справочник. М.: Трансиздат, 2004 г. 568 с.
2. Нормы проектирования контактной сети СТН ЦЭ 14199: Департамент электрификации и электроснабжения Министерства путей сообщения Российской Федерации. М.: Трансиздат, 2001 г. 176 с.
3. Правила устройства и технической эксплуатации контактной сети электрифицированных железных дорог: ЦЭ868, утв. МПС России 11.12.2001 г. М.: Трансиздат, 2002 г. 184 с.
4. Фрайфельд А. В. Проектирование контактной сети. М.: Транспорт, 1984 г. 327 с.
5. Зимакова А.Н., Гиенко В.М., Скворцов В.А. : Контактная сеть электрифицированных железных дорог. Расчеты, выбор конструкций и составление монтажных планов: учеб. пособие. М. : ФГОУ 2011г. 232 с.
Изм.
Лист
№ докум.
Подпись
Дата
Лист
1
КП.517120.190901.65.099.2015.ПЗ
Разраб.
Пров.
.
Н. контр.
Утв.
Пояснительная записка
Литер.
Листов
58
ЗабИЖТ ИрГУПС
Изм.
Лист
№ докум.
Подпись
Дата
Лист
2
КП.517120.190901.65.099.2015.ПЗ
Изм.
Лист
№ докум.
Подпись
Дата
Лист
3
КП.517120.190901.65.099.2015.ПЗ
Изм.
Лист
№ докум.
Подпись
Дата
Лист
4
КП.517120.190901.65.099.2015.ПЗ
Изм.
Лист
№ докум.
Подпись
Дата
Лист
5
КП.517120.190901.65.099.2015.ПЗ
Изм.
Лист
№ докум.
Подпись
ата
Лист
6
КП.517120.190901.65.099.2015.ПЗ
Изм.
Лист
№ докум.
Подпись
Дата
Лист
7
КП.517120.190901.65.099.2015.ПЗ
Изм.
Лист
№ докум.
Подпись
Дата
Лист
8
КП.517120.190901.65.099.2015.ПЗ
Изм.
Лист
№ докум.
Подпись
Дата
Лист
9
КП.517120.190901.65.099.2015.ПЗ
Изм.
Лист
№ докум.
Подпись
Дата
Лист
10
КП.517120.190901.65.099.2015.ПЗ
Изм.
Лист
№ докум.
Подпись
Дата
Лист
11
КП.517120.190901.65.099.2015.ПЗ
Изм.
Лист
№ докум.
Подпись
Дата
Лист
12
КП.517120.190901.65.099.2015.ПЗ
Изм.
Лист
№ докум.
Подпись
Дата
Лист
13
КП.517120.190901.65.099.2015.ПЗ
Изм.
Лист
№ докум.
Подпись
Дата
Лист
14
КП.517120.190901.65.099.2015.ПЗ
Изм.
Лист
№ докум.
Подпись
Дата
Лист
15
КП.517120.190901.65.099.2015.ПЗ
Изм.
Лист
№ докум.
Подпись
Дата
Лист
16
КП.517120.190901.65.099.2015.ПЗ
Изм.
Лист
№ докум.
Подпись
Дата
Лист
17
КП.517120.190901.65.099.2015.ПЗ
Изм.
Лист
№ докум.
Подпись
Дата
Лист
18
КП.517120.190901.65.099.2015.ПЗ
Изм.
Лист
№ докум.
Подпись
Дата
Лист
19
КП.517120.190901.65.099.2015.ПЗ
Изм.
Лист
№ докум.
Подпись
Дата
Лист
20
КП.517120.190901.65.099.2015.ПЗ
Изм.
Лист
№ докум.
Подпись
Дата
Лист
21
КП.517120.190901.65.099.2015.ПЗ
Изм.
Лист
№ докум.
Подпись
Дата
Лист
22
КП.517120.190901.65.099.2015.ПЗ
Изм.
Лист
№ докум.
Подпись
Дата
Лист
23
КП.517120.190901.65.099.2015.ПЗ
Изм.
Лист
№ докум.
Подпись
Дата
Лист
24
КП.517120.190901.65.099.2015.ПЗ
Изм.
Лист
№ докум.
Подпись
Дата
Лист
25
КП.517120.190901.65.099.2015.ПЗ
Изм.
Лист
№ докум.
Подпись
Дата
Лист
26
КП.517120.190901.65.099.2015.ПЗ
Изм.
Лист
№ докум.
Подпись
Дата
Лист
27
КП.517120.190901.65.099.2015.ПЗ
Изм.
Лист
№ докум.
Подпись
Дата
Лист
28
КП.517120.190901.65.099.2015.ПЗ
Изм.
Лист
№ докум.
Подпись
Дата
Лист
29
КП.517120.190901.65.099.2015.ПЗ
Изм.
Лист
№ докум.
Подпись
Дата
Лист
30
КП.517120.190901.65.099.2015.ПЗ
Изм.
Лист
№ докум.
Подпись
Дата
Лист
31
КП.517120.190901.65.099.2015.ПЗ
Изм.
Лист
№ докум.
Подпись
Дата
Лист
32
КП.517120.190901.65.099.2015.ПЗ
Изм.
Лист
№ докум.
Подпись
Дата
Лист
33
КП.517120.190901.65.099.2015.ПЗ
Изм.
Лист
№ докум.
Подпись
Дата
Лист
34
КП.517120.190901.65.099.2015.ПЗ
Изм.
Лист
№ докум.
Подпись
Дата
Лист
35
КП.517120.190901.65.099.2015.ПЗ
Изм.
Лист
№ докум.
Подпись
Дата
Лист
36
КП.517120.190901.65.099.2015.ПЗ
Изм.
Лист
№ докум.
Подпись
Дата
Лист
37
КП.517120.190901.65.099.2015.ПЗ
Изм.
Лист
№ докум.
Подпись
Дата
Лист
38
КП.517120.190901.65.099.2015.ПЗ
Изм.
Лист
№ докум.
Подпись
Дата
Лист
39
КП.517120.190901.65.099.2015.ПЗ
Изм.
Лист
№ докум.
Подпись
Дата
Лист
40
КП.517120.190901.65.099.2015.ПЗ
Изм.
Лист
№ докум.
Подпись
Дата
Лист
41
КП.517120.190901.65.099.2015.ПЗ
Изм.
Лист
№ докум.
Подпись
Дата
Лист
42
КП.517120.190901.65.099.2015.ПЗ
Изм.
Лист
№ докум.
Подпись
Дата
Лист
43
КП.517120.190901.65.099.2015.ПЗ
Изм.
Лист
№ докум.
Подпись
Дата
Лист
44
КП.517120.190901.65.099.2015.ПЗ
Изм.
Лист
№ докум.
Подпись
Дата
Лист
45
КП.517120.190901.65.099.2015.ПЗ
Изм.
Лист
№ докум.
Подпись
Дата
Лист
46
КП.517120.190901.65.099.2015.ПЗ
Изм.
Лист
№ докум.
Подпись
Дата
Лист
47
КП.517120.190901.65.099.2015.ПЗ
Изм.
Лист
№ докум.
Подпись
Дата
Лист
48
КП.517120.190901.65.099.2015.ПЗ
Изм.
Лист
№ докум.
Подпись
Дата
Лист
49
КП.517120.190901.65.099.2015.ПЗ
Изм.
Лист
№ докум.
Подпись
Дата
Лист
50
КП.517120.190901.65.099.2015.ПЗ
Изм.
Лист
№ докум.
Подпись
Дата
Лист
51
КП.517120.190901.65.099.2015.ПЗ
Изм.
Лист
№ докум.
Подпись
Дата
Лист
52
КП.517120.190901.65.099.2015.ПЗ
Изм.
Лист
№ докум.
Подпись
Дата
Лист
53
КП.517120.190901.65.099.2015.ПЗ
Изм.
Лист
№ докум.
Подпись
Дата
Лист
54
КП.517120.190901.65.099.2015.ПЗ
Изм.
Лист
№ докум.
Подпись
Дата
Лист
55
КП.517120.190901.65.099.2015.ПЗ
Изм.
Лист
№ докум.
Подпись
Дата
Лист
56
КП.517120.190901.65.099.2015.ПЗ
Изм.
Лист
№ докум.
Подпись
Дата
Лист
57
КП.517120.190901.65.099.2015.ПЗ
Изм.
Лист
№ докум.
Подпись
Дата
Лист
58
КП.517120.190901.65.099.2015.ПЗ
Построение плана станции, схемы питания и секционирования, монтажных кривых и таблиц














