Расчет главной электрической схемы ТЭЦ
Государственное образовательное учреждение
высшего профессионального образования
"Омский государственный технический университет"
Курсовой проект
“Расчет главной электрической схемы ТЭЦ”
”Электрические станции и подстанции”
Омск 2015
Содержание
- Техническое задание на расчет …………………………………………..3
- Компоновка структурной схемы ТЭЦ …………………………………..5
- Расчёт графиков нагрузок ………………………………………………..6
3.1. Расчет мощностей в нормальном режиме ………………………6
3.2. Расчет мощностей в ремонтом режиме ГРУ …………………..10
3.3. Расчет мощностей в ремонтом режиме ОРУ …………………..15
4. Выбор трансформаторов ………………………………………………….20
5. Выбор схем распределительных устройств ……………………………..22
6. Технико-экономический расчет структурных схем……………………..24
1. Техническое задание на расчет
- Проектируемая электроустановка ТЭЦ
- Установленная мощность станции (Ртэц) 300 МВт
- Схема подключения электростанции к энергосистеме рис. 1.1
- График нагрузки генераторов рис. 1.2
- Вид топлива газ
- Параметры энергосистем табл. 1.1
- Длина линии электропередач:L1 49 км
L2 53 км
L3 28 км
- Параметры потребителей табл. 1.2
- Дополнительные технические условия:
- коэффициент мощности для всех потребителей (cos) 0,85
- годовая эквивалентная температура воздуха +8,4 °С
- расчеты вести без учета сезонности нагрузки (по зимнему графику).
Рис. 1.1. Схема подключения проектируемой Рис.1.2 График выработки
ТЭЦ к энергосистеме активной мощности генераторами ТЭЦ
Таб.1.1
|
Час |
Рген,% |
Час |
Рген,% |
|
0 |
95 |
12 |
100 |
|
1 |
95 |
13 |
100 |
|
2 |
95 |
14 |
100 |
|
3 |
95 |
15 |
100 |
|
4 |
95 |
16 |
100 |
|
5 |
95 |
17 |
100 |
|
6 |
95 |
18 |
95 |
|
7 |
95 |
19 |
95 |
|
8 |
100 |
20 |
95 |
|
9 |
100 |
21 |
95 |
|
10 |
100 |
22 |
95 |
|
11 |
100 |
23 |
95 |
Таб.1.2
|
Параметр системы |
Система 1 |
Система 2 |
|
Номинальная мощность, МВА |
4800 |
35000 |
|
Относительное сопротивление, о.е. |
0,97 |
0,83 |
Таб.1.3
|
Параметр потребителя |
Потребитель Р1 |
Потребитель Р2 |
|
Максимум активной мощности, МВт |
72 |
159 |
|
Напряжение на шинах, кВ |
10 |
110 |
Деревообработка Деревообработка
Первый потребитель Второй потребитель
Рис.1.3 Рис.1.4
Суточные графики потребления мощности отраслями промышленности
|
t, ч |
S1 |
S2 |
t, ч |
S1 |
S2 |
||||
|
% |
МВА |
% |
МВА |
% |
МВА |
% |
МВА |
||
|
0 |
36 |
27,3 |
36 |
60,2 |
12 |
68 |
48,9 |
68 |
108,1 |
|
1 |
33 |
25 |
33 |
55,2 |
13 |
88 |
63,4 |
88 |
139,9 |
|
2 |
32 |
24,2 |
32 |
53,5 |
14 |
82 |
59 |
82 |
130,4 |
|
3 |
30 |
22,7 |
30 |
50,2 |
15 |
78 |
56,2 |
78 |
124 |
|
4 |
28 |
21,2 |
28 |
46,9 |
16 |
71 |
51,1 |
71 |
112,9 |
|
5 |
30 |
22,7 |
30 |
50,2 |
17 |
80 |
57,6 |
80 |
127,2 |
|
6 |
40 |
30,3 |
40 |
66,9 |
18 |
78 |
59,1 |
78 |
130,5 |
|
7 |
60 |
45,4 |
60 |
100,4 |
19 |
69 |
52,3 |
69 |
115,5 |
|
8 |
90 |
64,8 |
90 |
143,1 |
20 |
71 |
53,8 |
71 |
118,8 |
|
9 |
100 |
72 |
100 |
159 |
21 |
78 |
59,1 |
78 |
130,5 |
|
10 |
88 |
63,4 |
88 |
139,9 |
22 |
58 |
43,9 |
58 |
97 |
|
11 |
72 |
51,8 |
72 |
114,5 |
23 |
39 |
29,5 |
39 |
65,3 |
2. Компоновка структурной схемы ТЭЦ
Для получения оптимального проектного решения обычно разрабатывают несколько вариантов структурной схемы энергоустановки и выбирают из них лучший по результатам технико-экономической оценки. Критерием выбора является минимум приведенных затрат. На рис.2.1(а, б) приведены два варианта структурных схем ТЭЦ, имеющие равноценные технические и экономические характеристики.
Для обоих вариантов выбрана комбинированная схема ТЭЦ с наличием ГРУ и блоков. Варианты имеют следующую установленную мощность:
Ртэц1= 346 МВт,
Так как отличие вариантов по мощности друг от друга и от ТЗ меньше 5-7%, то принимаем эти варианты для дальнейшей проектной разработки.
а)

Рис. 2.1. Структурные схемы проектируемой электроустановки:
а схема 1;
3. Расчёт графиков нагрузок
Целью данных расчетов является определение графиков перетока мощности через трансформаторы связи и графиков обменной мощности станции с энергосистемой. Первый график необходим для выбора трансформаторов связи, второй график позволяет определить необходимое число линий связи станции с энергосистемой и с потребителем.
При расчете графиков нагрузок собственные нужды станции принимаем равным k =11% (топливо-газ) от полной мощности генераторов.
3.1. Расчет мощностей в нормальном режиме
Pгру г = 63*2=126 MВт;
Pбл г = 2*110=220 МВт;
Sгру г = Pгру г/cos=126/0,85=148,2 МВА;
Sбл г = Pбл г/cos=220/0,85=258,8 МВА;
Pгру cн = Pгру г*k=126*0,11=13,86 МВт;
Pбл cн= Pбл г*k=220*0,11=24,2 МВт;
Sгру сн = Pгру cн/cos=13,86/0,85=16,3 МВА;
Sбл cн = Pбл сн/ cos=24,2/0,85=28,4 МВА;
t=0
Sгру г-Sгру сн=(148,2-16,3)*0,95=125,3 МВА
S1=72*0,36/0,95=27,3 МВА;
Sпер=Sгру г Sгру сн S1= 125,3-27,3= 98 МВА;
(Sбл г Sбл сн)*0,95= (258,8-28,4)*0,95=218,9 МВА;
S2=159*0,36/0,95=60,3 МВА;
Sобм=Sпер + Sбл г Sбл сн S2 = 98+218,9-28,4-60,3=228,2 МВА;
t=1
(Sгру г-Sгру сн)*0,95=(148,2-16,3)*0,95=125,3 МВА
S1=72*0,33/0,95=25 МВА;
Sпер=Sгру г Sгру сн S1= 125,3-25= 100,3 МВА;
(Sбл г Sбл сн)*0,95= (258,8-28,4)*0,95=218,9 МВА;
S2=159*0,33/0,95=55,2 МВА;
Sобм=Sпер + Sбл г Sбл сн S2 = 100,3+218,9-28,4-55,2=235,6 МВА;
t=2
(Sгру г-Sгру сн)*0,95=(148,2-16,3)*0,95=125,3 МВА
S1=72*0,32/0,95=24,2 МВА;
Sпер=Sгру г Sгру сн S1= 125,3-24,2= 101,3 МВА;
(Sбл г Sбл сн)*0,95= (258,8-28,4)*0,95=218,9 МВА;
S2=159*0,32/0,95=53,5 МВА;
Sобм=Sпер + Sбл г Sбл сн S2 = 101,3+218,9-28,4-53,5=238,3 МВА;
t=3
(Sгру г-Sгру сн)*0,95=(148,2-16,3)*0,95=125,3 МВА
S1=72*0,3/0,95=27,2 МВА;
Sпер=Sгру г Sгру сн S1= 125,3-27,2= 98,1 МВА;
(Sбл г Sбл сн)*0,95= (258,8-28,4)*0,95=218,9 МВА;
S2=159*0,3/0,95=50,2 МВА;
Sобм=Sпер + Sбл г Sбл сн S2 = 98,1+218,9-28,4-50,2=238,4 МВА;
t=4
(Sгру г-Sгру сн)*0,95=(148,2-16,3)*0,95=125,3 МВА
S1=72*0,28/0,95=21,2 МВА;
Sпер=Sгру г Sгру сн S1= 125,3-21,2= 104,1 МВА;
(Sбл г Sбл сн)*0,95= (258,8-28,4)*0,95=218,9 МВА;
S2=159*0,28/0,95=46,9 МВА;
Sобм=Sпер + Sбл г Sбл сн S2 = 104,1+218,9-28,4-46,9=247,7 МВА;
t=5
(Sгру г-Sгру сн)*0,95=(148,2-16,3)*0,95=125,3 МВА
S1=72*0,3/0,95=27,2 МВА;
Sпер=Sгру г Sгру сн S1= 125,3-27,2= 98,1 МВА;
(Sбл г Sбл сн)*0,95= (258,8-28,4)*0,95=218,9 МВА;
S2=159*0,3/0,95=50,2 МВА;
Sобм=Sпер + Sбл г Sбл сн S2 = 98,1+218,9-28,4-50,2=238,4 МВА;
t=6
(Sгру г-Sгру сн)*0,95=(148,2-16,3)*0,95=125,3 МВА
S1=72*0,4/0,95=30,1 МВА;
Sпер=Sгру г Sгру сн S1= 125,3-30,1= 95,2 МВА;
(Sбл г Sбл сн)*0,95= (258,8-28,4)*0,95=218,9 МВА;
S2=159*0,4/0,95=66,9 МВА;
Sобм=Sпер + Sбл г Sбл сн S2 = 95,2+218,9-28,4-66,9=218,8 МВА;
t=7
(Sгру г-Sгру сн)*0,95=(148,2-16,3)*0,95=125,3 МВА
S1=72*0,6/0,95=45,4 МВА;
Sпер=Sгру г Sгру сн S1= 125,3-45,4= 79,9 МВА;
(Sбл г Sбл сн)*0,95= (258,8-28,4)*0,95=218,9 МВА;
S2=159*0,6/0,95=100,4 МВА;
Sобм=Sпер + Sбл г Sбл сн S2 = 79,9+218,9-28,4-100,4=170 МВА;
t=8
(Sгру г-Sгру сн)*1=(148,2-16,3)*1=131,9 МВА
S1=72*0,9/1=64,8 МВА;
Sпер=Sгру г Sгру сн S1= 125,3-64,8=60,5 МВА;
(Sбл г Sбл сн)*1= (258,8-28,4)*1=230,4 МВА;
S2=159*0,9/1=143,1 МВА;
Sобм=Sпер + Sбл г Sбл сн S2 = 60,5+230,4-28,4-143,1=119,4 МВА;
t=9
(Sгру г-Sгру сн)*1=(148,2-16,3)*1=131,9 МВА
S1=72*1/1=72 МВА;
Sпер=Sгру г Sгру сн S1= 125,3-72=53,3 МВА;
(Sбл г Sбл сн)*1= (258,8-28,4)*1=230,4 МВА;
S2=159*1/1=159 МВА;
Sобм=Sпер + Sбл г Sбл сн S2 = 53,3+230,4-28,4-159=96,3 МВА;
t=10
(Sгру г-Sгру сн)*1=(148,2-16,3)*1=131,9 МВА
S1=72*0,88/1=63,4 МВА;
Sпер=Sгру г Sгру сн S1= 125,3-63,4=61,9 МВА;
(Sбл г Sбл сн)*1= (258,8-28,4)*1=230,4 МВА;
S2=159*0,88/1=139,9 МВА;
Sобм=Sпер + Sбл г Sбл сн S2 = 61,9+230,4-28,4-139,9=124 МВА;
t=11
(Sгру г-Sгру сн)*1=(148,2-16,3)*1=131,9 МВА
S1=72*0,72/1=51,8 МВА;
Sпер=Sгру г Sгру сн S1= 125,3-51,8=73,5 МВА;
(Sбл г Sбл сн)*1= (258,8-28,4)*1=230,4 МВА;
S2=159*0,72/1=114,5 МВА;
Sобм=Sпер + Sбл г Sбл сн S2 = 73,5+230,4-28,4-114.5=161 МВА;
t=12
(Sгру г-Sгру сн)*1=(148,2-16,3)*1=131,9 МВА
S1=72*0,68/1=48,9 МВА;
Sпер=Sгру г Sгру сн S1= 125,3-48,9=76,7 МВА;
(Sбл г Sбл сн)*1= (258,8-28,4)*1=230,4 МВА;
S2=159*0,68/1=108,1 МВА;
Sобм=Sпер + Sбл г Sбл сн S2 = 76,7+230,4-28,4-108,1=170,6 МВА;
t=13
(Sгру г-Sгру сн)*1=(148,2-16,3)*1=131,9 МВА
S1=72*0,88/1=63,4 МВА;
Sпер=Sгру г Sгру сн S1= 125,3-63,4=61,9 МВА;
(Sбл г Sбл сн)*1= (258,8-28,4)*1=230,4 МВА;
S2=159*0,88/1=139,9 МВА;
Sобм=Sпер + Sбл г Sбл сн S2 = 61,9+230,4-28,4-139,9=124 МВА;
t=14
(Sгру г-Sгру сн)*1=(148,2-16,3)*1=131,9 МВА
S1=72*0,82/1=59 МВА;
Sпер=Sгру г Sгру сн S1= 125,3-59=66,3 МВА;
(Sбл г Sбл сн)*1= (258,8-28,4)*1=230,4 МВА;
S2=159*0,82/1=130,4 МВА;
Sобм=Sпер + Sбл г Sбл сн S2 = 66,3+230,4-28,4-130,4=137,9 МВА;
t=15
(Sгру г-Sгру сн)*1=(148,2-16,3)*1=131,9 МВА
S1=72*0,78/1=56,2 МВА;
Sпер=Sгру г Sгру сн S1= 125,3-56,2=69,1 МВА;
(Sбл г Sбл сн)*1= (258,8-28,4)*1=230,4 МВА;
S2=159*0,78/1=124 МВА;
Sобм=Sпер + Sбл г Sбл сн S2 = 69,1+230,4-28,4-124=147,1 МВА;
t=16
(Sгру г-Sгру сн)*1=(148,2-16,3)*1=131,9 МВА
S1=72*0,71/1=51,1 МВА;
Sпер=Sгру г Sгру сн S1= 125,3-51,1=74,2 МВА;
(Sбл г Sбл сн)*1= (258,8-28,4)*1=230,4 МВА;
S2=159*0,71/1=112,9 МВА;
Sобм=Sпер + Sбл г Sбл сн S2 = 74,2+230,4-28,4-112,9=163,3 МВА;
t=17
(Sгру г-Sгру сн)*1=(148,2-16,3)*1=131,9 МВА
S1=72*0,8/1=57,6 МВА;
Sпер=Sгру г Sгру сн S1= 125,3-57,6=67,7 МВА;
(Sбл г Sбл сн)*1= (258,8-28,4)*1=230,4 МВА;
S2=159*0,8/1=127,2 МВА;
Sобм=Sпер + Sбл г Sбл сн S2 = 67,7+230,4-28,4-127,2=142,5 МВА;
t=18
(Sгру г-Sгру сн)*0,95=(148,2-16,3)*0,95=125,3 МВА
S1=72*0,78/0,95=59,1 МВА;
Sпер=Sгру г Sгру сн S1= 125,3-59,1= 66,2 МВА;
(Sбл г Sбл сн)*0,95= (258,8-28,4)*0,95=218,9 МВА;
S2=159*0,78/0,95=130,5 МВА;
Sобм=Sпер + Sбл г Sбл сн S2 = 66,6+218,9-28,4-130,5=126,6 МВА;
t=19
(Sгру г-Sгру сн)*0,95=(148,2-16,3)*0,95=125,3 МВА
S1=72*0,69/0,95=52,3 МВА;
Sпер=Sгру г Sгру сн S1= 125,3-52,3= 73 МВА;
(Sбл г Sбл сн)*0,95= (258,8-28,4)*0,95=218,9 МВА;
S2=159*0,69/0,95=115,5 МВА;
Sобм=Sпер + Sбл г Sбл сн S2 = 73+218,9-28,4-115,5=148 МВА;
t=20
(Sгру г-Sгру сн)*0,95=(148,2-16,3)*0,95=125,3 МВА
S1=72*0,71/0,95=53,8 МВА;
Sпер=Sгру г Sгру сн S1= 125,3-53,8= 71,5 МВА;
(Sбл г Sбл сн)*0,95= (258,8-28,4)*0,95=218,9 МВА;
S2=159*0,71/0,95=118,8 МВА;
Sобм=Sпер + Sбл г Sбл сн S2 = 71,5+218,9-28,4-118,8=143,2 МВА;
t=21
(Sгру г-Sгру сн)*0,95=(148,2-16,3)*0,95=125,3 МВА
S1=72*0,78/0,95=59,1 МВА;
Sпер=Sгру г Sгру сн S1= 125,3-59,1= 66,2 МВА;
(Sбл г Sбл сн)*0,95= (258,8-28,4)*0,95=218,9 МВА;
S2=159*0,78/0,95=130,5 МВА;
Sобм=Sпер + Sбл г Sбл сн S2 = 66,2+218,9-28,4-130,5=126,2 МВА;
t=22
(Sгру г-Sгру сн)*0,95=(148,2-16,3)*0,95=125,3 МВА
S1=72*0,58/0,95=43,9 МВА;
Sпер=Sгру г Sгру сн S1= 125,3-43,9= 81,4 МВА;
(Sбл г Sбл сн)*0,95= (258,8-28,4)*0,95=218,9 МВА;
S2=159*0,58/0,95=97 МВА;
Sобм=Sпер + Sбл г Sбл сн S2 = 81,4+218,9-28,4-97=174,9 МВА;
t=23
(Sгру г-Sгру сн)*0,95=(148,2-16,3)*0,95=125,3 МВА
S1=72*0,39/0,95=29,5 МВА;
Sпер=Sгру г Sгру сн S1= 125,3-29,5= 95,8 МВА;
(Sбл г Sбл сн)*0,95= (258,8-28,4)*0,95=218,9 МВА;
S2=159*0,39/0,95=65,3 МВА;
Sобм=Sпер + Sбл г Sбл сн S2 = 95,8+218,9-28,4-65,3=221 МВА;
Результаты расчета графиков нагрузок для схемы 1 (рис. 2.1 а) сведены в табл. 3.13.3.
Суточные графики мощностей в нормальном режиме станции
|
t, ч |
, МВ*А |
, МВ*А |
, МВ*А |
, МВ*А |
, МВ*А |
, МВ*А |
|
0 |
125,3 |
27,3 |
98 |
218,9 |
60,3 |
228,2 |
|
1 |
125,3 |
25 |
100,3 |
218,9 |
55,2 |
235,6 |
|
2 |
125,3 |
24,2 |
101,3 |
218,9 |
53,5 |
238,3 |
|
3 |
125,3 |
27,2 |
98,1 |
218,9 |
50,2 |
238,4 |
|
4 |
125,3 |
21,2 |
104,1 |
218,9 |
46,9 |
247,7 |
|
5 |
125,3 |
27,2 |
98,1 |
218,9 |
50,2 |
238,4 |
|
6 |
125,3 |
30,1 |
95,2 |
218,9 |
66,9 |
218,8 |
|
7 |
125,3 |
45,4 |
79,9 |
218,9 |
100,4 |
170 |
|
8 |
131,9 |
64,8 |
60,5 |
230,4 |
143,1 |
119,4 |
|
9 |
131,9 |
72 |
53,3 |
230,4 |
159 |
96,3 |
|
10 |
131,9 |
63,4 |
61,9 |
230,4 |
139,9 |
124 |
|
11 |
131,9 |
51,8 |
73,5 |
230,4 |
114,5 |
161 |
|
12 |
131,9 |
48,9 |
76,7 |
230,4 |
108,1 |
170,6 |
|
13 |
131,9 |
63,4 |
61,9 |
230,4 |
139,9 |
124 |
|
14 |
131,9 |
59 |
66,3 |
230,4 |
130,4 |
137,9 |
|
15 |
131,9 |
56,2 |
69,1 |
230,4 |
124 |
147,1 |
|
16 |
131,9 |
51,1 |
74,2 |
230,4 |
112,9 |
163,3 |
|
17 |
131,9 |
57,6 |
67,7 |
230,4 |
127,2 |
142,5 |
|
18 |
125,3 |
59,1 |
66,6 |
218,9 |
130,5 |
126,6 |
|
19 |
125,3 |
52,3 |
73 |
218,9 |
115,5 |
148 |
|
20 |
125,3 |
53,8 |
71,5 |
218,9 |
118,8 |
143,2 |
|
21 |
125,3 |
59,1 |
66,2 |
218,9 |
130,5 |
126,2 |
|
22 |
125,3 |
43,9 |
81,4 |
218,9 |
97 |
174,9 |
|
23 |
125,3 |
29,5 |
95,8 |
218,9 |
65,3 |
221 |
Таб.3.1

Рис.3.1. Суточный график перетока мощности в нормальном режиме работы
3.2 Расчет мощностей в ремонтом режиме ГРУ
Предположим, что один генератор 63 МВТ вывели в ремонт. Найдем мощности.
Pгру г = 63 MВт;
Pбл г = 110*2=220 МВт;
Sгру г = Pгру г/cos=63/0,85=74,1 МВА;
Sбл г = Pбл г/cos=220/0,85=258,8 МВА;
Pгру cн = Pгру г*k=63*0,11=6,93 МВт;
Pбл cн= Pбл г*k=220*0,11=24,2 МВт;
Sгру сн = Pгру cн/cos=6,93/0,85=8,1 МВА;
Sбл cн = Pбл сн/cos=24,2/0,85=28,4 МВА;
t=0
Sгру г-Sгру сн=(74,1-8,1)*0,95=62,7 МВА
S1=72*0,36/0,95=27,3 МВА;
Sпер=Sгру г Sгру сн S1= 62,7-27,3= 35,4 МВА;
(Sбл г Sбл сн)*0,95= (258,8-28,4)*0,95=218,9 МВА;
S2=159*0,36/0,95=60,3 МВА;
Sобм=Sпер + Sбл г Sбл сн S2 = 35,4+218,9-28,4-60,3=165,6 МВА;
t=1
Sгру г-Sгру сн=(74,1-8,1)*0,95=62,7 МВА
S1=72*0,33/0,95=25 МВА;
Sпер=Sгру г Sгру сн S1= 62,7-25= 37,7 МВА;
(Sбл г Sбл сн)*0,95= (258,8-28,4)*0,95=218,9 МВА;
S2=159*0,33/0,95=55,2 МВА;
Sобм=Sпер + Sбл г Sбл сн S2 = 37,7+218,9-28,4-55,2=173 МВА;
t=2
Sгру г-Sгру сн=(74,1-8,1)*0,95=62,7 МВА
S1=72*0,32/0,95=24,2 МВА;
Sпер=Sгру г Sгру сн S1= 62,7-24,2= 38,5 МВА;
(Sбл г Sбл сн)*0,95= (258,8-28,4)*0,95=218,9 МВА;
S2=159*0,32/0,95=53,5 МВА;
Sобм=Sпер + Sбл г Sбл сн S2 = 38,5+218,9-28,4-53,5=175,5 МВА;
t=3
Sгру г-Sгру сн=(74,1-8,1)*0,95=62,7 МВА
S1=72*0,3/0,95=27,2 МВА;
Sпер=Sгру г Sгру сн S1= 62,7-27,2= 35,5 МВА;
(Sбл г Sбл сн)*0,95= (258,8-28,4)*0,95=218,9 МВА;
S2=159*0,3/0,95=50,2 МВА;
Sобм=Sпер + Sбл г Sбл сн S2 = 35,5+218,9-28,4-50,2=175,8 МВА;
t=4
Sгру г-Sгру сн=(74,1-8,1)*0,95=62,7 МВА
S1=72*0,28/0,95=21,2 МВА;
Sпер=Sгру г Sгру сн S1= 62,7-21,2= 41,5 МВА;
(Sбл г Sбл сн)*0,95= (258,8-28,4)*0,95=218,9 МВА;
S2=159*0,28/0,95=46,9 МВА;
Sобм=Sпер + Sбл г Sбл сн S2 = 41,5+218,9-28,4-46,9=185,1 МВА;
t=5
Sгру г-Sгру сн=(74,1-8,1)*0,95=62,7 МВА
S1=72*0,3/0,95=27,2 МВА;
Sпер=Sгру г Sгру сн S1= 62,7-27,2= 35,5 МВА;
(Sбл г Sбл сн)*0,95= (258,8-28,4)*0,95=218,9 МВА;
S2=159*0,3/0,95=50,2 МВА;
Sобм=Sпер + Sбл г Sбл сн S2 = 35,5+218,9-28,4-50,2=175,8 МВА;
t=6
Sгру г-Sгру сн=(74,1-8,1)*0,95=62,7 МВА
S1=72*0,4/0,95=30,1 МВА;
Sпер=Sгру г Sгру сн S1= 62,7-30,1= 32,6 МВА;
(Sбл г Sбл сн)*0,95= (258,8-28,4)*0,95=218,9 МВА;
S2=159*0,4/0,95=66,9 МВА;
Sобм=Sпер + Sбл г Sбл сн S2 = 32,6+218,9-28,4-66,9=156,2 МВА;
t=7
Sгру г-Sгру сн=(74,1-8,1)*0,95=62,7 МВА
S1=72*0,6/0,95=45,4 МВА;
Sпер=Sгру г Sгру сн S1= 62,7-45,4= 17,3 МВА;
(Sбл г Sбл сн)*0,95= (258,8-28,4)*0,95=218,9 МВА;
S2=159*0,6/0,95=100,4 МВА;
Sобм=Sпер + Sбл г Sбл сн S2 = 17,3+218,9-28,4-100,4=107,4 МВА;
t=8
(Sгру г-Sгру сн)*1=(74,1-8,1)*1=66 МВА
S1=72*0,9/1=64,8 МВА;
Sпер=Sгру г Sгру сн S1= 66-64,8=1,2 МВА;
(Sбл г Sбл сн)*1= (258,8-28,4)*1=230,4 МВА;
S2=159*0,9/1=143,1 МВА;
Sобм=Sпер + Sбл г Sбл сн S2 = 1,2+230,4-28,4-143,1=60,1 МВА;
t=9
(Sгру г-Sгру сн)*1=(74,1-8,1)*1=66 МВА
S1=72*1/1=72 МВА;
Sпер=Sгру г Sгру сн S1= 66-72=-6 МВА;
(Sбл г Sбл сн)*1= (258,8-28,4)*1=230,4 МВА;
S2=159*1/1=159 МВА;
Sобм=Sпер + Sбл г Sбл сн S2 = -6+230,4-28,4-159=37 МВА;
t=10
(Sгру г-Sгру сн)*1=(74,1-8,1)*1=66 МВА
S1=72*0,88/1=63,4 МВА;
Sпер=Sгру г Sгру сн S1= 66-63,4=2,6 МВА;
(Sбл г Sбл сн)*1= (258,8-28,4)*1=230,4 МВА;
S2=159*0,88/1=139,9 МВА;
Sобм=Sпер + Sбл г Sбл сн S2 = 2,6+230,4-28,4-139,9=64,7 МВА;
t=11
(Sгру г-Sгру сн)*1=(74,1-8,1)*1=66 МВА
S1=72*0,72/1=51,8 МВА;
Sпер=Sгру г Sгру сн S1= 66-51,8=14,2 МВА;
(Sбл г Sбл сн)*1= (258,8-28,4)*1=230,4 МВА;
S2=159*0,72/1=114,5 МВА;
Sобм=Sпер + Sбл г Sбл сн S2 = 14,2+230,4-28,4-114.5=101,7 МВА;
t=12
(Sгру г-Sгру сн)*1=(74,1-8,1)*1=66 МВА
S1=72*0,68/1=48,9 МВА;
Sпер=Sгру г Sгру сн S1= 66-48,9=17,1 МВА;
(Sбл г Sбл сн)*1= (258,8-28,4)*1=230,4 МВА;
S2=159*0,68/1=108,1 МВА;
Sобм=Sпер + Sбл г Sбл сн S2 = 17,1+230,4-28,4-108,1=111 МВА;
t=13
(Sгру г-Sгру сн)*1=(74,1-8,1)*1=66 МВА
S1=72*0,88/1=63,4 МВА;
Sпер=Sгру г Sгру сн S1= 66-63,4=2,6 МВА;
(Sбл г Sбл сн)*1= (258,8-28,4)*1=230,4 МВА;
S2=159*0,88/1=139,9 МВА;
Sобм=Sпер + Sбл г Sбл сн S2 = 2,6+230,4-28,4-139,9=64,7 МВА;
t=14
(Sгру г-Sгру сн)*1=(74,1-8,1)*1=66 МВА
S1=72*0,82/1=59 МВА;
Sпер=Sгру г Sгру сн S1= 66-59=7 МВА;
(Sбл г Sбл сн)*1= (258,8-28,4)*1=230,4 МВА;
S2=159*0,82/1=130,4 МВА;
Sобм=Sпер + Sбл г Sбл сн S2 = 7+230,4-28,4-130,4=78,6 МВА;
t=15
(Sгру г-Sгру сн)*1=(74,1-8,1)*1=66 МВА
S1=72*0,78/1=56,2 МВА;
Sпер=Sгру г Sгру сн S1= 66-56,2=9,8 МВА;
(Sбл г Sбл сн)*1= (258,8-28,4)*1=230,4 МВА;
S2=159*0,78/1=124 МВА;
Sобм=Sпер + Sбл г Sбл сн S2 = 9,8+230,4-28,4-124=87,8 МВА;
t=16
(Sгру г-Sгру сн)*1=(74,1-8,1)*1=66 МВА
S1=72*0,71/1=51,1 МВА;
Sпер=Sгру г Sгру сн S1= 66-51,1=14,9 МВА;
(Sбл г Sбл сн)*1= (258,8-28,4)*1=230,4 МВА;
S2=159*0,71/1=112,9 МВА;
Sобм=Sпер + Sбл г Sбл сн S2 = 14,9+230,4-28,4-112,9=104 МВА;
t=17
(Sгру г-Sгру сн)*1=(74,1-8,1)*1=66 МВА
S1=72*0,8/1=57,6 МВА;
Sпер=Sгру г Sгру сн S1= 66-57,6=8,4 МВА;
(Sбл г Sбл сн)*1= (258,8-28,4)*1=230,4 МВА;
S2=159*0,8/1=127,2 МВА;
Sобм=Sпер + Sбл г Sбл сн S2 = 8,4+230,4-28,4-127,2=83,2 МВА;
t=18
Sгру г-Sгру сн=(74,1-8,1)*0,95=62,7 МВА
S1=72*0,78/0,95=59,1 МВА;
Sпер=Sгру г Sгру сн S1= 62,7-59,1= 3,6 МВА;
(Sбл г Sбл сн)*0,95= (258,8-28,4)*0,95=218,9 МВА;
S2=159*0,78/0,95=130,5 МВА;
Sобм=Sпер + Sбл г Sбл сн S2 = 3,6+218,9-28,4-130,5=63,6 МВА;
t=19
Sгру г-Sгру сн=(74,1-8,1)*0,95=62,7 МВА
S1=72*0,69/0,95=52,3 МВА;
Sпер=Sгру г Sгру сн S1= 62,7-52,3= 10,4 МВА;
(Sбл г Sбл сн)*0,95= (258,8-28,4)*0,95=218,9 МВА;
S2=159*0,69/0,95=115,5 МВА;
Sобм=Sпер + Sбл г Sбл сн S2 = 10,4+218,9-28,4-115,5=85,4 МВА;
t=20
Sгру г-Sгру сн=(74,1-8,1)*0,95=62,7 МВА
S1=72*0,71/0,95=53,8 МВА;
Sпер=Sгру г Sгру сн S1= 62,7 -53,8= 8,9 МВА;
(Sбл г Sбл сн)*0,95= (258,8-28,4)*0,95=218,9 МВА;
S2=159*0,71/0,95=118,8 МВА;
Sобм=Sпер + Sбл г Sбл сн S2 = 8,9+218,9-28,4-118,8=80,6 МВА;
t=21
Sгру г-Sгру сн=(74,1-8,1)*0,95=62,7 МВА
S1=72*0,78/0,95=59,1 МВА;
Sпер=Sгру г Sгру сн S1= 62,7 -59,1= 3,6 МВА;
(Sбл г Sбл сн)*0,95= (258,8-28,4)*0,95=218,9 МВА;
S2=159*0,78/0,95=130,5 МВА;
Sобм=Sпер + Sбл г Sбл сн S2 = 3,6+218,9-28,4-130,5=63,6 МВА;
t=22
Sгру г-Sгру сн=(74,1-8,1)*0,95=62,7 МВА
S1=72*0,58/0,95=43,9 МВА;
Sпер=Sгру г Sгру сн S1= 62,7 -43,9= 18,8 МВА;
(Sбл г Sбл сн)*0,95= (258,8-28,4)*0,95=218,9 МВА;
S2=159*0,58/0,95=97 МВА;
Sобм=Sпер + Sбл г Sбл сн S2 = 18,8+218,9-28,4-97=112,3 МВА;
t=23
Sгру г-Sгру сн=(74,1-8,1)*0,95=62,7 МВА
S1=72*0,39/0,95=29,5 МВА;
Sпер=Sгру г Sгру сн S1= 62,7 -29,5= 33,2 МВА;
(Sбл г Sбл сн)*0,95= (258,8-28,4)*0,95=218,9 МВА;
S2=159*0,39/0,95=65,3 МВА;
Sобм=Sпер + Sбл г Sбл сн S2 = 33,2+218,9-28,4-65,3=158,4 МВА;
Суточные графики мощностей в ремонтном режиме ГРУ
|
t, ч |
, МВ*А |
, МВ*А |
, МВ*А |
, МВ*А |
, МВ*А |
, МВ*А |
|
0 |
62,7 |
27,3 |
35,4 |
218,9 |
60,3 |
165,6 |
|
1 |
62,7 |
25 |
37,7 |
218,9 |
55,2 |
173 |
|
2 |
62,7 |
24,2 |
38,5 |
218,9 |
53,5 |
175,5 |
|
3 |
62,7 |
27,2 |
35,5 |
218,9 |
50,2 |
175,8 |
|
4 |
62,7 |
21,2 |
41,5 |
218,9 |
46,9 |
185,1 |
|
5 |
62,7 |
27,2 |
35,5 |
218,9 |
50,2 |
175,8 |
|
6 |
62,7 |
30,1 |
32,6 |
218,9 |
66,9 |
156,2 |
|
7 |
62,7 |
45,4 |
17,3 |
218,9 |
100,4 |
107,4 |
|
8 |
66 |
64,8 |
1,2 |
230,4 |
143,1 |
60,1 |
|
9 |
66 |
72 |
-6 |
230,4 |
159 |
37 |
|
10 |
66 |
63,4 |
2,6 |
230,4 |
139,9 |
64,7 |
|
11 |
66 |
51,8 |
14,2 |
230,4 |
114,5 |
101,7 |
|
12 |
66 |
48,9 |
17,1 |
230,4 |
108,1 |
111 |
|
13 |
66 |
63,4 |
2,6 |
230,4 |
139,9 |
64,7 |
|
14 |
66 |
59 |
7 |
230,4 |
130,4 |
78,6 |
|
15 |
66 |
56,2 |
9,8 |
230,4 |
124 |
87,8 |
|
16 |
66 |
51,1 |
14,9 |
230,4 |
112,9 |
104 |
|
17 |
62,7 |
57,6 |
8,4 |
230,4 |
127,2 |
83,2 |
|
18 |
62,7 |
59,1 |
3,6 |
218,9 |
130,5 |
63,6 |
|
19 |
62,7 |
52,3 |
10,4 |
218,9 |
115,5 |
85,4 |
|
20 |
62,7 |
53,8 |
8,9 |
218,9 |
118,8 |
80,6 |
|
21 |
62,7 |
59,1 |
3,6 |
218,9 |
130,5 |
63,6 |
|
22 |
62,7 |
43,9 |
18,8 |
218,9 |
97 |
112,3 |
|
23 |
62,7 |
29,5 |
33,2 |
218,9 |
65,3 |
158,4 |
Таб. 3.2

Рис.3.2. Суточный график перетока мощности в ремонтном режиме ГРУ
3.3. Расчет мощностей в ремонтом режиме ОРУ
Предположим, что один генератор 110 МВт вывели в ремонт. Найдем мощности.
Pгру г = 63*2=126 MВт;
Pбл г = 110 МВт;
Sгру г = Pгру г/cos=126/0,85=148,2 МВА;
Sбл г = Pбл г/cos=110/0,85=129,4 МВА;
Pгру cн = Pгру г*k=126*0,11=13,86 МВт;
Pбл cн= Pбл г*k=110*0,11=12,1 МВт;
Sгру сн = Pгру cн/cos=13,86/0,85=16,3 МВА;
Sбл cн = Pбл сн/ cos=12,1/0,85=14,2 МВА;
t=0
Sгру г-Sгру сн=(148,2-16,3)*0,95=125,3 МВА
S1=72*0,36/0,95=27,3 МВА;
Sпер=Sгру г Sгру сн S1= 125,3-27,3= 98 МВА;
(Sбл г Sбл сн)*0,95= (129,4-14,2)*0,95=109,4 МВА;
S2=159*0,36/0,95=60,3 МВА;
Sобм=Sпер + Sбл г Sбл сн S2 = 98+109,4-28,4-60,3=118,7 МВА;
t=1
(Sгру г-Sгру сн)*0,95=(148,2-16,3)*0,95=125,3 МВА
S1=72*0,33/0,95=25 МВА;
Sпер=Sгру г Sгру сн S1= 125,3-25= 100,3 МВА;
(Sбл г Sбл сн)*0,95= (129,4-14,2)*0,95=109,4 МВА;
S2=159*0,33/0,95=55,2 МВА;
Sобм=Sпер + Sбл г Sбл сн S2 = 100,3+109,4-28,4-55,2=126,1 МВА;
t=2
(Sгру г-Sгру сн)*0,95=(148,2-16,3)*0,95=125,3 МВА
S1=72*0,32/0,95=24,2 МВА;
Sпер=Sгру г Sгру сн S1= 125,3-24,2= 101,3 МВА;
(Sбл г Sбл сн)*0,95= (129,4-14,2)*0,95=109,4 МВА;
S2=159*0,32/0,95=53,5 МВА;
Sобм=Sпер + Sбл г Sбл сн S2 = 101,3+109,4-28,4-53,5=128,8 МВА;
t=3
(Sгру г-Sгру сн)*0,95=(148,2-16,3)*0,95=125,3 МВА
S1=72*0,3/0,95=27,2 МВА;
Sпер=Sгру г Sгру сн S1= 125,3-27,2= 98,1 МВА;
(Sбл г Sбл сн)*0,95= (129,4-14,2)*0,95=109,4 МВА;
S2=159*0,3/0,95=50,2 МВА;
Sобм=Sпер + Sбл г Sбл сн S2 = 98,1+109,4-28,4-50,2=128,9 МВА;
t=4
(Sгру г-Sгру сн)*0,95=(148,2-16,3)*0,95=125,3 МВА
S1=72*0,28/0,95=21,2 МВА;
Sпер=Sгру г Sгру сн S1= 125,3-21,2= 104,1 МВА;
(Sбл г Sбл сн)*0,95= (129,4-14,2)*0,95=109,4 МВА;
S2=159*0,28/0,95=46,9 МВА;
Sобм=Sпер + Sбл г Sбл сн S2 = 104,1+109,4-28,4-46,9=138,2 МВА;
t=5
(Sгру г-Sгру сн)*0,95=(148,2-16,3)*0,95=125,3 МВА
S1=72*0,3/0,95=27,2 МВА;
Sпер=Sгру г Sгру сн S1= 125,3-27,2= 98,1 МВА;
(Sбл г Sбл сн)*0,95= (129,4-14,2)*0,95=109,4 МВА;
S2=159*0,3/0,95=50,2 МВА;
Sобм=Sпер + Sбл г Sбл сн S2 = 98,1+109,4-28,4-50,2=128,9 МВА;
t=6
(Sгру г-Sгру сн)*0,95=(148,2-16,3)*0,95=125,3 МВА
S1=72*0,4/0,95=30,1 МВА;
Sпер=Sгру г Sгру сн S1= 125,3-30,1= 95,2 МВА;
(Sбл г Sбл сн)*0,95= (129,4-14,2)*0,95=109,4 МВА;
S2=159*0,4/0,95=66,9 МВА;
Sобм=Sпер + Sбл г Sбл сн S2 = 95,2+109,4-28,4-66,9=109,3 МВА;
t=7
(Sгру г-Sгру сн)*0,95=(148,2-16,3)*0,95=125,3 МВА
S1=72*0,6/0,95=45,4 МВА;
Sпер=Sгру г Sгру сн S1= 125,3-45,4= 79,9 МВА;
(Sбл г Sбл сн)*0,95= (129,4-14,2)*0,95=109,4 МВА;
S2=159*0,6/0,95=100,4 МВА;
Sобм=Sпер + Sбл г Sбл сн S2 = 79,9+109,4-28,4-100,4=60,5 МВА;
t=8
(Sгру г-Sгру сн)*1=(148,2-16,3)*1=131,9 МВА
S1=72*0,9/1=64,8 МВА;
Sпер=Sгру г Sгру сн S1= 125,3-64,8=60,5 МВА;
(Sбл г Sбл сн)*1= (129,4-14,2)*1=115,2 МВА;
S2=159*0,9/1=143,1 МВА;
Sобм=Sпер + Sбл г Sбл сн S2 = 60,5+115,2 -28,4-143,1=4,2 МВА;
t=9
(Sгру г-Sгру сн)*1=(148,2-16,3)*1=131,9 МВА
S1=72*1/1=72 МВА;
Sпер=Sгру г Sгру сн S1= 125,3-72=53,3 МВА;
(Sбл г Sбл сн)*1= (129,4-14,2)*1=115,2 МВА;
S2=159*1/1=159 МВА;
Sобм=Sпер + Sбл г Sбл сн S2 = 53,3+115,2 -28,4-159=-18,9 МВА;
t=10
(Sгру г-Sгру сн)*1=(148,2-16,3)*1=131,9 МВА
S1=72*0,88/1=63,4 МВА;
Sпер=Sгру г Sгру сн S1= 125,3-63,4=61,9 МВА;
(Sбл г Sбл сн)*1= (129,4-14,2)*1=115,2 МВА;
S2=159*0,88/1=139,9 МВА;
Sобм=Sпер + Sбл г Sбл сн S2 = 61,9+115,2 -28,4-139,9=8,8 МВА;
t=11
(Sгру г-Sгру сн)*1=(148,2-16,3)*1=131,9 МВА
S1=72*0,72/1=51,8 МВА;
Sпер=Sгру г Sгру сн S1= 125,3-51,8=73,5 МВА;
(Sбл г Sбл сн)*1= (129,4-14,2)*1=115,2 МВА;
S2=159*0,72/1=114,5 МВА;
Sобм=Sпер + Sбл г Sбл сн S2 = 73,5+115,2 -28,4-114.5=45,8 МВА;
t=12
(Sгру г-Sгру сн)*1=(148,2-16,3)*1=131,9 МВА
S1=72*0,68/1=48,9 МВА;
Sпер=Sгру г Sгру сн S1= 125,3-48,9=76,7 МВА;
(Sбл г Sбл сн)*1= (129,4-14,2)*1=115,2 МВА;
S2=159*0,68/1=108,1 МВА;
Sобм=Sпер + Sбл г Sбл сн S2 = 76,7+115,2 -28,4-108,1=55,4 МВА;
t=13
(Sгру г-Sгру сн)*1=(148,2-16,3)*1=131,9 МВА
S1=72*0,88/1=63,4 МВА;
Sпер=Sгру г Sгру сн S1= 125,3-63,4=61,9 МВА;
(Sбл г Sбл сн)*1= (129,4-14,2)*1=115,2 МВА;
S2=159*0,88/1=139,9 МВА;
Sобм=Sпер + Sбл г Sбл сн S2 = 61,9+115,2 -28,4-139,9=8,8 МВА;
t=14
(Sгру г-Sгру сн)*1=(148,2-16,3)*1=131,9 МВА
S1=72*0,82/1=59 МВА;
Sпер=Sгру г Sгру сн S1= 125,3-59=66,3 МВА;
(Sбл г Sбл сн)*1= (129,4-14,2)*1=115,2 МВА;
S2=159*0,82/1=130,4 МВА;
Sобм=Sпер + Sбл г Sбл сн S2 = 66,3+115,2 -28,4-130,4=22,7 МВА;
t=15
(Sгру г-Sгру сн)*1=(148,2-16,3)*1=131,9 МВА
S1=72*0,78/1=56,2 МВА;
Sпер=Sгру г Sгру сн S1= 125,3-56,2=69,1 МВА;
(Sбл г Sбл сн)*1= (129,4-14,2)*1=115,2 МВА;
S2=159*0,78/1=124 МВА;
Sобм=Sпер + Sбл г Sбл сн S2 = 69,1+115,2 -28,4-124=31,9 МВА;
t=16
(Sгру г-Sгру сн)*1=(148,2-16,3)*1=131,9 МВА
S1=72*0,71/1=51,1 МВА;
Sпер=Sгру г Sгру сн S1= 125,3-51,1=74,2 МВА;
(Sбл г Sбл сн)*1= (129,4-14,2)*1=115,2 МВА;
S2=159*0,71/1=112,9 МВА;
Sобм=Sпер + Sбл г Sбл сн S2 = 74,2+115,2 -28,4-112,9=48,1 МВА;
t=17
(Sгру г-Sгру сн)*1=(148,2-16,3)*1=131,9 МВА
S1=72*0,8/1=57,6 МВА;
Sпер=Sгру г Sгру сн S1= 125,3-57,6=67,7 МВА;
(Sбл г Sбл сн)*1= (129,4-14,2)*1=115,2 МВА;
S2=159*0,8/1=127,2 МВА;
Sобм=Sпер + Sбл г Sбл сн S2 = 67,7+115,2 -28,4-127,2=27,3 МВА;
t=18
(Sгру г-Sгру сн)*0,95=(148,2-16,3)*0,95=125,3 МВА
S1=72*0,78/0,95=59,1 МВА;
Sпер=Sгру г Sгру сн S1= 125,3-59,1= 66,2 МВА;
(Sбл г Sбл сн)*0,95= (129,4-14,2)*0,95=109,4 МВА;
S2=159*0,78/0,95=130,5 МВА;
Sобм=Sпер + Sбл г Sбл сн S2 = 66,6+109,4-28,4-130,5=16,7 МВА;
t=19
(Sгру г-Sгру сн)*0,95=(148,2-16,3)*0,95=125,3 МВА
S1=72*0,69/0,95=52,3 МВА;
Sпер=Sгру г Sгру сн S1= 125,3-52,3= 73 МВА;
(Sбл г Sбл сн)*0,95= (129,4-14,2)*0,95=109,4 МВА;
S2=159*0,69/0,95=115,5 МВА;
Sобм=Sпер + Sбл г Sбл сн S2 = 73+109,4-28,4-115,5=38,5 МВА;
t=20
(Sгру г-Sгру сн)*0,95=(148,2-16,3)*0,95=125,3 МВА
S1=72*0,71/0,95=53,8 МВА;
Sпер=Sгру г Sгру сн S1= 125,3-53,8= 71,5 МВА;
(Sбл г Sбл сн)*0,95= (129,4-14,2)*0,95=109,4 МВА;
S2=159*0,71/0,95=118,8 МВА;
Sобм=Sпер + Sбл г Sбл сн S2 = 71,5+109,4-28,4-118,8=33,7 МВА;
t=21
(Sгру г-Sгру сн)*0,95=(148,2-16,3)*0,95=125,3 МВА
S1=72*0,78/0,95=59,1 МВА;
Sпер=Sгру г Sгру сн S1= 125,3-59,1= 66,2 МВА;
(Sбл г Sбл сн)*0,95= (129,4-14,2)*0,95=109,4 МВА;
S2=159*0,78/0,95=130,5 МВА;
Sобм=Sпер + Sбл г Sбл сн S2 = 66,2+109,4-28,4-130,5=16,7 МВА;
t=22
(Sгру г-Sгру сн)*0,95=(148,2-16,3)*0,95=125,3 МВА
S1=72*0,58/0,95=43,9 МВА;
Sпер=Sгру г Sгру сн S1= 125,3-43,9= 81,4 МВА;
(Sбл г Sбл сн)*0,95= (129,4-14,2)*0,95=109,4 МВА;
S2=159*0,58/0,95=97 МВА;
Sобм=Sпер + Sбл г Sбл сн S2 = 81,4+109,4-28,4-97=69 МВА;
t=23
(Sгру г-Sгру сн)*0,95=(148,2-16,3)*0,95=125,3 МВА
S1=72*0,39/0,95=29,5 МВА;
Sпер=Sгру г Sгру сн S1= 125,3-29,5= 95,8 МВА;
(Sбл г Sбл сн)*0,95= (129,4-14,2)*0,95=109,4 МВА;
S2=159*0,39/0,95=65,3 МВА;
Sобм=Sпер + Sбл г Sбл сн S2 = 95,8+109,4-28,4-65,3=221 МВА;
Суточные графики мощностей в ремонтном режиме ОРУ
|
t, ч |
, МВ*А |
, МВ*А |
, МВ*А |
, МВ*А |
, МВ*А |
, МВ*А |
|
0 |
125,3 |
27,3 |
98 |
109,4 |
60,3 |
118,7 |
|
1 |
125,3 |
25 |
100,3 |
109,4 |
55,2 |
126,1 |
|
2 |
125,3 |
24,2 |
101,3 |
109,4 |
53,5 |
128,8 |
|
3 |
125,3 |
27,2 |
98,1 |
109,4 |
50,2 |
128,9 |
|
4 |
125,3 |
21,2 |
104,1 |
109,4 |
46,9 |
138,2 |
|
5 |
125,3 |
27,2 |
98,1 |
109,4 |
50,2 |
128,9 |
|
6 |
125,3 |
30,1 |
95,2 |
109,4 |
66,9 |
109,3 |
|
7 |
125,3 |
45,4 |
79,9 |
109,4 |
100,4 |
60,5 |
|
8 |
131,9 |
64,8 |
60,5 |
115,2 |
143,1 |
4,2 |
|
9 |
131,9 |
72 |
53,3 |
115,2 |
159 |
-18,9 |
|
10 |
131,9 |
63,4 |
61,9 |
115,2 |
139,9 |
8,8 |
|
11 |
131,9 |
51,8 |
73,5 |
115,2 |
114,5 |
45,8 |
|
12 |
131,9 |
48,9 |
76,7 |
115,2 |
108,1 |
55,4 |
|
13 |
131,9 |
63,4 |
61,9 |
115,2 |
139,9 |
8,8 |
|
14 |
131,9 |
59 |
66,3 |
115,2 |
130,4 |
22,7 |
|
15 |
131,9 |
56,2 |
69,1 |
115,2 |
124 |
31,9 |
|
16 |
131,9 |
51,1 |
74,2 |
115,2 |
112,9 |
48,1 |
|
17 |
131,9 |
57,6 |
67,7 |
115,2 |
127,2 |
27,3 |
|
18 |
125,3 |
59,1 |
66,6 |
109,4 |
130,5 |
16,7 |
|
19 |
125,3 |
52,3 |
73 |
109,4 |
115,5 |
38,5 |
|
20 |
125,3 |
53,8 |
71,5 |
109,4 |
118,8 |
33,7 |
|
21 |
125,3 |
59,1 |
66,2 |
109,4 |
130,5 |
16,7 |
|
22 |
125,3 |
43,9 |
81,4 |
109,4 |
97 |
69 |
|
23 |
125,3 |
29,5 |
95,8 |
109,4 |
65,3 |
111,5 |
Таб.3.3
Рис.3.3. Суточный график обмена мощности в ремонтном режиме ОРУ
4.Выбор трансформаторов
Выбор трансформатора блока. Блок «генератор-трансформатор» не имеет поперечных электрических связей и подключается непосредственно к РУ повышенного напряжения. Поэтому условия работы трансформатора полностью определяются номинальной мощностью генератора. Так как трансформатор должен пропускать без перегрузки полную мощность генератора и напряжение его обмоток должны соответствовать, с одной стороны, напряжению ОРУ, а с другой напряжению генератора, то блочный трансформатор выбираем по следующим условиям:

В соответствии с этими условиями выберем трансформаторы:
|
Параметры |
|
|
Трансформатора ТДЦ 125000/110 |
ТВФ-110-2ЕУ3 |
|
Uвн = 121 кВ |
Uору = 121 кВ |
|
Uнн = 10,5 кВ |
Uг.ном = 10,5 кВ |
|
Sт.ном = 200МВ·А |
Sг.ном = 137,5 МВ·А |
Выбор трансформатора связи. Графики перетока мощности в нормальном и ремонтном режимах приведены на рис. 3.1 3.2 и их сравнение показывает, что по максимуму мощности наиболее тяжелым является график нормального режима работы станции. Для трансформаторов допускается двукратная перегрузка, поэтому при установке двух параллельно работающих трансформаторов их номинальная мощность выбирается по условию:

Намечаем к установке два трансформатора связи типа ТРДН-63000/110. Так как при параллельной работе эти трансформаторы не перегружаются, то их оценка по перегрузочной способности в этом режиме не производится. Проверяем их на перегрузочную способность при выводе одного трансформатора в ремонт (аварийный режим).
На графике перетока мощности нормального режима (рис. 3.1) наносим линию, соответствующую мощности проверяемого трансформатора
(63 МВА) и определяем время его перегрузки (получаем t = 22 ч). Теперь по
этому графику определим следующие коэффициенты:
- коэффициент максимальной нагрузки

- эквивалентная (среднеквадратичная) мощность начальной нагрузки, определяемая по интервалам времени, когда :

коэффициент начальной нагрузки (недогрузки):

- эквивалентная (среднеквадратичная) мощность начальной нагрузки, определяемая по интервалам времени, когда :

коэффициент перегрузки:

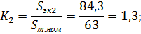
Таким образом, с помощью коэффициентов К1 и К2 реальный график нагрузки преобразован в эквивалентный по тепловому износу двухступенчатый график, который и используется для оценки перегрузочной способности трансформатора. При правильном преобразовании реального графика в двухступенчатый должно соблюдаться условие
().
Так как данное условие не соблюдается, двухступенчатый график требует коррекции, которую производим следующим образом: вместо рассчитанного значения К2 принимаем новое значение и пересчитываем реальное время перегрузки в эквивалентное:

После этого определяем допустимое значение коэффициента перегрузки по таблицам ГОСТ. Для этого используем следующие данные:
-система охлаждения трансформатора…………………………………….. Д;
-эквивалентная годовая температура воздуха для г. Омска… ;
-время перегрузки трансформатора………………………………
-коэффициент начальной нагрузки…………………………………
-коэффициент перегрузки…………………………………………....
Согласно данным ГОСТ предельно допустимое значение коэффициента перегрузки
Вывод: Соблюдение условия (1,3<1,4) позволяет принять для установки два трансформатора связи типа ТРДНС-63000/110.
- Выбор схем распределительных устройств
Вид схем распределительных устройств ТЭЦ определяется функциями станции в энергосистеме и её структурной схемой.
Выбор схемы ГРУ. Согласно нормам технологического проектирования тепловых электрических станций, ГРУ, как правило, выполняется с одной секционированной системой сборных шин. Число секций выбираем равным числу генераторов на ГРУ. Для ограничения токов КЗ в схему устанавливаются секционные реакторы и используются трансформаторы с расщепленной обмоткой. В качестве секционного реактора используются одинарные реакторы, первоначально выбирают их по следующим условиям:
|
Номинальный ток реактора |
Индуктивное сопротивление реактора, % |
Вид схемы ГРУ |
|
(0,5-0,7) |
8-12 |
Схема кольца |
На выбор схемы ОРУ наибольшие влияние оказывают следующие факторы: общее число присоединений, уровень напряжения, режимы работы связи станции с системой.
Так как в данном проекте должно быть установлено ОРУ-110 кВ, то для этого уровня напряжения будем использовать «двойную систему рабочих шин с обходной системой шин»
Количество цепей ЛЭП, присоединяемых к шинам станции, определяем по их пропускной способности:
- количество цепей для связи с энергосистемой определяется максимумом обменной мощности станции с системой Sобм.max и пропускной способностью одной цепи воздушной линии Sл.110 при напряжении 110 кВ. По данным, приведенным в [13], для воздушных линий 110 кВ принимаем пропускную способность одной цепи 50 МВА.

-количество цепей для связи с потребителем определяется максимумом мощности этого потребителя:

-общее число присоединений на шины ОРУ:

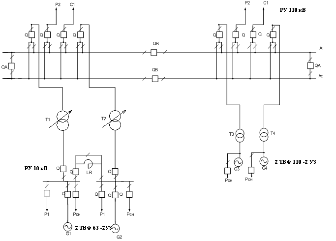
Главная электрическая схема проектируемой ТЭЦ рис.5.1
6. Технико-экономический расчет структурных схем
Оптимальным из сравниваемых вариантов считается вариант, обеспечивающий минимум приведённых затрат:

где -нормативный коэффициент использования капитальных затрат (для энергетики ); К - капиталовложения в установку; И - годовые издержки на эксплуатацию схемы.
Расчёт капиталовложений. В капитальных вложениях учитывается только элементы главной схемы: генераторы, трансформаторы связи и блоков, силовые выключатели на 10 кВ и 110 кВ.
Капиталовложения определяются следующим образом:

- стоимость генераторов:

- стоимость трансформаторов:

Количество выключателей на 110 кВ определяется количеством присоединений к шинам ОРУ и выключателями, обслуживающими схему ОРУ
2 секционных, 2 шиносоединительных.

- стоимость силовых выключателей на 110 кВ.

Стоимость силовых выключателей на 10 кВ. В расчет принимаем выключатели ГРУ за исключением выключателей, присоединенных к потребителю Р1(потому что для обоих вариантов их число одинаково), и выключателей на собственные нужды (собственные нужды в проекте не разрабатываются). При этих условиях в расчетное число выключателей входят: 2 генераторных, 2 для трансформаторов связи с расщепленной обмоткой, 1 секционных.
-стоимость выключателей на 10 кВ:

-полная стоимость основного оборудования
К, =Ко6.110+Ко6.10

Расчёт эксплуатационных издержек. Все виды эксплуатационных издержек определяются на один год эксплуатации установки по формуле:

где норма амортизационных отчислений (); норма отчислений на обслуживание и ремонт (для оборудования 110 кВ и выше, для оборудования до 20 кВ); стоимость потерь электроэнергии (); потери электроэнергии в трансформаторах за год,

где , потери холостого хода и короткого замыкания трансформатора; число параллельно работающих трансформаторов; максимум графика мощности; номинальная мощность трансформатора; T=8760 ч
число часов в году; время наибольших потерь; продолжительность использования максимальной нагрузки. Продолжительность использования максимальной нагрузки будет определятся по формуле:

где W= суточный переток энергии через трансформаторы.
1. Потери в трансформаторах связи. Расчёт потерь ведём по графику перетока мощности через трансформаторы связи для нормального режима работы станции:

tпер бл.=(0,124+(6631,1/10000))2·8760 = 5427 ч.

2. Потери в трансформаторе блока. Через этот трансформатор проходит мощность генератора блока, поэтому расчёт потерь ведём по графику нагрузки генератора:

tбл.=(0,124+8482,38/10000)2·8760 = 8138,04 ч.

3. Потери в трансформаторе блока. Через этот трансформатор проходит мощность генератора блока, поэтому расчёт потерь ведём по графику нагрузки генератора при аварийном режиме в ОРУ (таб. 3.3):

tбл.=(0,124+8480,17/10000)2·8760 = 8269,44 ч.

4. Полные потери в трансформаторах станции:

4. Эксплуатационные издержки:


Расчёт приведённых затрат:

|
Схема |
К, тыс.руб. |
И, тыс.руб. |
З, тыс.руб. |
|
Схема 1 |
1786,4 |
168,29 |
382,65 |
|
Место установки |
Тип |
К-во |
МВ*А |
кВ |
кВ |
кВт |
кВт |
% |
Цена, тыс.руб. |
|
Тр-р связи |
ТРДНС-63000/110 |
2 |
63 |
115 |
6,3 |
50 |
245 |
10,5 |
110 |
|
Блок |
ТДЦ 125000/110 |
2 |
125 |
121 |
13,8 |
85 |
420 |
11 |
222 |