Молниезащита и защита от грозовых волн, набегающих с ВЛ ОРУ 110/10 кВ
БУВО Сургутский государственный университет Ханты-Мансийского округа-Югры
Политехнический институт
Кафедра радиоэлектроники и электроэнергетики
КУРСОВАЯ РАБОТА
по дисциплине «Техника высоких напряжений»
Молниезащита и защита от грозовых волн, набегающих с ВЛ
ОРУ 110/10 кВ
Сургут 2015 год
Молниезащита и защита от грозовых волн, набегающих с ВЛ ОРУ 110/10 кВ
- Обеспечить молниезащиту от прямых ударов в оборудование подстанций.
- Расставить молние отводы, поставить зону защиты вид сверху и сбоку.
- Грозозащита ОРУ от набегающих с ВЛ.
- Список используемой литературы.
- Обеспечить молниезащиту от прямых ударов в оборудование подстанций.
Рассчитать зону защиты четырёх молниеотводов 1,2,3.4 защищающих оборудование ОРУ-110 кВ (рис. 1). Расстояние между молниеотводами L, высоты молниеотводов h, высота защищаемого объекта hx и коэффициент надёжности защиты указаны в таблице 1.


Рис.1. Стержневые молниеотводы ОРУ-110кВ
Таблица 1.

Построение зон защиты производится по формулам, приведенным в таблицах 2 и 3 для одиночных и двойных стержневых молниеотводов. Размеры внутренних областей определяются по параметрам ho и hс, первый из которых задаёт высоту зоны защиты непосредственно у молниеотводов, а второй - минимальную высоту зоны посредине между молниеотводами.
Таблица 2. Расчет параметров зоны защиты одиночного стержневого молниеотвода.

Таблица З. Расчёт параметров зоны защиты двойного стержневого молниеотвода.

Расчеты проводим для одиночного стержневого молниеотвода.
Решение:
-молниеотводы 1 и 2 имеют высоту h=25M:
-молниеотводы 3 и 4 имеют высоту h=14M:
-расстояние между молниеотводами L1=29м; L2=14м; L3=24м;
-высота защищаемого объекта hx=5M:
-коэффициент надёжности защиты Р3=0.999
Для молниеотводов 3 и 4 радиусы зон защиты на уровне земли составят: r0=0.6 h=0,6*14=8.4 м.
При высоте зоны защиты у молниеотвода:
h0=0,75 h=0,75*14=10,5 м.
Радиусы зон защиты на высоте hx равной 5 м составит:

Для молниеотводов 1 и 2:
h=25 м;

Радиусы зон защиты на высоте hx равной 5 м составит:

Расстояние между молниеотводами 1 и 3 (2 и 4) L1=29м. Предельное расстояние составит:

Поскольку L1=29<Lc=62,5 м, провесов в зоне защиты по высоте не будет, hc=ho.
Расстояние между молниеотводами 1 и 2, L2=14м, между молниеотводов 3 и 4 Lз=24м.
В этом случае провесов зоны защиты также не будет, поскольку L2=14 м < Lc=62.5 м и Lз=24 м < Lc=62.5 м.
Результаты расчетов представлены в таблице 4.
Таблица 4.

- Молниеотводы, поставить зону защиты вид сверху и сбоку.

Рис. 2. Зона защиты вид сверху и сбоку.

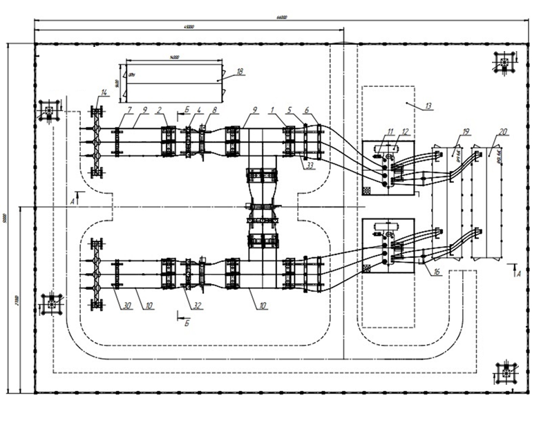
Рис.3. Молниеотводы расстановка на ОРУ-110 кВ.
- Грозозащита ОРУ от набегающих с ВЛ.
ОГРАНИЧЕНИЕ ПЕРЕНАПРЯЖЕНИЯ.
Для разрядников в 60-х годах ХХ века были разработаны таблицы максимально допустимых расстояний по ошиновке РУ между защитным аппаратом (ЗА) и защищаемым объектом (ЗО). Расстояние выбиралось на основе информации о типе разрядника и заданной там же длине защищенного подхода ВЛ. Такой подход значительно упрощал проектирование и позволял в большинстве случаев избежать расчетов.
Руководство по защите от перенапряжений [2] содержит подробное описание алгоритма расчета характеристик грозопоражаемости высоковольтного оборудования РУ с учетом статистической природы грозовых перенапряжений и конкретной конфигурации схем. Расчеты грозовых перенапряжений при одном или нескольких фиксированных параметрах импульса тока молнии авторы считают лишь имитацией.
К моменту переиздания ПУЭ адаптация требований к новому типу ЗА произведена не была. Несмотря на то что номен-клатура ОПН шире, чем разрядников, проектировщикам была предложена лишь формула коррекции допустимых расстояний из таблиц 4.2.104.2.13. Исследования показали, что погрешность данного подхода в общем случае непредсказуема. Иначе говоря, описание процессов развития перенапряжений в схеме РУ при помощи простой пропорции для системы с нелинейными элементами является некорректным.
На практике в наиболее распространенных схемах распред-устройств ОПН просто устанавливаются на места, которые в прошлом занимали разрядники. В большинстве случаев при выполнении прочих требований ПУЭ имеем запас по грозозащите, при этом расстояния по ошиновке между ОПН и защищаемыми объектами могут быть увеличены, но это не всегда необходимо. Возможность увеличения упомянутых расстояний требует отдельного рассмотрения.
С защищенным подходом ВЛ ситуация иная. ОПН, как оказалось, могут существенно влиять на проектные решения и эксплуатационные затраты.
Во многих районах страны из-за длительной эксплуатации ВЛ состояние грозозащитных тросов также становится причиной отключения ВЛ. В то же время при расчетах грозоупорности РУ мы неоднократно сталкивались с тем, что уже на расстояниях в сотни метров от РУ удары молний не приводят к появлению опасных воздействий.
Известно, что волна напряжения, распространяясь по ВЛ, затухает вследствие потерь энергии на импульсную корону, в грунте, в проводах, что при фиксированной точке поражения ВЛ ограничивает область опасных воздействий снизу.
Степень опасности грозовых импульсов также существенно снижается благодаря стеканию тока молнии в заземлители опор. При ударах молнии в опору и трос этот процесс начинается до перекрытия линейной изоляции, при прорывах на фазный провод после перекрытия.
Чем дальше от РУ происходит поражение ВЛ, тем больше энергии необходимо затратить для повреждения изоляции и тем менее вероятно аварийное событие. Соответственно граница опасных воздействий для каждого следующего от РУ пролета смещается вверх. Сверху область опасных воздействий ограничена вследствие уменьшения вероятности возникновения импульсов тока молнии с предельными параметрами, что мало зависит от длины защищенного подхода.
Таким образом, существует конкретное расстояние, с которого невозможен приход опасных волн и которое можно определить расчетным путем. Реализация мер по повышению грозоупорности ВЛ на расстояниях свыше этой величины на вероятность аварии в РУ никакого влияния не окажет.
Отметим, что здесь речь идет не об обеспечении абсолютной защиты оборудования РУ, так как при ударах в защищенный подход также возможны повреждения оборудования, а о сокращении издержек на неэффективное увеличение длины защищенного подхода.
МОДЕЛИРОВАНИЕ
Для определения необходимых величин длин подходов был выполнен статистический анализ грозовых перенапряжений в программном комплексе, рекомендованном к применению. Основные положения методики расчета грозовых перенапряжений и определения их вероятности изложены в.
Программа моделирует удары молнии в различные точки подхода ВЛ (с учетом вероятности попадания молнии в фазные провода и в «опоры трос»). Для каждой точки определяются опасные сочетания амплитуды импульса тока молнии и величины фронта, по которым строится кривая опасных волн. Воздействие считается опасным, если вследствие переходного процесса напряжение на высоковольтных аппаратах РУ превышает величину испытательного грозового импульса. Расчетные величины соответствуют предельно допустимым расстояниям между ЗА и ЗО
ЗА-ЗО, при которых анализируемое оборудование имеет показатель надежности, равный рекомендациям РД. Именно такой логике соответствуют рекомендации ПУЭ.
В таблице длин подходов ПУЭ указаны допустимые величины сопротивлений заземляющих устройств опор на подходе. В соответствии с этим в расчетах было принято максимально допустимое значение 20 Ом. Количество грозовых часов здесь и далее 30.
Наиболее неопределенная величина в данной задаче вольт-амперная характеристика (ВАХ) ОПН. Для каждого класса напряжения ВАХ определяется возможностью длительного повышения рабочего напряжением ОПН и его энергоемкостью. Минимальное количество вариантов ВАХ для ОПН одного класса напряжения, как правило, шесть. Самая высокая ВАХ (с максимальными остающимися напряжениями) будет у ОПН с наибольшим рабочим напряжением и минимальной энергоемкостью. Различие между ВАХ может достигать 20%. С точки зрения ограничения грозовых перенапряжений лучшим является ОПН с минимальным остаточным напряжением и максимальной энергоемкостью.
РАСЧЕТЫ
В принципе в рекомендациях ПУЭ должны быть приведены данные как минимум для крайних вариантов ВАХ. В табл. 1 приведены результаты расчетов, выполненных для ОПН, имеющих наиболее высокие ВАХ, т.е. рассмотрены наихудшие случаи. Величины
ЗА-ЗО приняты наибольшими допустимыми с точки зрения соответствия показателям надежности грозозащиты, рекомендуемым в.
Рекомендации ПУЭ привязаны к варьированию расстояний между ЗА и ЗО
ЗА-ЗО. Минимальные длины подходов соответствуют меньшим рекомендуемым величинам
ЗА-ЗО, большие увеличенным расстояниям. Таким образом, наши расчеты должны были соответствовать максимальным величинам из ПУЭ.
Расчетные длины подходов из табл. 1 являются предельными, необходимыми для организации успешной грозозащиты высоковольтного оборудования ОРУ, т.е. это ограничение сверху.
Таблица 1. Длины защищенных подходов (км) для ОРУ 110750 кВ
|
Номинальное напряжение, кВ |
ПУЭ |
Расчет |
Примечания |
|
|
110 |
13 |
0,95 |
Тупиковая схема (1 ВЛ, 1 ОПН) |
|
|
1,25 |
Мостик (2 ВЛ, 2 ОПН) |
|||
|
220 |
23 |
1,1 |
Тупиковая схема (1 ВЛ, 1 ОПН) |
|
|
0,75 |
Мостик (2 ВЛ, 2 ОПН) |
|||
|
330 |
24 |
1,3 |
Тупиковая схема (1 ВЛ, 1 ОПН) |
|
|
Четырехугольник (2 ВЛ, 24 ОПН) |
||||
|
500 |
34 |
1,8 |
Тупиковая схема (1 ВЛ, 1 ОПН) |
|
|
1,5 |
Тупиковая схема (1 ВЛ, 2 ОПН) |
|||
|
Четырехугольник (2 ВЛ, 24 ОПН) |
||||
|
750 |
45 |
2,9 |
Тупиковая схема (1 ВЛ, 2 ОПН) |
|
|
2,4 |
Четырехугольник (2 ВЛ, 4 ОПН) |
Как было отмечено выше, в большинстве случаев расстояния
ЗА-ЗО между ОПН и ЗО гораздо меньше допустимых в рекомендациях ПУЭ и в наших расчетах. При этом следует ожидать более глубокого ограничения грозовых перенапряжений на подстанции и, кроме того, снижения длин ВЛ, с которых на подстанцию могут набегать опасные волны.
Для анализа этого положения рассмотрена подстанция 110 кВ, выполненная по схеме «Блок трансформатор линия» (далее тупиковая). Эта довольно распространенная схема является наиболее уязвимой с точки зрения воздействия грозовых волн, набегающих с ВЛ. Такой же уязвимой может быть схема «Треугольник» с двумя приходящими ВЛ и одним защитным аппаратом.
Характеристики ОРУ могут варьироваться в широких пределах. Прежде всего это касается типа ЗА, что существенно влияет на защиту от набегающих грозовых волн.
Для оценки влияния этого фактора выполнены расчеты показателей надежности грозозащиты с использованием ОПН трех типов при двух вариантах значений сопротивления заземления опор на подходе, удовлетворяющих требованиям ПУЭ: 10 Ом и 20 Ом. ВЛ на подходе выполнены стальными башенными опорами, расстояние до первой опоры 50 м, длина пролета 200 м.
Анализировались грозовые перенапряжения на силовом трансформаторе (СТ) при защите одним из трех ОПН, которые различаются по длительному допустимому рабочему напряжению и энергоемкости (ОПН1 имеет самую высокую ВАХ, ОПН2 среднюю, ОПН3 самую низкую). Соответственно ОПН1 имеет худшие защитные свойства, ОПН3 лучшие:
- ОПН1 ОПН-110/88/10/500 III (IV) УХЛ1;
- ОПН2 ОПН-110/78/10/850 III (IV) ХЛ1;
- ОПН3 ОПН-110/73/20/1500 II-УХЛ1.
В табл. 2 приведены предельные допустимые расстояния между СТ и ОПН
ЗА-ЗО, при которых показатель надежности равен рекомендациям РД, и соответствующие этим значениям длины защитных подходов.
Таблица 2. Параметры грозоупорности силового трансформатора ОРУ 110 кВ
|
Тип ОПН |
Rоп = 10 Ом |
Rоп = 20 Ом |
|||
|
|
|
|
|
||
|
ОПН1 |
40 |
850 |
25 |
450 |
|
|
ОПН2 |
145 |
650 |
55 |
650 |
|
|
ОПН3 |
305 |
650 |
185 |
450 |
Из табл. 2 следует, что предельно допустимые расстояния между ЗА и ЗО, при которых показатели надежности превышают рекомендации РД для класса напряжения 110 кВ (300400 лет), самым существенным образом зависят от ВАХ ЗА и от сопротивления заземления опор на подходе, изменяясь более чем на порядок. А длины подходов (расстояния, удары молнии в пределах которых будут опасны для подстанционного оборудования) находятся в пределах от 450 до 850 м.
На практике расстояния между СТ и ОПН существенно ниже. Естественно, что для ограничителей с низкими ВАХ, таких как ОПН2 и ОПН3, показатели надежности значительно превышают необходимый предел.
В табл. 3 приведены показатели надежности грозозащиты ПС, определенные для варьирования величин
ЗА-ЗО от 10 до 45 м. Эти расстояния складываются из длины ошиновки от СТ до места присоединения спуска к ОПН и длины этого спуска (5 м).
Таблица 3. Показатели надежности грозозащиты и длины подходов для СТ ОРУ 110 кВ
|
Rоп, Ом |
|
Удары в фазный провод |
Удары в опоры и трос |
Суммарный показатель надежности |
Длина защищенного подхода |
|||
|
T, лет |
|
T, лет |
|
T,лет |
|
|||
|
ОПН1 |
||||||||
|
20 |
10 |
41 700 |
50 |
51 800 |
50 |
23 100 |
250 |
|
|
15 |
26 900 |
50 |
13 300 |
250 |
8 900 |
450 |
||
|
25 |
11 200 |
250 |
482 |
250 |
462 |
450 |
||
|
30 |
10 000 |
250 |
238 |
450 |
232 |
650 |
||
|
35 |
10 100 |
450 |
132 |
450 |
130 |
650 |
||
|
10 |
10 |
42 600 |
50 |
135 000 |
50 |
32 400 |
250 |
|
|
15 |
29 600 |
50 |
32 000 |
250 |
15 400 |
450 |
||
|
25 |
23 000 |
50 |
818 |
250 |
790 |
450 |
||
|
35 |
18 500 |
50 |
446 |
650 |
436 |
850 |
||
|
40 |
7 940 |
250 |
650 |
650 |
601 |
850 |
||
|
45 |
7 600 |
250 |
273 |
650 |
264 |
850 |
||
|
ОПН2 |
||||||||
|
20 |
10 |
48 800 |
50 |
167 000 |
50 |
37 723 |
250 |
|
|
15 |
20 100 |
250 |
20 200 |
250 |
10 071 |
450 |
||
|
25 |
17 050 |
250 |
6 340 |
250 |
4 623 |
450 |
||
|
35 |
47 500 |
50 |
1 070 |
450 |
1 045 |
650 |
||
|
45 |
27 900 |
50 |
539 |
450 |
528 |
650 |
||
|
10 |
10 |
48 800 |
50 |
75 950 |
50 |
29 700 |
250 |
|
|
15 |
42 300 |
50 |
195 600 |
50 |
34 800 |
250 |
||
|
25 |
24 600 |
50 |
24 200 |
250 |
12 200 |
450 |
||
|
35 |
33 600 |
50 |
27 900 |
250 |
15 200 |
450 |
||
|
45 |
28 600 |
50 |
21 100 |
250 |
12 100 |
450 |
||
|
ОПН3 |
||||||||
|
20 |
10 |
137 000 |
50 |
209 000 |
50 |
82 600 |
250 |
|
|
15 |
61 100 |
50 |
254 000 |
250 |
49 300 |
450 |
||
|
25 |
91 800 |
50 |
21 000 |
250 |
17 100 |
450 |
||
|
35 |
52 100 |
50 |
12 900 |
250 |
10 300 |
450 |
||
|
45 |
82 600 |
50 |
3 860 |
250 |
3 690 |
450 |
||
|
10 |
10 |
5,50·108 |
0 |
43 500 |
50 |
43 500 |
250 |
|
|
15 |
63 200 |
50 |
190 000 |
50 |
47 500 |
250 |
||
|
25 |
82 300 |
50 |
19 300 |
250 |
15 700 |
450 |
||
|
35 |
51 000 |
50 |
12 100 |
250 |
9 750 |
450 |
||
|
45 |
84 000 |
50 |
115 000 |
50 |
48 500 |
450 |
Анализ выполнялся для прорывов молнии мимо тросовой защиты и для ударов в тросы и опоры. В соответствии с методикой путем варьирования амплитуды тока молнии и длины фронтов находятся границы, отделяющие опасные воздействия от безопасных. Расстояния от места удара молнии до подстанции последовательно увеличиваются. Сначала рассматривается удар в непосредственной близости от подстанции, затем отходим к первой опоре, ко второй опоре и т.д., пока волны, приходящие на подстанцию, не прекратят создавать опасные перенапряжения.
Длина подхода 450 м дается для ситуации, когда последняя опасная волна приходила с расстояния 250 м (удары во вторую опору или вблизи нее). Это означает, что при ударах на расстоянии 450 м (район третьей опоры) опасных перенапряжений уже не было и расчет прекращен.
Но поскольку в промежутке между второй и третьей опорой удары молнии могут привести к опасным перенапряжениям, добавляется длина пролета и величина подхода принимается равной 450 м.
При расстояниях между СТ и ОПН2ОПН3, не превышающих 1045 м, длины защитных подходов изменяются от 250 до 650 м. Для ОПН1 длина защитного подхода составляет 250850 м. Для наиболее часто встречающегося расстояния 1025 м длина подхода не превышает 450 м. Это всего 3 пролета или 4 опоры. Причем для первой опоры, как известно, дополнительное снижение сопротивления заземления обеспечивается присоединением к контуру заземления ПС.
Если сопротивления заземления следующих опор останутся прежними (не выше 20 Ом), то ни прорывы, число которых увеличится (т.к. трос, если его снимут, не будет защищать фазные провода), ни удары в следующие опоры не приведут к появлениям дополнительных опасных перенапряжений. Т.е. при сохранении сопротивлений заземления опор на уровне 20 Ом за двумя или тремя опорами, в зависимости от используемого ОПН, можно уже снимать грозозащитный трос.
Что будет, если за этими опорами встретится опора с сопротивлением заземления выше 20 Ом? Для этого были выполнены расчеты для ряда сопротивлений от 30 до 80 Ом при расстоянии между СТ и ОПН 15 м. Для ОПН1 было получено, что при Rоп = 30; 40; 60 Ом расстояния, с которых могут прийти опасные волны, не превышают 450 м.
Если все опоры на подходе имеют такие сопротивления заземления, показатели надежности будут ниже рекомендуемого значения, что недопустимо. Однако если на подходе сопротивления не превышают 20 Ом, увеличение на опоре за подходом сопротивления до 60 Ом не ухудшит грозозащиту. При сопротивлении заземления опоры за подходом 80 Ом опасные грозовые волны со следующего пролета могут прийти к подстанции, но суммарный показатель надежности при этом не снизится ниже допустимого предела.
При использовании в качестве защитных аппаратов ОПН2 и ОПН3 для всех сопротивлений заземления от 30 до 80 Ом длина защищенного подхода не превысит 450 м, т.е. при ударах молнии далее этого расстояния опасные волны не появятся. Кроме того, и показатели надежности для этих сопротивлений заземления остаются в норме, хотя не дают такого запаса, как при сопротивлениях, нормируемых ПУЭ.
ВЛ БЕЗ ГРОЗОЗАЩИТНЫХ ТРОСОВ
В ряде регионов возникает необходимость снятия грозозащитных тросов с ВЛ, поскольку из-за налипания снега и образования гололеда они разрушаются в зимний период. В этом случае для классов напряжения 110330 кВ повышается опасность прорывов молнии мимо тросовой защиты. Для использованных в данных расчетах опор вероятность прорыва молнии мимо тросовой защиты составила Рпр=0,0038. Поэтому во всех вариантах, приведенных в табл. 3, основной компонентой опасных перенапряжений являются волны, возникшие при ударах в трос и опоры с последующим обратным перекрытием. Кроме того, видно, что в большинстве случаев и расстояние, с которого могут приходить опасные воздействия при прорывах, меньше, нежели при обратных перекрытиях.
Среди специалистов существуют различные подходы для оценки вероятности ориентации молнии на фазные провода и опоры при отсутствии грозозащитных тросов.
Поскольку единичный удар молнии в фазный провод всегда более опасен, чем удар в опору, то наихудшей ситуацией будет ориентация всех ударов молнии на фазные провода. Показатель надежности для такой ситуации может быть получен путем умножения данных третьего столбца табл. 3 на Рпр, что даст суммарный показатель надежности грозозащиты. Очевидно, что при использовании ОПН1 и ОПН2 и 30 грозовых часах снимать грозозащитный трос невозможно ни в каком случае. Однако при использовании ОПН3 это возможно при расстоянии
ЗА-ЗО = 10 м.
В этом случае общий показатель надежности будет складываться из обеих компонент. Для прорывов (третий столбец) показатель надежности умножается на Рпр и увеличивается в 2 раза. Показатели для обратных перекрытий (пятый столбец) также умножаются на 2. При таком подходе при использовании ОПН1 и ОПН2 грозозащитные тросы можно снимать при расстоянии
ЗА-ЗО = 10 м, а при использовании ОПН3 при расстояниях
ЗА-ЗО до 45 м включительно.
Оценка возможности поражения опор на подходе в указанной пропорции подтверждается анализом вероятности по эквидистантному методу. Кроме того, в большинстве случаев на первой опоре на подходе к таким подстанциям установлен молниеприемник, что практически исключает возможность прорывов молнии на фазные провода на первом пролете, где прорывы наиболее опасны.
ПРАКТИКА
Представленные результаты получены при интенсивности гроз 30 часов в год. В этот показатель равен 10. В этом случае снятие грозозащитных тросов возможно и при больших расстояниях между трансформаторами и ЗА. Выполненные ранее расчеты для аналогичных подстанций показали, что установка дополнительного ограничителя на входе подстанции позволяет снимать грозозащитные тросы и при сопротивлении заземления опор до 60 Ом даже при оценке показателя надежности по наиболее неблагоприятному варианту (все удары в фазные провода).
На практике для некоторых регионов сопротивления заземления опор на подходах ВЛ в несколько раз отличаются от рекомендаций ПУЭ в худшую сторону. Однако расчетыпоказывают, что при разумном выборе ОПН и реальных, довольно небольших расстояниях между ЗА и ЗО длины подходов остаются существенно ниже рекомендаций ПУЭ. Для решения этих проблем достаточно выполнить соответствующий численный анализ, что позволит снизить затраты на поддержание системы грозозащиты.
ПОДХОДЫ ВЛ К ПС
Дополнительно необходимо уточнить требования к подходам ВЛ. На рис. 1 показаны кривые опасных волн, рассчитанные для стандартной тупиковой подстанции 110 кВ при варьировании параметров ОПН, размещенных на самой подстанции и на подходе.
Представленные графики свидетельствуют о том, что для стандартной тупиковой подстанции 110 кВ с грозозащитными тросами на подходе размещение ОПН параллельно гирлянде изоляторов приводит к увеличению доли грозовых волн, которые могут быть опасными для СТ при ориентации молнии на опоры и грозозащитные тросы. Это определяется тем, что при отсутствии ОПН обратное перекрытие линейной изоляции происходит при напряжении не меньше 50%-го разрядного напряжения ( 600 кВ), а ОПН начинают пропускать импульсы молнии уже при 140200кВ.
В случае необходимости размещения ОПН на подходе они должны быть рассчитаны на большее рабочее напряжение, чем ОПН на подстанции. При полученных в настоящей работе рекомендациях по снижению длин защитных подходов целесообразнее будет избегать размещения ОПН в пределах этой зоны.
Рис. 1. Кривые опасных волн для тупиковой ПС 110 кВ
Анализ грозозащиты для подстанций 110 кВ при отсутствии грозозащитных тросов показал, что только ОПН на ВЛ ограничиться нельзя. Для достаточно большой подстанции требуется установка дополнительных защитных аппаратов на подстанции на месте входа ВЛ.
ВЫВОДЫ
- Подходы ПУЭ к построению системы грозозащиты РУ устарели и требуют переработки на основе статистического анализа грозовых перенапряжений для стандартных схем. Для нестандартных ситуаций необходимо проводить такой анализ на стадии проектирования.
- Длина защищенного подхода может быть определена расчетным путем. Оценки показывают, что величины, указанные в ПУЭ, завышены, что приводит к повышенным издержкам эксплуатации и увеличению стоимости строительства ВЛ. Соответствующие рекомендации ПУЭ должны быть пересмотрены.
- Не рекомендуется установка ОПН на подходах ВЛ к подстанции.
- Список используемой литературы.
- Правила устройства электроустановок (ПУЭ), 7-е изд. СПб.: Издательство ДЕАН.
- Руководство по защите электрических сетей 61150 кВ от грозовых и внутренних перенапряжений / под науч. ред. Н.Н. Тиходеева. СПб.: ПЭИПК Минтопэнерго РФ, 1999.
- Костенко М.В., Ефимов Б.В., Зархи И.М., Гумерова Н.И. Анализ надежности грозозащиты подстанций. Л.: Наука, 1981.
- Костенко М.В., Гумерова Н.И., Смирнов А.А. Новые тенденции в анализе надежности грозозащиты подстанций // Научно-технические ведомости СПбГТУ. СПб., 1999. № 2.
- Гумерова Н.И., Колычев А.В., Халилов Ф.Х. Молниезащита электрических сетей среднего, высокого и сверхвысокого напряжения: учебное пособие. СПб.: Изд-во Политехнического ун-та, 2011.
ЗА-ЗО, м
П, м
ЗА-ЗО, м
П, м
ЗА-ЗО, м
max, м
max, м
П, м