Проектирование цифрового линейного тракта с заданными в техническом задании параметрами
СОДЕРЖАНИЕ
Введение …………………………………………………………….…………… 3
1 Разработка структурной схемы ВОСП………………………………………… 4
2 Разработка структурной схемы передающей части ВОСП ………………… 5
3 Разработка и расчет принципиальной схемы передающего оптического модуля ВОСП …………………………………………………………………… 8
4 Разработка функциональной схемы приемного оптического модуля для цифровой ВОСП ………………………………………………………………… 14
5 Разработка и расчет принципиальной схемы предусилителя приемного оптического модуля………………………………………………………………15
6 Расчет чувствительности приемного оптического модуля …………………27
7 Расчет длины регенерационного участка разработанной ВОСП……………29
Заключение.…………………………………………………………………………30
Список литературы………………………………………………………….…… 31
Приложение А …………………………………………………………………… 32
Приложение Б …………………………………………………………………… 34
Приложение В …………………………………………………………………… 36
Приложение Г …………………………………………………………………… 38
ВВЕДЕНИЕ
В настоящее время во всем мире средства телекоммуникации переживают период широчайшего внедрения волоконно-оптических линий связи в практику. Стремительный процесс информатизации общества явился главной причиной широкого использования волоконно-оптических систем передачи (ВОСП) на информационных сетях различного назначения.
Целью данной работы является проектирование цифрового линейного тракта с заданными в техническом задании параметрами.
Основные задачи работы: разработка структурной схемы системы, принципиальной схемы ее передающего модуля и предусилителя приемного модуля, оценка чувствительности применого оптического модуля и расчет длины регенрационного участка для данной ВОСП.
1 РАЗРАБОТКА СТРУКТУРНОЙ СХЕМЫ ВОСП
В системах оптической связи происходит передача и обработка оптических сигналов. Общая структурная схема приведена на рисунке 1.
Рисунок 1.1 Структурная схема ВОСП
Входной и выходной интерфейсы обеспечивают согласование с каналообразующей аппаратурой.
Скремблер осуществляет преобразование входного цифрового сигнала в псевдослучайную последовательность. Дескремблер выполняет обратное преобразование.
Кодер линейного кода (КЛК) осуществляет линейное кодирование цифрового потока. Декодер линейного кода (ДЛК) осуществляет восстановление исходной последовательности.
Передающий оптический модуль (ПОМ) предназначен для переноса электрического сигнала на оптическую несущую, определённой длины волны, соответствующей окнам прозрачности волоконно-оптического тракта. Приёмный оптических модуль (ПрОМ) преобразует оптический сигнал в электрический с восстановлением формы и тактовой частоты.
2 РАЗРАБОТКА СТРУКТУРНОЙ СХЕМЫ ПЕРЕДАЮЩЕЙ ЧАСТИ ВОСП
Передающие оптические модули (ПОМ), применяемые в волоконно-оптических системах, предназначены для преобразования электрических сигналов в оптические, которые должны быть введены в волокно с минимальными потерями. Производятся разнообразные ПОМ, отличающиеся конструкцией и типом источника излучения. Одни работают на небольших скоростях в линиях с максимальной длиной до нескольких метров, другие передают сотни мегабит в секунду на расстояния в несколько десятков километров.
В состав оптического передающего модуля, как правило, входят источник оптического излучения, согласующее оптическое устройство, электронные схемы модуляции и стабилизации режимов работы источника излучения.
Главным элементом ПОМ является источник излучения. Он должен излучать на длине волны, соответствующей одному из окон прозрачности оптического волокна, обеспечивать достаточно высокую мощность излучения и эффективный ввод его в оптоволокно, иметь высокое быстродействие, позволяющее осуществлять высокоскоростную модуляцию, отличаться простотой, надежностью и малыми габаритами.
Существуют два различных источника света, широко используемых сегодня
на практике: светоизлучающий диод СИД (LED) и лазерный диод ЛД (LD).
Этот источник соединяется с детектором светового сигнала на удаленном конце через одно из оптических волокон (волоконно-оптическая среда передачи) в волоконно-оптическом кабеле (другие волокна используются для других целей, в том числе и для резервирования). Оптические волокна внутри кабеля могут быть как одномодовыми, так и многомодовыми.
Оба источника относятся к устройствам со сравнительно низким уровнем выходной мощности, лежащим в диапазоне от 10 дБм до +6 дБм. Они используют модуляцию по интенсивности. Физические размеры волокна (диаметр его сердцевины) определяют какого оно типа. Существуют как экономические, так и эксплуатационные соображения, которые могут определять, какой тип волокна нужно использовать для конкретного проекта.
Также важными являются схема модуляции и схема стабилизации (для ПОМ с лазерными диодами).
Основными характеристиками ПОМ являются мощность излучения, ширина спектральной полосы, срок службы, напряжение в цепи питания, пиковое значение длины волны излучения и диапазон рабочих температур.
Так как по заданию необходимо спроектировать линейный тракт с одномодовым оптическим волокном, то источником излучения должен быть лазерный диод. Для них существуют различные схемы включения, которые сложнее схем включения с СИД: схема, стабилизирующая среднюю мощность излучения; схема стабилзации смещения вблизи порога; схема регулировки тока смещения и тока накачки и другие.
Принцип работы схемы, стабилизирующей среднюю мощность, основан на поддержании средней мощности излучения путем регулировки тока смещения (Iсм) лазера. Однако с ростом температуры характеристика лазерного диода смещается. При этом возрастает пороговый ток и практически не изменяется наклон рабочего участка. Другим дестабилизирующим фактором является деградация параметров лазерного диода при его старении, которая приводит к изменению наклона рабочего участка. При этом для поддержания постоянства разности пиковой и остаточной мощностей требуется регулировать импульсный ток накачки. Также в этой схеме при пропадании сигнала возможна подача на вход лазера тока, значение которого выше допустимого [2].
В схеме регулировки тока смещения и тока накачки необходим быстродействующий фотодетектор обратной связи и широкополосный усилитель, а две цепи регулировок делают схему менее устойчивой [2].
Этих недостатков лишена схема стабилизации смещения вблизи порога, поэтому в данной работе будет использоваться именно она. Схема приведена на рисунке 2.1 [2].
В этой схеме первый интегратор (Инт1) определяет среднее значение входного сигнала. Второй интегратор (Инт2) определяет среднее значение сигнала, снятого с оптического детектора. Разность напряжений, полученная на выходе операционного усилителя, поступает на регулируемый генератор тока (РГТ), который поддерживает ток смещения лазера в предпороговом режиме.
Рисунок 2.1 Структурная схема ПОМ со стабилизацией смещения
вблизи порога
Достоинства:
• простота;
• не требует быстродействующего фотодетектора обратной связи;
• при пропадании входного сигнала схема излучает мощность,
соответствующую предпороговому режиму;
• устойчивость схемы;
• используется при любых кодах и форматах кода;
• отсутствуют скачки оптической мощности при пропадании сигнала
на входе.
Недостатки:
• не регулируется импульсная мощность.
3 РАЗРАБОТКА И РАСЧЕТ ПРИНЦИПИАЛЬНОЙ СХЕМЫ ПЕРЕДАЮЩЕГО ОПТИЧЕСКОГО МОДУЛЯ ВОСП
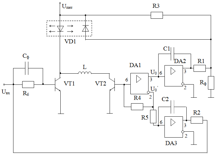
Передающий оптический модуль выполняет преобразование электрических сигналов в оптические, а также стабилизацию характеристик оптического излучения. На основании анализа существующих решений этих задач была выбрана схема стабилизации тока смещения вблизи порога. Такая схема имеет импульсный модулятор, устройство вычитания, регулируемый генератор тока и два интегратора средней мощности: интегратор средней оптической мощности и интегратор средней мощности входного электрического сигнала.
На основании структурной схемы (рисунок 2.1) разработана принципиальная схема, представленная на рисунке 3.1. В качестве импульсного модулятора используется ключ на транзисторе VT1. Интеграторы и схема вычитания выполнены на дифференциальных усилителях DA2, DA3, DA1. Регулятор тока смещения выполнен на транзисторе VT2. Индуктивность L выполняет роль развязывающего устройства высокочастотной и низкочастотной частей схемы.
По техническому заданию проектируемый передатчик должен иметь уровень выходной оптической мощности 3 дБм, что соответствует величине Рср = 2 мВт.
Определим импульсную мощность оптического сигнала исходя из заданного значения средней мощности. Учитывая особенности используемого в системе кода CMI, импульсная мощность сигнала будет определяться выражением:
Рu = 2 Pc (3.1)
Рu = 2 210-3 = 4 мВт
Исходя из характеристик полупроводникового лазера определяем пороговый ток (Iп), крутизну или амплитуду тока накачки (Imax), ток фотодиода обратной связи (Iф.ср), среднее и максимальное напряжение на лазерном диоде (Uср и Umax).
Эти характеристики представлены на рисунке 3.2.
Выбираем Iп = 17 мА, Imax = 77 мА, Iср = 33 мА, Uср = 1,5 В, Umax = 1,7 В,
Iф.ср = 170 мкА, Imax - максимальный ток лазера, Iср средний ток лазера.
Выбираем ток смещения Iсм = Iп = 17 мА.
Для управления мощностью излучения полупроводникового лазера в схеме предполагается использовать импульсный ключ, в функции которого входит размыкание и замыкание цепи источника излучения в зависимости от модулирующего сигнала.
Быстродействие ключа определяется временем перехода транзистора из одного статического состояния в другое.

Рисунок 3.1 Принципиальная схема ПОМ
Ключ должен формировать импульсы длительностью Т, зависящие от скорости передачи В и кода, используемого в системе. Учитывая требования технического задания, длительность импульсов, формируемых транзисторным ключом, определяется выражением:
(3.2)
Выбираем напряжение источника питания Ек, причем необходимо соблюдать следующее условие: Ек > Umax.

Рисунок 3.2 Характеристики ПОМ
Значение напряжения источника питания выбираем из стандартного ряда напряжений: Ек = 5 В.
При выборе транзистора должны выполняться следующие условия:
для обеспечения надежности схемы необходимо выполнить условия:
Uкбо > 2 (Eк - Umax) (3.3)
Uкбо > 2(5-1,7) = 6,6 В
Pдоп > Iср(Ек-Uср) (3.4)
Pдоп > 3310-3(5-1,3) = 164,5 мВт
для обеспечения длительности фронта импульса параметры транзистора должны удовлетворять условию:
(3.5)
где f граничная частота усиления тока базы в схеме с ОБ. Следовательно:
(3.6)
(3.7)
(3.8)

где ф длительность фронта. Для ТТЛ-логики ф = 5 нс.
Выбираем транзистор КТ384А, который удовлетворяет всем вышеперечисленным требованиям: fгр = 1,15 ГГц, Ркмакс = 200 мВт, Uкбо = 30 В.
После того, как транзистор был выбран, рассчитаем ток базы Iбт при Imax:
(3.9)

где - коэффициент усиления транзистора по току.
Найдем значение сопротивления базы Rб
(3.10)

где Ег напряжение генератора, зависящее от типа логики. Для ТТЛ-логики напряжение генератора принимается равным Ег = 3 В.
Из ряда номинальных сопротивлений выбираем Rб = 2,4 кОм.
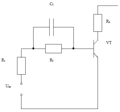
При проведении анализа переходных процессов, происходящих во время переключения в транзисторном ключе, был выявлен тот факт, что увеличение коэффициента насыщение уменьшает длительность включения и увеличивает длительность выключения транзисторного ключа. Очевидно, целесообразно увеличивать коэффициент насыщения только на время включения. Эта идея реализуется применением форсирующей (ускоряющей) емкости Сf в базовой цепи транзисторного ключа (рисунок 3.3).
Увеличение тока базы за счет форсирующей емкости приводит к уменьшению времени включения tf .
Оптимальная величина форсирующей емкости может быть определена по формуле:
(3.11)
где
(3.12)
.
Cф = 1,5610-9 / 2,69103 = 0,58 пФ.

Рисунок 3.3 Транзисторный ключ с форсирующей емкостью
Из ряда номинальных емкостей выбираем Сф = 0,59 пФ.
Дальше рассчитаем схему стабилизации средней мощности излучения.
Выберем транзистор VT2. Так как полоса частот для данного транзистора не имеет значения, то основным условием, по которому он будет выбираться, является максимально допустимая рассеиваемая мощность на коллекторе транзистора.
Исходя из того, что Pкmax должно быть больше 164,5 мВт выбираем транзистор КТ315А.
Выбираем постоянную времени в цепи обратной связи интеграторов на дифференциальных усилителях DA2 и DA3.
t = RC = 100 нс (3.13)
Выражая из формулы (5.13) R и задаваясь С = 100 пФ, получим:
R = t/C (3.14)
R = (10010-9) / (10010-12) = 1 кОм.
Определяем напряжение на входе операционного усилителя DA1:
U0 = EГ/2 (3.15)
U0 = 3/2 = 1,5 В.
Рассчитываем сопротивление Rф, полагая, что при наличии импульсов на входе передающего устройства Uo/ = Uo.
Rф = EГ / (2Iф.ср.) (3.16)
Rф = 3/(217010-6) = 8,82 кОм.
Из ряда номинальных сопротивлений выбираем Rф= 9,1 кОм.
Определяем сопротивление R3, которое выбирается исходя из необходимого тока смещения, для чего по характеристикам транзистора определяем необходимую разность потенциалов Uбэ, при которой течет ток Iсм. Обеспечение такого смещения требует, чтобы на сопротивлении Rф падало дополнительное напряжение Uбэ, поэтому можно получить:
(3.17)
R3 =
Из ряда номинальных сопротивлений выбираем R3 = 11 кОм.
Коэффициент усиления для DA1 будет равен Кус = R4/R5.
При расчете сопротивлений R4 и R5 выбираем Кус =1. Следовательно, можно выбрать R4 = R5 = 1 кОм.
Индуктивность L выберем равной 100 мкГн.
Все резисторы выбираем мощностью 0,25 Вт.
Конденсаторы выбираются на максимальное напряжение 25 В.
4. РАЗРАБОТКА ФУНКЦИОНАЛЬНОЙ СХЕМЫ ПРИЕМНОГО ОПТИЧЕСКОГО МОДУЛЯ ДЛЯ ЦИФРОВОЙ ВОСП
Приемные оптические модули (ПрОМ), применяемые в волоконно-оптических системах, выполняют преобразование оптических сигналов в электрические для дальнейшей их обработки в цифровых устройствах. Основными функциональными элементами ПрОМ являются: фотоприемник, преобразующий полученный оптический сигнал в электрический (ФД); каскад электрических усилителей, усиливающих сигнал, включающий предварительный усилитель (ПУ) и усилитель мощности (УМ); дискриминатор, восстанавливающий прямоугольную форму импульсов, состоящий из цепи принятия решения (ЦПР) и узла устранения рассинхронизации сигнала (Таймер) (рисунок 4.1).
Фотодетектор, как и источник оптического излучения, должен отвечать определенным требованиям, а именно: обладать высокой чувствительностью и быстродействием, вносить минимальные шумы в приемную систему, отличаться стабильностью рабочих характеристик, иметь небольшие размеры, быть высоконадежным и недорогим. Лучше всего этим требованиям соответствуют полупроводниковые фотодетекторы.
Среди полупроводниковых фотодетекторов наибольшее применение в волоконно-оптических системах передачи получили pin-фотодиоды и лавинные фотодиоды (ЛФД). В основе работы фотоприёмника лежит явление внутреннего фотоэффекта, при котором в результате поглощения фотонов с энергией, превышающей энергию запрещённой зоны, происходит переход электронов из валентной зоны в зону проводимости (генерация электронно-дырочных пар). Если к полупроводнику приложить напряжение, то появится электрический ток, обусловленный движением электронов в зоне проводимости и дырок в валентной зоне.
Рисунок 4.1 Функциональная схема ПрОМ
5 РАЗРАБОТКА И РАСЧЕТ ПРИНЦИПИАЛЬНОЙ СХЕМЫ ПРЕДУСИЛИТЕЛЯ ПРИЕМНОГО ОПТИЧЕСКОГО МОДУЛЯ
В приемном оптическом модуле используется высокоимпедансная схема предварительного усилителя с каскадным включением транзисторов на входе и эмиттерным повторителем на выходе
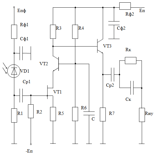
Принципиальная схема приемного оптического модуля приведена на рисунке 5.2.
Нагрузкой фотодетектора VD1 (PD8042) в схеме является параллельное соединение сопротивлений R1, R2 и входного сопротивления транзистора VT1.
Так как полевой транзистор имеет высокое входное сопротивление, в параллельном соединении им можно пренебречь, и сопротивление нагрузки фотодетектора определяется:
Rн = R1 || R2 (5.1)
С другой стороны сопротивление нагрузки фотодетектора можно найти, проанализировав эквивалентную схему входной цепи транзистора (рисунок 5.1), где фотодиод представлен в виде источника тока.
Коэффициент передачи входной цепи определяется выражением:
(5.2)
где С = Сд+См+СЗИ(1+К) Сд+См+СЗИ+СЗС (5.3)
С= 0,9+0,5+1+0,2 = 2,6 пФ
Сд = 0,9 пФ емкость фотодиода PD8042;
См = 0,5пФ емкость монтажа;
СЗИ = 1 пФ, СЗС = 0,2 пФ емкости затвор-исток и затвор-сток полевого транзистора VT1;
К<<1 коэффициент усиления по напряжению входного транзистора VT1, в каскадной схеме, так как нагрузкой VT1 является малое входное сопротивление транзистора VT2, включенного по схеме с ОБ.

Рисунок 5.1 Эквивалентная схема входной цепи транзистора

Рисунок 5.2 Принципиальная схема предусилителя ПрОМ
Модуль коэффициента передачи входной цепи:
(5.4)
В результате интегрирования сигнала во входной цепи происходит искажение его частотной характеристики в области ВЧ. Для компенсации этих искажений на выходе предусилителя имеется корректирующее устройство (Rк, Ск). Для того, чтобы корректор не был очень сложным, завал верхних частот не выходе не должен превышать 20 40 дБ (10 100 раз). Тогда из равенства:
(5.5)
можно определить сопротивление нагрузки фотодетектора:
(5.6)
где в=20,7Вл верхняя частота фотоприемного модуля;
в = 23,140,76,8107 = 2,991108;
Вл=6,8107 Мбит/с скорость передачи с учетом линейного кода CMI.
кОм
Теперь, зная сопротивление нагрузки можно, определить значения сопротивлений R1, R2. Сопротивление нагрузки фотодетектора по постоянному току R1 выбирается намного больше сопротивления R2 в цепи затвора полевого транзистора.
Пусть R1 = 10R2, тогда:
R2 = (11/10)Rн = 14,15…141,5 кОм (5.7)
R1 = 10R2 = 141,5…1415 кОм (5.8)
По шкале сопротивлений выбираем: R1=1,3 МОм и R2=130 кОм. Тогда значение сопротивления нагрузки фотодетектора будет равно:
Rн = R2/1,1 (5.9)
Rн = 130103/1,1 = 118,2 кОм
Нами был выбран в качестве активного элемента полевой транзистор АП344А.
Выберем рабочую точку полевого транзистора VT1, то есть зададимся напряжением сток-исток и током стока, которые выбираются в точке максимальной крутизна транзистора, но в пределах (1 10) мА.
UСИ0 = 2,5 В, IС0 = 10 мА
Как видно из схемы, ток стока транзистора VT1 является током эмиттера транзистора VT2 Iэ0 = 10мА = IС0 . Ток в цепи коллектора VT2: Iк0 = Iэ0 = 10 мА. Постоянное напряжение на коллекторе VT2 выберем Uк0 = 4 В.
Определим мощность, рассеиваемую на транзисторах:
Рк = Iк0 Uк0 = 1010-34 = 40 мВт (5.10)
Выберем транзистор VT2, исходя из следующих условий:
• так как полевой транзистор VT1 имеет канал n-типа, то биполярный транзистор VT2 должен иметь тип проводимости n-p-n;
• допустимая рассеиваемая мощность транзистора VT2 должна быть больше Рк, рассчитанной выше.
• граничная частота fгр транзистора VT2 должна удовлетворять условию:
fгр > (10 ... 20) fв = (140…280) МГц
где верхняя частота фотоприемного модуля:
Гц (5.11)
• паразитные емкости должны быть минимальны.
• транзистор должен быть малошумящим.
Таким требованиям удовлетворяет кремниевый транзистор КТ 371А, имеющий следующие параметры:
• граничная частота fгр = 3,6 ГГц;
• статистический коэффициент передачи тока транзистора в схеме с общим эмиттером = 30…240;
• обратный ток коллектора Iк. об 0,5 мкА, при напряжении коллектор-база U = 10 В;
• емкость коллекторного перехода Скб 0.9 пФ при Uкб = 5 В;
• постоянная времени цепи обратной связи = 15 пс при Uкб = 5 В, Iэ = 5 мА.
Предельные эксплуатационные данные:
• постоянное напряжение коллектор-база Uкб max = 10 В;
• постоянное напряжение коллектор-эмиттер Uкэ.max = 10 В при Rб = 10 кОм;
• постоянное напряжение эмиттер-база Uэб max = 3 В;
• постоянный ток коллектора и эмиттера Iкmax = Iэ max = 20 мА;
• постоянная рассеиваемая мощность коллектора Рк max = 100 мВт;
• температура окружающей среды 65…+85 С;
• сопротивление переход окружающая среда 1000 С/Вт.
Нагрузкой каскада является параллельное включение сопротивления R3 и входного сопротивления следующего каскада Rвх3:
Rн1 = R3 || Rвх3 (5.12)
Следующим каскадом является эмиттерный повторитель, который имеет высокое входное сопротивление, поэтому в параллельном соединении им можно пренебречь, значит Rн1 R3. В этом случае сопротивление нагрузки каскада определяется по формуле.
(5.13)
где Со = Сбк2+Сбк3 = 0,910-12+0,910-12 = 1,8 пФ (5.14)
Сбк2 и Сбк3 емкости коллекторных переходов транзисторов VT2 и VT3.
кОм
Из ряда номинальных сопротивлений выбираем R3 = 1,8 кОм
Определим напряжение питания:
Ек = UСИ0 + Uк0 + Uф (5.15)
где Uф = (0,1…0,5)Ек падение напряжения на фильтре Rф2 Сф2.
Выбираем Uф = 0,5 Ек
В (5.16)
Из ряда стандартных источников напряжений выбираем Ек = 12 В.
Рассчитаем сопротивление фильтра
Uф = 0,5 Eк = 0,5 12 = 6 В (5.17)
Rф = Uф/IКО = 6/(1010-2) = 600 Ом (5.18)
Из ряда стандартных сопротивлений выбираем Rф = 620 Ом.
По известным значениям токов Iк0 = IС0 = 10 мА и используя входные характеристики транзисторов определим напряжение на базе VT2 и затворе VT1.
Uбэ0 = 0,7 В UЗИ0 = 1,2 В
Приведем расчет элементов каскада, обеспечивающих стабильность выбранной рабочей точки. Нестабильность рабочей точки зависит от изменения обратного тока коллектора и температурного смещения характеристики iк0 = f(Uбэ).
I1коб = Iкоб (5.19)
I2коб = Iкоб (5.20)
Iкоб = I2коб I1коб (5.21)
где А=3 для кремниевых транзисторов.
Iкоб = 0,510-6 обратный ток коллектора транзистора VT2;
tпmin = -min+Рк1000 минимальная температура p-n перехода;
tпmax = max+Рк1000 максимальная температура p-n перехода;
min = -50 минимальная температура окружающей среды;
mах = 50 максимальная температура окружающей среды.
tпmin = -50+5010-31000 = 0 С
tпmах = 50+5010-31000 = 100 С
I1коб = 0,510-6 = 7,810-6 А
I2коб = 0,510-6 = 1,8910-3 А
Iкоб = 1,8910-3 7,810-6 = 1,88 мА
Uбэ = 2,210-3 (mах-min)+0,04
Uбэ = 2,210-3 (50-(-50))+0,04=0,26 В
Влияние вышеперечисленных факторов приводит к изменению тока коллектора под воздействием температуры. Нормальная работа каскада сохраняется при изменении коллекторного тока на 10 15 %. Исходя из этого, приращение коллекторного тока берется равным:
Iк0 = (0,1…0,5)Iк0 = 0,2Iк0 = 2 мА
Стабильность рабочей точки транзистора в данной схеме обеспечивается делителем напряжения (резисторы R4 и R6) в цепи базы транзистора VT2.
Определим сопротивление делителя и значение сопротивлений R4, R6.
R4 = (5.22)
R6 = (5.23)
где
Rб = (5.24)
где выходная проводимость транзистора VT1:
g = Rи СЗИ CСИ (5.25)
g = 1/105 + (2,991106)2 50 1 10-12 0,6 10-12 = 12,68 мкСм
RСИ (104…106) Ом сопротивление участка полупроводникового сток исток;
Rи (30…50) Ом сопротивление полупроводника между контактами стока и областью канала;
внутреннее сопротивление эмиттера:
rэ = = (2510-3)/(1010-3) = 2,5 Ом (5.26)
внутреннее сопротивление базы:
rб = /СКБ = (1510-12)/(0,910-12) = 16,6 Ом (5.27)
коэффициент передачи тока:
= = = 85 (5.28)
Rб = = 5,958 кОм.
Напряжение в плече делителя определяется:
UR5 = UСИ0 + Uбэ0 = 2,5+0,7 = 3,2 В (5.29)
Iб0 = Iк0/ = (1010-3)/85 = 0,12 мА (5.30)
R4 = = 9,131 кОм
Выбираем из ряда номинальных сопротивлений R4 = 10 кОм.
R6 = = 14,74 кОм
Выбираем из ряда номинальных сопротивлений R6 = 15 кОм.
Рассчитаем коэффициент усиления каскада:
К1 = Sэкв Rн1 (5.31)
где
Sэкв = S (5.32)
- крутизна эквивалентного транзистора при каскадном соединении (ОИ-ОБ) полевого транзистора VT1 с крутизной S и биполярного транзистора VT2 c коэффициентом передачи тока .
Sэкв = (1510-3 85)/(85+1) = 14,8 мА/В
К1 = 14,810-3 1800 = 26,686
Рассчитаем значения емкостей разделительного конденсатора Ср1, конденсаторов в цепи фильтров Сф1 и Сф2 и емкость в цепи базы VT2 C:
Ср1 = 50/(2fн(R1+R2)) (5.33)
Ср1 = 50/(2104 (130+1300) 103) = 556,5 пФ
Сф1 = 50/(2fнRф1) (5.34)
Сф1 = 50/(2104 20103) = 39,8 нФ
Сф2 = 50/(2fнRф2) (5.35)
Сф2 = 50/(2104 620) = 1,3 мкФ
С = 50/(2fнRб) (5.36)
С = 50/(2104 7,42103) = 133,6 нФ
где нижняя частота спектра сигнала и сопротивление фильтра выбраны f = 10 кГц и Rф1 = 20 кОм.
Из ряда номинальных конденсаторов выбираем: Ср1 = 560 пФ, Сф1 =
39 нФ, Сф2 = 1 мкФ, С = 0,12 мкФ.
Выходной каскад предварительного усилителя представляет собой эмиттерный повторитель. Для эмиттерного повторителя характерно наличие 100% отрицательной обратной связи по напряжению, последовательной по входу. Глубокая отрицательная обратная связь приводит к увеличению входного и уменьшению выходного сопротивления каскада.
Выберем рабочую точку транзистора VT3: Iэ0 = Iк0 = 5 мА; Uк03 = 4 В.
Мощность, рассеиваемая на коллекторе транзистора:
Рк = Iк0Uк0 (5.37)
Рк = 510-34 = 20 мВт
Транзистор VT3 выбирается исходя из тех же соображений, что и транзистор VT2, поэтому будем использовать транзистор КТ371А.
Используя входную и выходную характеристики транзистора VT3 (рисунки 5.4, 5.5) определим напряжение эмиттер-база: Uэб = 0,65 В.
Рассчитаем сопротивление в цепи эмиттера:
R7 = (Uко2 + UCИ0 + Uэб3)/Iэо3 (5.38)
R7 = (4+2,5-0,65)/(510-3) = 1,17 кОм
Из ряда номинальных сопротивлений выбираем R7 = 1,2 кОм.
Найдем коэффициент передачи каскада:
К2 = SR6/(1+SR6) (5.39)
где
S = Iк0 / (1+) = (82 25 510-3)/(1+85) = 123 мА/В (5.40)
чувствительность транзистора VT3.
K2 = (12310-3 1,2103)/(1+12310-3 1,2103) = 0,999
Выходное сопротивление эмиттерного повторителя определяется:
Rвых = (1+y11Rну)/(y11+S) (5.41)
где
y11 = 1/(rб + rэ(1+)) = 1/(16,6+5(1+85)) = 6,2 мСм (5.42)
входная проводимость транзистора;
rэ = = (2510-3)/(510-3) = 5 Ом (5.43)
сопротивление эмиттера транзистора VT3;


Rну сопротивление нагрузки каскада. Нагрузкой каскада является входное сопротивление следующего каскада, транзистор которого включен по схеме с общим эмиттером. Входное сопротивление каскада с общим эмиттером определяется Rвх оэ = rб+rэ(1+). Если далее используется транзистор КТ371А, то:
Rвх оэ = 16,6+5(1+85) = 446 Ом
Rвых3 = (1+6,210-3 446)/(6,210-3 + 12310-3) = 29 Ом
Рассчитаем корректор на выходе предусилителя.
Коэффициент передачи корректора в общем случае определяется выражением:
Ккор(j) = (5.44)
Для нормальной коррекции необходимо выполнение условия:
Rк >> Rну + Rвых3 (5.45)
тогда выражение (5.44) упрощается и имеет вид:
| Ккор | = К0 (5.46)
где К0 Rну/Rк коэффициент передачи корректора на низких частотах.
Так как корректор предназначен для коррекции частотных искажений во входной цепи предусилителя, то необходимо обеспечить равенство постоянных времени входной цепи и корректора.
CК RК = C Rн (5.47)
где C = 2,6 пФ суммарная емкость входной цепи;
Rн = 118 кОм сопротивление нагрузки фотодетектора.
Зададимся активным сопротивлением корректора Rк согласно условию (5.45):
Rк = 100(Rну+Rвых) (5.48)
Rк = 100(446+29) = 47,5 кОм
Из ряда номинальных сопротивлений выбираем Rк = 47 кОм
CК = С Rн / RК (5.49)
СК = (5,710-12 118103)/(47103) = 6,528 пФ
Из ряда номинальных емкостей выбираем СК = 6,2 пФ.
Ккор = (5.50)
Ккор = = 0,827
6 РАСЧЕТ ЧУВСТВИТЕЛЬНОСТИ ПРИЕМНОГО ОПТИЧЕСКОГО МОДУЛЯ
Расчет чувствительности ПРОМ на основе ЛФД, полевого и биполярного транзисторов осуществляется в энергетических и логарифмических величинах.
В данной работе в качестве детектора оптического излучения выбран лавинный фотодиод компании Mitsubishi PD8042 [6].
Чувствительность (в данном случае) это минимальная средняя по времени мощность оптического сигнала на входе ПРОМ при заданных характеристиках этого сигнала и обеспечения требуемого отношения сигнал/шум или коэффициента ошибок . Коэффициент ошибок учитывает вероятность ложного восприятия сигнала. Связь между и следующая: если Кош = 10-9, то = 6.
В энергетических величинах чувствительность ПРОМ с ЛФД определяется согласно соотношению:
(6.1)
где A = (hc/e); (6.2)
h постоянная Планка;
с скорость света;
квантовая эффективность фотодиода;
e заряд электрона;
длина волны излучения;
= 0,5;
F шум-фактор умножения: F Mx ;
M коэффициент умножения ЛФД;
x = 0,75 для InGaAs ЛФД;
In1 интеграл Персоника, In1 = 0,5;
B скорость передачи информации;
= полный шумовой ток предусилителя и фотодетектора:
= (6.3)
тепловой шум, обусловленный сопротивлением нагрузки фотодетектора:
(6.4)
k постоянная Больцмана;
T температура;
In2 = 0,55;

дробовый шум, обусловленный током утечки.
(6.5)
IУТ сумма тока утечки затвора полевого транзистора и других шунтирущих источников тока;
IT темновой ток pin-фотодиода;

еще одна составляющая шумового тока:
(6.6)
In3 = 0,085;
ЭДС шума в единичной полосе для полевого транзистора:
(6.7)
FПТ шум-фактор полевого транзистора;
gМ крутизна полевого транзистора в рабочей точке;
Подставляя значения в формулу (6.6) получим = 7,910-18 А2.
Используя все вычисленные значения в формуле (6.1), находим PЛФД = 5,510-14 Вт. Переведя это значения в логарифмические единицы, получим PЛФД =
-43 дБм.
7 РАСЧЕТ ДЛИНЫ РЕГЕНЕРАЦИОННОГО УЧАСТКА РАЗРАБОТАННОЙ ВОСП
Расчёт длины регенерационного участка lру производят исходя из энергетического потенциала А системы передачи, а затем полученный результат на соответствие норм по дисперсионным искажениям. Дисперсия приводит к искажениям импульса и ограничивает пропускную способность световода. При расчёте lру необходимо учитывать, что коэффициенты затухания оптического кабеля в разных строительных длинах могут несколько отличаться друг от друга. Кроме того, в процессе строительства участков оптический кабеля возможно возрастание потерь, например за счёт макроизгибов оптического волокна; в процессе эксплуатации системы передачи потери могут возрасти за счёт старения кабеля и самой аппаратуры.
С точки зрения затухания длину участка регенерации можно определить по формуле:
lру = (А-Э1-Э2-нс-2рс)lсд/(нс+кlсд) (7.1)
где А энергетический потенциал аппаратуры;
нс затухание неразъемных соединений;
рс затухание разъемных соединений;
к суммарное затухание кабеля;
lсд строительная длина кабеля (lсд = 4 км);
Э1 энергетический запас линейный;
Э2 энергетический запас аппаратный.
Энергетический потенциал максимальное затухание участка регенерации без учёта передающего и приёмного стыков аппаратуры. Он определяется характеристиками выбранного источника излучения и фотоприёмника. Потенциал определяется как разница между уровнями передачи и приёма. Для данного оборудования потенциал А=3-(-43) = 56 дБ , где 3 уровень передачи источника излучения, дБ; -43 минимальная чувствительность приёмника излучения.
Старение кабеля учитывает параметр энергетического запаса линейного
Э1 = 3 дБ. Деградация лазера, измерение параметров фотодиода, транзисторов и так далее учитывает аппаратный энергетический запас Э2 = 3дБ.
Найдем длину регенерационного участка по формуле (7.1), она будет составлять lру = 150 км.
Минимальную длину участка регенерации определяют также по формуле (7.1), уменьшая в ней энергетический потенциал на величину D = 20 дБ динамический диапазон регенератора. Она равна lруmin = 73 км.
ЗАКЛЮЧЕНИЕ
В ходе курсового проектирования была разработана волоконно-оптическая система передачи, удовлетворяющая заданным требованиям. Были решены задачи разработки структурной схемы системы, принципиальной схемы ее передающего модуля и предусилителя приемного модуля, оценки чувствительности приемного оптического модуля и расчета длины регенрационного участка.
Чувствительность приемного оптического модуля разработанной системы составляет -43 дБм, что является приемлимым при сравнении с коммерческими приемными оптическими модулями. Длина регенерационного участка для данной ВОСП составляет 150 км, что также не выходит за рамки нормы.
СПИСОК ИСПОЛЬЗОВАННЫХ ИСТОЧНИКОВ
[1] Иванов В.И. Оптические системы передач / под ред. В. И. Иванова М.: Радио и связь 1994
[2] Урядов В.Н. ЭУМКД ВОСП / В. Н. Урядов Минск: БГУИР 2008
[3] [Электронный ресурс]. Электронные данные. Режим доступа:
http://test.inf.sfedu.ru
[4] [Электронный ресурс]. Электронные данные. Режим доступа:
http://masters.donntu.org/2012/frt/kashevarova/diss/index.htm
[5] Описание транзистора 2N3904 [Электронный ресурс]. Электронные данные. Режим доступа: http://oldwww.kec.co.kr/data/databook/pdf/2N_/Eng/2N3904.pdf
[6] Описание ЛФД PD8042 [Электронный ресурс]. Электронные данные. Режим доступа:
http://pdf.datasheetcatalog.com/datasheet/MitsubishiElectricCorporation/mXrssyu.pdf
Приложение А
PAGE 2
Проектирование цифрового линейного тракта с заданными в техническом задании параметрами