Физические малосигнальные модели биполярных транзисторов
PAGE 84
Курс лекций Техническая электроника
Лекция 11
-Физические малосигнальные модели биполярных транзисторов
11.1 Модель Эберса - Молла
Для анализа работы транзистора в усилительных устройствах в активном режиме часто используют физические и формализованные модели транзистора при заданных значениях постоянных напряжений и токов, совокупность которых определяет режим работы транзистора по постоянному току (или так называемую «рабочую точку») для небольших (малых) изменений переменных токов и напряжений в окрестности этой рабочей точки. Именно для этих малых изменений переменных и строятся малосигнальные модели транзистора. Одной из физических малосигнальных моделей является модель, основой которой является модель Эберса-Молла с двумя источниками тока, предложенная Дж.Д.Эберсом и Дж.Л.Моллом в 1954 г.
В эти модели входят управляемые источники тока, управляемые токами, учитывающие связь между взаимодействующими p - n -переходами в биполярном транзисторе. Эти модели справедливы для всех режимов работы транзистора.
Простейшим вариантом низкочастотной модели Эберса-Молла является модель с идеальными p - n -переходами и двумя источниками тока. На рис. 11.1 представлена такая модель. Эта модель отражает принципиальную равноправность обеих переходов транзистора, что проявляется в режиме двойной инжекции, когда на переходах действуют прямые напряжения. В таком режиме каждый из переходов одновременно инжектирует носители в базу и собирает носители, дошедшие до другого перехода. Токи инжектируемых носителей обозначены, как (идеальный переход), а токи собираемых - через и (источник тока), где СТ и СТ,И - коэффициенты передачи тока при нормальном и инверсном включении.

- токи, текущие через переходы, они определяются соотношениями, выведенными в лекции 4:
,
- обратные тепловые токи коллектора и эмиттера соответственно.
( В некоторых источниках и справочниках используются обозначения для обратных тепловых токов в виде IЭБК и IКБК , причем эти тепловые токи измеряются при короткозамкнутых коллекторе для IЭБК и эмиттере для IКБК . Кроме того, в аналитических соотношениях иногда используются обозначения IЭ0 и IК0 , равные
,
отражающие обратные токи эмиттера и коллектора при обрыве коллектора или эмиттера соответственно).
В соответствии с первым законом Кирхгофа1 для токов эмиттера и коллектора схемы рис.11.1 имеем:
(11.1)
Ток базы iБ легко выразить через разность токов iЭ и iK:
Таким образом можно определять токи при любом включении транзистора, зная значение параметров: СТ, СТ,И, IЭ,S, IK,S.
(Другая модель Эберса-Молла для идеального транзистора описывается одним управляемым источником тока. Она получается из первой путем преобразования соотношений (11.1) и приближения . Тогда
вместо (11.1) получим (11.2)
(11.2)
Обозначим , подставим в (11.2):
или
(11.3)
Система (10.3) и позволяет построить модель с одним источником тока (рис.11.2).

Здесь .
Эту модель как основу используют некоторые программы моделирования электронных схем, такие как Micro - Cap , Design Center и др.
В программе PSpice часть параметров транзистора вводится, часть задается по умолчанию. Здесь также ток, передаваемый от эмиттера к коллектору выражается через напряжения эмиттер-база и коллектор база и общий заряд в базе. Учитываются эффекты высокого уровня инжекции, уменьшение коэффициента передачи базового тока при малых токах, модуляция ширины базы, объемное сопротивление базы. Динамические (частотные) свойства переходов учитываются включением в модель барьерной и диффузионной емкостей самих переходов и подложки.)
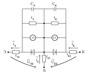
Улучшение процесса протекания токов проводится за счёт дополнения простой модели Эберса-Молла другими компонентами.
На рис. 11.3 показана такая модель, включающая в себя объемные сопротивления полупроводников в областях эмиттера, базы, коллектора rЭ1 , rБ1 , rК1 , а также дифференциальные сопротивления и емкости переходов rЭ , rК , СЭ , СК .

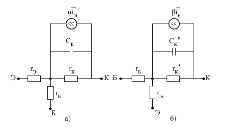
Поскольку наибольшее объемное сопротивление полупроводника имеет база, и эмиттерный переход открыт, то можно использовать более простую Т-образную физическую модель транзистора с ОБ (рис.11.4,а). Для транзистора с ОЭ аналогичная модель представлена на рис. 11.4,б.

Дифференциальное сопротивление эмиттера составляет единицы десятки Ом, сопротивление объема базы сотни Ом, сопротивление коллектора в схеме с ОБ Мегомы. Емкость коллекторного перехода составляет единицы десятки пикофарад. В схеме с ОЭ в выходной цепи дифференциальное сопротивление и емкость пересчитываются по формулам (см. 10.5):
()
11.2 Частотные свойства транзисторов
Импульсный режим
В импульсном режиме импульс тока коллектора начинается с запаздыванием на время задержки з относительно импульса входного тока, что вызвано конечным временем пробега носителей через базу. По мере накопления носителей в базе ток коллектора нарастает в течение длительности фронта ф. Временем включения транзистора называется вкл = з + ф.
На рисунке 11.5 представлен процесс переключения транзистора, включенного по схеме с общей базой.

После подачи импульса на эмиттерный вывод (рис.11.5б) происходит включение транзистора в интервале от t=0 до t1 (рис 11.6в). Вначале инжектированные электроны распространяются вглубь базы и достигают коллектора только через время з (на рис.11.5 не показано). После этого коллекторный ток начинает возрастать. Время, необходимое для нарастания тока до уровня 90% тока насыщения называют временем включения вкл = з + ф (ф=0).
В момент времени t2 ток эмиттера снижается до нуля (рис. 11.6б) и начинается процесс выключения. Плотность неосновных носителей (электронов) в базе ещё большая, но в течение времени 1 падает до нуля (за счёт рекомбинации с дырками в базе). Интервал времени 1 называют временем рассасывания носителей. В момент времени t3 плотность носителей около коллекторного перехода становится близкой к нулю и сопротивление коллекторного перехода, определяемое током через него неосновных носителей из базы возрастает. К моменту времени t4 коллекторный ток снижается до 10% от максимального значения. Интервал времени 4 называют временим спада.
Поведение транзистора на высоких частотах
С повышением частоты усиление, даваемое транзисторами, снижается. Имеются две главные причины этого явления. Во-первых, на более высоких частотах вредно влияет емкость коллекторного перехода. На низких частотах сопротивление емкости очень большое, коллекторное сопротивление также очень велико и можно считать, что весь ток идет в нагрузочный резистор. Но на некоторой высокой частоте сопротивление емкости становится сравнительно малым и в нее ответвляется заметная часть тока, создаваемого генератором, а ток в резисторе соответственно уменьшается. Следовательно, уменьшаются выходное напряжение и выходная мощность. Рисунок 11.7, приведенный для схемы включения с ОБ иллюстрирует это

Емкость эмиттерного перехода также уменьшает свое сопротивление с повышением частоты, но она всегда шунтирована малым сопротивлением эмиттер-ного перехода и поэтому ее вредное влияние может проявляться только на очень высоких частотах. Практически на менее высоких частотах емкость, которая шунтирована очень большим сопротивлением коллекторного перехода, уже настолько сильно влияет, что работа транзистора, на который могла бы влиять емкость, становится нецелесообразной. Поэтому влияние емкости в большинстве случаев можно не рассматривать.
Второй причиной снижения усиления на более высоких частотах является отставание по фазе переменного тока коллектора от переменного тока эмиттера. Оно вызвано инерционностью процесса перемещения носителей через базу от эмиттерного перехода к коллекторному, а также инерционностью процессов накопления и рассасывания заряда в базе. Носители, например электроны в транзисторе типа n-p-n, совершают в базе диффузионное движение и поэтому скорость их не очень велика. Время пробега носителей через базу D в обычных транзисторах получается порядка 10-7с, т.е. 0,1 мкс и менее. Конечно, это время очень небольшое, но при частотах порядка единиц и десятков мегагерц и выше оно вызывает заметный сдвиг фаз между токами коллектора и эмиттера (рисунок 11.8). За счет такого сдвига фаз на высоких частотах возрастает переменный ток базы, а от этого снижается коэффициент усиления по току.

Графическая зависимость модуля коэффициента переноса и угла фазового сдвига от частоты входного сигнала для схемы включения с ОБ приведена на рисунке 11.9.

При повышении частоты коэффициент усиления для схемы с ОЭ уменьшается значительно сильнее, чем . Коэффициент снижается от влияния емкости, а на величину влияет еще и сдвиг фаз между токами коллектора и эмиттера за счет времени пробега носителей через базу. Схема с общим эмиттером по сравнению со схемой с общей базой обладает значительно худшими частотными свойствами.
Принято считать предельно допустимым уменьшение величин и на 30 % или в 2 раз меньше по сравнению с их значениями 0 и 0 на низких частотах.
Те частоты, на которых получается такое снижение усиления ( и ), называют граничными, или предельными, частотами усиления для схем с общей базой и общим эмиттером.
На высоких частотах происходит не только изменение величин и . Вследствие влияния емкостей переходов и времени пробега носителей через базу, а также процессов накопления и рассасывания зарядов в базе собственные параметры транзистора на высоких частотах изменяют свою величину и уже не являются чисто активными сопротивлениями. Изменяются также и все другие параметры.
Более высокие предельные частоты могут быть получены при использовании полупроводников, у которых подвижность носителей выше
В зависимости от значения предельной частоты различают транзисторы низкочастотные (fa<3MГц), среднечастотные (3 <fa< 30МГц), высокочастотные (30 <fa< 300МГц) сверхвысокочастотные fa> 30МГц .
В справочниках для транзистора, включенного по схеме ОЭ, дается частота fгр (или fт) (граничная частота), на которой коэффициент передачи базового тока становится равным 1. Кроме того, иногда приводится так называемая максимальная частота fmax наибольшая частота, при которой транзистор способен работать в схеме автогенератора при оптимальной обратной связи. Приближенно , где K - постоянная времени цепи обратной связи. Максимальная частота определяет устойчивость усилителя на данном транзисторе к самовозбуждению на частотах f < fmax .
Лекция 12
Малосигнальные модели биполярного транзистора в виде активного линейного четырехполюсника
Для анализа работы транзистора с малыми сигналами в окрестности рабочей точки удобным является метод с применением теории активных линейных четырехполюсников. В этом случае и сам транзистор и схема, в которой он работает могут быть представлены четырехполюсником с двумя парами входных и выходных зажимов (рис. 12.1).

Такой линейный активный четырехполюсник можно описать различными способами и представить схемами замещения. Есть два подхода к такому описанию, а именно: с использованием внутренних параметров четырехполюсника и с использованием внешних (по отношению к источнику сигнала и нагрузке) параметров. В первом случае записываются линейные уравнения, связывающие токи и напряжения непосредственно, независимо от назначения устройства. Во втором случае, параметры схемы замещения определяются условием работы и назначением устройства (усилитель тока, усилитель напряжения или мощности). Здесь важными являются такие параметры как коэффициенты передачи по току, напряжению или мощности, входное и выходное сопротивления. Их обычно определяют исходя из знания внутренних параметров четырехполюсника и его схемы замещения. (Для четырехполюсников в принципе можно составить шесть систем из пар уравнений, связывающих входные и выходные токи и напряжения, коэффициентами которых являются соответствующие внутренние параметры).
Для биполярного транзистора удобными системами являются системы h - и у - параметров. Уравнения линейного четырехполюсника в системе h - параметров имеют вид:
,
т.е. входное напряжение u1 и выходной ток i2 определяются через другие переменные, а в системе у-параметров:
, входной и выходной ток определяются через другие переменные,
где индекс 1 соответствует входной переменной, индекс 2 - выходной, а значок означает малые изменения соответствующих переменных, при которых транзистор можно считать линейным элементом.
Из вышеприведенных систем уравнений следует, что входная зависимая переменная четырехполюсника зависит как от входной независимой переменной, так и от выходной независимой переменной, что свидетельствует о связи входа четырехполюсника с его выходом (обратная связь); а зависимая выходная переменная определяется как выходной независимой переменной, так и входной независимой переменной четырехполюсника. Таким образом, четырехполюсник характеризуется прямой - от входа к выходу, и обратной - от выхода к входу, передачей сигналов. Остановимся далее более конкретно на системе h - параметров.
Каждый h - параметр имеет определенный физический смысл. Так, параметр h11 - это сопротивление, через которое течет входной ток i1 благодаря приложенному к нему напряжению u1 ; h12 - это параметр обратной передачи, он определяет, какая часть выходного напряжения передается во входную цепь; h21 - это параметр прямой передачи тока, он показывает, как передается в выходную цепь изменение тока во входной цепи; h22 - это проводимость, через которую течет выходной ток в результате приложенного выходного напряжения.
Система уравнений позволяет представить линейный четырехполюсник в виде эквивалентной схемы (или схемы замещения), входная цепь которой определяется первым уравнением, а выходная - вторым уравнением системы. Действительно, первое уравнение описывает в виде второго закона Кирхгофа2 некоторую последовательную цепь, включающую в себя сопротивление h11 и источник напряжения uэкв = h12u2 . Второе уравнение системы описывает параллельную цепь в виде первого закона Кирхгофа, включающую в себя проводимость h22 и источник тока iэкв = h21i1 . Таким образом, активный линейный четырехполюсник может быть представлен в виде схемы замещения, показанной на рис.12.2.

Величины h -параметров четырехполюсника могут быть определены различными способами с помощью так называемых опытов холостого хода и короткого замыкания для переменных составляющих токов и напряжений. Так, опыт короткого замыкания на выходе ( u2 = 0) позволяет определить значения параметров h11 и h21 , а опыт короткого замыкания на входе ( i1 = 0) дает возможность определить значения параметров h12 и h22 . Для определения h - параметров могут быть также использованы физические схемы замещения транзисторов с известными параметрами, семейства их статических ВАХ в окрестности рабочей точки, а также эксперимент.
Рассмотрим определение h -параметров для транзистора с ОЭ. Здесь входными переменными являются изменения тока базы и напряжения промежутка база-эмиттер, а выходными - изменения тока коллектора и напряжения промежутка коллектор-эмиттер. Система уравнений в этом случае будет иметь вид:
Опыт короткого замыкания на выходе предполагает, что uкэ = 0, при этом напряжение коллектора относительно земли равно постоянному напряжению в рабочей точке Uкэ,0 . Опыт холостого хода на входе предполагает iб = 0, при этом ток базы транзистора равен току базы в рабочей точке Iб,0 .
Принцип определения h - параметров транзистора с ОЭ по его семействам ВАХ показан на рис.12.3 в соответствии с соотношениями:
h11,э = uбэ / iб при uкэ = 0 ( см. рис.12.3,а),
h12,э = uбэ / uкэ при iб = 0 (см. рис. 12.3,б),
h21,э = iк / iб при uкэ = 0 (см. рис. 12.3,в),
h22,э = iк / uкэ при iб = 0 (см. рис. 12.3,г).

Транзисторы с ОЭ характеризуются сравнительно слабой зависимостью входных характеристик от напряжения коллектор-эмиттер, поэтому часто принимают h12,Э 0. На рис.12.4 представлена эквивалентная схема транзистора с ОЭ, где приняты обозначения: rбэ = h11,э - входное сопротивление транзистора с ОЭ, = h21,э - коэффициент передачи базового тока в коллекторную цепь, rкэ = 1 / h22,э - выходное сопротивление транзистора с ОЭ. Малые изменения токов и напряжений отражены соответствующими амплитудами (индекс « m ») при гармоническом воздействии.

Эта схема пока не учитывает частотных свойств транзистора, так как параметры определены по статическим ВАХ. Используя физические малосигнальные модели транзистора, например, Эберса-Молла, можно также определить h -параметры, но уже с учетом частотных свойств транзистора. Можно также в схему рис. 12.4 добавить эквивалентные емкости Сбэ и Сэк, отражающие инерционные (частотные) свойства транзистора.
Для определения соответствующих h - параметров для транзисторов в схемах с ОБ и ОК можно воспользоваться известными параметрами для схемы с ОЭ. Для этого достаточно представить схемы замещения транзисторов с ОБ и ОК, включив в них транзистор ОЭ в виде его схемы замещения и соответственно соединить общие выводы (см. рис.12.5а) для ОБ и 12.5б) для ОК).

В учебниках и справочниках можно найти готовые формулы пересчета параметров одной схемы включения через параметры другой.
12.1 - Основные параметры биполярного транзистора
1. Коэффициент передачи по току.
2. Входное сопротивление.
3. Выходная проводимость.
4. Обратный ток коллектор-эмиттер.
5. Время включения.
6. Предельная частота коэффициента передачи тока базы.
7. Обратный ток коллектора.
8. Максимально допустимый ток.
9. Граничная частота коэффициента передачи тока в схеме с общим эмиттером.
Параметры транзистора делятся на собственные (первичные) и вторичные. Собственные параметры характеризуют свойства транзистора, независимо от схемы его включения. В качестве основных собственных параметров принимают:
коэффициент усиления по току ;
сопротивления эмиттера, коллектора и базы переменному току rэ, rк, rб, которые представляют собой:
rэ сумму сопротивлений эмиттерной области и эмиттерного перехода;
rк сумму сопротивлений коллекторной области и коллекторного перехода;
rб поперечное сопротивление базы.
Собственные параметры транзистора связаны с h-параметрами, например для схемы ОЭ: ; ; ; .
12.2 Система обозначений транзисторов
В основу системы обозначений транзисторов, также как и полупроводниковых диодов положен буквенно-цифровой код.
Первый элемент (цифра или буква) обозначают исходный полупроводниковый материал, на основе которого изготовлен транзистор:
Г (или 1) - германий и его соединения;
К (или 2) кремний и его соединения;
А (или 3) соединения галлия;
И (или 4) соединения индия.
Второй элемент (буква) определяет подкласс или группу транзисторов:
К биполярные транзисторы;
П полевые транзисторы.
Третий элемент (цифра) определяет основные функциональные возможности транзистора:
1 низкочастотные транзисторы малой мощности ( не более 0,3 Вт) ;
2 - среднечастотные транзисторы малой мощности;
3 высокочастотные транзисторы малой мощности;
4 низкочастотные средней мощности (0,3…1,5 Вт);
5 среднечастотные средней мощности;
6 высокочастотные средней мощности;
7- низкочастотные транзисторы большой мощности (более 1,5 Вт);
8 среднечастотные большой мощности;
9 высокочастотные большой мощности.
Четвертый элемент (число) обозначает порядковый разработки технологического типа транзистора: или двухзначные числа от 01 до 99 или трехзначные от 101 до 999.
Пятый элемент (буква) условно определяет классификацию (литеру) по параметрам транзисторов, изготовленных по единой технологии. В качестве классификационной литеры применяются буквы русского алфавита, за исключением букв З, О, Ч, Ы, Ш, Щ, Ю, Ь, Ъ, Э.
Стандарт обозначений предусматривает также введение дополнительных элементов для обозначения модернизаций транзистора, приводящих к изменению его конструктивных или электрических параметров.
Пример: КЕ937А-2 кремниевый биполярный транзистор, высокочастотный, большой мощности, номер разработки 37, группа А, бескорпусный, с гибкими выводами на кристаллодержателе.
Биполярные транзисторы, разработанные до 1964 г . и выпускаемые в настоящее время, имеют систему обозначения, состоящую из двух или трех элементов.
Первый элемент буква П (или МП), характеризующая класс биполярных транзисторов. Второй элемент двух- или трехзначное число, определяющее порядковый номер разработки и указывает на подкласс транзистора по роду исходного полупроводникового материала, значениям допустимой рассеиваемой мощности и граничной частоты:
101-199 кремниевые маломощные низкочастотные;
201-299 германиевые мощные низкочастотные;
301-399 кремниевые мощные низкочастотные;
401-499 германиевые высокочастотные и СВЧ маломощные;
501-599 кремниевые высокочастотные и СВЧ маломощные;
601-699 германиевые высокочастотные и СВЧ мощные;
701-799 кремниевые высокочастотные и СВЧ мощные транзисторы.
Третий добавочный элемент (буква) условно определяет классификацию по параметрам транзисторов, изготовленных по единой технологии.
12.3 Типы биполярных транзисторов



Лекция 13
Полевые транзисторы
13.1 Определения
Полевой транзистор это полупроводниковый прибор, в котором управление током, протекающим между двумя электродами, осуществляется с помощью напряжения, приложенного к третьему электроду.
Управление током в полевых транзисторах осуществляется с помощью электрического поля либо за счет изменения площади поперечного сечения проводящего полупроводникового слоя, через который проходит рабочий ток, либо за счет изменения удельной проводимости этого слоя.
Проводящий полупроводниковый слой называется каналом.
Полевой транзистор в отличие от биполярного называют униполярным, поскольку ток в нем образуется только основными носителями заряда. Электрод, через который втекают носители заряда в канал называется истоком , а электрод, через который из канала вытекают носители заряда, называется стоком. В принципе эти электроды обратимы. Третий, управляющий, электрод называется затвором.
Полевой транзистор с изменяющимся сечением канала называется транзистором с управляющим p - n - переходом, а полевой транзистор с изменяющимся удельным сопротивлением называется транзистором с изолированным затвором. К последним относятся так называемые МДП транзисторы (метал диэлектрик полупроводник) и МОП транзисторы (металл окисел полупроводник).
13.2 Полевой транзистор с управляющим pn переходом
13.2.1. Принцип действия, обозначение
На рис. 13.1 показана упрощенная структура полевого транзистора с управляющим pn переходом.

Основной является пластина из полупроводника n или p проводимости (на рисунке эта пластина имеет проводимость типа n ). Слой под затвором имеет проводимость типа p+ , где знак «+» показывает большую проводимость этого слоя по сравнению с проводимостью пластины. На торцы пластины и область р+ наносят металлические пленки, к которым припаивают внешние выводы. Металлическая пленка и полупроводник образуют невыпрямляющие контакты.
Так как концентрация носителей заряда в р+ области больше, чем в пластине, то образующийся на их границе pn -переход располагается главным образом в n - области.
Если внешние напряжения отсутствуют, то поле внутри канала равно нулю, поперечное сечение максимально. Если к стоку относительно истока подать положительное напряжение uСИ > 0, то электроны n -канала устремятся от минуса к плюсу источника , образуя во внешней цепи токи iИ и iС . Если теперь к затвору приложить отрицательное напряжение относительно истока, то есть uЗИ < 0, то ширина pn перехода увеличится, в основном в n - область, уменьшив тем самым поперечное сечение канала. Если напряжение uСИ мало, форма pn перехода и канала изменятся симметрично относительно истока и стока (см. рис.13.2).

При |UЗИ| > UЗИ,ОТС , где UЗИ,ОТС - модуль напряжения на затворе, соответствующего полному перекрытию канала pn -переходом, ток через канал станет равным нулю. Этот режим работы транзистора называется режимом отсечки. Если же напряжение между истоком и стоком UСИ > 0 и |UЗИ| < UЗИ, ОТС , то в канале будет протекать ток, который, проходя вдоль канала, создаст падение напряжения, увеличивающееся от истока к стоку (почти линейно). Поэтому область pn -перехода у стокового конца будет шире, чем у истокового (см.рис.13.3).

Рассмотрим поведение канала при увеличении напряжения UСИ и UЗИ < 0 . При отрицательном напряжении затвора относительно истока ток через затвор равен нулю. По мере сужения канала линейный рост падения напряжения (и соответственно напряженности электрического поля) прекращается, и рост тока стока замедляется. При некотором значении UСИ площадь канала сужается настолько, что поток электронов через него прекращается, это влечет за собой уменьшение падения напряжения на канале; напряженность электрического поля уменьшается, площадь канала увеличивается, ток стока увеличивается, это приводит к увеличению напряженности электрического поля и т.д. В канале устанавливается некое динамическое равновесие, при котором у стока образуется узкая горловина канала, имеющая фиксированную площадь сечения. Ток стока в этом режиме практически не зависит от напряжения UСИ . Это так называемый режим насыщения. Напряжение между стоком и истоком, соответствующее возникновению этого режима, называется напряжением насыщения UСИ, НАС
Рассмотрим протекание тока ещё более подробно с помощью рисунка 13.4

Используя закон сохранения полного тока для любого поперечного сечения канала можем записать:
, (13.1)
где Z - ширина канала, n - концентрация электронов, v - скорость электронов, и b - толщина канала. (последние три величины зависят от координаты х).
Концентрация электронов равна концентрации легирующей примеси ND, пока электрическое поле не превышает критического значения с, приводящего к насыщению скорости носителей v. Потенциал вдоль канала увеличивается от нуля до VD на стоке. Следовательно обратное смещение перехода затвор - канал и локальная ширина обеднённого слоя также увеличиваются по мере приближения к стоку. Результирующие уменьшение толщины проводящего канала должно быть скомпенсировано увеличением дрейфовой скорости носителей вдоль канала за счёт увеличения электрического поля, так, чтобы величина полного тока оставалась неизменной по длине канала. С увеличение напряжения стока VD электрическое поле в канале у стока (при некотором VD=VDsat) достигает критического значения с, а скорость электронов - скорости насыщения (рис. 13.4в). При этом наименьшая ширина канала у стока достигнет минимального значения , а ток транзистора начинает насыщаться.
При дальнейшем увеличении тока стока (VD>VD sat) обеднённая область расширяется к стоку (рис. 13,4г). Однако точка х1, где электроны впервые достигают скорости насыщения, смещается в противоположном направлении (к истоку), падение напряжения между истоком и точкой Х1 уменьшается, и, следовательно, ширина канала в точке увеличивается (>). Поэтому ток инжекции электронов из электронейтральной части канала (Х<Х1) в область насыщения дрейфовой скорости (Х1<X<X2) увеличивается, благодаря чему вольт-амперная характеристика транзистора на участке насыщения имеет небольшой положительный наклон.
По мере продвижения точки Х1 к стоку потенциал в канале растёт, ширина обеднённой области увеличивается, а проводящий канал сужается. Но, поскольку скорость электронов в этой области уже не зависит от электрического поля и равна скорости насыщения, для компенсации этого сужения канала и обеспечения сохранения полного тока концентрация электронов здесь увеличивается и становится больше концентрации доноров. Поэтому в соответствии с уравнением (13.1) в части канала. где , т.е. при (Х1<X<X2), аккумулируются электроны, и эта часть канала оказывается заряженной отрицательно. При Х=Х2, где глубина проводящего канала становится равной , концентрация электронов равна концентрации доноров. Этот отрицательный заряд области канала (Х1<X<X2) компенсируется положительным заряженным слоем (Х2<X<X3) с некоторым дефицитом электронов. Следовательно, часть напряжения стока, избыточная над VDsat, падает на дипольном слое, который расширяется в стоковой части канала при дальнейшем росте VD.
Отрицательное напряжение на затворе (рис. 13.4,д) увеличивает ширину обеднённой области и, следовательно, сужает канал, что увеличивает сопротивление на линейном (при малых VD) участке характеристики транзистора. При этом уменьшается напряжение VDsat, при котором в наиболее узкой части канала (глубиной достигается критическое поле с. Поэтому при VG < 0 участок насыщения характеристики транзистора начинается при меньших напряжениях и токах, чем при VG=0. При дальнейшем увеличении напряжения стока VD>VDsat у стокового края затвора также образуется дипольный слой (рис 13.4е), обеспечивающий непрерывность полного тока в канале.
При UСИ >> UСИ, НАС или (VD >>VDsat) может возникнуть пробой pn перехода, в этом случае ток резко увеличивается.
На принципиальных схемах полевой транзистор с управляющим pn переходом в соответствии с типом проводимости канала обозначается в виде, показанном на рис.13.4.

13.2.2. Вольтамперные характеристики
Вид ВАХ полевого транзистора с управляющим pn переходом , как и любого транзистора , зависит от способа включения транзистора к источникам питания . Различают схемы включения с общим истоком ( ОИ ), общим стоком (ОС) и общим затвором (0З).
Наиболее часто применяются схемы с ОИ. Поэтому в справочниках обычно даются характеристики и параметры именно для этого способа включения. На рис. 13.5 показано семейство выходных ВАХ транзистора с ОИ.

На рисунке показаны области, в которых транзистор работает в различных режимах: омическая область соответствует начальному линейному участку ВАХ при малых напряжениях сток-исток, область насыщения, где ток стока мало зависит от напряжения сток-исток и увеличивается лишь с увеличением напряжения затвор - исток, режим отсечки, в которой ток стока определяется обратным током pn -перехода, и, наконец, область пробоя. Обычно транзисторы с управляющим pn -переходом в усилительных схемах работают при отрицательных напряжениях на затворе, ток затвора при этом равен нулю. Поэтому входные ВАХ как правило не приводятся. В справочниках может быть приведено семейство так называемых сток - затворных ВАХ (или проходных характеристик) - зависимости тока стока от напряжения затвор-исток (см.рис.13.5б).
Эти характеристики позволяют правильно выбрать рабочую точку и диапазон изменения входного напряжения транзистора.
13.2.3. Параметры
При работе транзистора в усилительном (линейном) режиме основными параметрами являются крутизна S сток - затворной характеристики при постоянном напряжении UСИ :
, (13.1)
коэффициент усиления полевого транзистора µ:
, (13.2)
внутреннее сопротивление Ri полевого транзистора:
, (13.3)
Крутизна, коэффициент усиления и внутреннее сопротивление связаны между собой соотношением
(13.4)
Лекция 14
Полевые транзисторы
14.1. МОП структура
Схематически структура металл- окисел - полупроводник представлена на рисунке 14.1, где d - толщина слоя диэлектрика, V - напряжение прикладываемое к металлическому полевому электроду.

Толщина диэлектрика в современных МОП структурах, используемых для формирования сверхбольших интегральных схем доходит до величины 2 нм (несколько молекулярных слоёв SiO2), а прикладываемое напряжение V бывает положительным или отрицательным в зависимости от типа проводимости полупроводника.
Рассмотрим МОП структуру на полупроводнике n- типа, зонная диаграмма которого представлена на рисунке 14.2

Уровень Ферми EF в полупроводнике находится выше середины запрещённой зоны, что свидетельствует, что это полупроводник n- типа. Напряжение смещения на МОП структуре V=0 и уровни Ферми в металле, диэлектрике и полупроводнике одинаковы и энергетические зоны не изогнуты. Но при подаче отличного от нуля напряжения ситуация меняется. При подаче положительного напряжения, как показано на рисунке 14.3, в полупроводнике, на его границе раздела кремний- диэ-

лектрик идёт накопление отрицательного подвижного заряда (вследствие эффекта электрического поля), т.е. электронов. Их концентрация увеличивается. (режим обогащения). Следовательно уровень Ферми в этой области сдвигается к краю зоны проводимости ЕС, но это выглядит диаграмме рис.14.3, как изгиб зон, т.е. приближение зоны проводимости ЕС к уровню Ферми EF. Если же подать отрицательное напряжение на затвор, то происходит обеднение поверхности электронами и уровень Ферми на границе раздела приближается к середине запрещённой зоны Еi, как показано на рис. 14.3.б. При дальнейшем увеличении отрицательного напряжения уровень Ферми сдвигается в нижнюю половину запрещенной зоны, что свидетельствует о том, что на поверхности изменился тип проводимости, т.е. произошла инверсия проводимости и полупроводник стал р-типа проводимости, что видно из рис. 14.3в. То напряжение на затворе Vt, при котором концентрация дырок на поверхности равна концентрации электронов в глубине полупроводника называется пороговым напряжением. Можно заметить, что произошёл изгиб зон от первоначального значения (рис. 14.2) на величину 2В.
В этом случае в полупроводнике возникает pn переход между областью р- типа на поверхности и n- типа в глубине, в котором присутствует обеднённая область, толщиной W. При этом для обеспечения электронейтральности заряд на металлическом электроде Qm должен быть равен сумме электронного заряда в в области инверсии Qp и заряда ионизированных доноров в области обеднения - qNdW:
, (14.1)
где Qs - полная поверхностная плотность заряда в полупроводнике. (Все заряды здесь отнесены к единице площади границы раздела).

Приложенное напряжение V делится между полупроводником и изолятором, т.е.
, (14.2)
где Vi - падение напряжения на слое диэлектрика, а s - поверхностный потенциал.
По закону Гаусса объёмный заряд, отнесённый к единице площади границы раздела, индуцировавший электрическое поле, связан с электрическим полем диэлектрика:
,* (14.3)
где i - диэлектрическая проницаемость диэлектрика,
т.к. напряжение V связано с электрическим полем Е и толщиной диэлектрика d: , а поле Е связано с зарядом Q (*), то
, (14.4)
где Сi i / d - удельная емкость диэлектрика
При достижении порогового напряжения, когда поверхностный потенциал s=2B имеем:
(14.5)
Т.к в этом режиме почти весь заряд Qs определяется зарядом ионизированных доноров, то
, (14.6)
а толщина обеднённой W области индуцированного перехода связана с потенциалом соотношением (см. 3.10):
,то (14.7)
(**) (14.8)
После достижении напряжения VT изменение заряда Qs достигается накоплением дырок в поверхностной области.
Выведение формулы для порогового напряжения для полупроводника р- типа аналогично.
Очевидно, что пороговое напряжение Vт определяется концентрацией примеси в подложке N, толщиной диэлектрика d и его диэлектрической проницаемостью s.
Лекция 15
15.1. Полевой транзистор с изолированным затвором и индуцированным каналом
В полевых транзисторах с изолированным затвором последний отделен от полупроводника диэлектриком, как правило SiO2 в кремниевых структурах. По краям затвора создаются области проводимости, противоположные подложке, называемы стоком и истоком. Структура такого вида полевого МДП - или МОП - транзистора показана на рис. 15.1.

При нулевом напряжении UЗИ = 0 канал между истоком и стоком отсутствует. Встречно направленные pn переходы препятствуют движению электронов от истока к стоку: канал отсутствует. При UЗИ > 0 возникающее под затвором электрическое поле будет отталкивать положительные заряды (дырки, являющиеся основными носителями в pполупроводнике) в глубь полупроводника. При некотором пороговом значении напряжения между стоком и истоком под затвором UЗИ, ПОР (или VТ) накапливается достаточный слой электронов. Создается (индуцируется) проводящий канал, толщина которого может составлять 1...2 нанометра и она далее практически не меняется. Удельная проводимость канального слоя зависит от концентрации электронов в нем. Изменяя UЗИ , можно менять величину тока стока.
На принципиальных схемах полевой транзистор с индуцированным каналом в соответствии с типом проводимости канала обозначается в виде, показанном на рис.15.2.

Вид ВАХ этого типа транзистора характеризуется тем, что ток возникает при положительных напряжениях uЗИ > UЗИ, ПОР , где UЗИ, ПОР - напряжение отпирания транзистора (или VT). Примерный вид стоковых и стокзатворных ВАХ транзистора с индуцированным каналом представлены на рис.15.3.

Как видно из рис.15.3 все характеристики располагаются при положительных значениях напряжений.
Для ВАХ на рис. 15.3а) характерно нарастание тока стока при увеличении напряжения на стоковой области. Эта область называется линейной областью работы прибора. С увеличением напряжения на стоке наступает момент, когда прямо у стока концентрация подвижного заряда, формируемого затвором Qn падает до нуля. Это условие соответствует началу отсечки канала и то напряжение на стоке, когда это происходит называется напряжением отсечки Uотс. Электроны из области канала инжектируют в сток, образуя ток Iнас. Дальнейшее увеличение напряжения на стоке приводит лишь к сдвигу точки отсечки к истоку при постоянном потенциале Uотс в точке отсечки, поэтому ток не увеличивается с увеличением uСИ . Это область называется областью насыщения.
15.2. Полевой транзистор с изолированным затвором и встроенным каналом
Структура такого транзистора показана на рис.15.4. По сравнению с рис. 15.1 здесь между сток-истоковыми областями n+ типа расположена слаболегированная n- область, которая обеспечивает протекание тока между сток-истоковой областью.

Здесь, кроме электродов исток, сток и затвор, имеется еще один электрод (так называемый «подложка»), напряжение на котором также может менять свойства транзистора.
Если напряжение на затворе относительно истока отрицательно, то имеет место явление обеднения канала (уменьшение числа носителей заряда): в данном случае электроны выталкиваются из канала в p - область, что приводит к уменьшению тока через канал и при некотором значении UЗИ, ОТС. ток падает до нуля; при положительном же напряжении затвор-исток наоборот имеет место обогащение канала электронами, пришедших в канал из областей p и n+, что приводит к увеличению тока через канал. Таким образом этот полевой транзистор может работать и при положительных и при отрицательных значениях напряжения затвор-исток. При этом ток через затвор не протекает, так затвор изолирован от канала.
На принципиальных схемах полевой транзистор с изолированным затвором и встроенным каналом в соответствии с типом проводимости канала обозначается в виде, показанном на рис.15.5

Примерный вид семейств выходных ВАХ данного транзистора изображен на рис.15.6,а; передаточные свойства транзистора показаны на рис. 15.6,б в виде стокзатворной характеристики. Здесь также режим отсечки характеризуется некоторым отрицательным значением UЗИ, ОТС.

Эти характеристики справедливы для случая, когда электрод подложки соединен с истоком. Если этот электрод используется для управления током стока, то тогда его называют «нижним затвором», причем механизм этого управления аналогичен управлению самого затвора.
15.3. Математические модели транзистора с общим истоком
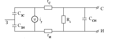
а) Универсальная модель полевого транзистора (рис.15.7) описывает все режимы его работы.

Здесь rС , rИ - объемные сопротивления стока и истока (достаточно небольшие), iy - источник тока, управляемый напряжением uЗИ.
Для области отсечки ток источника равен нулю. Чтобы описать ток в линейной области iy, необходимо руководствоваться выражениями для протекания тока (например, выражение (2.12)). Электрическое поле и поверхностный потенциал, определяющий концентрацию носителей определяются из уравнения Пуассона (см. выражение (3.4)). В каждой точке канала существует свой потенциал, поэтому, чтобы найти общий ток необходимо просуммировать (проинтегрировать) все области сопротивления канала, где потенциал меняется от 0 до uСИ, ОТС. После решения соответствующих уравнений3 получим, что для линейной (омической) области при 0 < uСИ < ( UЗИ, ОТС uЗИ ) ток управляемого источника может быть аппроксимирован уравнением второго порядка:
(15.1)
здесь - удельная крутизна сток - затворной характеристики. (, где - подвижность носителей в канале, С - удельная ёмкость диэлектрика, W - ширина канала, L - длина канала). Линия начала насыщения при uСИ > ( UЗИ ОТС uЗИ ) определяется квадратичным уравнением:
(15.2)
Динамическая крутизна определяется как
(15.3)
б) Упрощенная линейная модель.
Если рабочая точка выбрана на линейном участке сток - затворной характеристики и мгновенные значения токов и напряжений не выходят за пределы этого линейного участка, то можно использовать упрощенную модель в виде управляемого источника тока, управляемого напряжением, с постоянными параметрами. Учитывая, что входной ток транзистора с общим истоком равен нулю, модель обычно представляют только для выходной цепи. Такая модели показана на рис.15.8.

Выходное напряжение транзистора равно
uСИ = - SRiUЗИ = -µuЗИ
При подключении нагрузки RН к транзистору, выходное напряжение определяется не внутренним сопротивлением транзистора, а параллельным соединением Rвых = Ri || RH. Таким образом, коэффициент передачи нагруженного транзистора с ОИ равен
(15.4)
Типовые значения основных параметров современных транзисторов при работе в усилительном режиме следующие: S = 0,3...3 мА/В, Ri составляет несколько мегом.
Транзисторы с управляющим pn переходом обладают наиболее низким среди полупроводниковых приборов уровнем шума в диапазоне частот от долей герц до сотен мегагерц, их входное сопротивление составляет 106 ... 109 Ом. Входное сопротивление транзисторов с изолированным затвором еще выше и составляет 106 ...1015 Ом.
Классификация полевых транзисторов такая же, как и у биполярных транзисторов. Второй элемент буквенно-цифрового кода имеет букву П.
15.4 Двухзатворные транзисторы
Для улучшения шумовых свойств транзистора применяют двухзатворные полевые транзисторы с управляемым pn переходом, показанные на рисунке 15.9. В этом случае площадь управляемого затвора (G2) меньше и соответственно меньше паразитные токи и, соответственно, шумы.

15.4.1. Ячейки памяти
Ячейки памяти (или ячейки ФЛЭШ flash memory4) это элементы современных быстродействующих программируемых ППЗУ с электрической записью и стиранием информации. На рис.15.10 показана такая ячейка, основанная на принципе полевого транзистора с изолированным затвором и индуцированным каналом.

В отличие от обычного МОП - транзистора в ячейке памяти имеется еще один, изолированный от первого, затвор, называемый «плавающим». Слои с проводимостью n+ (исток и сток) имеют повышенную концентрацию электронов. Плавающий затвор гальванически не связан с электродами. Его потенциал может изменяться только при изменении заряда на нем. При записи информации ( UЗИ > UЗИ, ПОР ) электроны из истока благодаря туннельному эффекту перебираются на плавающий затвор (слой изолирующего окисла кремния составляет всего лишь 10- 6 нм ).
Накопленный отрицательный заряд увеличивает пороговое напряжение UЗИ, ПОР , при этом выходной ток стока равен нулю. Поэтому в будущем при обращении к ячейке транзистор будет восприниматься как выключенный. При стирании информации ( UЗИ < UЗИ, ПОР ) электроны уходят с плавающего затвора в область истока.
Транзистор без заряда на плавающем затворе при считывании воспринимается как включенный. Длительность цикла считывания меньше 9 нс. Состояние ячейки сохраняется более 10 лет.
Такие ячейки памяти являются энергосберегающими, так как информация не стирается при отключении питания.
1 Первое правило Кирхгофа (правило токов Кирхгофа) гласит, что алгебраическая сумма токов в каждом узле любой цепи равна нулю.
2 Первое правило Кирхгофа гласит, что алгебраическая сумма токов в каждом узле любой цепи равна нулю.
Второе правило Кирхгофа (правило напряжений Кирхгофа) гласит, что алгебраическая сумма падений напряжений на всех ветвях, принадлежащих любому замкнутому контуру цепи, равна алгебраической сумме ЭДС ветвей этого контура. Если в контуре нет источников ЭДС (идеализированных генераторов напряжения), то суммарное падение напряжений равно нулю:
3 С Зи Физика полупроводниковых приборов Т2, глава 8
4 Электрически перепрограммируемое постоянное запоминающее устройство ЭППЗУ
Физические малосигнальные модели биполярных транзисторов