Двухполупериодные выпрямители
Введение
Выпрямитель - это механическое, электровакуумное, полупроводниковое или другое устройство, предназначенное для преобразования переменного входного электрического тока в постоянный выходной электрический ток. Большинство выпрямителей создаёт не постоянное напряжение и ток, а пульсирующее однонаправленное напряжение и ток, для сглаживания пульсаций которого применяют фильтры.
Из распространенных схем неуправляемых выпрямителей (однополупериодных, двухполупериодных и мостовых) наиболее эффективны двухполупериодные. Сравнение основных их видов - со средней точкой и с удвоителем тока - показывает, что хотя оба выпрямителя имеют одинаковые динамические характеристики, удвоитель больше подходит для использования в области больших токов, так как в нем меньше соединений и потерь на вторичной стороне, а отсутствие средней точки дает возможность выбрать нечетное число витков.
Двухполупериодные выпрямители это выпрямители, в которых ток через нагрузку будет протекать в одном и том же направлении за оба полупериода.
Двухполупериодные выпрямители могут строятся по мостовой или полумостовой схеме (когда, например, в случае выпрямления однофазного тока, используется специальный трансформатор с выводом от средней точки вторичной обмотки и вдвое меньшим количеством выпрямляющих ток элементов). Такая схема ныне применяется редко, так как более металлоёмка и имеет большее эквивалентное активное внутреннее сопротивление, то есть большие потери на нагрев обмоток трансформатора. При построении двухполупериодного выпрямителя со сглаживающим конденсатором следует всегда помнить, что переменное напряжение всегда измеряется в «действующем» значении, которое в 1,41 раза меньше его максимальной амплитуды, а выпрямленное напряжение на конденсаторе, в отсутствии нагрузки, будет всегда равно амплитудному. Это означает, что, например, при измеренном напряжении однофазного переменного тока 12 вольт до мостового однофазного выпрямителя со сглаживающим конденсатором, на конденсаторе, (в отсутствии нагрузки), будет напряжение до 17 вольт. Под нагрузкой выпрямленное напряжение будет ниже, (но не ниже величины действующего напряжения переменного тока, если внутреннее сопротивление трансформатора - источника переменного тока - принять равным нулю) и зависеть от ёмкости сглаживающего конденсатора.
Выпрямители широко используются в схемах питания различных радиоэлектронных устройств. С помощью выпрямителей возможно преобразование постоянного тока одного напряжения в постоянный ток другого напряжения, что позволяет создать схемы питания с различными напряжениями при наличии одного источника энергии.
- Литературный обзор двухполупериодных выпрямителей
Двухполупериодные схемы служат основой построения большинства источников питания, используемых в самых различных областях техники. Эти источники обеспечивают постоянным напряжением питания электромашинные приводы механизмов, технологические процессы, электронные устройства. Знание свойств источников питания необходимо инженеру для грамотной их эксплуатации.
Рассмотрим несколько схем двухполупериодных выпрямителей.
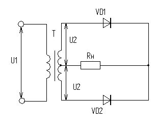
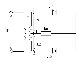
- Схема однофазного двухполупериодного выпрямителя с выводом от средней точки представлена на рисунке 1.

Рисунок 1 - Схема однофазного двухполупериодного выпрямителя с выводом от средней точки.
Достоинствами данной схемы является то, что она имеет лучший коэффициент использования вентилей по току, меньшую расчётную мощность трансформатора, меньший коэффициент пульсации выпрямленного напряжения.
К недостаткам схемы следует отнести: плохое использование вентилей по напряжению, высокое обратное напряжение, прикладываемое к выпрямительным диодам, усложнённая конструкция трансформатора.
- Схема однофазного двухполупериодного мостового выпрямителя представлена на рисунке 2.
Рисунок 2 - Схема однофазного двухполупериодного мостового выпрямителя.
Главным достоинством мостовой схемы являются: лучший коэффициент использования вентилей по напряжению, меньшая расчётная мощность трансформатора, благодаря этому мостовая схема широко применяется в установках малой и средней мощности, а также простота конструкции трансформатора.
Недостатками мостовой схемы являются: требуется строгая симметрия напряжений на обмотках, две обмотки вместо одной, большое обратное напряжение на диодах, удвоенное количество диодов по сравнению с выпрямителем со средней точкой. Однако суммарное сопротивление постоянному току двух диодов и обмотки мостового выпрямителя чаще оказывается меньше сопротивления одного диода и обмотки выпрямителя со средней точкой.
- Схема двухполупериодного выпрямителя с удвоением напряжения представлена на рисунке 3.

Рисунок 3 - Схема двухполупериодного выпрямителя с удвоением напряжения.
Данную схему используют, когда трудно намотать многовитковую вторичную обмотку, или когда обмотка имеющегося трансформатора дает недостаточное напряжение. Схема удвоения (как и однополупериодного выпрямителя) имеет круто падающую нагрузочную характеристику. Кроме того, при пробое одного из диодов переменное напряжение оказывается приложенным к электролитическому конденсатору, что обычно приводит к его взрыву. Достоинством схемы является то, что конденсаторы несколько сглаживают пульсации выпрямленного тока. Недостатком является то, что данную схему нельзя применять для получения выпрямленного напряжения свыше 200-300 В, так как возможен пробой изоляции в кенотроне между катодами и нитью накала.
4) Схема двухполупериодного выпрямителя с умножением напряжения представлена на рисунке 4.

Рисунок 4 - Схема двухполупериодного выпрямителя с умножением напряжения.
Достоинством приведенной схемы является возможность получения высоких напряжений без высоковольтного трансформатора. Кроме того, конденсаторы должны иметь рабочее напряжение лишь 2Ет независимо от того, в какое число раз умножается напряжение, и каждый вентиль работает при максимальном обратном напряжении, равном только 2Ет. Если вентили имеют катод, требующий накала (например, кенотроны), то для каждого из них нужна отдельная обмотка накала. Удобнее применять в подобных схемах полупроводниковые вентили.
Недостатком данной схемы является то, что при включении нагрузочного сопротивления конденсаторы будут разряжаться, и напряжение на них понизится. Чем меньше сопротивление нагрузки, тем быстрее разряжаются конденсаторы и тем ниже становится напряжение на них. Поэтому при недостаточно больших сопротивлениях нагрузки использование подобных схем становится нерациональным.
В соответствии с курсовыми данными, в наибольшей мере схема однофазного двухполупериодного выпрямителя с выводом от средней точки соответствует заданным условиям, поэтому в дальнейшем будем опираться на данную схему.
- Разработка структурной схемы двухполупериодного выпрямителя с выводом от средней точки
Электрическая структурная схема двухполупериодного выпрямителя с выводом от средней точки представлена на рисунке 5.
ИПрН - источник переменного напряжения,
Т - трансформатор,
Н - активная нагрузка,
АЭ - активные элементы VD1 и VD2.
Рисунок 5 - Структурная схема двухполупериодного выпрямителя с выводом от средней точки
При включении сетевого напряжения (блок 1) на каждой половине вторичной обмотки трансформатора возникает напряжение. Трансформатор (блок 2) требуется для повышения или понижения вторичного напряжения при заданном первичном. Соотношение чисел витков вторичной и первичной обмоток трансформатора определяется величиной постоянного напряжения на выходе выпрямителя.
Вторичные обмотки трансформатора подключены к активным элементам диодам - VD1 и VD2 (блок 3). Диодом называют нелинейный элемент, обладающий весьма малым сопротивлением протеканию тока в прямом направлении по сравнению с обратным.
Ток проходит через один из диодов, затем через активную нагрузку (блок 4) и снова попадает на трансформатор. Активная нагрузка - это полезная мощность, отбираемая любой нагрузкой из электросети и преобразуемая в дальнейшем в любой вид энергии (механическую, тепловую, электрическую и т.п.).
В следующий полупериод полярность на концах обмотки меняется на обратную, и ток проходит через второй диод. Таким образом, переменный ток преобразуется в постоянный.
- Выбор принципиальной схемы двухполупериодного выпрямителя с выводом от средней точки
Электрическая принципиальная схема двухполупериодного выпрямителя с выводом от средней точки представлена на рисунке 6.
Рисунок 6 - Принципиальная схема двухполупериодного выпрямителя с выводом от средней точки
При включении сетевого напряжения U1 на каждой половине вторичной обмотки трансформатора возникает напряжение U2. В первый полупериод (в интервале времени от 0 до Т/2), когда потенциал точки 1 является положительным относительно точки 0, ток I21 проходит через диод VD1, нагрузку Rн и возвращается к точке 1, через половину вторичной обмотки.
В следующий полупериод полярность на концах обмотки меняется на обратную; диод VD1 закрывается, а диод VD2 открывается. С этого момента проводящим становится диод VD2 и через него начинает протекать ток I22; пройдя через нагрузку, он замыкается через вторую половину вторичной обмотки. Таким образом, через сопротивление нагрузки Rн поочерёдно проходят в одном и том же направлении токи I21 и I22. Эти токи будут одинаковыми, если схема симметрична. Так переменный ток преобразуется в постоянный.
Напряжения U21-0 и U20-2, измеренные на концах 1 и 2 вторичной обмотки трансформатора относительно средней точки 0, являются противофазными.
- Расчёт двухполупериодного выпрямителя с выводом от средней точки
- Исходные данные
- При расчёте схемы заданными являются величины:
- выпрямленное напряжение на входе фильтра Uн=27В;
- выпрямленный ток Iн=0,5А;
- мощность нагрузки Рн=13,5Вт;
- напряжение сети Uc=220В;
- частота сети f=50Гц
- коэффициент пульсации Кп=0,1
- Схема двухполупериодного выпрямителя с выводом от средней точки представлена на рисунке 7.

Рисунок 7 - Схема двухполупериодного выпрямителя с выводом от средней точки.
- Особенности расчёта схемы
- Выбор типа диодов.
Определяем обратное напряжение:

Средний ток равен:

Выбираем диод типа КД205Е ГОСТ 94342-69 с
- Расчёт трансформатора.
Определяем сопротивление трансформатора:

Напряжение на вторичной обмотке трансформатора равно:

Токи соответственно равны:


Вычисляем габаритную мощность трансформатора, которая для двухполупериодной схемы определяется выражением:

и находим произведение площади сечения сердечника трансформатора Qc на площадь окна сердечника Qо, которое в зависимости от марки провода обмотки равно:
для провода марки ПЭЛ;
для провода марки ПЭШО;
для провода марки ПШД.
Выбираем для нашего примера провод марки ПЭЛ. При этом получаем

Из таблицы «Основные данные типовых Ш-образных пластин трансформатора», по значению QcQо выбираем для сердечника трансформатора пластины типа Ш25 с Qо=15см2, шириной среднего стержня сердечника a=2,5 см, высотой окна h =2,5см и шириной окна b =2,5 см. При этом получаем:

Необходимая толщина пакета пластин будет равна:

Отношение 
Определяем число витков и толщину провода d первичной и вторичной обмоток трансформатора:




4.2.3 Расчёт сопротивления нагрузки (Rн).
Определяем напряжение нагрузки:

Рассчитываем сопротивление нагрузки:

Выбираем резистор нагрузки типа ПЭВ-100 56 регулируемый до 56 Ом
ГОСТ 7113-77
Заключение
Двухполупериодный выпрямитель может строиться по мостовой или полумостовой схеме, в случае выпрямления однофазного тока, используется специальный трансформатор с выводом от средней точки вторичной обмотки и вдвое меньшим количеством выпрямляющих ток элементов. Такая схема ныне применяется редко, так как более металлоёмка и имеет большее эквивалентное активное внутреннее сопротивление, то есть большие потери на нагрев обмоток трансформатора. При построении двухполупериодного выпрямителя со сглаживающим конденсатором следует всегда помнить, что переменное напряжение всегда измеряется в «действующем» значении, которое в 1,41 раза меньше его максимальной амплитуды, а выпрямленное напряжение на конденсаторе, в отсутствии нагрузки, будет всегда равно амплитудному. Это означает, что, при измеренном напряжении однофазного переменного тока 12 вольт до мостового однофазного выпрямителя со сглаживающим конденсатором, на конденсаторе, в отсутствии нагрузки, будет напряжение до 17 вольт. Под нагрузкой выпрямленное напряжение будет ниже, но не ниже величины действующего напряжения переменного тока, если внутреннее сопротивление трансформатора - источника переменного тока - принять равным нулю и зависеть от ёмкости сглаживающего конденсатора.
Выбор величины переменного напряжения вторичной обмотки трансформатора, должен строиться исходя из максимальной допустимой величины подаваемого напряжения, а ёмкость сглаживающего конденсатора - должна быть достаточно большой, чтобы напряжение под нагрузкой не снизилось меньше минимально допустимого. На практике также учитывается неизбежное падение напряжения под нагрузкой - на сопротивлении проводов, обмотке трансформатора, диодах выпрямительного моста, а также возможное отклонение от номинального величины питающего трансформатор напряжения электрической сети.
Литература
- Руденкова В. И. Основные узлы радиоэлектронной аппаратуры. Методика расчёта: Минск, 2008.
- Ломов И. А., Сапожников Б. И. Выпрямители на полупроводниковых диодах: МГТУ им. Н.Э. Баумана, 1993.
- Галкин В.И. Промышленная электроника: Высшая школа, 1989.
- Красько А.С., Скачко К.Г Промышленная электроника: Высшая школа, 1984.
- Напалков А.Я. Промышленная электроника: Минск, 1972.
- Москатов Е.А. Справочник по полупроводниковым приборам: Таганрог, 2008.
- Забродин Ю.С. Промышленная электроника: Высшая школа, 1992.
- Гершунский Б.С. Расчёт электронных схем: Высшая школа, 1994.
- Изъюрова Г.И. Расчёт электронных схем. Примеры и задачи: Высшая школа, 1987.
- Степаненко И.П. Основы микроэлектроники: Лаборатория базовых знаний, 2001.
- Кастров М.И. Электроника: наука, технология, бизнес: Электроника, 2004.
Нормативная документация
ГОСТ 2.301-68 ЕСКД. Форматы.
ГОСТ 2.730-73 ЕСКД. Обозначения условные графические в схемах.
СТП 7-02 Общие правила оформления дипломных, курсовых, практических работ.
ГОСТ 2.730-73 ЕСКД. Обозначения условные графические в схемах. Приборы полупроводниковые.
ГОСТ 2.747-68* ЕСКД. Обозначения условные графические в схемах. Размеры условных графических обозначений.
ГОСТ 2.004-88 ЕСКД. Общие требования к выполнению конструкторских и технологических документов на печатающих и графических установках вывода ЭВМ.
ГОСТ 19.404-79 Пояснительная записка. Требования к содержанию и оформлению.
ГОСТ 2.302-68 ЕСКД. Масштабы.
ГОСТ 2.102-68* ЕСКД. Виды и комплектность конструкторских документов.
ИПрН
Н
АЭ
(VD1, VD2)
Двухполупериодные выпрямители