Проектирование усилителей переменного тока
Введение
Значительный прогресс в развитии многих областей науки и техники обусловлен развитием электроники. В настоящее время невозможно найти какую-либо отрасль промышленности, в которой не использовались бы электронные приборы или электронные устройства измерительной техники, автоматики и вычислительной техники. Причем тенденция развития такова, что доля электронных информационных устройств и устройств автоматики непрерывно увеличивается. Это является результатом развития интегральной технологии, внедрение которой позволило наладить массовый выпуск дешевых, высококачественных микроэлектронных функциональных узлов различного назначения.
В настоящее время промышленность выпускает все электронные функциональные узлы, необходимые для создания устройств измерительной и вычислительной техники: интегральные усилители, коммутаторы, логические элементы, цифровые устройства и так далее. Типовые электронные узлы позволяют собрать нужный электронный блок без детального расчета отдельных каскадов.
Настоящая работа посвящена проектированию избирательного RC усилителя на базе операционного усилителя (ОУ). Использование интегральных ОУ позволяет значительно упростить схемотехнику усилителей переменного тока.
Современный ОУ представляет собой усилитель напряжения постоянного тока, имеющий в частотном диапазоне от нуля до нескольких сотен килогерц коэффициент усиления несколько десятков тысяч, с непосредственной связью между каскадами (без разделительных конденсаторов), высоким входным (несколько мегаом) и малым выходным (несколько десятков ом) сопротивлениями, с низким уровнем шума при хорошей температурной стабильности, способный устойчиво работать при замкнутой цепи обратной связи.
1 Обзор литературы по усилителям мощности
Проектирование усилителей переменного тока начинается с составления структурной схемы. Типовая структурная схема усилителя приведена на рисунке 1 [4].
Рисунок 1 Структурная схема усилителя переменного тока
В состав усилителя входят следующие элементы: сумматор, осуществляющий сравнение входного напряжения усилителя Uвх с сигналом отрицательной обратной связи, охватывающей усилитель UООС; предварительный усилитель, обеспечивающий усиление сигнала рассогласования Uвх и защиту усилителя от перенапряжений. Усилитель мощности обеспечивает передачу необходимой мощности в нагрузку и защиту усилителя от перегрузок по току. Цепь отрицательной обратной связи, охватывающая усилитель в целом, обеспечивает заданную точность и стабильность характеристик усилителя.
Требования технического задания по максимальным значениям напряжения и тока нагрузки допускают применение транзисторов в качестве мощных усилительных элементов. Применение для этой цели тиристоров в данном случае нецелесообразно, поскольку приведет к существенному усложнению предварительного усилителя из-за необходимости формирования специальных управляющих сигналов.
Транзисторы и способы их включения, схему каскада и режим работы выбирают в основном из условий обеспечения заданной мощности и высокого коэффициента полезного действия при допустимых линейных и частотных искажениях. При выборе предварительной схемы усилителя необходимо принимать во внимание то, что оконечные каскады могут быть собраны по однотактной и двухтактной схеме.
Однотактная схема позволяет сэкономить один транзистор и получить достаточно малый коэффициент гармоник 27%, однако она работает только в классе А и теоретически не может дать коэффициент полезного действия выше 50%. При этом нужно учитывать, что при отсутствии входного сигнала такой усилитель потребляет большую энергию. Для уменьшения потерь энергии, иногда применяют специальные меры: рабочую точку выбирают на нижнем участке входных характеристик, обеспечивая этим малое потребление энергии от источника питания в отсутствии входного сигнала. При наличии входного сигнала и с ростом его рабочая точка автоматически перемещается по динамической характеристике, так что потребляемая от источника питания энергия изменяется пропорционально выходной мощности. У подобных каскадов среднее значение коэффициента полезного действия несколько больше, чем у обычных усилителей класса А с неизменной постоянной составляющей тока коллектора [6].
Для обеспечения наибольшего значения коэффициента полезного действия усилительные элементы должны работать в классах AB, B или D. Двухтактная схема, работающая в классе В, теоретически может обеспечить коэффициент полезного действия до 78%, при этом минимальный коэффициент гармоник равен 610% [1].
Двухтактный каскад в режиме АВ обеспечивает меньшие нелинейные искажения, чем в классе В, но имеет меньший коэффициент полезного действия.
Управляющие устройства усилителя класса D существенно сложнее предварительных каскадов линейного усилителя. Поэтому в качестве основного варианта будем рассматривать режим работы усилителя класса B. Для обеспечения малых линейных и частотных искажений транзисторы в плечах двухтактного усилителя необходимо подбирать так, чтобы они составляли комплиментарные пары или, в крайнем случае, их граничные частоты и коэффициенты усиления отличались не более чем на 20%.
В оконечных каскадах транзисторы могут быть включены любым из трех известных способов. Схема с общей базой позволяет получить наименьшие нелинейные искажения, но сравнительно малое усиление по мощности. Параметры каскадов в этом случае мало зависят от температуры окружающей среды и замены транзисторов, поэтому в двухтактных схемах при включении транзисторов с общей базой коэффициенты усиления транзисторов могут отличаться до 30%.
Схема с общим эмиттером обеспечивает наибольшее усиление, но зато вносит сравнительно большие нелинейные искажения.
Схема с общим коллектором обеспечивает примерно такое же усиление, как схема с общей базой, и несколько меньшие нелинейные искажения, чем схема с общим эмиттером. Входное сопротивление каскада оказывается самым высоким. Параметры каскада в этом случае зависят от изменения температуры окружающей среды и замены транзисторов [13].
Межкаскадные связи проектируемого усилителя медленных сигналов должны быть гальваническими или оптронными. Оптроны имеют достаточно низкий коэффициент передачи, поэтому в разрабатываемом усилителе будут использоваться гальванические межкаскадные связи.
В качестве усилителя целесообразно применять интегральные операционные усилители, обладающие большим коэффициентом усиления, значительным входным и относительно малым выходным сопротивлениями. Поскольку операционные усилители способны отдавать в нагрузку достаточно небольшой ток, как правило, существенно меньший единиц ампера и напряжение 1015 В, то усилитель мощности должен обеспечить согласование операционного усилителя с нагрузкой.
2 Описание электрической схемы проектируемого устройства
При построении усилителя переменного тока на основе операционного усилителя используются два подхода к проектированию подобных устройств. Первый базируется на способе построения многокаскадных усилителей RC-цепями связи. Его суть заключается в замене транзистора интегральным ОУ (рисунок 2). Ввиду его большого собственного усиления такая замена позволяет значительно уменьшить необходимое число каскадов, то есть упростить устройство [6].

Рисунок 2 Схема усилителя переменного тока с RC-цепями связи
В этом случае (как и в исходном транзисторном усилителе) нижняя граница полосы пропускания определяется параметрами цепей связи. Жесткая стабилизация режима покоя требуется только в выходных каскадах усилителя, работающих с сигналами близкими к предельно допустимым. Такая стабилизация обеспечивается введением в ОУ цепей ООС по постоянному току. Дополнительно на эти цепи можно возложить и функции формирования требуемых частотных свойств всего усилителя.
Второй подход основан на использовании для усиления переменного напряжения усилителя постоянного тока (УПТ). В этом случае (как и в предыдущем) нижняя граница полосы пропускания может формироваться входными и выходными RС-цепями связи. В таком усилителе все каскады связаны по постоянному току. Поэтому обеспечение стабильности режима покоя выходных каскадов требует введения в усилитель общей цепи ООС по постоянному току (рис. 3). Если эту связь выполнить частотно-зависимой, то она может формировать требуемый вид частотной характеристики устройства в области как низких, так и высоких частот. Это позволяет отказаться от входных и выходных RС цепей, что, как правило, положительно сказывается на свойствах усилителя. Например, если выходное сопротивление источника входного сигнала усилителя носит индуктивный характер, наличие разделительного конденсатора Ср может привести к появлению значительных частотных искажений, обусловленных резонансными явлениями во входной цепи устройства [6].

Рисунок 3 Схема усилителя переменного тока на основе усилителя
постоянного тока
Использование на входе ОУ разделительного конденсатора предполагает обязательную постановку корректирующего резистора Rкор. При его отсутствии входные токи ОУ заряжают разделительный конденсатор Ср. Это напряжение воспринимается УПТ как полезный сигнал, что изменяет режим покоя выходного каскада. Последнее уменьшает предельно допустимую амплитуду выходного напряжения и увеличивает его искажения. В предельном случае усилитель может оказаться полностью неработоспособным.
Однако введение Rкор уменьшает входное сопротивление и, следовательно, коэффициент передачи входной цепи усилителя. Поэтому при заданной амплитуде выходного напряжения необходимо повышать коэффициент усиления устройства, то есть усложнять его схему. К тому же, включение в цепь ООС частотно-зависимых цепей позволяет получить результирующие постоянные времени, которые существенно больше исходных.
Из сказанного следует, что второй способ построения является более предпочтительным, так как позволяет свести к минимуму необходимое количество плохо поддающихся миниатюризации реактивных элементов, а это приводит к снижению массы и объем усилителя.
При построении усилителей переменного тока нет необходимости в использовании для питания ОУ двухполярного источника напряжения. Обычно используется один источник питания с напряжением, равным, сумме напряжений двух источников.
В усилителе переменного тока возмущения, влияющие на режим покоя, и полезный сигнал лежат в различных диапазонах частот. Поэтому, используя цепь частотно-зависимой, ООС, можно получить как максимально возможную стабильность режима покоя усилителя, так и большой коэффициент усиления в диапазоне полосы пропускания. Проведенный анализ подтверждает сделанный выше вывод о предпочтительности использования для построения усилителей переменного тока схем УПТ с частотно-зависимыми цепями общей ООС.
На рис. 4 приведена схема проектируемого усилителя. В данной схеме входной сигнал подается непосредственно на неинвертирующий вход ОУ, а формирование требуемой ЛАЧХ выполняется сложной цепью коррекции на элементах Rос, R2, С1, С2.
При частотах, близких к нулевым, конденсатор С2 разрывает связь инвертирующего входа ОУ с общей шиной, что при условии Rвх оу эквивалентно (bоос=1, то есть 100%-ной ООС. С увеличением частоты входного сигнала сопротивление конденсатоpa C2 падает, что уменьшает коэффициент передачи цели ООС. Суммарный коэффициент передачи усилителя при этом растет. Емкости конденсаторов C1 и С2 выбираются так, что в диапазоне полосы пропускания можно считать Z(С1)=0, Z(С2). Тогда коэффициент усиления имеет максимально возможную величину. При дальнейшем увеличении частоты сигнала выше верхней частоты полосы пропускания происходит снижение коэффициента передачи усилителя.

Рисунок 4 Схема усилителя переменного тока
с частотно-зависимой цепью ОС
Усилитель построен по двухтактной схеме с бестрансформаторным оконечным каскадом на полевых транзисторах, работающих в режиме В. Поскольку транзисторы открыты поочередно, то для обеспечения симметричности выходного напряжения они имеют идентичные характеристики. Каскады, в которых используются транзисторы с различным типом электропроводности (p-n-р и п-р-п) называются каскадами с дополнительной симметрией, а сами транзисторы комплементарной парой.
В оконечном каскаде оба транзистора включены по схеме ОС. В статическом режиме ток в нагрузке отсутствует, так как небольшие начальные токи, протекающие через транзисторы V3 и V4 взаимно вычитаются. Начальное смещение на базах транзисторов задается с помощью делителя R5, R6, V1, V2, причем собственно напряжение смещения создается на последовательно включенных диодах V1, V2.
Температурная стабилизация тока покоя осуществляется с помощью диодов V1, V2. Принцип термостабилизации основан на том, что с ростом температуры ток диода возрастает, а падение напряжения на нем уменьшается. Для более точного отслеживания колебаний температуры диоды необходимо располагать в непосредственной близости от транзисторов, а лучше всего на их радиаторах. Кроме того, диоды должны быть изготовлены из того же материала, что и транзисторы, а их число равно количеству транзисторов оконечного каскада (в данной схеме используется два).
3 Описание схемы вторичного источника питания
Источник электропитания является неотъемлемой частью любого электронного устройства. Правильный выбор и оптимизация параметров, проектирование источника питания с учетом специфики его работы в значительной мере определяют эффективность и экономичность устройства в целом.
Современные источники электропитания отличаются многообразием решений структурных, функциональных и принципиальных схем, что объясняется многообразием требований, предъявляемым к ним. Тем не менее, любой источник электропитания представляет собой совокупность нескольких функциональных узлов, выполняющих различные виды преобразования электрической энергии.
Структурная схема проектируемого усилителя приведена на рисунке 5. В ее состав входят трансформатор питания, выпрямитель, сглаживающий фильтр и стабилизатор напряжения [1].
Рисунок 5 Структурная схема вторичного источника питания
Выпрямитель преобразует напряжение переменного тока в однополярное пульсирующее напряжение и состоит из одного или нескольких нелинейных элементов с односторонней проводимостью. Фильтр источника питания представляет собой частотнозависимый четырехполюсник. Трансформатор преобразует напряжение переменного тока одного уровня в одно напряжений другого уровня, кроме того, трансформатор обеспечивает гальваническую развязку (разрыв цепи по постоянному току) функциональных узлов источников питания. Стабилизатор напряжения поддерживает на своем выходе уровень напряжения постоянного тока в заданных пределах при изменениях входного напряжения и воздействии различных внешних возмущающих факторов.
Рассмотрим подробнее работу основных составных частей схемы источника вторичного электропитания.
Выпрямитель в большинстве случаев состоит из трансформатора питания, изменяющего напряжение, комплекта вентилей выпрямляющих переменное напряжение и сглаживающего фильтра. Сопротивление вентиля в прямом направлении в сотни раз меньше, чем в обратном. В настоящее время в основном используются полупроводниковые вентили. На рисунке 6 изображена однофазная мостовая схема выпрямителя.

Рисунок 6 Однофазная мостовая схема выпрямителя
Сглаживающие фильтры включают между выпрямителем и нагрузкой для уменьшения пульсаций (переменной составляющей) выпрямленного напряжения. Наиболее часто используются фильтры, состоящие из резистора и конденсатора. На рисуноке 7 представлена схема сглаживающего фильтра.

Рисунок 7 Схем сглаживающего фильтра
Стабилизаторы напряжения имеют следующие параметры:
- коэффициент нестабильности по напряжению;
- коэффициент нестабильности по току;
- коэффициент стабилизации напряжения;
- выходное сопротивление стабилитрона;
- коэффициент полезного действия;
- коэффициент сглаживания пульсаций.
Во вторичных источниках питания используются параметрические и компенсационные стабилизаторы напряжения.
Наиболее простыми стабилизаторами напряжения являются параметрические стабилизаторы напряжения. Они характеризуются сравнительно невысокими коэффициентами стабилизации, большим выходным сопротивлением, низким КПД. В таких стабилизаторах невозможно получить точное значение выходного напряжения и регулировать его. На рисунке 8 изображена схема параметрического стабилизатора напряжения.

Рисунок 8 Схема параметрического стабилизатора напряжения
Таким образом, схема вторичного источника питания будет иметь вид (рисунок 9).

Рисунок 9 Схема источника вторичного электропитания
4 Выбор и расчет элементов схемы электронного устройства и источника питания
Исходные данные для проектирования:
- избирательный RC-усилитель;
- Uист.д.<=15мВ;
- Rист=30 Ом;
- Rн=50 Ом;
- Uвых>=12 В;
- F=100кГц+5%-5%;
- элементная база ОУ, ПТ;
- выходной каскад класса B.
Произведем расчет избирательного RC усилителя на основе ОУ.
1. Принимаем напряжение питания усилителя 15 В.
2. Рассчитываем выходную цепь транзисторов оконечного каскада. Находим максимальное напряжение сток-исток, учитывая, что транзисторы работают в противофазе Uси max22E, Uси max22·15=30В.
3. Вычисляем амплитуду выходного тока, задаваясь величиной коэффициента =0,85
IсА2= E/Rн=0,85·15/50=0,255 A.
4. Определяем максимальную мощность, рассеиваемую стоком транзистора
Рс.р =E/10Rн=225/10·50=0,45 Вт.
5. Полагая, что в двухтактном каскаде IсА2= Iс max, выбираем комплеметарную пару полевых транзисторов V3 и V4 по Рс max, Iс max, Uсэ max, h21э, fгр. В качестве V3 выбираем транзистор КП103М, в качестве V4 КП303Д.
6. Выбираем резисторы R7 и R8:
R7= R8=0,05Rн=0,05·50=2,5 Ом.
7. Оцениваем мощность рассеивания этими резисторами по среднему току коллектора и окончательно выбираем тип и номинал
РR7, R8 = Ікср 2 · R = (0,255/3,14) 2 ·2,5=0,016 Вт.
R7 С2 33Н 0,125 2,7 Ом ± 10%.
R8 С2 33Н 0,125 2,7 Ом ± 10%.
8. На семействе выходных характеристик транзистора строим динамическую линию нагрузки ЛН. Строим треугольник полезной мощности и оцениваем возможность получения заданной мощности в нагрузке (рисунок 10).
Определяем амплитуду выходного напряжения по формуле
.
Рн=4·Рк.р =4·0,45= 1,8 Вт.
В.

Рисунок 10 Выходные характеристики транзисторов V3 и V4
9. Параметры режима покоя: Iзп2=4 мА, Iсп2=0,4 А, Uсп2=13,4 В, Uзп2=0,8В.
10. Задаемся током делителя Iд и вычисляем сопротивления резисторов R5 и R6.
Iд=(5…10)· Iзп2=(5…10)·0,004= 0,04 А.
R5=R6=Е/ Iд=15/0,04= 375 Ом.
11. Выбираем ближайшее номинальное значение сопротивления резисторов и рассчитываем рассеиваемую ими мощность.
РR5, R6 = 0,04 2 ·360 = 0,57 Вт.
R5 С2 33Н 1 360 Ом ± 10%.
R6 С2 33Н 1 360 Ом ± 10%.
12. Используя величины Iд и Uзп выбираем диоды КД503А, обеспечивающие необходимое напряжение смещения на базах транзисторов оконечного каскада.
Вычисляем входное сопротивление оконечного каскада по формуле
Rвх2 =(h21э+1) Rн=(25+1)50=1300 Ом.
13. Выберем тип ОУ, позволяющий реализовать заданные условия. При выборе необходимо учитывать выполнение неравенства:
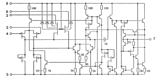
Выбираем ОУ типа К140УД22 (рисунок 11) с характеристиками, приведенными в таблице.
|
Параметр |
Значение |
|
Напряжение питания |
± 15 В ± 10% |
|
Максимальное выходное напряжение |
± 12,0 В |
|
Напряжение смещения нуля |
не более 10 мВ |
|
Входной ток |
не более 0,2 нА |
|
Ток потребления |
не более 10 мА |
|
Разность входных токов |
не более 0,05 нА |
|
Коэффициент усиления напряжения |
не менее 50000 |
|
Коэффициент ослабления синфазных входных напряжений |
не менее 80 дБ |
|
Синфазное входное напряжение |
не менее ± 10 В |

Рисунок 11 Электрическая схема 140УД22
14. Найдем значения элементов цепи. Пусть , тогда
.
Принимаем .
Принимаем
15. Уточним реальную полосу пропускания и усиление усилителя
16. Уточним выбор усилителя:
Следовательно, выбранный тип ОУ обеспечивает получение требуемых параметров усилителя.
17. Определим изменение приведенного напряжения дрейфа усилителя. При этом будем считать, что в исходном состоянии дрейфовые составляющие скомпенсированы.
18. Напряжение для получения в режиме покоя выходного напряжения, составляет 15 В. Тогда
19. Типовое значение определяется параметрами выходных транзисторов ОУ. Будем полагать, что в рассматриваемом случае .
20. Для выбранного усилителя и .
21. Относительное изменение выходного напряжения усилителя
22. Абсолютное изменение выходного напряжения
Приведенные расчеты показали, что дрейф режима покоя усилителя практически полностью определяется дрейфом напряжения входного смещения усилителя. Поэтому для уменьшения этой составляющей цепи входного смещения желательно питать стабильным напряжением.
Произведем расчет источника вторичного электропитания.
1. Зададимся коэффициентом стабилизации К = 100.
2. Находим величину минимального напряжения на входе стабилизатора
,
где минимально допустимое напряжение между эмиттером и коллектором регулирующего транзистора, при котором работа еще происходит на линейном участке выходной характеристики;
отклонение напряжения на выходе стабилизатора от номинального.
Напряжение для большинства транзисторов не превышает 1-3В. При расчете можно принимать равным 3 В. Величина напряжения определяется верхним пределом регулировки выходного напряжения, то есть = 0,4 В. Таким образом,
Номинальное и максимальное напряжения на входе стабилизатора с учетом допустимых отклонений входного напряжения (поскольку нестабильность напряжения питающей сети нам не задана, возьмем отклонение = ± 10%, что вполне достаточно для обеспечения заданных показателей качества) соответственно равны
3. Определяем максимальное падение напряжения на участке эмиттер - коллектор регулирующего транзистора
4. Находим максимальную мощность, рассеиваемую на коллекторе регулирующего транзистора
где максимальное значение тока нагрузки. Для нашего случая (при неизменном токе нагрузки) = 0,1 А. Следовательно
5. Выбираем тип регулирующего транзистора.
Выбираем транзистор V5 типа П4БЭ со следующими параметрами: коэффициент усиления по току 20, максимально допустимое напряжение коллектор эмиттер 60B; максимально допустимый ток коллектора 5 A; максимально допустимая мощность, рассеиваемая на коллекторе (без дополнительного теплоотвода), 3 Bт.
6. Выбираем тип согласующего транзистора V6. Транзистор V6 предназначен для согласования большого выходного сопротивления (порядка 10 кОм) усилителя постоянного тока, с малым входным сопротивлением (порядка 10 Ом) регулирующего транзистора V5.
Кроме того, транзисторы V5 и V6, образуя составной транзистор, имеют общий коэффициент усиления по току
где и коэффициенты усиления по току транзисторов V5 и V6. Большой коэффициент усиления по току позволяет значительно повысить коэффициент стабилизации схемы по напряжению.
Выбираем транзистор V6 типа П201А с параметрами: коэффициент усиления по току 40, максимальное напряжение между коллектором и эмиттером 22 В, максимальный ток коллектора 1,5 А, максимально допустимая мощность, рассеиваемая на коллекторе, 1 Вт.
7. Выбираем тип кремниевого стабилитрона. В качестве источника эталонного напряжения обычно используется кремниевый стабилитрон, который должен иметь номинальное напряжение стабилизации, который должен иметь номинальное напряжение стабилизации
По справочнику выбираем стабилитрон типа Д808, у которого
8. Находим коэффициент деления напряжения делителем R4, R5 и R6
9. Определяем величины сопротивлений резисторов и емкостей конденсаторов схемы. Найдем сопротивления выходного делителя. Ток делителя Iд обычно выбирают на один два порядка выше тока базы. Выбирая ток делителя Iд = 5 мА, найдем общее сопротивление делителя
Выходное напряжение стабилизатора можно регулироваться в пределах ± 2 В. Учитывая также, что напряжение стабилизации стабилитрона Д808 может меняться в пределах 7…8,5 В, определим сопротивление нижнего плеча делителя для крайних значений и
.
Величины сопротивлений R5 и R6 равны
;
;
;
.
Полученные значения сопротивлений делителя соответствуют номинальным. Поэтому окончательно принимаем R5 = 1,2 кОм; R6 = 390 Ом; R3 = 1,5 кОм. Сопротивление R4 берется такой величины, чтобы задаваемый им ток через стабилитрон составлял Iст = 5 мА,
По справочнику выбираем резистор с сопротивлением = 1,4 кОм (тип резистора С2-33).
10. Находим коэффициент стабилизации рассчитанного стабилизатора по формуле
Таким образом, коэффициент стабилизации рассчитанного стабилизатора оказался больше требуемого, так как
11. КПД стабилизатора в номинальном режиме находим, по формуле
где I вх = I вых +I ст +I д = 100 + 5 + 5 = 110 мА. Следовательно
12. Определяем емкость конденсатора на входе стабилизатора, обеспечивающего пульсацию выпрямленного тока не более 10%. Для мостовой схемы
,
Выбираем электролитический конденсатор типа ЭТО-2 емкостью 150 мкФ на 25 В.
Выбор трансформатора осуществляется по справочнику, исходя из входных параметров стабилизатора. Выберем трансформатор типа ТПП 237127/22050, со следующими параметрами: номинальный ток вторичной обмотки I2Н=0,1 A; напряжение на вторичной обмотке U2Н=20 B.
Выберем тип вентилей. Обратное напряжение на вентиль для однофазной мостовой схемы составляет
Среднее значение тока вентиля для данной схемы составит
Выбираем диод Д 206, со следующими параметрами:
Заключение
Целью данной работы является проектирование избирательного RC усилителя. В ходе данной работе решены следующие задачи:
- обзор литературы по теме проекта;
- выбор и описание электрической схемы проектируемого устройства;
- выбор и описание схемы вторичного источника питания;
- расчет схемы электронного устройства;
- составление перечня элементов усилителя;
- составление перечня элементов источника питания;
- составление электрических схем.
Разрабатываемое в данной курсовой работе устройство предназначено выполнять функции избирательного усилителя RC типа. Применение высокоточной (прецизионной) элементной базы обеспечивает высокую точность и хорошую стабильность работы схемы. Большое внимание уделено описанию принципа работы схем избирательных усилителей. Разработка подобных усилителей на современной элементной базе является весьма перспективным направлением в электронике.
Список используемых источников
1. Гусев В.Г. Электроника. Учебное пособие для приборостроит. спец. вузов, М.: Высшая школа, 1992. 622 с.
2. Ежов Ю.А. Справочник по схемотехнике усилителей. М.: Радио Софт, 2002. 272 с.
3. Зайцев А.А. Полупроводниковые приборы. Транзисторы малой мощности: Справочник. 2-е изд. / Под ред. А.В. Голомедова. М.: Радио и связь, КУБК-а, 1995. 384 с.
4. Манаев Е.И. Основы радиоэлектроники. М.: Радио и связь, 1990. 512 с.
5. Мощные полупроводниковые приборы. Транзисторы: Cправочник Б.А. Бородин, В.М. Ломакин, В.В. Мокряков и др.; Под. Ред. А.В. Голомедова. М.: Радио и связь, 1985 560 с.
6. Опадчий Ю.Ф., Глудкин О. П., Гуров А.И. Аналоговая и цифровая электроника. М.: Радио и связь, 1996. 768 с.
7. Полупроводниковые приборы: Справочник / Под ред. Н.Н. Горюнова. М.: Энергоатомиздат, 1984.
8. Полупроводниковые приборы: Диоды, тиристоры, оптоэлектронные приборы. Справочник. Под общей ред. Горюнова Н.Н. М.: Энергоатомиздат, 1982. 744с.
9. Полупроводниковые приборы: Транзисторы. Справочник. Под общей ред. Горюнова Н.Н. М.: Энергоатомиздат, 1982. 904 с.
10. Резисторы, конденсаторы, трансформаторы, дроссели, коммутационные устройства РЭА: Справ. Н.Н. Акимов, Е.П. Ващуков, В.А. Прохоренко, Ю. П. Ходоренок Мн.: Беларусь, 1994. 591 с.
11. Справочник по электрическим конденсаторам М. Н. Дьяконов, В. И. Карабанов, В. И. Присняков и др.; под общ. Ред. И.И. Четверткова и В.Ф. Смирнова. М.: Радио и связь, 1983. 576 с.
12. Титце У., Шенк К. Полупроводниковая схемотехника: Справочное руководство. Пер. с нем. М.: Мир, 1982. 512 с.
13. Хоровиц П., Хилл У. Искусство схемотехники: в 3-х томах: Пер. с англ. 4-е изд. пераб. и доп. М.: Мир, 1993.
14. Электронные устройства: Усилители. Генераторы синусоидальных колебаний: Лабораторный практикум. Звягин И.М., Чернышук В.А.; КАИ. Казань, 1992. 108 с.
\
1
V7
Диод Д808 АЖЯР.431145.001 ТУ
1
V6
Транзистор П201А И93.365.001 ТУ
1
V5
Транзистор П4БЭ И93.365.013 ТУ
4
V1… V4
Диод Д 206 АЕЯР.432220.320 ТУ
1
T1
1
Трансформатор ТПП 237127/22050
1
R6
С2-33Н-0,125-390 Ом5%-А-Д-В
1
R5
С2-33Н-0,125-1,2 кОм5%-А-Д-В
1
R4
4
С2-33Н-0,125-1,3 кОм5%-А-Д-В
1
R3
2
С2-33Н-0,125-1,5 кОм5%-А-Д-В
2
R1, R2
2
С2-33Н-0,125-1 кОм5%-А-Д-В
Резисторы ОЖО.467.093 ТУ
1
С2
CP2
К10-69в-Н90-25В3216М-100мкФ+80%-20% АЖЯР.673511.002ТУ
1
С1
С1
К10-69в-Н90-25В3216М-150мкФ+80%-20% АЖЯР.673511.002ТУ
Конденсаторы
Кол.
Примечание
Наименование
SECTIONPAGES \* LOWER 32
Листов
Лит.
Источник вторичного электропитания
Перечень элементов
Утверд.
Н. Контр.
Реценз.
Провер.
Разраб.
Лист
Дата
Подпись
№ докум.
Лист
Изм.
Поз.
обозначение.
1
V4
Транзистор КП303Д И93.365.012 ТУ
1
V3
Транзистор КП103М И93.367.003 ТУ
1
V2
Диод КД503А АЕЯР.432220.620 ТУ
1
V1
Диод КД503А АЕЯР.432220.620 ТУ
1
R9
Резистор С2-33Н-0,25-50 Ом5%-А-Д-В ОЖО.467.093 ТУ
1
R8
Резистор С2-33Н-0,125-2,7 Ом5%-А-Д-В ОЖО.467.093 ТУ
1
R7
Резистор С2-33Н-0,125-2,7 Ом5%-А-Д-В ОЖО.467.093 ТУ
1
R6
Резистор С2-33Н-1 -360 Ом5%-А-Д-В ОЖО.467.093 ТУ
1
R5
Резистор С2-33Н-1 -360 Ом5%-А-Д-В ОЖО.467.093 ТУ
1
R4
Резистор С2-33Н-0,25-1 кОм5%-А-Д-В ОЖО.467.093 ТУ
1
R3
Резистор С2-33Н-0,25-1 кОм5%-А-Д-В ОЖО.467.093 ТУ
1
R2
Резистор С2-33Н-0,5-1,3 Ом5%-А-Д-В ОЖО.467.093 ТУ
1
R1
Резистор С2-33Н-0,5-1 кОм5%-А-Д-В ОЖО.467.093 ТУ
1
DA1
Микросхема 140УД22 бК0.348.095-13ТУ
1
С3
Конденсатор К53-4а-20в-1,5мкФ10%-В ОЖО.460.139 ТУ
1
С2
Конденсатор К53-4а-20в-1,5мкФ10%-В ОЖО.460.139 ТУ
1
С1
Конденсатор К53-4а-20в-1,5нФ10%-В ОЖО.460.139 ТУ
Кол.
Примечание
Наименование
Листов
Лит.
Усилитель RC типа
Перечень элементов
Перечень элементов
Утверд.
Н. Контр.
Реценз.
Провер.
Разраб.
1
Лист
Дата
Подпись
№ докум.
Лист
Изм.
Поз.
обозначение.
Проектирование усилителей переменного тока
