Построение внутренней памяти процессорной системы
КУРСОВАЯ РАБОТА
НА ТЕМУ
Построение внутренней памяти процессорной системы
по дисциплине: «Вычислительная техника»
Построить внутреннюю память процессорной системы, состоящую из ПЗУ и статического ОЗУ.
Разрядность ША 20, ШД 8.
Адреса, покрываемые ПЗУ - 00000-03FFF
Адреса, покрываемые ОЗУ 80000-9FFFF
Емкость микросхемы ПЗУ - 16K*8
Емкость микросхемы ОЗУ - 64K*4
Содержание
Введение……………………………………………………………………4
1 Теоритическая часть
1.1 Общая структура МПС…………………………………………………5
1.2 Подсистема памяти МПС………………………………………………7
1.3 Устройства памяти……………………………………………………...9
1.4 Статические ОЗУ. Принципы построения…………………………...11
1.5 Принцип записи/чтения информации………………………………...13
1.6 Построение пространства памяти заданного объема………………..14
2 Практическая часть
аключение…………………………….……………………………………21
Список литературы…………………………………………………………22
Введение
Информация, циркулирующая в вычислительной системе, хранится в памяти. Основными критериями оценки запоминающего устройства являются показатели емкости, быстродействия и потребляемой мощности.
Компьютерная память обеспечивает поддержку одной из наиважнейшей функций современного компьютера способность длительного хранения информации.
В зависимости от места нахождения в вычислительной системе память подразделяют на внутреннюю (оперативную, сверхоперативную и постоянную) и внешнюю (различные накопители).
В теоретической части данной работы рассмотрена компьютерная память, ее виды и классификации, в практической части осуществлено построение внутренней памяти процессорной системы.
В конце работы сделано заключение и приведен список использованной литературы.
1.1 Общая структура МПС
Микропроцессор (МП) центральная часть любой микропроцессорной системы (МПС) включает в себя арифметико-логическое устройство (АЛУ) и центральное управляющее устройство (ЦУУ), реализующее командный цикл. МП может функционировать только в составе МПС, включающей в себя, кроме МП, память, устройства ввода/вывода, вспомогательные схемы (тактовый генератор, контроллеры прерываний и прямого доступа к памяти (ПДП), шинные формирователи, регистры-защелки и др.
В любой МПС можно выделить следующие основные части (подсистемы):
процессорный модуль;
память;
внешние устройства (внешние ЗУ + устройства ввода/вывода);
подсистему прерываний;
подсистему прямого доступа в память.
Рисунок 1 Структура МПС с интерфейсом "Общая шина"
Связь между процессором и другими устройствами МПС может осуществляться по принципам радиальных связей, общей шины или комбинированным способом. В однопроцессорных МПС, особенно 8- и 16-разрядных, наибольшее распространение получил принцип связи "Общая шина", при котором все устройства подключаются к интерфейсу одинаковым образом (Рисунок 1).
Все сигналы интерфейса делятся на три основные группы данных, адреса и управления. Многочисленные разновидности интерфейсов "Общая шина" обеспечивают передачу по раздельным или мультиплексированным линиям (шинам). Например, интерфейс Microbus, с которым работают большинство 8-разрядных МПС на базе i8080, передает адрес и данные по раздельным шинам, но некоторые управляющие сигналы передаются по шине данных. Интерфейс Q-bus, используемый в микро-ЭВМ фирмы DEC (отечественный аналог микропроцессоры серии К1801) имеет мультиплексированную шину адреса/данных, по которой эта информация передается с разделением во времени. Естественно, что при наличии мультиплексированной шины в состав линий управления необходимо включать специальный сигнал, идентифицирующий тип информации на шине.
Обмен информацией по интерфейсу производится между двумя устройствами, одно из которых является активным, а другое пассивным. Активное устройство формирует адреса пассивных устройств и управляющие сигналы. Активным устройством выступает, как правило, процессор, а пассивным всегда память и некоторые ВУ. Однако иногда быстродействующие ВУ могут выступать в качестве задатчика (активного устройства) на интерфейсе, управляя обменом с памятью.
Концепция "Общей шины" предполагает, что обращения ко всем устройствам МПС производится в едином адресном пространстве, однако, в целях расширения числа адресуемых объектов, в некоторых системах искусственно разделяют адресные пространства памяти и ВУ, а иногда даже и памяти программ и памяти данных.
12 Подсистема памяти МПС
Распределение адресного пространства.
Объем адресного пространства МПС с интерфейсом "Общая шина" определяется главным образом разрядностью шины адреса и, кроме того, номенклатурой управляющих сигналов интерфейса. Управляющие сигналы могут определять тип объекта, к которому производится обращение (ОЗУ, ВУ, стек, специализированные ПЗУ и др.). В случае если МП не выдает сигналов, идентифицирующих пассивное устройство (или они не используются в МПС), для селекции используются только адресные линии. Число адресуемых объектов составляет в этом случае 2k, где k - разрядность шины адреса. Будем называть такое адресное пространство "единым". Иногда говорят, что ВУ в едином адресном пространстве "отображены на память", т.е. адреса ВУ занимают адреса ячеек памяти. Пример организации селекции устройств в едином адресном пространстве МПС на базе i8080 и распределение адресного пространства показаны на рисунке 2 и рисунке 3 соответственно.
Рисунок 2 Структура единого адресного пространства
|
0FFF |
1000 FEFF |
FF00 FFFF |
|
ПЗУ 4К |
ОЗУ до 59,75К |
ВУ 0,25К |
Рисунок 3 Пример распределения единого адресного пространства
При небольших объемах памяти в МПС целесообразно использовать некоторые адресные линии непосредственно в качестве селектирующих (Рисунок 4), что позволяет уменьшить объем оборудования МПС за счет исключения селектора адреса. При этом, однако, адресное пространство используется крайне неэффективно.
При использовании информации о типе устройства, к которому идет обращение, можно одни и те же адреса назначать для разных устройств, осуществляя селекцию с помощью управляющих сигналов.
Так, большинство МП выдают в той или иной форме информацию о типе обращения. В результате в большинстве интерфейсов присутствуют отдельные управляющие линии для обращения к памяти и вводу/ выводу, реже - стеку или специализированному ПЗУ. В результате суммарный объем адресного пространства МПС может превышать величину 2k.
Рисунок 4 Использование адресных линий для прямой селекции устройств
1.3 Устройства памяти
Устройства памяти микропроцессорной системы (МПС) могут быть внешними (винчестер, дисковод, CD-ROM и т.д.) и внутренними (ОЗУ, ПЗУ).
В данной курсовой работе рассматривается внутренняя память МПС, которая может быть:
- постоянной (ROM) или ПЗУ,
- оперативной (RAM) или ОЗУ.
В свою очередь ПЗУ по способу записи/перезаписи информации различаются следующим образом.
ПЗУ постоянные запоминающие устройства, в основу которых положены диодные матрицы. Матрицы прожигаются на заводе-изготовителе, пользователь ничего изменить не может (рисунок 5). При подаче U > Uдоп диод сгорает, остается перемычка; при сгоревшем диоде Uузла = 0; при функционирующем диоде Uузла = 1
ППЗУ перепрограммируемые ПЗУ (матрицы поставляются пользователю с уровнем 1 во всех узлах, пользователь может только один раз прожечь матрицу по своей программе).
РПЗУ репрограммируемые (т.е. многократно программируемые) ПЗУ.
Рисунок 5 Элемент диодной матрицы.
По способу стирания информации РПЗУ могут быть: ультрафиолетовыми и электрическими.
Оперативные запоминающие устройства ОЗУ могут быть: динамическими (DRAM) и статическими (SRAM).
В динамических ОЗУ, построенных на МОП-транзисторных ячейках с дополнительной емкостью, информация после считывания пропадает, поэтому требуется ее регенерация (восстановление), а значит, такие ОЗУ при своей очевидной дешевизне имеют низкое быстродействие.
Статические ОЗУ, построенные на триггерных ячейках, хранят информацию после считывания и регенерации не требуют, имеют высокое быстродействие, хотя и существенно дороже динамических ОЗУ.
Современные схемы ОЗУ сочетают в себе обе технологии (SDRAM).
1.4 Статические ОЗУ. Принципы построения
Рисунок 6 Микросхема статической памяти
Шина адреса (рисунок 6) подключается к микросхеме памяти по N адресным входам: A0 AN 1.
Шина данных подключается по входам/выходам D, количество которых зависит от того, сколько матриц размещено в кристалле.
CS вход выборки кристалла, управляет подключением буфера данных к шине.
вход запись/чтения, определяет подключение входного или выходного буфера данных к шине данных.
Рассмотрим принцип выбора ячейки памяти по адресу.
Входы адресной шины подключаются к дешифраторам (DC) строки и столбца матрицы. Предположим, что к микросхеме подключается четыре адресных линии (А0 А3), причем линии А0, А1 подаются на DC строки, а линии А2, А3 на DC столбца.
а)
б)
Рисунок 7 Выбор ячейки по адресу: а триггера; б элемента матрицы
Предположим, что на адресных входах указан адрес 9, т.е. 1001.
Таким образом, DC строки по А0 =1, А1 =0 установит 1 на выходе 1, а DC столбца по А2 =0, А3 =1 установит 1 на выходе 2.
Во всех узлах матрицы расположены триггеры. Вход синхронизации триггера и его выход на общую для данной матрицы линию данных подключаются, как показано на рисунке 7, а.
Очевидно, что функционировать будет только тот триггер, у которого на входы элемента И от DC строки и DC столбца попадут 1.
В нашем случае будет выбран элемент матрицы, обведенный в кружок (рисунок 7, б).
1.5 Принцип записи/чтения информации
Инициализируем элемент матрицы, подав адрес на адресные входы. Теперь покажем, как будет происходить процесс записи/чтения данных. Заметим, что каждая матрица имеет один общий провод данных, т.е. каждый разряд данных записан в своей матрице. Адресация таких матриц производится параллельно.
Рассмотрим обращение к одному разряду данных. Только при подаче на вход CS уровня 0 (рис. 8) на выходе управляющих схем буферов чтения и записи может появиться 1. Причем на выходе управления буфером записи 1 появится при 0 на входе , а на выходе управления буфером чтения при 1 на .

Рисунок 8 Функции входов CS и
1.6 Построение пространства памяти заданного объема
Из микросхем SRAM небольшой емкости можно составить память любого заданного объема. Предположим, что в нашем распоряжении есть микросхемы SRAM емкостью 2564. Необходимо составить память устройства емкостью 1 Кбайт или 1К8. Схема 2564 имеет 4 матрицы по 256 ячеек (256 = 28), т.е. схема имеет 8 адресных входов.

Рисунок 9 Микросхема памяти 2564
Для того чтобы обеспечить чтение/запись байта информации, надо добавить еще 4 матрицы внешним соединением (т.е. объединить 2 микросхемы).
Получим эквивалентную схему, позволяющую хранить 256 байт информации.
Для построения памяти на 1 Кбайт необходимо 4 таких схемы:
1К = 210; 210 / 28 = 22 = 4.

Рисунок 10 Получение эквивалентной схемы 2568
Доступ к такой памяти осуществляется по 10 адресным линиям (1К = 210): непосредственно к схеме подключаются 8 адресных линий, а 2 к дешифратору, с помощью которого выбирается одно из 4 направлений.
Общая схема памяти (рисунок 11) составлена из эквивалентных схем (рисунок 10), исходная микросхема представлена на рисунке 9.

Рисунок 11 Схема оперативной статической памяти объемом 1Кбайт
2. Практическая часть
Построить внутреннюю память процессорной системы, состоящую из ПЗУ и статического ОЗУ. Процессорная система работает в реальном режиме.
Разрядность ША - 20, ШД - 8.
|
ПЗУ |
ОЗУ |
|
от 00000 до 03FFF |
от 80000 до 9FFFF |
|
16К * 8 |
64К * 4 |
Адреса, покрываемые пространствами ПЗУ и ОЗУ, и емкость микросхемы выбрать из табл. 1.
Табл. 1.
Определение емкости ПЗУ и ОЗУ
По полученному диапазону адресов определим емкость ПЗУ и ОЗУ.
Определим количество изменяющихся разрядов и запишем адрес в двоичном коде.
ПЗУ
ПЗУ от 00000 до 03FFF
Начальный адрес: 000000000000000000002.
Конечный адрес: 000000111111111111112.
Изменились 14 разрядов, значит, емкость ПЗУ - 214.
Для 8-разрядной шины данных емкость ПЗУ 214*8:
214 = 210*24,
210 = 1К - килобайт, таким образом, емкость ПЗУ равна 16К*8.
ОЗУ
ОЗУ от 80000 до 9FFFF
Начальный адрес: 100000000000000000002.
Конечный адрес: 100111111111111111112.
Изменилось 17 разрядов.
Для 8-разрядной шины данных емкость ОЗУ равна:
217*8,
217 = 210*27
210 = 1К - килобайт, таким образом, емкость ОЗУ равна 128К*8.
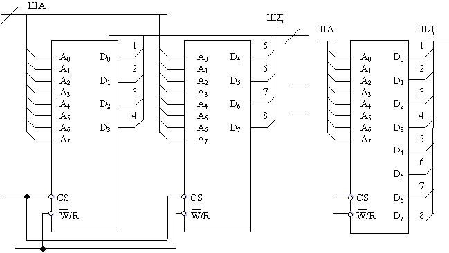
Для изображения схемы необходимо определить емкости микросхем ОЗУ и ПЗУ. ПЗУ имеет емкость 16К*8 (рис. 1), а ОЗУ - 64К*4 (рис. 2).Таким образом, схема ПЗУ имеет 14 адресных входов 16К = 214, восемь вход/ выход данных и вход CS (выборки кристалла). Схема ОЗУ имеет 17 адресных входов 128К= 217, четыре вход/выход данных, входы CS и 

Рисунок 1 - Микросхема ПЗУ 16К*8

Рисунок 2 - Микросхема ОЗУ 64К*4
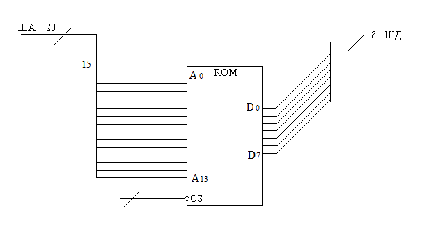
Структура ПЗУ
Емкость ПЗУ - 16К*8. Емкость микросхемы 16К*8, значит, для получения нужной емкости ПЗУ построить одну микросхему (рис. 3).

Рисунок3 - Структура ПЗУ 16К*8
Структура ОЗУ
Емкость ОЗУ 128К*8, емкость микросхемы 64К*4, значит, для построения такого ОЗУ необходимо построить 2 микросхемы.
Рисунок 4 - Структура ОЗУ 128К*8
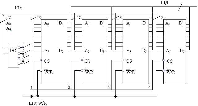
Общая структура памяти
По заданию начальные адреса ПЗУ и ОЗУ следующие:
ПЗУ (00000 000000000000000000002),
ОЗУ (80000 100000000000000000002).
По состоянию разрядов: А19, А18 - 00 работает ПЗУ, а по состоянию А19, А18 - 01 работает ОЗУ. С помощью простейшей логики можно
построить дешифратор направлений ПЗУ/ОЗУ (рис. 5).
Рисунок 5 - Дешифратор направлений ПЗУ-ОЗУ
Рисунок 6 - Общая структура проектируемой памяти
Заключение
В данной курсовой работе была осуществлена задача разработки блока внутренней памяти процессорной системы, состоящую из ПЗУ и статического ОЗУ. Были описаны в аналитическом, структурном и расчетно-графическом виде все необходимые узлы и элементы.
При расчете данной курсовой работы использовались математические и графические пакеты, такие как:
- Paint
- Microsof Word
Список литературы
1 Угрюмов Е.П. Цифровая схемотехника. СПб: БХВ-СПб, 2010.
2 Большие интегральные микросхемы запоминающих устройств: справочник. М.: Радио и связь, 2009.
|
|
|
ГОУ ВПО ТюмГНГУ ИКИС П.З. |
|||||||
|
Изм. |
Лист |
№ докум |
Подпись |
Дата |
|||||
|
Разраб. |
Баранов П.Ф. |
Построение внутренней памяти процессорной системы |
Лит. |
Лист |
Листов |
||||
|
Провер. |
Пнева Т.П. |
3 |
22 |
||||||
|
Реценз. |
МТС 09-9-1 |
||||||||
|
Н. Контр. |
|||||||||
|
Утверд. |
Изм.
Лист
№ докум.
Подпись
Дата
Лист
19
ГОУ ВПО ТюмГНГУ ИКИС П.З.
Изм.
Лист
№ докум.
Подпись
Дата
Лист
19
ГОУ ВПО ТюмГНГУ ИКИС П.З.
ВУ
ВУ
Процессор
Память
Интерфейс «Общая шина»
Изм.
Лист
№ докум.
одпись
Дата
Лист
20
ГОУ ВПО ТюмГНГУ ИКИС П.З.
Изм.
Лист
№ докум.
Подпись
Дата
Лист
20
ГОУ ВПО ТюмГНГУ ИКИС П.З.
Процессорный модуль
ОЗУ
ПЗУ
ВУ
АВ15:0
Селектор адреса
CS
CS
CS
Изм.
Лист
№ докум.
Подпись
Дата
Лист
21
ГОУ ВПО ТюмГНГУ ИКИС П.З.
Процессорный модуль
ОЗУ
ПЗУ
ВУ
АВ[15:0]
CS
CS
CS
10
10
А10
А11
А12
Изм.
Лист
№ докум.
Подпись
Дата
Лист
22
ГОУ ВПО ТюмГНГУ ИКИС П.З.
Изм.
Лист
№ докум.
Подпись
Дата
Лист
22
ГОУ ВПО ТюмГНГУ ИКИС П.З.
Изм.
Лист
№ докум.
Подпись
Дата
Лист
23
ГОУ ВПО ТюмГНГУ ИКИС П.З.
Изм.
Лист
№ докум.
Подпись
Дата
Лист
23
ГОУ ВПО ТюмГНГУ ИКИС П.З.
Изм.
Лист
№ докум.
Подпись
Дата
Лист
23
ГОУ ВПО ТюмГНГУ ИКИС П.З.
Изм.
Лист
№ докум.
Подпись
Дата
Лист
23
ГОУ ВПО ТюмГНГУ ИКИС П.З.
Изм.
Лист
№ докум.
Подпись
Дата
Лист
24
ГОУ ВПО ТюмГНГУ ИКИС П.З.
ИКИС ГОУ ВПО ТюмГНГУ П.З.
20
Лист
Дата
Подпись
№ докум.
Лист
Изм.
ИКИС ГОУ ВПО ТюмГНГУ П.З.
19
Лист
Дата
Подпись
№ докум.
Лист
Изм.
ИКИС ГОУ ВПО ТюмГНГУ П.З.
18
Лист
Дата
Подпись
№ докум.
Лист
Изм.
ИКИС ГОУ ВПО ТюмГНГУ П.З.
17
17
Лист
Дата
Подпись
№ докум.
Лист
Изм.
ИКИС ГОУ ВПО ТюмГНГУ П.З.
16
Лист
Дата
Подпись
№ докум.
Лист
Изм.
Изм.
Лист
№ докум.
Подпись
Дата
Лист
21
ГОУ ВПО ТюмГНГУ ИКИС П.З.
Изм.
Лист
№ докум.
Подпись
Дата
Лист
22
ГОУ ВПО ТюмГНГУ ИКИС П.З.
Построение внутренней памяти процессорной системы