Разработка стенда для анализа работы логического элемента «кодер»
Министерство просвещения ПМР
ГОУ «Тираспольский Техникум Информатики и Права»
Дипломная работа
Тема: Разработка стенда для анализа работы логического элемента «кодер»
г. Тирасполь
2014
Министерство просвещения ПМР
ГОУ «Тираспольский Техникум Информатики и Права»
Отделение Информационных технологий и экономических дисциплин
Дипломная работа
Тема: Разработка стенда для анализа работы логического элемента «кодер»
Исполнитель: Великодный Евгений Сергеевич, гр. 415
Специальность: ВМКС и С
Руководитель: к.т.н., доцент, Иванов Александр Леонидович
Дата допуска к защите
«___» «__________»2014
г. Тирасполь
2014
ЗАДАНИЕ НА ДИПЛОМНУЮ РАБОТУ
Студент Великодный Евгений Сергеевич_группа 415____________________
Тема работы Разработка стенда для анализа работы логического элемента__
«кодер»
Утверждена приказ №___________дата____________
Срок сдачи работы _________________________
Перечень вопросов дипломной работы
а)Провести аналитический анализ по кодерам_________________________
б)Изучить существующие программные средства для исследования_______ элементов электроники____________________________________________
в)Изучить методику исследования и проектирования элементов__________ электроники с помощью программ Protel, Orcad и Spise_________________
г) Исследовать кодер с помощью программы Protel, Orcad и Spise:__________ исследовать схемы включения, основные режимы работы,_________________ основные_параметры_________________________________________________
д)Задание по экономической части___________________________________
г) Задание по охране труда_________________________________________
Руководитель ________________________________________подпись, дата
Задание принял к исполнению__________________________ подпись дата
_____________________________________________________
_____________________________________________________
Реферат
Кодер является одним из основных элементов цифровой схемотехники, осуществляющим преобразование десятичных чисел в двоичную систему счисления. Шифраторы широко используются в разнообразных устройствах ввода и вывода информации в цифровых системах. Существуют разные виды шифраторов: двоичные, троичные, приоритетные.
В работе была поставлена задача, исследовать кодер с помощью программных средств Protel, OrCAD и SPICE. Рассмотрены принципы работы кодеров, а также проделана работа по изготовлению действующего макета стенда. В качестве элементной базы были выбраны логических элементы 3ИЛИ-НЕ, 2ИЛИ-НЕ и инвертор, изготовляемые по КМОП технологии.
В экономической части изучены методы ценообразования продукции на предприятиях, ценовая политика и стратегия, виды цен, рассмотрены методы ценообразования на территории ПМР.
В разделе охраны труда были изучены материалы по технике безопасности работы с электронной техникой, требованиям к организации и оборудованию рабочего места, а также противопожарная безопасность.
Оглавление
Введение ……………………………………………….………..…………… 7
Глава 1. Техническая часть. Разработка стенда для анализа работы логического элемента «кодер» ……..………………..……………..………. 8
1.1 Аналитический обзор по теме …….………………………...….…. 8
1.1.1 Дешифраторы и шифраторы ……….………..………….………. 8
1.1.2 Шифратор ………...…………………………………...….………. 8
1.1.3 Стандартное применение шифратора ……….…………...…….. 11
1.1.3.1 Сведения о кодере ……………………………………………... 13
1.1.4 Дешифратор ………...…… ……...……………………….……… 16
1.1.5 Двоичные логические операции с цифровыми сигналами (битовые операции) ………………………………………………………..…...……….. 18
1.1.5.1 Элементы И, И-НЕ, ИЛИ, ИЛИ-НЕ …………………………… 21
1.1.5.2 Логика на КМОП транзисторах ………………………………... 25
1.2 Практическая часть …………………………………………..……… 27
1.2.1 Основные характеристики системы автоматизированного проектирования OrCAD ……………………………………………………… 27
1.2.2 Результаты исследований работы логических устройств с помощью программы схемотехнического моделирования PSpice AD ……………….. 28
1.2.3 Анализ работы схемы «кодера» ……………………………………
1.3 Разработка конструкции стенда ………...….…………………..…… 33
1.3.1 Изготовление печатной платы и макета …………….……………. 34
1.4 Выводы по технической части ……………………………………….
Глава 2. Экономическая часть. Цена и ценообразование на продукцию предприятия ……………………..……………………………….……….……43
2.1 Сущность и функции цены …………………………………….……44
2.2 Стратегии и методы ценообразования ………………….…..………54
2.3 Ценовая политика предприятия. Её сущность и значение. Цели и этапы …………………..………………….……………..………………..……63
2.4 Цена и ценообразование на продукцию на территории ПМР ..…...65
2.5 Выводы по экономической части ……………………………………
Глава 3. Охрана труда. Безопасность работы с электронной техникой ...….69
3.1 Анализ условий труда ………..……………………..……..…………70
3.2 Характеристика санитарно-гигиенических условий труда ………..71
3.3Производственная санитария и гигиена труда ………………………72
3.4 Требования к организации и оборудованию рабочего места ……...78
3.5 Требования безопасности при работе с компьютерной техникой ...79
3.6 Правила безопасности при травлении печатной платы ....….…...…81
3.7 Требования безопасности при пайке …………………………..…….82
3.8 Требования безопасности при наладке и ремонте ……..……….…83
3.9 Противопожарная безопасность ……………………..…….…..……85
3.10 Выводы по охране труда …….……………………………………
Заключение………………………………………….….……..………88
Список литературы………………………………….....………..……89
Введение
Шифратор преобразует номер входного сигнала в выходной двоичный код, т.е. шифрует или кодирует номер входного сигнала. Количество выходных сигналов дешифратора и входных сигналов шифратора равно количеству возможных состояний двоичного кода (входного кода у дешифратора и выходного кода у шифратора), то есть 2n, где n разрядность двоичного кода Микросхемы дешифраторов обозначаются на схемах буквами DC (от английского Decoder), а микросхемы шифраторов CD (от английского Coder). Шифратор представляет собой матрицу кодирующих ячеек, каждая строка которой состоит из последовательно соединенных через информационные выходы n ячеек (n - число кодирующих сигналов).
Цена продукции для предприятия - важнейшая экономическая категория, оказывающая значительное влияние на его деятельность и решение социальных проблем. Цена это один из четырех важнейших покупательских мотивов в выборе товаров длительного пользования. Информация о ценообразовании и ценах конкурирующих фирм представляет собой стратегический интерес. Многие компании изучают цены, сложившиеся на рынке, в целях информационного обеспечения конкурентной борьбы, реализации возможности повышения рентабельности, определения своей ценовой ниши. Изучение цен - объективная необходимость, особенно с учетом низкого уровня жизни значительной части населения нашей страны (и вследствие этого его особого отношения к ценам).
Важна также грамотная организация охраны труда на предприятии, а именно: необходима служба охраны труда, необходимо проведение обучения работников, должны быть предусмотрены мероприятия пожарной безопасности, обеспечение работников соответствующими средствами индивидуальной защиты, а также проводиться аттестация рабочих мест.
Глава 1. Техническая часть. Разработка стенда для анализа работы логического элемента «кодер»
1.1 Аналитический обзор.
1.1.1 Дешифраторы и шифраторы.
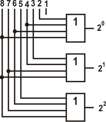
Функции дешифраторов и шифраторов понятны из их названий. Дешифратор преобразует входной двоичный код в номер выходного сигнала (дешифрирует код), а шифратор преобразует номер входного сигнала в выходной двоичный код (шифрует номер входного сигнала). Количество выходных сигналов дешифратора и входных сигналов шифратора равно количеству возможных состояний двоичного кода (входного кода у дешифратора и выходного кода у шифратора), то есть 2n, где n разрядность двоичного кода (рис. 1). Микросхемы дешифраторов обозначаются на схемах буквами DC (от английского Decoder), а микросхемы шифраторов CD (от английского Coder).

Рисунок 1.1. Функции дешифратора (слева) и шифратора (справа).
На выходе дешифратора всегда присутствует только один сигнал, причем номер этого сигнала однозначно определяется входным кодом. Выходной код шифратора однозначно определяется номером входного сигнала.
1.1.2 Шифратор.
Шифратор (coder) выполняет функцию преобразования унарного кода в двоичный . При подаче сигнала на один из входов (обязательно на один, не более) на выходе появляется двоичный код номера активного входа.

Рисунок 1.2. Схема кодера (шифратора).[6]
На рис. 3 показаны для примера две микросхемы шифраторов ИВ1 и ИВ3. Первая имеет 8 входов и 3 выхода (шифратор 83), а вторая 9 входов и 4 выхода (шифратор 94). Все входы шифраторов инверсные (активные входные сигналы нулевые). Все выходы тоже инверсные, то есть формируется инверсный код. Микросхема ИВ1, помимо 8 информационных входов и 3 разрядов выходного кода (1, 2, 4), имеет инверсный вход разрешения ЕI, выход признака прихода любого входного сигнала GS, а также выход переноса EO, позволяющий объединять несколько шифраторов для увеличения разрядности.

Рисунок 1.3. Микросхемы шифраторов.
Таблица истинности шифратора ИВ1. Таблица 1.1

Из таблицы видно, что на выходах кода 1, 2, 4 формируется инверсный двоичный код номера входной линии, на который приходит отрицательный входной сигнал. При одновременном поступлении нескольких входных сигналов формируется выходной код, соответствующий входу с наибольшим номером, то есть старшие входы имеют приоритет перед младшими. Поэтому такой шифратор называется приоритетным. При отсутствии входных сигналов (вторая строчка таблицы) формируется выходной код 111. Единичный сигнал EI (первая строчка) запрещает работу шифратора (все выходные сигналы устанавливаются в единицу). На выходе GS вырабатывается нуль при приходе любого входного сигнала, что позволяет, в частности, отличить ситуацию прихода нулевого входного сигнала от ситуации отсутствия любых входных сигналов. Выход -EO становится активным (нулевым) при отсутствии входных сигналов, но разрешении работы шифратора сигналом EI.
Приоритетный шифратор отличается от шифратора наличием дополнительной логической схемы выделения активного уровня старшего входа для обеспечения условия работоспособности шифратора (только один уровень на входе активный). Уровни сигналов на остальных входах схемой игнорируются. Схема выделения строится на конъюнкторах и инверторах таким образом, чтобы любое число старших нулей, образовывая после инверторов логические единицы , не влияло на работу конъюнкторов в цепи младших входов. Любая самая старшая единица (после инвертора - логический ноль) запирает конъюнкторы младших входов.
Выпускаются микросхемы приоритетных шифраторов, в которых условие влияния только одной входной логической 1 на схему шифратора обеспечивается дополнительной схемой приоритета на его входе. В приоритетном шифраторе входной код может содержать сколько угодно единиц, но выходной код шифратора будет соответствовать номеру того входа, на который подается старшая единица. Это не обязательно будет старший разряд входного кода. Приоритет преимущественное право.
В двоичном, коде проще производить вычисления, двоично-десятичный и семисегментный нужны для отображения индикаторами. А надо бы преобразовывать все эти и другие виды кодов друг в друга.[7]
1.1.3 Стандартное применение шифратора.
Стандартное применение шифраторов состоит в сокращении количества сигналов. Например, в случае шифратора ИВ1 информация о восьми входных сигналах сворачивается в три выходных сигнала. Это очень удобно, например, при передаче сигналов на большие расстояния. Правда, входные сигналы не должны приходить одновременно. На рис. 4 показаны стандартная схема включения шифратора и временные диаграммы его работы.

Рисунок 1.4. Стандартное включение шифратора.
Инверсия выходного кода приводит к тому, что при приходе нулевого входного сигнала на выходе формируется не нулевой код, а код 111, то есть 7. Точно так же при приходе, например, третьего входного сигнала на выходе образуется код 100, то есть 4, а при приходе пятого выходного сигнала код 010, то есть 2.
Наличие у шифраторов входов EI и EO позволяет увеличивать количество входов и разрядов шифратора, правда, с помощью дополнительных элементов на выходе. На рис. 5 показан пример построения шифратора 164 на двух микросхемах шифраторов ИВ1 и трех элементах 2И-НЕ (ЛА3).

Рисунок 1.5. Шифратор 164 на двух шифраторах 83.
Одновременное или почти одновременное изменение сигналов на входе шифратора приводит к появлению периодов неопределенности на выходах. Выходной код может на короткое время принимать значение, не соответствующее ни одному из входных сигналов. Поэтому в тех случаях, когда входные сигналы могут приходить одновременно, необходима синхронизация выходного кода, например, с помощью разрешающего сигнала EI, который должен приходить только тогда, когда состояние неопределенности уже закончилось.
Задержка шифратора от входа до выхода кода примерно в полтора раза превышает задержку логического элемента, а задержка до выхода GS примерно в два раза больше.[7,3]
1.1.3.1 Сведения о кодере

Рисунок 1.6. Реализация шифратора на логических элементах
Шифратор (кодер) - это устройство, представляющее собой преобразователь из кода «1 из N» в двоичный позиционный код. В коде типа «1 из N» число определяется позицией единицы в серии нулей, или позицией нуля в серии единиц. Например, если в серии десять нулей, имеется вот такой код 0001000000, то это эквивалентно числу 7 (счет ведется справа налево от нуля). Такой код служит для включения объектов или передачи данных на них. (англ. encoder) логическое устройство, выполняющее логическую функцию (операцию) - преобразование позиционного n-разрядного кода в m-разрядный двоичный, троичный или k-ичный код.
Двоичный шифратор- выполняет логическую функцию преобразования унарно n-ичного однозначного кода в двоичный. При подаче сигнала на один из n входов (обязательно на один, не более) на выходе появляется двоичный код номера активного входа.
Если количество входов настолько велико, что в шифраторе используются все возможные комбинации сигналов на выходе, то такой шифратор называется полным, если не все, то неполным.
Троичный шифратор- выполняет логическую функцию преобразования унарно n-ичного однозначного (одноединичного или однонулевого) кода в троичный. При подаче сигнала ("1" в одноединичном коде или "0" в однонулевом коде) на один из n входов на выходе появляется троичный код номера активного входа.
Приоритетный шифратор- отличается от шифратора наличием дополнительной логической схемы выделения активного уровня старшего входа для обеспечения условия работоспособности шифратора (только один уровень на входе активный). Уровни сигналов на остальных входах схемой игнорируются.[1]
Задача шифратора сформировать код. На ввод шифратора могут подаваться различные сигналы: логический "0" через контакты кнопок клавиатуры управления или сигналы с других устройств, но во всех случаях в шифраторе происходит преобразование одного сигнала в n-разрядный код..
Если ни одна кнопка не нажата, то на выходах 1-2-4-G МС 1 устанавливается сигнал с уровнем логической единицы. При нажатии на одну из кнопок на выходе 1-2-4 появляется сигнал инверсного кода, соответствующий номеру нажатой кнопки, а на G-“0”. При отпускании кнопки здесь (на G) будет 1 и поэтому сигнал ДД2 запишет на выход код этой кнопки.
Рассмотрим подробнее структуру МС шифратора.
Классический шифратор имеет m входов и n выходов, и при подаче сигналов на один из входов (обязательно на один и не более) на выходе узла появляется двоичный код номера возбужденного выхода.
Число входов и выходов такого шифратора связано соотношением m=2n.
Для построения шифратора можно использовать схемы ИЛИ - по одной на каждый выход. При этом схема разбивается на n простых фрагментов. К входу элементов ИЛИ каждого выходного разряда должны быть подключены те входы шифратора, в двоичном представлении номера которых есть единица в данном разряде. Так, к ИЛИ младшего разряда формируемого выходного кода должны быть подключены все нечетные входы, поскольку у всех нечетных номеров и только у них в младшем разряде содержится единица. Функциональная схема такого шифратора представлена на рисунке. Эту схему можно преобразовать по формулам де Моргана. В новом варианте вместо схемы ИЛИ будут И-НЕ.
Совместно с шифратором в состав кодирующих узлов может входить схема выделения старше единицы. Эта схема преобразует m-разрядное слово следующим образом: все старшие нули и самая старшая единица входного кода пропускается на вход без изменения; все разряды более младшие, чем старшая единица, заменяются нулями.
На схеме на входы а0, а1, а2и поступает преобразуемое слово (а0 - младший разряд, а2 - старший разряд), на вход EI (от enable in) - входной сигнал разрешения. При EI=1 схема работает следующим образом: любое число старших нулей порождает на выходах своих разрядов единицы и никак не влияет на работу элементов И-НЕ более младших разрядов. Любая самая старшая единица порождает на соответственном выходе нуль (активный низкий уровень выхода) и запирает все более младшие элементы И-НЕ, устанавливая на их выходах не активный высокий уровень. При этом низкий уровень появляется и на выходе EO (от enable out) - выходе разрешения. Если разрядность обрабатываемого слова (число входных сигналов) превышает разрядность схемы, то слово разбивается на группы и выход EO более старшей группы подается на вход EI более младшей. При таком включении единица, поступившая на любой вход любой группы, запрет не только все более младшие разряды своей группы, но по цепи EO-EI и все более младшие группы. На выходах всей схемы останется только самая старшая единица входного слова, представленная активным низким уровнем. Если к выходу схемы выделение старше единицы подключить шифратор, то в сумме получится функциональный узел приоритетного шифратора (priority encoder), формирующий в двоичном коде номе самой старшей единицы из всех, присутствующих во входном слове.
С выходами рассмотренной схемы хорошо стыкуются входы шифратора, двойственного по отношению к рассмотренному ранее (то есть на элемент И-НЕ): инверсным выходом одной схемы (битовое деление старше единицы) будут соответствовать инверсные входы другой, и весь приоритетный шифратор будет построен на технологичных элементах без лишних инверторов. Если во входном слове присутствует только одна единица, то приоритетный шифратор будет выполнять функцию обычного шифратора.[1,6]
1.1.4 Дешифратор
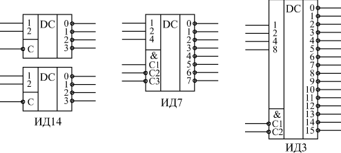
В стандартные серии входят дешифраторы на 4 выхода (2 разряда входного кода), на 8 выходов (3 разряда входного кода) и на 16 выходов (4 разряда входного кода). Они обозначаются соответственно как 24, 38, 416. Различаются микросхемы дешифраторов входами управления (разрешения/запрета выходных сигналов), а также типом выхода: 2С или ОК. Выходные сигналы всех дешифраторов имеют отрицательную полярность. Входы, на которые поступает входной код, называют часто адресными входами. Обозначают эти входы 1, 2, 4, 8, где число соответствует весу двоичного кода (1 младший разряд, 2 следующий разряд и т.д.), или А0, А1, А2, А5. В отечественных сериях микросхемы дешифраторов обозначаются буквами ИД. На рис. 7 показаны три наиболее типичных микросхемы дешифраторов.

Рисунок 1.7. Примеры микросхем дешифраторов.
Код на входах 1, 2, 4, 8 определяет номер активного выхода (вход 1 соответствует младшему разряду кода, вход 8 старшему разряду кода). Входы разрешения С1, С2, С3 объединены по функции И и имеют указанную на рисунке полярность. Для примера в табл. 2 приведена таблица истинности дешифратора ИД7 (38). Существуют и дешифраторы 410 (например, ИД6), которые обрабатывают не все возможные 16 состояний входного кода, а только первые 10 из них.
Первые три строки таблицы соответствуют запрету выходных сигналов. Разрешением выхода будет единица на входе С1 и нули на входах С2 и С3. Символ "Х" обозначает безразличное состояние данного входа (неважно, нуль или единица). Нижние восемь строк соответствуют разрешению выходных сигналов. Номер активного выхода (на котором формируется нулевой сигнал) определяется кодом на входах 1, 2, 4, причем вход 1 соответствует младшему разряду кода, а вход 4 старшему разряду кода.
Таблица истинности дешифратора 38 (ИД7). Таблица 1.2

Наиболее типичное применение дешифраторов состоит именно в дешифрировании входных кодов, при этом входы С используются как стробирующие, т.е. как управляющие сигналы. Номер активного (то есть нулевого) выходного сигнала показывает, какой входной код поступил. Если нужно дешифровать код с большим числом разрядов, то можно объединить несколько микросхем дешифраторов (пример показан на рис. 8).

Рисунок 1.8. Увеличение количества разрядов дешифратора.
При этом старшие разряды кода подаются на основной дешифратор, выходы которого разрешают работу нескольких дополнительных дешифраторов. На объединенные входы этих дополнительных дешифраторов подаются младшие разряды входного кода. Из пяти микросхем дешифраторов 24 можно получить дешифратор 416, как показано на рисунке (хотя лучше, конечно, взять готовую микросхему). Точно так же из девяти микросхем 38 можно получить дешифратор 664, а из семнадцати микросхем 416 дешифратор 8256. [2,7]
1.1.5 Двоичные логические операции с цифровыми сигналами (битовые операции)
Логические операции (булева функция) своё теоретическое обоснование получили в алгебре логики.
Логические операции с одним операндом называются унарными, с двумя - бинарными, с тремя - тернарными и т. д.
Из 0возможных унарных операций с унарным выходом интерес для реализации представляют операции отрицания и повторения, причём, операция отрицания имеет большую значимость, чем операция повторения, так как повторитель может быть собран из двух инверторов, а инвертор из повторителей не собрать.
Отрицание, НЕТ, НЕ
Инвертор Таблица 1.3

Повторение, ДА
Повторитель (буфер) Таблица 4.

Преобразование информации требует выполнения операций с группами знаков, простейшей из которых является группа из двух знаков. Оперирование с большими группами всегда можно разбить на последовательные операции с двумя знаками.
Конъюнкция (логическое умножение).
Операция 2И Таблица 1.5

Мнемоническое правило для конъюнкции с любым количеством входов звучит так: - на выходе будет "1" тогда и только тогда, когда на всех входах действуют «1», а "0" тогда и только тогда, когда хотя бы на одном входе действует «0».
Дизъюнкция (логическое сложение).
Операция 2ИЛИ Таблица 1.6

Мнемоническое правило для дизъюнкции с любым количеством входов звучит так: - на выходе будет "1" тогда и только тогда, когда хотя бы на одном входе действует «1», "0" тогда и только тогда, когда на всех входах действуют «0».
Инверсия функции конъюнкции.
Операция 2И-НЕ (штрих Шеффера) Таблица 1.7

Мнемоническое правило для И-НЕ с любым количеством входов звучит так: - на выходе будет "1" тогда и только тогда, когда хотя бы на одном входе действует «0», а "0" тогда и только тогда, когда на всех входах действуют «1»
Инверсия функции дизъюнкции.
Операция 2ИЛИ-НЕ (стрелка Пирса) Таблица 1.8

Мнемоническое правило для ИЛИ-НЕ с любым количеством входов звучит так: - на выходе будет "1" тогда и только тогда, когда на всех входах действуют «0», а "0" тогда и только тогда, когда хотя бы на одном входе действует «1».
Эквивалентность или равнозначность, т.е. функция ИСКЛЮЧАЮЩЕЕ ИЛИ-НЕ Таблица 1.9

Мнемоническое правило эквивалентности с любым количеством входов звучит так: - на выходе будет "1" тогда и только тогда, когда на входах действует четное количество «1», а "0" тогда и только тогда, когда на входа действует нечетное количество «1».
Сложение по модулю 2 (Исключающее ИЛИ, неравнозначность). В англоязычной литературе элемент 2XOR.
Инверсия равнозначности. Таблица 1.10

Мнемоническое правило для суммы по модулю 2 с любым количеством входов звучит так: - на выходе будет "1" тогда и только тогда, когда на входах действует нечётное количество «1», а "0" тогда и только тогда, когда на входа действует чётное количество «1».[6]
1.1.5.1 Элементы И, И-НЕ, ИЛИ, ИЛИ-НЕ
Следующий шаг на пути усложнения компонентов цифровой электроники это элементы, выполняющие простейшие логические функции. Объединяет все эти элементы то, что у них есть несколько равноправных входов (от 2 до 12) и один выход, сигнал на котором определяется комбинацией входных сигналов.
Самые распространенные логические функции это И (в отечественной системе обозначений ЛИ), И-НЕ (обозначается ЛА), ИЛИ (обозначается ЛЛ) и ИЛИ-НЕ (обозначается ЛН). Присутствие слова НЕ в названии элемента обозначает только одно встроенную инверсию сигнала. В международной системе обозначений используются следующие сокращения: AND функция И, NAND функция И-НЕ, OR функция ИЛИ, NOR функция ИЛИ-НЕ.
Название самих функций И и ИЛИ говорит о том, при каком условии на входах появляется сигнал на выходе. При этом важно помнить, что речь в данном случае идет о положительной логике, о положительных, единичных сигналах на входах и на выходе.
Элемент И формирует на выходе единицу тогда и только тогда, если на всех его входах (и на первом, и на втором, и на третьем и т.д.) присутствуют единицы. Если речь идет об элементе И-НЕ, то на выходе формируется нуль, когда на всех входах единицы (табл. 3). Цифра перед названием функции говорит о количестве входов элемента. Например, 8И-НЕ это восьмивходовой элемент И с инверсией на выходе.
Таблица истинности двухвходовых элементов И, И-НЕ, ИЛИ, ИЛИ-НЕ. Таблица 1.11

Элемент ИЛИ формирует на выходе нуль тогда и только тогда, если на всех входах нуль. Элемент ИЛИ-НЕ дает на выходе нуль при наличии хотя бы на одном из входов единицы (табл. 3). Пример обозначения: 4ИЛИ-НЕ четырехвходовой элемент ИЛИ с инверсией на выходе.

Рисунок 1.9. Обозначения элементов И, И-НЕ, ИЛИ, ИЛИ-НЕ: зарубежные (слева) и отечественные (справа).
Отечественные и зарубежные обозначения на схемах двухвходовых элементов И, И-НЕ, ИЛИ, ИЛИ-НЕ показаны на рис. 9 Все эти элементы бывают с выходами типа «с двумя логическими состояниями», «с общим коллектором» и «стремя логическими состояниями». В последнем случае обязательно имеется вход разрешения третьего состояния (EZ).
Нетрудно заметить (см. табл. 1.11), что в случае отрицательной логики, при нулевых входных и выходных сигналах, элемент И выполняет функцию ИЛИ, то есть на выходе будет нуль в случае, когда хотя бы на одном из входов нуль. А элемент ИЛИ при отрицательной логике выполняет функцию И, то есть на выходе будет нуль только тогда, когда на всех входах присутствуют нули. И так как в реальных электронных устройствах сигналы могут быть любой полярности (как положительные, так и отрицательные), то надо всегда очень аккуратно выбирать требуемый в каждом конкретном случае элемент. Особенно об этом важно помнить тогда, когда последовательно соединяются несколько разноименных логических элементов с инверсией и без нее для получения сложной функции.
Поэтому элементы И, И-НЕ, ИЛИ, ИЛИ-НЕ разработчику далеко не всегда удобно применять именно как выполняющие указанные в их названии логические функции. Иногда их удобнее использовать как элементы разрешения/запрещения или смешивания/совпадения. Но сначала мы рассмотрим случаи реализации именно логических функций на этих элементах.
На рис. 10 приведены примеры формирования элементами выходных сигналов на основании требуемых временных диаграмм входных и выходных сигналов. В случае а выходной сигнал должен быть равен единице при двух единичных входных сигналах, следовательно, достаточно элемента 2И. В случае б выходной сигнал должен быть равен нулю, когда хотя бы один из входных сигналов равен единице, следовательно, требуется элемент 2ИЛИ-НЕ. Наконец, в случае в выходной сигнал должен быть равен нулю при одновременном приходе единичного сигнала Вх. 1, нулевого сигнала Вх. 2 и единичного сигнала Вх. 3. Следовательно, требуется элемент 3И-НЕ, причем сигнал Вх. 2 надо предварительно проинвертировать.

Рисунок 1.10. Примеры применения элементов И и ИЛИ.
Например, в случае элемента 2И-НЕ один из входов можно считать информационным, а другой управляющим. В этом случае при единице на управляющем входе выходной сигнал будет равен проинвертированному входному сигналу, а при нуле на управляющем входе выходной сигнал будет постоянно равен единице, то есть прохождение входного сигнала будет запрещено. Элементы 2И-НЕ с выходом ОК часто используют именно в качестве управляемых буферов для работы на мультиплексированную или двунаправленную линию.
Точно так же в качестве элемента разрешения/запрещения могут применяться элементы И, ИЛИ, ИЛИ-НЕ (рис. 11). Разница между элементами состоит только в полярности управляющего сигнала, в инверсии (или ее отсутствии) входного сигнала, а также в уровне выходного сигнала (нуль или единица) при запрещении прохождения входного сигнала.

Рисунок 1.11. Разрешение/запрещение прохождения сигналов на элементах И, И-НЕ, ИЛИ, ИЛИ-НЕ.[3,7]
1.1.5.2 Логика на КМОП транзисторах
В цифровых микросхемах если и применяются полевые транзисторы, то только с изолированным затвором (МОП) и только с индуцированным каналом. Каждый МОП транзистор в интегральных схемах имеет четыре вывода:
1) исток, от которого начинают движение в канале носители электрического заряда;
2) сток, к которому движутся в канале носители заряда;
3) затвор, потенциал на котором за счет электрического поля управляет толщиной канала (затворяет или отворяет путь протекания тока, движения носителей заряда: электронов или дырок);
4) подложка, полупроводниковый кремниевый кристалл, в объеме которого на малом расстоянии друг от друга методом диффузии сделаны две области с проводимостью, обратной проводимости подложки это области стока и истока.
На поверхности подложки между стоком и истоком создают тонкий слой окисла кремния (кварцевого стекла SiO2), а поверх него напыляют алюминиевый затвор. Когда на затвор такого МОП транзистора относительно подложки подается отпирающее напряжение, то внутри подложки под затвором между стоком и истоком индуцируются (наводятся) носители заряда с проводимостью, противоположной проводимости подложки, но совпадающей с проводимостью стока и истока. Если теперь подключить сток и исток к источнику питания, то через них и через наведенный канал потечет ток.
МОП транзисторы называют в соответствии с проводимостью канала, а стрелки в их условных графических обозначениях соответствуют проводимости подложки, которая, как было сказано, для таких транзисторов противоположна проводимости канала. Направление стрелки показывает проводимость подложки (внутрь, транзистор pтипа, наружу, nтипа). Как известно обозначения n NEGATIVE (отрицательный, при этом носители заряда, электроны), а p POSITIVE (положительный, при этом носители заряда, дырки).
Значение порогового напряжения (Uпор) при напряжении питания (Ucc) = + 5 В обычно лежит в пределах: Uпор = 0,5 ... 2,0 В. При другом напряжении питания значение порогового напряжения лежит в пределах: Uпор = Uпит/3 ... Uпит/2.
Для МОП транзисторов характерны два существенных отличия их от обычных биполярных транзисторов:
сопротивление канала практически линейно, т. е. ток стока почти линейно зависит от напряжения стокисток;
имеется почти полная взаимозаменяемость стока и истока, т.к. ток в канале может протекать в обоих направлениях в зависимости от полярности напряжения, приложенного к каналу.
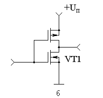
Микросхемы на комплементарных транзисторах строятся на основе МОП транзисторов с n- и p-каналами. Один и тот же потенциал открывает транзистор с n-каналом и закрывает транзистор с p-каналом. При формировании логической единицы открыт верхний транзистор, а нижний закрыт. В результате ток через микросхему не протекает. При формировании логического нуля открыт нижний транзистор, а верхний закрыт. И в этом случае ток через микросхему не протекает. Простейший логический элемент - это инвертор. Его схема приведена на рисунке.

Рисунок 1.12. Принципиальная схема инвертора, выполненного на комплементарных МОП транзисторах.
На этой схеме для упрощения понимания принципов работы микросхемы не показаны защитные и паразитные диоды. Особенностью микросхем на комплементарных МОП транзисторах является то, что в этих микросхемах в статическом режиме ток практически не потребляется. Потребление тока происходит только в момент переключения микросхемы из единичного состояния в нулевое и наоборот. Этим током производится перезаряд паразитной ёмкости нагрузки.[1].
1.2 Практическая часть
1.2.1 Основные характеристики системы автоматизированного проектирования OrCAD
Корпорацией MicroSim разработаны варианты системы программ Design Center для различных операционных систем. Наиболее популярным является вариант для Windows. В него входят следующие программы (их конкретный перечень зависит от варианта поставки):
Schematics - графический редактор принципиальных схем, который одновременно является управляющей оболочкой для запуска основных модулей сисОт чемы на всех стадиях работы с проектом;
PSpice, PSpice Basics - моделирование аналоговых устройств;
PSpice AID, PSpice A/D Basics* - моделирование смешанных аналогоцифровых устройств;
PLogic - моделирование цифровых устройств. Имеет такие же функциональные возможности, как и программа PSpice A/D;
PLSyn - синтез цифровых устройств на базе интегральных схем (ИС) с программируемой логикой;
StmEd - редактор входных сигналов (аналоговых и цифровых);
Probe - графическое отображение, обработка и документирование результатов моделирования;
Parts - идентификация параметров математических моделей диодов, биполярных, полевых, МОП- и арсенидгаллиевых транзисторов, операционных усилителей, компараторов напряжения, регуляторов напряжения и магнитных сердечников по паспортным данным;
PSpice Optimizer - параметрическая оптимизация аналого-цифровых устройств по заданному критерию при наличии нелинейных ограничений.
1.2.2 Результаты исследований работы логических устройств с помощью программы схемотехнического моделирования PSpice AD
Анализ работы логического элемента 2И-НЕ на КМОП транзисторах практически совпадает с упрощенной схемой "И" на ключах с электронным управлением, которую мы рассматривали ранее. Отличие заключается в том, что нагрузка подключается не к общему проводу схемы, а к источнику питания. Принципиальная схема элемента "2И-НЕ", выполненного на комплементарных МОП транзисторах приведена на рисунке 13.

Рисунок 1.13. Принципиальная схема элемента "2И-НЕ", выполненного на комплементарных МОП транзисторах.[7]

Рисунок 1.14. Схема элемента 2И-НЕ выполненная в Protel.

Рисунок 1.15 . Результаты анализа работы элемента 2И-НЕ в статическом режиме.
В этой схеме можно было бы применить в верхнем плече обыкновенный резистор, однако при формировании низкого уровня схема постоянно потребляла бы ток. Вместо этого, в качестве нагрузки используются p-МОП транзисторы. Эти транзисторы образуют активную нагрузку. Если на выходе требуется сформировать высокий потенциал, то транзисторы открываются, а если низкий - то закрываются.
В приведённой на рисунке 13. схеме ток от источника питания на выход микросхемы будет поступать через один из транзисторов, если хотя бы на одном из входов (или на обоих сразу) будет присутствовать низкий потенциал (уровень логического нуля). Если же на обоих входах будет присутствовать уровень логической единицы, то оба p-МОП транзистора будут закрыты и на выходе микросхемы сформируется низкий потенциал.
Условно-графическое изображение логического элемента 2И-НЕ показано на рисунке 16, а таблица истинности приведена в таблице 1. В таблице 12 входы обозначены как x1 и x2, а выход - F.

Рисунок 1.16. Условно-графическое изображение элемента "2И-НЕ".
Таблица истинности схемы, выполняющей логическую функцию "2И-НЕ" Таблица 12.

Анализ работы логического элемента "ИЛИ-НЕ". Этот элемент, выполненный на КМОП транзисторах, представляет собой параллельное соединение ключей с электронным управлением. Отличие от схемы "2ИЛИ", рассмотренной ранее, заключается в том, что нагрузка подключается не к общему проводу схемы, а к источнику питания. Вместо резистора в качестве нагрузки используются p-МОП транзисторы. Принципиальная схема элемента "2ИЛИ-НЕ", выполненного на комплементарных МОП транзисторах приведена на рисунке 4.

Рисунок 1.17. Принципиальная схема элемента "2ИЛИ-НЕ", выполненного на комплементарных МОП транзисторах.[7]

Рисунок 1.18. Схема элемента 2ИЛИ-НЕ, выполненная в Protel.
В схеме логического элемента "2ИЛИ-НЕ" в качестве нагрузки используются последовательно включенные p-МОП транзисторы. В ней ток от источника питания на выход микросхемы будет поступать только если все транзистора в верхнем плече будут открыты, т.е. если сразу на всех входах будет присутствовать низкий потенциал (уровень логического нуля). Если же хотя бы на одном из входов будет присутствовать уровень логической единицы, то верхнее плечо будет закрыто и ток от источника питания поступать на выход микросхемы не будет.
Таблица истинности, реализуемая этой схемой, приведена в таблице , а условно-графическое обозначение этих элементов приведено на рисунке.
Таблица истинности схемы, выполняющей логическую функцию "2ИЛИ-НЕ" Таблица 1.13


Рисунок 1.19. Условно-графическое изображение элемента "2ИЛИ-НЕ".

Рисунок 20. Схема логического элемента 3ИЛИ-НЕ, выполненная Protel.

Рисунок 21. Результаты исследований времени переключения элемента 3ИЛИ-НЕ в программе PSpice AD (компонент системы OrCAD).
В настоящее время именно КМОП микросхемы получили наибольшее развитие. Причём наблюдается постоянная тенденция к снижению напряжения питания. Первые серии микросхем, такие как К561 (аналог серии CD4000В, предложенной впервые фирмой RCA) обладали достаточно широким диапазоном изменения напряжения питания Ucc = 3.-.18 В.
1.3 Разработка стенда
1.3.1 Изготовление печатной платы и макета
Платы с печатными проводниками и контактными площадками в любительской практике удобно использовать лишь тогда, когда устройство предварительно хорошо отработано. В процессе настройки приходится несколько раз демонтировать отдельные детали и устанавливать другие, а печатные контактные площадки под действием многократных тепловых и механических нагрузок, как правило, отслаиваются. Поэтому на этапе отладки схемы лучше применять монтажные платы, которые являются как бы макетом будущей печатной платы.
Пластину требуемых размеров из нефольгированного изоляционного материала (текстолит, гетинакс, фанера) обрабатывают с одной стороны мелкозернистой наждачной бумагой, обезжиривают и укрепляют необработанной стороной на деревянной дощечке толщиной 15 20 мм. Сверху на пластину накладывают и в нескольких точках приклеивают лист бумаги с эскизом будущей печатной платы. В точках крепления выводов, изгиба проводников схемы, выводных контактных площадок сверлом 0 11,5 мм сверлят отверстия так, чтобы сверло, пройдя пластину насквозь, углубилось в дощечку на 1012 мм. В полученные отверстия вставляют металлические штыри подходящего диаметра так, чтобы они выступали над поверхностью пластины на 510 мм. Можно использовать мелкие гвозди или отрезки жесткой проволоки.
Затем из луженого одножильного провода диаметром 0,30,5 мм изготовляют проводники платы. Для этого провод в соответствии с эскизом протягивают от штыря к штырю, обматывая каждый из них одним-двумя витками. Когда все соединения выполнены, эскиз, разрывая, удаляют пинцетом. Проводники должны быть плотно прижаты к поверхности.
После этого на участки проводников, расположенные между штырями, кисточкой осторожно наносят эпоксидный клей в таком количестве, чтобы проводники оказались приклеенными к поверхности платы. Необходимо следить за тем, чтобы клей не попал на штыри и витки провода, намотанные на них. После полного затвердевания клея штыри удаляют и готовую плату снимают с дощечки. Образовавшиеся на плате петли провода будут удобными контактными площадками для присоединения выводов радиоэлементов.
Закончив отладку схемы, отрабатывают рациональную компоновку элементов и уточняют эскиз.
Компоновка элементов на макетной плате. Работа по размещению элементов на плате значительно упрощается, если воспользоваться следующим приемом. На лист ватмана с размерами будущей платы наносят слой пластилина толщиной 24 мм. Этот лист в нескольких точках приклеивают к другому листу ватмана или миллиметровки.
В пластилин, слегка вдавливая выводы, устанавливают радиоэлементы и микросхемы. Необходимо при этом учитывать принципиальные особенности устройства (взаимовлияния цепей, температурные режимы элементов и т.д.), уменьшать длину соединительных проводников, не делать перемычек.
Выводы элементов предварительно изгибают соответствующим образом (формуют). Линии будущих печатных проводников прочерчивают на пластилине шилом. Перемещая элементы, находят наиболее рациональную компоновку.
Затем, поочередно снимая каждый элемент с макета, прокалывают шилом оба листа в точках будущих отверстий в плате. По нескольку проколов тонкой иглой делают вдоль будущих печатных проводников. После этого элемент устанавливают на прежнее место.
Отклеивают нижний лист, рисуют на нем соединения и обозначают места расположения элементов. Рисунок соединений переносят на фольгированную заготовку. После этого детали с макетной платы снимают. Макетная плата может быть использована несколько раз.
В качестве основы для макетирования можно применить пластину пенопласта толщиной 2530 м. В этом случае выводы элементов формуют и вдавливают в пенопласт. Когда наиболее рациональный вариант размещения выбран, на пенопласте чертят две взаимно перпендикулярные базовые линии. С помощью чертежного измерителя расстояния от базовых линий до контактных площадок измеряют и переносят на миллиметровую бумагу. Отметки соединяют линиями, завершая тем самым подготовку рисунка печатной платы.
Лист миллиметровой бумаги можно сразу наложить на пластину и, устанавливая элементы, прокалывать и бумагу. После определения наилучшей компоновки рисуют на миллиметровке соединения и снимают поочередно элементы, помечая на бумаге их схемный номер.
Разметка печатной платы под некоторые микросхемы и малогабаритные элементы (миниатюрные трансформаторы, реле и др.) с торцевым расположением выводов довольно трудоемка.
Разметка упрощается, если на поверхность платы в предполагаемом месте установки нанести слой пластилина толщиной 0,51 мм. Слой должен быть гладким и ровным. Затем подготовляют элемент (микросхему): выводы укорачивают до одинаковой длины (1012 мм) и подгибают так, чтобы они были перпендикулярны основанию корпуса.
Элемент (микросхему) опускают на предполагаемое место установки и вдавливают выводы в пластилин до упора в поверхность платы, затем осторожно вынимают и шилом или остро заточенным кернером намечают по оставшимся следам выводов центры будущих отверстий в плате. После разметки слой пластилина снимают и сверлят отверстия.
Этот способ удобен и при компоновке элементов на плате.
Глава 2. Экономическая часть. Цена и ценообразование на продукцию предприятия.
2.1 Сущность и функции цены. Виды цен.
Цена как экономическая категория выполняет ряд важнейших функций.
1) Первичной функцией цены следует считать измерительную. Благодаря цене удается измерить, определить стоимость товара, иначе говоря, определить, какое количество денег покупатель должен заплатить, а продавец получить за проданный товар. Цены дают возможность деньгам как платежному средству обрести количественную определенность в акте купли-продажи.
2) Учетная функция цены отражает общественно необходимые затраты труда на выпуск и реализацию той или иной продукции. Цена определяет, сколько затрачено труда, сырья, материалов, комплектующих изделий на изготовление товаров. В конечном счете цена отражает не только величину совокупных издержек производства и обращения товаров, но и размер прибыли.
В учетной функции цена служит средством исчисления всех стоимостных показателей, как количественных валовой внутренний продукт, национальный доход, объем капитальных вложений, объем товарооборота, объем продукции фирм, предприятий и отраслей, так и качественных рентабельность, производительность труда, фондоотдача.
Таким образом, цена используется для определения эффективности производства, служит ориентиром для принятия хозяйственных решений, важнейшим инструментом внутрифирменного планирования.
3) Распределительная функция цены состоит в том , что государство через ценообразование осуществляет перераспределение национального дохода между отраслями экономики, государственным и другими её секторами, регионами, фондами накопления, социальными группами населения.
Функция реализуется через включение в себестоимость многих налогов, которые затем являются источником накопления дорожных фондов, Пенсионного фонда, Фонда социального страхования, Фонда занятости населения, а также через включение в цену косвенных налогов (НДС и акцизов).
4) Функция сбалансирования спроса и предложения выражается в том, что через цены осуществляется связь между производством и потреблением, предложением и спросом. Цена сигнализирует о диспропорциях в сферах производства и обращения и требует принятия мер по их преодолению. Она служит гибким инструментом для достижения соответствия спроса и предложения.
5) Функция цены как средства рационального размещения производства проявляется наиболее полно в условиях рыночной экономике. С помощью механизма цен происходит перелив капиталов в секторы экономики и производства с более высокой нормой прибыли.
6) Стимулирующая функция цены проявляется в том, что цена при определенных условиях может стимулировать ускорение НТП, улучшение качества продукции, увеличение выпуска продукции и спроса на неё. Это связано с тем, что цены дифференцированы в зависимости от технического уровня и качества продукции. По этим же причинам цены могут оказывать и дестимулирующее воздействие на производство.
7) Цена выполняет очень важную социальную функцию. С ценами и их изменением связаны структура и объемы потребления благ и услуг, расходы, уровень жизни, прожиточный минимум, потребительский бюджет семьи. Социальная реакция людей на уровень цен и его изменение чувствительна и высока. В бытовом восприятии розничных цен на потребительские товары и услуги люди считают, рост цен снижает уровень жизни, тогда как снижение цен заведомо улучшает жизнь. При этом обычно не принимаются во внимание другие, неценовые факторы, такие, как доходы, наличие товаров на рынке, структура потребления.
В рыночной экономике цены на товар постоянно колеблются. Направления изменения цен для конкретных видов товаров и в конкретные периоды может быть различным. Однако есть и общие тенденции, характерные как для отдельных групп потребительских товаров, так и для всей их номенклатуры в целом.
Таким образом, цены играют исключительно важную роль в развитии экономики страны в целом и для каждого отдельно взятого субъекта хозяйствования. Отсюда вытекает значимость политики в области ценообразования.
Место и роль цен в управлении предприятием.
Решение об установлении цены, принимаемое на предприятии, - это конкретная (выраженная в денежных единицах) величина, выбранная из нескольких вариантов в результате процесса ее формирования и применения различных методов ценообразования. Ценовые решения на предприятии рождаются как результат применения на практике основных направлений ценовой политики с привлечением различных методов ценообразования.
Для успешного определения ценовой политики и принятия отдельных решений о величине цены необходимы эффективная организация всего этого процесса и распределение ответственности и полномочий между сотрудниками предприятия. Уточнение организационной структуры и границ ответственности важно потому, что недостаточно слаженно работающая оргструктура имеет склонность принимать жесткие рутинные решения, а не решения, быстро реагирующие на изменения реальной обстановки.
Процесс ценообразования должен выявлять те направления деятельности, где необходимо принимать меры, ту продукцию, на которую следует делать упор, или ту продукцию, которая требует использования большого количества ресурсов и дает наибольшую или надает совсем прибыли.
На малых предприятиях и предприятиях, производящих и реализующих узкую номенклатуру продукции, ценовую политику определяют владельцы предприятий или их руководство.
На крупных предприятиях и на предприятиях, производящих и реализующих широкую номенклатуру продукции, организация процесса принятия решений в области ценообразования является очень сложной задачей.
Здесь необходимо решить, кто будет принимать решения о ценах, и на каком уровне организационной структуры они будут приниматься. Ценовую политику нецелесообразно отдавать на откуп какой-либо отдельной службе или отдельному специалисту, в ее определении должны участвовать представители производственного и проектно-конструкторского отдела, специалисты по учету, финансам, сбыту и информации.
После того, как определена общая ценовая политика, задача формирования цен на отдельные виды продукции может быть передана на более низкие уровни организационной структуры.
Между представителями различных служб предприятия по вопросам ценообразования могут возникнуть расхождения мнений. Так руководитель службы сбыта наверняка захочет установить низкую цену на товар для увеличения объема реализации. Специалисты, отвечающие за финансы, через цены с удовольствием бы быстро покрыли затраты на разработку и маркетинг.
Цена имеет большое значение для содержания рекламы и выбора способа рекламирования. Интерес к величине цены будет проявлять и производственная служба, потому что цена влияет на объем реализации и через это на степень загрузки производственных мощностей.
Система цен и их дифференциация по основным критериям.
Система цен характеризует собой взаимосвязь и взаимоотношение различных видов цен. Она состоит из различных элементов, среди которых можно выделить как отдельные цены, так и определенные группы.
Взаимосвязь цен обусловлена зависимостью отдельных предприятий, производств и отраслей, единым процессом формирования затрат на производство и другими факторами. Поэтому повышение или понижение одной цены может вызвать изменение в уровне других цен. Особую роль при этом играют такие отрасли, как энергетика, транспорт, связь и др.
Расходы на продажу образуют постоянные расходы организации, которые напрямую не зависят от объема продаж (Рисунок 22). Однако это достаточно условно, так как с некоторым предельным увеличением объема продаж (q1 < q2 < q3) некоторые постоянные расходы могут увеличиться (C1 < C2 < C3). Величина этих расходов может оставаться неизменной до очередного определенного уровня на отрезке [q2 ; q3] увеличения объема продаж, такие расходы носят характер условно-постоянных.

Рисунок 22. Зависимость постоянных и переменных расходов от объема продаж.
Повышение цен в этих отраслях приводит к их росту во всех других, поскольку продукция этих отраслей применима повсеместно. В свою очередь, рост цен в остальных отраслях возвращается в форме более дорогого оборудования, транспортных средств и т.д.
Цены, действующие в рыночной экономике страны, классифицируют по следующим основным признакам.
1) По характеру обслуживаемого оборота выделяют
А) оптовые цены на продукцию промышленности, по которым предприятия реализуют произведенную продукцию другим предприятиям и сбытовым организациям;
Б) Закупочные цены, по которым производители сельскохозяйственной продукции реализуют её фирмам, промышленным предприятиям для дальнейшей переработки;
В) Цены не строительную продукцию, включающие сметную стоимость, усредненную сметную стоимость, договорные цены. По мере развития рыночных отношений сфера действия договорных цен расширяется;
Г) Розничные цены, по которым торговые организации реализуют продукцию населению, предприятиям, организациям;
Д) Тарифы грузового и пассажирского транспорта;
Е) Тарифы на платные услуги населению;
Ж) Цены, обслуживающие внешнеторговый оборот.
Любая цена включает ряд взаимосвязанных элементов. Соотношение отдельных элементов цены, выраженное в процентах, представляет собой структуру цены, которая позволяет судить о значимости элементом цены и их уровне.
Основу цены продукции составляет её себестоимость. Она характеризует текущие издержки предприятия по производству и реализации продукции. Любое предприятие стремиться к тому, чтобы полностью возместить затраты, связанные с выпуском продукции, и получить достаточную сумму прибыли. Прибыль предприятия должна обеспечивать не только финансирование текущих расходов (например, материальная помощь работникам, надбавки к пенсиям работающим на предприятии, единовременные пособия, уходящим на пенсию ветеранам труда, дивиденды по акциям), но и развитие предприятия.
Важное место в структуре цен занимают налоги. Акцизы и налог на добавленную стоимость являются косвенными налогами, которые оплачиваются конечными потребителями. Перечень подакцизных товаров устанавливается правительством. Он включает алкогольную продукцию, табачные изделия, легковые автомобили, минеральное сырье и прочие изделия.
Налог на добавленную имеет очень широкую базу обложения. Наценки посреднических и торговых организаций обеспечивают им возмещение затрат, связанных с продвижением продукции то производителей к потребителям, и получение определенной суммы прибыли.
2) В зависимости от сферы регулирования различают:
А) Свободные цены, которые устанавливаются производителями продукции и услуг на основе спроса и предложения. При этом покупатель и продавец ни до, ни после совершения сделки купли-продажи не связаны никакими обязательствами;
Б) Договорно-контрактные цены, которые устанавливаются по соглашению сторон. При этом продавец и покупатель, заключая договор-контракт, принимают на себя определенные обязательства.
В) Цены, в условиях частичной или полной монополизации рынка, которые вынуждают одну или обе стороны принимать какие-то принудительные условия;
Г) Регулируемые цены цены, устанавливаемые под контролем государства или отдельных субъектов Федерации. Различают прямые и косвенные методы регулирования. Прямое регулирование осуществляется путем установления фиксированных цен, надбавок, предельных коэффициентов изменения цен, предельного уровня рентабельности. Косвенные регулирование предполагает воздействие на цены через изменение налогов и процентных ставок.
3) В зависимости от территории действия различают:
А) Единые или поясные цены
Б) Региональные (зональные) цены.
4) В зависимости от метода включения транспортных расходов в цену товара выделяют:
А) Цену «франко-склад поставщика»;
Б) цену «франко-станция отправления»;
В) цену «франко-склад потребителя».
Система франкирования показывает, до какого пункта по пути движения товара от продавца к покупателю продавец возмещает транспортные расходы; они соответственно включаются в цену товара.
5) По времени действия цены подразделяются на:
А) твердые (постоянные), которые не меняются в течение всего срока действия контракта;
Б) текущие, меняющиеся в рамках одного контракта и отражающие изменение ситуации на рынке;
В) сезонные, действующие в пределах определенного периода времени;
Г) скользящие, устанавливаемые на изделия с длительным сроком изготовления. Эти цены позволяют учитывать изменения в издержках производства за период времени, необходимый для их изготовления.
6) Цены, используемые в статистике
А) текущие;
Б) средние;
В) сопоставимые;
Г) неизменные.
Статистические цены являются обобщенными, агрегированными. Они позволяют анализировать и выявлять тенденции в динамике цен, устанавливать изменения в динамике физических объемов производства и реализации товаров, а также осуществлять анализ стоимостных показателей.[11,12]
2.2Стратегии и методы ценообразования.
Ценовая стратегия предприятия зависит от того, на какой фазе жизненного цикла находиться товар. Цена на фазе внедрения нового товара, как правило, высокая; на фазе роста несколько ниже; на фазе зрелости и упадка она продолжает снижаться.
Важным для предприятия является учет фактора государственного регулирования цен. Государство посредством активной ценовой политики может сделать прибыльным для производителей бизнес, не являющийся выгодным для чисто рыночного хозяйствования (долгосрочные научно-технические разработки, ВПК, транспорт, связь, городское хозяйство). Это осуществляется как через различные виды договорных цен, так и через государственные заказы и закупки.
Максимальная цена товара определяется спросом, минимальная издержками производства. Но значительное влияние на цену товара оказывают цены и качество товаров конкурентов. С этой целью могут осуществляться сравнительные покупки, на основе анализа которых делается заключение о качестве и цене продукции конкурентов.
В условиях конкуренции предприниматели при реализации своей продукции стремятся найти так называемую оптимальную цену товара. Реальная цена товара определяется на рынке на основе сопоставления спроса и предложения. Важно, чтобы оптимальная цена, рассчитанная предприятием, стремилась к уровню реальной цены.
Методы ценообразования.

Рисунок 23.Схема ценообразования.
В настоящее время, исходя из отечественного и мирового опыта, представляется возможным выделить три основных метода (способа) формирования цен:
с ориентацией на издержки;
с ориентацией на спрос;
с ориентацией на конкуренцию.
Способ ориентации на издержки предполагает построение цены по принципу «издержки + прибыль (или + торговая надбавка, наценка)», а также через получение общего объема прибыли и безубыточности. Установление цены по формуле «издержки + прибыль» основано на калькуляции полной себестоимости продукции (единицы) с добавлением прибыли как процента сверх издержек, т.е. по уровню рентабельности данного вида продукции (работ, услуг). Преимущество такого ценообразования заключается в том, что издержки производства сравнительно легко определить, чем спрос, методика их калькулирования достаточно разработана, проста и удобна. К тому же для конкретной отрасли или вида продукции (работ, услуг) цена может быть единой, что снижает ценовую конкуренцию. Однако одним из его недостатков является игнорирование спроса, а поэтому существует вероятность потери потенциальной прибыли.
Ценообразование через общий объем прибыли включает определение общего объема производства в течение рассматриваемого периода, расчета всей суммы издержек и прибыли на этот объем. Суммируя издержки и прибыль, получают общую сумму дохода, а поделив его на объем производства. искомую цену.
По этому способу используется оценочная величина объема реализации (продаж), но игнорируется, что цена может быть определяющим фактором (детерминантой) при продаже, поэтому он более применим для рынка с неэластичным спросом. Расчет цены на основе безубыточности (когда нет прибыли, но нет и убытков) основан на предложении, что предприятие может быть безубыточным при достижении реализации определенного объема продукции (работ, услуг) ОП при данной Ц, т.е.
ЦОП=И1+И2ОП,
где И1 и И2 постоянные и переменные издержки.
Цена, рассчитанная из этого уравнения
[Ц=И1/ОП+И2=(И1+И2ОП)/ОП], соответствует точке безубыточности, в которой она будет минимальной, а найденный объем производства определяет, при каком уровне использования проектной мощности (или производственной) мощности (лучше в %) доходы от реализации (продаж) равны издержкам производства.
Ценообразование с ориентацией на спрос усложняется тем, что его (спрос) значительно сложнее определять выразить количественно по сравнению с издержками. В лучшем случае можно иметь общее представление о форме кривой движения спроса, но она подвержена постоянным колебаниям из-за влияния конкуренции, рекламы, появления товаров-субститутов (заменителей), других факторов внешней и внутренней среды. К тому же при оценке спроса на новый товар отсутствуют данные за прошедший период. Приемы оценки спроса прямые интервью (кто, в каком диапазоне цен готов уплатить за данный товар), эксперимент (цена варьируется в определенных пределах, покупателям, районам и т.п.), статистическая информация (выявление закономерностей между ценой и спросом методом аналогии и др.).
Выделяют два приема определения цены с учетом спроса:
- дискриминация, т.е. установление разных цен на различные рынках или сегментах рынка с тем, чтобы максимизировать доход в зависимости от различия в кривых спроса;
- по ассортиментной группе товаров, когда назначение цены с той или иной целью (например, с целью увеличения прибыли, продаж) достигается в рамках всей ассортиментной группы. Существующие между товарами одной ассортиментной группы взаимоотношения и взаимозависимый спрос (спрос на один товар оказывает влияние на спрос другого) могут осуществляться в виде замещения и взаимодополняемости.
Ценообразование с ориентацией на конкуренцию (закрытые торги) заключается в приглашении поставщиков (производителей, строителей и т.п.) к участию в торгах на поставку определенного вида товара (строительство объекта и т.п.). Их предложения (тендеры) с указанием наименьшей цены представляют заранее в опечатанном конверте, после вскрытия которого принимается предложение с наименьшей ценой как наиболее выгодное для покупателей. В этом случае решение о назначении цены должно основываться не только и не столько на собственных затратах, как на анализе возможных предложений конкурентов. Проблема состоит в том, что торги может выиграть предложение с наиболее низкой ценой, но при этом возникает определенная степень риска потерять потенциальную прибыль, в свою очередь, предложение с высокой ценой может проиграть торги, что приведет к соответствующим потерям, например затрат на разработку изделия, участие в торгах.
Стратегии ценообразования.
Уровень устанавливаемой предприятием цены на продукцию во многом определяется тем, какие цели ставит предприятие на ближайшее время и перспективу.
Практическое воплощение политика цен находит в стратегии ценообразования, при выборе которой продавец должен учитывать множество внешних и внутренних факторов, определяющих механизм ценообразования (Рисунок 24).

Рисунок 24. Факторы, определяющие механизм ценообразования.
В условиях рыночной экономики наиболее распространенными являются следующие ценовые стратегии предприятия:
1) Стратегия «снятия сливок» - установление максимально высокой цены, в расчете на потребителя готового купить этот товар по данной цене. Цель: привлечь покупателя получение прибыли снижение цены на товар покупатели, покупавшие товар по высокой цене разумеется будут покупать его и по более низкой.
2) Стратегия «проникновения» («внедрения») на рынок.
Установление значительно более низкой цены, чем цены на аналогичные товары конкурентов. При эластичном спросе, но могут применять только предприятия-доминанты (имеющие 70% и более объемы на рынке).
3) Стратегия психологической цены. Основана на особенностях ценовосприятия покупателя, учитывает психологию покупателя и заключается в том, что цена устанавливается ниже круглой суммы (например, 3999,99 руб., 3890 руб.).
4) Стратегия следования за лидеров в отрасли или на рынке. Предполагается, что цена на товар устанавливается исходя из цены, предполагаемой главным конкурентом.
5) Нейтральная стратегия ценообразования. Обычно используется при определении цены на новую продукцию. Обычно по схеме «Издержки + Прибыль». Приносит прибыль около 15%.
6) Стратегия установления престижной цены на товары очень высокого качества, обладающие уникальными свойствами.
7) Стратегия скользящей цены на товары массового спроса. Цена относительно стабильна, изменяется очень медленно, по мере насыщения рынка. Чем больше объем производства, тем дольше держится цена или даже может снижаться.
8) Долговременная цена на товары массового спроса. Держится долгое время, слабо подвержена изменениям.
9) Цены потребительского сегмента рынка. На одни и те же товары или услуги, которые реализуются различным социальным группам населения устанавливаются разные цены.
10) Стратегия гибкой цены. Основана на ценах, которые быстро реагируют на изменение соотношения спроса и предложения на рынке (например, продажа цветов, свежей рыбы).
11) Стратегия преимущественной цены предусматривает определенное снижение цены на товары, производимые предприятием - доминантом. Используется, когда нужно воспрепятствовать внедрению новых конкурентов на рынков, заставить их платить большую цену за вхождение на рынок.
12) Стратегия на установление цены на товар, выпуск которого прекращен. Предполагает не распродажу по сниженным ценам, а ориентацию на покупателей, нуждающихся именно в этом товаре.
13) Цены, обслуживающие внешнеторговый оборот («Инкотермс»), например, EXW (свободно с завода (с указанием пункта), FCA (франко-перевозчик (с указанием пункта)) и др.
Многогранность экономических ситуаций, условия хозяйствования продавца, покупательский спрос требуют дополнительной корректировки стратегий конкурентного ценообразования. Систематизация основных стратегий ценообразования представлена на рисунке 25.

Рисунок 25. Система стратегий ценообразования.
Виды цен.
Существуют различные виды цен. Так, в зависимости от характера обслуживаемого оборота цену подразделяют на оптовые (отпускные), закупочные и розничные. Оптовые (отпускные) цены устанавливаются на промышленную продукцию для производителей, т. е. это цены, по которым сельскохозяйственные предприятия и организации продают государству произведённую ими сельскохозяйственную продукцию. Розничная цена цена, по которой продаётся товар населению поштучно или мелкими партиями, в розницу.
Также существуют договорные, государственные и мировые цены. Договорные цены подлинно рыночные, свободные цены, воплощающие свободу предпринимательства. Они устанавливаются соглашением покупателя и продавца, под воздействием спроса и предложения, конкуренции и прочих рыночных условий. Свободные цены могут быть изменены по согласованию сторон в зависимости от изменения цен на сырьё, материалы и других факторов, влияющих на формирование затрат.
Государственные цены в рыночной экономике устанавливаются вовсе не на продукцию государственных предприятий, а на продукцию предприятий-монополистов, базовые (для экономики данной страны) ресурсы, а также на социально значимые товары. В зависимости от этого государственные цены могут быть фиксированные, регулируемые и предельные.
1) Фиксированная цена это твёрдо уставленная государством цена.
Примером могут служить тарифы на электрическую энергию,
отпускаемую на коммунально-бытовые нужды для населения.
2) Регулируемая цена это цена, устанавливаемая органами государственной власти и управления или органами исполнительной власти на местах по соответствующей номенклатуре продукции. Цены устанавливаются в соответствии с методами, правилами и нормативами, определяемыми органами.
3) Цена предельная государственная цена товара, ограниченная
размерами, установленными органами власти и управления, цена
реализации может быть ниже предельного уровня, но не выше его.
Мировые цены цены, применяемые при реализации товаров на мировом рынке. [17]
2.3Ценовая политика предприятия. Её сущность и значение. Цели и этапы.
Выбор политики цен основан на оценке приоритетов деятельности предприятия. Каждая ценовая стратегия обладает совокупностью как положительных, так и отрицательных характеристик.
Каждая фирма должна иметь четкую, упорядоченную методику установления исходной цены на свою продукцию. Отсутствие четко определенной ценовой политики вызывает неопределенность в принятии решений в этой области различными службами предприятия, может привести к несогласованности этих решений. В результате позиции предприятия на рынке становятся слабыми, предприятие несет потери в выручке и прибыли.
Процесс ценообразования на предприятии можно представить следующими основными этапами:
I. Постановка целей ценообразования:
1) Долгосрочные цели
а) обеспечение сбыта (выживаемости) продукции;
б) максимизация прибыли;
в) удержание рынка.
2) Краткосрочные цели
а) удержание рыночной ситуации;
б) уменьшение влияния изменения цен на спрос;
в) сохранение существующего лидерства в ценах;
г) Ограничение потенциальной конкуренции;
д) повышение имиджа предприятия или продукции;
е) стимулирование сбыта тех товаров, которые занимают слабые позиции на рынке.
II. Определение спроса.
Закономерности спроса анализируют с помощью кривых спроса и предложения, а также коэффициента эластичности по цене.
Чем менее эластично реагирует спрос, тем более высокую цену может установить продавец товара.
III. Оценка издержек.
Для осуществления обдуманной ценовой политики необходимо проанализировать уровень и структуру издержек.
IV. Анализ цен и товаров конкурентов.
Проводиться путем проведения социологических и маркетинговых исследований (опрос покупателей, изучение ценовых каталогов, прессы (специализированных журналов «Монитор», «Снабженец»), обзор Интернет).
Предприятие объективно оценивает свои позиции и корректирует цену.
V. Выработка ценовой стратегии. (Все 13 видов ценовой стратегии описаны в пункте «Стратегии ценообразования»).
VI. Выбор метода ценообразования. Методы ценообразования описаны в пункте «Методы ценообразования».
VII. Установление окончательной цены. Выбрав из перечисленных методик наиболее подходящий вариант, фирма может приступить к расчету окончательных цен.[9,13,14,16]
2.4 Цена и ценообразование на продукцию на территории ПМР.
Оценка ситуации на рынке продовольственных товаров основывается на детальном анализе соответствия спроса и предложения на эти товары. При этом рассматриваются и оцениваются факторы, которые оказывают влияние на уровень спроса и предложения. К таким факторам относятся, в первую очередь, ценовые, поскольку от уровня цен на продовольствие зависит величина совокупного спроса и совокупного предложения.
Рост цен на продовольственные товары на внутреннем рынке и более высокий уровень цен на эти товары по сравнению с ценами в государствах основных торговых партнёрах повысили привлекательность отечественного рынка для поставок продуктов. При этом ценовым ориентиром для ПМР стала не столько Молдова, сколько Украина, где уровень цен на продовольственные товары выше.
Отмеченные тенденции роста цен на продовольствия на мировом рынке , а также в России и Украине сохранятся. Таким образом, импортируемая инфляция будет оставаться главным фактором развития рынка продовольствия в ближайшей перспективе. Согласно Прогнозу социально-экономического развития ПМР, разработанному Министерством Экономики ПМР, ожидаемый уровень инфляции в 2009 году составит29%.
- Обеспечение заданного объёма продаж, когда ради удержания долговременной позиции на рынке и увеличения объёмов реализации можно поступиться долей прибыли. Хорошо, когда она одновременно имеет и качественные преимущества перед продукцией конкурентов. Тогда после завоевания большой доли рынка можно со временем и несколько поднять цены. Крайней формой такой политики является “исключающее” ценообразование, когда цена на продукцию устанавливается настолько низкой, что приводит к уходу с рынка части конкурентов.
Объёмы денежных расходов и сбережений населения возросли. Продолжается тенденция некоторого снижения доли расходов на покупку товаров и оплату услуг общей сумме денежных расходов (с 74,7% до 71,3), а также увеличение доли расходов на приобретение иностранной валюты(с 16,7 до 21,4%).
Следует отметить, что темпы роста денежных доходов населения совпадают с темпами роста денежных расходов, что можно охарактеризовать как положительную тенденцию на потребительском рынке республики с отсутствием неудовлетворённого спроса населения на товары и услуги.
Характеристику и анализ реализованного спроса населения на потребительском рынке можно дать на основе объема и структуры розничного товарооборота, так как более 70% всех денежных доходов населения реализуется в результате покупки товаров и оплаты услуг.
Довольно сложной задачей при исследовании ситуации на рынке продовольственных товаров является анализ объёмов и структуры розничного товарооборота в разрезе ассортиментных групп. Имеющаяся статистическая информация о розничном товарообороте продовольственных товаров отражает объёмы реализации отдельных их групп только организациями с государственной и муниципальной собственностью. Доля этих организаций в общем объёме товарооборота сократилась до 1,3%, субъектам малого предпринимательства и физическим лицам рынков принадлежало 98,4% розничного товарооборота и 0,3% потребительской кооперации. Информация об объёмах реализуемых товаров в разрезе ассортиментных групп субъектами малого предпринимательства и физическими лицами рынков по-прежнему отсутствует, поскольку является их коммерческой тайной. Не проводится также какое-либо обследование и экспертная оценка этих характеристик рынка продовольственных товаров. Поэтому полный и всесторонний анализ удовлетворения спроса населения по отдельным видам товаров выполнить достаточно сложно.
Ценовой прорыв, как видно из самого названия есть установление очень низкой цены для проникновения и развития деятельности на новом рынке в кратчайшие сроки, чтобы обезопасить преимущества в расходах от объема производства. Такая стратегия мало подходит для небольшой компании, так как она не имеет нужных объемов производства, а розничная торговля конкурентов может отреагировать очень быстро и жестко.
В настоящей работе для косвенной оценки структуры и объёмов розничного товарооборота по группам продовольственных товаров была использована информация о структуре импорта этих товаров. Такой подход можно аргументировать тем, что объёмы внутреннего производства продовольственных товаров незначительны, а удовлетворение потребности населения республики в продуктах питания происходит в основном за счёт их импорта. Результаты выполненных на основе этого подхода расчётов были использованы для оценки и прогнозирования товарооборота на 2008-2009гг.
Взаимосвязь понятий “цена” и “прибыль” очевидна. Чем больше цена, тем больше прибыль, чем меньше цена, тем меньше прибыль. С другой стороны, дешевый товар или услугу легче продать, и за тот же промежуток времени они будут продаваться в большем объеме, чем дорогие аналоги.
Глава 3. Охрана труда. Безопасность работы с электронной техникой.
3.1 Анализ условий труда.
Особенностью труда работников является повышенное зрительное напряжение, связанное с работой с компьютером и со слежением за информацией, а также влияние других неблагоприятных факторов: шум машин, тепловыделения, вредные вещества, различные виды излучения, особенности технологического процесса и организации рабочих мест. Работники утомляется из-за постоянного эффекта мелькания, неустойчивости и нечеткости изображения, необходимости частой переадаптации к освещенности экрана дисплея, а также общей освещенности помещения. Неблагоприятными также являются нечеткость и слабая контрастность изображения на экране, расплывчатость, яркие вспышки света. На орган зрения воздействуют появление ярких пятен за счет отражения светового потока на клавиатуре и экране, различие в освещенности рабочей поверхности и ее окружения. Труд специалистов по обслуживанию вычислительной техники характеризуется повышенным уровнем психического напряжения. Последнее усиливается при угрозе какой-либо опасности во время работы с комплексом. Стрессовые ситуации могут быть связаны со сложностями трудовой деятельности, необходимостью поддерживать постоянное внимание, ответственностью за качество выполняемой работы. Признаками запредельного психического перенапряжения (переутомления) являются неправильные, ошибочные действия оператора, уменьшение скорости двигательных реакций, снижение в целом физической активности, наблюдается также головная боль, усталость мышц спины, шеи и рук, резь в глазах, приводящие к ухудшению состояния здоровья, работающего с ПЭВМ, и снижению работоспособности. Одним из важных факторов, которые влияют на работоспособность и состояние здоровья пользователей ПЭВМ является организация рабочего места. Неправильная организация рабочего места приводит к общей усталости, головным болям, усталости мышц рук, болям в спине и шее. Такие негативные моменты чаще всего возникают из-за несоответствия помещений и организации рабочих мест эргономическим требованиям и санитарно-производственным нормам.
3.2 Характеристика санитарно-гигиенических условий труда.
Для создания благоприятных санитарно-гигиенических условий труда все элементы производственной среды должны систематически подвергаться исследованию и приводиться в соответствие с нормативами. Основные руководящие документы, регламентирующие эти условия на предприятиях:
различные ГОСТы;
СанПиН санитарные правила и нормы;
СП санитарные правила;
СНиП строительные нормы и правила;
ПДУ предельно допустимые уровни;
ПДК предельно допустимые концентрации;
ГН гигиенические нормативы;
МУК методические указания по контролю;
ОБУВ ориентировочные безопасные уровни воздействия веществ в воздухе рабочей зоны и др.
Действующие санитарно-гигиенические нормативы разрабатываются по отдельным факторам и в основном регламентируют ПДК и ПДУ вредных факторов, т.е. уровни концентрации, которые при ежедневной работе в течение 8 ч. (40 ч. в неделю) не вызывают у работающих профессиональных заболеваний, общих отклонений в здоровье. Однако необходимо иметь в виду, что дозы и уровни вредных факторов, даже значительно меньше предельно допустимых, при комбинированном действии могут становиться опасными для здоровья.
В настоящее время наряду с предельно допустимыми по отдельным факторам разработаны и оптимальные нормы, на которые и следует ориентироваться при осуществлении мероприятий по совершенствованию санитарно-гигиенических условий труда. Если же оптимальные уровни еще не определены в нормативных документах, необходимо предусматривать дозы и уровни вредных факторов значительно более низкими, чем ПДК и ПДУ.
3.3 Производственная санитария и гигиена труда.
Гигиена труда, или профессиональная гигиена, отрасль науки, изучающая влияние на организм человека трудовых процессов и окружающей среды и разрабатывающая нормативы и мероприятия для обеспечения благоприятных условий труда и предупреждения профессиональных заболеваний.
Производственной (промышленной) санитарией называется система технических мероприятий, разрабатываемых на основе гигиены труда и предусматривающим устройство специальных производственных и гигиенических бытовых помещений, установку соответствующего оборудования, обеспечивающих безопасные пределы содержания в воздухе производственных помещений пыли, газов, паров, температуры и влажности воздуха, интенсивности и громкости шума и т. п.
Одной из важнейших задач промышленной санитарии является дальнейшая разработка мероприятий по профилактике и предупреждению
В цеховой аптечке должны быть постоянно гигроскопическая вата, бинты, марля, раствор йода, нашатырный спирт, растворы питьевой соды, уксусной кислоты и марганцовокислого калия.
Кондиционирование компьютерных помещений.
Существует определенный тип помещений с высокой технологией работы, в которых необходимо обеспечивать с помощью специальных, так называемых прецизионных систем кондиционирования воздуха, круглогодично, круглосуточно с большой точностью микроклиматические параметры воздушной среды, такие как: температура, относительная влажность воздуха и его запыленность. К таким помещениям относятся: помещения телекоммуникационных узлов связи и цифровых АТС, в том числе мобильных; телевизионных и радиовещательных станций; компьютерных и серверных с источниками бесперебойного электропитания; хранилищ ACP на магнитных носителях информации (магнитные диски, ленты, магнитооптические носители); «чистые помещения» (операционные и сборочные производства электронной технологии); наземных станций спутниковой связи с электронным сетевым оборудованием; типографий с цветной, высокого типа печатной продукцией и т.д.
Как показывает мировая практика строительства и эксплуатации цифровых АТС с электронным оборудованием, существуют временные режимы работы этого оборудования, обусловливающие его высокие надежностные показатели в зависимости от климатических параметров окружающей воздушной среды [9]: [9]:
при температурах ниже t < 24°С должно быть не менее 70% рабочего времени эксплуатации оборудования (р.вр.э-и.);
при температурах t= 2426°С должно быть не более 15% р.вр.э-и.;
при температурах t= 2630°С должно быть не более 10% р.вр.э-и.;
при температурах t= 3034°С должно быть не более 4% р.вр.э-и.; при температурах t= 3440°С должно быть не более 1% р.вр.э-и.
Эти режимы работы следует принимать во внимание при оценке графиков гарантийного и послегарантийного обслуживания систем кондиционирования воздуха и при возникновении аварийного состояния систем. Для расчета подачи свежего воздуха предлагается использовать в качестве нормы подачи наружного воздуха кратность одного воздухообмена в час в помещениях электронных узлов связи (автоматных залов), кроссового оборудования. Для остальных помещений, где работают люди, следует применять нормы СНиП. Большое значение для обеспечения надежности электронного оборудования имеет не только уровень микроклиматических параметров, но и воздуха постоянство температурного режима воздушной среды. Известно, что при увеличении температуры на каждый 1°С, надежность накопителей на магнитных дисках ЭВМ уменьшается на 2,3%, а на 5°С от 10 до 15% [5]. Температура воздуха подводимого к телефонным стойкам (штативам) или стойкам ЭВМ в случае их непосредственного охлаждения должна быть стабильна в диапазоне 20±2°С [6].
Таким образом, осуществление прецизионными кондиционерами микроклиматических параметров 22±(1°С...2°С) и y=50±(5...10)% обусловливает выполнение практически всех требований по климатике связного телекоммуникационного оборудования, средств вычислительной техники, телевизионного и другого электронного оборудования.
Микроклимат.
Необходимым условием жизнедеятельности человека является поддержка постоянства температуры тела, благодаря свойству терморегуляции, т.е. свойству организма регулировать отдачу тепла в окружающую среду. Поэтому большое значение имеет микроклимат в помещении, где работает инженер - монтажник. Метеорологические условия на производстве определяются следующими параметрами:
1) температурой воздуха t (C);
2) относительной влажностью (%);
3) скоростью движения воздуха на рабочем месте, V (м/с).
Основной принцип нормирования микроклимата - создание оптимальных условий для теплообмена тела человека с окружающей средой. Выделяемая организмом человека теплота должна отводиться в окружающую среду. Соответствие между количеством этой теплоты и охлаждающей способностью среды характеризует ее как комфортную. В условиях комфорта у человека не возникает беспокоящих его температурных ощущений холода или перегрева. В "Общих санитарно-гигиенических требованиях к воздуху рабочей зоны" (ГОСТ 12.1.005-88) установлены оптимальные и допустимые параметры микроклимата в зависимости от времени года, категории работ и рабочих мест (постоянных и непостоянных).
В настоящее время для обеспечения комфортных условий используются как организационные методы, так и технические средства, среди которых вентиляция воздуха.
Шум.
Шум, особенно прерывистый, импульсивный, снижает точность выполнения рабочих операций, затрудняет восприятие информации. Наиболее чувствительными к шуму являются такие операции, как слежение, сбор информации, мышление. В результате неблагоприятного воздействия шума на человека снижается работоспособность, производительность, увеличивается брак в работе, создаются предпосылки к возникновению несчастных случаев.
Недопустимыми считаются условия труда при уровне шумов:
низкочастотных свыше 100 дБ;
среднечастотных свыше 85 дБ;
высокочастотных свыше 80 дБ.
При борьбе с шумом важное значение имеет применение различных акустических средств: звукопоглощения (применение звукопоглощающей облицовки потолка, стен, подвесных звукопоглотителей, подвижных звукопоглощающих экранов), звукоизоляции (звукоизолирующих ограждений зданий и помещений, звукоизолирующих кожухов, кабин, экранов и т.д.).
Вибрация механические колебания, вызываемые работающим оборудованием, механизированными инструментами, транспортом. Основные параметры, характеризующие вибрацию:
амплитуда смещения наибольшее отклонение колеблющейся точки от положения равновесия (м или мм);
колебательная скорость (м/с);
колебательное ускорение ( м/с2 ); частота колебания (Гц). При частоте больше 16 Гц вибрация сопровождается шумом. Человек начинает ощущать вибрацию при колебательной скорости, равной 0,1 м/с, а при скорости 1 м/с возникают болевые ощущения.
Шумом называют всякий неблагоприятно действующий на человека звук. С физической точки зрения звук представляет собой механические колебания упругой среды.
Слуховой орган человека воспринимает в виде слышимого звука колебания упругой среды, имеющие частоту примерно от 20 до 20000 Гц, но наиболее важный для слухового восприятия интервал от 45 до 10000 Гц.
Восприятие человеком звука зависит не только от его частоты, но и от интенсивности и звукового давления.
Неблагоприятное действие шума на человека зависит не только от уровня звукового давления, но и от частотного диапазона шума, а также от равномерности воздействия в течение рабочего времени.
В результате неблагоприятного воздействия шума на работающего человека происходит снижение производительности труда, увеличивается брак в работе, создаются предпосылки к возникновению несчастных случаев. Всё это обусловливает большое оздоровительное и экономическое значение мероприятий по борьбе с шумом.
Средства и методы защиты от шума
Общая классификация средств и методов защиты от шума приведена в ГОСТ 12.1.029 - 80 "ССБТ. Средства и методы защиты от шума. Классификация".
Защита работающих от шума может осуществляться как коллективными средствами и методами, так и индивидуальными средствами.
Выбор средств снижения шума в источнике его возникновения зависит от происхождения шума.
Для снижения шума в помещениях, оборудованных вычислительной техникой, используется метод звукопоглощения, основанный на переходе энергии звуковых колебаний частиц воздуха в теплоту на трение в порах звукопоглощающего материала.
Звукопоглощающие устройства бывают простыми, пористо-волокнистыми, с экраном, мембранные, слоистые, резонансные и объемные. Эффективность применения различных звукопоглощающих устройств определяется в результате акустического расчёта.
Акустическая обработка обязательно должна применяться в машинных залах вычислительных центров.
Немаловажное значение имеет и устранение шума непосредственно в источнике шума.
3.4Организация условий труда на рабочем месте.
Под условиями труда понимается совокупность фактов производственной среды, оказывающих влияние на здоровье и работоспособность человека в процессе труда.
Исследования условий труда показали, что факторами производственной среды в процессе труда являются: санитарно - гигиеническая обстановка, психофизиологические элементы, эстетические элементы, социально - психологические элементы.
Из вышеперечисленного следует, что производственная среда, создающая здоровые и работоспособные условия труда, главным образом обеспечивается выбором технологического процесса, материалов и оборудования; распределением нагрузки между человеком и оборудованием; режимом труда и отдыха, эстетической организацией среды и профессиональным отбором работающих.
Опасные и вредные производственные факторы.
При организации условий труда необходимо также учитывать воздействие на работающих опасных и вредных производственных факторов, которые могут привести к травме или другому внезапному резкому ухудшению здоровья и заболеванию или снижению работоспособности.
Опасным называется производственный фактор, воздействие которого на работающего в определённых условиях приводит к травме или другому внезапному резкому ухудшению здоровья. Если же производственный фактор приводит к заболеванию или снижению работоспособности, то его считают вредным.
Вредные и опасные производственные факторы подразделяются по природе действия на четыре группы: физические, химические, биологические и психофизиологические.
Техника безопасности при ремонте и обслуживании компьютера
3.5 Требования безопасности при работе с ПК.
Помещения с персональными электронно-вычислительными машинами (ПЭВМ) должны иметь естественное (через световые проемы, ориентированные преимущественно на север и северо-восток и обеспечивающие коэффициент естественной освещенности не ниже 1,5-1,2 %) и искусственное освещение; температуру воздуха 21-25 °С, относительную влажность 40-60 %, скорость движения воздуха 0,1-0,2 м/с; содержание вредных химических веществ не должно превышать ПДК; уровень шума - не более 50 дБА; уровень вибрации - корректированные значения по виброускорению - не более 30 дБ, по виброскорости - не более 72 дБ; внутреннюю отделку интерьера с использованием диффузно-отражающих материалов с коэффициентом отражения для потолка - 0,7-0,8, для стен - 0,5-0,6 и для пола - 0,3-0,5; поверхность пола должна быть ровной, нескользкой, удобной для влажной уборки, обладать антистатическими свойствами. Размещение помещений с ПЭВМ в подвальных помещениях не допускается, размещение в помещениях без естественного освещения - по согласованию с СЭН.
Требования к ПЭВМ и рабочим местам
Визуальные эргономические параметры ПЭВМ должны обеспечивать надежное и комфортное считывание отображаемой информации и должны быть отражены в сертификате на ПЭВМ, т.к. являются параметрами безопасности и их неправильный выбор приводит к ухудшению здоровья пользователей.
ПЭВМ должен обеспечивать фронтальное наблюдение экрана с поворотом корпуса по горизонтали и вертикали в пределах 60 град, и фиксацией в заданном положении. Яркость знака должна быть от 35 до 120 кд/м2, внешняя освещенность экрана от 100 до 250 лк, угловой размер знака от 16 до 60 угл. мин. Дизайн ПЭВМ, клавиатуры и др. блоков ПЭВМ должен предусматривать окраску спокойных мягких тонов с диффузным рассеиванием света. Органы управления должны иметь регулировку яркости и контраста. Для защиты от электромагнитных и электростатических полей должны применяться приэкранные фильтры, специальные экраны и другие средства защиты. Площадь на 1 рабочее место с ПЭВМ должна быть не менее 6 м , объем - не менее 20 м3, расстояние между экранами соседних видеомониторов - не менее 2 м, боковыми поверхностями - не менее 1,2 м. Рабочая мебель должна обеспечивать удобство и комфортность работы оператора.
3.6 Правило безопасности при травлении печатных плат.
При изготовлении многослойных печатных плат (МПП) производится механическая обработка слоистых пластиков (резка, пробивка отверстий). Работающие на обработке слоистых пластиков должны соблюдать правила техники безопасности при холодной обработке материалов.
Важным фактором, ухудшающим условия труда в механических цехах (участках), является шум, производимый работающим оборудованием. Важное значение имеет правильное и достаточное освещение участков и рабочих мест холодной обработки материалов.
Промывка плат производится в изопропиловом спирте и ацетоне. При использовании спирта и ацетона необходимо учитывать, что эти вещества являются пожароопасными и вредными для здоровья.
Химическая очистка плат производится растворами фосфатов (тринатрийфосфат), натриевой соды, натриевой щелочи и др. При постоянной работе с растворами часты различные хронические поражения кожи. Весьма опасно попадание даже самых малых количеств NaOH в глаза.
В процессе химического омеднения применяются вредные вещества: серная, соляная, азотная кислоты, хлорная медь, хлористый палладий, гидроокись натрия, сегнетова соль, трихлорэтилен. Поэтому необходимо соблюдать требования правил безопасности.
Для травления меди с пробельных участков плат используется ряд травителей; хлорное железо, персульфат аммония, хлорная медь, сплав «Розе», хромовый ангидрид с серной кислотой и ряд других являются токсическими веществами. К работе с этими травителями допускаются лица, обученные безопасным приемам работы и прошедшие инструктаж на рабочих местах по работе с вредными и ядовитыми веществами. В случае попадания травителей на кожу или слизистую оболочку глаз необходимо немедленно обильно промыть их проточной водой или 0,51,0%-ным раствором квасцов и смазать вазелином или оливковым маслом, а затем обратиться в медпункт.
Работу с травителями следует проводить в спецодежде (халат, фартук полиэтиленовый, хлопчатобумажные и резиновые перчатки) и защитных очках. Рабочие места должны быть оборудованы. вытяжной вентиляцией.
3.7 Требования безопасности при пайке.
Электрифицированный инструмент (далее - паяльник) для пайки деталей должен соответствовать III классу защиты от поражения электрическим током. Перед началом работ паяльник необходимо проверить:
· внешним осмотром - исправное состояние кабеля и штепсельной вилки, целостность защитного кожуха и изоляции рукоятки;
· работоспособность встроенных в его конструкцию отсосов;
· работоспособность механизированной подачи припоя в случаях ее установки в паяльнике.
Работники, выполняющие пайку деталей паяльником, должны иметь II группу электробезопасности. Проверка исправного состояния паяльника и его испытание осуществляются работником из числа электротехнического персонала, имеющего группу электробезопасности не ниже III.
При пайке крупногабаритных деталей рекомендуется применять паяльник со встроенным отсосом.
Паяльник должен проходить проверку и испытания в сроки и объемах в соответствии с ТНПА, устанавливающими требования в данной области.
К эксплуатации допускается паяльник напряжением не выше 42 В, который по своему типу и исполнению соответствует классу зоны в соответствии с Правилами устройства электроустановок, а также характеристике окружающей среды.
Паяльник на рабочих местах должен устанавливаться на огнезащитные подставки, исключающие его падение.
В промежутках времени между паяльными операциями нагрев жала паяльников должен быть снижен до 150-180 °С, а при временном прекращении работ - отключен, для чего постоянные рабочие места следует оборудовать ограничителями (регуляторами) нагрева паяльников.
Кабель паяльника должен быть защищен от случайного механического повреждения и соприкосновения с горячими деталями.
Паяльник, находящийся в рабочем состоянии, постоянно должен находиться в зоне действия местной вытяжной вентиляции.
Излишки припоя и флюса с жала паяльника следует снимать с применением материалов, указанных в технологической документации (хлопчатобумажные салфетки и другие).
При пайке интегральных микросхем должны использоваться оптические приборы, преимущественно бинокулярные стереоскопические микроскопы с телевизионными экранами.
К эксплуатации должны допускаться микроскопы с исправными механическими узлами и юстированными оптическими системами. Микроскопы следует проверять и корректировать не реже одного раза в год.
3.8 Техника безопасности при ремонте и обслуживании компьютера.
Первое, что нужно помнить при ремонте компьютера то, что компьютер - это электроприбор. Это значит, что есть вероятность поражения электрическим током. Самое высокое напряжение в 220 Вольт на входе блока питания, который преобразует переменное напряжение электрической сети (220 Вольт, 50 Герц) в постоянные (импульсные) напряжения не превыщающие 12 Вольт. Напряжение 36 Вольт по правилам общей техники электробезопасности считается безопасным для жизни человека. То есть при прохождении тока через ткань человека с приложенным напряжением в 36 Вольт не приведет к гибели человека, а просто начнет сокращать мышцы. На самом деле мало приятного, когда попадаешь под напряжение, поэтому следует остерегаться касания открытых контактов молекса (пластмассовая контактная колодка) к телу при включенной сети. Иными словами: «Выключайте компьютер из сети при проведении ремонтных и профилактических работ!»
Второе, немало важное правило вытекает из особенностей строения компьютера. Компьютерные комплектующие в большинстве своем построены на основе ИМС (интегральных микросхем), которые очень «боятся» статического электричества. Статическое электричество это заряд, накопленный на одном из тел. Предположим, что Вы заряжены положительно, а компьютер отключен из сети (имеет заряд 0), тогда при касании за любую ИМС между Вашим телом и ИМС проскочит искра, которая вполне может вызвать выход из строя оборудования. Чтобы этого не происходило следует надеть заземленный браслет, который отведет от Вашего тела заряд. Если такого браслета нет, то можно выравнять заряды на Вашем теле и компьютере, прикоснувшись к металлическому корпусу компьютера, который по умолчанию заземлен. Сформулируем правило два: «Прежде чем касаться микросхем, прикоснитесь к корпусу компьютера!»
Третье, касающееся работы с любой аппаратурой это аккуратность и неспешность. Простой пример: «При установке или снятии процессора с сокета 775 можно легко погнуть контакты сокета (они пружинные), чтобы избежать этого не касайтесь контактов и при транспортировке одевайте специальную заглушку сокета!» Третье правило: «Будьте аккуратны!»
3.9 Противопожарная безопасность.
Пожары наносят громадный материальный ущерб и в ряде случаев сопровождаются гибелью людей. Поэтому защита от пожаров является важнейшей обязанностью каждого члена общества и проводится в общегосударственном масштабе.
Противопожарная защита имеет своей целью изыскание наиболее эффективных, экономически целесообразных и технически обоснованных способов и средств предупреждения пожаров и их ликвидации с минимальным ущербом при наиболее рациональном использовании сил и технических средств тушения.
Пожарная безопасность это состояние объекта, при котором исключается возможность пожара, а в случае его возникновения используются необходимые меры по устранению негативного влияния опасных факторов пожара на людей, сооружения и материальных ценностей
Пожарная безопасность может быть обеспечена мерами пожарной профилактики и активной пожарной защиты. Пожарная профилактика включает комплекс мероприятий, направленных на предупреждение пожара или уменьшение его последствий. Активная пожарная защита меры, обеспечивающие успешную борьбу с пожарами или взрывоопасной ситуацией.
Основы противопожарной защиты предприятий определены стандартами:
ГОСТ 12.1. 004 76 "Пожарная безопасность"
ГОСТ 12.1.010 76 "Взрывобезопасность. Общие требования"
Этими ГОСТами возможная частота пожаров и взрывов допускается такой, чтобы вероятность их возникновения в течение года не превышала 106 или чтобы вероятность воздействия опасных факторов на людей в течение года не превышала 106 на человека.
Мероприятия по пожарной профилактике разделяются на организационные, технические, режимные, строительно-планировочные и эксплуатационные.
Организационные мероприятия: предусматривают правильную эксплуатацию машин и внутризаводского транспорта, правильное содержание зданий, территории, противопожарный инструктаж и тому подобное.
Режимные мероприятия запрещение курения в неустановленных местах, запрещение сварочных и других огневых работ в пожароопасных помещениях и тому подобное.
Эксплуатационные мероприятия своевременная профилактика, осмотры, ремонты и испытание технологического оборудования.
Строительно-планировочные определяются огнестойкостью зданий и сооружений (выбор материалов конструкций: сгораемые, несгораемые, трудносгораемые) и предел огнестойкости это количество времени, в течение которого под воздействием огня не нарушается несущая способность строительных конструкций вплоть до появления первой трещины.
Все строительные конструкции по пределу огнестойкости подразделяются на 8 степеней от 1/7 ч до 2ч.
В зависимости от степени огнестойкости наибольшие дополнительные расстояния от выходов для эвакуации при пожарах
Технические мероприятия это соблюдение противопожарных норм при эвакуации систем вентиляции, отопления, освещения, эл. обеспечения и т.д.
использование разнообразных защитных систем;
соблюдение параметров технологических процессов и режимов работы оборудования.
Заключение
В данном дипломном проекте мной была проделана работа по изучению и исследованию логического элемента «кодер», я узнал, что логические элементы основной “строительный материал” цифровых систем обработки информации и управления. Работа с логическими элементами требует не только знакомства с их принципиальными схемами и техническими характеристиками, но и знания основных положений алгебры логики, теории переключательных схем, а также умения по определенным правилам синтезировать логические схемы с заданными характеристиками.
В условиях рынка ценообразование является сложным процессом, подверженным воздействию многих факторов. Выбор общей ориентации в ценообразовании, товарооборота, повышения уровня производства, максимизации прибыли и укрепления рыночных позиций фирмы осуществляется в рамках маркетинга. Установление цены - один из важных элементов маркетинга, прямо воздействующий на сбытовую деятельность, поскольку уровень и соотношение цен на отдельные виды продукции, особенно на конкурирующие изделия, оказывают определяющее влияние на объемы совершаемых клиентами закупок. Цены находятся в тесной зависимости со всеми составляющими маркетинга и деятельности фирмы в целом. От цен во многом зависят реальные коммерческие результаты, а верная или ошибочная ценовая политика оказывает долговременное воздействие на положение фирмы на рынке.
Список литературы
Глава I
1.Цифровая схемотехника. Угрюмов Е. П. СПб.: БХВ-Петербург, 2004. 528 с.
2.Головицына М.В. «Информационные технологии проектирования радиоэлектронных средств» Издательство: УМО вузов России Бином-Год: 2008>431c.
3.Зубчук В. И. «Справочник по цифровой схемотехнике»
4.Пухальский Г.И., Новосельцева Т.Я. «Проектирование дискретных устройств на интегральных микросхемах: Справочник. М.: Радио и связь, 1990.»
5.Грушвицкий Р.И., Мурсаев А.Х., Угрюмов Е.П. «Проектирование систем на микросхемах программируемой логики. СПб.: BHV - Санкт-Петербург, 2002»
6.Мышляева И.М. «Цифровая схемотехника» Издательство: МО РФ Academia-Год: 2005> 400 c.
7.Новиков Ю. В. « Основы цифровой схемотехники. Базовые элементы и схемы. Методы проектирования» Издательство : Мир-Год : 2001, 379с.
8.С.О.Мкртчян «Проектирование логических устройств ЭВМ на нейронных элементах», Москва, «Энергия», 1977
Глава II
1. «Экономика предприятия» Под ред. проф. В.Я.Горфинкеля, проф. В.А.Швандара. М.: ЮНИТИ, 2001.
2. «Предпринимательство» Под ред. В.Я.Горфинкеля, Г.Б.Поляка, В.А.Швандара. М.: ЮНИТИ, 2001.
3. Пунин Е.М. Маркетинг, менеджмент, ценообразование на предприятии. М., Международные отношения, 1999.
4. Шуляк П.Н. Ценообразование: Учебно-практическое пособие.-2-е изд. М.: ИВЦ “Маркетинг”, 1998.
5. Зайцев И. Л. «Экономика промышленного предприятия» М.: Инфра-М, 1998.
6. Липсиц И. В. «Коммерческое ценообразование» М.: БЕК, 1997.
7. Котлер Ф. «Основы маркетинга» М.: Ростинтер, 1996.
8. Баканов М.И.,Шеремет А.Д. Теория экономического анализа-М: Финансы и статистика,1996
9. «Академия рынка: Маркетинг» М.: Экономика, 1993.
Глава III
1. ГОСТ 12.0.004 - 2001 ССБТ «Организация обучения безопасности труда.»
2. ГОСТ Р.50923 - 96. Рабочее место .техника, Общие эргономические требования, и требования к произвольной Среде. Методы измерения. Гигиенические критерии' оценки условий труда.
3. Основы охраны В. Жидецкий и др. «Лфпна». 2000г.
4. Охрана труда. Учебник. - К: Высшая школа, 240с, 2000г.
5. Охрана труда. Мотузко Ф.Я.-М., Высшая школа 2000г, 240с.
6. Охрана труда. Учебник. - К: Высшая школа, 2000г. 240с.
7. Н.А. Белова. Безопасность жизнедеятельности. - М: Знание, 2000г.
8. Самгин Э.Б. Освещение рабочих мест. - М.: НИРЭА, 1989г.
9. Е.Я. Юдин и др. Борьба с шумом на производстве: Справочник. М.: Машиностроение, 1988г.
10. Васильчук М.В. «Основы охраны груда» Киев. Просвита 1997г.
11. Долин П.А. «Справочник по технике безопасности». Москва, «Энергоиздат.», 1982г.
12. Денисенко Г.Ф. «Охрана труда», Москва, 1985г.
Разработка стенда для анализа работы логического элемента «кодер»