Проектировка конструкции электронного устройства управления симистором
1. АНАЛИЗ ИСХОДНЫХ ДАННЫХ
Во все времена развития электроники одним из острых вопросов считался вопрос повышения экономичности работы прибора, при этом не теряющего свою функциональность и эффективность, а также надежность. В данном курсовом проекте будет разработана одна из схем построения экономных систем управления симистором.
Такое устройство неплохо работает с активной нагрузкой, но если нагрузка имеет индуктивный характер, работа устройства будет затруднена или вообще невозможна из-за фазового сдвига между напряжением и током, а также из-за ограничения скорости нарастания тока нагрузки.
Однако и эту задачу можно решить, если снимать показания непосредственно с симистора и, следовательно, синхронизировать устройство не с сетью, а с током нагрузки. Решается это таким образом если симистор открыт, то между его выводами низкое напряжение, если закрыт высокое. То есть, для устройства синхронизирующим сигналом являются именно сигнал с выводов симистора. Такой принцип позволяет заметно снизить средний ток управления из-за того, что он автоматически спадает после открывания симистора.
Узел и нагрузка питаются непосредственно от сети переменного тока. Сетевое напряжение выпрямляется с помощью выпрямителя, простроенного на диодах VD5 и VD6. Выпрямленное напряжение стабилизируется на уровне 15В с помощью стабилитрона VD4. Конденсатор С3 ограничивает избыточное напряжение. Электролитический конденсатор C1 выступает в качестве фильтра выпрямленного напряжения.
Резистор R13 ограничивает импульсный ток через выпрямитель при включении устройства, а резистор R12 разряжает конденсатор C3 после его выключения.
Стабилизированным напряжением в 15В (между выводами 3 и 4) питается функциональный узел. По расчетам, система управления потребляет ток не более 7мА в случае активной нагрузки и не более 5мА в случае активно-индуктивной с коэффициентом cos больше 0.7.

Рисунок 1.1 Схема принципиальная системы управления симистором
Напряжение, которое накапливается на конденсаторе C2, прикладывается к управляющему электроду симистора VS1 через резистор R11 и транзистор VT5. Резистор является токоограничивающим и ограничивает ток управления на уровне 0.15А. Это и есть цепь управления симистором.
Конденсатор в паузах между подачей импульсов заряжается через резистор R9. Одновременно этот резистор является частью RC-фильтра вместе с конденсатором C1.
Транзистором VT5 управляет логический элемент 3ИЛИ-НЕ, который образуют транзистор VT2 и диоды VD1-VD3. Сигнал высокого уровня на выходе элемента будет в случае соблюдения условий:
на вывод Б поступит сигнал низкого уровня;
на симисторе VS1 напряжение достигнет 12В;
конденсатор C2 зарядится до напряжения, достаточного для открывания симистора, т.е. 10В.
Напряжение на симисторе контролирует датчик состояния, состоящий из транзисторов VT3-VT5 и резисторов R4, R7, R10 и R14. С выхода функционального узла активный сигнал поступает на вывод В, далее на вход узла фазового управления, и на один из входов элемента 3ИЛИ-НЕ.
Для получения законченного устройства, к узлу управления симистором подключают функциональный узел, определяющий назначение всего устройства.
2. ОПРЕДЕЛЕНИЕ ТРЕБОВАНИЙ УСТОЙЧИВОСТИ К МЕХАНИЧЕСКИМ И КЛИМАТИЧЕСКИМ ВОЗДЕЙСТВИЯМ
Для обеспечения полноценной функциональности и работоспособности устройства, необходимо определить характер и уровень влияний на конструкцию. В первую очередь определяют уровень механических воздействий, а также климатические условия работы. Все требования этих воздействий определены стандартом ГОСТ 15150-69.
Техническим задание не предусмотрены особые условия работы, поэтому примем, что климатическая зона, для которой проектируется устройство, это район с умеренным климатом и среднегодовой температурой не превышающей пределы от 45°С до + 40°С. Следовательно, климатическое исполнение устройства У.
Категории размещения определены тем же стандартом. Определим для устройства категорию размещения 3, т.е. закрытые помещения с природной вентиляцией без кондиционирования.
3. ВЫБОР ЭЛЕМЕНТНОЙ БАЗЫ И ПРЕДВАРИТЕЛЬНАЯ КОМПОНОВКА КОНСТРУКЦИИ ЭЛЕКТРОННОГО УСТРОЙСТВА
В качестве дискретных элементов при проектировании устройства были использованы в основном элементы, предназначенные для поверхностного монтажа, т.н. SMD, благодаря которому устройство получает некие преимущества, а именно:
- снижение массы, размеров, а также стоимости изготовления печатных узлов за счет отсутствия выводов у компонентов и малого их размера, а также увеличение плотности компоновки и трассировки за счет отсутствия контактных площадок вокруг отверстий;
- отсутствие отверстий;
- улучшение электрических характеристик из-за отсутствия длинных выводов, что улучшает производительность передачи высокочастотных сигналов, а также снижения паразитных емкости и индуктивности;
- лучшая ремонтопригодность устройства;
- возможность размещения на печатной плате элементов с обеих сторон;
- повышение технологичности производства печатных плат, в связи с чем и снижение себестоимости изделия.
Однако такие элементы имеют и недостатки:
- повышенные требования к производству печатных плат, одним из основных таких требований является время пайки, т.к. при групповой пайке нагреву поддается весь элемент;
- более дорогостоящее оборудование для монтажа;
- высокие требования к качеству и хранению элементов.
Однако наличие даже таких недостатков позволяют зачастую массово использовать SMD-элементы и развивать данное направление монтажа.
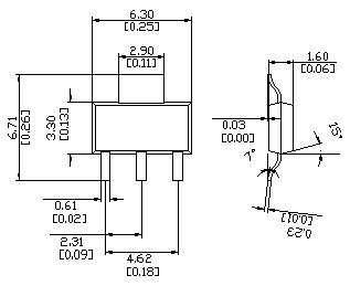
3.1. Транзистор MMBT4403 (VT1, VT2, VT4, VT5)
MMBT4403 p-n-p транзистор общего назначения, исполненный в корпусе типа SOT-23. Основные характеристики его приведены в таблице А.1 приложения А. Размеры корпуса на рисунке 3.1.

Рисунок 3.1. Корпус SOT-23
3.2. Транзистор BC849C (VT3)
Транзистор BC849C маломощный n-p-n-транзистор, производится как и MMBT4403 в корпусе SOT-23. Изображение корпуса приведено на рисунке 3.1. А электрические параметры в таблице А.2 приложения А.
Является транзистором общего назначения.
3.3. Транзистор BDP948 (VT6)
BDP948 мощный высокочастотный n-p-n-транзистор, изготовленный в корпусе SOT-223. Корпус SOT-223 изображен на рисунке 3.2, а электрические характеристики в таблице А.3 приложения А.

Рисунок 3.2. Корпус SOT-223
Обычно транзистор применяется как силовой ключ в драйверах или устройствах управления силовыми устройствами.
3.4. Диод SS110 (VD1-VD3)
Диод SS110 высокоскоростной диод Шоттки средней мощности, отлично подходит для построения на его базе логического элемента. Изготовлен в корпусе SMA-214AC. Изображение корпуса указано на рисунке 3.3. Электрические характеристики приведены в таблице А.4 приложения А.

Рисунок 3.4. Корпус SMA-214AC
3.5. Диод FM4004M (VD5, VD6)
FM4004M мощный диод, предназначенный для выпрямителей, силовых ключей. Исполнен в корпусе SOD-123F, его изображение приведено на рисунке 3.4, а электрические параметры в таблице А.5 приложения А.

Рисунок 3.5. Корпус SOD-123F
На корпусе серой меткой отмечен катод.
3.6. Стабилитрон BZX84C18 (VD4)
BZV85 стабилитрон малой мощности, выполненный в корпусе SOT-23. Изображение корпуса приведено на рисунке 3.1, а электрические характеристики в таблице А.6 приложения А.
Способ подключения стабилитрона в корпусе SOT-23 показан на рисунке 3.6.

Рисунок 3.6. Способ подключения стабилитрона в корпусе SOT-23
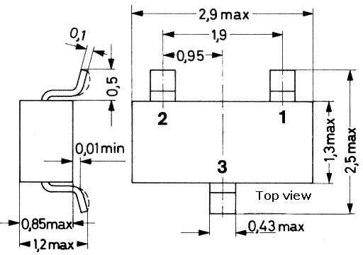
3.7. Тиристор 25TTS12SPBF (VS1)
25TTS12SPBF тиристор средней мощности. Используется в выключателях средней мощности и устройствах фазового контроля. Изготовлен в корпусе D2 PAK (TO-263). Его изображение приведено на рисунке 3.7, а электрические параметры в таблице А.7 приложения А.

Рисунок 3.7. Корпус D2 PAK
3.8. Резистор SMD-0805 (R1-R8, R10)
Резисторы не имеют выводов, а предназначены для поверхностного монтажа. Припаиваются контактными площадками к плате. Выполнены в корпусе 0805 и предназначены для использования в цепях, рассеиваемая мощность которых не превышает 0.125Вт. Размеры корпуса указаны на рисунке 3.8.

Рисунок 3.8. Корпус SMD-0805
3.9. Резистор SMD-1206 (R9, R11)
Резисторы выполнены в корпусе 1206 и предназначены для использования в цепях, рассеиваемая мощность которых не превышает 0.25Вт. Размеры корпуса указаны на рисунке 3.9.

Рисунок 3.9. Корпус SMD-1206
3.10. Резистор SMD-2010 (R12-R14)
Резисторы выполнены в корпусе 2010 и предназначены для использования в цепях, рассеиваемая мощность которых не превышает 0.5Вт. Размеры корпуса указаны на рисунке 3.10.

Рисунок 3.10. Корпус SMD-2010
3.11. Конденсатор SMD-C (С1-С2)
Танталовые электролитические конденсаторы. Используются в качестве фильтров или накопителей и работают преимущественно на низких напряжениях. Размеры корпуса указаны на рисунке 3.11.
3.12. Конденсатор SMD-1825 (С3)
Безвыводные керамические конденсаторы, предназначенные для поверхностного монтажа, и рассчитаны на высокое напряжение. Размеры корпуса указаны на рисунке 3.12.

Рисунок 3.11. Корпус SMD-C

Рисунок 3.12. Корпус SMD-1825
Максимальная температура нагрева SMD-резисторов и конденсаторов при работе электронного устройства 138°С.
Конденсаторы в корпусе SMD-C рассеивают мощность 0.8Вт, в корпусе SMD-1825 0.6Вт.
4. РАЗРАБОТКА КОНСТРУКЦИИ ПЕЧАТНОЙ ПЛАТЫ
В процессе разработки конструкции печатной платы проделывают следующие этапы:
- выбирают тип печатной платы, а также ее класс точности;
- определение материала, габаритных размеров и конфигурацию печатной платы;
- предварительное размещение навесных элементов и трассировка проводящего рисунка по поверхности платы;
- разработка конструкторской документации.
В данном устройстве целесообразно использовать двустороннюю плату. Ее изображение указано на рисунке 4.1. Так как за основу мы приняли элементы, предназначенные для поверхностного монтажа, выберем второй класс точности (ГОСТ 23751-86). Платы второго класса точности имеют следующие конструктивные параметры:
- минимальное значение номинальной ширины проводника, t 0.45мм;
- минимальное расстояние между проводниками, S 0.45мм;
- гарантированный поясок, b 0.2мм;
- граничное отклонение диаметра отверстия, d ±0.1мм;
- граничное отклонение ширины проводника, t ±0.1мм;
- допуск на размещение осей отверстий, Td 0.15мм;
- допуск на размещение центров контактных площадок, TD 0.25мм.
В качестве материала был взят облицованный с двух сторон медной фольгой стеклотекстолит (СФ-2-35). Толщина фольги соответственно 35мкм, толщина платы 1.5мм, рабочий диапазон температур 60..+85°С.
Диаметр отверстия под вывод выбирают из условия получения зазора между выводом и стенкой отверстия, обеспечивающего капиллярное проникновение припоя в процессе пайки.

Рисунок 4.1. Двусторонняя печатная плата
Обозначения на рисунке 4.1:
HПС суммарная толщина печатной платы;
HП толщина печатной платы;
HM толщина материала основы печатной платы;
hф толщина проводящего рисунка;
hп толщина химико-гальванического покрытия;
b гарантированный поясок;
D диаметр контактной площадки;
d диаметр отверстия;
S расстояние между краями соседних элементов проводящего рисунка;
L расстояние между центрами элементов конструкции печатной платы;
t ширина печатного проводника;
Q расстояние от края печатной платы, выреза, паза до элементов проводящего рисунка.
Минимальный диаметр контактной площадки вокруг монтажного отверстия с известным диаметром определяется по формуле:
(4.1)
где dво верхнее предельное отклонение диаметра отверстия, мм;
tво, tно верхнее и нижнее соответственно предельные отклонения диаметра отверстия, мм;
dтр значение подтравливания диэлектрика;
Td допуск на расположение осей отверстий, мм;
TD допуск на расположение контактных площадок, мм.
Правила выполнения чертежей печатной платы установлены в стандарте ГОСТ 2.417-91. Размеры на чертеже печатной платы указаны при помощи координатной сетки в прямоугольной системе координат. Шаг сетки 0.635мм. Координатная сетка вынесена на часть поверхности печатной платы.
5. РАЗРАБОТКА КОНСТРУКЦИИ ПЕЧАТНОГО УЗЛА
Основными составляющими печатного узла являются печатная плата, навесные и установочные элементы. На сборочном чертеже элементы допускается изображать упрощенно внешними очертаниями.
При нанесении позиционных обозначений на чертеже для составных частей, являющихся элементом принципиальной электрической схемы, наносится позиционное обозначение, присвоенной этому элементу в схеме. Элементам, не указанным на принципиальной электрической схеме, но участвующим в электрических соединениях для указания адресов присоединения проводников присваивают очередные позиционные обозначения после элементов того же функционального назначения, изображенных на схеме.
Сборочный чертеж устройства располагается в графической части проекта.
6. ВЫБОР УСЛОВИЙ ОХЛАЖДЕНИЯ И РАСЧЕТ ТЕПЛОВОГО РЕЖИМА
В процессе работы электронного устройства температура нагрева его элементов не должна превышать допустимую технической документацией норму. При конструировании необходимые температурные условия достигаются путем применения определенных средств охлаждения, а также рациональной компоновки при конструировании. Предварительный выбор системы охлаждения производится при помощи графиков, характеризующих область применения различных способов охлаждения. Оценка производится на основании предварительных данных по величине теплового потока, приходящегося на единицу площади теплообмена:
(6.1)
где P суммарная мощность, рассеиваемая электронным устройством, Вт;
kp коэффициент, учитывающий давление воздуха. Значение принимается равным kp = 1;
Sп геометрические размеры корпуса электронного устройства, м2.
Суммарная мощность, рассеиваемая электронным устройством, складывается из мощностей, рассеиваемых всеми элементами схемы:
(6.2)
где Pi мощность i-го элемента печатной платы с учетом коэффициента нагрузки kн;
n количество элементов на печатной плате.
Коэффициент нагрузки для некоторых элементов равен:
- резисторы непроволочные 0.5;
- конденсаторы 0.7;
- полупроводниковые диоды. Выпрямленное напряжение, обратное напряжение 0.7, мощность, рассеиваемая на переходе 0.5;
- транзисторы 0.8.
Поверхность теплообмена определяется из выражения:
(6.3)
где l1 длина печатной платы, м;
l2 ширина печатной платы, м;
l3 высота печатной платы, м;
kз коэффициент заполнения объема. Определяется из выражения:
(6.4)
Суммарная мощность, рассеиваемая устройством равна P = 17.75Вт.
Получаем выражение:
Второй параметр оценки это величина максимально допустимого перегрева элементов устройства:
(6.5)
где Tmin допустимая температура корпуса наименее теплостойкого элемента, °С;
Тс температура окружающей среды, °С.
Согласно графику 6.1 необходимо применять принудительное воздушное охлаждение.

Рисунок 6.1 Применение способов охлаждения при различных условиях
Для наиболее эффективного размещения вентилятора, положение печатной платы выбираем горизонтальное, а охлаждающее устройство сбоку, со стороны расположения самых мощных элементов схемы тиристоров.
По графику 6.2 можно определить необходимую продуктивность охлаждающего устройства. Она равна

Рисунок 6.2 График для определения необходимой продуктивности вентилятора
Выбираем вентилятор постоянного тока UL1571 размером 17х17мм. Его изображение приведено на рисунке 6.3.
Продуктивность вентилятора составляет
Перегрев нагретой зоны принудительно вентилируемых устройств определяется из выражения:
(6.6)
п средний перегрев охлаждающего воздуха в устройстве;
m1 коэффициент, учитывающий величину массового расхода воздуха;
m2 коэффициент, учитывающий величину площади поперечного пересечения в направлении обдува устройства;
m3 коэффициент, учитывающий длину устройства в направлении обдува;
m4 коэффициент, учитывающий заполнение устройства.

Рисунок 6.3 Вентилятор UL1571
(6.7)
где G массовый расход охлаждающего воздуха.
(6.7)
(6.8)
(6.9)
(6.10)
Средняя температура воздуха в блоке определяется по выражению:
(6.11)
Температура нагретой зоны определяется по выражению:
(6.12)
6.1. Расчет нагрева элементов печатной платы
Температура нагрева отдельно взятого элемента печатной платы зависит от расположения его от вентилируемого устройства, а также мощности, рассеиваемой этим элементом.
Перегрев поверхности элемента определяется по выражению:
(6.13)
где l расстояние от элемента до охлаждающего устройства, м.
Перегрев поверхности, которая окружает элемент определяется по выражению:
(6.14)
Температура поверхности элемента и температура окружающей среды элемента будет рассчитана:
(6.15)
(6.16)
Транзистор VT1 (MBBT4403).
Рассеиваемая мощность прибора:
Расстояние от охладителя до элемента:
Определим перегрев поверхности элемента:
Температура поверхности элемента:
Температура поверхности и перегрев элемента не превышает допустимую норму.
Определим перегрев поверхности, окружающей элемент:
Температура поверхности, окружающей элемент:
Транзистор VT2 (MBBT4403).
Рассеиваемая мощность прибора:
Расстояние от охладителя до элемента:
Определим перегрев поверхности элемента:
Температура поверхности элемента:
Температура поверхности и перегрев элемента не превышает допустимую норму.
Определим перегрев поверхности, окружающей элемент:
Температура поверхности, окружающей элемент:
Транзистор VT3 (BC489C).
Рассеиваемая мощность прибора:
Расстояние от охладителя до элемента:
Определим перегрев поверхности элемента:
Температура поверхности элемента:
Температура поверхности и перегрев элемента не превышает допустимую норму.
Определим перегрев поверхности, окружающей элемент:
Температура поверхности, окружающей элемент:
Транзистор VT4 (MBBT4403).
Рассеиваемая мощность прибора:
Расстояние от охладителя до элемента:
Определим перегрев поверхности элемента:
Температура поверхности элемента:
Температура поверхности и перегрев элемента не превышает допустимую норму.
Определим перегрев поверхности, окружающей элемент:
Температура поверхности, окружающей элемент:
Транзистор VT5 (MBBT4403).
Рассеиваемая мощность прибора:
Расстояние от охладителя до элемента:
Определим перегрев поверхности элемента:
Температура поверхности элемента:
Температура поверхности и перегрев элемента не превышает допустимую норму.
Определим перегрев поверхности, окружающей элемент:
Температура поверхности, окружающей элемент:
Транзистор VT6 (BDP948).
Рассеиваемая мощность прибора:
Расстояние от охладителя до элемента:
Определим перегрев поверхности элемента:
Температура поверхности элемента:
Температура поверхности и перегрев элемента не превышает допустимую норму.
Определим перегрев поверхности, окружающей элемент:
Температура поверхности, окружающей элемент:
Диод VD1 (SS110).
Рассеиваемая мощность прибора:
Расстояние от охладителя до элемента:
Определим перегрев поверхности элемента:
Температура поверхности элемента:
Температура поверхности и перегрев элемента не превышает допустимую норму.
Определим перегрев поверхности, окружающей элемент:
Температура поверхности, окружающей элемент:
Диод VD2 (SS110).
Рассеиваемая мощность прибора:
Расстояние от охладителя до элемента:
Определим перегрев поверхности элемента:
Температура поверхности элемента:
Температура поверхности и перегрев элемента не превышает допустимую норму.
Определим перегрев поверхности, окружающей элемент:
Температура поверхности, окружающей элемент:
Диод VD3 (SS110).
Рассеиваемая мощность прибора:
Расстояние от охладителя до элемента:
Определим перегрев поверхности элемента:
Температура поверхности элемента:
Температура поверхности и перегрев элемента не превышает допустимую норму.
Определим перегрев поверхности, окружающей элемент:
Температура поверхности, окружающей элемент:
Диод VD5 (FM4004M).
Рассеиваемая мощность прибора:
Расстояние от охладителя до элемента:
Определим перегрев поверхности элемента:
Температура поверхности элемента:
Температура поверхности и перегрев элемента не превышает допустимую норму.
Определим перегрев поверхности, окружающей элемент:
Температура поверхности, окружающей элемент:
Диод VD6 (FM4004M).
Рассеиваемая мощность прибора:
Расстояние от охладителя до элемента:
Определим перегрев поверхности элемента:
Температура поверхности элемента:
Температура поверхности и перегрев элемента не превышает допустимую норму.
Определим перегрев поверхности, окружающей элемент:
Температура поверхности, окружающей элемент:
Стабилитрон VD4 (BZX84C15).
Рассеиваемая мощность прибора:
Расстояние от охладителя до элемента:
Определим перегрев поверхности элемента:
Температура поверхности элемента:
Температура поверхности и перегрев элемента не превышает допустимую норму.
Определим перегрев поверхности, окружающей элемент:
Температура поверхности, окружающей элемент:
Тиристор VS1 (25TTS12SPBF).
Рассеиваемая мощность прибора:
Расстояние от охладителя до элемента:
Определим перегрев поверхности элемента:
Температура поверхности элемента:
Температура поверхности и перегрев элемента не превышает допустимую норму.
Определим перегрев поверхности, окружающей элемент:
Температура поверхности, окружающей элемент:
Тиристор VS2 (25TTS12SPBF).
Рассеиваемая мощность прибора:
Расстояние от охладителя до элемента:
Определим перегрев поверхности элемента:
Температура поверхности элемента:
Температура поверхности и перегрев элемента не превышает допустимую норму.
Определим перегрев поверхности, окружающей элемент:
Температура поверхности, окружающей элемент:
Конденсатор C1 (SMD-C).
Рассеиваемая мощность прибора:
Расстояние от охладителя до элемента:
Определим перегрев поверхности элемента:
Температура поверхности элемента:
Температура поверхности и перегрев элемента не превышает допустимую норму.
Определим перегрев поверхности, окружающей элемент:
Температура поверхности, окружающей элемент:
Конденсатор C2 (SMD-C).
Рассеиваемая мощность прибора:
Расстояние от охладителя до элемента:
Определим перегрев поверхности элемента:
Температура поверхности элемента:
Температура поверхности и перегрев элемента не превышает допустимую норму.
Определим перегрев поверхности, окружающей элемент:
Температура поверхности, окружающей элемент:
Конденсатор C3 (SMD-1825).
Рассеиваемая мощность прибора:
Расстояние от охладителя до элемента:
Определим перегрев поверхности элемента:
Температура поверхности элемента:
Температура поверхности и перегрев элемента не превышает допустимую норму.
Определим перегрев поверхности, окружающей элемент:
Температура поверхности, окружающей элемент:
Резистор R1 (SMD-0805).
Рассеиваемая мощность прибора:
Расстояние от охладителя до элемента:
Определим перегрев поверхности элемента:
Температура поверхности элемента:
Температура поверхности и перегрев элемента не превышает допустимую норму.
Определим перегрев поверхности, окружающей элемент:
Температура поверхности, окружающей элемент:
Резистор R2 (SMD-0805).
Рассеиваемая мощность прибора:
Расстояние от охладителя до элемента:
Определим перегрев поверхности элемента:
Температура поверхности элемента:
Температура поверхности и перегрев элемента не превышает допустимую норму.
Определим перегрев поверхности, окружающей элемент:
Температура поверхности, окружающей элемент:
Резистор R3 (SMD-0805).
Рассеиваемая мощность прибора:
Расстояние от охладителя до элемента:
Определим перегрев поверхности элемента:
Температура поверхности элемента:
Температура поверхности и перегрев элемента не превышает допустимую норму.
Определим перегрев поверхности, окружающей элемент:
Температура поверхности, окружающей элемент:
Резистор R4 (SMD-0805).
Рассеиваемая мощность прибора:
Расстояние от охладителя до элемента:
Определим перегрев поверхности элемента:
Температура поверхности элемента:
Температура поверхности и перегрев элемента не превышает допустимую норму.
Определим перегрев поверхности, окружающей элемент:
Температура поверхности, окружающей элемент:
Резистор R5 (SMD-0805).
Рассеиваемая мощность прибора:
Расстояние от охладителя до элемента:
Определим перегрев поверхности элемента:
Температура поверхности элемента:
Температура поверхности и перегрев элемента не превышает допустимую норму.
Определим перегрев поверхности, окружающей элемент:
Температура поверхности, окружающей элемент:
Резистор R6 (SMD-0805).
Рассеиваемая мощность прибора:
Расстояние от охладителя до элемента:
Определим перегрев поверхности элемента:
Температура поверхности элемента:
Температура поверхности и перегрев элемента не превышает допустимую норму.
Определим перегрев поверхности, окружающей элемент:
Температура поверхности, окружающей элемент:
Резистор R7 (SMD-0805).
Рассеиваемая мощность прибора:
Расстояние от охладителя до элемента:
Определим перегрев поверхности элемента:
Температура поверхности элемента:
Температура поверхности и перегрев элемента не превышает допустимую норму.
Определим перегрев поверхности, окружающей элемент:
Температура поверхности, окружающей элемент:
Резистор R8 (SMD-0805).
Рассеиваемая мощность прибора:
Расстояние от охладителя до элемента:
Определим перегрев поверхности элемента:
Температура поверхности элемента:
Температура поверхности и перегрев элемента не превышает допустимую норму.
Определим перегрев поверхности, окружающей элемент:
Температура поверхности, окружающей элемент:
Резистор R9 (SMD-1206).
Рассеиваемая мощность прибора:
Расстояние от охладителя до элемента:
Определим перегрев поверхности элемента:
Температура поверхности элемента:
Температура поверхности и перегрев элемента не превышает допустимую норму.
Определим перегрев поверхности, окружающей элемент:
Температура поверхности, окружающей элемент:
Резистор R10 (SMD-0805).
Рассеиваемая мощность прибора:
Расстояние от охладителя до элемента:
Определим перегрев поверхности элемента:
Температура поверхности элемента:
Температура поверхности и перегрев элемента не превышает допустимую норму.
Определим перегрев поверхности, окружающей элемент:
Температура поверхности, окружающей элемент:
Резистор R11 (SMD-1206).
Рассеиваемая мощность прибора:
Расстояние от охладителя до элемента:
Определим перегрев поверхности элемента:
Температура поверхности элемента:
Температура поверхности и перегрев элемента не превышает допустимую норму.
Определим перегрев поверхности, окружающей элемент:
Температура поверхности, окружающей элемент:
Резистор R12 (SMD-2010).
Рассеиваемая мощность прибора:
Расстояние от охладителя до элемента:
Определим перегрев поверхности элемента:
Температура поверхности элемента:
Температура поверхности и перегрев элемента не превышает допустимую норму.
Определим перегрев поверхности, окружающей элемент:
Температура поверхности, окружающей элемент:
Резистор R13 (SMD-2010).
Рассеиваемая мощность прибора:
Расстояние от охладителя до элемента:
Определим перегрев поверхности элемента:
Температура поверхности элемента:
Температура поверхности и перегрев элемента не превышает допустимую норму.
Определим перегрев поверхности, окружающей элемент:
Температура поверхности, окружающей элемент:
Резистор R14 (SMD-2010).
Рассеиваемая мощность прибора:
Расстояние от охладителя до элемента:
Определим перегрев поверхности элемента:
Температура поверхности элемента:
Температура поверхности и перегрев элемента не превышает допустимую норму.
Определим перегрев поверхности, окружающей элемент:
Температура поверхности, окружающей элемент:
7. РАСЧЕТ НАДЕЖНОСТИ УСТРОЙСТВА
Определение надежности устройства осуществляется по внезапным эксплуатационным отказам по известным показателям надежности элементов с учетом того, что отказы элементов статически независимы и что отказ одного элемента приводит к отказу всего устройства. Интенсивность отказов устройства можно определить из выражения:
(6.16)
где k поправочный коэффициент, учитывающий условия эксплуатации устройства;
i поправочный коэффициент, учитывающий влияние температуры окружающей среды и электрическую нагрузку i-го элемента через коэффициент нагрузки;
интенсивность отказа i-го элемента, 1/ч.
(6.17)
где поправочный коэффициент, учитывающий влияние механических факторов;
поправочный коэффициент, учитывающий влияние климатических факторов;
поправочный коэффициент, учитывающий условия работы при сниженном атмосферном давлении.
Поправочный коэффициент выбираем из допущения: стационарные условия эксплуатации, суммарные влияния вибрации и ударов
Поправочный коэффициент выбираем из условия влажности в пределах 60..70%, температура 20..40°С
Поправочный коэффициент выбираем из условия высоты 0..1км над уровнем моря
Ниже представлены значения коэффициента 0 для некоторых элементов:
- выпрямительные полупроводниковые диоды 0.35..0.9;
- импульсные полупроводниковые диоды 0.2..1;
- стабилитроны 0.2..0.9;
- транзисторы малой мощности высокочастотные 0.2..1.5;
- транзисторы высокой мощности высокочастотные 5;
- металлопленочные резисторы постоянного сопротивления 0.004..0.4;
- керамические конденсаторы постоянной емкости 0.04..0.7;
- пленочные конденсаторы постоянной емкости 0.003..1.7.
Поправочные коэффициенты i с учетом коэффициентов нагрузки при температуре 40°С:
- транзисторы кремниевые 0.72;
- диоды кремниевые 1.08;
- керамические и пленочные конденсаторы 1.1;
- непроволочные резисторы 0.6.
Сделаем пересчет для всех типов электронных устройств, расположенных на плате.
Выпрямительные полупроводниковые диоды:
- интенсивность отказов:
- коэффициент нагрузки:
- поправочный коэффициент:
- количество элементов: 2.
Импульсные полупроводниковые диоды:
- интенсивность отказов:
- коэффициент нагрузки:
- поправочный коэффициент:
- количество элементов: 5.
Стабилитроны:
- интенсивность отказов:
- коэффициент нагрузки:
- поправочный коэффициент:
- количество элементов: 1.
Маломощные высокочастотные транзисторы:
- интенсивность отказов:
- коэффициент нагрузки:
- поправочный коэффициент:
- количество элементов: 5.
Мощные высокочастотные транзисторы:
- интенсивность отказов:
- коэффициент нагрузки:
- поправочный коэффициент:
- количество элементов: 1.
Металлопленочные резисторы:
- интенсивность отказов:
- коэффициент нагрузки:
- поправочный коэффициент:
- количество элементов: 14.
Керамические конденсаторы:
- интенсивность отказов:
- коэффициент нагрузки:
- поправочный коэффициент:
- количество элементов: 2.
Пленочные конденсаторы:
- интенсивность отказов:
- коэффициент нагрузки:
- поправочный коэффициент:
- количество элементов: 1.
Определим интенсивность отказов устройства:
Средняя наработка на отказ всего устройства определяется из выражения:
(6.18)
ЗАКЛЮЧЕНИЕ
В данном курсовом проекте была произведена проектировка конструкции электронного устройства управления симистором: разработка печатной платы, расчет теплового режима и надежности устройства в целом.
Итогом курсового проекта является печатная плата размером 70.558.29мм и значение средней наработки на отказ 38800 часов.
СПИСОК ИСПОЛЬЗОВАННОЙ ЛИТЕРАТУРЫ
- ГОСТ 10317 79. Печатные платы. Основные размеры. Введ. 01.01.80.
- ГОСТ 23751-86. Платы печатные. Основные параметры конструкции. Введ. 01.07.87.
- 7. ГОСТ 2.417-91. ЕСКД. Платы печатные. Правила выполнения чертежей. Введ. 01.07.92.
- 2. Практическое пособие по учебному конструированию РЭА. / Под ред. К.Б. Круковского-Синевича, Ю.Л. Мазора. К.: «Вища школа», 1992. 494 с.
- Турута Е.Ф. Активные и пассивные SMD-компоненты. Маркировка, характеристики, замена. М.: Радио, 2006 544с.
- Методические указания к выполнению курсового проекта по дисциплине «Основы конструирования и технологии электронных устройств» / Сост.: Ю. Э. Паэранд - Алчевск: ДГМИ, 2003. 55 с.
ПРИЛОЖЕНИЕ А
Электрические характеристики используемых в устройстве дискретных элементов
Таблица А.1 Максимальные характеристики транзистора MMBT4403
|
Напряжение переходов коллектор-эмиттер и коллектор-база |
40В |
|
Напряжение перехода база-эмиттер |
5В |
|
Ток коллектора |
600мА |
|
Рассеиваемая мощность при 25°С |
0.35Вт |
|
Рабочая температура |
-55.. +150°С |
Таблица А.2 Максимальные характеристики транзистора BC489C
|
Напряжение переходов коллектор-эмиттер и коллектор-база |
30В |
|
Напряжение перехода база-эмиттер |
5В |
|
Ток коллектора |
200мА |
|
Рассеиваемая мощность при 25°С |
0.31Вт |
|
Рабочая температура |
-65.. +150°С |
Таблица А.3 Максимальные характеристики транзистора BDP948
|
Напряжение переходов коллектор-эмиттер и коллектор-база |
45В |
|
Напряжение перехода база-эмиттер |
5В |
|
Ток коллектора |
5А |
|
Рассеиваемая мощность при 25°С |
3Вт |
|
Рабочая температура |
-65.. +150°С |
Таблица А.4 Максимальные характеристики диода SS110
|
Обратное напряжение |
100В |
|
Прямой ток |
1A |
|
Рассеиваемая мощность при 25°С |
0.85Вт |
|
Рабочая температура |
-65.. +150°С |
Таблица А.5 Максимальные характеристики диода FM4004M
|
Обратное напряжение |
400В |
|
Прямой ток |
1A |
|
Рассеиваемая мощность при 25°С |
3.4Вт |
|
Рабочая температура |
-55.. +150°С |
Таблица А.6 Максимальные характеристики стабилитрона BZX84C15
|
Стабилизирующее напряжение |
15.6В |
|
Прямой ток |
250мA |
|
Рассеиваемая мощность при 25°С |
0.3Вт |
|
Рабочая температура |
-55.. +150°С |
Таблица А.7 Максимальные характеристики тиристора 25TTS12SPBF
|
Обратное напряжение |
1.6КВ |
|
Прямой ток |
16A |
|
Управляющий ток |
160мА |
|
Рассеиваемая мощность при 25°С |
8Вт |
|
Рабочая температура |
-40.. +125°С |
ПРИЛОЖЕНИЕ Б
Спецификация
|
Формат |
Зона |
Позиция |
Обозначение |
Наименование |
Кол. |
Приме-чание |
|
Документация |
||||||
|
А3 |
Сборочный чертеж |
1 |
||||
|
Детали |
||||||
|
А3 |
1 |
Плата печатная |
2 |
|||
|
Устанавливается при |
||||||
|
электромонтаже |
||||||
|
Другие изделия |
||||||
|
Конденсаторы |
||||||
|
2 |
SMD-2010-0.33мкФ-400В |
C3 |
||||
|
3 |
SMD-1808-100мкФ-16В |
C2 |
||||
|
4 |
SMD-1808-220мкФ-16В |
C1 |
||||
|
Резисторы |
||||||
|
5 |
PCF1206-SMD-62Ом |
1 |
R11 |
|||
|
6 |
PCF2010-SMD-68Ом |
1 |
R13 |
|||
|
7 |
PCF1206-SMD-1КОм |
1 |
R9 |
|||
|
8 |
PCF0805-SMD-15КОм |
1 |
R6 |
|||
|
9 |
PCF0805-SMD-24КОм |
1 |
R2 |
|||
|
10 |
PCF0805-SMD-33КОм |
2 |
R3, R4 |
|||
|
11 |
PCF0805-SMD-47КОм |
2 |
R5, R10 |
|||
|
12 |
PCF0805-SMD-100КОм |
2 |
R1, R7 |
|||
|
13 |
PCF0805-SMD-360КОм |
1 |
R8 |
|||
|
14 |
PCF2010-SMD-430КОм |
1 |
R14 |
|||
|
15 |
PCF2010-SMD-680КОм |
1 |
R12 |
|||
|
Диоды |
||||||
|
16 |
BZX84C15 250mA-15.6V-SOT23 |
1 |
VD4 |
|||
|
17 |
SS110 1A-100V-SMA |
3 |
VD1..VD3 |
|||
|
18 |
FM4004M 1A-400V-SOD123F |
2 |
VD5, VD6 |
|||
|
Транзисторы |
||||||
|
19 |
MMBT4403 200mA-30V-SOT23 |
4 |
VT1, VT2, VT4, VT5 |
|||
|
20 |
BC489C 200mA-30V-SOT23 |
1 |
VT3 |
|||
|
21 |
BDP948 5A-45V-SOT223 |
1 |
VT6 |
|||
|
Тиристоры |
||||||
|
22 |
25TTS12SPBF-16A-1.6KV-D2PAK |
2 |
VS1, VS2 |
|||
Подп.
№ докум.
ПК 7.090803.99.13.00.000 ПЗ
Лист
6
Подп. и дата