Разработка электрической схемы макета для исследования D-триггера MS типа с асинхронной установкой в нуль
Министерство просвещения ПМР
ГОУ «Тираспольский Техникум Информатики и Права»
Дипломная работа
Тема: «Разработка электрической схемы макета для исследования D-триггера MS типа с асинхронной установкой в нуль»
г. Тирасполь
2011
Министерство просвещения ПМР
ГОУ «Тираспольский Техникум Информатики и Права»
Отделение Информационных технологий и экономических дисциплин
Дипломная работа
Тема: «Разработка электрической схемы макета для исследования D-триггера MS типа с асинхронной установкой в нуль»
Исполнитель: Аркаров Виталий Владимирович, гр. 414
Специальность: ТОСВТ и КС
Руководитель: Петрова Юлия Владимировна
Дата допуска к защите
«___» «__________»2011
г. Тирасполь
2011
ЗАДАНИЕ НА ДИПЛОМНУЮ РАБОТУ
Студент Аркаров Виталий Владимирович 414____________________
Тема работы Разработка электрической схемы макета для исследования D-триггера
MS типа с асинхронной установкой в нуль
Утверждена приказ №___________ дата ____________
Срок сдачи работы _________________________
Перечень вопросов дипломной работы
а)Провести аналитический анализ по триггерам_______________________
б)Изучить существующие программные средства для исследования______ элементов электроники____________________________________________
в)Изучить методику исследования и проектирования элементов__________ электроники с помощью программ Protel, Orcad и Spise_________________
г) Исследовать D-триггер с помощью программы Protel, Orcad и Spise:______ исследовать схемы включения, основные режимы работы, основные________ параметры__________________________________________________________
д) Задание по экономической части__________________________________
г) Задание по охране труда_________________________________________
Руководитель ________________________________________ подпись, дата
Задание принял к исполнению__________________________ подпись дата
_____________________________________________________
_____________________________________________________
Реферат
Триггер (триггерная система) класс электронных устройств, обладающих способностью длительно находиться в одном из двух устойчивых состояний и чередовать их под воздействием внешних сигналов. Каждое состояние триггера легко распознаётся по значению выходного напряжения. По характеру действия триггеры относятся к импульсным устройствам их активные элементы (транзисторы, лампы) работают в ключевом режиме, а смена состояний длится очень короткое время
В работе была поставлена задача, исследовать триггер с помощью программных средств Protel, OrCAD и SPICE. Рассмотрены принципы работы триггеров, а также проделана работа по изготовлению действующего макета стенда. В качестве элементной базы были выбраны логических элементы 2ИЛИ-НЕ, ключ и инвертор, изготовляемые по КМОП технологии.
В экономической части изучена виды, типы формы, функции и задачи предприятий. Также приведено рассмотрение предприятий в ПМР и их цели в государственной экономики.
В разделе охраны труда были изучены меры безопасности при техническом обслуживании электронной техники, требованиям к организации и оборудованию рабочего места, а также противопожарная безопасность.
Оглавление
Введение…………………………………………………………………………...7
Глава 1. Техническая часть. Разработка электрической схемы макета для исследования В-триггера Ms типа с асинхронной установкой в нуль………...8
- Аналитический обзор по теме …….…………………………...………8
- Общее понятие о триггерах и их разновидность …………..............9
1.1.2 Параметры триггеров и логические элементы …..…………….….10
1.1.3 Важные параметры триггеров и способы управления ...………….11
1.1.4 Общее понятие D-триггера …………………………………………12
1.1.5 Принцип действия D-триггера ……………..………………………13
1.2 Практическая часть …………………………………………………...14
1.2.1 Основы проектирования ……………………………………………15
1.2.2 Исследование логических элементов НЕ, Ключ, 2ИЛИ-НЕ ……. 16
1.2.3 Анализ работы схемы D-триггера ………………………………….17
1.3 Разработка конструкции стенда ……...………………………………18
1.3.1 Изготовление печатной платы и макета …………………………...19
1.4 Выводы по технической части ………………………………………..20
Глава 2. Экономическая часть. Предприятие как основное звено экономической системы ………………………………………………………...21
2.1 Виды, типы, и формы ..………………………………………………..22
2.2 Задачи и цели предприятия ….……………………………………..23
2.3 Особенности правового предприятия .……………………………..24
2. 3 Предпринимательские права и обязанности предприятия …………25
2.5 Экономика ПМР ……………………………………..………………..26
Глава 3. Охрана труда. Мероприятия по охране труда и пожарной безопасности …………………………………………………………………….27
3.1 Анализ условий труда ………………………………………………...28
3.2 Производственная санитария и гигиена труда ……………....29
3.3 Требования к освещению производственного помещения .30
3.4 Методы и средства контроля воздушной среды. Защита от шума ...31
3.5 Защита от электромагнитных полей и статического электричества 32
3.6 Требования к электробезопасности ………………………………….33
3.7 Техника безопасности при работе с электронной техникой ……….34
3.8 Разработка защитных мероприятий на рабочем месте ……………..35
3.9 Требования пожарной безопасности ………………………………...36
3.10 Выводы по охране труда …………………………………………….37
Заключение ………………………………………………………………………38
Список литературы ……………………………………………………………...39
Введение
В настоящее время в интегральном исполнении производится много триггеров как в виде самостоятельных изделий, так и в составе различных функциональных устройств счетчиков, регистров, запоминающих устройств и т. п. Они имеют сложные электрические схемы и различаются числом входов, способами ввода входной информации, реализуемой функцией переходов, элементной базой, электрическими и временными параметрами, конструктивным оформлением и другими показателями.
Триггер представляет устройство, логическую структуру которого в общем виде можно представить как систему, состоящую из собственно триггера, играющего роль ячейки памяти, и устройства управления из логических элементов, преобразующего входную информацию в комбинацию сигналов, под воздействием которых собственно триггер принимает одно из двух устойчивых состояний.
Предприятие - это самостоятельный хозяйствующий субъект, созданный для производства продукции, выполнения работ и оказания услуг с целью удовлетворения общественных потребностей и получения прибыли. Переход к рынку влечет за собой коренные изменения в формах хозяйствования, отношениях между собственниками, организаторами производства и наемными работниками.
Важной частью является организация охраны труда на предприятие, а именно: необходимо проведение обучения работников, необходима служба охраны труда, должны быть предусмотрены мероприятия пожарной безопасности, обеспечение работников соответствующими средствами индивидуальной защиты, а также проводиться аттестация рабочих мест.
Глава 1. Техническая часть. Разработка электрической схемы макета для исследования В-триггера Ms типа с асинхронной установкой в нуль.
1.1 Аналитический обзор.
1.1.1 Общее понятие о триггерах и их разновидность.
Триггерами или, точнее, триггерными системами называют большой класс электронных устройств, обладающих способностью длительно находиться в одном из двух или более устойчивых состояний и чередовать их под воздействием внешних сигналов. Каждое состояние триггера легко распознается по значению выходного напряжения. По характеру действия триггеры относятся к импульсным устройствам их активные элементы работают в ключевом режиме, а смена состояний длится очень короткое время.
Слово «триггер» по-английски означает спусковое устройство, курок. В технической литературе на английском языке термин trigger обычно применяют в значении глагола «запускать», а сам триггер в зависимости от функциональных свойств называют flip-flop (щелчок-хлопок) или latch (защелка, задвижка).
Понятие «триггер» охватывает много устройств, которые существенно различаются между собой по выполняемым функциям, способам управления, по электрическим и конструктивным параметрам. Отличительной особенностью триггера как функционального устройства является свойство запоминания двоичной информации. Под памятью триггера подразумевают способность оставаться в одном из двух состояний и после прекращения действия переключающего сигнала. Приняв одно из состояний за 1, а другое за 0, можно считать, что триггер хранит (помнит) один разряд числа, записанного в двоичном коде.
Разрывные характеристики электронных ламп, на которых основано действие триггеров, впервые под названием «катодное реле» были описаны М. А. Бонч-Бруевичем в 1918 г. Практическая схема триггера была опубликована годом позже У. Г. Икклзом и Ф. У. Джорданом.
Триггеры можно разделить на: не тактируемые и тактируемые. Не тактируемый (асинхронный) триггер может менять свое состояние переключающими сигналами в любое время. Тактируемый (синхронный) триггер переключается синхронно с поступлением специального тактирующего импульса. Эти и другие типы триггеров показаны в таблице

Триггеры могут быть собраны на транзисторах, на логических элементах в интегральном исполнении, а также выпускаются как готовые изделия в виде микросхем (один или несколько триггеров в общем корпусе).
Независимо от того из каких компонентов составлен триггер, его можно представить в виде «черного ящика», имеющего входы и выходы.
1.1.2 Параметры триггеров и логические элементы
Информация, с которой оперирует цифровая техника, в основном представляется в двоичной системе счисления В этой системе используются только две цифры 1 и О В качестве электрических эквивалентов этих цифр используют два вида сигналов, значения которых легко различить.
В современных цифровых устройствах двоичная информация представляется двумя уровнями напряжения (потенциалов) высоким, близким к напряжению источника питания, и низким близким к нулю.
Логический элемент «инвертор» (НЕ) имеет один вход и один выход. Сигнал на его выходе всегда противоположен по значению сигналу на входе, т. е. если на входе действует логическая 1, то на выходе будет логический 0, и наоборот(рис.1).
рис.1
Логический элемент И (схемный эквивалент операции логического умножения) имеет два или более входов и один выход. Все входы независимы друг от друга и логически равноценны, т. е. их можно менять местами без изменения функции элемента(рис.2).
рис.2
Логический элемент ИЛИ представляет собой схемный эквивалент логической операции дизъюнкции (логического сложения). имеет два или больше входов и один выход. Все входы независимы и логически равноценны(рис.3).
рис.3
Часто элементы И и ИЛИ используются вместе с элементом НЕ. Логический элемент И-НЕ всегда имеет значение противоположное функции И(рис.4).
рис.4
Элемент ИЛИ-НЕ(функция равна 0, если хотя бы одна из переменных, образующих функцию, равна 1(рис.5)).
рис.5
С помощью всех выше указанных элементов в различных их представлениях, и собираются различные триггеры.
В настоящее время, в интегральном исполнении производится много триггеров как в виде самостоятельных изделий, так и в составе различных функциональных устройств счетчиков, регистров, запоминающих устройств и т. п. Они имеют сложные электрические схемы и различаются числом входов, способами ввода входной информации, реализуемой функцией переходов, элементной базой, электрическими и временными параметрами, конструктивным оформлением и другими показателями.
Триггер представляет устройство, логическую структуру которого в общем виде можно представить как систему, состоящую из собственно триггера, играющего роль ячейки памяти, и устройства управления из логических элементов, преобразующего входную информацию в комбинацию сигналов, под воздействием которых собственно триггер принимает одно из двух устойчивых состояний.
Характерная черта современных триггерных систем в интегральном исполнении собственно триггер и устройство управления составляют единый функциональный узел и в схемном, и в конструктивном отношениях. Термин «триггерная система» обычно не применяется, но применительно к микросхемам под словом «триггер» подразумевают именно всю систему совокупность ячейки памяти вместе с управляющим устройством.
1.1.3 Важные параметры триггеров и способы управления
Триггеры, в зависимости от того, какой параметр входных сигналов используется для ввода информации, подразделяются на три категории: триггеры со статическим управлением записью (управляемые по уровню входного сигнала), с динамическим управлением (управляемые по фронту или срезу) и двухступенчатые триггеры.
Каждый конкретный тип триггера, помимо переключательных свойств, оценивается рядом дополнительных параметров, обусловленных его схемотехническим и конструктивным исполнением. Некоторые из этих параметров специфические, триггерные, другие характеризуют конкретную серию микросхем в целом и относятся не только к триггерам, но и к другим изделиям данной серии.
Быстродействие триггера характеризуется максимальной частотой смены входных сигналов, при которой еще не нарушается нормальное функционирование. Быстродействие один из важнейших параметров триггера, как, впрочем, и других узлов цифровой техники, так как определяет время обработки входной информации. Инерционность полупроводниковых приборов и паразитные емкости служат причиной того, что каждое переключение сопровождается переходными процессами, отчего фронты импульсов растягиваются.
Напряжение питания триггеров определяется видом логики и серией микросхем, к которой принадлежит конкретный тип. Микросхемы ТТЛ питаются напряжением 5 В. Некоторые микросхемы КМОП - структуры питаются напряжением 9 В, другие могут работать в широком диапазоне питающих напряженийот 3 до 15 В.
С напряжением питания связаны уровни сигналов логической единицы Vх и логического нуля U0, а также перепад логических уровней ил = UlU°. Для устройств ТТЛ и ДТЛ логический размах сигнала составляет примерно 0,7 Un. п, для КМОП - структур он, практически, равен напряжению источника питания.
Пороговое напряжение /пор (чувствительность) наименьшее напряжение на входе, при котором триггер переходит из одного устойчивого состояния в другое.
Количество входов разных видов (информационных, подготовительных, исполнительных, побочных) характеризует функциональные возможности триггера помимо логических, определяемых его названием. Так, например, триггер вида 3J-3K-RS помимо переключательных функций способен выполнять операции ЗИ по входам / и К и допускает асинхронную установку в 1 и в 0 по входам S и R.
Коэффициент разветвления Краз. по выходу (коэффициент нагрузки) характеризует нагрузочную способность микросхем, в том числе и триггеров. Этот параметр определяет максимальное количество входов логических элементов и триггеров той же серии, которым можно нагружать выходы данной микросхемы без нарушения режимов ее работы. Для триггеров ТТЛ, выпускаемых в качестве самостоятельных изделий, как" правило, /Сраз = 10. Для схем КМОП коэффициент разветвления много больше: входы КМОП - структур имеют огромное сопротивление. Единственная причина, ограничивающая коэффициент нагрузки в этом случае, паразитные емкости, внутренние и монтажа, от шунтирующего действия которых зависит максимальное гарантированное быстродействие.
Потребляемая мощность (Рпот) характеризуется произведением напряжения питания на ток потребления: Pпот=Uи.п*Iпот.
Эта мощность складывается из двух составляющих статической и динамической: Pпот=Pст+Pдин.
Помехоустойчивость характеризует способность триггера нормально функционировать при наличии помех, поступающих на вход наряду с полезными сигналами. Различают статическую и динамическую помехоустойчивость. Статическая помехоустойчивость оценивается наибольшей амплитудой статической помехи на входе Un Ст, при которой еще не происходит переброс триггера. Динамическая помехоустойчивость характеризует этот параметр в режиме переключения.
Надежность Р (t) характеризуется тремя взаимосвязанными показателями: интенсивностью отказов X, наработкой на отказ Т и вероятностью безотказной работы в течение заданного промежутка времени t. Надежность триггера зависит от элементной базы, схемотехнического решения и способа изготовления триггера. В интегральных микросхемах отсутствует перегрев, они мало подвержены вибрациям и ударам, технология производства обеспечивает высокое качество изделий, и поэтому их надежность в десятки раз выше, чем триггеров, собранных из отдельных деталей.
1.1.4 Общее понятие D-триггера
D-триггеры, в отличие от рассмотренных ранее типов, имеют для установки в состояния 1 и 0 один информационный вход D. Функциональная особенность этого типа триггеров состоит в том, что сигнал на выходе Q в такте n+1повторяет значение входного сигнала Dn в предыдущем такте п и сохраняет (запоминает) это состояние до следующего такта. Другими словами, D-триггер задерживает на один такт информацию, существовавшую на входе D.D-триггер характеризуется тем, что сигналы на прямом выходе Q принимают значение, противоположное сигналам на входе D.
Наименование метки D идет от первой буквы английского слова delay задержка, промедление. D-триггеры часто так и называют триггерами задержки. Временная диаграмма представлена на рис.1.
рис.1
рис. 2
Таблицы переходов для D-триггеров в подробной и минимизированных формах представлены в табл. 14 и 15. На рисунке 2 сокращение произведено за счет исключения первых четырех строк, характеризующих поведение триггера в отсутствие тактовых импульсов. Кроме того, опущено указание на очевидный факт, что смена состояний триггера происходит под действием тактового импульса С= 1.
Из данных, приведенных в таблицах, следует вывод: состояние D-триггера в такте п+1 не зависит от его состояния в предыдущем такте n, а целиком определяется информацией на входе D.
Асинхронный D-триггер обеспечивает передачу сигналов со входа на выход, но не обладает свойством памяти, т. е. не имеет режима хранения входной информации, который бывает у RS и других типов триггеров при нейтральной входной комбинации. По этой причине асинхронные устройства могут быть причислены к D-триггерам только с оговорками.
Хранение информации у D-триггеров обеспечивается за счет цепей синхронизации, и поэтому все реальные D-триггеры тактируемые. Управление по тактовому входу может быть статическим, динамическим, а также двухступенчатым. D-триггер можно образовать из любого синхронного RS-триггера, а также из его разновидностей, в том числе и JK-триггера, если на входы S и R одновременно подавать взаимно инверсные сигналы D и
D-триггер на КМОП элементах. По установочным входам S и R триггер приводится соответственно в состояние логической единицы и логического нуля. Эти входы имеют приоритет по отношению к остальным: подача установочного импульса на вход S или R обеспечивает требуемое переключение независимо от сочетания сигналов на остальных входах. Минимальная длительность импульсов на этих входах 150нс при Un = 5 В. Время задержки сигнала от входов S и R до выходов Q или равно примерно 50 и 100 нc для Un=\0 В и Un = 5 В соответственно.
Вход D информационный (вход данных), вход С тактовый. Уровень сигнала, действующий на входе D (высокий или низкий), с подачей тактового импульса устанавливается на выходе Q . Сигналы на этом входе должны опережать тактовые хотя бы на 20...40 нc и длиться не менее 15 нc. Триггер срабатывает по фронту тактовых импульсов (перепаду от низкого уровня к высокому), поступающих на вход С. Их длительность должна быть не менее 100 не при /п = 5 В и 50 не при U„=\0 В.
1.1.5 Принцип действия D-триггера

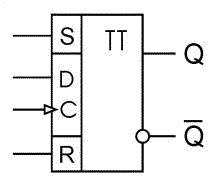
На рисунке изображено схемное обозначение D-триггера. Как мы видим из рисунка, у D-триггера четыре входа и два выхода. Два входа вам могут быть уже знакомы. Такие входы имеет RS-триггер. Это вход S - служащий для установки триггера в единичное состояние (от Set - установить). И вход R - вход сброса (от Reset - сбросить). Аналогично RS-триггеру у D-триггера имеется два выхода: прямой и инверсный.
Все, эти уже нам знакомые входы и выходы, работают точно так же, как и в самом RS-триггере. То есть для нормальной работы на входы R и S должен быть подан сигнал логической единицы. При поступлении сигнала логического нуля на вход S, триггер устанавливается в единичное состояние (это, когда на выходе Q - сигнал логической единицы, а на выходе Q - сигнал логического нуля). При поступлении на вход R сигнала логического нуля, триггер сбрасывается в нулевое состояние (на Q - ноль, а на Q - единица).
Кроме описанных выше входов, D-триггер имеет еще два дополнительных. Это вход данных D (именно он дал название триггеру) и вход синхронизации C. Вход C служит для синхронизации записи логического сигнала поступающего на вход D. Происходит это следующим образом: на вход D подается некий логический уровень. Например, логическая единица. Затем на вход синхронизации подается синхронизирующий импульс. По заднему фронту этого импульса происходит запись сигнала со входа D в триггер. Триггер переходит в единичное состояние. Точно так же, если на вход D триггера ноль подать логический ноль то по спаду синхроимпульса он запишется в триггер.
В данном случае под задним фронтом следует понимать момент перехода сигнала на входе C с единичного уровня в нулевой. Переход с нулевого уровня в единичный, называется передним фронтом импульса. Иногда, вместо понятия "передний фронт" импульса употребляют термин "фронт" импульса. При этом вместо понятия "задний фронт" импульса, говорят "спад" импульса. Вход C в данном случае работает не по уровню входного сигнала, как все остальные входы, а срабатывает в момент перехода из одного уровня в другой. Поэтому, такой вход называется импульсным. Импульсный вход, в соответствии с ГОСТом изображается со стрелкой у основания. Так же напомню, что инверсный выход (так же, как и инверсный вход) изображается с кружочком.
Как следует из вышеизложенного, типовой D-триггер, по сути дела, может выступать в роли как RS-триггера, так и собственно в роли D-триггера. При этом функция RS-триггера имеет приоритет. То есть при поступлении, например, на вход установки (S) низкого логического уровня, триггер установится в единичное состояние, не зависимо от состояния сигналов на входах C или D. Тот же принцип приоритета распространяется и на вход R.
Внутреннее строение D-триггера гораздо сложнее, чем, к примеру, RS-триггера. Существует много разных схем его реализации. Ниже приведена одна из таких схем.

Внутреннее устройство D-триггера
Схема триггера двухступенчатая. Первая ступень состоит из двух RS-триггеров (DD1, DD2 и DD3, DD4). Оба триггера замкнуты в кольцо обратной связи (выход DD2 соединен с входом DD3, а выход DD4 с входом DD1). На элементах DD5 и DD6 собрана вторая ступень триггера.
Если на входе C присутствует сигнал логического нуля, происходит запись информации в первую ступень триггера. При этом, в зависимости от сигнала на входе D, изменяется состояние сигналов на выходах элементов DD1 и DD4. На выходах DD2 и DD3, напротив, в этом режиме постоянно присутствует уровни логической единицы.
Если на вход C приходит сигнал логической единицы, то триггеры первой ступени, в зависимости от их состояния в момент прихода этого самого входного импульса, замирают в одном из двух возможных состояний:
|
Выводы элементов |
DD1 |
DD2 |
DD3 |
DD4 |
|
Первый вариант |
1 |
0 |
1 |
0 |
|
Второй вариант |
0 |
1 |
0 |
1 |
Одновременно происходит перезапись сигнала из триггеров первой ступени в триггеры второй. Перезапись информации из первой ступени во вторую происходит в момент смены уровня сигнала на входе C с низкого на высокий (то есть, по переднему фронту). Именно поэтому этот вход считается инверсным. Инверсный потому, что в исходном парианте (см. начало этой статьи) запись происходит по заднему фронту. А этот самый исходный вариант считается базовым. Однако, и новую схему легко привести к первоначальной. Достаточно только поставить инвертор по входу C, и мы получим первоначальный результат.
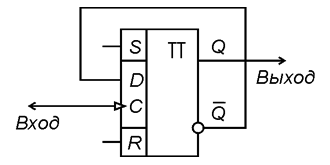
D-триггер широко применяется в цифровой технике. На его основе строятся такие элементы, как счетчики и регистры. Ниже приведена схема включения D-триггера в счетном режиме.

Схема делителя на 2
Не забываем, что для нормальной работы на входы R и S триггера должен быть подан сигнал логической единицы. Для упрощения схемы эти цепи не показаны. Как видно из схемы, инверсный выход триггера (Q) соединяется с его же входом D. На вход синхронизации подаются импульсы некоторой опорной частоты. На выходе формируется сигнал с вдвое меньшей частотой следования.
1.2 Практическая часть
1.2.1 Основы проектирования
Проектирование электронной аппаратуры представляет собой итерационный процесс, состоящий из этапов функционального проектирования, разработки принципиальной схемы, печатной платы, её изготовления, проведения испытаний, доработки по их результатам принципиальной или функциональной схемы, внесения изменений в печатную плату и т.д. и осуществляемый до тех пор, пока не будут удовлетворены все требования технического задания. С повышением сложности аппаратуры, переходом к более высоким диапазонам частот, применением смешанных аналого-цифровых устройств число итераций увеличивается. Связано это с тем, что аналитически трудно учесть паразитные эффекты, присущие как электронным компонентам, так и проводникам печатных плат, и их взаимное влияние. Единственный выход из положения заключается в организации сквозного моделирования как идеальной схемы, так и реальной конструкции и её испытаний при действии различных дестабилизирующих факторов и учета разброса параметров. Наиболее полно эти задачи решаются на рабочих станциях с применением программного обеспечения корпорации Mentor Graphics, Cadence и др. Однако дороговизна такого решения делает его невозможным для широкого применения. На платформе персональных компьютеров в настоящее время имеется единственная система обеспечивающая сквозное проектирование аналого-цифровых аппаратуры система ORCAD.
Основу системы составляет программа PSpice, которая является наиболее известной модификацией программы схемотехнического моделирования SPICE (Simulation Program with Integrated Circuit Emphasis), разработанной в начале 70-х годов в Калифорнийском университете г. Беркли. она оказалась очень удачной, с тех пор интенсивно развивается и стала эталонной программой моделирования аналоговых устройств. Принятые в ней математические модели полупроводниковых приборов используются во многих аналогичных программах, а списки соединений схемы в формате SPICE составляются большинством пакетов САПР (Micro-Cap, Dr.Spice, OrCAD, P-CAD, ACCEL EDA, Viewlogic, COMPASS, Design Architect и др.). Первая версия программы PSpice для IBM PC создана в 1984 г. корпорацией MicroSim. Это и последующие версии используют те же алгоритмы, что и SPICE, тот же формат представления входных данных.
1.2.2 Исследование логических элементов НЕ, Ключ, 2ИЛИ-НЕ
В схеме логического элемента "2ИЛИ-НЕ" в качестве нагрузки используются последовательно включенные p-МОП транзисторы. В ней ток от источника питания на выход микросхемы будет поступать только если все транзистора в верхнем плече будут открыты, т.е. если сразу на всех входах будет присутствовать низкий потенциал (уровень логического нуля). Если же хотя бы на одном из входов будет присутствовать уровень логической единицы, то верхнее плечо будет закрыто и ток от источника питания поступать на выход микросхемы не будет.

Таблица истинности, реализуемая этой схемой, приведена в таблице , а условно-графическое обозначение этих элементов приведено на рисунке.
Таблица истинности схемы, выполняющей логическую функцию "2ИЛИ-НЕ" Таблица 1.13


Рисунок 1.19. Условно-графическое изображение элемента "2ИЛИ-НЕ"
Рисунок 3.3 Результаты анализа работы элемента 2-ИЛИ-НЕ в статическом режиме(OrCAD).
Анализ работы логического элемента “Инвертор”.

Рис. 3.4 Схемотехническая реализация логического элемента “Инвертор”.
Если сигнал X имеет высокий потенциал, то ключ, реализованный на транзисторе, замкнут, и потенциал точки Y низкий. В противном случае связь между точкой Y и "землей" разорвана, и сигнал Y имеет высокий уровень, что и обеспечивает реализацию логической функции "отрицание".

Рисунок 3.5 Схема элемента НЕ выполненная в Protel.

Рисунок 3.6 Результаты анализа работы элемента НЕ в статическом режиме(OrCAD).
Из рисунка видно, что состояние на выходе инвертора противоположно состоянию на его входе; при высоком уровне на входе инвертора на выходе устанавливается ноль, и наоборот.
Таблица истинности инвертора
|
Вход |
Выход |
|
0 |
1 |
|
1 |
0 |
Две основные области применения инверторов это изменение полярности сигнала и изменение полярности фронта сигнала (рис. 3.6). То есть из положительного входного сигнала инвертор делает отрицательный выходной сигнал и наоборот, а из положительного фронта входного сигнала отрицательный фронт выходного сигнала и наоборот. Еще одно важное применение инвертора буферирование сигнала (с инверсией), то есть увеличение нагрузочной способности сигнала.
Анализ работы логического элемента «ключ» на биполярных транзисторах.
Транзисторный ключ является основным элементом устройств цифровой электроники. Основные особенности транзисторного ключа является обязательным условием понимания принципов работы цифровых устройств.

Рисунок 3.5 Схема элемента Ключ выполненная в Protel.
Электронные ключи основаны на работе биполярных транзисторов. Когда на базе транзистора «0» относительно эмиттера, транзистор «закрыт», ток через него не идёт, на коллекторе всё напряжение питания (сигнал высокого уровня «1»). Когда на базе транзистора «1», он «открыт», возникает ток коллектор эмиттер и падение напряжения на сопротивлении коллектора, напряжение на коллекторе, а с ним и напряжение на выходе, уменьшается до низкого уровня «0».

Рисунок 3.5 Результат работы логического ключа(OrCAD).
Основными параметрами ключа являются :
• быстродействие, определяемое максимально возможным числом переключений в секунду.
• длительность фронтов выходных сигналов .
• внутренние сопротивления в открытом и закрытом состоянии .
• потребляемая мощность .
• помехоустойчивость, равная уровню помехи на входе, вызывающей ложное переключение .
• стабильность пороговых уровней, при которых происходит переключение .
• надежность работы в реальных условиях эксплуатации.
1.2.3 Анализ работы схемы D-триггера
Для построения D-триггера MS типа мне понадобились 3 логических элемента: 2-ИЛИ-НЕ, КЛЮЧ и НЕ (инвертор). С помощью этих трёх элементов, я и собрал D-триггер.

Рисунок Схема D-триггера MS типа.
На рисунке можно заметить, что в отличие от обычного D-триггера, у этого на один вход больше(NC). На этот вход подаётся сигнал, противоположный входу С.
В принципе при самом сборе схемы D-триггера MS типа мне понадобилось два D-триггера, соединенных между собой. Такие триггеры часто используются в качестве регистров, а если точнее то только в регистрах.

Рисунок 3.8 Результаты анализа работы D-триггера MS типа.
Структура типа MS (master/slave - ведущий/ведомый). Эта структура предполагает последовательное соединение двух D-триггеров, тактируемых уровнем. При этом фаза тактирования первого триггера (ведущего M) противоположна фазе тактирования второго (ведомого S).
- Разработка конструкции стенда
1.3.1 Изготовление печатной платы и макета
Платы с печатными проводниками и контактными площадками в любительской практике удобно использовать лишь тогда, когда устройство предварительно хорошо отработано. В процессе настройки приходится несколько раз демонтировать отдельные детали и устанавливать другие, а печатные контактные площадки под действием многократных тепловых и механических нагрузок, как правило, отслаиваются. Поэтому на этапе отладки схемы лучше применять монтажные платы, которые являются как бы макетом будущей печатной платы.
Пластину требуемых размеров из нефольгированного изоляционного материала (текстолит, гетинакс, фанера) обрабатывают с одной стороны мелкозернистой наждачной бумагой, обезжиривают и укрепляют необработанной стороной на деревянной дощечке толщиной 15 20 мм. Сверху на пластину накладывают и в нескольких точках приклеивают лист бумаги с эскизом будущей печатной платы. В точках крепления выводов, изгиба проводников схемы, выводных контактных площадок сверлом 0 11,5 мм сверлят отверстия так, чтобы сверло, пройдя пластину насквозь, углубилось в дощечку на 1012 мм. В полученные отверстия вставляют металлические штыри подходящего диаметра так, чтобы они выступали над поверхностью пластины на 510 мм. Можно использовать мелкие гвозди или отрезки жесткой проволоки.
Затем из луженого одножильного провода диаметром 0,30,5 мм изготовляют проводники платы. Для этого провод в соответствии с эскизом протягивают от штыря к штырю, обматывая каждый из них одним-двумя витками. Когда все соединения выполнены, эскиз, разрывая, удаляют пинцетом. Проводники должны быть плотно прижаты к поверхности.
После этого на участки проводников, расположенные между штырями, кисточкой осторожно наносят эпоксидный клей в таком количестве, чтобы проводники оказались приклеенными к поверхности платы. Необходимо следить за тем, чтобы клей не попал на штыри и витки провода, намотанные на них. После полного затвердевания клея штыри удаляют и готовую плату снимают с дощечки. Образовавшиеся на плате петли провода будут удобными контактными площадками для присоединения выводов радиоэлементов.
Закончив отладку схемы, отрабатывают рациональную компоновку элементов и уточняют эскиз.
Компоновка элементов на макетной плате. Работа по размещению элементов на плате значительно упрощается, если воспользоваться следующим приемом. На лист ватмана с размерами будущей платы наносят слой пластилина толщиной 24 мм. Этот лист в нескольких точках приклеивают к другому листу ватмана или миллиметровки.
В пластилин, слегка вдавливая выводы, устанавливают радиоэлементы и микросхемы. Необходимо при этом учитывать принципиальные особенности устройства (взаимовлияния цепей, температурные режимы элементов и т.д.), уменьшать длину соединительных проводников, не делать перемычек.
Выводы элементов предварительно изгибают соответствующим образом (формуют). Линии будущих печатных проводников прочерчивают на пластилине шилом. Перемещая элементы, находят наиболее рациональную компоновку.
Затем, поочередно снимая каждый элемент с макета, прокалывают шилом оба листа в точках будущих отверстий в плате. По нескольку проколов тонкой иглой делают вдоль будущих печатных проводников. После этого элемент устанавливают на прежнее место.
Отклеивают нижний лист, рисуют на нем соединения и обозначают места расположения элементов. Рисунок соединений переносят на фольгированную заготовку. После этого детали с макетной платы снимают. Макетная плата может быть использована несколько раз.
В качестве основы для макетирования можно применить пластину пенопласта толщиной 2530 м. В этом случае выводы элементов формуют и вдавливают в пенопласт. Когда наиболее рациональный вариант размещения выбран, на пенопласте чертят две взаимно перпендикулярные базовые линии. С помощью чертежного измерителя расстояния от базовых линий до контактных площадок измеряют и переносят на миллиметровую бумагу. Отметки соединяют линиями, завершая тем самым подготовку рисунка печатной платы.
Лист миллиметровой бумаги можно сразу наложить на пластину и, устанавливая элементы, прокалывать и бумагу. После определения наилучшей компоновки рисуют на миллиметровке соединения и снимают поочередно элементы, помечая на бумаге их схемный номер.
Разметка печатной платы под некоторые микросхемы и малогабаритные элементы (миниатюрные трансформаторы, реле и др.) с торцевым расположением выводов довольно трудоемка.
Разметка упрощается, если на поверхность платы в предполагаемом месте установки нанести слой пластилина толщиной 0,51 мм. Слой должен быть гладким и ровным. Затем подготовляют элемент (микросхему): выводы укорачивают до одинаковой длины (1012 мм) и подгибают так, чтобы они были перпендикулярны основанию корпуса.
Элемент (микросхему) опускают на предполагаемое место установки и вдавливают выводы в пластилин до упора в поверхность платы, затем осторожно вынимают и шилом или остро заточенным кернером намечают по оставшимся следам выводов центры будущих отверстий в плате. После разметки слой пластилина снимают и сверлят отверстия.
Этот способ удобен и при компоновке элементов на плате.
1.4 Выводы по технической части
Глава 2. Экономическая часть. Предприятие как основное звено экономической системы
2.1 Виды, типы, и формы
На всех этапах развития экономики основным звеном является предприятие. Именно на предприятии осуществляется производство продукции, происходит непосредственная связь работника со средствами производства. Предприятие самостоятельно осуществляет свою деятельность, распоряжается выпускаемой продукцией, полученной прибылью, оставшейся в его распоряжении после уплаты налогов и других обязательных платежей.
В условиях рыночных отношений ключевой фигурой выступает предприниматель. Статус предпринимателя приобретается посредством государственной регистрации предприятия. При этом субъектом предпринимательской деятельности может быть как отдельный гражданин, так и объединение граждан. Таким образом, предприятие - это самостоятельный хозяйствующий субъект, созданный предпринимателем или объединением предпринимателей для производства продукции, выполнения работ и оказания услуг с целью удовлетворения общественных потребностей и получения прибыли.
Часто в экономическом обороте используется термин “фирма”, под которым понимается экономический субъект, занимающийся различными видами деятельности и обладающий хозяйственной самостоятельностью. Иначе, фирма - это организация, которая владеет и ведет хозяйственную деятельность на предприятии.
По формам собственности предприятия подразделяются на:
- частные, которые могут существовать либо как полностью самостоятельные, независимые фирмы, либо в виде объединений и их составных частей. К частным можно отнести и те фирмы, на которых у государства естьдоля капитала (но не преобладающая);
- государственные, под которыми понимают как чисто государственные (в том числе и муниципальные), где капитал и управление полностью принадлежат государству, так и смешанные, где государство обладает большей частью капитала, или играет решающую роль в управлении.
По размерам предприятия подразделяются на малые, средние и крупные,
исходя из двух параметров: численности занятых и объема производства.
Классификация предприятий по характеру деятельности (производственная и непроизводственная) предполагает их деление на производящие материальные блага и услуги.
Классификация предприятий по признаку доминирующего фактора производства предусматривает трудоемкие, капиталоемкие, материалоемкие, наукоемкие предприятия.
По правовому статусу различают, прежде всего, хозяйственные товарищества и общества; производственные кооперативы; государственные и муниципальные унитарные предприятия; индивидуальных предпринимателей.
Хозяйственные товарищества. Объединение участников предпринимательской деятельности, партнеров для совместного бизнеса называют товариществом. Участие партнеров в товариществе принято скреплять письменным соглашением, или договором. В целях более тесного и прочного союза товарищество оформляется как предприятие. Товарищество позволяет соединить не только усилия, но и капиталы его участников. Лица, которые создают хозяйственное товарищество, именуются его учредителями. Каждый из них вносит определенный вклад в товарищество и становится его участником. Первоначальный вклад называют уставным или складочным капиталом.
Участники хозяйственных товариществ, вправе участвовать в управлении делами, получать информацию о деятельности товарищества, знакомиться с его документацией, принимать участие в распределении прибыли, получать при ликвидации товарищества часть имущества, оставшегося после расчетов с кредиторами, или денежный эквивалент стоимости. В то же время участники хозяйственных товариществ несут ряд обязательств перед организациями, членами которых они являются.
В зависимости от вида имущественной ответственности участники товарищества делятся на два основных типа: полное товарищество и товарищество на вере. Одной из характерных черт полного товарищества является высокая степень и мера имущественной ответственности его участников за выполнение принятых обязательств.
Промежуточная форма между полным товариществом, участники которого несут полную имущественную ответственность, и товариществом с ограниченной ответственностью получила название товарищества на вере. Такие товарищества называются также коммандитными. Коммандитное товарищество, подобно полному товариществу, представляет собой объединение нескольких граждан или юридических лиц на основании договора между ними в целях ведения совместной хозяйственной деятельности. Но, принципиальное отличие коммандитного товарищества от полного состоит в том, что только часть его членов, именуемых полными товарищами, несет полную ответственность по обязательствам товарищества всем своим имуществом. Другая же часть в виде членов-вкладчиков несет ограниченную ответственность и отвечает по обязательствам только своим паевым вкладом в общество.
Общества с ограниченной ответственностью. Главный признак, определивший название и составляющий одно из важнейших преимуществ общества с ограниченной ответственностью, состоит в том, что участники общества с ограниченной ответственностью несут ответственность по обязательствам, принятым на себя таким обществом, только в пределах своих вкладов в капитал общества. Именно в этом смысле ответственность общества ограничена. В качестве учредительных документов такого общества выступает устав и учредительный договор.
Общество с ограниченной ответственностью представляет собой юридическое лицо, действует в соответствии с принятыми его участниками уставом и учредительным договором, имеет собственное наименование с обязательным указанием в нем организационно-правовой формы.
К числу преимуществ обществ с ограниченной ответственностью относится относительно невысокий минимально допустимый размер уставного капитала. Это дает возможность начать собственное дело даже при малом стартовом капитале. Общества с ограниченной ответственностью создаются как объединения партнеров по делу, лиц и организаций, между которыми существует постоянный деловой контакт и имеет место взаимная заинтересованность в общем успехе. В этой связи общества с ограниченной ответственностью весьма подходят для организации семейных предприятий, фирм, объединяющих постоянно сотрудничающих предпринимателей.
Акционерные общества. Акционерным называется хозяйственное общество, уставной капитал которого делится на определенное число акций. Участники открытого акционерного общества могут продавать или передавать свои акции без согласия других акционеров этого общества. В закрытом акционерном обществе акции распределяются только среди учредителей или иного заранее определенного круга лиц. Главная особенность открытого акционерного общества состоит в том, что его имущественный и денежный капитал формируется путем открытой, свободной продажи своих акций. Акционерные общества открытого типа представляют одну из наиболее распространенных и цивилизованных форм организации коллективного бизнеса.
В форме акционерных обществ могут существовать: крупные, средние, и малые предприятия. Создание акционерных обществ обычно предполагает привлечение значительного числа участников. Акционерное общество является единственным полновластным собственником принадлежащего ему имущественного комплекса, то есть материально-вещественных, информационных и интеллектуальных ценностей. Акционеры являются собственниками только ценных бумаг, которые дают им право получения определенной доли дохода общества в виде процентов, именуемых дивидендами.
Таким образом, объекты права собственности акционеров и акционерного общества не совпадают. Акционер распоряжается сам своей акцией как ценной бумагой. Имуществом же распоряжается только общество в лице его представительских органов управления.
Конечно, акционер способен влиять на использование имущественного комплекса и его деятельности в целом, участвуя в управлении. Такое право реализуется, прежде всего благодаря тому, что обыкновенная акция (в отличие от привилегированной, дающей право на твердый процент дивидендов) предоставляет возможность голосовать на собраниях акционеров, избирать правление. При этом реализуется принцип «одна акция - один голос». Оказать существенное влияние на ход событий возможно, только имея солидный пакет акций, лучше всего - контрольный.
Кооперативы и малые предприятия. Имущество кооперативов формируется на долевой основе за счет взносов его членов, производимых в денежной и материальной формах. Источниками образования имущества служат также продукция кооператива и доходы, получаемые от ее реализации. Высшим органом управления кооператива является общее собрание. Исполнительные органы представлены правлением, возглавляемым председателем.
С начала проведения экономической реформы в России значительное распространение получил такой тип хозяйственной структуры, как малое предприятие. Малые предприятия способны к высокому динамизму развития, самостоятельны в выборе стратегии развития и ее реализации, имеют упрощенную организационную структуру, обслуживаются относительно небольшим числом работников. Малые предприятия могут создаваться в различных организационно-правовых формах. Выбор наиболее приемлемой организационно-правовой формы малого предприятия обычно осуществляется его учредителями - физическими и юридическими лицами.
Объединения предпринимателей. Крупномасштабному бизнесу свойственны формы организации, в основе которых лежит объединение предприятий, фирм в совокупные структуры. Это собирательные ассоциативные формы. Рассмотрим отдельные типы ассоциативных организационных структур, наиболее распространенных в экономике развитых стран.
Корпорация - это акционерное общество, объединяющее деятельность нескольких фирм для достижения их общих целей или защиты привилегий. Как юридическое лицо, корпорация несет ответственность по долгам и налогам за все входящие в нее предприятия и выступает в качестве самостоятельного субъекта предпринимательской деятельности.
Хозяйственные ассоциации - договорные объединения предприятий и организаций, создаваемые для совместного выполнения однородных функций и координации общей деятельности. Ассоциации относятся к одной из самых мягких форм объединений, минимально ограничивающих действия входящих в них членов ассоциации. Участники ассоциации обладают правом входить в любые другие ассоциации.
Концерны - форма договорных крупных объединений обычно монопольного типа, позволяющая использовать возможности крупномасштабного производства, комбинирования, кооперирования, благодаря наличию производственно-технологических связей. Возникновение концернов в странах с развитой рыночной экономикой исторически было обусловлено прежде всего концентрацией капитала, его перенакоплением у отдельных товаропроизводителей. Таким образом, участники концернов взаимозависимы не по договору, а по существу экономических отношений.
Холдинговые компании характеризуются тем, что они обладают контролем над другими компаниями либо за счет владения их акциями и денежным капиталом, либо в связи с правом назначить директоров подконтрольных компаний. Механизм принятия решений в акционерных обществах позволяет холдингу влиять на хозяйственные, коммерческие решения предприятий, входящих в холдинговое объединение. Хотя эти предприятия остаются в правовом отношении самостоятельными, холдинг способен направлять их в русло интересов большой компании как большой целостной структуры.
Консорциум - временное добровольное объединение предприятий, организаций, образуемое для решения конкретных задач и проблем, осуществления крупных инвестиционных, научно-технических, социальных, экологических проектов. В консорциум могут входить и крупные, и мелкие предприятия, желающие принять участие в осуществлении проектного или иного предпринимательского замысла, но не обладающие самостоятельными возможностями его осуществления. Консорциум представляет потенциально эффективный организационно-структурный способ временной интеграции кадров, мощностей, материальных и финансовых ресурсов.

Основные формы объединений предприятий.
2.2 Задачи и цели предприятия
В условиях рынка предприятие решает две задачи - произвести продукцию и реализовать ее. В зависимости от решения этих задач предприятие будет процветать или станет несостоятельным. Для того чтобы знать, что необходимо производить, какой ассортимент, в каком количестве предприятие предприятию должно изучить рынок, т. е. заняться маркетингом. Причем маркетингом необходимо заниматься постоянно - как до запуска продукции в производство, так и после, в процессе реализации продукции.
Для принятия решений необходимо собрать и про
анализировать достоверную информацию, которая включает:
характеристику товаров: являются они товарами конечного потребления или промежуточными, готовыми изделиями или полуфабрикатами, необходима служба сервиса или нет, приемлема ли цена потребителю, каковы цены у конкурентов;
общую характеристику рынка: большое или малое число потребителей, способы покупки товаров, о ношение покупателей к товарам, к условиям и срокам поставки, условия продажи у конкурентов;
каналы распространения товаров: наличие посредников между производителями и потребителями, их количество;
конкретное состояние рынка: сущность и степень конкуренции, существует ли конкуренция между производителями товаров и каков ее уровень;
законодательные ограничения: существуют ли законодательные ограничения, которые могут препятствовать маркетинговой деятельности;
уровни управленческой деятельности в области маркетинга: долговременные цели фирмы, учитывающие ситуацию на внутреннем и внешних рынках и тенденции ее развития; финансовые, материальные и иные ресурсы ,необходимые для достижения этих целей.
В производстве продукта и осуществлении маркетинговой политики необходимо учитывать жизненный цикл продукта на рынке, который включает ряд стадий:
внедрение, требующее больших затрат, поэтому торговля товаром на этой стадии, как правило убыточна;
рост как результат признания покупателем товара и быстрого увеличения спроса на него. При росте объема продаж и соответственно прибыли стабилизируются расходы на рекламу;
зрелость, характерна тем, что большинство покупателей товар уже приобрели, поэтому темпы роста продаж, достигнув максимума, начинают падать, прибыль также начиная снижаться в связи с увеличением расходов на рекламу и другие маркетинговые мероприятия;
насыщение, в этом периоде, несмотря на принятые меры, рост продаж больше не наблюдается. Прибыль от торговли продолжает увеличиваться из-за снижения расходов на производство;
спад, представляет собой период резкого снижения продаж, а затем и прибыли;
Предприятие на входе потребляет ресурсы определенного вида, чтобы потом в результате производственного процесса на выходе получить трансформированные ресурсы, ресурсы иной потребительской стоимости. Соотношение ресурсов на выходе составляет содержание такого предмета, как экономика предприятия. Ее интересует соотношение в использовании ресурсов, которое предполагает превышение доходной части над расходной.
Под экономическими ресурсами понимают все природные, людские и произведенные человеком ресурсы, которые используются для производства товаров и услуг. Все разнообразие ресурсов можно классифицировать в соответствии с различными подходами: материальные ресурсы - земля, или сырьевые материалы, и капитал; людские ресурсы - труд и предпринимательская деятельность.
Получение прибыли - это непосредственная цель предприятия. Но получить прибыль предприятие может только в том случае, если оно производит продукцию или услуги, которые реализуются, т.е. удовлетворяют общественные потребности. Соподчиненность этих двух целей - удовлетворение потребности и получение прибыли. Нельзя получить прибыль, не изучив потребности и не начав производить тот продукт, который удовлетворяет потребности. Необходимо произвести продукт, который удовлетворит потребности и притом по такой цене, которая удовлетворила бы платежеспособные потребности. А приемлемая цена возможна только в том случае, когда предприятие выдерживает определенный уровень издержек, когда потребляемые ресурсы, затраты их меньше, чем полученная выручка, т.е. когда оно работает с прибылью. В этом случае и говорится, что прибыль, непосредственная цель функционирования предприятия и одновременно это результат его деятельности. Если предприятие не укладывается в рамки такого поведения и не получает прибыли от своей производственной деятельности, оно вынуждено уйти с экономической сферы, признать себя банкротом.
В соответствии с законом РФ «О несостоятельности (банкротстве) предприятий» под несостоятельностью предприятия понимается неспособность удовлетворить требования кредиторов по оплате товаров, работ или услуг, включая неспособность обеспечить обязательные платежи в бюджет и внебюджетные фонды в связи с превышением обязательств должника над его имуществом или в связи с неудовлетворительной структурой баланса должника.
Внешним признаком несостоятельности предприятия является приостановление его текущих платежей, если предприятие не способно обеспечить выполнение требований кредиторов в течение трех месяцев со дня наступления сроков их выполнения. Это внешний признак несостоятельности. Формально же предприятие считается несостоятельным по решению арбитражного суда или при добровольной ликвидации со дня официального уведомления.
2.3 Особенности правового предприятия
Предприятием как объектом прав признается имущественный комплекс, используемый для предпринимательской деятельности. В состав предприятия входят все виды имущества, предназначенные для его деятельности, включая земельные участки, здания, сооружения, оборудование, инвентарь, сырье, продукцию, права требования, долги, а также права на обозначения, индивидуализирующие предприятие, его продукцию, работы и услуги (фирменное наименование, товарные знаки, знаки обслуживания) и другие исключительные права. Предприятие в целом как имущественный комплекс признается недвижимостью.
Прежде чем подходить к вопросу о позиционировании понятия «предприятие», следует дать определение понятиям «объект права» и «субъект права».
Объект права - реальное благо, на использование или охрану которого направлены субъективные права и юридические обязанности. Объект теснейшим образом связан с интересом уполномоченной стороны и является благом, находящимся в его распоряжении и охраняемым государством.
К объектам гражданских прав относятся вещи, включая деньги и ценные бумаги, иное имущество, в том числе имущественные права; работы и услуги; информация; результаты интеллектуальной деятельности, в том числе исключительные права на них (интеллектуальная собственность); нематериальные блага
Субъект права - индивиды или организации, которые на основании юридических норм могут быть участниками правоотношений, т. е. носителями субъективных прав и обязанностей. Субъектам права присуще свойство правосубъективности. Правосубъективность есть предусмотренная нормами права способность (возможность) быть участником правоотношений. Она представляет собой сложное юридическое свойство, состоящее из двух элементов правоспособности и дееспособности.
Правоспособность это предусмотренная нормами права способность (возможность) лица иметь субъективные права и юридические обязанности.
Дееспособность предусмотренная нормами права способность и юридическая возможность лица своими действиями приобретать права и обязанности, осуществлять и исполнять их. Теперь можно оценить с позиции приведенных определений положение понятия «предприятие».
Как совокупность имущества, предприятие полностью соответствует признакам объекта права (его можно использовать, и должно охранять от посягательств), однако в имущественный комплекс предприятия входят так же обязательства (долги), а также некоторые свойства (например, фирменное наименование), наличие которых и способность их приобретать и отчуждать, присущи исключительно субъектам права. одним из элементов наименования соответствующей организационно - правовой формы юридических лиц.»
Итак, предприятие есть объект права и, поэтому не может содержать в себе обязательства по определению, а фирменное наименование в силу закона.
Далее надо определить сущность предприятия, его содержание и доминирующие составляющие. Предприятие есть имущественный комплекс и поэтому его содержание это имущество различного вида, как материальное (недвижимость, оборудование, инвентарь, сырье, продукция и т.п.), так и нематериальное (торговые знаки, знаки обслуживания, в совокупности - торговая марка (бренд), имущественные права и т.п.).
Что же из перечисленного является главенствующим в сущности понятия предприятия? Исходя из экономического значения предприятия, следовало бы выделить как основные средства производства основные средства предприятия (производственные/торговые/услуговые помещения, станки, иное оборудование), без которых предприятие теряет свое хозяйственное назначение и, следовательно, способность использоваться в предпринимательской деятельности.
С другой стороны, отсутствие названия, торговой марки (бренда), иной нематериальной индивидуализирующей составляющей или отчуждение их обезличивает предприятие, превращает его просто в совокупность имущества, имеющую ценность, как целиком, так и по отдельности, но не образующую обособленную хозяйственную единицу. Здесь можно привести суждение Г.Ф. Шершеневича, что «ценность предприятия заключается не столько в помещении, находящемся, может быть, на самом бойком месте, не в количестве сложенных в его подвалах и складах товаров, сколько в известности фирмы».
В-третьих, можно выделить необъектные составляющие сущности понятия «предприятие». Так предприятие предполагает наличие персонала. Без сотрудников предприятие становиться «мертвым», то есть опять же не может выполнять хозяйственную функцию. Такое состояние предприятия может быть в двух случаях: в момент формирования имущественного комплекса и в момент ликвидации предприятия. Следует отметить, что персонал в данном случае нужно рассматривать не в личностном плане, а в плане наличие штатных единиц, осуществляющих реализацию функций и задач, стоящих пред предприятием. В группу необъектных составляющих следует включить и сложившийся круг партнеров и клиентов предприятия. Это не выделяется российскими исследователями, но применяется в зарубежном праве. Так, действующий французский Закон о купле-продаже и закладе торговых предприятий от 17 марта 1909 г., регламентируя сделки с торговыми предприятиями, в качестве элементов предприятия помимо движимых вещей, входящих в состав основных фондов и оборотных средств, прав на вывеску, торговое наименование, называет клиентуру, деловые связи, репутацию, постоянные источники снабжения.
Термин "комплекс" подчеркивает внутренне единство всего имущества предприятия, поскольку "комплекс" (от лат. complexus - связь, сочетание) это совокупность предметов и явлений, составляющих единое целое. Нельзя отделить хотя бы одно составляющее предприятия без потери хозяйственных свойств предприятия, поэтому в содержании понятия «предприятие» невозможно выделит доминанты.
К недвижимым вещам (недвижимому имуществу, недвижимости) относятся земельные участки, участки недр, обособленные водные объекты и все, что прочно связано с землей, то есть объекты, перемещение которых без несоразмерного ущерба их назначению невозможно, в том числе леса, многолетние насаждения, здания, сооружения. К ним относятся также подлежащие государственной регистрации воздушные и морские суда, суда внутреннего плавания, космические объекты.
Само по себе это определение развернутое и объемное. Однако не все его положения понимаются однозначно, что порождает научные споры.
Касаемо определения недвижимости я склонен согласиться с Е.М. Тужиловой - Орданской, что «целесообразнее сформулировать данный признак так, как это было сделано в Основах гражданского законодательства 1991 г.: "земельные участки и все, что прочно с ними связано", исключив указание на несоразмерный ущерб, возникающий при перемещении объекта, а также перечень таких объектов»
Предприятие не подходит под понятие недвижимости ни по одному из признаков как легального, так и альтернативных определений недвижимости, но относиться к таковому в силу своего специфического характера и необходимости особой процедуры при различного рода действиях в отношении его.
Предприятие является недвижимостью не в силу его неразрывной связанности с землей, а по решению законодателя распространить на этот специфический объект особенности правового режима, устанавливаемого для недвижимого имущества. В-третьих, предприятие является объектом, который "выпадает" из классификации недвижимых и движимых вещей, поскольку оно вещью, даже сложной, не является". С этим трудно не согласиться.
Как было замечено выше, следует отделять понятия «предприятие» и «государственное или муниципальное унитарное предприятие».
Государственным или муниципальным унитарным предприятием, признается коммерческая организация, не наделенная правом собственности на имущество, закрепленное за ней собственником. В форме унитарных предприятий могут быть созданы только государственные и муниципальные предприятия.
Общеэкономический смысл существования унитарных предприятий находится под вопросом, так как на 10 существующих унитарных предприятий приходится примерно 2-3 успешно функционирующих, а остальные либо убыточны, либо злоупотребляют своим положением. Да и, на мой взгляд, коммерческое юридическое лицо, чтобы обладать независимостью и при этом гарантированной платежеспособностью, должно быть собственником своего имущества, поэтому не вижу смысла в существовании этой разновидности юридических лиц.
Унитарные предприятия необходимо в большей части приватизировать. Государство должно участвовать в обще коммерческой деятельности наравне с остальными субъектами права. В целях же производства общественно значимых товаров и услуг необходимо создать ряд казенных государственных и муниципальных предприятий, которые являлись бы не юридическими лицами, как субъектами права, а предприятиями, как объектами права, изъятыми из оборота, и находящимися в собственности федеральной, региональной или муниципальной казны.
В завершении своей работы я хотел бы обобщить проведенное исследование и сделать несколько выводов по проблемным вопросам работы.
Во-первых, предприятие, бесспорно, является объектом права, и, поэтому из его легального определения следует исключить такие составляющие как долги и фирменное наименование.
Во-вторых, в содержание понятия «предприятие» входят следующие элементы:
- Имущественный комплекс:
- материальное имущество (недвижимость, оборудование, запасы, товар и т.д.);
- нематериальное имущество (название, торговая марка (бренд), имущественные права и т.п.).
- Необъектный комплекс:
- персонал, как безличная совокупность штатных единиц;
- деловые связи;
- клиентура (потребительская направленность предприятия).
В-третьих, предприятие по содержанию является неоднородным, поэтому его трудно отнести к определенному разряду объектов права. Но в силу своей специфики предприятие законом отнесено к недвижимости и поэтому на него распространяются все требовании, предъявляемые к недвижимости.
В-четвертых, следует отделять понятия «предприятие» и «унитарное предприятие». Первое, как было сказано, является объектом права, а второе субъектом. Чтобы устранить подобную правовую путаницу, следует либо дать новое наименование названной организационно-правовой форме юридического лица (например, Федеральная (региональная, муниципальная) коммерческая организация), либо упразднить ее, как нецелесообразную, а производство общественно важных товаров и услуг поручить предприятиям, принадлежащим, как объект права, казне.
На основании вышесказанного можно вывести определение понятия «предприятие».
Предприятие это специфический объект гражданского права, в силу своих особенностей и специфики отнесенный к разряду недвижимости, представляющий собой комплекс имущественных (материальное и нематериальное имущество) и необъектных (персонал, партнеры и клиентура) составляющих, предназначенный для осуществления предпринимательской деятельности.
2.4 Предпринимательские права и обязанности предприятия (фирмы)
Государственные законы, действующие в области экономики, определяют компетенцию государства и границы его вмешательства в работу предприятия (фирмы). Частные, кооперативные, акционерные и другие предприятия не освобождаются от государственного контроля, который ведется за:
• Доходами предприятия и уплатой им налогов;
• Санитарным состоянием производства;
• Назначением и техническим уровнем продукции;
• Соблюдением стандартов и технических условий производства;
• Правовой защитой наемного персонала и некоторыми други-ми сторонами деятельности предприятий.
Хозяйственный и правовой контроль, причем очень жесткий, осуществляется во всех странах мира. Под демократией многие понимают вседозволенность. А это не одно и то же, справедливо замечает американский исследователь менеджмента Я. Хотин, Запад под демократией понимает очень строгие и суровые законы, которые нельзя ни обойти, ни нарушить'. Законодательством предусмотрело, что предприятие несет полную ответственность за все виды его деятельности, в том числе за:
• Соблюдение интересов государства и прав граждан;
• Соблюдение законов и сохранность окружающей среды;
• Преумножение имущества, вверенного ему государством или держателями акций;
• Повышение эффективности производства.
Предусматривается, что деятельность предприятия не должна нарушать нормальных условий работы других предприятий и организаций, ухудшать условия жизни граждан на прилегающей территории. При этом государство или иной вышестоящий орган, как правило, не отвечают по обязательствам предприятия, которое также не отвечает по обязательствам государства и других органов. Администрация предприятия обязана создавать нормальные условия труда для персонала. Решения по социально-экономическим вопросам должны приниматься с участием трудового коллектива. Между администрацией и трудовым коллективом заключается трудовое соглашение, в котором закрепляются взаимные обязательства:
• По санитарному состоянию и технике безопасности работ;
• условия режима работы предприятия и его подразделений, включая сменность работы и продолжительность смен;
• Продолжительность и размеры оплаты отпусков;
• условия и формы оплаты труда по категориям работников и др.
За пределами предусмотренных законом полномочий местные органы власти и коммерческие организации не вправе вмешиваться в осуществление внутренних хозяйственных и административных функций предприятия. Они могут выступать лишь в качестве органов контроля правомерности хозяйственной деятельности предприятия, вносить свои предложения и требовать исполнения руководством предприятия действующего законодательства.
2.5 Экономика ПМР
Приднестровье - развитый индустриально-аграрный регион. Республика располагает значительным промышленным потенциалом.
В состав промышленного комплекса входят следующие отрасли: электроэнергетика, черная металлургия, машиностроение и металлообработка, электротехническая, химическая, деревообрабатывающая, мебельная, полиграфическая, стекольная, легкая промышленность, промышленность строительных материалов.
Ведущее место занимает отраслевая обрабатывающая промышленность, большое значение придаётся развитию сельского хозяйства. Традиционная сельскохозяйственная специализация не препятствует внедрению в экономику региона трудоёмких и наукоёмких производств.
Промышленность включает 144 предприятия с различными формами собственности: 113 из них государственных, 9 - арендных, 11 акционерных обществ, 6 - коллективных предприятий. Крупнейшие центры производства: Тирасполь, Бендеры, Рыбница. Многие виды продукции, выпускаемые в Приднестровье, получили сертификаты, закрепляющие соответствие их качества мировым стандартам.
Республика осуществляет внешнеэкономическую деятельность с 58 странами по экспорту, и с 59 странами по импорту. Среднегодовой внешнеторговый оборот предприятий составляет 770 млн. долларов США.
Основу энергетики составляют Днестровская ГРЭС и Дубоссарская ГРЭС. Приднестровская Молдавская республика полностью обеспечивает себя электроэнергией собственных электростанций и является экспортером электроэнергии в страны СНГ и дальнего зарубежья. Восточные и юго-восточные электрические сети представлены кабельными сетями, воздушными линиями передач, кабельными линиями различной мощности и протяженности.
Если по численности население ПМР составляет 17% от числа жителей бывшей МССР, то доля промышленности составляет 30%, а по энергетике - 90% от производимого на 1999 год.
Агропромышленный сектор экономики объединяет сельское хозяйство, переработку сельскохозяйственного сырья, специализированную инфраструктуру: транспортировку, хранение, оптовую, розничную торговлю и т.д.
В сельском хозяйстве сохраняется коллективная система обработки земли (колхозы и совхозы). Основные отрасли - зерновая, плодоовощная, винодельческая. В целом, сельское хозяйство позволяет обеспечить потребность республики в продуктах питания и обеспечить независимость республики от внешних поставок по основным показателям.
Основным видом транспорта является автомобильный, в городах и ряде посёлков функционирует городское автобусное движение, в городах Тирасполь и Бендеры основной транспорт - троллейбус. В Тирасполе действует аэропорт, способный принимать любые типы самолётов. Река Днестр судоходна, но мало используемая как транспортная артерия. Дорожная сеть хорошо развита, автострад нет. Железнодорожная сеть слаборазветвлённая, частично электрифицирована. Внутренние связи железнодорожным транспортом - отсутствуют.
Внешнеэкономические связи на уровне республики затруднены её не признанностью "де-юре". Поэтому большую роль играют договора, заключаемые напрямую предприятиями.
Осуществляются следующие виды внешнеэкономической деятельности: торговля, создание совместных предприятий, заключение межрегиональных экономических соглашений, обмен технической документацией.
Экспортируются: электротехнические изделия, приборы и средства автоматизации, автоприцепы и рефрижераторы, электроэнергия. В свежем виде овощи, фрукты, табак. Из стройматериалов - гравий, известняк.
Импортируются - первичные энергоносители, минеральные удобрения, сельхозтехника, бумага, автомобильный и железнодорожный транспорт, бытовая техника и ЭВМ, хлопчатобумажное сырьё, деловая древесина, товары народного потребления.
В валовом исчислении - главный торговый партнёр - Россия (80%), затем Молдова и Украина. Денежная единица - приднестровский рубль.
Глава 3. Охрана труда. Мероприятия по охране труда и пожарной безопасности
3.1 Анализ условий труда
При любой работе есть свои особенности условий труда, они так же присутствуют и при работе с вычислительной техникой.
Условия труда человека работающего с вычислительной машиной не так идеальны, как кажутся на первый взгляд. Главными особенностями при такой работе является напряжение глаз, а также влияние других неблагоприятных факторов: шум машин, тепловыделения, вредные вещества, различные виды излучения, особенности технологического процесса и организации рабочих мест. Повышенная утомляемость из-за постоянного эффекта мелькания, неустойчивости и нечеткости изображения, необходимости частой переадаптации к освещенности дисплея, а также общей освещенности помещения. Неблагоприятными также являются нечеткость и слабая контрастность изображения на экране, расплывчатость, яркие вспышки света. На орган зрения воздействуют появление ярких пятен за счет отражения светового потока на клавиатуре и экране, различие в освещенности рабочей поверхности и ее окружения.
Труд специалистов по обслуживанию вычислительной техники характеризуется повышенным уровнем психического напряжения. Последнее усиливается при угрозе какой-либо опасности во время работы. Стрессовые ситуации могут быть связаны со сложностями трудовой деятельности, необходимостью поддерживать постоянное внимание, ответственностью за качество выполняемой работы. Признаками запредельного психического переутомления (перенапряжения) являются неправильные, ошибочные действия оператора, уменьшение скорости двигательных реакций, снижение в целом физической активности, наблюдается также головная боль, усталость мышц спины, шеи и рук, резь в глазах, приводящие к ухудшению состояния здоровья, работающего с ПЭВМ, и снижению работоспособности. Одним из важных факторов, которые влияют на работоспособность и состояние здоровья пользователей ПЭВМ является организация рабочего места.
Неправильная организация рабочего места приводит к общей усталости, головным болям, усталости мышц рук, болям в спине и шее. Такие негативные моменты чаще всего возникают из-за несоответствия помещений и организации рабочих мест эргономическим требованиям и санитарно-производственным нормам.
3.2 Производственная санитария и гигиена труда
Профессиональная гигиена труда отрасль науки, изучающая влияние на организм человека трудовых процессов и окружающей среды и разрабатывающая нормативы и мероприятия для обеспечения благоприятных условий труда и предупреждения профессиональных заболеваний.
Одной из важнейших задач промышленной санитарии является дальнейшая разработка мероприятий по профилактике и предупреждению профессиональных заболеваний.
Промышленная (производственная) санитария система технических мероприятий, разрабатываемых на основе гигиены труда и предусматривающая устройство специальных производственных и гигиенических бытовых помещений, установку соответствующего оборудования, обеспечивающих безопасные пределы содержания в воздухе производственных помещений пыли, газов, паров, температуры и влажности воздуха, интенсивности и громкости шума и т. п.
В каждом цеху должна быть аптечка с гигроскопической ватой, бинтом, марлей, раствором йода, нашатырным спиртом, раствором питьевой содой, уксусной кислотой и марганцовокислым калием.
Существует определенный тип помещений с высокой технологией работы, в которых необходимо обеспечивать с помощью специальных, так называемых прецизионных систем кондиционирования воздуха, круглогодично, круглосуточно с большой точностью микроклиматические параметры воздушной среды, такие как: температура, относительная влажность воздуха и его запыленность. К таким помещениям относятся: помещения телекоммуникационных узлов связи и цифровых АТС, в том числе мобильных; телевизионных и радиовещательных станций; компьютерных и серверных с источниками бесперебойного электропитания; хранилищ ACP на магнитных носителях информации (магнитные диски, ленты, магнитооптические носители); «чистые помещения» (операционные и сборочные производства электронной технологии); наземных станций спутниковой связи с электронным сетевым оборудованием; типографий с цветной, высокого типа печатной продукцией и т.д.
Как показывает мировая практика строительства и эксплуатации цифровых АТС с электронным оборудованием, существуют временные режимы работы этого оборудования, обусловливающие его высокие надежностные показатели в зависимости от климатических параметров окружающей воздушной среды [9]: [9]:
при температурах ниже t < 24°С должно быть не менее 70% рабочего времени эксплуатации оборудования (р.вр.э-и.);
при температурах t= 2426°С должно быть не более 15% р.вр.э-и.;
при температурах t= 2630°С должно быть не более 10% р.вр.э-и.;
при температурах t= 3034°С должно быть не более 4% р.вр.э-и.; при температурах t= 3440°С должно быть не более 1% р.вр.э-и.
Эти режимы работы следует принимать во внимание при оценке графиков гарантийного и послегарантийного обслуживания систем кондиционирования воздуха и при возникновении аварийного состояния систем. Для расчета подачи свежего воздуха предлагается использовать в качестве нормы подачи наружного воздуха кратность одного воздухообмена в час в помещениях электронных узлов связи (автоматных залов), кроссового оборудования. Для остальных помещений, где работают люди, следует применять нормы СНиП. Большое значение для обеспечения надежности электронного оборудования имеет не только уровень микроклиматических параметров, но и воздуха постоянство температурного режима воздушной среды. Известно, что при увеличении температуры на каждый 1°С, надежность накопителей на магнитных дисках ЭВМ уменьшается на 2,3%, а на 5°С от 10 до 15% [5]. Температура воздуха подводимого к телефонным стойкам (штативам) или стойкам ЭВМ в случае их непосредственного охлаждения должна быть стабильна в диапазоне 20±2°С [6].
Таким образом, осуществление прецизионными кондиционерами микроклиматических параметров 22±(1°С...2°С) и y=50±(5...10)% обусловливает выполнение практически всех требований по климатике связного телекоммуникационного оборудования, средств вычислительной техники, телевизионного и другого электронного оборудования.
3.3 Требования к освещению производственного помещения
Одним из факторов внешней среды, определяющих благоприятные условия труда, является рациональное освещение рабочей зоны. Недостаточное освещение является одной из причин снижения производительности труда и появления профессиональных заболеваний зрительного аппарата.
Помещения с ПК должны иметь естественное и искусственное освещение.
Типы освещения:
- естественное освещение помещений светом неба, проникающим через световые проемы в наружных ограждающих конструкциях;
- искусственное освещение помещений искусственным светом с помощью электроламп;
- совмещенное освещение, при котором недостаточное естественное освещение дополняется искусственным.
Виды естественного освещения помещений:
- одностороннее световые проемы расположены в одной из наружных стен;
- двустороннее световые проемы расположены в двух противоположных стенах;
- верхнее световые проемы расположены в верхних перекрытиях;
- комбинированное сочетание верхнего и бокового естественного освещения.
Виды искусственного освещения:
- рабочее освещение помещений, зданий, а также участков отрытых пространств, предназначенных для работы, прохода людей и движения транспорта;
- дежурное освещение в нерабочее время;
- аварийное освещение для эвакуации людей из помещений при аварийном отключении рабочего освещения;
- эвакуационное освещение для эвакуации людей из помещений при аварийном отключении рабочего освещения, в проходах, на лестницах, в местах производства работ вне зданий или в помещениях.
Системы искусственного освещения:
- общая освещение, при котором светильники размещаются в верхней зоне помещения равномерно или применительно к расположению оборудования;
- местная система освещение, дополнительное к общему освещению, создаваемое светильниками, концентрирующими световой поток непосредственно на рабочих местах;
- комбинированная освещение, при котором к общему освещению добавляется местное.
Устанавливать компьютер на рабочем месте таким образом, чтобы солнечные лучи не падали на экран. Рекомендуется на окна вешать жалюзи или портьеры из плотной ткани. Для освещенности рабочего места, в качестве источников света при искусственном освещении должны применяться преимущественно люминесцентные лампы типа ЛБ. Допускается установка светильников местного освещения для подсветки документов. Местное освещение не должно создавать бликов на поверхности экрана и увеличивать освещенность экрана.
Требования к освещенности в помещениях, где установлены компьютеры, следующие: при выполнении зрительных работ высокой точности общая освещенность должна составлять 300 лк, а комбинированная 500 лк; аналогичные требования при выполнении работ средней точности 200 и 300 лк соответственно.
3.4 Методы и средства контроля воздушной среды. Защита от шума
По определению, приведённому в ГОСТе, микроклимат производственных помещений это климат внутренней среды этих помещений, который определяется действующими на организм человека сочетаниями температуры, влажности и скорости движения воздуха, а также температурой окружающих поверхностей.
Общее состояние и производительность труда работающих в значительной степени зависит от микроклимата производственного помещения.
Температура воздуха одна из ведущих факторов, определяющих микроклимат производственных помещений и составляет 21-25С.
Влажность воздуха это содержание в нём паров воды. Физиологически оптимальной является относительная влажность в пределах40-60%. Повышенная влажность воздуха в сочетании низкими температурами оказывает значительное охлаждающее действие, а в сочетании с высокими способствует перегреванию организма.
Подвижность воздуха. Человек начинает ощущать движение воздуха при его скорости примерно 0,1 м/с.Под оптимальными микроклиматическими условиями понимают такие сочетания параметров микроклимата, которые при длительном систематическом воздействии на человека обеспечивают сохранение нормального функционального и теплового состояния организма без напряжения механизма терморегуляции. Допустимыми микроклиматическими условиями называют такие сочетания параметров микроклимата, которые при длительном и систематическом воздействии на человека могут вызвать приходящие быстро нормализующиеся изменения функционального и теплового состояния организма и напряжённую работу механизма терморегуляции, не выходящую за пределы физиологических приспособительных возможностей.
Вентиляция. Под вентиляцией понимают систему мероприятий и устройств, предназначенных для обеспечения на постоянных рабочих местах, в рабочей и обслуживаемой зонах помещений метеорологических условий, соответствующих гигиеническим и техническим требованиям. В зависимости от способа перемещения воздуха различают вентиляцию естественную и механическую.
Ультразвуки, занимающие заметное место в гамме производственных шумов, также опасны. Механизмы их действия на живые организмы крайне многообразны и до конца не изучены. Особенно сильно их отрицательному воздействию подвержены клетки нервной системы. Исследования показали, что у людей, работающих в шумной обстановке, в частности, падает производительность труда (на 10%) и увеличивается заболеваемость (на 37%). Рост болезней наблюдается после работы в течение 8-10 лет при воздействии шума с интенсивностью выше 70-80 дБ - норматива для рабочих мест. В большинстве крупных городов этот порог значительно превышен.
Если вы подолгу работаете с компьютером, который шумит, то это станет фактором повышенной утомляемости. С другой стороны приятная музыка, специально подобранное звуковое оформление могут повысить эффективность работы. Если вы работаете в шумном офисе, попробуйте использовать наушники и слушайте записи музыки или звуков природы.
Акустический шум в помещении, где располагается ЭВМ, возникает при работе принтеров, множительной техники, а также при работе вентиляторов систем охлаждения и трансформаторов самих компьютеров. Причем высокочастотные трансформаторы ПК могут генерировать и ультразвуковые колебания. Уровень шума в таких помещениях может достигать 80 дБА [13], что существенно выше нормативных значений. Шум, как известно, негативно воздействует на нервную и сердечнососудистую системы, а также на органы пищеварения.
Показатели шума. Повышенный уровень шума, возникающий при работе ПЭВМ и периферийных устройств, вредно воздействует на нервную систему человека, снижая производительность труда, способствуя возникновению травм.
При длительном воздействии шума на организм человека происходят нежелательные явления: снижается острота слуха, повышается кровяное давление. Кроме того, шум влияет на общее состояние человека - возникает чувство неуверенности, стесненности, плохого самочувствия.
Мероприятия по борьбе с шумом на пути его распространения (звукоизолирующие ограждения, кожухи, экраны). Уровень шума на рабочем месте должен соответствовать требованиям ГОСТ 12.1.003-83 и составлять:
для помещений, где работают программисты и операторы видеотерминалов - не более 50 дБ;
где работают инженерно-технические работники, осуществляющие лабораторный, аналитический и измерительный контроль - не более 60 дБ;
для помещений, где размещаются шумные агрегаты вычислительных машин -75 дБ
Общая классификация средств и методов защиты от шума приведена в ГОСТ12.1.029 80 “ССБТ. Средства и методы защиты от шума. Классификация”.Защита работающих от шума может осуществляться как коллективными средствами и методами, так и индивидуальными средствами. Выбор средств снижения шума в источнике его возникновения зависит от происхождения шума.
Для снижения шума в помещениях, оборудованных вычислительной техникой ,используется метод звукопоглощения, основанный на переходе энергии звуковых колебаний частиц воздуха в теплоту на трение в порах звукопоглощающего материала. Звукопоглощающие устройства бывают простыми, пористо-волокнистыми, с экраном, мембранные, слоистые, резонансные и объемные. Эффективность применения различных звукопоглощающих устройств определяется в результате акустического расчёта.
Акустическая обработка обязательно должна применяться в машинных залах
вычислительных центров.
Немаловажное значение имеет и устранение шума непосредственно в источнике шума.
3.5 Защита от электромагнитных полей и статического электричества
Источниками электромагнитных полей являются, например, индукционная катушка, рабочий конденсатор, отдельные элементы генераторов катушки контуров и связи, конденсаторы, подводящие линии, трансформаторы, антенны и др. Степень воздействия электромагнитных излучений на организм человека зависит от диапазона частот, интенсивности воздействия соответствующего фактора, продолжительности облучения, характера излучения, режима облучения, размеров облучаемой поверхности тела и индивидуальных особенностей организма. Биологическое воздействие электромагнитных полей более высоких частот вызывают в основном с их тепловым и аритмическим эффектом.
В зависимости от диапазона частот в основу гигиенического нормирования электромагнитных излучений положены разные принципы. Критерием безопасности для человека, находящегося в электрическом поле промышленной частоты, принята напряжённость этого поля. Для постоянного магнитного поля предельно-допустимым уровнем на рабочем месте является напряжённость, которая не должна превышать 8 кА/м. Одним из наиболее эффективных и часто применяемых методов защиты от низкочастотных и радио излучений является экранирование. Для экранов используются, главным образом, материалы с большой электрической проводимостью. В качестве средств индивидуальной защиты применяются спецодежда, изготовленная из металлизированной ткани в виде комбинезонов, халатов, передников, курток с капюшонами и вмонтированными в них защитными очками.
3.6 Требования к электробезопасности
Действие электрического тока на организм человека.
Тяжесть поражения электрическим током зависит от целого ряда факторов: значения силы тока, электрического сопротивления тела человека и длительности протекания через него тока, рода и частоты тока, индивидуальных свойств человека и условий окружающей среды. Основным фактором, обусловливающим ту или иную степень поражения человека, является сила тока. На исход поражения сильно влияет сопротивление тела человека, которое изменяется в очень больших пределах. Существенное значение имеет и путь тока через тело человека. Наибольшая опасность возникает при непосредственном прохождении через жизненно важные органы. Степень поражения зависит также от рода и частоты тока. Влияние состояния окружающей среды учитывается классификацией помещений и условий труда по опасности поражения электрическим током.
Классификация помещений по электробезопасности.
В зависимости от условий, повышающих или понижающих поражение человека электрическим током, все помещения делят на: помещения с повышенной опасностью, особо опасные помещения, помещения без повышенной опасности.
Обеспечение электробезопасности.
Электробезопасность обеспечивается соответствующей конструкцией электрооборудования, применением технических способов и средств защиты, организационными и техническими мероприятиями. Конструкция электрооборудования должна соответствовать условиям его эксплуатации, обеспечивать защиту персонала от соприкосновения с токоведущими частями и оборудования от попадания внутрь посторонних предметов и воды. Наиболее распространёнными техническими средствами защиты являются защитное заземление и зануление. Организационные и технические мероприятия по обеспечению электробезопасности заключаются в основном в соответствующем обучении, инструктаже и допуске к работе лиц, прошедших медицинское освидетельствование, выполнении ряда технических мер при проведении работ с электрооборудованием, соблюдении особых требований при работах с находящимися под напряжением частями
3.7. Техника безопасности при работе с электронной техникой
Первое, что нужно помнить при работе с электронной техникой, то что - это электроприборы. Это значит, что есть вероятность поражения электрическим током. Самое высокое напряжение в 220 Вольт на входе блока питания, который преобразует переменное напряжение электрической сети (220 Вольт, 50 Герц) в постоянные (импульсные) напряжения не превыщающие 12 Вольт. Напряжение 36 Вольт по правилам общей техники электробезопасности считается безопасным для жизни человека. То есть при прохождении тока через ткань человека с приложенным напряжением в 36 Вольт не приведет к гибели человека, а просто начнет сокращать мышцы. На самом деле мало приятного, когда попадаешь под напряжение, поэтому следует остерегаться касания открытых контактов молекса (пластмассовая контактная колодка) к телу при включенной сети. Иными словами: «Выключайте компьютер из сети при проведении ремонтных и профилактических работ!»
Второе, немало важное правило вытекает из особенностей строения компьютера. Компьютерные комплектующие в большинстве своем построены на основе ИМС (интегральных микросхем), которые очень «боятся» статического электричества. Статическое электричество это заряд, накопленный на одном из тел. Предположим, что Вы заряжены положительно, а компьютер отключен из сети (имеет заряд 0), тогда при касании за любую ИМС между Вашим телом и ИМС проскочит искра, которая вполне может вызвать выход из строя оборудования. Чтобы этого не происходило следует надеть заземленный браслет, который отведет от Вашего тела заряд. Если такого браслета нет, то можно выравнять заряды на Вашем теле и компьютере, прикоснувшись к металлическому корпусу компьютера, который по умолчанию заземлен. Сформулируем правило два: «Прежде чем касаться микросхем, прикоснитесь к корпусу компьютера!»
Третье, касающееся работе с электронной техникой это аккуратность и неспешность.
3.8 Разработка защитных мероприятий на рабочем месте
К разработке защитных мероприятий на рабочем месте при работе с ЭВМ можно отнести такие действия как:
1) организация рабочего места;
2) нормализация микроклимата помещения;
3) обеспечения защиты от шума;
4) обеспечение защиты от излучений;
5) обеспечение электробезопасности и пожарной безопасности.
Нормализация микроклимата помещения достигается следующими мероприятиями как улучшением вентиляции помещения за счет вытяжных вентиляторов и нормального функционирования встроенной вентиляции здания, в котором находится комната оператора. К нормализации микроклимата можно добавить отопление, в летнее время кондиционирование воздуха в данном помещение.
Защита персонала от шума достигается соответственной отделкой помещения и шума поглощающими приспособлениями, а так же относительным удалением шума издающих узлов от рабочего места. К вышесказанному можно добавить, что в наше время можно приобрести более быстрые и менее шумные узлы (устройства) для ЭВМ.
Для защиты от излучений техник в первую очередь должен руководствоваться правилам по технике безопасности, а также применять всевозможные защитные средства, в частности защитные экраны, при ремонте исправный инструмент и приспособления.
Для обеспечения электробезопасности и пожарной безопасности техник так же должен руководствоваться инструкциям и по технике безопасности. Всё рабочее оборудование должно проходить периодический, надлежащий осмотр. Помещение должно соответствовать правилам пожарной безопасности.
3.9 Требования пожарной безопасности
Пожары наносят громадный материальный ущерб и в ряде случаев сопровождаются гибелью людей. Поэтому защита от пожаров является важнейшей обязанностью каждого члена общества и проводится в общегосударственном масштабе.
Пожарная безопасность имеет своей целью изыскание наиболее эффективных, экономически целесообразных и технически обоснованных способов и средств предупреждения пожаров и их ликвидации с минимальным ущербом при наиболее рациональном использовании сил и технических средств тушения.
Пожарная безопасность это состояние объекта, при котором исключается возможность пожара, а в случае его возникновения используются необходимые меры по устранению негативного влияния опасных факторов пожара на людей, сооружения и материальных ценностей
Пожарная безопасность может быть обеспечена мерами пожарной профилактики и активной пожарной защиты. Пожарная профилактика включает комплекс мероприятий, направленных на предупреждение пожара или уменьшение его последствий. Активная пожарная защита меры, обеспечивающие успешную борьбу с пожарами или взрывоопасной ситуацией.
Мероприятия по пожарной профилактике разделяются на организационные, технические, режимные, строительно-планировочные и эксплуатационные.
Организационные мероприятия: предусматривают правильную эксплуатацию машин и внутризаводского транспорта, правильное содержание зданий, территории, противопожарный инструктаж и тому подобное.
Режимные мероприятия запрещение курения в неустановленных местах, запрещение сварочных и других огневых работ в пожароопасных помещениях и тому подобное.
Эксплуатационные мероприятия своевременная профилактика, осмотры, ремонты и испытание технологического оборудования.
Строительно-планировочные определяются огнестойкостью зданий и сооружений (выбор материалов конструкций: сгораемые, несгораемые, трудносгораемые) и предел огнестойкости это количество времени, в течение которого под воздействием огня не нарушается несущая способность строительных конструкций вплоть до появления первой трещины.
В зависимости от степени огнестойкости наибольшие дополнительные расстояния от выходов для эвакуации при пожарах
Технические мероприятия это соблюдение противопожарных норм при эвакуации систем вентиляции, отопления, освещения, эл. обеспечения и т.д.
использование разнообразных защитных систем;
соблюдение параметров технологических процессов и режимов работы оборудования.
причины возникновения коротких замыканий при выполнении переключений, ревизиях и ремонтах электронной аппаратуры.
обязанности работника при локализации возгораний.
средства тушения пожара.
Заключение
Список используемой литературы