Сертификация систем обеспечения качества на соответствие требованиям стандартам ИСО серии 9000
Содержание
1. Сертификация систем обеспечения качества на соответствие требованиям стандартам ИСО серии 9000 3
2. Требования сертификации по вопросам охраны окружающей среды 10
3. Знак соответствия при обязательной сертификации 17
Практическое задание 21
Список литературы 22
1. Сертификация систем обеспечения качества на соответствие требованиям стандартам ИСО серии 9000
Сертификация систем обеспечения качества на соответствие стандартам ИСО серии 9000 это международный сертификат, разработанный Международной организацией по стандартизации ISO, который подтверждает наличие системы менеджмента качества на предприятии. Наличие сертификата ISO представляет компанию более конкурентоспособной на отечественном и на международном уровне. Сертификат является знаком качества продукции или услуг для потребителя, дополнительной гарантией надежности, профессиональной компетентности1.
Стандарты ISO изначально были задуманы как универсальные, и поэтому они в равной степени применимы в деятельности любых организаций, вне зависимости от отрасли, вида деятельности (производство или обслуживание) или численности (от предприятий малого бизнеса до крупных холдингов). Внедрение стандарта ISO серии 9000 помогает построить эффективную клиенториентированую систему менеджмента, позволяющую удовлетворять и предвосхищать ожидания клиентов, что в свою очередь обеспечивает укрепление позиций на рынке и рост финансовых показателей компании.
Цель ISO и сертификат ISO - это развитие принципов стандартизации, способствующих интеграционным процессам в разных областях бизнеса.
Сертификация систем качества на соответствие стандартам ISO 9000 - это соответствие требованиям, на основании которых потребитель оценивает возможность заключения с организацией партнерских отношений. Сертификат ISO, безусловно, позиционирует компанию как солидную организацию, но в процессе работы оказывается, что наличия лишь системы качества становится недостаточно.
Серия международных стандартов ISO 9000 включает в себя:
1) ISO 9000:2000 Системы менеджмента качества в России действует, как стандарт ГОСТ Р ИСО 9000-2001 и включает в себя: основные положения и словарь - введение в систему международного качества (СМК) и словарь терминов;
2) ISO 9001:2000 Системы менеджмента качества в России действует, как стандарт ГОСТ Р ИСО 9001-2001 и включает в себя: минимально необходимый набор требований к Системам Качества и применяется для достижения целей сертификации и проверок;
3) ISO 9004:2000 Системы менеджмента качества в России действует, как стандарт ГОСТ Р ИСО 9004-2001 и включает в себя: рекомендации по улучшению деятельности. Содержит методические указания по разработке и внедрению Систем Менеджмента Качества, которые ориентированы на высокую эффективность деятельности компаний;
4) ISO 19011:2000 Рекомендации по аудиту систем менеджмента качества и/или охраны окружающей среды в России действует как ИСО/ПМС 19011:2002 содержит рекомендации по проведению проверок Систем Менеджмента Качества и Экологического Менеджмента, управлению программами аудитов;
5) ISO 10012 Обеспечение качества измерительного оборудования2.
Сертификацию ISO проводят аккредитованные организации в соответствии с действующим законодательством, а также в соответствии с требованиями установленных нормативов и регламентирующих актов системы сертификации.
Аккредитованный орган по сертификации выдает сертификат на объект сертификации, тем самым дает разрешение на применение знака соответствия.
Главная цель систем качеств, построенных на основе стандартов ИСО серии 9000 - обеспечение качества продукции, требуемого заказчиком, и предоставление ему доказательств того, что предприятие в силах осуществить данное требование. Собственно весь механизм стандарта ИСО 9000 направлен на достижение этой цели.
Важной особенностью стандартов ИСО серии 9000 является то, что они базируются на восьми принципах всеобщего управления качеством (TQM). Принцип TQM - это всестороннее и фундаментальное правило менеджмента для продвижения и действия организации, нацеленное на долгосрочное, непрерывное повышение эффективности, ориентируемой на потребителей при учете потребностей всех других заинтересованных сторон.
Восемь принципов менеджмента качества способствуют достижению целей в области качества:
1. Ориентация на потребителя - организации зависят от своих потребителей и поэтому должны понимать их текущие и будущие потребности, выполнять их требования и стремиться превзойти их ожидания.
2. Лидерство руководителя - руководители обеспечивают единство цели и направления деятельности организации. Им следует создать и поддерживать внутреннюю среду, в которой работники могут быть полностью вовлечены в решение задач организации.
3. Вовлечение работников - работники всех уровней составляют основу организации, поэтому их полное вовлечение в решение задач дает возможность организации с выгодой использовать их способности.
4. Процессный подход - желаемый результат достигается эффективнее, когда деятельностью и соответствующими ресурсами управляют как процессом.
5. Системный подход к менеджменту - выявление, понимание и менеджмент взаимосвязанных процессов как системы содействуют повышению результативности и эффективности организации при достижении ее целей.
6. Постоянное улучшение - постоянное улучшение деятельности организации в целом рассматривает как ее неизменную цель.
7. Принятие решений, основанное на фактах - эффективные решения должны основываться на анализе данных и информации.
8. Взаимовыгодные отношения с поставщиками - организация и ее поставщики взаимозависимы, поэтому отношения взаимной выгоды повышают способность обеих сторон создавать ценности3.
Конечным итогом работы по созданию системы качества является комплект документации, состоящий из документов трех уровней. Главным документом системы качества является руководство по качеству, включающее содержание политики в области качества, границы применимости, а также описание организационной структуры предприятия с указанием ответственности и полномочий. В руководстве по качеству находят отражение все предусмотренные стандартами ИСО 9000 элементы системы качества. Основными пользователями руководства по качеству являются высший менеджмент и клиенты предприятия. Вторую ступень в иерархии документов системы качества занимают методические инструкции, в которых устанавливается, какие обязанности и кем, в какой последовательности будут выполняться для реализации элементов системы качества. Методические инструкции составляются для всех служб и подразделений предприятия. Подробное же описание выполнения отдельных видов деятельности по производству, сборке, монтажу, контролю и другим процессам содержится в рабочих инструкциях, указаниях по контролю, справочниках, которые составляют третий уровень в иерархии документации и предназначены для использования рядовыми сотрудниками предприятия. Документация системы качества должна соответствовать следующим требованиям: одинаковая структура для всех документов, общие колонтитулы, нумерация.
Согласно стандартам ИСО 9000 в системе качества предприятия свое отражение должны найти 20 элементов. Это минимальный набор элементов системы качества, который предприятию необходимо выполнить для доказательства своей способности производить качественный товар.
Элемент 1. Ответственность руководства. Цель - разработка политики в области качества: построение системы качества, организационная структура предприятия, распределение ответственности и полномочий в системе качества, создание группы по обеспечению качества и назначение уполномоченного по качеству, обеспечение надзора за деятельностью по обеспечению качества со стороны высшего руководства.
Элемент 2. Система качества. Цель - создание на предприятии эффективно действующей системы качества: структура управления качеством, документация в системе управления качеством, распределение ответственности, рабочие группы по качеству.
Элемент 3. Периодический анализ контрактов. Цель - координация анализа контрактов внутри предприятия и с заказчиком: распределение ответственности за контроль контрактов, контроль контракта на выполнимость, согласование условий поставки, контроль графика выполнения поставки.
Элемент 4. Управление проектированием. Цель - обеспечение качества опытно-конструкторских разработок: организация рабочих групп для проектирования продукции, обучение персонала современным методам проектирования и конструирования.
Элемент 5. Управление документацией. Цель - своевременное предоставление необходимой информации в системе качества: документооборот предприятия, порядок внесения изменений в документацию, архивация данных.
Элемент 6. Закупки продукции. Цель - обеспечение качества поставок субпоставщиков: оценка субподрядчиков, проверка закупленной продукции.
Элемент 7. Продукция, поставляемая потребителем. Цель - проверка, хранение, содержание в исправности данного вида продукции: вклад заказчика в производство конечной продукции, предотвращение порчи поставляемой заказчиком продукции.
Элемент 8. Идентификация продукции и прослеживаемость. Цель - обозначение изделия и возможность прослеживаемости изделия в процессе производства: внедрение маркировки и других способов обеспечения идентификации, учет на всех стадиях жизненного цикла продукции.
Элемент 9. Управление процессами. Цель - обеспечение качества на этапах производства, монтажа и технического обслуживания: производственное планирование, товарно-материальный учет.
Элемент 10. Контроль и испытания. Цель - подтверждение выполнения заданных требований к продукции: входной контроль поступающей продукции, контроль и испытания в процессе производства, выходной контроль конечной продукции.
Элемент 11. Контрольное, измерительное и испытательное оборудование. Цель - обеспечение пригодности средств измерений и испытаний: планы калибровки средств измерений, регистрация данных о калибровке средств измерений.
Элемент 12. Статус контроля и испытаний. Цель - условия завершения контроля: акты приемки-браковки, разделение и соответствующая маркировка продукции после прохождения контроля.
Элемент 13. Действия с несоответствующей продукцией. Цель - исключение из дальнейшего использования бракованных единиц: обнаружение и маркировка бракованной продукции, раздельное хранение годной продукции и брака.
Элемент 14. Корректирующие воздействия. Цель - поиск и устранение причин дефектов: работа с рекламациями клиентов, устранение причин появления дефектов, внесение изменений в методики и инструкции.
Элемент 15. Погрузочно-разгрузочные работы, хранение, упаковка и поставка. Цель - действия по предотвращению повреждений и снижению качества в ходе логистических операций: безопасное хранение, упаковка в соответствии с надлежащими требованиями, сохранение целостности продукции в процессе транспортировки.
Элемент 16. Управление регистрацией данных о качестве. Цель - сохранение информации по обеспечению качества для ее анализа и предоставления доказательств качества потребителю: хранение данных по качеству.
Элемент 17. Внутренние проверки качества. Цель - определение эффективности системы качества и путей ее улучшения: план проведения внутренних проверок, отчеты по результатам проверок, корректирующие мероприятия по результатам проверок.
Элемент 18. Подготовка кадров. Цель - овладение всеми работниками предприятия навыками по обеспечению качества работы: описание обязанностей, требования к квалификации, потребность в повышении квалификации, план повышения квалификации.
Элемент 19. Техническое обслуживание. Цель - проведение технического обслуживания при вводе в эксплуатацию: гарантийное и послегарантийное обслуживание, послепродажное обслуживание.
Элемент 20. Статистические методы. Цель - внедрение подходящих статистических методов контроля: определение адекватных статистических методов для проверки процесса4.
Соблюдение на предприятии стандартов ИСО 9000 подтверждается сертификатом, выданным независимой организацией по результатам проведения сертификации системы качества. Такой сертификат признан во всем мире и является достаточной для покупателя гарантией качества продукции. Наличие сертификата на соответствие системы качества предприятия нормам ИСО 9000 становится значительным конкурентным преимуществом, может быть использовано в качестве инструмента маркетинга для создания имиджа предприятия. В некоторых отраслях сертификат ИСО 9000 является необходимым условием для нормального функционирования, получения заказов.
Таким образом, сертификация систем обеспечения качества на соответствие стандартам ИСО серии 9000 это международный сертификат, разработанный Международной организацией по стандартизации ISO, который подтверждает наличие системы качества на предприятии. Главная цель систем качеств, построенных на основе стандартов ИСО серии 9000 - обеспечение качества продукции, требуемого заказчиком, и предоставление ему доказательств того, что предприятие в силах осуществить данное требование. Стандарты ИСО 9000 могут быть применены на любой фирме, функционирующей в любой отрасли и в любой стране мира.
2. Требования сертификации по вопросам охраны окружающей среды
Цель экологической сертификации - стимулирование производителей к внедрению таких технологических процессов и разработке таких товаров, которые в минимальной степени загрязняют природную среду и дают потребителю гарантию безопасности продукции для его жизни, здоровья, имущества и среды обитания5.
Для многих видов продукции экологический сертификат или знак является определяющим фактором их конкурентоспособности.
В России на сегодняшний день экологическая сертификация находится в начале развития. Но уже немало сделано в данном направлении. Так, установлены объекты, относящиеся к этой области. Они делятся на три группы:
- продукция, процессы, работы, услуги, экологические требования к которым содержатся в государственных стандартах, т.е. они подлежат обязательной сертификации в соответствии с российскими законами;
- объекты, которые в силу экологической специфики не могут подвергаться сертификации по правилам Системы ГОСТ Р;
- по существу окружающая среда со всеми ее составляющими, для которых не разработаны нормативные требования и сертификационные процедуры. Отсутствие ясности в оценке состояния третьей группы сдерживает развитие сертификации объектов двух первых. Здесь есть определенные проблемы. Оценку качества окружающей среды в РФ проводят различные ведомственные организации, которые представляют непосредственно специализированные природоохранные органы, контролирующие органы, органы местного самоуправления, природо-пользователей и некоторые подразделения Российской академии наук6.
Данные оценок, представляемые разными сторонами, как правило, практически несопоставимы. Цена ошибок может быть слишком высокой, что говорит в пользу сертификации как объективного и независимого способа оценки соответствия. Выделяются четыре вида объектов:
- объекты окружающей природной среды;
- источники загрязнения окружающей среды;
- продукция природоохранного назначения;
- экологические информационные ресурсы, продукты и технологии7.
Актуальная сфера экологической сертификации - отходы. Сертификация в этой области направлена на устранение опасного влияния отходов на среду обитания и максимального их использования в качестве вторичного сырья.
Большое внимание уделяется оценке экологичности новых видов продукции и процессов, для которых, прежде всего, необходимо установить соответствующие требования в нормативных документах.
Разработан проект государственного стандарта «Системы управления качеством окружающей среды», в значительной степени гармонизованный с международными стандартами ИСО серии 14000.
В западноевропейских странах экосертификация достаточно широко развита. Она дополняет обычную сертификацию и почти всегда носит обязательный характер.
Во Франции, например, экосертификация сельскохозяйственной продукции учреждена в законодательном порядке в 1960 г., на основании ее введены экознаки как по видам продукции, так и у отдельных изготовителей или союзов производителей. Эти знаки получили название «красные метки» и были опубликованы в печати для информирования потребителей. Все экознаки дополняют национальный знак соответствия NF.
Принципы экосертификации состоят в обеспечении безопасности продукции для потребителя и окружающей среды, соответствия европейской экосертификации и учете экологической ситуации на рынках. Основные правила экосертификации Франции включают положения для потребителей проводить (по возможности) контроль экологически чистых продуктов; в состав органа, выдающего экосертификат, обязательно должны входить потребители и представители общественных организаций по защите окружающей среды; экосертификация должна охватывать весь жизненный цикл сертифицируемой продукции и создавать экономическую заинтересованность производителя в получении экосертификата и др.
Накопленный опыт позволил ввести единую национальную систему экосертификации, девиз которой - потребители не должны знать все о вреде продукции, но они имеют право на абсолютную уверенность, что продукция со знаком NF наиболее безопасна во всех отношениях.
В Германии работы по экосертификации начались с 1974 г. Через несколько лет был учрежден экознак - прообраз теперешнего, известного не только в стране, «Голубого ангела».

Рис. 1. Экознак «Голубой ангел»
Развитие экосертификации с присвоением знака «Голубой ангел» во многом связано с программой ООН по защите окружающей среды. Продукция, маркированная этим знаком, соответствует установленной группе критериев, гарантирующих ее экологическую безопасность. Например, автомобиль, имеющий экознак, оборудован надежной системой очистки выхлопных газов.
Заслуживает внимания процедура германской экосертификации. На начальном этапе публично представляется продукция, претендующая на экознак. Федеральное бюро по окружающей среде создает компетентную комиссию, которая анализирует отзывы, дает заказ Немецкому институту гарантии качества и сертификации на рассмотрение заявки на экосертификацию. Технические условия сертификации разрабатывает Федеральное бюро по окружающей среде как центральный орган Системы. В рассмотрении заявки участвуют Немецкий институт гарантии качества и сертификации, Федеральное бюро по охране окружающей среды, Конференция немецкой промышленности, Ассоциация потребителей, Ассоциация торговли, эксперты. По результатам рассмотрения заявки вырабатываются рекомендации для жюри. Жюри учитывает результаты всех этапов, доказательства соответствия изготовителя, отзывы организаций, назначенных для участия в процедуре8.
Ранее используемые только в Германии экознаки «Голубой ангел» и «Зеленая точка» стали общеевропейскими.

Рис. 2. Экознак «Зеленая точка»
Широко распространенный экознак «Зеленая точка» применяется в системе мероприятий по предотвращению загрязнения окружающей среды отходами. Такой знак на упаковке указывает на возможность ее переработки, поэтому цивилизованные потребители выбрасывают упаковку, маркированную «Зеленой точкой», в специальные контейнеры.
Получив сертификат и право на использование экознака, предприятие-изготовитель может заключить контракт с Немецким институтом гарантии качества на рекламирование своего предприятия.
Сертификация на знак «Голубой ангел» не охватывает продукцию сельского хозяйства, фармацевтическую, бытового назначения, поэтому не исключено дальнейшее развитие и совершенствование экосертификации.
Особую позицию в Европе по вопросам защиты окружающей среды занимает Дания. Один из факторов, объясняющих это, состоит в том, что ее границы непосредственно прилегают к «основным загрязнителям» природы - странам Восточной Европы, Великобритании, Швейцарии. В стране действует закон, регулирующий использование и производство химических продуктов и их компонентов. В нем содержатся и принципы экосертификации. Парламент Дании учитывает все действия ЕС в области экологии в отличие от других стран, например Германии, где общественность считает экосертификацию сугубо национальным делом каждой страны. Правительство Дании способствует применению экознаков, но полагает, что оно должно носить добровольный характер, хотя сами знаки охраняются законом.
Датские потребители считают наличие экознака важным аргументом при покупке товара, но поскольку применение знаков не носит обязательного характера, есть немало случаев введения изготовителями, союзами торговцев и даже отдельными супермаркетами своих экознаков, что приводит к конкуренции экознаков на рынке Дании. И это также стимулирует поддержку Данией экосертификации в рамках ЕС и введение единого экознака.
Принципы экосертификации ЕС базируются на превентивных мерах: ущерб для окружающей среды надо предотвращать в первую очередь путем ликвидации источников загрязнения. Финансовая ответственность лиц, по вине которых нарушается экологическое равновесие - это фактор второй очереди. Эффективность сертификации напрямую зависит от критериев безвредности продукции, услуги, процесса или другого объекта экосертификации для окружающей среды. Критерии экосертификации должны превосходить по своей сущности (всесторонности, охвату) параметры экологичности, содержащиеся в стандартах. Определить такие критерии возможно на основе широких маркетинговых исследований, которые позволят установить критерии для каждой конкретной группы товаров в зависимости от степени их воздействия на окружающую среду. На каждом этапе жизненного цикла продукции для этого необходимы изучение уровня использования природных ресурсов, загрязнения атмосферы, гидросферы и почвы, ущерба для лесов, полей, воды, а также исследование эстетических, осязательных и обонятельных параметров.
ЕС подчеркивает добровольность европейской экосертификации и ее открытый характер для всех стран, что также не исключает и развития национальной экосертификации.
Официальный бюллетень Комиссии ЕС периодически публикует экологические критерии, которые соотносятся с каждой фазой жизненного цикла объекта сертификации - от проектирования до утилизации отходов. Информация о критериях сопровождается данными о сроках годности продукта и продолжительности периода применимости критерия.
Разработка системы экосертификации в ЕС базируется на немецкой системе экосертификации на знак «Голубой ангел». Таким образом, как уже отмечалось выше, не на все виды товаров распространяются правила экосертификации.
Установление видов товаров, которые подлежат экосертификации и маркировке экознаком ЕС, критериев их оценки возложено на уполномоченные государственные органы стран - членов ЕС с участием представителей промышленности, потребительских обществ, независимых ученых, экологических организаций, которые объединяются на региональном уровне в специальный консультативный форум. Практическая работа по присвоению европейского экологического знака проводится на национальном уровне, на котором осуществляются экологические испытания на соответствие утвержденным критериям и выносится заключение о присвоении экознака.
Поскольку экологические требования к товарам весьма актуальны, а знак прямо влияет на уровень продаж, на современных рынках появилась недобросовестная конкуренция экознаков, обусловленная незаконным применением эко-маркировки изготовителем либо изобретением новых и не известных покупателям знаков. Это вредит как потребителям, так и самой идее экосертификации.
Таким образом, цель экологической сертификации - стимулирование производителей к внедрению таких технологических процессов и разработке таких товаров, которые в минимальной степени загрязняют природную среду и дают потребителю гарантию безопасности продукции для его жизни, здоровья, имущества и среды обитания. Экознаки условно можно разделить на две группы: экоэнаки, информирующие о безопасности продукции для здоровья человека и окружающей среды. Сюда можно отнести знак «Голубой ангел» и др.; знаки и надписи, информирующие о возможности переработки отходов (часто это касается упаковки). Иногда знаки этой группы сообщают о том, что изделие получено из вторичного сырья (например, пластмассовые предметы). Экосертификация привлекает внимание международных организаций. Вопросами экологической маркировки и этикетирования занимается Международная организация по стандартизации.
3. Знак соответствия при обязательной сертификации
Знак соответствия является формой доведения до потребителя и других заинтересованных сторон информации о проведении сертификации продукции и ее соответствии всем требованиям межгосударственных или государственных стандартов и других нормативных документов.
Применением знака является маркирование им продукции, тары, упаковки, технической и сопроводительной документации, а также использование знака заявителем в целях рекламы, проспектах, при демонстрации экспонатов на выставках и ярмарках в связи со ссылкой на право маркирования сертифицированной продукции данным знаком9.
Знак соответствия представляет собой графическое изображение знака соответствия при обязательной сертификации в соответствии с ГОСТ Р 50460.
При обязательной сертификации используется знак соответствия РСТ с кодом «МЛ04». Этот знак соответствия или знак сертификации используется для маркировки продукции, прошедшей подтверждение соответствия в органе по сертификации. Орган по сертификации при проведении инспекционного контроля за сертифицированной продукцией проверяет не только техническое соответствие, но и соответствие маркировки продукции знаком соответствия или знаком сертификации, знаком РСТ.
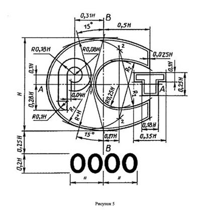
Размеры знака соответствия определяет предприятие (организация, учреждение), получившее право на его применение, установлением базового размера Н (рис. 3). Базовый размер Н должен быть не менее 4 мм.

Рис. 3. Размеры знака РСТ
Размеры знака соответствия должны гарантировать четкость и различимость его элементов невооруженным глазом.
Код органа по сертификации, выдавшего сертификат соответствия, наносят на расстоянии 0,25 Н под графическим изображением знака соответствия по рис. 3, симметрично относительно вертикальной оси В знака шрифтом, приведенным на рис. 4, высотой 0,2 Н.
При применении знака соответствия для продукции, соответствие которой подтверждено декларацией о соответствии, код органа по сертификации, зарегистрировавшего декларацию о соответствии, под графическим изображением знака соответствия не наносится.

Рис. 4. Шрифты, используемые для знака РСТ
Изображение знака соответствия должно быть четко отличимым от поверхности изделия.
Знак соответствия выполняют различными технологическими способами, обеспечивающими его четкое и ясное изображение в течение всего срока службы изделия.
Знак соответствия, защищенный от подделок, представляет собой предназначенную для наклейки на поверхность маркирования тонкую многослойную основу, внутри которой находится ограниченный окружностью диаметром 12 мм рельеф, создающий изображение, наблюдаемое визуально.
В центре окружности в зависимости от угла зрения должно просматриваться графическое изображение знака соответствия, выполненное без кода органа по сертификации, и меняющий свою форму характерный узор из тонких линий.
В верхней части круга, содержащего знак соответствия, защищенный от подделок, имеется трехразрядное буквенное обозначение серии, а в нижней - шестизначный порядковый номер данного экземпляра знака соответствия.
При попытке термического или механического воздействия на основу знака соответствия, защищенного от подделок, она должна разрушаться.
Маркирование продукции может осуществляться следующими технологическими приемами: нанесение на готовое изделие, упаковку (тару) и оформляемую сопроводительную техническую документацию плоского или рельефного изображения знака соответствия в ходе технологического процесса изготовления; прикрепление на продукцию, упаковку (тару) или сопроводительную техническую документацию специально изготовленных носителей знака соответствия (ярлыков, наклеек, этикеток и т.п.), обеспечивающих его четкое и ясное изображение в течение всего срока службы изделия.
Знак наносят полностью согласно его изображению. Не допускается наносить отдельные элементы его изображения. При невозможности нанесения изображения знака соответствия непосредственно на продукцию, его наносят на упаковку (тару). Место нанесения знака на продукцию, упаковку (тару) и документацию устанавливает изготовитель, получивший разрешение на его применение. Носитель знака закрепляется на продукции или упаковке (таре) способом, исключающим возможность оспаривания принадлежности этого носителя к маркированной им продукции.
Таким образом, знак соответствия является формой доведения до потребителя и других заинтересованных сторон информации о проведении сертификации продукции и ее соответствии всем требованиям межгосударственных или государственных стандартов и других нормативных документов.
Практическое задание
Бар «пивной трюм» на 50 мест класса «люкс» проходит сертификацию системы качества; какая форма подтверждения соответствия применяется в данном случае:
а) обязательная сертификация;
Все предприятия общепита: кафе, рестораны, бары, столовые и т.д. обязаны соблюдать установленные в государственных стандартах, санитарных, противопожарных правилах, технологических нормативах обязательные требования к качеству услуг, их безопасности для жизни, здоровья людей, окружающей среды и имущества. Правовым регулированием деятельности предприятий общепита является сертификация услуг общественного питания.
Обязательная сертификация услуг общественного питания осуществляется на соответствие требованиям безопасности для жизни и здоровья граждан, охраны окружающей среды, установленным в законодательных актах, государственных стандартах России, санитарных нормах и правилах, строительных нормах и правилах, правилах производства и реализации продукции и услуг общественного питания и других документах, которые в соответствии с законодательством Российской Федерации устанавливают обязательные требования к услугам.
б) добровольная сертификация;
в) заявление-декларация.
Список литературы
- Алексеев, В.В. Метрология, стандартизация и сертификация [Текст] / В.В. Алексеев. - М.: Академия, 2008. - 379 с.
- Аристов, О.В. Управление качеством [Текст] / О.В. Аристов. - М.: ИНФРА-М, 2010. - 239 с.
- Гетманов, В.Г. Метрология, стандартизация, сертификация для систем пищевой промышленности [Текст] / В.Г. Гетманов. - М.: ВЛАДОС, 2010. - 180 с.
- Гугелев, А.В. Стандартизация, метрология и сертификация [Текст] / А.В. Гугелев. - М.: Дашков и К, 2008. - 271 с.
- Иванов, И.П. Сертификация ИСО 9000 в России. Проблемы развития [Текст] / И.П. Иванов. - СПб.: Питер, 2011. - 188 с.
- Кошевая, И.П. Метрология, стандартизация, сертификация [Текст] / И.П. Кошевая. - М.: ИНФРА-М, 2008. - 414 с.
- Куракова, Л.П. Метрология. Стандартизация. Сертификация [Текст] / Л.П. Куракова. - М.: Изд-во стандартов, 2011. - 104 с.
- Лифиц, И.М. Стандартизация, метрология и сертификация [Текст] / И.М. Лифиц. - М.: Юрайт, 2010. - 318 с.
- Нечаев, А.П. Технологии пищевых производств [Текст] / А.П. Нечаев. - М.: Колос, 2008. - 767 с.
- Никифоров, А.Д. Метрология, стандартизация и сертификация [Текст] / А.Д. Никифоров. - М.: Проспект, 2009. - 422 с.
- Полежаев, В.Д. Сертификация в РФ [Текст] / В.Д. Полежаев. - М.: Академия, 2011. - 486 с.
- Радченко, Л.А. Метрология, стандартизация и сертификация в общественном питании [Текст] / Л.А. Радченко. - М.: Дашков и К, 2009. - 319 с.
- Сергеев, А.Г. Сертификация [Текст] / А.Г. Сергеев. - М.: Логос, 2008. - 349 с.
- Яблонский, О.П. Основы стандартизации, метрологии, сертификации: [Текст] / О.П. Яблонский. - Ростов на Дону: Феникс, 2009. - 448 с.
- Яброва, О.А. Правила функционирования сертификации в Российской Федерации [Текст] / О.А. Яброва. - Красноярск: КГТЭИ, 2007. - 130 с.
1 Сергеев, А.Г. Сертификация [Текст] / А.Г. Сергеев. - М.: Логос, 2008. - с. 47
2 Иванов, И.П. Сертификация ИСО 9000 в России. Проблемы развития [Текст] / И.П. Иванов. - СПб.: Питер, 2011. - с. 48
3 Иванов, И.П. Сертификация ИСО 9000 в России. Проблемы развития [Текст] / И.П. Иванов. - СПб.: Питер, 2011. - с. 87
4 Иванов, И.П. Сертификация ИСО 9000 в России. Проблемы развития [Текст] / И.П. Иванов. - СПб.: Питер, 2011. - с. 96
5 Яблонский, О.П. Основы стандартизации, метрологии, сертификации: [Текст] / О.П. Яблонский. - Ростов на Дону: Феникс, 2009. - с. 76
6 Яблонский, О.П. Основы стандартизации, метрологии, сертификации: [Текст] / О.П. Яблонский. - Ростов на Дону: Феникс, 2009. - с. 113
7 Полежаев, В.Д. Сертификация в РФ [Текст] / В.Д. Полежаев. - М.: Академия, 2011. - с. 121
8 Лифиц, И.М. Стандартизация, метрология и сертификация [Текст] / И.М. Лифиц. - М.: Юрайт, 2010. - с. 161
9 Сергеев, А.Г. Сертификация [Текст] / А.Г. Сергеев. - М.: Логос, 2008. - с. 211
Сертификация систем обеспечения качества на соответствие требованиям стандартам ИСО серии 9000