Розробка прогресивного технологічного процесу механічної обробки деталі „Втулка напрямна”
ДИПЛОМНА РОБОТА
Розробка прогресивного технологічного процесу механічної обробки деталі „Втулка напрямна”
Зміст дипломного проекту
Розрахунково-пояснювальна записка
Вступ………………………………………………………………………………
1.Загальна частина………………………………………………………………..
1.1 Призначення і технічна характеристика верстата………………………..
1.2 Основні характеристики керуючої системи……………………………....
1.3 Визначення типу виробництва………………………………………….....
2. Технологічна частина……………………………………………………….....
2.1 Аналіз конструкції та технологічності деталі………………………….....
2.2 Обґрунтування методу отримання заготовки………………………….....
2.3 Проектування заготовки…………………………………………………....
2.3.1 Попередня розробка маршрутного технологічного процесу………......
2.3.2 Визначення міжопераційних припусків та допусків…………………...
2.3.3 Визначення маси заготовки……………………………………………...
2.4 Остаточна розробка маршрутного техпроцесу…………………………...
2.4.1 Вибір обладнання………………………………………………………....
2.4.2 Вибір та обґрунтування різального та вимірювального
............інструментів та оснастки…………………………………………………
2.5 Проектування технологічного процесу…………………………………....
2.5.1 Опис операцій. Вибір базових поверхонь…………………………….....
2.5.2 Визначення режимів обробки………………………………………….....
2.5.3 Нормування операцій ………………………………
2.5.4 Заповнення операційних карт механічної обробки…………………......
2.5.5 Розробка керуючої програми обробки деталі та побудова
............траєкторії руху інструментів…………………………………………......
3. Конструкторська частина……………………………………………………....
3.1 Проектування технологічної оснастки………………………………….....
3.2 Розрахунок зусилля закріплення деталі при обробці та вибір
.........розмірів механізму закріплення……………………………………………
4. Експлуатаційно-налагоджувальна частина…………………………………...
4.1 Основні вузли верстата та їх конструктивні особливості…………….......
4.2 Монтаж верстата………………………………………………………….....
4.3 Система змащення верстата…………………………………………….......
4.4 Налагодження верстата…………………………………………………......
4.5 Налагодження пристрою ЧПК верстата……………………………….......
4.6 Устрій та налагодження електрообладнання та автоматики верстата......
4.7 Порядок введення керуючої програми………………………………….....
4.8 Порядок уведення корекції………………………………………………....
4.9 Технічне обслуговування верстата…………………………………….......
4.9.1 Основні види робіт з технічного обслуговування верстата…………....
4.9.2 Регулювання механізмів верстата……………………………………......
5. Організаційна частина…………………………………………………
...5.1 Організація технічного обслуговування металообробного
обладнання.........................................................................................................
5.2 Робота комплексних бригад по технічному обслуговуванню
.....металорізального обладнання.....................................................................
5.3 Організація охорони праці та протипожежного захисту. Охорона
навколишнього середовища…………………………………………….........
6. Економічна частина………………………………………………………….......
6.1 Визначення річного енергоспоживання та його вартість…………….........
6.2 Визначення річних витрат та вартості основних матеріалів………….......
6.3 Визначення річного фонду заробітної плати………………………….........
6.4 Калькуляція цехової собівартості деталі………………………………........
Висновок……………………………………………………………………….........
Перелік посилань……………………………………………………………….......
Вступ
Машинобудування є матеріальною базою технічного оснащення всіх галузей господарства.
Широке застосування у виробництві прогресивної технології, комплексної механізації та автоматизації трудових процесів дозволило збільшити продуктивність праці та організацію її на науковій основі.
В теперішній час більше уваги приділяється сучасному обладнанню, оснащеному електронікою, серед яких велике призначення мають верстати токарної групи, верстати з ЧПК. Досконале використання такого обладнання дозволяє забезпечити автоматизацію виробничих процесів у серійному виробництві, а при обробці складних деталей у одиничному. Застосування верстатів з ЧПК збільшує продуктивність праці в порівнянні з верстатами з ручним керуванням у 4 рази. При цьому знижується потрібність у чисельності верстатників універсалів, тому що один оператор має можливість обслуговувати до чотирьох верстатів з ЧПК. Повне використання цих верстатів можливе лише в умовах володіння робітниками певних знань. Практика розвитку машинобудування створила практичні путі професіональної підготовки спеціалістів як нових, так і традиційних професій.
Особлива увага приділяється на прискорений розвиток автоматичного обладнання з ЧПК, ріжучого інструменту із застосуванням природних та синтетичних алмазів та інших надзвичайно міцних металів. Перспективи науково технічного прогресу впливають на характер та зміст труда робітника, збільшують вимоги до росту його культурно технічного рівня.
1. Загальна частина
1.1. Призначення і технічна характеристика верстата
Токарний верстат 16К20ФЗС32 призначений для токарної обробки в замкненому напівавтоматичному циклі деталей типу тіл обертання зі ступінчастим і криволінійним профілями (валів, осей, ступиць, фланців, станин, кришок, шківів, зубчастих коліс тощо). На цих верстатах виконують зовнішнє точіння, розточування, свердління, зенкерування, цекування, розвертування, нарізання різьб мітчиками, плашками, різцями.
Верстат 16К20ФЗС32 оснащений пристроєм ЧПК 2Р22, який забезпечує введення програми з клавіатури, магнітної касети або за допомогою зовнішнього фотозчитуючого пристрою (ФЗП) - з перфострічки. Програма відображається на буквено-цифровому екрані блоку відтворення символьної інформації (БВСІ). На рис. 1.1 показано загальний вигляд, органи керування верстата 16К20ФЗС32.
Наведемо як розшифровується індексація верстата 16К20ФЗС32 з 2Р22:
1 - верстат токарної групи;
6 - верстат токарно-гвинторізний;
К - чергова модифікація;
20 - висота центрів над статиною 200 см;
ФЗ - контурна система програмного керування;
С32 - заводська індексація;
2Р - модифікація системи ПК;
22 - дві координатні осі, можливе одночасне переміщення робочого органу по обох осях.
Верстат обладнано трикулачковим патроном з електромеханічним приводом затискання деталі.
Кінематична схема верстата 16К20ФЗС32 подана на рис. 1.2, а технічну характеристику наводимо нижче:
Найбільший діаметр встановлюваного виробу над станиною, мм………………………500
Найбільший діаметр оброблюваного виробу (над супортом), мм……………………….220
Висота різця, встановлюваного в різцетримачі, мм………………………………...25
Кількість керованих координат……………………………………………………….2
Найбільша довжина встановлюваного виробу, мм……………………………….1000
Найбільша довжина обробки, мм…………………………………………………..905
Кількість ступенів частоти обертання шпинделя,…………………………………..22
Межі частоти обертання об/хв (хв-1),………………………………………...22,4-2240
Діапазон подач, мм/об
Поздовжніх……………………………………………………………………..0,01-2,8
Поперечних…………………………………………………………………...0,005-1,4
Максимальна швидкість робочої подачі, мм/хв (мм/об)
поздовжньої…………………………………………………………………..2000(2,8)
поперечної…………………………………………………………………….1000(1,4)
Швидкість швидких ходів, не менше, мм/хв
Поздовжніх………………………………………………………………………...7500
Поперечних………………………………………………………………………...5000
Межі кроків нарізуваних різьб, мм…………………………………………0,01 -40,95
Число позицій поворотного різцетримача………………………………………...6,12
Потужність електродвигуна, кВт…………………………………………………….11
Габаритні розміри верстата, мм…………………………………..3960x1700x1700
Маса верстата (без ПЧПК), кг……………………………………………………3800

Рисунок 1.1 - Загальний вигляд і органи керування токарного верстата 16К20ФЗС32 з оперативною системою керування (ОСК) 2Р22:
1 - пульт; 2 - рукоятка діапазонів частот обертання шпинделя; 3 - маховички (штурвали) ручної подачі каретки; 4 - клавішний пульт програмування робочих циклів і технологічних команд; 5 - БВСІ; 6 - мнемонічна рукоятка
ручного керування з кнопкою швидкого руху; 7 - електричний пульт; 8 - рукоятка затиску пінолі задньої бабки; 9 - вихід "під ключ" валика привода ручного переміщення каретки; 10 - педаль затискання кулачків патрона; 11 - лінійка розміщення упорів поздовжнього руху каретки; 12 - педаль відтискання кулачків патрона.
Кінематична схема версата показана на рисунку 1.2.

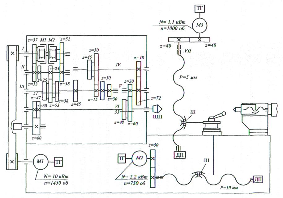
Рисунок 1.2 - Кінематична схема токарного верстата 16К20ФЗС32: ТГ - тахогенератори; ДТ - датчики положення; Ш - шарикова гвинтова пара; МІ, М2, МЗ - електродвигуни.
Основою токарного верстата з ППК ОСК є монолітний відливок прямокутної форми. На основу встановлені станина, електродвигун головного руху, змащувальна станція, насос подачі змащувально-охолоджувальної рідини (ЗОР). Всередині основи розміщений резервуар для ЗОР.
Станину виконано із загартованими шліфувальними напрямними. На них розміщують шпиндельну бабку, каретку поздовжньої подачі, задню бабку. Привід головного руху - це частотно-регульований електродвигун постійного струму з безступінчастим регулюванням частоти руху. У шпиндельній бабці розміщена тришвидкісна коробка швидкостей. Діапазони частот обертання шпинделя: 1-22,4…355; 2-63...900; З-160...2240 об/хв(хв-1). Положення рукояток перемикання діапазонів показані на рис. 1.3.
Подача супорта здійснюється від асинхронного електродвигуна з частотним безступінчастим регулюванням.
На каретці розміщена дванадцятипозиційна поворотна (револьверна) інструментальна головка з горизонтальною віссю обертання.

Рисунок 1.3 - Діапазони частот обертання шпинделя верстата 16К20ФЗС32.
У головці закріпляються різці або стержневі інструменти через відповідні перехідні блоки.
Висока точність верстата забезпечується конструкцією гвинтової пари ("гвинт-гайка") механізмів поздовжньої та поперечної подачі (каретки та поперечного супорта). У корпусі гайки (у перерізі - напівкруглої форми) точні сталеві загартовані кульки з'єднані з напівкруглим профілем ходового гвинта. Гайка складається з двох половинок (А та В). Люфт (зазор), що угворюється внаслідок спрацювання спіральних канавок гайки та ходового гвинта, компенсується зміщенням пружини напівгайки А у корпусі. Така конструкція гвинтових пар є однією з важливих переваг верстатів з ЧПК.
1.2. Основні характеристики керуючої системи
Для передавання керуючої програми (КП) на виконуючі органи верстата 16К20ФЗС32 використовують пристрій ОСК 2Р22 з такими функціями: введення КП з клавіатури пульта керування або з програмоносія, її опрацювання та редагування безпосередньо на верстаті - розробка керуючої програми за зразком (коли обробка першої деталі здійснюється в ручному режимі, а наступних - в автоматичному); введення постійних циклів у діалоговому режимі; використання складних циклів багатопрохідної обробки; виведення КП на програмоносій тощо.
Пристрій побудований на базі мікропроцесора, має постійну пам'ять для зберігання системних програм і оперативну пам'ять для зберігання програм обробки деталей.
Технічна характеристика пристрою ОСК 2Р22:
Конструктивне виконання…………………………...Вбудований (у вигляді окремих
автономних блоків)
Базова ЕОМ…………………………………………..Мікро-ЕОМ "Електроніка 60М"
Кількість керованих координат……………………...2
Найбільша кількість одночасно
керованих програм ………………………………….2
Вид інтерполяції……………………………………...Лінійно-колова
Спосіб задання розмірів
у програмі…………………………………………….В абсолютній та відносній
системах
Максимальне програмоване
переміщення, зміщення нульової
та вихідної точок верстата, мм……………………….9999,99
Режим роботи……………………………………….Автоматичний, ручне введення
даних, пошук кадру, редагу вання, режим діалогу при фор муванні КП за циклами, вихід у вихідну точку програми тощо
Тип пристрою для введення даних………………….Клавіатура пульта керування
(ПК), касетний накопичувач на магнітній стрічці (КНМС)
Тип пристрою для зберігання……………………...Постійний програмований запа-
програми керування ПЧПК, м'ятовуючий пристрій (ППЗП)
програми електроавтоматики
верстата і програми прив'язки
системи до верстата
Час зберігання інформації
в ОЗП (годин)…………………………………………96
Корекція:
частоти обертання шпинделя………………………….14-40% з кроком 10%
робочих подач………………………………………….0-12% з кроком 1%
Індикація даних………………………………………..На БВСІ
Типи керованих приводів:
головного руху…………………………………………Регульований
подач……………………………………………………Слідкувальний
Граничні значення швидкостей
Р0, мм/хв:
робочих подач………………………………………….до 5000 (при нарізанні
різьби до 10000)
переміщень…………………………………………….до 15000
Максимальний крок нарізуваної
різьби, мм……………………………………………..40
Характеристика джерела живлення:
різновид струму……………………………………….Змінний, трифазний
напруга, В……………………………………………...380
частота, Гц……………………………………………..50
Програма складається з послідовно записаних кадрів, тобто складових частин КП, що вводяться й опрацьовуються як єдине ціле і містять не менше однієї команди.
Кожен кадр починається з порядкового його номера 14, складається зі змінної кількості слів (складових частин кадру), що містять дані про параметри процесу обробки і закінчується символом "Кінець кадру". Кожне слово - це символ, тобто адреса і наступна за ним група цифр. Адреса характеризує значення цифр у кадрі. В одному кадрі не можна програмувати два слова за однією адресою.
Задання режимів роботи пристрою ОСК 2Р22, ручне введення даних, редагування програм, ведення діалогу з пристроєм виконують за допомогою пульта керування (рис. 1.4). Він є виносним блоком, встановленим на каретці верстата або на окремому стояку.

Рисунок 1.4 Схема клавіатури пульта керування токарного верстата 16К20ФЗС32 з ОСК 2Р22.
Клавіші, дія яких продовжується після їх відпуску, забезпечені світловою сигналізацією. Клавіші вибору основних режимів 3-7 мають залежне включення, тобто одночасно діє лише одна з них. Дія решти клавіш, що забезпечені світловою сигналізацією, відміняється повторним натисканням.
Частота обертання шпинделя задається за адресою S, після якої записують діапазон (1-3), знак напрямку обертання шпинделя та частоту обертання.
Знак "мінус" означає обертання шпинделя за годинниковою стрілкою. Запис S3-1500 означає, що шпиндель обертається з частотою 1500 об/хв за годинниковою стрілкою, а запис S2150 - шпиндель обертається з частотою 150 об/хв проти годинникової стрілки.
Величину подачі робочого органа задають за адресою F. Наприклад, запис F0,25 свідчить, що подача становить 0,25 мм/об, запис F1 -подача 1 мм/об.
Поворот різцетримача багаторізцевої автоматичної головки для установки інструмента в робочу позицію задають за адресою Т, після якої записують номер позиції. Наприклад, запис Т6 означає, що на робочу позицію необхідно встановити інструмент, що знаходиться у гнізді поворотного різцетримача, під номером 6.
Структура слова визначається форматом, у якому вказують розміщення адреси, знак і число геометричної чи технологічної інформації у складі слова, кількість записуваних цифр до і після коми тощо. Для пристрою ОСК 2Р22 формати слів такі: N03; Z+043; V+043; W+043; F023; Т2; М2; S1-4; D043; С+043; Q+043; R+043; В3; Н3; L2; Р11; А11; Е; С2*.
Після адрес N, Т, М, S, В, Н, L, G у форматі записують одну цифру, що показує кількість цифр у слові. Якщо нулі, що стоять перед першою значущою цифрою можна пропустити, то після адреси записують дві цифри, перша з яких нуль. Після адрес слів, що містять розмірні переміщення А, Р, X, V, R, Z, W, D, С, Q, F записують дві цифри, перша з яких означає кількість розрядів перед, а друга - після десяткової коми, або три цифри, перша з яких нуль, що дає змогу опустити нулі перед першою значущою цифрою. Якщо абсолютні розміри завжди додатні, то між адресою і наступним за нею числом не ставлять ніякого знака; якщо вони можуть бути додатними або від'ємними, то між адресою і наступним за нею числом ставлять знак "+". Наприклад, N03 - тризначний номер кадру Незначущі нулі перед номером можна не набирати: N125, N012 (або N12), N003 (або N3). Геометричну інформацію, тобто значення координат кінцевих опорних точок ділянок траєкторій по осях X і Z, або приростів U, W по осях Х(V) чи Z (W), записують таким чином: X043; Z-0,43; V0,643; W0,43. Незначущі нулі на початку і в кінці геометричної інформації, а також знак "+" можна опускати. Наприклад, переміщення, по осі Z в точку з координатою +36,18 мм записують так: Z36,18; переміщення по осі Z на 364,583 мм до передньої бабки W - 364,583; переміщення по осі Х на 0,16 мм до осі центрів - U-0,16.
Час витримки задають за адресою D з точністю до 0,001 с. Наприклад, час витримки 2 с записують D2.
Допоміжні технологічні команди задають за адресою (функцією) М. "Підготовча (технологічна) функція", яка визначає режим роботи пристроїв задається адресою G і двозначним числом (00-99).
Подачу робочого органу (супорта) задають за адресою (функцією) F Умовою кінця КП є наявність в останньому кадрі команди М02.


Рисунок 1.5 ПЧПУ типа 2Р22:
а - схема приладового блоку: 1 - центральний процесор, 2 - запам'ятовувальний пристрій (ЗП), 3 - постійний запам'ятовувальний пристрій (ПЗП), 4 - інтерфейс зв'язку з верстатом, 5 - блок вхідних сигналів, 6 - блок вихідних сигналів, 7 - блок привода, 8 - цифроаналоговий перетворювач привода, 9 - модуль адаптивного керування, 10 - модуль зв'язку з датчиком зворотного зв'язка, 11 - таймер, 12 - інтерфейс, 13 - інтерфейс пульта керування, 14 - інтерфейс БВСІ й друку, 15 - інтерфейс ФСУ, 16 - інтерфейс перфоратора, 17- інтерфейс КНМС, 18 - інтерфейс блоку керування, 19 - інтерфейс ЕОМ вищого рангу; б - розміри 2Р22.
В ПЧПУ типу 2Р22 входять: приладовий блок, пульт керування, БВСІ, касетний накопичувач на магнітній стрічці (КНМС) і блок керування приводом.
Приладовий блок (рис. 1.5, а) призначений для прийому сигналів від периферійних пристроїв і керованого верстата, їх аналізу й видачі керуючих впливів відповідно до алгоритму роботи, закладеному у програмному забезпеченні. Приладовий блок виконаний у вигляді стаціонарної шафи. Для забезпечення перешкодозахищеності силові ланцюги виконані екранованими проводами.
Пульт керування (рис. 1.5, б) дозволяє вести редагування КП, задавати режими роботи пристрою, провадити ручне уведення даних, вести діалог з пристроєм і ін.
БВСІ призначений для відображення на електронно-променевій трубці буквено-цифрової інформації (цифр, букв російського й латинського алфавітів). Блок використовується при уведенні програми, її редагуванні, контролі, діагностиці, індикації технологічної програми, розміру інструмента, режимів роботи й поточної геометричної інформації про переміщення виконавчих органів верстата.
КНМС приймає дискретну інформацію від приладового блоку на магнітну стрічку, зберігає її й у випадку потреби знову видає в приладовий блок. Блок керування приводом здійснює прийом дискретних сигналів керування й перетворить їх у систему сигналів керування електроприводами.
1.3. Визначення типу виробництва.
Тип виробництва визначається ступенем спеціалізації робочих місць, номенклатурою виробів, що випускаються, кількістю деталей на річну програму.
Тип виробництва визначуваний, користуючись рекомендаціями табл. 2.1.[1].
Так як річна програма випуску деталі складає 500 штук, а маса не перевищує
8 кг., то тип виробництва „серійне”.
Для серійного виробництва визначаємо максимальну кількість деталей у партії для одночасного запуску.
, (шт);
де N річна програма випуску (500шт.),
а - число робочих днів на заділі (5 дн.) (див. табл. 2.2 [1]),
..... F - число робочих днів в році (225 дн.)
Виходячи з цих даних
(шт).
2. Технологічна частина
2.1. Аналіз конструкції та технологічності деталі
Розглядаєма у дипломному проекті деталь „Втулка напрямна” має форму тіла обертання і відноситься до класу валів.
Основними поверхнями деталі „Втулка напрямна” являються наступні поверхні: 103 h11(); 73 Н9(); 73 h9(); різьба М 683-8g.
На основних поверхнях деталі „Втулка напрямна” проставлені парамтри шорсткості. Поверхня 73 h9() має шорсткість мкм; поверхня різьби М 683-8g та 103 h11() мають шорсткість мкм; торцева поверхня на 103 h11 має шорсткість мкм.
Шорсткість інших поверхонь деталі „Втулка напрямна” складає мкм, що вказано у правому верхньому куту креслення.
Шорсткість, вказана на кресленні деталі відповідає точності розмірів поверхонь деталі.
На всі розміри деталі „Втулка напрямна” вказані квалітети, а також граничні відхилення розмірів.
На кресленні вказані основні технічні умови виготовлення деталі. Розміри з не вказаними граничні відхиленнями виконуються за 14 квалітетом.
На кресленні деталі вказані допуски розташування поверхонь. Допуск радіального биття отвору 73 Н9() відносно поверхні А 103 h11() не більше 0,1 мм.
На кресленні вказано матеріал деталі. У даному випадку це вуглецева сталь 35Л ГОСТ 977-75.
Розміри на кресленні вказані правильно відповідно до послідовності обробки поверхонь, і не вимагають перерахунку.
На робочому кресленні деталі представлені всі необхідні види і проекції, що потрібні для повного засвоєння її конструкції.
З погляду технологічності не технологічними являються отвори 20 тому, що потребують використання спеціальної оснастки.
У іншому деталь технологічна. Технологічні вимоги, що вказані на робочому кресленні, відповідають ГОСТу та функціональному призначенню деталі.
Деталь відноситься до класу втулок і являє собою тіло обертання з великим перепадом діаметрів.
Відношення найбільшого діаметра до довжини деталі складає
.
Отже, деталь має достатню жорсткість.
2.2. Обґрунтування методу отримання заготовки.
Вибір методу отримання заготівки залежить від здатності матеріалу деталі пластично деформуватися, конструктивної форми деталі і типу виробництва.
При виборі методу заготовки користуємося рекомендаціями, що приведені у таблицях 2.3. і 2.4. [1].
При виборі методу отримання заготівки необхідно прагнути до максимального наближення форми і розмірів заготівки до відповідних параметрів готової деталі. Проте при цьому слід пам'ятати, що чим точніше заготовка, тим більше витрати на її отримання, оскільки буде потрібно виготовлення спеціального оснащення для виконання заготівельної операції.
Вірний вибір заготовки можливо виконати тільки на основі техніко-економічних розрахунків, шляхом зіставлення технологічної собівартості отримання деталі з того чи іншого виду заготовки.
Оскільки деталь „Втулка напрямна” відноситься до класу втулок і являє собою тіло обертання з великим перепадом діаметрів в якості заготовки приймаємо поковку. Метод отримання заготовки штамповка під молотами (рис. 2.1).
Загальні відомості про обраний метод виготовлення заготовки приводимо використовуючи рекомендації довідника [3].
2.3. Проектування заготовки
2.3.1. Попередня розробка маршрутного технологічного
процесу
Спроектувати заготовку - це означає для обраного методу отримання заготовки визначити розміри заготівки, встановити допуски на її виготовлення, призначити технічні умови і виконати робоче креслення.
Розмір заготовки залежить від припуску на механічну обробку будь якої з оброблюваних поверхонь і точності методу виготовлення заготовки.
Починають проектувати заготовку з розробки попереднього маршрутного технологічного процесу, для чого спочатку накреслюють ескіз деталі. Деталь розбивають на елементарні поверхні і всім поверхням присвоюють цифровий індекс (рис. 2.2).
Розробляємо попередній маршрутний технологічний процес механічної обробки деталі „Втулка напрямна”.
005 Токарно-гвинторізна
010 Токарна з ЧПК
015 Вертикально-свердлильна
020 Контрольна
Рисунок 2.1 Ескіз заготовки деталі „Втулка напрямна”.
Рисунок 2.2 Ескіз деталі „Втулка напрямна” з позначенням елементарних поверхонь.
2.3.2 Визначення між операційних припусків і допусків.
Для кожної елементарної поверхні деталі „Втулка напрямна” призначаємо технологічні операції (переходи), що забезпечують задану якість заданих поверхонь (точність розміру, точність форми, шорсткість), починаючи із заготівельної операції.
Розміри елементарних поверхонь, технологічні операції (переходи), допуски і шорсткість заносяться у таблицю 2.1.
Визначаються операційні припуски на механічну обробку і заносяться до таблиці у рядок, відповідний даній операції.
|
Номер поверхні |
Розмір поверхні та її точність |
Технологічні операції (переходи) що забезпечують необхідну точність |
Квалітет |
Допуск мм |
Шорст кість мкм |
Припуск мм |
Розміри між операцій ні і заготов ки, мм |
|
1 |
2 |
3 |
4 |
5 |
6 |
7 |
8 |
|
14 |
73 Н9 () |
Розточування чистове Розточування чорнове Свердління Заготовка |
Н9 Н10 Н12 |
0,074 0, 0, |
3,2 6,3 12,5 |
0,5 22,5 9 |
73 72,5 50 41 |
|
4 |
73 h9 () |
Точіння чистове Точіння напівчистове Точіння чорнове Заготовка |
h9 h10 h11 h14 |
0,074 0, 0, 1,8 |
1,6 3,2 6,3 25 |
0,5 1,5 8 |
73 73,5 75 77 |
Таблиця 2.1. - Міжопераційні розміри елементарних поверхонь.
2.3.3. Визначення маси заготовки.
Маса заготівки розраховується виходячи з її об'єму і питомої маси оброблюваного матеріалу.
кг,
де - об'єм заготовки (мм3);
- питома маса оброблюваного матеріалу (г/мм3).
Після визначення маси заготовки розраховується коефіцієнт використання матеріалу
;
де - маса деталі, кг.
Маса заготовки:
;
;
;
кг.
Маса деталі
;
;
;
;
;
.
;
25% металу іде у стружку.
2.4. Остаточна розробка маршрутного технологічного процесу
2.4.1. Вибір обладнання
Віходячи із заздалегідь наміченого маршруту обробки складається матриця плану обробки поверхонь деталі (табл. 2.2.)
Таблиця 2.2. - План обробки поверхонь деталі „Втулка напрямна”
|
№ операції |
Найменування операції |
Номер поверхні деталі |
|||||||||||||
|
1 |
2 |
3 |
4 |
5 |
6 |
7 |
8 |
9 |
10 |
11 |
12 |
13 |
14 |
||
|
005 |
Токарно-гвинторізна |
* |
* |
* |
* |
* |
* |
* |
|||||||
|
010 |
Токарна з ЧПК |
* |
* |
* |
* |
* |
* |
* |
* |
||||||
|
015 |
Вертикально-свердлильна |
* |
* |
||||||||||||
|
Всього переходів |
2 |
1 |
2 |
2 |
1 |
1 |
1 |
1 |
1 |
1 |
1 |
1 |
1 |
1 |
Складання маршруту обробки супроводжується вибором устаткування, ріжучого і вимірювального інструменту, оснащення і ін.
При виборі устаткування з метою досягнення прогресивних техніко-економічних показників розробленого технологічного процесу керуються наступними загальними положеннями.
Виготовлення виробів при серійному типі виробництва проводиться партіями або серіями, що складаються з однойменних по конструкції і однакових за розмірами виробів, що запускаються у виробництво одночасно. Устаткування тут застосовують різноманітних видів: загального призначення, спеціалізоване, автоматизоване, агрегатоване силовими головками.
При використанні верстатів загального призначення повинні широко застосовуватися спеціалізовані і спеціальні пристосування.
Для обробки деталі „Втулка напрямна” вибираємо технологічне устаткування і оснащення загального призначення (табл. 2.3.). вибирається устаткування по довідковій літературі.
Таблиця 2.3.-Вибір устаткування
|
№ операції |
Найменування операції |
Технологічне устаткування |
|
005 |
Токарно-гвинторізна |
Токарно-гвинторізний 16К20 |
|
010 |
Токарна з ЧПК |
Токарний з ЧПК 16К20Т1 |
|
015 |
Вертикально-свердлильна |
Вертикально-свердлильний 2Н135 |
|
020 |
Контрольна |
Контрольний стіл |
Обладнання обирається згідно довідникової літератури.
2.4.2 Вибір і обґрунтування різального, вимірювального
інструменту та оснащення.
При виборі ріжучого, вимірювального інструменту також необхідно враховувати тип виробництва.
У серійному виробництві, окрім універсального інструменту, широко застосовується спеціальний і спеціалізований ріжучий і вимірювальний інструмент. Дані про вибір ріжучого, вимірювального інструменту для обробки деталі „Втулка напрямна” заносяться у таблицю 2.4.
Таблиця 2.4 - Вибір ріжучого, вимірювального інструменту
|
№ операції |
Найменування операції |
Ріжучий інструмент |
Вимірювальний інструмент |
|
1 |
2 |
3 |
4 |
|
005 |
Токарно-гвинторізна |
Свердло 2302-0056 50 ГОСТ 10903-77; Різець 2103-0007 Т5К10 ГОСТ 18879-73; Різець 2102-0005 Т5К10 ГОСТ 18877-73; Різець 2140-0028 Т15К6 ГОСТ 18882-73. |
Штангенциркуль ШЦ-1-125-0,1 ГОСТ 166-80; Лінійка 300 ГОСТ 427-75; Калібр-пробка гладка 73 Н9() ГОСТ 14807-69. |
|
010 |
Токарна з ЧПК |
Різець 2101-0605 ГОСТ20872-80; Різець 2664-0007 Т15К6 ГОСТ18885-73; Різець 2102-0005 Т5К10 ГОСТ 18877-73. |
Штангенциркуль ШЦ-1-125-0,1 ГОСТ 166-80; Шаблон для контролю профіля різьби; Калібр-кільце різьбове М 683-8g ГОСТ 17764-72; Калібр-скоба 73 h9() ГОСТ18355-75. |
|
015 |
Вертикально-свердлильна |
Свердло 2301-0073 20 Р6М5 ГОСТ 10903-77. |
Калібр-пробка гладка 20 Н14 ГОСТ 14807-69. |
2.5. Проектування технологічного процесу
2.5.1 Опис операцій. Вибір базових поверхонь.
Розробка операції - завдання багатоваріантне. При розробці технологічних операцій необхідно прагнути до зменшення штучного часу, що можна досягти за рахунок зменшення її складових та поєднанням за часом виконання кількох переходів.
Важливим моментом при проектуванні операції є вибір базування заготовки на установах. При виборі баз необхідно керуватися наступними правилами:
- суміщати технологічні і конструкторські бази;
- забезпечити принцип постійності баз;
- базування по «чорній» необробленій поверхні використовувати тільки один раз.
Операційний технологічний процес обробки деталі „Втулка напрямна” та дані про вибір баз заносимо у таблицю 2.5.
Таблиця 2.5 - Операційний технологічний процес.
|
№ операції |
№ переходу |
Установ |
Зміст операції |
Базова поверхня |
|
1 |
2 |
3 |
4 |
5 |
|
005 |
1 2 3 4 5 6 |
А Б |
Точити поверхню у розміри 75; l=75 мм. Підрізати торець у розмір l=177 мм. Точити поверхню у розміри 103 h11(); l=105 мм. Розсвердлити отвір у розмір 50 на прохід. Розточити отвір попередньо у розміри 72,5 ; l=18 мм. Розточити отвір остаточно у розміри 73 Н9(); l=18 мм. |
106 75 |
|
010 |
1 2 3 4 5 |
А |
Підрізати торець у розмір l=175 мм за програмою. Точити поверхню у розміри 74; l=75 мм за програмою. Точити поверхню у розміри 69; l=45 мм за програмою. Точити поверхню по контуру у розміри 345; 67,8; l=45 мм; 45; 73 h9();l=75 мм за програмою. Нарізати різьбу у розміри М 683-8g; l=39 мм за програмою. |
103 |
Продовження таблиці 2.5
|
1 |
2 |
3 |
4 |
5 |
|
015 |
1 |
А |
Свердлити 4 отвори у розміри 20; 60 мм. |
103 |
2.5.2 Визначення режимів обробки.
Параметри режимів різання призначаються таким чином, щоб забезпечити задані вимоги креслення по точності і якості обробки і при цьому досягнути найбільшої продуктивності праці при мінімальній собівартості технологічної операції.
Ці умови можна виконати при роботі інструментом раціональної конструкції і геометрії з максимальним використанням технічних можливостей верстата.
Вихідними даними при призначенні режимів є:
- дані про деталь, що виготовляється: її матеріал і його фізико-механічні властивості, відомості про геометричну форму деталі і її розміри, точність виконання розмірів і якість оброблених поверхонь, розміри заготовки, її вигляд і стан постачання;
- дані про металоріжучий верстат: його модель, технологічні можливості, відомості про ряд подач і частот обертання шпинделю, про обмежуючі чинники;
- дані про інструмент: його вигляд, габарити, матеріал ріжучої частини, геометрія.
Режими різання встановлюються по загальноприйнятих нормативах з урахуванням всіх поправочних коефіцієнтів, що відображають особливості різання в умовах вирішуваної задачі, і перевіркою по обмежуючих чинниках.
Розрахунок раціональних режимів різання приводиться на прикладі переходу 3 операції 005.
Зміст переходу:
Точити поверхню у розміри 103 h11(); l=105 мм.
Вихідні дані:
- оброблюваний матеріал - Сталь 35Х;
- матеріал ріжучої частини інструменту - Т5К10;
- геометрія ріжучого інструменту = 90°
- стан заготовки - без кірки.
Розрахунок режимів різання виконуємо в наступному порядку:
1. Визначаємо глибину різання
(мм).
(мм).
де D діаметр обробляємої поверхні, мм;
d діаметр обробленої поверхні, мм.
Кількість переходів і = 2.
2. Вибираємо величину подачі за довідником [3] і уточнюємо її по паспорту верстата. Вибір величини подачі залежить від шорсткості обробленої поверхні, жорсткості технологічної системи.
S = 0,4 мм/об.
3. Визначаємо швидкість різання з урахуванням поправних коефіцієнтів.
Знаходимо по таблицях довідника [3] Vтабл = 157 м/хв.
К1; К2; К3; К4; К5 поправні коефіцієнти залежно від стійкості різця, стану оброблюваної поверхні (без кірки, з кіркою, забруднена і т.д.); матеріалу різця, головного кута у плані.
; стійкість різця Т = 60 хв.
; межа міцності на розтяг
; поверхня з коркою.
; матеріал ріжучої кромки різця Т5К10.
;
(м/хв).
4. Визначення частоти обертання шпинделю.
(хв-1.)
Уточнюємо частоту обертання шпинделю за паспортом верстата.
(хв-1.)
Для прийнятої частоти обертання шпинделю з паспорту верстата обираємо ККД верстата і обертовий момент на шпинделі.
(Нм).
5. Визначаємо фактичну швидкість різання на верстаті.
(м/хв.).
6. Визначаємо силу різання (приблизно)
(Н);
де К коефіцієнт різання (вибираємо по таблиці довідника [3]) МПа;
f площа поперечного перетину стружки, мм2.
К = 1746 МПа.
(Н).
7. Визначаємо необхідну потужність верстата
(кВт).
(кВт).
Визначаємо необхідну потужність верстата
(кВт) (кВт).
де ККД верстата.
Потужність електродвигуна верстата - повинна бути більше необхідної потужності верстата, тобто
ел > верст;
7 кВт > 2 кВт.
8. Визначаємо коефіцієнт завантаження верстата по потужності:
.
9. Визначимо обертовий момент різання і порівняємо його з обертовим моментом на шпинделі верстата.
(Нм).
> .
(Нм).
300 Нм > 55,5 Нм.
2.5.3. Нормування операцій.
Розрахунок технічної норми часу за загальномашинобудівними нормативами приводиться для тієї операції, для якої у пояснювальній записці приводиться методика призначення режимів різання.
Основний (машинний) час визначається розрахунком за формулами, що відповідають різним видам обробки.
При визначенні допоміжного часу його витрати на окремі прийоми і елементи рекомендується заносити у таблицю, яка для обробки на токарно-гвинторізному верстаті має вигляд (таб. 2.6.).
Таблиця 2.6. - Елементи допоміжного часу на токарній операції 005.
|
№ п/п |
Элементи допоміжного часу |
Переходи |
|||||
|
1 |
2 |
3 |
4 |
5 |
6 |
||
|
1 |
Час на установку і зняття деталі |
0,28 |
0,2 |
- |
- |
- |
0,2 |
|
2 |
Час пов'язаний з переходом |
0,5 |
0,2 |
1,04 |
3,83 |
0,21 |
0,27 |
|
3 |
Час, пов'язаний з переходом, що не увійшов до комплексу: - повернути різцеву головку; - змінити інструмент; - змінити частоту обертання шпнделю; - змінити подачу. |
0,07 0,6 0,08 0,07 |
0,07 0,6 0,08 0,07 |
0,07 0,6 - 0,07 |
- 0,6 0,08 0,07 |
- 0,6 0,08 0,07 |
- 0,6 0,08 0,07 |
|
4 |
Час на вимірювання |
0,15 |
0,15 |
0,15 |
0,1 |
0,2 |
0,2 |
|
5 |
Разом Тдоп по переходах |
1,75 |
1,37 |
1,93 |
4,68 |
1,16 |
1,42 |
хв.
Основний (машинний) час визначаємо на переходи 1 і 2 операції 015.
хв.
хв.
хв.
хв.
хв.
хв.
Загальний основний час визначаємо за формулою
хв.
Оперативний час визначаємо за формулою:
хв.
Штучний час
де - час на обслуговування;
- час на перерву.
Час на обслуговування та перерву складає 15% від оперативного часу.
хв.
2.5.4 Заповнення операційних карт механічної обробки
Технологічна документація комплекс текстових та графічних документів, що визначають окремо чи в совокупності технологічний процес виготовлення чи ремонту виробу та містить необхідні дані для організації виробництва.
Технологічні документи діляться на документи загального призначення та документи спеціального призначення. Технологічні документи загального призначення: маршрутна карта, карта ескізів, операційна карта, технологічна інструкція, комплектовочна карта, відомість розцехування, відомість оснастки та відомість матеріалів.
Маршрутна карта (МК) документ, що містить порядок обробки деталі по операціям з вказанням обладнання, на яких здійснюється обробка.
Технологічна інструкція (ТІ) містить опис специфічних прийомів роботи чи методи контролю технологічного процесу.
Комплектовочна карта (КК) містить дані про деталі, складальні одиниці та матеріали, що входять до комплекту складального виробу.
Відомість розцехування (ВР) містить дані про маршрут проходження виробу, що виготовляється або ремонтується, по службам підприємства.
Відомість матеріалів (ВМ) подетальна відомість норм витрат матеріалів, запис у якій здійснюється по розділам для складальних одиниць та деталей, що входять до складу виробу.
Операційна карта (ОК) містить опис операцій технологічного процесу виготовлення виробу з поділенням операції на переходи та вказанням режимів обробки, норм часу та трудових нормативів.
Карта технологічного процесу (КТП) містить опис процесу виготовлення чи ремонту виробу по всім операціям одного виду робіт, що виконуються в одному цеху у технологічній послідовності з вказанням даних про технологічну оснастку, матеріальні та трудові нормативи.
2.5.5. Розробка керуючої програми та побудова траєкторії
руху інструмента
Деталі, що обробляються на верстаті з ЧПК, можна розглядати як геометричні тіла, які складаються з простих (елементарних) геометричних фігур (циліндр, конус, сфера тощо).
У процесі оброблення деталь (заготовку) та інструмент на верстаті переміщуються одне відносно одного.
Керуюча програма задає траєкторію руху робочого органа (РО), тобто певної точки інструмента, так званого центра інструмента , або траєкторію руху стола. Однак умовно завжди вважається, що рухається саме інструмент. Для різця центром служить вершина різця або центр дуги (заокруглення) при вершині. Для прорізного (канавкового) різця центром вважається ліва вершина. Для свердла, зенкера, зенківки, цековки, мітчика центром є центр їх робочого торця.
Схема траєкторії руху центра інструмента називається циклограмою. Під час контурного оброблення центр інструмента повинен переміщуватися по еквідистанті контуру деталі.
Опорна або вузлова точка - це точка, в якій інструмент (центр інструмента) переходить з одного елемента на інший, де відбувається зміна режиму обробки або технологічна зупинка.
Для токарних верстатів із ЧПК розрізняють систему координат верстата і систему координат деталі.
Початок системи координат верстата 0в знаходиться в центрі дзеркала токарного патрона, тобто в центрі перерізу шпинделя перед посадковим конусом, на якому центрується патрон. Початок координат позначається символом.
Керуюча програма
|
№ кадра |
Зміст кадра |
№ кадра |
Зміст кадра |
3. Конструкторська частина
3.1. Проектування технологічної оснастки
На свердлильній операції для установки та закріплення деталі „Втулка напрямна” використовується простіша ділильна головка. У складальному корпусі, що містить кутник 3 та плиту 2, змонтований шпиндель 1, на одному кінці якого закріплений затискний трикулачковий патрон, а на другому фланець 4 з пружинним фіксатором.
Шпиндель фіксується в осьовому напрямку гайкою 5. в кутнику 3 є дванадцять отворів, які розташовані по колу з однаковим кроком. В них запресовані стальні загартовані втулки 11. Для розподілу кола відтягують рукоятку 6, пов'язану з плунжером 8 за допомогою штифта 7 та здійснюють необхідний поворот. Пружина 9 становить плунжер фіксатора у потрібне місце. В цьому стані шпиндель затискають тангенціальним затиском за допомогою рукоятки 10.
3.2. Розрахунок зусилля закріплення деталі при обробці та вибір розмірів механізму закріплення.
Розраховуємо зусилля закріплення для трикулачкового патрона, користуючись рекомендаціями довідника [3]:
,
де Wk сила затиску на одному кулачку,Н;
- число кулачків;
- коефіцієнт, що враховує додаткові сили тертя у патроні
(=1,05);
- виліт кулачка від його опори до центру прикладення сили затиску (конструктивно = 40 мм);
- довжина напрямної частини кулачка, мм;
- коефіцієнт тертя у напрямних кулачках ( = 0,1);
і - плечі важеля приводу кулачків, мм, конструктивно мм і мм до осі штока.
Сила закріплення на кожному кулачку визначається за формулою
де - діаметр поверхні заготовки, що обробляється, мм;
- кут розташування кулачків у патроні;
- коефіцієнт тертя на робочих поверхнях кулачків (з гладкою поверхнею = 0,25, з кільцевими канавками =0,35, з крестообразними = 0,45, з зубями паралельно осі патрона = 0,8);
- діаметр поверхні заготовки, що закріплюється, мм;
коефіцієнт запасу.
Н.
Н.
4. Експлуатаційно-налагоджувальна частина
4.1 Основні вузли верстата та їх конструктивні особливості
Ткарні патронно-центрові верстати з ЧПУ використовують для обробки центрових деталей типу тіл обертання з відношенням довжини до діаметра більше п'яти, а також штучних заготовок, що закріплюються в патроні. У випадку застосування промислових роботів операції завантаження верстата можуть бути легко автоматизовані. Інструментальні налагодження верстатів в основному забезпечують технологічні потреби при обробці різноманітних деталей типу тіл обертання. Включення таких верстатів до складу ГВС не представляє особливих труднощів.
Токарний верстат з ЧПУ мод. 16К20Ф3 (рис. 1.1) призначений для токарної обробки (в один або кілька проходів у замкнутому напівавтоматичному й автоматичному циклі) зовнішніх і внутрішніх поверхонь деталей типу тіл обертання зі східчастими профілями, включаючи нарізування різьб. Верстат має підвищений клас точності П. Точність обробки відповідає 6...7 квалітетам.
Рисунок 4.1 - Шпиндельна бабка (розгортка).
Конструкція шпиндельного вузла (рис. 4.1) значною мірою визначає експлуатаційні показники верстата, тобто застосовувані режими різання й точність і продуктивність обробки, які досягаються. Тому корпус 1 бабки виконаний у вигляді твердого чавунного виливка й надійно закріплений на станині. Зубчасті колеса загартовані й прошліфовані по профілю зубів. Найбільш важливою деталлю шпиндельної бабки є шпиндель 5 , безпосередньо сприймаючий зусилля різання. Передній кінець шпинделя має фланець, до якого кріпиться кулачковий патрон. Передньою опорою служить дворядний конічний роликовий підшипник 4, а задньою однорядний конічний роликовий підшипник 3. Застосування в опорах пружин 2, призначених для постійної вибірки зазорів у підшипниках, сприяє підвищенню точності й твердості шпиндельного вузла. Підшипники відрегульовані заводом-виготовлювачем верстата, що забезпечує їх експлуатацію без втручання наладчика (крім випадків ремонту).
Рисунок 4.2 - Привод повздовжнього переміщення супорту.
Привод поздовжнього переміщення супорта (рис. 4.2) містить у собі кулькову гвинтову передачу (діаметр 63 мм, крок 10 мм), опори 2 гвинта, редуктор 1 (передатне відношення 1:1), електродвигун 6 постійного струму й датчик 3 зворотного зв'язку, пов'язаний із гвинтом за допомогою муфти 4.
Якщо верстат оснащений частотно-регульованим асинхронним двигуном, то встановлюють редуктор з передатним відношенням 1:2, а датчик зворотного зв'язку вбудовують в електродвигун. Зазор у зубчастому зачепленні редуктора вибирають переміщенням перехідної плити 5 (із установленим на ній електродвигуном) щодо корпуса редуктора.
Привод поперечного переміщення супорта (рис. 4.3) містить у собі кулькову гвинтову передачу (діаметр 40 мм, крок 5 мм), опори 1 гвинта; редуктор 2 (передатне відношення 1:1), електродвигун 5 постійного струму й датчик 4 зворотнього зв'язку, з'єднаний із гвинтом за допомогою пружної муфти 3. Якщо верстат оснащений частотно-регульованим асинхронним двигуном, то датчик зворотного зв'язку вбудовують в електродвигун. Зазор у зубчастому зачепленні вибирають вертикальним зсувом плити 6 (із установленим на ній електродвигуном) .

Рисунок 4.3 - Привод поперечного переміщення супорту.
Шестипозиційну револьверну головку (рис. 4.4) з горизонтальною віссю обертання встановлюють на поперечній ползушці. В інструментальній головці кріплять шість різців-вставок або три інструментальних блоки.
Інструментальну знімну головку монтують на вихідному валу 5 і жорстко зв'язують із рухливим елементом 6 плоскозубчастої муфти. Поворот револьверної головки провадять у такий спосіб: від електродвигуна 2 (через черв'ячну передачу) обертання передається на вал 7 кулачкової напівмуфти 8, що жорстко пов'язана з валом 5. У початковий момент обертання елементи 3 і 6 плоскозубчастої муфти розчіплюються й відбувається поворот головки в потрібну позицію, що контролюється електричним датчиком 10. Потім здійснюється реверс електродвигуна, вал 7 кулачкової муфти обертається в протилежну сторону, а рухливий елемент 6 плоскозубчастої муфти (з інструментальною головкою) утримується від повороту фіксатором, у результаті чого елемент 6 фіксується на зубах нерухливого елемента 3 плоскозубчастої муфти. Сигнал затискача від кінцевого вимикача 9 подається на пульт керування, при цьому електродвигун повороту відключається й починається робочий цикл обробки. Для ручного повороту й затиску револьверної головки (при налагодженні верстата) на валу 1 передбачена шестигранна головка під ключ. Різальний інструмент варто розташовувати на інструментальній головці по можливості рівномірно, щоб уникнути дисбалансу при обертанні головки.
Рисунок 4.4 - Шостипозиційна револьверна головка.
Задню бабку (рис. 4.5) кріплять на станині за допомогою рукоятки 3, ексцентрикового вала 5, планки 8 і системи ричагів. Силу притиску задньої бабки до станини регулюють гвинтами 7 і 2 (при відпущених контргайках 6 і 1), змінюючи положення притискної планки 8. Піноль переміщюють вручну (за допомогою маховика) або використовуючи електромеханічний привод 4.
Рисунок 4.5 - Задня бабка.
Порядок роботи верстата. Перед початком роботи включають верстат і перевіряють положення й надійність кріплення кулачків аварійного обмеження ходу на поздовжній і поперечній лінійках, а також положення й надійність кріплення задньої бабки на станині (у випадку її застосування). При обробці в патроні задню бабку відводять у крайнє праве положення. За допомогою спеціальних рукояток перевіряють легкість переміщення супорта в поздовжньому й поперечному напрямках. У режимі «Ручне керування» перевіряють роботу механізмів верстата: перемикання діапазонів частоти обертання; переміщення супорта в поздовжньому й поперечному напрямках на швидкому ходу й робочих подачах; роботу аварійних і блокувальних електроперемикачів; подачу мастильного матеріалу; обертання шпинделя й ін.
Перевіривши роботу верстата в ручному режимі й переконавшись у її правильності, включають автоматичний цикл обхід контуру на холостому ходу (без установки заготовки).
При нормальній роботі верстата обробляють по КП першу деталь, заміряють її, за допомогою ПЧПУ коректують КП.
4.2 Монтаж верстата
4.2.1 Установка обладнаня на фундамент
Точность и надежность собранного станка с ЧПУ зависят от монтажа. Монтаж следует выполнять в соответствии с требованиями чертежей и руководствами на станок и устройство ЧПУ.
Для защиты от внешних вибрационных возмущений оборудование с ЧПУ необходимо монтировать на фундаменте или виброизоляционных опорах. Согласно установочному чертежу укладывают на полу или в специальные каналы гидроразводку от насосной станции, трубы, бронированные шланги с электрожгутами и т. п.
Установка верстата на фундамент впливає на основні показники його працездатності. Найпоширеніша установка верстатів на фундаменти трьох видів (рис. 4.6): бетонні підлоги першого поверху (загальна плита цеху); стовщені бетонні стрічки (стрічкові фундаменти); спеціально проектовані масивні фундаменти (індивідуальні або групові), фундаменти звичайного типу ( що опираються на природну основу), пальові й віброізольовані (на гумових ковриках або пружинах).
Верстати на фундаментах (рис. 4.7) установлюють: із кріпленням анкерними болтами - на клинах із заливанням опорної поверхні станини цементним розчином або на регульованих опорних елементах (гвинтових або клинових) без заливання; без кріплення болтами із заливанням опорної поверхні станини цементним розчином; без кріплення болтами й без заливання на твердих металевих регульованих опорних елементах; на пружних (зокрема, на гумовометалічних) опорах.

Рисунок 4.6 - Фундаменти під верстати:
а підлога (загальна плита); б стрічковий (перетин у площині, перпендикулярної до осі стрічки); в звичайного типу; г пальовий; д на гумових ковриках; е на пружинах.

Рисунок 4.7 - Установка верстатів на фундаментах:
а, в із заливанням опорної поверхні станини цементним розчином; б без заливання розчином (із кріпленням болтами); г на твердих регульованих опорах; д - на гумовометалічних опорах (без кріплення болтами).
Зазначену установку верстатів можна розділити на тверду й пружну. До твердої відносять установку верстата на тверді (металеві) опори із кріпленням або без кріплення, у яких фундаментом служить плита або бетонний блок, що опирається на природну основу або перекриття. До пружного відносять всі види установки верстата на пружних опорах і установки на твердих опорах, у яких фундаментом служить бетонний блок, що опирається на пружні опорні елементи (гумові коврики, пружини й т.п.).
Після установки на фундамент устаткування виверяють відповідно до рекомендацій.
4.2.2 Випробування верстатів і перевірка їх на точність
Кожний верстат після виготовлення або ремонту повинен задовольняти певним технічним умовам. Відповідно до діючих загальних технічних умов приймальні випробування верстатів повинні включати:
а) випробування верстата на холостому ходу, перевірку роботи механізмів і перевірку паспортних даних;
б) випробування верстата в роботі під навантаженням, а спеціальних верстатів і на продуктивність;
в) перевірку верстата на геометричну точність, шорсткість поверхні й точність оброблюваної деталі;
г) випробування верстата на твердість;
д) випробування на вібростійкість при різанні.
Випробування верстата повинні проводитися в зазначеній послідовності. Перевірку шорсткості поверхні й точності оброблюваної деталі допускається проводити одночасно з випробуванням верстата в роботі й до перевірки геометричної точності.
Перевірка верстатів на точність полягає в перевірці їх геометричної точності, шорсткості поверхні й точності обробки. При перевірці на геометричну точність потрібно перевірити прямолінійність напрямних, площинність столів; горизонтальність або вертикальність установки стійок, що направляють, колон і плит; положення й точність обертання шпинделів; паралельність або перпендикулярність осей між собою або відповідними напрямними; погрішності ходових гвинтів, ділильних пристроїв і т.д. Геометричну точність перевіряють у відповідності зі стандартом для даного типу верстатів.
Одних геометричних перевірок для верстатів недостатньо, тому що при цьому враховують (або недостатньо враховують) твердість деталей верстата, якість їх обробки й складання, не говорячи вже про вплив твердості системи верстат - пристосування - інструмент - заготовка на точність обробки. Державними стандартами передбачена обов'язкова перевірка точності верстата шляхом обробки зразка й одночасно перевірка шорсткості поверхні оброблюваної деталі. Перевірку варто проводити після попереднього обкатування верстата вхолосту або після випробувань у роботі, причому головні елементи верстата повинні досягти робочих сталих температур. Вид зразка, його матеріал і характер обробки для різних верстатів зазначені у відповідних стандартах.
4.2.3 Особливості монтажа систем числового програмного
управління
Монтаж системи керування на базі числового програмного управління (ЧПУ) або програмувальних контролерів (ПК) містить у собі два етапи: 1) монтаж елементів і блоків системи; 2) з'єднання системи й об'єкта керування. Системи ЧПУ розміщають у спеціальних шафах, де здійснюють їх складання й монтаж. На верстатобудівний завод і тим більше на завод-споживач верстатів пристрої ЧПУ (ПЧПУ) надходять у зібраному виді. В окремих конструкціях блоки системи ЧПУ вбудовують безпосередньо у верстат. Шафу з ЧПУ монтують після установки й вивірки технологічного встаткування на віброізолюючі опори відповідно до настановного креслення. ПЧПУ й пульти керування зв'язують із верстатом за допомогою відповідних з'єднувачів відповідно до монтажної схеми. Проводи живлення ПЧПУ приєднують до трифазної чотирьохпровідної мережі змінного струму напругою 380 В и частотою 50 Гц. Рекомендується підключати ПЧПУ до окремого фідера. Для ПЧПУ припустиме коливання напруги в межах 362... 408 В и частоти в межах 49...51 Гц. Для охолодження ПЧПУ доцільно використовувати індивідуальну приточно-витяжну вентиляцію.
ПК поставляють на завод-виготовлювач верстатів у вигляді вузлів. В одному випадку плати процесора й запам'ятовувального пристрою поставляють окремо від конструктивного елемента і їх складання здійснюють безпосередньо на місці складання (для полегшення процесу складання на конструкції ПК нанесене маркування місць розміщення різних плат); в іншому випадку плати процесора ПК розміщають у конструктивному елементі на заводі-виготовлювачі. ПК і процесор поставляють споживачеві в зібраному виді. Сам ПК монтують у шафі системи керування, де встановлюють і з'єднують його основні модулі. Можливий дистанційний монтаж, коли силові елементи й пристрої з'єднання встановлюють в іншій (стосовно процесора) шафі.
Наступний етап монтажу системи керування складається в з'єднанні ПК із електроустаткуванням верстата. Він містить у собі з'єднання датчиків і виконавчих елементів із пристроєм зв'язку логічної частини системи керування й електродвигунів - із силовою частиною. У конструкції пристрою зв'язку передбачають спеціальні затискачі для монтажу проводів, що йдуть від електроустаткування. Силову частину системи керування- монтують аналогічно релейно-контактним системам.
4.2.4 Монтаж гідро- і пневмообладнання верстата
Перед монтажом гидросистемы необходимо удалить деревянные заглушки из труб и штуцеров, очистить их, а затем прокачать через них масло. По окончании монтажа все гадростистемь заполняют маслами и другими жидкостями. Отфильтрованное масло заливают через батистовую салфетку. В емкасть станка заливают СОЖ, заполняют маслом все места групповой и индивидуальной смазки в соответствии с эксплуатационной документацией, после чего проверяют герметичность трубных соединений.
При монтажі гідро- і пневмообладнання верстатів рекомендується виконати наступні роботи:
перевірити правильність гідросистеми за гідравлічною схемою, що знаходиться в паспорті верстата, звернувши особливу увагу на відповідність змонтованої апаратури пропонованим вимогам, правильність її установки й приєднання до трубопроводу;
забезпечити герметичність з'єднань - додатково затягти нарізні сполучення, змінити ущільнення або (при необхідності) замінити негерметичне з'єднання; перевірку виконати при максимальному тиску мастила;
перевірити роботу гідросистеми обладнання на холостому ходу й у налагоджувальному режимі; при замічених неполадках необхідно виявити за гідравлічною схемою апарат (апарати), несправність якого може з'явитися причиною неполадки, уважно його оглянути, перевірити в роботі й при необхідності виправити; гідросистему варто перевіряти послідовно по переходах циклу, поки не буде перевірена (виправлена) вся її схема;
внутрішні поверхні гідробаків ретельно очистити від бруду, промити гасом і протерти (наявність волосків і очесів від дрантя на поверхні неприпустимо); ретельно перевірити стан заливних і повітряних фільтрів; залити в баки чисте, попередньо профільтроване мастило;
перевірити стан блокувань і положення всіх механізмів, що приводяться гідро- або пневмоприводом, щоб уникнути їх мимовільного переміщення при пробному пуску; змазати тертьові поверхні гідрофіцированих механізмів;
перевірити (у поштовховому режимі) напрямок обертання валів електродвигунів і насосів кожної станції;
заповнити мастилом трубопроводи (шляхом короткочасного включення насосної установки), при цьому напрямні розподільники й розподільні гідропанелі перемикати вручну; щоб уникнути підсмоктування повітря періодично в міру заповнення трубопроводу доливати мастило в гідробак за допомогою насоса; повітря з гідросистеми випускати не рідше чим через 4 години після заповнення її мастилом (протягом зазначеного часу електродвигуни насосів повинні бути відключені); запобіжні клапани настроїти на мінімальний тиск щоб уникнути розчинення повітря в мастилі.
Особливості монтажу пневмосистеми приводів верстатів, ПР і вимірювальних пристроїв. Для нормальної роботи пневмопривода потрібна подача стисненого повітря з температурою від 0 до 60°С и ступенем очищення не нижче 10-го класу. Повітря повинно бути насичене мастилом (2...4 краплі на 1 м3 вільного повітря). Звичайний тиск повітря становить 0,4...0,6 МПа.
Монтаж пневмоприводів варто здійснювати в такий спосіб: повітропроводи, що відводять, приєднати до циліндрів і інших споживачів зверху щоб уникнути влучення вологи; повітропровід від установки для осушки повітря до групового фільтра й від останнього до фільтра тонкого очищення змонтувати з нахилом убік, протилежну напрямку потоку повітря, при цьому відвідні патрубки розташувати нагору від магістралі (таке розташування повітропроводу сприяє збору конденсату у відстійниках і запобігає його поширення по магістралі); відстійники розмістити в декількох місцях повітропроводу, з'єднуючої установки для осушки повітря й груповий фільтр; відвідні патрубки до відстійників розташувати нижче основної магістралі; трубопроводи змонтувати так, щоб вони мали ухил у напрямку надходження повітря (3...5 мм на 1 м довжини), що забезпечує стікання конденсату до кранів спуска відстійників для запобігання влучення води в пневмопристрій.
4.2.5 Загальні відомості про монтаж електроустаткування верстата
Виконуючи монтаж електроустаткування верстатів з ЧПУ рекомендується враховувати наступне:
монтаж, налагодження й експлуатацію електроустаткування повинні здійснювати електрики, що мають кваліфікацію 4-го або 5-го розрядів й кваліфікаційну групу по техніці безпеки не нижче III;
у верстатах з ЧПУ потрібно застосовувати тільки мідні проводи з полівінілхлоридною або поліетиленовою ізоляцією; проводи варто прокладати в трубах, металорукавах, гнучких пластмасових трубках і спеціальних коробах;
при монтажі потрібно застосовувати проводи різного розцвічення: чорні - для силових ланцюгів; червоні - для ланцюгів керування змінного струму; сині - для ланцюгів керування постійного струму;
при монтажі проводів і їх з'єднань варто звертати особливу увагу на схоронність ізоляції (відсутність ушкоджень), якість пайки проводів і приєднання до затискачів;
необхідно ретельно контролювати стан джгутів із проводів і наявність маркувань;
підлеглі монтажу газові труби перед укладанням варто підганяти по довжині й згинати (по шаблонах) залежно від розташування обладнання й електрошаф;
для полегшення протягання джгутів отвір у трубі (після очищення) потрібно злегка змазати солідолом.
Силовые шкафы, тиристорные преобразователи, устройства и пульты ЧПУ связывают со станком с помощью соответствующих разъемов со жгутами согласно монтажной схеме.
4.3 Система змащення верстата
У верстаті застосована автоматична система змазування шпиндельної бабки. Шестеренний насос всмоктує мастило з резервуара й подає його через сітчастий фільтр до підшипників шпинделя й зубчастих коліс. Приблизно через хвилину після включення головного електродвигуна починає обертатися диск мастиловказівника. Його постійне обертання свідчить про нормальну роботу системи змазування. Зі шпиндельної бабки, мастило через сітчастий фільтр і магнітний патрон зливається в резервуар. У процесі роботи необхідно стежити за обертанням диска мастиловказівника; при його зупинці необхідно відключити верстат і очистити фільтр, промивши його елементи в гасі. Фільтр очищають у міру його засмічення, але не рідше 1 рази на місяць.
Щодня перед початком роботи перевіряють рівень мастила по рисці мастиловказівника й при необхідності доливають мастило.
Змазування напрямних каретки й станини також здійснюється автоматично від станції С 48-12, установленої на підставі верстата. При включенні насоса мастило під тиском подається (за допомогою шланга) до розподільчої коробки на каретці. Насос включається одночасно із включенням верстата, а надалі по команді від реле часу (з інтервалом 10 - 240 хв). При роботі насоса запалюється сигнальна лампочка. При необхідності можна додатково подати мастило натисканням кнопки «Поштовх змащення».
Опори гвинтових пар подачі супорта й кулькову гайку змазують вручну (через маслянку) пластичним мастильним матеріалом.
Правильне й регулярне змазування верстата має важливе значення для його нормальної експлуатації.
4.4 Налагодження верстата
Налагодження верстата це підготовка технологічного обладнання та оснастки до виконання певної технологічної операції. Для цього налагоджують кінематичні ланцюги верстата, встановлюють у потрібне положення рукоятки керування коробки швидкостей, коробки подач та інших органів верстата, підбирають та встановлюють змінні зубчаті колеса, копіри, упори та інше.
Для більшості металоріжучих верстатів незалежно від їх складності, методика наладки однакова. Вона складається у повідомленні виконавчим органом верстата узгодженим друг з другом рухів для обробки певних деталей. Налагодження верстата потребує розрахунку передаточного відношення органа налагоджування швидкостей ланцюга для отримання заданої частоти обертання шпинделя та передаточного відношення органа наладки ланцюга для здійснення заданої подачі.
Наладка токарного верстата з ОСК виконується наладником у такій послідовності:
згідно з розробленим технологічним процесом підбирають інструмент, перевіряють правильність виконаної за-точки, надійність кріплення пластинок; різальний інструмент закріплюють у робочих позиціях інструментальної головки;
шляхові кулачки встановлюють на поздовжній і поперечній лінійках;
встановлюють затискний або повідковий патрон і центри; перевіряють надійність кріплення заготовки, за необхідності кулачки патрона розточують;
перевіряють роботоспроможність робочих органів верстата на холостому ходу в ручному режимі;
перевіряють справність сигналізації на пульті керування;
вводять клавішами керуючу програму в електронну пам'ять пульта;
перевіряють правильність складання програми, відпрацьовуючи її без установлення заготовки, у покадрово-му режимі;
обробляють пробну заготовку, вимірюють одержану пробну деталь і в разі необхідності у програму вносять корективи;
готову деталь пред'являють у ВТК; наладник інструктує оператора, в його присутності оператор виконує обробку перших 3...5 деталей; якщо оператор досить кваліфікований, то наладку виконує самостійно.
Перед початком обробки деталі оператор повинен виконати прив'язку пристрою до параметрів верстата, системи відліку до верстата, інструмента до системи відліку й системи відліку до деталі.
Прив'язку пристрою ОСК здійснюють шляхом введення в його пам'ять параметрів верстата в режимах "Введення" (основному) і "Введення констант" (допоміжному).
Для введення параметрів необхідно виконати такі операції: натиснути послідовно клавіші 5
(введення), 2
(введення констант), 13
(скидання пам'яті), № (номер параметра); набрати на клавіатурі 001 (числове значення номера першого параметра); натиснути клавішу Р (параметр), набрати на клавіатурі числове значення параметра, що відповідає його номеру. Номер параметра і його числове значення висвічується у шостому рядку екрана БВСІ. Потім слід натиснути клавішу 20
(введення даних). Після того як номер параметра і його числове значення введено в пам'ять, вони стираються з екрана, а на ньому висвічується порядковий номер наступного параметра.
Потім, починаючи з натискання клавіші Р (параметри), у такій же послідовності вводяться числові значення решти параметрів.
Для індикації параметрів верстата (послідовного введення їх на екран БВСІ) необхідно натиснути клавіші 5
(введення), 2
(введення констант), Р (параметр), 9
(зсув кадру).
Після кожного натискання клавіші 9
висвічується наступний параметр. Про закінчення кількості параметрів сигналізує напис КР на екрані БВСІ.
Прив'язку системи відліку до верстата здійснюють шляхом переміщення різцетримача у фіксоване положення. Прив'язку виконують в основному режимі "Ручне керування" і в допоміжному "Вихід у фіксоване положення верстата".
Фіксоване положення (ФП) визначається положенням кінцевих вимикачів, змонтованих на супортній групі верстата, і кулачків 1, 2, що знаходяться в пазах лінійок поперечного і поздовжнього переміщен. Кулачки 1 служать для подання команди про попереднє сповільнення швидкості переміщення при підході до ФП, а кулачки 2 - для подання команди про досягнення ФП. Для виходу різцетримача у ФП необхідно натиснути клавішу 4
(ручне керування). Над клавішею засвітиться лампочка, а у першому рядку екрана БВСІ висвітиться "Ручне керування". Далі натиснути клавішу 16
(фіксоване положення). Над клавішею засвітиться лампочка, а у першому рядку екрана БВСІ висвітиться ФП. Потім необхідно натиснути клавішу 17
(пуск). Над нею засвічується лампочка по координаті X. Напрям руху від осі шпинделя до оператора. При досягненні положення, яке визначається кінцевими вимикачами, рух по координаті Х припиняється і починається рух по координаті Z у напрямі до шпинделя. При досягненні положення, що визначається кінцевим вимикачами, рух по координаті Z припиняється. Вимикається світлова сигналізація над клавішею 16
, а на екрані БВСІ (четвертий і п'ятий рядки) висвічуються цифри, що характеризують координати фіксованого положення.
4.5 Налагодження пристрою ЧПК верстата
ПЧПК - це керуючий орган, що приймає команди в числовий, тобто в дискретній формі, посилає їх у запам'ятовувальний пристрій, обробляє команди й управляє функціями верстата. Під терміном „функція” розуміють не тільки переміщення по осях координат, але й інші операції, наприклад, перемикання швидкостей подач, частоти обертання шпинделя, включення й вимикання охолодження й ін.
Пульт керування є важливим елементом кожного ПЧПК. Інформація в систему передається за допомогою десятипозиційних декадних перемикачів або клавішного уведення із застосуванням напівпровідникових запам'ятовувальних елементів. Оскільки декадні перемикачі за принципом дії являють собою прості електромеханічні запам'ятовувальні пристрої, електронні схеми для обробки їх сигналів прості, а діагностування зводиться до перевірки надійності контакту.
Для діагностування клавішного уведення в ПЧПК з убудованою міні-ЕОМ по закінченні уведення інформації й запису в запам'ятовувальний пристрій відбувається циклічна перевірка осередків ЧПК за допомогою резидентного тесту, що перевіряє. Якщо пристрій несправний, то на індикаторах загоряється код несправності й по таблиці визначається несправний осередок.
Блок керування приводами призначений для видачі в ПЧПК привода подач головного руху інформації про режими швидкості, автоматичного розгону й гальмування. Одним з елементів ЧПК, у якому формується система керування приводами, є блок завдання швидкості подачі (БЗШ).
При перевірці працездатності можна виявити несправність, що міняє ступінь працездатності, у нашім випадку - у схемі БЗШ. Оскільки працездатність об'єкта оцінюється по вихідних характеристиках або параметрам, то виявити несправність подібного роду складніше.
В об'єктах, які можуть бути представлені як системи з послідовним перетворенням інформації, що виникла несправність можна виявити в такий спосіб. Сигнал у кожній наступній точці подібного об'єкта є реакцією на сигнал у кожній попередній точці. Отже, якщо несправність в об'єкті відсутня, то сигнал буде проходити послідовно від точки до точки, а виникнення несправності приводить до порушення послідовності проходження сигналу, що дозволяє виявити несправність в об'єкті.
Вироблювані ПЧПК команди керування повинні обов'язково відповідним чином передаватися й оброблятися. Комплекс пристроїв ланцюгів для виконання цих завдань одержав назву системи сполучення або інтерфейс. По функціональних властивостях до системи сполучення відносяться: команди для керування швидкістю приводів; зв'язок з відрахунково-вимірювальною системою; силові й захисні ланцюги; комутаційні сигнали зв'язку між верстатом і ПЧПК.

Рисунок 4.8 - Схема блоку автоматики токарногоо верстата зі ЧПУ:
1 і 5 - індикація; 2 дешифратор індикації; 3 - ключовий пристрій керування дешифратором; 4 дешифратор адресної інформації; 6 схема контролю затискача й повороту різцетримача; 7 - схема діапазону швидкості; 8 схема керування мастильною системою; 9 - логічна схема керування включенням блокування головного привода; 10 індикація „Дозвіл уведення кадру"; 11 схема керування роботою пінолі; 12 - схема керування роботою патрона; 13 блок живлення; 14 схема контролю одночасної роботи пінолі й патрона
Діагностування систем сполучення зводиться до визначення цілісності каналів зв'язку й контролю переданих рівнів сигналів. Виконання системи сполучення для обміну дворівневою (комутаційною) інформацією між ПЧПУ й механізмами верстата здійснюється в блоці керування на інтегральних схемах. Блок керування являє собою закінчений функціональний вузол, що містить у собі логічну частину, цифроаналоговий перетворювач (рис. 4.8).
Пошук несправностей, налагодження ПЧПУ полягають у логічному аналізі КП, роботи електронних блоків до й після появи несправності й результатів відпрацьовування програми.
Основні етапи налагодження: 1) розшифровка й перевірка КП; 2) аналіз інформації, записаної по командах, у якій були відмови; 3) виділення блоків, у яких можлива несправність; 4) виділення несправних ланцюгів; 5) складання ланцюга потоку інформації, у якій приблизно відбулася відмова; 6) контрольні виміри для уточнення дефектного вузла.
Методика виконання пусконалагоджувальних робіт. Видалити з касет всі друковані плати; подавши напругу, перевірити вольтметром і осцилографом значення й форму живильної напруги всіх каналів; переконатися в чіткому спрацьовуванні захисту від коротких замикань; записати на згадку пристрою пробну послідовність команд і проконтролювати їх виконання; перевірити почергове функціонування плат зв'язку із зовнішніми пристроями; настроїти перетворювачі аналогових і цифрових сигналів, зняти їх характеристики.
Особливістю ПЧПУ є й те, що вони вимагають налагодження як електронних, так і електромеханічних пристроїв, що впливають на вихідні параметри верстатної системи. Налагодження електронних вузлів і блоків виконують на стендах за допомогою спеціальної й стандартної контрольно-вимірювальної апаратури. У першому випадку це спеціальні стаціонарні стенди, що перевіряють плати, а в другому - стандартні генератори, осцилографи, частотоміри, вольтметри й ін.
Програмний контроль здійснюється за допомогою спеціальних тестів, що включають у себе й технологічні команди (наприклад, зміна частоти обертання головного привода, включення подачі МОР, поворот інструментальної головки із заміною інструмента й ін.). Застосовують також тести, що перевіряють логічну частину електронних пристроїв і з появою несправності цей тест видає інформацію про несправність.
Необхідність налагодження електромеханічних пристроїв у системах ЧПУ визначається появою несправностей, які характеризуються зношуванням, розрегулюванням або поломкою механічних елементів стрічкопротягувального механізму, пристрою,що фотозчитує, електромагнітів, реле, кнопок, перемикачів і ін.
Таблиця 4.1. Несправності ПЧПК типу 2Р22.
|
Несправність |
Причини |
Спосіб усунення |
|
При подачі на вхід пристрою напруги 380 В пристрій не включається |
Сгорів запобіжник одного з стабілізаторів Вийшов зі строю один з стабілізаторів напруги або силовий блок |
Перевірити запобіжник Перевірити справність стабілізатора |
|
При вмиканні пристрою не вмикаються вентилятори |
Відсутня напруга Несправні вентилятори |
Перевірити напругу Замінити вентилятори |
|
Інформація на екрані БВСІ не відповідає режимам роботи |
Вийшла зі строю ЕОМ |
Перевірити справність ЕОМ |
|
Відсутнє уведення інформації с пульта керування |
Вийшов зі строю пульт керування |
Перевірити справність пульта |
4.6 Устрій та налагодження електрообладнання та автоматики
верстата
До апаратури автоматичного управління верстатами з ЧПК відносяться електромагніти управління, електромагнітні муфти, проміжні реле, елементи захисту, що призначені для роботи у стаціонарних установках ( у шафах, нішах верстатів та ін.).
Контактні пристрої керування, не дивлячись на простоту, не завжди задовольняють вимогам експлуатації верстатів з ЧПК. У верстатах з ЧПК все частіше використовують безконтактні і напівполупроводникові елементи та мікросхеми.
Розглянуті елементи складають електрообладнання верстата, а взаємодія їх визначається принциповою електричною схемою.
На рис. 4.9 подано принципову електричну схему токарного верстата 16К20Т1, за якою відбувається керування чотирма електродвигунами: головного приводу М1, швидких пересувань М2, електронасоса М3 і гідростанції М4 (за наявності гідросупорта).
Рисунок 4.9 - Принципова електрична схема токарного верстата 16К20Ф3
Пуск електродвигунів М1 і М4 здійснюється натисканням кнопки S4, яка замикає коло котушки контактора К1, переводячи його на саможивлення. Зупинка електродвигуна головного приводу М1 здійснюється натисканням кнопки S3. Керування електродвигуном М2 здійснюється натисканням поштовхової кнопки, що вбудована в рукоятку фартуха і впливає на кінцевий вимикач S8. Пуск і зупинка електродвигуна М3 відбувається перемикачем S7. Електродвигуни М3 і М1 зблоковані й увімкнення М1 можливе тільки після замикання контактів пускача К1. Для обмеження холостого ходу електродвигуна М1 у схемі є реле часу К3. У середніх (нейтральних) положеннях рукояток вмикання фрикційної муфти головного приводу замикається нормально закритий контакт кінцевого вимикача S6 і вмикається реле часу К3, яке через установлений час вимикає електродвигун М1.
В електросхемі передбачено блокувальні пристрої. При ввімкненому в мережу верстаті відкривання дверей електрошафи верстата приводить до спрацювання колійного вимикача S1, який збуджує котушку дистанційного розчіплювача F1, у результаті чого автоматичний вимикач вимикає електрообладнання верстата від мережі. При цьому індикатор напруги Н3 гасне. При відкриванні кожуха змінних коліс спрацьовує мікроперемикач S5, який вимикає електродвигун М1.
При проведенні пусконалагоджувальних робіт перемикач S2 встановлюється в положення 1, а при їх закінченні в положення 2, інакше при закриванні дверей електрошафи вимкнеться ввідний автоматичний вимикач.
В електросхемі для освітлення робочої зони верстата передбачено підключення лампи Н2, яка вмикається вимикачем S9. Від перевантажень двигуни захищені тепловими реле F5, F6, F7. Електроапаратуру керування верстатом розташовують в електрошафі. З'єднувальні проводи між шафою керування й електроапаратами, розташованими у верстаті і поза ним, розміщують у металевих трубах або в металорукавах.
З'єднання проводів виконують за допомогою розгалужувальних коробок. Електроенергію до електрошафи підводять від цехових шинних зборок (сталевих смуг, розташованих у загальному коробі з листової сталі та укріплених на стінах або стояках). У деяких випадках верстати підключають до кабелю, закладеного в шинопроводи й укладеного на підлозі цеха. Проводку від короба до верстата виконують у трубах, металорукавах або коробах меншого перерізу.
Автоматичні вимикачі призначені для захисту електричних ланцюгів верстатів з ЧПК від перенавантажень, струмів короткого замикання, включень та відключень у ланцюгах постійного і змінного струму з частотою до 30 включень за 1 годину ( у тому числі асинхронних двигунів з частотою до 12 включень за 1 годину).
Шляховий вимикач ВП61-19 призначений для комутації електричних ланцюгів у верстатах з ЧПК і може працювати у ланцюгах змінного струму з частотою 50 Гц напругою до 380 В і у ланцюгах постійного струму напругою до 220 В.
Шляховий вимикач ВП61-19 (рис. 4.10) складається з пластикового корпусу 5, закріплених у корпусі контактних стійок 6 з нерухомими контактами, приводного штовхача 7, рухомого пружного контактного містка 4, який своїм середнім пелюстком упирається у поглиблення у штовхачі, зворотної пружини 3 і кришки 1, що зєднана з корпусом заклепками 2. При прикладенні зусилля до штовхача останній переміщується сумісно з контактним містком, який, перейшовши нейтральну точку рівноваги, приведе до замикання контактів. Після зняття зусилля пружина повертає контактний місток у вихідне положення.
Таблиця 4.2. Кінцевий вимикач ВП61-19.
|
Параметр |
Значення параметру |
|
Номінальна напруга, В: - змінного струму частотою 50…60 Гц - постійного струму Номінальний струм вимикача, А Робочій хід вимикача, мм Додатковий хід, мм, не більше Диференціал ходу, мм, не більше Зусилля перемикання, кН, не більше |
380 220 6 1 0,5 0,6 4,5 |

Рисунок 4.10 Шляховий вимикач ВП61-19
4.7. Порядок введення керуючої програми
Для уведення КП варто нажати клавіші 5
(уведення), 13
(скидання пам'яті), N (номер кадру) і набрати номер першого кадру програми.
Набір і уведення провадиться послідовно по кадрам. Програма, що набирається, висвічується на екрані БВСІ в шостому, сьомому й восьмому рядках. Під час набору останню фразу можна стерти натисканням клавіші 11
(чищення). Набраний кадр уводиться у пам'ять натисканням клавіші 5
(уведення) і стирається з екрана БВСІ, де автоматично висвічується номер наступного кадру й т.д. Якщо програма закінчена, тобто набраний кадр, що містить слово М02, то в правому куті першого рядка екрана БВСІ висвічується КП (кінець програми).
Для продовження роботи в раніше перерваному режимі уведення програми необхідно нажати клавіші 5
(уведення), 1
(пошук кадру) і набрати номер останнього кадру раніше уведеної програми. Потім натискають клавішу 9
(зрушення кадру). На екрані БВСІ висвітиться останній кадр уведеної програми. При повторному натисканні клавіші 9
шостий, сьомий і восьмий рядки екрана БВСІ стираються, висвічується наступний номер кадру.
Для індикації уведеної у пам'ять пристрою програми необхідно нажати клавіші 5
(уведення) і 9
(зрушення кадру). У цьому випадку перший кадр програми висвічується на екрані БВСІ. Послідовними натисканнями клавіші 9
висвічуються наступні кадри.
У випадку закінчення програми при подальшому натисканні клавіші 9
індикація знову починається з першого кадру.
Для перегляду програми з певного кадру необхідні дії, аналогічні виконуваним при продовженні уведення програми з певного кадру. Перегляд програми продовжують натисканням клавіші 9
.
Робота на верстаті зручним керуванням.
У режимі ручного керування оператор має можливість обробляти деталь за допомогою мнеморукоятки або маховичків, набирати й відпрацьовувати кадри, а також складати програми за зразком.
Для роботи мнеморукояткою або маховичками необхідно встановити режим ручного керування, нажавши клавішу 4
, потім задати обрану частоту обертання шпинделя й величину подачі й нажати клавішу 17
(пуск). Шпиндель почне обертатися із заданою частотою.
Рух каретки або супорта, а також їх спільний рух одержують, обертаючи маховички за годинниковою стрілкою або проти її. Зв'язок між напрямком обертання маховичків і напрямком руху показана на рис. 4.12.

Рисунок 4.12 - Схема дії маховичка (штурвала) ручного переміщення
каретки та супорта: а - по осі Z; б - по осі X
Координати поточного положення інструмента по осям X і Z висвічуються на четвертому й п'ятому рядках БВСІ.
При повороті мнеморукоятки в одне із чотирьох положень (Z, Z, X, Х) супорт або каретка переміщаються на робочій подачі. Для одержання прискореного переміщення одночасно з поворотом мнеморукоятки необхідно нажати розташовану на ній кнопку (якщо кнопку відпустити, прискорений рух припиниться) (рис. 4.13).

Рисунок 4.13 - Допоміжні органи керування:
1 - рукоятка наладкових переміщень каретки та
супорта; 2 - кнопка швидкого руху; 3 - кнопка
аварійного відключення
Щоб виключити рух, мнеморукоятку встановлюють у нейтральне вертикальне положення.
Для автоматичної обробки в ручному режимі запрограмований кадр набирають на клавіатурі пульта без його номера й натискають клавішу 17
(пуск).
По закінченні відпрацьовування кадру інформація на екрані БВСІ гаситься, можна набирати наступний кадр.
Якщо фраза задана неправильно, а клавіша 17
ще не натиснута, то для стирання інформації варто нажати клавішу 11
(чищення).
Постійні цикли L08, L09, L10, L11 у цьому режимі не відпрацьовуються.
Для складання програми за зразком натискають клавіші 5
(уведення), 13
(скидання) і 4
(ручне керування).
Набір кадру починається з його номера, що є ознакою складання програми за зразком. У першому кадрі програмується технологічна інформація.
Після набору кадру натискають клавішу 17
(пуск). По закінченні відпрацьовування кадру інформація записується в пам'ять пристрою натисканням клавіші 20
(уведення даних).
Потім на екрані БВСІ висвічується наступний номер кадру. Кадр набирають, відпрацьовують і записують в пам'ять, натискаючи клавіші 17
(пуск) і 20
(уведення даних). Іде поступова обробка деталі із записом в пам'ять.
Окремі кадри можуть формуватися при обробці за допомогою маховичків і мнеморукоятки. Контроль розмірів здійснюється по індикації на четвертому й п'ятому рядках БВСІ. Після відпрацьовування натискають клавішу 14
(уведення за зразком). При цьому на екрані БВСІ, починаючи із шостого рядка, висвічуються координати ріжучої кромки інструмента. Уведення в пам'ять здійснюється після натискання клавіші 20
(уведення даних).
У тих випадках, коли при відпрацьовуванні кадру отримані розміри необхідно доробити, це виконують за допомогою маховичків або мнеморукоятки. Перед записом інформації в пам'ять уведені раніше в кадр числові значення по координатах X і Z, необхідно спершу стерти натисканням на клавіші 11
(чищення), а потім 14
(уведення за зразком). Отримані числові значення по координатах X і Z, висвітяться на екрані БВСІ. Натисканням клавіші 20
(уведення) їх записують в пам'ять. Останній кадр повинен містити команду М02. Після його відпрацьовування здійснюється вихід у вихідне положення.
4.8 Порядок уведення корекції
При редагуванні раніше уведеної в пам'ять пристрою програми можна робити стирання будь-якого кадру, уведення одного або декількох кадрів у будь-яке місце програми, виключення будь-якого слова з будь-якого кадру, уведення одного або декількох слів у будь-який кадр програми.
Для стирання будь-якого кадру його необхідно знайти й вивести на екран БВСІ. Потім нажати клавішу 11
(чищення). Кадр стирається з пам'яті системи й з екрана БВСІ.
Для уведення одного або декількох кадрів у будь-яке місце програми варто знайти кадр, після якого здійснюється уведення, і ввести необхідні кадри керуючись методом, викладеним у попередньому розділі.
Щоб виключити слово з будь-якого кадру програми варто вивести його на екран БВСІ, потім послідовним натисканням клавіші 10
(зрушення фрази) знайти потрібне слово й нажати клавішу 11
(чищення).
Для уведення одного або декількох слів у будь-який кадр програми вводять на екран БВСІ слово, після якого необхідно зробити уведення, і виконують дії набору й уведення потрібних слів. Відредагований кадр контролюють натисканням клавіші 9
(зрушення кадру).
4.9 Технічне обслуговування верстата
4.9.1 Основні види робіт з технічного обслуговування верстата
Забезпечення високої точності й надійності роботи верстатів з ЧПК при їх експлуатації пов'язано з системою їх технічного обслуговування, своєчасного та якісного виконання профілактичних робіт і ремонту.
Обслуговування верстатів з ЧПК містить в собі організаційні і технічні заходи, які забезпечують контроль за станом верстатів та приладів ЧПК і підтримують їх вихідні параметри на заданім рівні на протязі періоду експлуатації. До них відноситься: огляд і контроль стану, чищення, промивка і змащування механізмів верстата, доливання мастила, регулювання механізмів верстата і елементів системи керування, заміна спрацьованих деталей і вийшовших з ладу блоків ПЧПК, перевірка і наладка гідро і електроприладів, робота по усуненню несправностей. Технічне обслуговування потрібно проводити у згоді з загальними правилами, а також з урахуванням вимог, визначених у документації на верстат.
В загальних правилах містяться вимоги до приміщень, де встановлюють верстати з ЧПК, порядок монтажу верстата і приладів ЧПК.
Температура в приміщенні, де експлуатується верстат, повинна бути від +15 до +40С; відносна вологість не більше 80%. Температура приміщень для верстатів класів Н и П повинна дорівнювати 20±15°С.
Запиленість приміщення повинна бути в межах санітарної норми. Верстат не повинен підвергатися впливу місцевого нагріву і сильних теплових перепадів. Поблизу верстата забороняється встановлювати шліфувальні верстати, що працюють без охолодження, великого обдирного та ковальсько-пресового обладнання.
Верстати з ЧПУ класу Н (нормальної точності) і верстати класу П (підвищеної точності) установлюють у закритих опалювальних приміщеннях механічних цехів. Верстати, що обробляють деталі абразивним інструментом (шліфувальні), або верстати, що обробляють матеріали, що порошать (наприклад, чавун, деревину), установлюють в ізольованому приміщенні, у якому забезпечені умови для очищення повітря й видалення абразивного й металевого пилу.
У механічних цехах, де встановлені верстати з ЧПУ, необхідно передбачити захист повітря від зовнішніх забруднень. Для пристрою ПУ необхідно використовувати індивідуальну витяжну вентиляцію.
Освітленість на робочих поверхнях столів верстатів повинна бути не менш 2000 лк при висвітленні люмінесцентними лампами й 1500 лк при висвітленні лампами накалювання. Загальне висвітлення приміщень, де встановлені верстати з ЧПУ, повинне бути 200 лк при люмінесцентному висвітленні й 150 лк при лампах накалювання.
Встановлені поблизу верстата пристрої повинні мати захист від радіоперешкод. В приміщеннях для встановлення верстата необхідно прокласти шину, з'єднану з низькоомним контуром заземлення верстата. Опір контуру не повинен перевищувати 4 Ом. Верстат з ЧПК підключається в трьохфазній чотирьох провідній мережі змінного струму (напруга 380, частота 50±1 Гц). Для захисту від електричних перешкод, що викликані роботою іншого електрообладнання, рекомендується здійснити живлення пристрою ЧПК від окремого мотора-генератора або силового трансформатора, до яких не дозволяється підключити інше обладнання.
Розміри й планування приміщень повинні забезпечувати вільний доступ до всіх вузлів і пристроїв верстатів з ЧПУ під час роботи, можливість розбирання верстатів і пристроїв ЧПУ під час ремонту. Ширина проходів і проїздів у цих приміщеннях повинні забезпечувати можливість транспортування складальних одиниць, пристроїв і систем верстатів.
Покриття стін приміщень повинне бути матовим і забезпечувати поліпшення видимості оброблюваних металів. Наприклад, при обробці сталі, алюмінію колірний фон стін повинен бути сірий, при обробці міді, латуні, бронзи - блакитний і т.д. Верхні ділянки стін і потолок повинні бути пофарбовані в білий колір, що володіє максимальною відображальною здатністю, і тим самим збільшує освітленість.
Необхідно забезпечити достатній простір для зручного прибирання верстата від стружки. Змащування верстата повинно виконувати тільки тими мастилами, які вказані в інструкції.
Для охолодження інструмента неможливо використовувати МОР з агресивними домішками. Водорідний показник охолоджувальної рідини повинен бути в межах рН 8…8,5.
До налагоджування верстата допускаються тільки кваліфіковані наладчики. До роботи на верстаті з ЧПК і його обслуговуванню повинні бути допущені лише ті, хто вивчив конструктивні і технологічні особливості верстата.
4.9.2 Регулювання механізмів верстата
Регулювання натягу ременя Переміщення плити регулюється обертанням гайок 2 на тязі 3.
Перевірка натягу пасової передачі головного привода провадиться відтягуванням ременя із зусиллям 9 кг, прикладеним до середини ременя; при цьому його прогин повинен складати 12 мм.
Регулювання положення шляхових кулачків на поздовжній і поперечній лінійках.
На кожній лінійці (рис. 4.14, 4.15) передбачені два пази для установки кулачків аварійного відключення подачі й аварійного відключення електропривода верстата. Кулачки впливають на блоки шляхових електроперемикачів, змонтовані на супортній групі верстата.


Рисунок 4.14 - Схема розташування кулачків у пазах лінійки поперечного переміщення.
Кулачки аварійного відключення подачі 1 варто встановлювати так, щоб вони впливали на штоки блоку кінцевих вимикачів не доходячи 5 - 8 мм до кулачків аварійного відключення електропривода верстата 2, а ці кулачки - не доходячи 5-8 мм до крайніх положень поперечного супорта й упору каретки в корпус задньої бабки й різців у кулачки патрона. По команді кулачків відключення подачі при помилці програміста або наладчика відключається подача у відповідному напрямку без удару об суміжні вузли. При цьому система програмного керування й верстат не відключаються, і інформація від датчиків зворотного зв'язка зберігається.
Аналогічний здвоєний кулачок, установлений на задній бабці для запобігання аварійного удару на неї, впливає на блок електроперемикачів, установлених на каретці верстата.

Рисунок 4.15 - Схема розташування кулачків у пазах лінійки поздовжнього переміщення.
На тих же лінійках, установлені (див. рис. 31, 32) кулачки 3 подачі команди на попередне зниження швидкості переміщення при виході каретки й супорта у фіксоване положення й кулачки 4 фіксованого положення.
На верстатах моделі 16А20Ф3С32 установлене модернізований ПЧПК 2Р22 з ПО 00046. У цьому випадку кулачки «Фіксованого положення» не використовуються, після спрацьовування кінцевого вимикача «Уповільнення» привод реверсується, і виробляється точний останов по нульовому імпульсі датчика положення при відході від кулачка «Уповільнення» у межах кроку гвинта.
Для забезпечення стабільності виходу у фіксоване положення по попередньо встановленому кулачку «Уповільнення» виконати наступні перевірки:
перемістити ручним штурвалом супорта по координаті X на 2 мм або каретку по координаті Z на 4 мм убік кулачка «Уповільнення»; перейти в режим «Тест», і перевірити відсутність сигналу «Уповільнення» на екрані БВСІ; по поперечній координаті X у горизонтальному рядку XI в 7-й вертикальній колонці повинен бути «0»; по поздовжній координаті Z у горизонтальному рядку XI в 9-й вертикальній колонці повинен бути «0»;
перемістити супорт у тім же напрямку ще на 1 мм або каретку на 2 мм:
перейти на режим «Тест» і перевірити наявність сигналу «Уповільнення» на екрані БВСІ в тих же рядках і колонках повинна бути 1.
При невиконанні цих вимог зрушити відповідно кулачок по X і Z і провести повторну перевірку.
5. Організаційна частина
5.1. Організація технічного обслуговування
металообробного обладнання
Служба технічного обслуговування верстатів з ЧПК в своєму складі повинна мати: електронників, електриків, слюсарів-ремонтників по механічних і гідравлічних системах, які об'єднуються в комплексні бригади. Робочі цих бригад виконують щоденні і періодичні профілактичні заходи, проводять планові поточні ремонти і усувають відмови всіх систем верстатів з ЧПК. Для непланових ремонтів крупних кінематичних механізмів або робіт, пов'язаних із значним розбиранням устаткування, притягуються ремонтні бригади РМЦ. Капітальний ремонт електричних двигунів і великогабаритної електроапаратури проводиться в енерго - ремонтному цеху.
Крім вказаних робіт служба технічного обслуговування верстатів з ЧПК бере участь в: 1) розробці заходів щодо вдосконалення технічного обслуговування і ремонту, складанні технічних завдань на модернізацію систем верстатів з ЧПК; 2) плануванні сумісно з бюро ВГМ профілактичних заходів і ремонтних робіт; 3)розробці технічних умов експлуатації програмного устаткування і правил догляду і експлуатації конкретних моделей верстатів з ЧПК; 4) розробці спільно з відділом технічної підготовки кадрів учбових програм по навчанню і періодичній атестації персоналу, зайнятого експлуатацією програмного устаткування; 5) технічному нагляді за правильністю монтажу і налагодження верстатів з ЧПК; 6) аналізі причин несправностей, розслідуванні аварій і поломок програмного устаткування, розробці заходів щодо їх усунення і попередження; 7) виявленні номенклатури запасних частин і комплектуючих верстатів з ЧПК, складанні заявок на їх придбання або виготовлення.
У складі служби технічного обслуговування необхідно організувати: ділянки технічного обслуговування, лабораторії ремонту електронних пристроїв і мікропроцесорної техніки, групи планування виробництва, вдосконалення устаткування з ЧПК і ін.
Ділянки технічного обслуговування створюються при одному або декількох виробничих цехах, в яких експлуатуються 60. . .100 одиниць устаткування з ЧПК. У ділянці утворюють декілька комплексних бригад у складі п'яти-восьми чоловік, які спеціалізуються на обслуговуванні переважно однотипних верстатів. Така форма спеціалізації технічного обслуговування і закріплення за ними виробничих цехів, сприяє зростанню кваліфікації ремонтного персоналу.
На ділянки технічного обслуговування покладається: 1) забезпечувати стабільну технічну готовність устаткування ЧПК, шляхом виконання планових профілактичних заходів і непланового ремонту; 2) здійснювати технічний нагляд за виконанням правил експлуатації програмного устаткування; 3) брати участь в розробці технологічних процесів планових профілактичних заходів і непланових ремонтів систем закріпленого устаткування, вдосконаленні методик контролю параметрів пристроїв і верстатів, впровадженні прогресивних методів ремонту; 4) контролювати правильність монтажу, брати участь у відладці устаткування з ЧПК; 5) спільно з групою планування і підготовки виробництва оформляти заявки на прилади, запасні частини, інструмент і матеріали, необхідні для виконання ремонтних робіт і модернізації верстатів.
Лабораторія ремонту електронних пристроїв і мікропроцесорної техніки повинна здійснювати ремонт електричних і електронних вузлів. Група вдосконалення устаткування з ЧПК зазвичай входить до складу лабораторії ремонту електронних пристроїв і виконує роботи із створення пристроїв діагностики систем управління, упроваджує прогресивні методи ремонту електронних і електричних установок верстатів з ЧПК, аналізуючи статистичні дані надійності роботи програмного устаткування.
Функціональні обов'язки групи планування і підготовки виробництва включають: 1) планування, облік і складання звітів про хід виконання профілактичних заходів на верстатах з ЧПК відповідно до затверджених графіків ремонту, контроль за ходом виконання робіт по вдосконаленню виробництва; 2) збір статистичної інформації по роботі програмного устаткування, систематизацію відмов систем верстатів з ЧПК і підготовку матеріалів для аналізу їх причин; 3) облік і оформлення заявок на контрольно-вимірювальну апаратуру, запасні частини, що комплектують вироби і матеріали, необхідні для проведень ремонтів; 4) оформлення замовлень на виготовлення інструменту, оснащення, запасних деталей; 5) нормування зарплати працівників служби обслуговування верстатів з ЧПК.
5.2. Робота комплексних бригад по технічному обслуговуванню металорізального обладнання
Досвід експлуатації верстатів з ЧПК показав доцільність організації централізованої ремонтної служби, об'єднуючої відділ головного механіка, ремонтно-механічний цех і службу технічного обслуговування верстатів з ЧПК, структура яких залежить від територіального розміщення виробничих цехів, ремонтної складності устаткування, типу і характеру виробництва.
Відділ головного механіка (ВГМ), на який покладаються функції організаційного і технічного керівництва, планування, обліку і контролю за якісною і ритмічною роботою всіх підрозділів ремонтної служби підприємства, має структуру, об'єднуючу конструкторсько-технологічне бюро, бюро планово-запобіжного ремонту, групу обліку устаткування і ін.
Ремонтно-механічний цех (РМЦ) крім адміністративних, планово-диспетчерських і технологічних підрозділів включає відділення: заготовче, токарне, фрезерне, шліфувальне, розточувальне, зуборізне; розбірно-промивальну, слюсарно-складальну, фарбувальну і інші ділянки. У РМЦ доцільно організувати ділянки дефектації, відновлення і зміцнення деталей і укрупнених вузлів, зокрема кулькових гвинтових пар, гідроапаратури приводів подач і гідросистем. У складі РМЦ необхідно передбачити: склади заготовок, запасних частин і комплектуючих виробів; склади інструменту і пристосувань; підрозділи контролю якості виконання ремонтних робіт і виготовлення запасних частин. Для виконання середніх і капітальних ремонтів програмного устаткування в РМЦ організовуються бригади слюсарів-ремонтників. Основними функціями РМЦ являються: 1) виготовлення запасних частин і деталей для механічних і гідравлічних систем верстатів з ЧПК; 2) відновлення, ремонт і модернізація точних механічних вузлів гідроапаратури приводів подач і гідросистем верстатів з ЧПК на спеціалізованих ділянках; 3) централізований середній і капітальний ремонт програмного устаткування; 4) крупний неплановий ремонт верстатів з ЧПК.
5.3 Організація охорони праці і протипожежної безпеки. Охорона навколишнього середовища
Охорона праці це система правових, соціально-економічних, організаційно-технічних, санітарно-гігієнічних та лікувально-профілактичних мір та засобів, спрямованих на збереження здоров'я та працездатності людини в процесі праці.
Дія закону розповсюджується на всі підприємства, установи та організації, на всіх працюючих громадян.
Вимоги безпеки перед початком роботи:
- Привести у порядок робочий одяг.
- Прийняти верстат у змінника.
- Перед включенням верстата вдосконалитись, що пуск верстата нікому не загрожує небезпекою.
- Про несправності верстата негайно повідомити майстра.
- Перевірити наявність та справність заземлюючих пристроїв.
- Перед включенням ввідного автомату необхідно закрити дверцята електрошафів.
Вимоги безпеки під час роботи:
- Виконувати вказівки по обслуговуванню та уходу за верстатом.
- Встановлювати та знімати різальний інструмент тільки після повної зупинки верстата.
- Не брати і не подавати через працюючий верстат будь які предмети.
- Не видаляти стружку від верстата руками та інструментом, користуватися спеціальним крючком.
- Забороняється працювати у рукавицях чи печатках.
- Не опиратися на верстат під час роботи.
- Не обдувати повітрям зі шлангу верстат чи обробляєму поверхню.
- Надійно кріпити обробляєму деталь.
- Для безпеки праці на верстаті з ЧПК необхідно:
- Виконувати загальні правила охорони праці;
- В перший період пуску не рекомендується працювати на максимальних оборотах шпинделя;
- При обробці деталей у патронах неможливий виступ кулачків за зовнішній діаметр патрона;
- Надійне кріплення деталі;
- Перевірити патрон та надійно закріпити.
- Не здійснювати роботи на верстаті з відкритим огородженням.
- Не торкатись до обертових частин верстата.
- Не здійснювати прибирання, чистку, змащення, установку та знімання деталі при роботі верстата.
- Постійно перевіряти рівень мастила.
- У аварійній ситуації натиснути кнопку аварійної зупинки.
Заходи безпеки для обслуговуючого персоналу.
Персонал, допущений у встановленому на підприємстві порядку до роботи верстата, а також до робіт із програмування, налагодженню, експлуатації й ремонту верстата, зобов'язаний:
одержати інструктаж з техніки безпеки відповідно до заводських інструкцій, розробленими на підставі посібника з експлуатації, типові інструкції з охорони праці, «Правил технічної експлуатації верстатів із пристроєм числового програмного керування» (М.: ЕНІМС, 1972);
ознайомитися із загальними правилами експлуатації й ремонту верстата й вказівками по безпеці праці, які втримуються в даному посібнику, посібнику з експлуатації електроустаткування й експлуатаційної документації, прикладеної до пристроїв і комплектуючих виробів, що входять до складу верстата;
ознайомитися з конструктивними й технологічними особливостями верстата й пройти спеціальний інструктаж з роботи на верстаті даної моделі з даним типом ПЧПК.
Міри безпеки при транспортуванні й установці верстата.
При монтажі й демонтажі верстата для надійного зачалювання й переміщення його варто користуватися схемою транспортування, наведеної в розділі посібника «Порядок установки», з підйомом за станину верстата. Не допускається підйом верстата за отвори під рим-болти, передбачені в окремих вузлах верстата для монтажу й демонтажу вузлів при складанні й ремонті верстата.
При зачалюванні й транспортуванні транспортера стружки варто користуватися схемою підйому й транспортування, наведеної в супровідній документації на транспортер.
Підйом і транспортування шафи ПЧПК повинні вироблятися вантажопідйомними пристроями, що відповідають його масі з використанням передбачених на ньому рим-болтів.
Перед транспортуванням верстата в розпакованому виді необхідно переконатися в надійності закріплення рухливого огородження в транспортному або крайньому лівому робочому положенні, затиску задньої бабки рукояткою на станині верстата, твердому кріпленні пульта ЧПК в транспортному положенні.
При установці верстата варто передбачити наявність вільних зон для відкривання дверей шаф керування й шафи ПЧПК, а також зон для обслуговування верстата.
При розконсервуванні верстата варто керуватися вимогами безпеки за ДСТ 9.014 - 78 «ЕСЗКС. Тимчасовий протикорозійний захист виробів. Загальні технічні вимоги».
Підключити верстат до низкоомного цехового контуру заземлення в строгій відповідності з вказівками в «Посібнику з експлуатації електроустаткування».
Опір заземлення не повинен перевищувати 0,1 Ома.
Небезпечні і шкідливі виробничі фактори при технічному обслуговуванні.
При ремонтах і технічному обслуговуванні програмного обладнання найбільш істотними з небезпечних і шкідливих факторів є: 1) машини, що рухаються, і механізми; 2) гострі крайки й висока температура поверхні інструмента й обладнання, заготовок і часток, оброблюваного матеріалу, що відлітають; 3) висока електрична напруга; 4) відсутність зручних площадок, розташування робочих місць на значній висоті над рівнем підлоги; 5) високі рівні шуму й вібрації; 6) запиленість і загазованість повітряного середовища, підвищена рухомість повітря робочої зони; 7) вплив ультрафіолетового випромінювання при зварювальних роботах.
Хімічно небезпечні фактори обумовлені наявністю в повітрі робочої зони складної суміші шкідливих парів і аерозолів, що виникають при пайкі й зварюванні, а також летучими продуктами розчинників і ароматичних вуглеводнів, застосовуваних при очищенні вузлів і деталей обладнання.
Розчинники, нафтові мастила й МОР можуть спричинити також дратівний вплив на шкірні покриви. Крім дратівного впливу МОР є джерелом біологічної небезпеки, що пов'язана з розвитком хвороботворних мікроорганізмів і бактерій при тривалій її експлуатації.
Пожежна безпека при ремонті верстатів з ЧПК.
До факторів, що приводять до появи вогнища загоряння при ремонті обладнання з ЧПК, можна віднести; 1) порушення правил експлуатації електроустановок; 2) несправність технічних засобів захисту від статичної електрики; 3) порушення правил використання легкозаймистих рідин (ЛЗР); 4) самозапалювання дрантя, несправності опалювальних приборів; 5) порушення правил експлуатації обладнання, що приводить до розігріву тертьових частин при відсутності мастильного матеріалу; 6) необережне поводження з вогнем.
Система мер пожежної безпеки повинна бути спрямована на усунення причин, що приводять до утворення вогнищ загоряння у виробничих приміщеннях. При вході у виробничі приміщення вивішують таблички із зазначенням класу пожежонебезпеки, у приміщеннях забороняється встановлювати системи опалення, вентиляції, висвітлення, що не відповідають зазначеному класу пожежонебезпеки. Приміщення, обладнання й установки, розміщені в них, повинні регулярно очищатися від горючих матеріалів і сторонніх предметів. Джерела штучного висвітлення повинні бути розташовані так, щоб забезпечити безпечну відстань між освітлювальними арматурами й конструкціями або матеріалами, що піддані згорянню. Виробничі приміщення обладнують вогнегасниками, ящикам з піском, пожежним інвентарем і сигналізацією.
6. Економічна частина
6.1. Розрахунок заробітної плати операторів і налагоджувальників верстатів з ЧПК
Розрахунок заробітної плати верстатника ІV розряду
- погодинна , грн;
- відрядна , грн;
- відрядно-прогресивна , грн.
- норма вироботки за зміну, шт/зм;
- обем продукції за місяць, шт.;
- часова тарифна ставка погодинна, грн/год;
- часова тарифна ставка відрядника, грн/год;
- коефіцієнт за продукцію зверх плану (тарифна ставка зростає на 20%);
- продовжність зміни, год;
- кількість робочих днів за місяць.
Норма вироботки за зміну
де - максимальна кількість деталей в партії для одночасного запуску;
- кількість днів роботи на партію.
- тарифна ставка за годину, грн;
- тарифна ставка за зміну, грн;
- розцінка за одиницю продукції, грн;
- обєм продукції плановий, шт.;
- обєм продукції зверх плану, шт.
6.2. Визначення річного фонду заробітної плати
Річні витрати на заробітну плату визначаємо за формулою:
де - річний дійсний фонд часу робітника, год;
- чісельність робітників, люд.;
- годинна тарифна ставка робітника, грн;
- середній коефіцієнт робітника;
- коефіцієнт, що враховує додаткову заробітну плату та відчислення на соціальні потреби, грн.
6.3. Визначення витрат основних матеріалів на вироблення деталі
Планування кошторису цехових витрат. Розрахунок виробляється по двох і основних групах: витрати по змісту й експлуатації устаткування.
Таблиця 6.1: Загально цехові витрати.
|
Стаття |
Найменування статті витрат |
Характеристика та зміст витрат |
|
1 |
Зміст устаткування робочих місць |
Зарплата з урахуваннями на соціальні нестатки допоміжних робітників, що обслуговують устаткування. (Наладчики, мастильники, лимарі, електрики, слюсарі); вартість мастильних, обтиральних матеріалів, емульсії, ін. допоміжних матеріалів, вартість електроенергії, води, пари, стиснутого повітря. |
|
2 |
Ремонт виробничого устаткування, транспортних засобів і коштовного інструмента |
Витрата по ремонту устаткування, транспортних засобів, коштовних інструментів, вартість запасних частин, матеріалів, що витрачаються на ремонт, зарплата, соціальні нестатки, вартість послуг ремонтних цехів та ін. підрозділів заводу, що складає 6-15% вартості устаткування цеху. |
|
3 |
Зміст і витрати по експлуатації транспортних засобів |
Витрати по змісту й експлуатації власних і притягнутих з боку транспортних засобів (піднімальні крани, авто електрокрани, автомашини), вартість мастильних і обтиральних матеріалів, запчастини, зарплаті з відрахуваннями на соціальні нестатки транспортним робітником, вартість транспортних засобів, транспортних послуг допоміжних цехів та господарств. |
|
4 |
Амортизація виробничого устаткування транспортних засобів і коштовного інструмента |
Амортизація відрахування по діючим нормам виробничого устаткування, транспортних засобів коштовного інструмента. |
|
5 |
Відшкодування зносу малоцінного і бістрозношуємого інструменту і витрати по його відновленню |
Сума внеску малоцінного та бистрозношуємого інструмента і витрат по його відновленню включають вартість робіт і ремонту (зарплата з відрахуванням на соціальні нестатки заточників, слюсарів по ремонту та витрати на матеріали). |
|
6 |
Інші витрати |
Інші витрати, не передбачені в попередніх статтях, звязані зі змістом і експлуатацію устаткування. |
Розрахунок вартості основних фондів цеху й амортизаційних річних відрахувань здійснюються по групах основних фондів.
Група 1 будинки, спорудження, пристрої.
Група 2 - транспорт, меблі, інструмент, ЕВМ, конторське устаткування.
Група 3 - інші основні фонди.
Норми амортизації в % до балансової вартості кожної з основних фондів у розрахунку на календарний рік.
Група 1-5%
Група 2-25%
Група 3-15%
Собівартість заготовки
,
де - собівартість 1 кг заготовки;
- маса заготовки, кг.
Витрати на основні матеріали визначаємо за формулою
,
де - норма витрат матеріалу, кг;
- ціна за 1 кг матеріалу, грн;
- коефіцієнт, що враховує транспортні витрати, складає 5% від вартості матеріалу;
- норма відходів матеріалу, кг;
- ціна відходів матеріалу за 1 кг, грн.
.
,
де - маса заготовки, кг;
- маса деталі, кг.
.
Розробку кошторису витрат на виробництво починають з допоміжний цехів, потім переходить до основних цехів і, нарешті, розробляють загальнозаводський кошторис витрат.
Якщо підсумовувати кошторису витрат основних і допоміжних цехів! і кошторису загальнозаводських витрат, розкладених по екологічних елементах витрат, одержимо зведений кошторис витрат на виробництво на підприємстві.
6.4. Калькуляція цехової собівартості деталі
Собівартість деталі визначаємо за формулою:
С = Вм+Ве.т.+Во.з.п.+Вд.з.п.+Втр+Вст+Ввт+Із.і.+Цр+Оз.р.+Ппр-Воз.от., грн.,
де Вм витрати на матеріал, грн.;
Ве.т витрати на електрику та томливо, грн.;
Во.з.п. витрати на основну заробітну плату, грн.;
Вд.з.п. витрати на додаткову заробітну плату, грн.;
Втр витрати на транспорт, грн.;
Вст відрахування на соцстрах, грн.;
Ввт відрахування на відпустку, грн.;
Із.і. ізнос інструмента, грн.;
Цр цехові витрати, грн.;
Оз.р. загальнозаводські витрати, грн.;
Ппр позавиробничі витрати, грн.;
Воз.от. возвратні відходи, грн..
Витрати на електрику та топливо:
грн.
де ціна на електрику, 1 кв / г;
норма виработки на 1 дет.;
потужність верстата кВт;
- кількість деталей.
год.
Витрати на основну заробітну плату:
грн.
Витрати на додаткову заробітну плату складають 9% від Во.з.п.
грн.
Витрати на транспорт складають 5,92% від вартості матеріалу та маси заготовки:
грн.
Відрахування на соцстрах складають 37,5% від суми Во.з.п. та Вд.з.п.
грн.
Відрахування на відпустку складають 9% від суми Во.з.п. та Вд.з.п.
грн.
Витрати на ізнос інструмента складають 25% від Во.з.п.
грн.
Цехові витрати складають 276% від суми Во.з.п. та Вд.з.п.
грн.
Загальнозаводські витрати складають 250% від суми Во.з.п. та Вд.з.п.
грн.
Позавиробничі витрати визначаємо за формулою:
=(Вм+Ве.т.+Во.з.п.+Вд.з.п.+Втр+Вст+Ввт+Із.і.+Цр+Оз.р.)
Возвратні відходи визначаємо за формулою:
грн.
Висновок
У дипломному проекті розроблений прогресивний технологічний процес механічної обробки деталі „Втулка напрямна”.
По заданій річній програмі визначений тип виробництва.
При проектуванні заготовки вибрані міжопераційні припуски та допуски, обґрунтований метод отримання заготовки, розраховані її розміри, маса, визначений коефіцієнт використання матеріалу. В роботі розраховані раціональні режими різання та виконано технічне нормування операції.
В роботі приведені технічна характеристика, основні вузли, налагоджування, технічне обслуговування та регулювання токарно-гвинторізного верстата 16К20Ф3 з ПЧПК 2Р22.
Перелік посилань
- Методические указания по оформлению дипломных, курсовых проектов и других видов письменных работ учащихся, выполняемых в ВПУ № 67 / Сост. Т.В.Коваленко, Т.И.Матюха, Н.Н.Шаповалова, Н.И.Журавлева, - Донецк, ВПУ №67, 2011г.
- Справочник технолога-машиностроителя в 2-х т. /Под ред. А.Г.Косиловой и Р.К.Мещерякова. М.: Машиностроение, 2008. т.1.- 512с.
- Обработка металлов резанием: А.А.Панов, В.В.Аникин, Н.Г.Байм и др.; Под общ. Ред. А.А.Панова М.: Машиностроение, 2011.- 736с.
- Справочник технолога-машиностроителя в 2-х т. /Под ред. А.Г.Косиловой и Р.К.Мещерякова. М.: Машиностроение, 2007. т.2.- 496с.
- Зайцев Б.Г., Рыцев С.Б. Справочник молодого токаря. / М.: Высшая школа, 2012.
- Щербаков В.П. Програмування оброблення на токарному верстаті з пристроєм ЧПК моделі „Електроніка НЦ-31”: Пробний навч. посіб.-К.: Вища шк., 2003-221с.:іл.
- Технологія механічної обробки на металообробних верстатах/ Г.М.Стискін, М.П.Ревнівцев, В.В.Томашенко, М.М.Берізко.- К.:Техніка, 2009.- 512с.
Змн.
Арк.
№ докум.
Підпис
Дата
Арк.
Арк.
Арк.
Арк.
Дата
Дата
Підпис
№ докум.
Арк.
Змн.
Арк.
Арк.
Дата
Підпис
№ докум.
Арк.
Змн.
Арк.
Дата
Підпис
№ докум.
Арк.
Змн.
Арк.
Дата
Підпис
№ докум.
Арк.
Змн.
Арк.
Дата
Підпис
№ докум.
Арк.
Змн.
Арк.
Дата
Підпис
№ докум.
Арк.
Змн.
Арк.
Дата
Підпис
№ докум.
Арк.
Змн.
Арк.
Дата
Підпис
№ докум.
Арк.
Змн.
Арк.
Дата
Підпис
№ докум.
Арк.
Змн.
Арк.
Дата
Підпис
№ докум.
Арк.
Змн.
Арк.
Дата
Підпис
№ докум.
Арк.
Змн.
Арк.
Дата
Підпис
№ докум.
Арк.
Змн.
Арк.
Дата
Підпис
№ докум.
Арк.
Змн.
Арк.
Дата
Підпис
№ докум.
Арк.
Змн.
Арк.
Дата
Підпис
Арк.
Дата
Підпис
№ докум.
Арк.
Змн.
Арк.
Дата
Підпис
№ докум.
Арк.
Змн.
Арк.
Дата
Підпис
№ докум.
Арк.
Змн.
Арк.
Дата
Підпис
№ докум.
Арк.
Змн.
№ докум.
Арк.
мн.
Арк.
Дата
Підпис
№ докум.
Арк.
Змн.
Арк.
Дата
Підпис
№ докум.
Арк.
Змн.
Арк.
Дата
Підпис
№ докум.
Арк.
Змн.
Арк.
Дата
Підпис
№ докум.
Арк.
Змн.
Арк.
Дата
Підпис
№ докум.
Арк.
Змн.
Дата
Підпис
№ докум.
Арк.
Змн.
Арк.
Дата
Підпис
№ докум.
Арк.
Змн.
Арк.
Дата
Підпис
№ докум.
Арк.
Змн.
№ докум.
Арк.
Змн.
Арк.
Дата
Підпис
№ докум.
Арк.
Змн.
Дата
Підпис
№ докум.
Арк.
Змн.
Арк.
Арк.
Дата
Підпис
Підпис
№ докум.
Арк.
Змн.
Арк.
Дата
Підпис
№ докум.
Арк.
Змн.
Арк.
Дата
Підпис
№ докум.
Арк.
Змн.
Арк.
Дата
Підпис
№ докум.
Арк.
Змн.
Арк.
Дата
Підпис
№ докум.
Арк.
Змн.
Арк.
Дата
Підпис
№ докум.
Арк.
Змн.
Змн.
Арк.
№ докум.
Підпис
Дата
Арк.
Арк.
Дата
Підпис
№ докум.
Арк.
Змн.
Арк.
Дата
Підпис
№ докум.
Арк.
Змн.
Арк.
Дата
Підпис
№ докум.
Арк.
Змн.
№ докум.
Арк.
Змн.
Дата
Підпис
№ докум.
Арк.
Змн.
Арк.
Арк.
Дата
Підпис
Арк.
Дата
Підпис
№ докум.
Арк.
Змн.
Арк.
Дата
Підпис
№ докум.
Арк.
Змн.
№ докум.
Арк.
Змн.
Дата
Підпис
№ докум.
Арк.
Змн.
Арк.
Дата
Підпис
№ докум.
Арк.
Змн.
Підпис
Дата
Арк.
Змн.
Арк.
№ докум.
Підпис
Дата
Арк.
Змн.
Арк.
№ докум.
Підпис
Дата
Арк.
Змн.
Арк.
№ докум.
Підпис
Дата
Арк.
Арк.
Дата
Підпис
№ докум.
Арк.
Змн.
Арк.
Дата
Підпис
№ докум.
Арк.
Змн.
Арк.
Дата
Підпис
№ докум.
Арк.
Змн.
Змн.
Арк.
№ докум.
Підпис
Дата
Арк.
Змн.
Арк.
№ докум.
Підпис
Дата
Арк.
Арк.
Дата
Підпис
№ докум.
Арк.
Змн.
Арк.
Дата
Підпис
№ докум.
Арк.
Змн.
Арк.
Дата
Підпис
№ докум.
Арк.
Змн.
Арк.
Дата
Підпис
№ докум.
Арк.
Змн.
Арк.
Дата
Підпис
№ докум.
Арк.
Змн.
Змн.
Арк.
№ докум.
Підпис
Дата
Арк.
Змн.
Арк.
№ докум.
Підпис
Дата
Арк.
Змн.
Арк.
№ докум.
Підпис
Дата
Арк.
Змн.
Арк.
№ докум.
Підпис
Дата
Арк.
Змн.
Арк.
№ докум.
Підпис
Дата
Арк.
Змн.
Арк.
№ докум.
Підпис
Дата
Арк.
Арк.
Дата
Підпис
№ докум.
Арк.
Змн.
Змн.
Арк.
№ докум.
Підпис
Дата
Арк.
Змн.
Арк.
№ докум.
Підпис
Дата
Арк.
Арк.
Дата
Підпис
№ докум.
Арк.
Змн.
Змн.
Арк.
№ докум.
Підпис
Дата
Арк.
Змн.
Арк.
№ докум.
Підпис
Дата
Арк.
Змн.
Арк.
№ докум.
Підпис
Дата
Арк.
Змн.
Арк.
№ докум.
Підпис
Дата
Арк.
Змн.
Арк.
№ докум.
Підпис
Дата
Арк.
Арк.
Дата
Підпис
№ докум.
Арк.
Змн.
Арк.
Дата
Підпис
№ докум.
Арк.
Змн.
Змн.
Арк.
№ докум.
Підпис
Дата
Арк.
Змн.
Арк.
№ докум.
Підпис
Дата
Арк.
Змн.
Арк.
№ докум.
Підпис
Дата
Арк.
Арк.
Дата
Підпис
№ докум.
Арк.
Змн.
Змн.
Арк.
№ докум.
Підпис
Дата
Арк.
Змн.
Арк.
№ докум.
Підпис
Дата
Арк.
Змн.
Арк.
№ докум.
Підпис
Дата
Арк.
Змн.
Арк.
№ докум.
Підпис
Дата
Арк.
Змн.
Арк.
№ докум.
Підпис
Дата
Арк.
Змн.
Арк.
№ докум.
Підпис
Дата
Арк.
Змн.
Арк.
№ докум.
Підпис
Дата
Арк.
Змн.
Арк.
№ докум.
Підпис
Дата
Арк.
Змн.
Арк.
№ докум.
Підпис
Дата
Арк.
Змн.
Арк.
№ докум.
Підпис
Дата
Арк.
Змн.
Арк.
№ докум.
Підпис
Дата
Арк.
Змн.
Арк.
№ докум.
Підпис
Дата
Арк.
Змн.
Арк.
№ докум.
Підпис
Дата
Арк.
Змн.
Арк.
№ докум.
Підпис
Дата
Арк.
Змн.
Арк.
№ докум.
Підпис
Дата
Арк.
Змн.
Арк.
№ докум.
Підпис
Дата
Арк.
Змн.
Арк.
№ докум.
Підпис
Дата
Арк.
Змн.
Арк.
№ докум.
Підпис
Дата
Арк.
Розробка прогресивного технологічного процесу механічної обробки деталі „Втулка напрямна”