Розробка конструкції автомобільного адаптера
red127;;;;;;;;
КУРСОВА РОБОТА
Розробка конструкції автомобільного адаптера
|
Зміст
|
|
. |
КП 5.05090101. 13.13.01 ПЗ |
||||||
|
Зм |
Арк |
№ докум. |
Підпис |
Дата |
|||
|
Розроб. |
Кочеров |
Зміст |
Літ. |
Аркуш |
Аркушів |
||
|
Перев. |
Бабенко |
2 |
27 |
||||
|
Реценз. |
КВОРП-09 |
||||||
|
Н.контр. |
|||||||
|
Затв. |
|||||||
|
Вступ Адаптер це пристрій ,який є важливим при роботі з портативним компютером (ПК). Якщо відсутній мережевий адаптер для ноутбука,то робота у автомобілі буде нетривалою(і буде дорівнювати рівно тому часу,на який у вашого ПК вистачить свого власного заряду). Адаптер це те ж саме,що й зарядний пристрій для ноутбука. Він відповідає за те,щоб компютер забезпечувався необхідною електричною енергією. Крім того, як забезпечувати ваш ноутбук підзарядкою,цей пристрій виконує ще ряд дуже важливих функцій. Одна з його важливих задач перетворення форми,а також величини напруги. Також він виконує контроль за енергієй,що надходить, та захистом від її перепаду. Наприклад,якщо під час зарядки ноутбука різко підійметься напруга,весь удар на себе візьме адаптер,він може зламатися,а ваш ПК залишиться неушкодженим. |
|||||||
|
. |
КП 5.05090101. 13.13.01 ПЗ |
||||||
|
Зм |
Арк |
№ докум. |
Підпис |
Дата |
|||
|
Розроб. |
Кочеров |
Вступ |
Літ. |
Аркуш |
Аркушів |
||
|
Перев. |
Бабенко |
3 |
27 |
||||
|
Реценз. |
КВОРП-09 |
||||||
|
Н.контр. |
|||||||
|
Затв. |
|||||||
|
1 Розрахунково конструкторська частина 1.1 Призначення виробу Автомобільний адаптер це пристрій, який живить ваш ноутбук від бортової мережі автомобіля. Це те ж саме,що й зарядний пристрій. Він відповідає за те, щоб ваш ПК був забезпечений електричною енергією. 1.2 Принцип роботи схеми
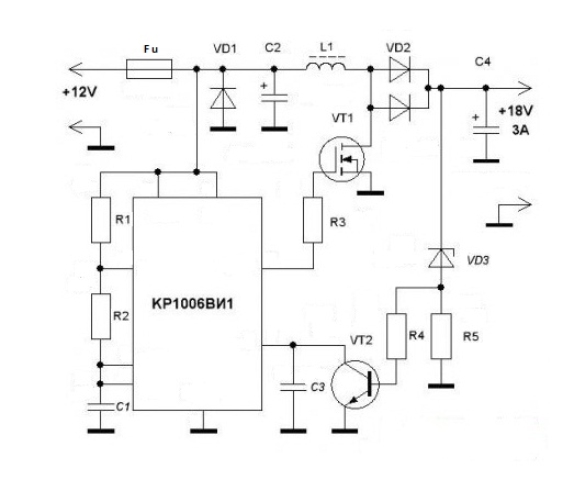
Схема пристрою приведена на рисунку 1 [1 ]. В якості формувача ШИМ(широтно імпульсної модуляції) перетворювача,використовується інтегральний таймер КР1006ВИ1. З його виходу сигнал поступає на ключ польовий транзистор. Частота перетворення визначається конденсатором С1, та при ємності вказаній на схемі складає приблизно 40 кГц. Керування сквапністю здійснюється через пятий вивід таймера. Транзистор 45N03 забезпечує максимальну напругу 40 В,максимальний струм 15 А. Діод VD 1 захист від переполюсовки, прямий струм не менше 6 А.Стабілітрон VD 3 визначає вихідну напругу перетворювача. Одна з основних деталей дросель,намотаний на кільце з порошкового заліза,діаметром приблизно 27 мм. Він має 21 виток трьома складеними разом проводами ПЕВ діаметром 0,75 мм. Дросель має індуктивність приблизно 44 мкГн,та опір приблизно 0,1 Ом. Коефіцієнт корисної дії(ККД) цього перетворювача,при вихідному струмі 3А складає 95%. |
|||||||
|
. |
КП 5.05090101. 13.13.01 ПЗ |
||||||
|
Зм |
Арк |
№ докум. |
Підпис |
Дата |
|||
|
Розроб. |
Кочеров |
Розрахунково-конструкторська частина |
Літ. |
Аркуш |
Аркшів |
||
|
Перев. |
Бабенко |
4 |
27 |
||||
|
Реценз. |
КВОРП-09 |
||||||
|
Н.контр. |
|||||||
|
Затв. |
|||||||
|
При менш жорстких режимах ККД може досягати 97%,він сильно залежить від якості дроселя, VT1 і VD2. Підвищення ККД має сенс тільки для зниження тепла,що виділяється польовим транзистором, діодом Шоттки і дроселем. При вказаному ККД,при тривалій роботі,корпус перетворювача має температуру приблизно 45 градусів Цельсія.
Рисунок 1 1.3 Розрахунок схеми Вибір активних елементів. Вибір і обґрунтування мікросхеми стабілізатора напруги DD1. |
|||||||
|
. |
КП 5.05090101. 13.13.01 ПЗ |
Арк
5
|
Зм |
Арк |
№ докум. |
Підпис |
Дата |
|||||||||||||||||||||||||||||||||||||||||||||||||||||||||||||||
|
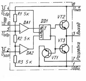
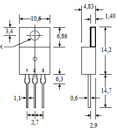
Мікросхема КР1006ВИ1 призначена для формування імпульсів напруги тривалістю від 10 мкс до десятків хвилин. Її можна застосовувати у стабільних датчиках часу, генераторах імпульсів, широтно-імпульсних модуляторах, фазовых модуляторах, перетворювачах напруги, ключових та виконуючих пристроях, в аппаратурі промислової, битової електроніки й автоматики. Мікросхеми КР1006ВИ1 випускають у пластмассовому прямокутному вісьмививідному корпусі. Креслення корпуса представлено на рисунку 2. Таймер КР1006ВИ1 виконаний на біполярних транзисторах. Напруга живлення мікросхеми Uжив =5…15В. Вихідний опір Rвих=10 Ом. Інші експлуатаційні параметри вказані у таблиці 1. Таблиця 1. - Електричні параметри
Максимально допустима напруга живлення ,5…16,5 В. Максимальний струм загрузки мА. Найбільш допустима розсіююча потужність мВт. |
|||||||||||||||||||||||||||||||||||||||||||||||||||||||||||||||||||
|
. |
КП 5.05090101. 13.13.01 ПЗ |
Арк
6
|
Зм |
Арк |
№ докум. |
Підпис |
Дата |
||
|
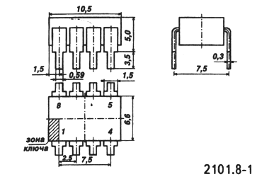
Функціональна схема таймера КР1006ВШ та його цокольовка показані на рисунку 2. Рисунок 2 Подільник напруги R1R2R3 формує два значення зразкової напруги, які подаються на входи обох компараторів. Компаратори DA1 (високого рівня ) та DA2 (низького рівня ) служать для порівняння вхідних сигналів порогового (Unop) й запускаючого (Uзan) зі зразковою (Uобр) напругою. Наявність вивода 5 таймера дозволяє контролювати значення зразкової напруги, а такод змінювати його підключенням вивода 5 через резистор того чи іншого опору або до виводу 8 ( + ииит), або до виводу 1 (Общ ). Номінал резисторів RI, R2,R3 відповідає 5кОм±20 %, але в кожному екземплярі таймера значення опору рівні між собою з похибкою не більше кількох десятих долей відсотку, а також зкомпенсовані по температурі. Вихідні сигнали компараторів керують роботою асинхронного RS-триггера DD1. Двотактний підсилювач на транзисторах VT2, VT3 підсилює вихідний сигнал триггера. Якщо на вході Uзап діє напруга меньше Uпит/3, а на вході Uпор меньше 2U жив/3, то на виході (вивод 3) встановиться рівень логічного 0. Якщо ж на вході U3ап подати напругу, більше Uжив/3, а на вхід Unop біль |
||||||
|
. |
КП 5.05090101. 13.13.01 ПЗ |
Арк 7 |
||||
|
Зм |
Арк |
№ докум. |
Підпис |
Дата |
||
|
ше 2Uжив/3, то на виході буде рівень 1 (Uжив ,5 В). При встановленні на вході Uзап напруги більше Uжив/3, а на вході Unop меньше 2UпиT/3 вихідний рівень не змінюється. Зовнішній вхід Ucбр (вивід 4) триггера DD1 дозволяє переривати дію таймера незалежно від рівня напруги на входах Uпop и U3an. Для надійного переключення триггера на вхід Uпор треба подати напругу не більш ніж 0,4В. При напрузі, більше 1 В, вхід зачинений. Підсилювач на транзисторах VT2. VT3 забеспечує необхідну вихідну потужність таймера. Вона достатня для беспосереднього підключення до виходу електромагнітного реле. Мікросхема КР1006ВИ1 стає приладом, здатним формувати тимчасові інтервали, після підключення до неї зовнішніх часозадаючих ланцюгів. В якості прикладу на рисунку 3 показана схема ждучого мультивібратор. Тут елементи R1 и С1 складають часозадаючий ланцюг; конденсатор С2 допоміжний, захищаючий формувач зразкової напруги R1R2R3 (рис 2) від перешкод і пульсацій, які проникають зі сторони джерела живлення. Для того щоб розряджати часозадаючий конденсатор у кожному циклі формування імпульса, у таймері передбачений розрядний транзистор VT1 з відкритим колектором. Колектор цього транзистора (вивод 7) зєднують з конденсатором часозадаючого кола, як показано на рисунку 3. Рисунок 3 |
||||||
|
КП 5.05090101. 13.13.01 ПЗ |
Арк 8 |
|||||
|
Зм |
Арк |
№ докум. |
Підпис |
Дата |
||
|
. |
Арк 9 |
|||||
|
. |
Арк
|
Арк |
№ докум. |
Підпис |
|||
|
. |
Арк
|
Арк |
№ докум. |
Підпис |
|||
|
. |
Арк
|
Зм |
Арк |
№ докум. |
Підпис |
Дата |
|
|
1.4 Проектування печатної плати Компоновка печатного модуля Компоновка печатного модуля - це частина процесу конструювання, яка визначає форму і габарити як самого печатного модуля так і всього виробу, розташування окремих вузлів, блоків, деталей. Від правильної компановки в значній мірі залежать технічні, технологічні і експлуатаційні показники виробу, його надійність і ремонтопригідність.Габаритні розміри печатної плати віповідають ГОСТ 5651-89. Товщина печатної плати визначається товщиною матеріалу і вибирається в залежності від елементної бази що використовується, та діючих механічних навантажень. Виходячи з данних умов для виготовлення печатної плати застосовується стеклотекстоліт фольгований гальваностійкий СФ -1-35-1,0. ГОСТ 5651-89, для апаратури загального призначення. Розміщення навісних елементів на печатній платі відповідає ОСТ4.ГО.010.030 і ОСТ4.ГО.010.099. Раціональне розміщення навісних елементів відповідає забезпеченню мінімальної довжини провідників, усуненню паразитних зв'язків, і виконується відповідно ГОСТ23751 - 86. Варіанти установки елементів на печатній платі згідно ОСТ4.ГО.010.030, їх конструкція, розміри, вартість приведені в таблиці 1. |
|||||
|
. |
КП 5.05090101. 13.13.01ПЗ |
Арк
10
|
Зм |
Арк |
№ докум. |
Підпис |
Дата |
Компоновка печатного модуля приведена на рисунку 6. Таблиця 1
Резистори R1 - R5
Арк 11
Арк 12
Рисунок 6 Розрахунок параметрів печатної плати. Розрахунок ширини печатного провідника Розрахунок ширини печатного провідника [9] визначається дозволяємою щільністю струму, механічною міцністю зчеплення з основою. Вданому випадку максимальна щільність струму складає J=20 А/мм2 . Визначається максимальний струм в провідниках даної печатної плати. Як відомо, максимальний печатний струм протікає в загальному провіднику, тому розраховується струм тільки в ньому, тому що його ширина є максимальною. Для цього сумуємо всі потужності споживання кожного елементу, і знаючи: напругу живлення Еж=
Арк 13
На основі проведених розрахунків розроблена трасіровка печатної плати рисунок 7
Рисунок 7 Розробка креслення печатної плати Основні вимоги до креслення печатної плати: шаг координатної сітки 2,5мм; креслення виконується в масштабі 2:1; провідники зображуються однією лінією, а ширину вказують в текстовій частині креслення. Текст розташовується над основним написом. Креслення печатної плати згідно ГОСТ 2.417-78 додається .5 Розрахунок надійності виробу Розрахунок призводиться згідно [7], за допомогою табличного редактора Microsoft Excel. Вихідні данні для розрахунку занесені до таблиці 3.
КП 5.05090101. 13.13.01ПЗ
|














В, знаходиться струм, що протікає в загальному провіднику. Максимальні потужності та кількість елементів мають наступні значення:
за формулою:
(9)
за формулою:

за формулою:

за формулою:
(12)
визначають за формулою:
, (13)
- діаметр виводу елемента;
за формулою:
, (14)

- кількість однотипних елементів;
- коефіцієнт навантаження ЕРЕ;


,
,
- коефіцієнти що враховують умови експлуатації;
визначається за формулою :
= 0* 1 *
н/год
визначається за формулою:
= 0* 1 * 2*
н/год
визначається за формулою:
= 0* 1 * 

=
, (21)
- кількість ЕРЕ у виробі;
кількість типів ЕРЕ у виробі.
визначається за формулою:
= 1 -
(22)
кількість установочних розмірів.
=
, 
, (24)
- приватний показник технологічності;
ваговий коефіцієнт.