Асинхронные двигатели в системах электропривода
Асинхронные двигатели в системах электропривода
Курсовая работа
по дисциплине « Электрические и электромеханические оборудование»
Асинхронный двигатель, короткозамкнутый ротор, фазный ротор, пусковой реостат, электрические потери, тепловое состояние, эквивалентная мощность, номинальный момент.
Объектом исследования является асинхронный двигатель с фазным ротором.
Цель работы - расчет основных параметров и характеристик АД, изучение пусковых схем.
Курсовая работа содержит расчет асинхронного двигателя 4АК225M6УЗ серии 4А с фазным ротором.
В курсовой работе определена, по заданной нагрузочной диаграмме электропривода, эквивалентная мощность и выбран асинхронный двигатель с фазным ротором. Произведена проверка выбранного двигателя на нагрев по методу средних потерь, а так же проверка на перегрузочную способность при снижении напряжения в сети, расчет теплового режима выбранного двигателя по заданной нагрузочной диаграмме
Определено сопротивление добавочного резистора, который необходимо включить в цепь ротора, выбранного двигателя для снижения частоты вращения на заданную величину при номинальном моменте сопротивления. Построены естественная и реостатная характеристики выбранного двигателя.
Рассчитаны сопротивления секций пускового резистора и потери электрической энергии при реостатном и прямом пуске, начерчены и изучены схемы управления пуском и реверсом асинхронных двигателей.
Содержание
Задание
Введение
1.Асинхронные двигатели в системах электропривода
1.1 Параметры задания и выбор варианта задания
1.2Расчет эквивалентной мощности и выбор АД
1.3Проверка выбранного двигателя по нагреву
1.4Проверка на перегрузку при снижении напряжения
1.5Расчет теплового состояния АД
1.6Расчет механических характеристик
1.7 Расчет резисторов пускового реостата
1.8 Расчет электрических потерь при пуске двигателя
2 Управление пуском асинхронных двигателей
2.2Управление пуском АД с короткозамкнутым ротором
2.1 Общие положения 2.3 Управление пуском АД с фазным ротором в функции времени
3 Управление реверсом АД с короткозамкнутым ротором
Заключение
Библиографический список
Введение
Асинхронные двигатели широко используются в промышленности благодаря простоте их конструкции, надежности в эксплуатации и сравнительно низкой себестоимости.
Наиболее простыми в отношении устройства и управления, надежными в эксплуатации, имеющими наименьшую массу, габариты и стоимость при определенной мощности, являются асинхронные двигатели с короткозамкнутым ротором. Их масса на единицу мощности в 1,5-2,0 раза ниже, чем у машин постоянного тока. Чаще всего асинхронные двигатели применяются при невысокой частоте включений, когда не регулируют частоту вращения или возможно ступенчатое её регулирование.
В установках, где требуется регулирование частоты вращения в относительно небольших пределах, необходимы плавный пуск, хорошие тормозные качества, ограничение токов в переходных процессах и т.д., находят широкое применение асинхронные двигатели с фазным ротором. Характерной особенностью этих двигателей является возможность уменьшения с помощью реостатов их пусковых токов при одновременном увеличении пускового момента.
При выборе двигателя по мощности следует исходить из необходимости его полного использования в процессе работы. В случае завышения номинальной мощности двигателя снижаются технико-экономические показатели электропривода, т.е. КПД и коэффициент мощности. Если же нагрузка на валу двигателя превышает номинальную, то это приводит к росту токов в его обмотках, а значит и потерь мощности выше соответствующих номинальных значений.
Для обоснованного выбора асинхронного двигателя необходимо знать, как изменяется нагрузка на валу двигателя во времени, что в свою очередь позволяет судить о характере изменения потерь мощности. С целью определения нагрузки двигателя большинства производственных механизмов, строятся так называемые нагрузочные диаграммы, под которыми понимаются зависимости развиваемых двигателем момента и мощности от времени, т.е. M=f(t) и P=f(t).
Различают следующие режимы работы двигателя: продолжительный при постоянной нагрузке на валу двигателя; кратковременный; повторно-кратковременный; ударный (момент статистической нагрузки резко увеличивается по различным законам, а затем снижается до момента холостого хода).
1 Асинхронные двигатели в системах электропривода
1.1 Параметры задания и выбор варианта задания
Вариант задания выбирается по двузначному шифру, присвоенному студенту преподавателем; для студентов заочной формы обучения по двум последним цифрам шифра зачетной книжки.
Параметры нагрузки на каждой ступени,синхронная частота вращения АД и требуемое снижение частоты вращения ротора в процентах от номинальной приведены в таблице 1.1, а длительность ступеней в таблице 1.2.
При расчете принять, что в период паузы (t5) двигатель работает в режиме холостого хода без отключения от сети.
Напряжение питающей (цеховой) сети принять в зависимости от мощности двигателя:
от 22 до 75 кВт 380 В,
от 45 до 110 кВт 660 В,
от 45 до 75 кВт 380 либо 660 В (выбрать по желанию).
Снижение напряжения в питающей сети для проверки выбранного АД на перегрузочную способность принять 10 % от номинального для всех вариантов.
Число ступеней пускового реостата для всех вариантов z = 2.
Таблица 1.1 - Параметры нагрузки
|
Последняя цифра варианта |
Мощность на ступенях нагрузки, кВт |
Синхронная частота вращения, об/мин |
n, % |
|||
|
Р1 |
Р2 |
Р3 |
Р4 |
|||
|
0 |
3 |
5 |
9 |
4 |
750 |
5,8 |
|
1 |
7 |
13 |
9 |
18 |
750 |
5,5 |
|
2 |
15 |
10 |
35 |
22 |
750 |
4,6 |
|
3 |
13 |
6 |
10 |
5 |
1000 |
4,8 |
|
4 |
18 |
22 |
9 |
12 |
1000 |
4,0 |
|
5 |
22 |
30 |
40 |
25 |
1000 |
4,5 |
|
6 |
8 |
15 |
5 |
18 |
1000 |
4,2 |
|
7 |
25 |
12 |
15 |
10 |
1500 |
5,0 |
|
8 |
25 |
35 |
45 |
12 |
1500 |
5,7 |
|
9 |
45 |
27 |
40 |
50 |
1500 |
6,0 |
Таблица 1.2 - Длительность ступеней нагрузки
|
Длительность ступеней нагрузки, мин |
Предпоследняя цифра варианта (шифра) |
|||||||||
|
1 |
2 |
3 |
4 |
5 |
6 |
7 |
8 |
9 |
||
|
t1 |
10 |
13 |
12 |
13 |
9 |
6 |
16 |
10 |
11 |
7 |
|
t2 |
5 |
7 |
9 |
8 |
15 |
8 |
6 |
12 |
7 |
14 |
|
t3 |
15 |
9 |
14 |
9 |
8 |
18 |
13 |
15 |
18 |
10 |
|
t4 |
8 |
13 |
8 |
11 |
12 |
10 |
9 |
6 |
9 |
13 |
|
t5 |
7 |
8 |
7 |
4 |
6 |
8 |
6 |
7 |
5 |
6 |
Из приведенных таблиц 1.1 и 1.2 в соответствии с вариантом 08 следует:
мощности на ступенях нагрузки, кВт,
Р1=22, Р2=30, Р3=40,Р4=25,
длительность каждой ступени нагрузки, мин,
t1=13, t2=7, t3=9, t4=13, t5=8.
Синхронная частота вращения АД1000об/мин. Требуемое снижение частоты вращения на реостатной характеристике n=4,5%.
1.2 Расчет эквивалентной мощности и выбор АД
Многоступенчатый график нагрузки, характеризующий длительный переменный режим работы электропривода (рисунок 1), можно привести к равномерному, воспользовавшись понятием эквивалентной (среднеквадратичной) мощности, кВт,
, (1.1)
где Pi мощность, кВт,
ti продолжительность нагрузки каждой i-й ступени графика, включая паузу,мин,
кВт.
По каталогу выбираем двигатель 4АК225M6УЗ,имеющий следующие параметры:
номинальная мощность Рн=30кВт,
номинальное скольжение Sн=3,5%,
КПД в номинальном режиме hн=89%,
кратность номинального момента Km=2,5;
напряжение ротора Uр=140 В,
ток ротора Iр=150А,
постоянная времени нагрева Тн=30мин,
суммарный момент инерции,
приведенный к валу двигателя J=5510-2 кгм2.
Характеристика двигателя 4АК225M6УЗ: двигатель серии 4А с фазным ротором; исполнение по способу защиты IP44 защита от проникновения внутрь оболочки предметов длиной до 80 мм и твердых тел размером свыше 12 мм; степень защиты от проникновения внутрь машины воды 3 ;станина алюминиевая, щиты чугунные; высота оси вращения 225мм; установочный размер по длине станины средний; число полюсов6; климатическое исполнение УЗ, т.е. возможность эксплуатации электрической машины в зоне умеренного климата, в закрытых помещениях.
1.3 Проверка выбранного двигателя по нагреву
Выбор АД гарантирует, что данный двигатель при заданном графике нагрузки удовлетворяет требованиям по нагреву, однако проведем проверку.
Проверка по нагреву производится по методу средних потерь. Для этого вначале определяются потери в номинальном режиме по данным каталога:
Потери в номинальном режиме, кВт,
, (1.2)
где Рн номинальная мощность выбранного АД, кВт,
н КПД в номинальном режиме по каталогу.
кВт.
Найденные потери являются суммой потерь в меди обмоток статора и ротора, в стали и механических. Будем считать, что механические потери остаются постоянными,тогда сумму потерь разделим на две группы:
-постоянные потери или потери х.х., включающие в себя потери в стали, механические и дополнительные,
-переменные потери в обмотках, изменяющиеся с изменением нагрузки.
В большинстве случаев соблюдаются следующие соотношения:
, (1.3)
, (1.4)
где Pм потери в меди обмоток при номинальной нагрузке, кВт,
P0 потери х.х. (постоянные потери), кВт.
кВт,
кВт.
Потери в обмотках являются переменными, они пропорциональны квадрату тока или квадрату коэффициента нагрузки. Исходя из этого:
Коэффициенты нагрузки по ступеням графика
, (1.5)
где Pi мощность i-й ступени нагрузки,
Кнi коэффициент нагрузки i-й ступени.
кВт,
кВт,
кВт,
кВт,
кВт.
Потери на каждой ступени графика нагрузки, кВт,
, (1.6)
кВт,
кВт,
кВт,
кВт,
кВт.
Средние потери за цикл, кВт,
, (1.7)
кВт .
Проверка выбранного двигателя по нагреву заключается в проверке условия:
, (1.8)
3,179 кВт < 3,708 кВт.
В нашем случае условие выполняется.
1.4 Проверка на перегрузку при снижении напряжения
В заводских силовых электрических цепях допускается снижение напряжения на 10%.Естественно, что при таком снижении напряжения оборудование не должно терять работоспособность.В то же время известно, что момент на валу асинхронных двигателей снижается пропо рционально квадрату напряжения. Поэтому выбранный двигатель должен быть проверен на перегрузочную способность при понижении напряжения. Иногда может быть и большее понижение напряжения.
Проверка сводится к проверке условия, что максимальный момент двигателя при снижении напряжения будет не меньше момента сопротивления на валу.
Должно выполняться условие
, (1.9)
где Pmax максимальная мощность по нагрузочной диаграмме, кВт,
U снижение напряжения, %, U =10%,
Kmax кратность максимального момента по каталогу.
, или
верно. Следовательно,двигатель сохраняет работоспособность при понижении напряжения в цеховой сети.
Таким образом, выбранный двигатель удовлетворяет всем поставленным условиям.
1.5 Расчет теплового состояния АД
Непосредственный расчет теплового режима электрической машины представляет собой сложную многофакторную задачу, решить которую возможно лишь при детальном конструктивном расчете. В данной работе рассмотрим этот процесс с качественной стороны, введя ряд допущений.
Одним из таких допущений будет представление АД однородным телом с равномерно распределенными внутри его объема источниками тепла, которыми являются потери. Процесс нагревания такого тела описывается уравнением:
, (1.10)
где нач начальное превышение температуры (в начале расчета нач =0), °C,
Тн постоянная времени нагревания,
уст установившееся превышение температуры.
Если принять установившееся превышение температуры в оминальном режиме равным допустимому для данного класса термостойкости изоляции, то для любого иного режима
, (1.11)
где доп допустимое превышение температуры, в данном случае
доп =80°C,
Рi потери на i-й ступени нагрузки, кВт.
°С,
°С,
°С,
°С ,
°С,
в течение второго цикла
°С,
°С,
°С,
°С,
°С,
в течение третьего цикла -
°С,
°С,
°С,
°С,
°С,
Как видно, превышения температуры после третьего цикла остаются практически неизменными, т.е. тепловой режим двигателя достиг установившегося состояния.
, (1.12)

, (1.13)
33,34 С;
50,49 С;
59,29 С;
63,81 С;
66,13 С;
68,24 С;
68,49С
1.6 Расчет механических характеристик
Механическими характеристиками АД называют зависимости М=f(s) и n=f(M).
Аналитические выражения данных характеристик достаточно сложны, требуют знания многих параметров АД и для практических целей используются редко. Более удобной является так называемая формула Клосса, вполне удовлетворительно описывающая реальную характеристику в пределах изменения скольжения от 0 до критического Sк. Вторая часть характеристики, рассчитанная по формуле Клосса, существенно отличается от реальной. Однако в этой части асинхронные двигатели не работают, и практического значения для анализа задач электропривода она не представляет.

Рисунок 1- Диаграмма потерь и кривые нагрева

Рисунок 2- Механическая характеристика M=f(s)

Рисунок 3- Механическая характеристика n=f(Me)
Для расчета естественной механической характеристики находим:
номинальную частоту вращения, об/мин,

, (1.14)
где n1 синхронная частота вращения, об/мин,
Sн номинальное скольжение по каталогу, о.е.

об/мин,
номинальный момент, Нм,

, (1.15)
где Рн номинальная мощность,

Нм,
критическое скольжение, соответствующее максимальному моменту,

, (1.16)
где Sн номинальное скольжение,
Км кратность номинального момента.

,
максимальный момент, Нм,

, (1.17)

Нм.
Задавшись величиной S от 0 до 1,2, можно рассчитать зависимость М=f(s), которую затем легко перевести в координаты n=f(M) по формуле:

. (1.18)
Расчет механической характеристики производим по упрощенной формуле Клосса, Нм,

(1.19)
где Км коэффициент перегрузочной способности,
S текущее значение скольжения,
Sк критическое скольжение,
Мн номинальный момент на валу двигателя, Н·м.
При отсутствии резисторов в цепи ротора имеем естественные характеристики.
Результаты расчета приведены в таблице 1.3,
Таблица 1.3 Механические характеристики выбранного АД
|
Исследуемые параметры машины S |
SН=0,035 |
0,1 |
SK=0.168 |
0,2 |
SР.К=0,376 |
0,4 |
0,8 |
0,1 |
0,12 |
|
|
Частота вращения ротора n, об/мин |
1000 |
965 |
900 |
832 |
800 |
624 |
600 |
200 |
||
|
Моменты М, Н·м: |
||||||||||
|
естественная характеристика |
233,81 |
653,00 |
641.58 |
730,9 |
514,914 |
529,3 |
298,1 |
242,1 |
203,5 |
|
|
реостатная характеристика |
121,35 |
368,93 |
485.94 |
615,7 |
645,247 |
740,78 |
571,2 |
488,8 |
423,3 |
Введение добавочного сопротивления в цепь ротора приводит к увеличению критического скольжения, величина максимального момента при этом не изменяется. Иными словами, механическая характеристика смещается вниз, а М=f(s) вправо. Тем самым при постоянном моменте сопротивления Мс частота вращения несколько снижается.
При реостатной характеристике частота вращения ротора, при заданномn=4,5%, об/мин,

, (1.20)

об/мин,
скольжение, соответствующее данной частоте вращения,

, (1.21)
.
Сопротивление ротора выбранного двигателя, Ом,

(1.22)

Ом,
тогда необходимое добавочное сопротивление, Ом,

, (1.23)

Ом.
Критическое скольжение на реостатной характеристике,

, (1.24)
.
1.7 Расчет резисторов пускового реостата
Пусковые диаграммы строим по моментам М1 и М2.
По заданию пуск двигателя производится при Мс=0. Выбираем пиковый момент, Нм,

, (1.25)

Нм.
По условию задания число пусковых ступенейz=2, тогда переключающий момент, Нм,

, (1.26)

Нм,
или М2=0,36Мн, что вполне допустимо при пуске в режиме х.х.

Рисунок 5- Пусковая диаграмма
По найденным моментам построена пусковая диаграмма (рисунок 5), из которой получаем соотношение отрезков: ab/cd и bc/cd.
Следовательно, сопротивление секций пускового реостата, Ом,


, (1.27)

Ом,

Ом.
1.8 Расчет электрических потерь при пуске двигателя
Электрические потери при пуске асинхронных двигателей состоят из потерь в роторной цепи, определяемых запасом кинетической энергии, которую приобретает привод к концу пуска, и потерь в статорной цепи, зависящих от соотношения активных сопротивлений статорной и роторной цепей.
Незначительными постоянными потерями в процессе пуска и влиянием намагничивающего тока можно пренебречь.
Для расчета электрических потерь необходимо предварительно определить скольжения при переходе с одной характеристики на другую. По пусковой диаграмме (рисунок 5) находим, что первое переключение должно быть при частоте вращения958 об/мин, второе 1304 об/мин, следовательно по уравнениям 1.28 скольжение соответствующее ей частоте-


(1.28)

,

.
Угловая синхронная частота вращения,рад/с,

, (1.29)

рад/с.
В выражениях (1.30) (1.32) присутствует соотношение сопротивлений , и если принять , то оно остается тем же в результате замены этого равенства на R1 = rр. В дальнейшем расчеты ведутся по реальным значениям сопротивлений ротора.
Потери электрической энергии, Дж, при реостатном пуске, принимая
R1 = rр,
на первой реостатной характеристике

(1.30)

Дж,
на второй реостатной характеристике

(1.31)

Дж,
на естественной характеристике

, (1.32)

Дж.
Суммарные электрические потери при реостатном пуске, Дж,

, (1.33)
Дж,
в практических единицах, кВтч,

кВтч.
Для сравнения потери в случае прямого пуска, Дж,

, (1.34)

Дж,
в практических единицах, кВтч,

кВтч.
Как видно, потери в случае прямого пуска больше, нежели при реостатном.
Иначе говоря, при реостатном пуске экономится775 кВтч.
2 Управление пуском асинхронных двигателей
2.1 Общие положения
Управление электроприводом заключается в осуществлении пуска,регулировании скорости, торможения, реверсирования, а так же поддержании режима работы привода в соответствии с требованиями технологического процесса.
Современные электроприводы для автоматических линий и механизмов обычно строятся с применением релейноконтакторной аппаратуры, на которую возлагаются функции включения питания (подсоединение к сети) силовых блоков и блоков управления, защиты и ввода первоначальных и конечных команд в систему управления приводом. Но наряду с электроприводами, выполняющими сложные функции, в ряде случаев содержащими микропроцессоры или программные устройства управления, существует большое количество электроприводов, на которые возлагаются относительно простые функции. Это обычно нерегулируемые или регулируемые ступенчато в небольшом диапазоне электроприводы с невысоким быстродействием. В задачу систем управления такими электроприводами чаще всего входит организация пуска, торможения, перехода с одной ступени на другую, реверса и осуществление этих операций в определенной последовательности во времени или по командам от рабочей машины, завершившей очередную технологическую операцию. Причем необязательно, чтобы система управления выполняла все эти функции: набор функций зависит от требований к приводу.
Автоматизация упрощает обслуживание механизмов, дает возможность осуществить дистанционное управление электроприводами. Последнее особенно важно там, где нельзя управлять двигателями в непосредственной близости по условиям территориального расположения машин или в связи с особенностями технологического процесса.
Для автоматического управления электроприводами применяются различные аппараты: контакторы, автоматы, регуляторы, реле, кнопочные станции, путевые выключатели, бесконтактные логические элементы, а так же разного рода вспомогательные электрические аппараты и машины. Каждый из этих аппаратов состоит из ряда элементов: электромагнитной системы, создающей необходимое тяговое усилие; главных и вспомогательных контактов и т.д. С помощью проводов отдельные аппараты и их элементы электрически соединяются в общую систему, призванную осуществлять заданные операции в определенной последовательности.
В системах цепи делятся на две категории: цепи главного тока и вспомогательные. К первым относятся цепи двигателей и генераторов. Вспомогательные цепи включают в себя цепи управления, где присоединяются катушки контактов и реле, контактные реле, вспомогательные контакты контакторов и другие элементы аппаратов. Кроме того, к вспомогательным относятся цепи защиты, сигнализации и цепи, связанные со специальными блокировками между отдельными электроприводами.
Принципиальная схема содержит условные графические изображения элементов всех аппаратов и машин, которые располагаются на схеме так, чтобы её было удобно читать, а не по действительному пространственному расположению элементов, т.е. отдельные токоведущие элементы аппаратов и машин показаны на схеме в электрической цепи вне зависимости от кинематической или конструктивной связи этих элементов. Каждому аппарату в схеме присваивается буквенное обозначение, соответствующее функции данного аппарата.
В схемах предусмотрены различные способы защиты двигателей от перегрузки и короткого замыкания, от резкого снижения питающего напряжения и др.
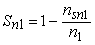
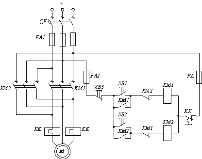
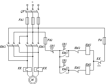
2.2 Управление пуском АД с короткозамкнутым ротором
Схема управления асинхронным двигателем с использованием магнитного пускателя (рисунок 6) включает в себя магнитный пускатель, состоящий из контактора KM и двух встроенных в него тепловых реле защиты KK. Такая схема обеспечивает прямой (без ограничения тока и момента) пуск АД, отключение его от сети, а также защиту от коротких замыканий (предохранители FA) и перегрузки(тепловые реле KK).
Для пуска двигателя замыкается выключатель QFи нажимается кнопка пуска SB1. При этом получает питание катушка контактора KM, который, включившись, своими главными силовыми контактами в цепи статора подключает двигатель к источнику питания, а вспомогательным контактом шунтирует кнопку SB1. Происходит разбег асинхронного двигателя по его естественной характеристике. При нажатии кнопки остановки SB2контактор KM теряет питание и отключает АД от сети. Начинается процесс торможения асинхронного двигателя выбегом под действием момента нагрузки на его валу.

Рисунок 6 Принципиальная схема управления пуском АД с короткозамкнутым ротором
2.3. Управление пуском АД с фазным ротором в функции времени
Упрощенная схема управления пуском АД с фазным ротором в функции времени в две пусковые ступени приведена на рисунке 7. В данной схеме применены реле времени KT1 и KT2,имеющие свои контакты KT1 и KT2в цепях силовых контакторов KM2 и KM3. Контакты KT1 и KT2 работают на замыкание после потери питания катушек реле KT1 и KT2 с задержкой по времени.
При замыкании рубильника Q напряжение сразу подается на катушки реле времени KT1 и KT2 через замкнутые контакты KM1и KM2. Тем самым контакты реле KT1 и KT2 оказываются разомкнутыми. После нажатия кнопки пуска SB1получает питание катушка контактора KM1, в результате чего подается напряжение на статор двигателя, блокируется кнопка SB1 и теряет питание катушка реле времени KT1. Начинается отсчет времени пуска со всеми пусковыми резисторами. После выдержки времени замыкается контакт KT1,получает питание силовой контактор KM2, что приводит к выводу из цепи ротора резистора RД1и к потере питания реле времени KT2. По окончании времени установки катушки реле KT2 замыкается контакт реле KT2, получает питание силовой контактор KM3, шунтируется оставшийся резистор RД2, двигатель переходит на естественную характеристику. Все время автоматического пуска складывается из двух установок реле времени KT1 и KT2и времени разгона двигателя по естественной характеристике.

Рисунок 7 Принципиальная схема пуском АД с фазным ротором
Защита АД предусмотрена такая же, как в схеме , приведенной на рис.7Нажатием кнопки остановки SB2 двигатель отключается от сетью, при этом катушка контактора КМ1 теряет питание и замыкающие контакторы его КМ1 размыкают цепь статора.
3. Управление реверсом АД с короткозамкнутым ротором
Основным элементом в схеме управления реверсом (рисунок 8) является реверсивный магнитный пускатель, который включает в себя два линейных контактора (KM1 и KM2)и два тепловых реле защиты (KK). Такая схема обеспечивает прямой пуск и реверс асинхронного двигателя, а также торможение АД противовключением при ручном (неавтоматическом) управлении.

Рисунок 8 Принципиальная схема управления реверсом АД с короткозамкнутым ротором
В схеме (см. рисунок 8) предусмотрена также защита от перегрузок АД (реле KK) и коротких замыканий в цепях статора(автоматический выключатель QF) и управления(предохранители FA). Кроме того, в ней обеспечивается и нулевая защита от исчезновения (снижения) напряжения сети (контакторы KM1 и KM2).
Пуск двигателя в условном направлении “Вперед” или “Назад” осуществляется нажатием соответственно кнопки SB1 или SB2, что приводит к срабатыванию контактора KM1 или KM2 и подключению АД к сети (при включенном автоматическом выключателе QF).
Для обеспечения реверса или торможения двигателя сначала нажимается кнопка SB3, что приводит к отключению включенного до тех пор контактора (например, KM1), а затем кнопка SB2, что приводит к включению контактора KM2 и подаче на АД напряжения питания с другим чередованием фаз. После этого магнитное поле двигателя изменяет свое направление вращения и начинается процесс реверса, состоящий из двух этапов торможения противовключением и разбега в противоположную сторону.
В случае необходимости только затормозить двигатель при достижении им нулевой скорости следует вновь нажать кнопку SB3,что приведет к отключению его от сети и возвращению схемы в исходное положение.Если кнопку SB3 не нажимать, последует разбег АД в другую сторону, т. е. его реверс.
Во избежание короткого замыкания в цепи статора, которое может возникнуть в результате одновременного ошибочного нажатия кнопок SB1и SB2, в реверсивных магнитных пускателях иногда предусматривается специальная механическая блокировка рычажная система,которая предотвращает одновременное включение двух контакторов. В дополнение к механической в такой схеме используется типовая электрическая блокировка,применяемая в реверсивных схемах управления, которая заключается в перекрестном включении размыкающих контактов аппарата KM1 в цепь катушки аппарата KM2, и наоборот.
Отметим, что повышению надежности работы ЭП и удобства его в эксплуатации способствует использование в схеме управления воздушного автоматического выключателя QF, который исключает возможность работы привода при обрыве одной фазы и при однофазном коротком замыкании, как это может иметь место при использовании предохранителей.
Заключение
По заданной нагрузочной диаграмме электропривода определили эквивалентную мощность и выбрали асинхронный двигатель 4АК225M6УЗ с фазным ротором, при чем учли условие РнРэ.Проверили выбранный двигатель на нагрев по методу средних потерь. УсловиеРсрРн, выполняется. А так же проверили на перегрузочную способность при снижении напряжения в сети. Условие

, выполняется. Произвели расчет теплового режима выбранного двигателя по заданной нагрузочной диаграмме, до установившегося теплового состояния двигатель прошел4 цикла.
Определили сопротивление добавочного резистора, который необходимо включить в цепь ротора выбранного двигателя для снижения частоты вращения на заданную величину при номинальном моменте сопротивления. Построили естественную и реостатную механические характеристики двигателя.
Рассчитали сопротивления секций пускового резистора и потери электрической энергии при реостатном и прямом пуске. Пришли к выводу, что при прямом пуске расходуется в 1,5-2 раза больше энергии.
Начертили и изучили схемы управления пуском и реверсом асинхронных двигателей.
Библиографический список
1. Асинхронные двигатели в системах электропривода: методические указания к выполнению курсовой работы / Авилов В.Г., Беляев В. П., Савельева Е. Н., Омский гос. ун-т путей сообщения. Омск,2005. 44с.
2. Вольдек, А.И. Электрические машины/ А.И. Вольдек, Л.: Энергия, 1978.
3. Касаткин, А.С. Электротехника /А.С. Касаткин, М. В. Немцов, М.: Высшая школа, 2000.
4. Москаленко, В. В. Электрический привод / В. В. Москаленко, М.: Высшая школа, 1991.
5. Чиликин, М.Г. Общий курс электропривода/ М.Г. Чиликин, А. С. Сандлер, М.: Энергоатомиздат, 1984.
Асинхронные двигатели в системах электропривода