Технико-экономическое обоснование инвестиционного проекта энергоснабжения
ФГБОУ ВПО «Саратовский Государственный Технический Университет имени Гагарина Ю.А.»
__________________________________________________________________Кафедра:
«Тепловые и атомные электрические станции»
Курсовая работа по дисциплине
«Экономика и управление энергетическими предприятиями» на тему:
«Технико-экономическое обоснование инвестиционного проекта энергоснабжения»
Выполнила:
студентка гр. ТЭС-41
Филатова Н.В.
Проверил:
доцент каф. ТАЭС
Доронин М. С.
Саратов 2014
СОДЕРЖАНИЕ
Реферат……………………………………………………………………………3
Введение……………………………………………………………………….…4
Основная часть:
Диаграмма горизонта расчета вариантов энергоснабжения…………………...5
Методика расчёта показателей эффективности инвестиционных проектов.....5
Принципиальная схема системы энергоснабжения. ПТ ТЭЦ………………….7
Исходные данные ПТ ТЭЦ…………………………………………………….....8
Расчёт технико-экономических показателей инвестиционного
проекта энергоснабжения для первого года эксплуатации.
ПТ ТЭЦ…………………………………………………………………………...10
Сводная таблица исходных данных и результатов расчета
показателей эффективности ПТ ТЭЦ…..……………………………………...18
Принципиальная схема системы энергоснабжения. КЭС и РК……………....28
Исходные данные КЭС и РК……………………………………………………29
Расчёт технико-экономических показателей инвестиционного
проекта энергоснабжения для первого года эксплуатации.
КЭС и РК…………………………………………………………………………31
Сводная таблица исходных данных и результатов расчета
показателей эффективности КЭС и РК….…………………………………….40
Заключение…………………………………………………………………….....49
Список используемых источников……………………………………………..50
Реферат
Курсовая работа содержит: 51 лист, 5 таблиц, 4 рисунка.
ИНДЕКС ДОХОДНОСТИ, ЧИСТЫЙ ДИСКОНТИРОВАННЫЙ ДОХОД, КОЭФФИЦИЕНТ ДИСКОНТИРОВАНИЯ, СРОК СТРОИТЕЛЬСТВА, ЧИСТАЯ ПРИБЫЛЬ, ВНУТРЕННЯЯ НОРМА ДОХОДНОСТИ
Объектами разработки являются два инвестиционных проекта энергоснабжения в Западной Сибири: ПТ ТЭЦ, КЭС и РК.
Цель работы: Получить навыки расчета и определение показателей эффективности инвестиционных проектов.
Методология проведения работы: Произвести расчет показателей эффективности инвестиционного проекта: ЧДД, ИД, ВНД, ДСО. На основе полученных результатов выбрать проект с лучшими показателями.
В результате работы был выбран инвестиционный проект энергоснабжения ПТ ТЭЦ, имеющий наиболее лучшие показатели эффективности за расчетный период.
Введение
Процесс инвестирования играет важную роль в экономике любой страны. Инвестирование в значительной степени определяют экономический рост государства, занятость населения и составляет существенный элемент базы, на которой основывается экономические развитие общества. Поэтому проблема связана с эффективным осуществлением инвестирования, заслуживает серьезного внимания.
Разработка технико-экономического обоснования инвестиционного проекта предусматривает, прежде всего обеспечение высокой эффективности использования имеющихся в распоряжении предприятия ресурсов: достижение максимальных экономических результатов при минимальных совокупных издержек производства и реализации своей продукции.
Индивидуальные данные для курсовой работы.
Вариант №2
Вариант №4
Район сооружения: Западная Сибирь.
Спрос на тепловую мощность Q=400 Гкал/ч
Число часов использования тепловой мощности tQ=5500 час/год
Протяженность ЛЭП составляет Lлэп=175 км.
Протяженность магистральных тепловых сетей Lмтс=22 км
Диаметр магистральных тепловых сетей dмтс=620мм
Основная часть
Построение диаграммы горизонта расчета.
|
Вариант |
2000 |
2001 |
2002 |
2003 |
2004 |
2005 |
2006 |
2007 |
2008 |
… |
2025 |
|
КЭС |
|||||||||||
|
ПГУ ТЭЦ |
|||||||||||
|
РК |
- эксплуатация объекта
- строительство объекта;
Методика расчёта показателей эффективности инвестиционных проектов
1 Чистый дисконтированный доход:
,
где:
Rt приток денежных средств на шаге t
Зt отток денежных средств на шаге t
Кt капитальные вложения в проект на шаге t
t коэффициент дисконтирования на шаге t
Если ЧДД > 0, то проект окупился и имеет доход,
если ЧДД = 0, то проект окупился, но не имеет дохода,
если ЧДД < 0, то проект не окупился и не имеет дохода.
2 Индекс доходности:
Если ИД > 1, то проект окупится и принесет доход,
если ИД = 1, то проект окупится, но не принесет доход,
если ИД < 1, то проект не окупится и не принесет доход.
3 Внутренняя норма доходности:
,
где Евн внутренняя норма дисконта
Если Евн > Е, то ЧДД > 0,
если Евн = E, то ЧДД = 0,
если Евн < E, то ЧДД < 0.
E норма дисконта
4. Коэффициент дисконтирования:
t0 значение шага, к которому приводится дисконтирование,
t значение текущего шага.
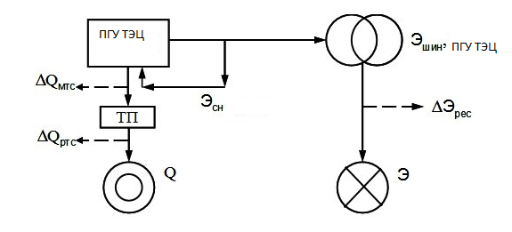
Расчет капитальных вложений, результатов и затрат по инвестиционному проекту энергоснабжения с использованием ПГУ ТЭЦ.

Рис 2. Принципиальная схема энергоснабжения потребителя от ПГУ-ТЭЦ
потребление электрической энергии на собственные нужды;
отпуск электрической энергии с шин;
Q, Э тепловая и электрическая нагрузка соответственно;
потери тепловой энергии в распределительной тепловой сети;
потери электрической энергии в электрических сетях;
потери тепловой энергии в магистральной тепловой сети.
1. Расчет установленной мощности и отпущенной потребителям энергии
1.1 Установленная тепловая мощность ПГУ-ТЭЦ


1.2 Установленная электрическая мощность ПГУ-ТЭЦ

1.3 Выработка электрической энергии ПГУ-ТЭЦ

1.4 Отпуск электрической энергии с шин ПГУ-ТЭЦ

1.5 Отпуск электрической энергии потребителям

2. Капитальные вложения в систему энергообеспечения
2.1 Капитальные вложения в ПГУ-ТЭЦ

2.2 Капитальные вложения в систему магистрального транспорта тепла

b и a коэффициенты зависящие от способа прокладки теплотрассы (в данном случае прокладка надземная).
2.3 Общие капитальные вложения
2.4 Годовые капитальные вложения


3. Себестоимость производства тепловой и электрической энергии в первый год эксплуатации
3.1 Себестоимость производства, смета затрат
,
где - материальные затраты, млн.руб.
- затраты на оплату труда, млн.руб.
- отчисления на социальные нужды, млн.руб.
- амортизация основных фондов, млн.руб.
- прочие затраты, млн. руб.
3.1.1 Материальные затраты
,
где - топливные издержки, млн.руб.
- издержки на ремонт, млн.руб.
- прочие материальные затраты, млн.руб.
.1.2 Топливные издержки на производство тепловой энергии
,

3.1.3 Топливные издержки на производство электрической энергии
,

3.1.4 Общие топливные издержки

3.1.5 Издержки на ремонт
,

3.1.6 Прочие материальные издержки
,



3.2 Затраты на оплату труда
,

3.3 Отчисления на социальные нужды
,

3.4 Амортизация основных фондов
Где:
амортизация активной части основных фондов за 2005 год
амортизация пассивной части основных фондов за 2005 год
3.4.1 Амортизация активной части основных фондов за 2005 год
Где: доля основных фондов активной части.
Где: срок полезного использования:

Определяю амортизацию активной части основных фондов за 2004 год

3.4.2 Амортизация пассивной части основных фондов за 2004 год
Где:


Определяем амортизацию основных фондов

3.5 Прочие затраты
,
где - услуги связи, охрана, коммунально - бытовые нужды и т.д., млн.руб.
налог на имущество, млн. руб.
земельный налог, млн. руб.
- водный налог, млн. руб.
3.5.1 Услуги связи, охрана и т.д.
,

3.5.2 Налог на имущество
,
где - остаточная стоимость имущества на первый год эксплуатации


3.5.3 Земельный налог
,

3.5.4 Водный налог
,

Определяем прочие затраты

Рассчитаем себестоимость производства, смету затрат

4. Результаты проекта
4.1 Выручка от реализации тепловой энергии


4.2 Выручка от реализации электрической энергии


4.3 Общие результаты проекта
5. Определение полных затрат по проекту
5.1 Валовая прибыль
5.2 Налог на прибыль
5.3 Чистая прибыль
5.4 Полные затраты по проекту

Результаты расчёта денежных потоков в проекте ПГУ-ТЭЦ на каждом шаге расчётного периода представлены в таблице 2.
|
№ |
Показатель |
Расчетный период |
||||||||
|
2001 |
2002 |
2003 |
2004 |
2005 |
2006 |
2007 |
2008 |
2009 |
||
|
1 |
Капитальные вложения по годам строительства, млн. руб. |
4018,8 |
0 |
0 |
0 |
0 |
0 |
|||
|
2 |
Стоимость используемого топлива, руб/т у.т. |
0 |
0 |
0 |
0 |
1110 |
1293 |
1530 |
1744 |
2110 |
|
3 |
Производственные издержки всего, в т.ч.: |
0 |
0 |
0 |
0 |
3237,9 |
3341,1 |
3500,4 |
3637,4 |
3930,1 |
|
3.1 |
Материальные затраты всего, в т.ч.: |
0 |
0 |
0 |
0 |
1475,4 |
1661,4 |
1902,3 |
2119,8 |
2491,8 |
|
- издержки на топливо всего, в т.ч.: |
0 |
0 |
0 |
0 |
1044,6 |
1216,8 |
1439,9 |
1641,2 |
1985,7 |
|
|
- для выработки тепловой энергии, млн. руб. |
0 |
0 |
0 |
0 |
392,34 |
457,03 |
540,80 |
616,44 |
745,81 |
|
|
- для выработки электроэнергии, млн. руб. |
0 |
0 |
0 |
0 |
652,26 |
759,79 |
899,06 |
1024,8 |
1239,9 |
|
|
- издержки на ремонт, млн. руб. |
0 |
0 |
0 |
0 |
321,51 |
321,51 |
321,51 |
321,51 |
321,51 |
|
|
- прочие материальные издержки, млн. руб. |
0 |
0 |
0 |
0 |
109,29 |
123,07 |
140,91 |
157,02 |
184,58 |
|
|
3.2 |
Затраты на оплату труда, млн. руб. |
0 |
0 |
0 |
0 |
29,381 |
29,381 |
29,381 |
29,381 |
29,381 |
|
3.3 |
Отчисления на социальные нужды, млн. руб. |
0 |
0 |
0 |
0 |
8,8731 |
8,8731 |
8,8731 |
8,8731 |
8,8731 |
|
3.4 |
Амортизация основных фондов, млн. руб. |
0 |
0 |
0 |
0 |
1264,4 |
1213,6 |
1162,8 |
1111,9 |
1061,1 |
|
3.5 |
Прочие издержки всего, в т.ч.: |
0 |
0 |
0 |
0 |
459,78 |
427,90 |
397,13 |
367,49 |
338,96 |
|
- связь, охрана, командировочные расходы и т.д., млн. руб. |
0 |
0 |
0 |
0 |
104,21 |
100,15 |
96,081 |
92,015 |
87,948 |
|
|
- налог на имущество организаций, млн. руб. |
0 |
0 |
0 |
0 |
353,66 |
325,84 |
299,14 |
273,56 |
249,10 |
|
|
- земельный налог, млн. руб. |
0 |
0 |
0 |
0 |
1,8556 |
1,8556 |
1,8556 |
1,8556 |
1,8556 |
|
|
- водный налог, млн. руб. |
0 |
0 |
0 |
0 |
0,05567 |
0,05567 |
0,05567 |
0,05567 |
0,05567 |
|
|
Тариф на электроэнергию, руб/кВт*ч |
0 |
0 |
0 |
0 |
1,23 |
1,44 |
1,7 |
1,94 |
2,34 |
|
|
Тариф на тепловую энергию, руб/Гкал |
0 |
0 |
0 |
0 |
468,67 |
545,93 |
646,00 |
736,36 |
890,89 |
|
|
4 |
Результаты проекта всего, в т.ч.: |
0 |
0 |
0 |
0 |
4437,3 |
5168,9 |
6116,3 |
6971,8 |
8434,9 |
|
- от реализации электроэнергии, млн. руб. |
0 |
0 |
0 |
0 |
3406,2 |
3967,8 |
4695,1 |
5351,8 |
6474,9 |
|
|
- от реализации тепловой энергии, млн. руб. |
0 |
0 |
0 |
0 |
1031,1 |
1201,1 |
1421,2 |
1620,0 |
1960,0 |
|
|
5 |
Валовая прибыль, млн. руб. |
0 |
0 |
0 |
0 |
1199,5 |
1827,7 |
2615,9 |
3334,3 |
4504,8 |
|
Налог на прибыль, млн. руб. |
0 |
0 |
0 |
0 |
239,89 |
365,55 |
523,17 |
666,87 |
900,96 |
|
|
Чистая прибыль, млн. руб. |
0 |
0 |
0 |
0 |
959,56 |
1462,2 |
2092,7 |
2667,5 |
3603,8 |
|
|
Затраты по проекту, млн. руб. |
0 |
0 |
0 |
0 |
2213,3 |
2493,1 |
2860,8 |
3192,4 |
3769,9 |
|
|
Чистый поток денежных средств, млн. руб. |
-4018,8 |
-4018,8 |
-4018,8 |
-4018,8 |
2224,0 |
2675,8 |
3255,5 |
3779,4 |
4664,9 |
|
|
Коэффициент дисконтирования |
1,5735 |
1,4049 |
1,2544 |
1,12 |
1 |
0,89286 |
0,79719 |
0,71178 |
0,63552 |
|
|
Дисконтированный ЧПДС, млн. руб. |
-6323,7 |
-5646,2 |
-5041,2 |
-4501,1 |
2224,0 |
2389,1 |
2595,2 |
2690,1 |
2964,7 |
|
|
Чистый дисконтированный доход, млн. руб. |
-6323,7 |
-11970 |
-17011 |
-21512 |
-19288 |
-16899 |
-14304 |
-11614 |
-8649,1 |
|
|
№ |
Показатель |
Расчетный период |
||||||||
|
2010 |
2011 |
2012 |
2013 |
2014 |
2015 |
2016 |
2017 |
2018 |
||
|
1 |
Капитальные вложения по годам строительства, млн. руб. |
0 |
0 |
0 |
0 |
0 |
0 |
0 |
0 |
0 |
|
2 |
Стоимость используемого топлива, руб/т у.т. |
2701 |
3640 |
4260 |
4510 |
4590 |
4650 |
4680 |
4680 |
4680 |
|
3 |
Производственные издержки всего, в т.ч.: |
4452,5 |
5329,8 |
5883,9 |
6063,1 |
6070,6 |
6059,0 |
6017,9 |
5947,5 |
5878,2 |
|
3.1 |
Материальные затраты всего, в т.ч.: |
3092,4 |
4046,8 |
4677,0 |
4931,1 |
5012,4 |
5073,3 |
5103,8 |
5103,8 |
5103,8 |
|
- издержки на топливо всего, в т.ч.: |
2541,9 |
3425,5 |
4009,0 |
4244,3 |
4319,6 |
4376,0 |
4404,3 |
4404,3 |
4404,3 |
|
|
- для выработки тепловой энергии, млн. руб. |
954,7 |
1286,6 |
1505,7 |
1594,1 |
1622,4 |
1643,6 |
1654,2 |
1654,2 |
1654,2 |
|
|
- для выработки электроэнергии, млн. руб. |
1587,2 |
2138,9 |
2503,3 |
2650,2 |
2697,2 |
2732,4 |
2750,1 |
2750,1 |
2750,1 |
|
|
- издержки на ремонт, млн. руб. |
321,51 |
321,51 |
321,51 |
321,51 |
321,51 |
321,51 |
321,51 |
321,51 |
321,51 |
|
|
- прочие материальные издержки, млн. руб. |
229,07 |
299,76 |
346,44 |
365,26 |
371,29 |
375,80 |
378,06 |
378,06 |
378,06 |
|
|
3.2 |
Затраты на оплату труда, млн. руб. |
29,381 |
29,381 |
29,381 |
29,381 |
29,381 |
29,381 |
29,381 |
29,381 |
29,381 |
|
3.3 |
Отчисления на социальные нужды, млн. руб. |
8,8731 |
8,8731 |
8,8731 |
8,8731 |
8,8731 |
8,8731 |
8,8731 |
8,8731 |
8,8731 |
|
3.4 |
Амортизация основных фондов, млн. руб. |
1010,3 |
959,44 |
908,60 |
857,77 |
806,94 |
756,11 |
705,28 |
654,45 |
603,62 |
|
3.5 |
Прочие издержки всего, в т.ч.: |
311,55 |
285,25 |
260,08 |
236,02 |
213,09 |
191,27 |
170,57 |
150,98 |
132,52 |
|
- связь, охрана, командировочные расходы и т.д., млн. руб. |
83,882 |
79,815 |
75,749 |
71,682 |
67,616 |
63,549 |
59,483 |
55,416 |
51,350 |
|
|
- налог на имущество организаций, млн. руб. |
225,75 |
203,53 |
182,42 |
162,43 |
143,56 |
125,81 |
109,17 |
93,656 |
79,258 |
|
|
- земельный налог, млн. руб. |
1,8556 |
1,8556 |
1,8556 |
1,8556 |
1,8556 |
1,8556 |
1,8556 |
1,8556 |
1,8556 |
|
|
- водный налог, млн. руб. |
0,05567 |
0,05567 |
0,05567 |
0,05567 |
0,05567 |
0,05567 |
0,05567 |
0,05567 |
0,05567 |
|
|
Тариф на электроэнергию, руб/кВт*ч |
3,00 |
4,04 |
4,73 |
5,01 |
5,1 |
5,17 |
5,2 |
5,2 |
5,2 |
|
|
Тариф на тепловую энергию, руб/Гкал |
1140,4 |
1536,9 |
1798,7 |
1904,2 |
1938,0 |
1963,3 |
1976 |
1976 |
1976 |
|
|
4 |
Результаты проекта всего, в т.ч.: |
10797 |
14551 |
17030 |
18029 |
18349 |
18589 |
18709 |
18709 |
18709 |
|
- от реализации электроэнергии, млн. руб. |
8288,5 |
11170 |
13073 |
13840 |
14085 |
14269 |
14361 |
14361 |
14361 |
|
|
- от реализации тепловой энергии, млн. руб. |
2508,9 |
3381,2 |
3957,1 |
4189,3 |
4263,6 |
4319,3 |
4347,2 |
4347,2 |
4347,2 |
|
|
5 |
Валовая прибыль, млн. руб. |
6344,9 |
9221,4 |
11146 |
11966 |
12278 |
12530 |
12691 |
12761 |
12830 |
|
Налог на прибыль, млн. руб. |
1269,0 |
1844,3 |
2229,2 |
2393,2 |
2455,6 |
2505,9 |
2538,1 |
2552,2 |
2566,1 |
|
|
Чистая прибыль, млн. руб. |
5076,0 |
7377,1 |
8916,6 |
9572,8 |
9822,6 |
10024 |
10153 |
10209 |
10264 |
|
|
Затраты по проекту, млн. руб. |
4711,2 |
6214,6 |
7204,5 |
7598,5 |
7719,4 |
7808,8 |
7850,8 |
7845,3 |
7840,7 |
|
|
Чистый поток денежных средств, млн. руб. |
6086,2 |
8336,6 |
9825,2 |
10431 |
10630 |
10780 |
10858 |
10863 |
10868 |
|
|
Коэффициент дисконтирования |
0,56743 |
0,50663 |
0,45235 |
0,40388 |
0,36061 |
0,32197 |
0,28748 |
0,25668 |
0,22917 |
|
|
Дисконтированный ЧПДС, млн. руб. |
3453,5 |
4223,6 |
4444,4 |
4212,7 |
3833,1 |
3470,8 |
3121,4 |
2788,4 |
2490,7 |
|
|
Чистый дисконтированный доход, млн. руб. |
-5195,6 |
-972,08 |
3472,4 |
7685,1 |
11518 |
14989 |
18110 |
20899 |
23389 |
|
|
№ |
Показатель |
Расчетный период |
||||||||
|
2019 |
2020 |
2022 |
2022 |
2023 |
2024 |
|||||
|
1 |
Капитальные вложения по годам строительства, млн. руб. |
0 |
0 |
0 |
0 |
0 |
0 |
|||
|
2 |
Стоимость используемого топлива, руб/т у.т. |
4680 |
4680 |
4680 |
4680 |
4680 |
4680 |
|||
|
3 |
Производственные издержки всего, в т.ч.: |
5810,1 |
5743,0 |
5677,1 |
5612,2 |
5548,5 |
5485,9 |
|||
|
3.1 |
Материальные затраты всего, в т.ч.: |
5103,8 |
5103,8 |
5103,8 |
5103,8 |
5103,8 |
5103,8 |
|||
|
- издержки на топливо всего, в т.ч.: |
4404,3 |
4404,3 |
4404,3 |
4404,3 |
4404,3 |
4404,3 |
||||
|
- для выработки тепловой энергии, млн. руб. |
1654,2 |
1654,2 |
1654,2 |
1654,2 |
1654,2 |
1654,2 |
||||
|
- для выработки электроэнергии, млн. руб. |
2750,1 |
2750,1 |
2750,1 |
2750,1 |
2750,1 |
2750,1 |
||||
|
- издержки на ремонт, млн. руб. |
321,51 |
321,51 |
321,51 |
321,51 |
321,51 |
321,51 |
||||
|
- прочие материальные издержки, млн. руб. |
378,06 |
378,06 |
378,06 |
378,06 |
378,06 |
378,06 |
||||
|
3.2 |
Затраты на оплату труда, млн. руб. |
29,381 |
29,381 |
29,381 |
29,381 |
29,381 |
29,381 |
|||
|
3.3 |
Отчисления на социальные нужды, млн. руб. |
8,8731 |
8,8731 |
8,8731 |
8,8731 |
8,8731 |
8,8731 |
|||
|
3.4 |
Амортизация основных фондов, млн. руб. |
552,79 |
501,96 |
451,13 |
400,29 |
349,46 |
298,63 |
|||
|
3.5 |
Прочие издержки всего, в т.ч.: |
115,17 |
98,945 |
83,836 |
69,845 |
56,972 |
45,217 |
|||
|
- связь, охрана, командировочные расходы и т.д., млн. руб. |
47,283 |
43,217 |
39,150 |
35,084 |
31,017 |
26,951 |
||||
|
- налог на имущество организаций, млн. руб. |
65,979 |
53,817 |
42,774 |
32,850 |
24,043 |
16,355 |
||||
|
- земельный налог, млн. руб. |
1,8556 |
1,8556 |
1,8556 |
1,8556 |
1,8556 |
1,8556 |
||||
|
- водный налог, млн. руб. |
0,05567 |
0,05567 |
0,05567 |
0,05567 |
0,05567 |
0,05567 |
||||
|
Тариф на электроэнергию, руб/кВт*ч |
5,2 |
5,2 |
5,2 |
5,2 |
5,2 |
5,2 |
||||
|
Тариф на тепловую энергию, руб/Гкал |
1976 |
1976 |
1976 |
1976 |
1976 |
1976 |
||||
|
4 |
Результаты проекта всего, в т.ч.: |
18709 |
18709 |
18709 |
18709 |
18709 |
18709 |
|||
|
- от реализации электроэнергии, млн. руб. |
14361 |
14361 |
14361 |
14361 |
14361 |
14361 |
||||
|
- от реализации тепловой энергии, млн. руб. |
4347,2 |
4347,2 |
4347,2 |
4347,2 |
4347,2 |
4347,2 |
||||
|
5 |
Валовая прибыль, млн. руб. |
12899 |
12966 |
13032 |
13096 |
13160 |
13223 |
|||
|
Налог на прибыль, млн. руб. |
2579,7 |
2593,1 |
2606,3 |
2619,3 |
2632,0 |
2644,5 |
||||
|
Чистая прибыль, млн. руб. |
10319 |
10373 |
10425 |
10477 |
10528 |
10578 |
||||
|
Затраты по проекту, млн. руб. |
7837 |
7834,2 |
7832,2 |
7831,2 |
7831,1 |
7831,9 |
||||
|
Чистый поток денежных средств, млн. руб. |
10872 |
10874 |
10876 |
10877 |
10878 |
10877 |
||||
|
Коэффициент дисконтирования |
0,20462 |
0,18270 |
0,16312 |
0,14564 |
0,13004 |
0,11611 |
||||
|
Дисконтированный ЧПДС, млн. руб. |
2224,6 |
1986,7 |
1774,2 |
1584,2 |
1414,5 |
1262,9 |
||||
|
Чистый дисконтированный доход, млн. руб. |
25614 |
27601 |
29375 |
30959 |
32374 |
33637 |
Построим график зависимости накопленного ЧДД от номера шага для определения дисконтированного срока окупаемости проекта ПГУ-ТЭЦ.

Рис. 3. График зависимости накопленного ЧДД от номера шага расчета
Из рисунка 3 видно, что дисконтированный срок окупаемости проекта ПГУ ТЭЦ составляет 8,8 года.
Определим норму дисконта, при которой наколенный ЧДД равен нулю.
Методом вариаций нормы дисконта, ЧДД достигает 0 при0,229187
Расчет капитальных вложений, результатов и затрат по инвестиционному проекту энергоснабжения с использованием КЭС и РК
Рис.3 Схема энергоснабжения на базе КЭС и РК
, - Тепловая и электрическая мощность необходимая для потребления;
- Электроэнергия отпущенная с шин КЭС;
, - Электроэнергия отпущенная на собственные нужды;
- тепловые потери в распределительных тепловых сетях;
- потери электроэнергии в распределительной электрической сети;
- потери в линиях электропередачи.
1.Расчет установленной мощности и расход тепловой энергии.
1.1Установленная тепловая энергия для районных котельных:
,
1.2 Расход электроэнергии на собственные нужды для РК:
,
1.3 Отпуск электроэнергии потребителям из распределительной сети:
Для приведения вариантов к равному энергетическому эффекту примем количество электроэнергии равное величине из варианта 1.
,
1.4 Отпуск электроэнергии из магистральной линии электропередачи (ЛЭП):
1.5 Отпуск электроэнергии с шин КЭС:
,
1.6 Выработка электроэнергии на КЭС:
,
1.7 Установленная электрическая мощность КЭС:
,
2.Капитальные вложения в систему энергоснабжения:
2.1 Инвестиции в КЭС:
,
2.2 Инвестиции в магистральные ЛЭП:
,
2.3 Инвестиции в РК:
,
2.4 Общие инвестиции:
,

2.5 Годовые инвестиции:
,

3. Себестоимость производства тепловой и электрической энергии в первый год эксплуатации
Себестоимость производства, смета затрат:
,
где:
- материальные затраты, млн.руб.
- затраты на оплату труда, млн.руб.
- отчисления на социальные нужды, млн. руб.
- амортизация основных фондов, млн. руб.
- прочие затраты, млн. руб.
3.1 Материальные затраты:
,
где:
- топливные издержки, млн.руб.
- издержки на ремонт, млн.руб.
- прочие материальные затраты, млн.руб
.1.1 Топливные издержки на производство тепловой энергии:
,

3.1.2 Топливные издержки на производство электрической энергии:
,

3.1.3 Общие топливные издержки:


3.1.4 Издержки на ремонт:
,

3.1.5 Прочие материальные издержки:
,



3.2 Затраты на оплату труда:
,

3.3 Отчисления на социальные нужды:
,

3.4 Амортизация основных фондов:
,
3.4.1 Амортизация активной части основных фондов за 2005 год:
,
3.4.1.1 Остаточная стоимость активной части на начало года:




Определяем амортизацию активной части основных фондов за 2005 год :

3.4.2 Амортизация пассивной части основных фондов за 2005 год:
,

Определяем амортизацию основных фондов :

3.5 Прочие затраты:
,
где
- услуги связи, охрана и т.д., млн.руб.
налог на имущество, млн. руб.
земельный налог, млн. руб.
- водный налог, млн. руб.
3.5.1 Услуги связи, охрана и т.д.:
,

3.5.2 Налог на имущество:
,
где - остаточная стоимость имущества в первый год эксплуатации


3.5.3 Земельный налог:
,

3.5.4 Водный налог:
,

Определяем прочие затраты:

Рассчитаем себестоимость производства, смету затрат

4. Результаты проекта
4.1 Выручка от реализации тепловой энергии:


4.2 Выручка от реализации электрической энергии:


4.3 Общие результаты проекта:
,

5. Определение полных затрат по проекту
5.1 Валовая прибыль:
,

5.2 Налог на прибыль:
,

5.3 Чистая прибыль:
,

5.4 Полные затраты по проекту:
,

Построим график зависимости накопленного ЧДД от номера шага для определения ДСО проекта КЭС и РК.

Рисунок 4. График зависимости накопленного ЧДД от номера шага.
Из рисунка 4 видно, что дисконтированный срок окупаемости инвестиционного проекта КЭС и РК составляет 16,5 лет.
Определим методом вариаций норму дисконта, при которой накопленный ЧДД равен нулю.
ЧДД достигает 0 при0,15129.
Определим индекс доходности инвестиционного проекта по формуле:
,
ЗАКЛЮЧЕНИЕ
В результате расчета курсовой работы были определены следующие величины:
Установленная тепловая мощность ПТ ТЭЦ:

Установленная электрическая мощность Мини-ТЭЦ:
Инвестиции в паротурбинную ПТ ТЭЦ составили:

Установленная тепловая мощность районной котельной:

Установленная электрическая мощность: КЭС
Инвестиции в паротурбинную КЭС составили:
Инвестиции в ЛЭП составили: .
Инвестиции в РК составили: .
Таблица№5 Показатели эффективности проектов
|
Показатель эффективности |
ПТ ТЭЦ |
КЭС и РК |
|
Чистый дисконтированный доход, млн. руб. |
31767 |
24581,1 |
|
Индекс доходности, руб./руб. |
2,9546 |
2,2494 |
|
Внутренняя норма доходности, % |
19,7 |
18,4 |
|
Дисконтированный срок окупаемости, лет |
12,5 |
12,9 |
Таким образом, исходя из таблицы можно сделать вывод о том, что инвестиционный проект ПТ ТЭЦ имеет более высокие показатели эффективности по сравнению с проектом КЭС и РК, поэтому очевидно, что наиболее выгодно инвестировать проект ПТ ТЭЦ.
Список использованных источников
- Экономика и управление энергетическими предприятиями: Учебник для ВУЗов / Т.Ф. Басова, Е.В. Борисова, В.В. Вологова и др. Под ред. Н.Н. Кожевникова. М. : Издательский центр «Академия», 2004. 432с.: ил.
- Экономика и управление в современной электроэнергетике России: пособие для менеджеров электроэнергетических компаний / под ред. А.Б. Чубайса. М. : НП «КОНЦ ЕЭС», 2009. 616с.: ил.
- Грибов В.Д. Грузинов В.П. Кузьменко В.А. Экономика предприятий: Учебник Практикум. 3-е издание, переработанное и доп. М. : Финансы и статистика, 2006 336с.: ил.
- Шапиро В.Д. и др. Управление проектами: Учебник для ВУЗов С Пб.: «Два Три», 1996. 610с.: ил.
- Методические рекомендации по оценке эффективности инвестиционных проектов (2 редакция), утверждены Министерством экономики РФ, Министерством финансов РФ, Государственным Комитетом РФ по строительству, архитектуре и жилищной политике № ВК 477 от 21.06.1991г.
- Энергетическая стратегия России на период до 2030 года. Утверждена распоряжением правительства РФ от 13 ноября 2009г. №1715-Р.
PAGE \* MERGEFORMAT1
Технико-экономическое обоснование инвестиционного проекта энергоснабжения