ЭЛЕКТРОТЕХНИКА И ЭЛЕКТРОНИКА Методические указания по выполнению домашних расчетных заданий по электротехнике
Министерство образования и науки Российской Федерации
Ивановский государственный химико-технологический университет
ЭЛЕКТРОТЕХНИКА И ЭЛЕКТРОНИКА
Методические указания по выполнению домашних расчетных заданий
по электротехнике
Составители: В.М. Бурков
М.Г. Донцов
В.Л. Котов
А.Н. Фролов
Иваново 2010
УДК 667.420
ЭЛЕКТРОТЕХНИКА И ЭЛЕКТРОНИКА: метод. указания по выполнению домашних расчетных заданий по электротехнике/Сост.: В.М.Бурков, М.Г.Донцов, В.Л.Котов, А.Н.Фролов; Иван. гос. хим.-технол. ун-т.- Иваново, 2010. 40 с.
Методические указания содержат теоретический материал по теории цепей постоянного и переменного тока, необходимые зависимости, примеры расчета и построения потенциальных и векторных диаграмм, а также порядок расчета и методику выбора электродвигателя для электропривода насосов и вентиляторов. В приложениях содержатся варианты заданий и справочный материал по насосам, электродвигателям и параметрам используемых в расчетах жидкостей.
Предназначены для использования студентами дневной формы обучения ИГХТУ в процессе выполнения домашних заданий по курсу «Электротехника и электроника».
Рецензент
кандидат технических наук Б.П. Силуянов
(Ивановский государственный энергетический университет)
ДОМАШНЕЕ ЗАДАНИЕ № 1
Рабочее задание.
Варианты заданий приведены в Приложении 1.
- По заданным значениям ЭДС и параметрам элементов рассчитайте токи во всех ветвях цепи методом контурных токов.
- Проверьте правильность расчета путем составления баланса мощности.
- Рассчитать потенциалы и построить потенциальную диаграмму для внешнего контура.
УКАЗАНИЯ ПО ВЫПОЛНЕНИЮ РАСЧЕТОВ
При расчете электрических цепей этим методом в основе лежит II закон Кирхгофа, который гласит: алгебраическая сумма ЭДС, действующих в контуре, равна алгебраической сумме падений напряжений в том же контуре:
;
или алгебраическая сумма напряжений в контуре равна нулю
.
При расчете цепей методом контурных токов предполагается, что в каждом контуре протекает независимый расчетный ток, который называется контурным.
При расчете методом контурных токов количество уравнений определяется числом независимых контуров или по формуле:
p = m - (n - 1),
где m число ветвей, n число узлов.
Ветвь участок цепи, в любом сечении которого течет один и тот же ток.
Узел точка цепи соединения 3-х и более ветвей.
Контур любой путь вдоль электрической цепи, начинающегося и заканчивающегося в одной и той же точке. Контур электрической цепи, содержащий хотя бы один элемент принадлежащий только ему, называется независимым.
При расчете рекомендуется соблюдать следующую последовательность:
- Выделить независимые контуры.
- На схеме указать номера независимых контуров и указать направление их обхода (направление обхода всех контуров лучше выбирать одним и тем же).
- Указать направления контурных токов в каждом независимом контуре (чтобы избежать ошибок направления контурных токов должны совпадать с направлением обхода контуров).
- Для всех независимых контуров составить уравнения по второму закону Кирхгофа: ЭДС считаются положительными, если их направление совпадает с направлением обхода контура; падение напряжения IКiRi считается положительным, если направление контурного тока совпадает с направлением обхода контура.
- Решить составленную систему линейных уравнений.
- Произвести проверку правильности решения системы линейных уравнений.
- По вычисленным значениям контурных токов найти величины токов в ветвях и их направление: ток и его направление в наружной ветви соответствует контурному току; ток в смежных ветвях определяем, как алгебраическую сумму контурных токов, протекающих в этой ветви, и его направление будет совпадать с направлением большего контурного тока.
- Составить баланс мощностей.
- Рассчитать потенциалы всех точек внешнего контура, в которых соединяются два любых его элемента.
- Построить потенциальную диаграмму для внешнего контура.
- На схеме указать направления рассчитанных токов в ветвях и значения потенциалов точек внешнего контура.
ПРИМЕР РЕШЕНИЯ
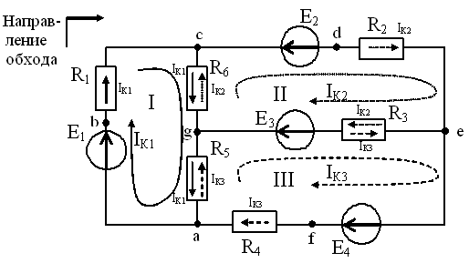
Рассмотрим алгоритм решения на примере цепи, изображенной на рисунке 1.
Если по условию задачи внутренним сопротивлением источников (r01, r02 т. д.) пренебречь нельзя, и они заданы, то их необходимо ввести в расчетную схему, включая последовательно с соответствующим источником.
- По признакам, данным в определении независимого контура, можно выделить следующие независимые контуры: a-b-c-g-a (контур I), c-d-e-g-c (контур II), a-g-e-f-a (контур III).

Рис. 1. Расчетная схема
2. Направление обхода указывается стрелкой снаружи схемы. Направление обхода по контурам выбрали совпадающим с направлением движения часовой стрелки.
3. Направления контурных токов в независимых контурах выбрали такими же, как и направления обхода контуров, по часовой стрелке.
- По второму закону Кирхгофа для каждого независимого контура составляем уравнения (ЭДС считаются положительными, если их направление совпадает с направлением обхода контура; падение напряжения IКiRi считается положительным, если направление контурного тока совпадает с направлением обхода контура). Обратите внимание, что в смежных ветвях протекают два контурных тока, причем они направлены в разные стороны:
Контур I a-b-c-g-a: E1=IК1R1+ IК1R6+ IК1R5IК2R6 IК3R5;
Контур II c-d-e-g-c: E2 +E3=IК2R2+ IК2R3+ IК2R6IК3R3 IК1R6;
Контур III a-g-e-f-a: - E3 +E4=IК3R3+ IК3R4+ IК3R5IК1R5 IК2R3.
Сгруппировав слагаемые, получим систему уравнений:
E1=IК1 (R1+R6+ R5)IК2R6 IК3R5; (1)
E2 +E3=IК2 (R2+ R3+ R6)IК3R3 IК1R6; (2)
- E3 +E4=IК3 (R3+ R4+R5)IК1R5 IК2R3. (3)
- Полученная система уравнений может быть решена любым известным методом. Не рекомендуется вести решение подстановкой, так как при этом ошибки допускаются чаще, чем при решении другими способами.
Для удобства записи введем следующие обозначения:
a1,a2,a3 коэффициенты при контурном токе IК1;
b1,b2,b3 коэффициенты при контурном токе IК2;
c1,c2,c3 коэффициенты при контурном токе IК3;
d1,d2,d3 свободные члены в правой части системы уравнений.
Тогда систему линейных уравнений можно переписать следующим образом:
При ручном расчете решение полученной системы уравнений можно найти по формулам Крамера:
,
где

Для вычисления определителя третьего порядка удобно приписать к нему справа два первых столбца, тогда произведения элементов, вычеркнутых в таблице сплошной линией, будут складываться, а произведения элементов, вычеркнутых пунктирной линией, вычитаться, например для вычисления :
,
1, 2, 3 вычисляются аналогично.
При составлении таблиц элементов и вычислении определителей следите за знаками элементов и знаками их произведений.
При расчете на ЭВМ составляется матрица коэффициентов:
.
Если в исходных уравнениях некоторые неизвестные контурные токи отсутствуют, в матрицу коэффициентов проставляются соответствующие нули.
- После вычисления контурных токов проведите первую проверку правильности расчета. Исходные уравнения должны превращаться в тождество при подстановке в них полученных значений контурных токов.

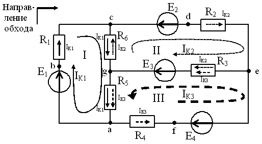
Рис. 2. Расчетная схема после расчета контурных токов
Значения контурных токов, полученные в результате расчета, могут быть положительными и отрицательными. Если контурный ток получился отрицательным, то меняем его направление на схеме на противоположное. При этом контурный ток, протекающий через резисторы, также меняет направление (рис. 2). Допустим контурные токи Ik1, Ik2 положительные, а контурный ток Ik3 отрицательный. На схеме (рис. 2) направления контурных токов Ik1, Ik2 оставляем прежними, а направление контурного тока Ik3 меняем на противоположное. Следовательно, токи в наружных ветвях цепи (в нашем примере на рис. 2 ветви E1-R1, E2-R2, E4-R4) равны по величине и направлению соответствующим контурным токам. На схеме около каждого резистора укажите действительное направление тока в нем. Номер тока указывается в соответствии с номером резистора.
В смежных ветвях, принадлежащих одновременно двум контурам (в нашем примере ветви E3-R3, R5, R6), протекают одновременно по два контурных тока. Поэтому действительные токи в ветвях определяют как алгебраическую сумму контурных токов, протекающих по этим ветвям (см. рис. 2). Если контурные токи в резисторе направлены в противоположные стороны, то для нахождения действительных значений токов в этих ветвях необходимо из большего контурного тока, протекающего в данной ветви, вычесть меньший контурный ток, протекающий в этой же ветви, и принять направление большего контурного тока. Если контурные токи направлены в одну и ту же сторону, то для определения тока в ветви их необходимо сложить и направление полученного тока будет совпадать с направлением этих расчетных контурных токов.
Допустим, что , причем Ik1, Ik2 - положительные, а Ik3 отрицательный, тогда токи в ветвях будут равны:
I1 =Ik1; I2 =Ik2; I4 = Ik3; I3 =Ik2 + Ik3; I5 =Ik1 + Ik3; I6 =Ik1 - Ik2.
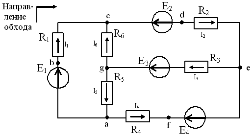
На схеме указываем направления токов в ветвях:

Рис. 3. Расчетная схема после расчета токов в ветвях
- Правильность расчета проверяют, составляя баланс мощностей. Согласно закону сохранения энергии, мощность, отдаваемая источниками, должна быть равна мощности, поглощаемой приемниками, т. е.:
или
Перед произведением EI знак «+» ставится, если направление тока совпадает с направлением ЭДС. Знак «-», если направление тока не совпадает с направлением ЭДС.
Если равенство выполняется, то расчет правильный. При правильно рассчитанных токах расхождение мощностей не должно превышать 2%.
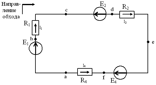
- Потенциалы всех точек внешнего контура, в которых соединяются два любых элемента, рассчитываются относительно точки, потенциал которой принят равным нулю.

Рис. 4. Внешний контур расчетной схемы
Пусть такой точкой в нашем примере будет точка а. Допустим, что в результате расчета были найдены токи и их направления, указанные на рис. 4. При расчете потенциалов следует иметь в виду, что в пассивном элементе (резисторе) стрелка тока указывает направление уменьшения потенциала. Поэтому при переходе через резистор потенциал понижается на величину падения напряжения (IiRi) на резисторе, если направление тока в нем совпадает с направлением обхода контура. Если это условие не выполняется, потенциал повышается на величину падения напряжения (IiRi) на резисторе.
При переходе через источник энергии с ЭДС Еi потенциал скачком увеличивается на величину ЭДС источника Еi, если направление ЭДС совпадает с направлением обхода контура (источник идеальный и не обладает внутренним сопротивлением). Стрелка ЭДС указывает направление увеличения потенциала. Если направление ЭДС не совпадает с направлением обхода, то потенциал скачком уменьшается на величину ЭДС.
В нашем случае (рис. 4) примем:
а=0;
b=а + Е1 направление ЭДС Е1 совпадает с направлением обхода контура;
c=b I1R1 направление тока I1 совпадает с направлением обхода контура;
d=c Е2 направление ЭДС Е2 не совпадает с направлением обхода контура;
e=d I2R2 направление тока I1 совпадает с направлением обхода контура;
f=e + Е4 направление ЭДС Е1 совпадает с направлением обхода контура;
a=f + I4R4 направление тока I4 не совпадает с направлением обхода контура.
- Потенциальная диаграмма строится в прямоугольной системе координат, в которой по горизонтальной оси откладываются значения сопротивлений между i точкой контура и точкой, потенциал которой принят равным нулю. По вертикальной оси откладываются значения потенциалов соответствующих точек. Оцифровка осей должна быть равномерной, а оси должны иметь наименование с указанием размерностей.
Рис. 5. Потенциальная диаграмма внешнего контура расчетной цепи
Так как а=0, точку а расположим в начале координат. Поскольку сопротивление между точками а и b равно нулю, то потенциал а возрастает скачком (рис. 5). Координаты точки с определяются величиной рассчитанного потенциала с и сопротивлением участка a-b-c, которое равно R1 (см. рис. 4).
От точки с до точки d потенциал уменьшается скачком, т. к. сопротивление участка a-b-с-d остается равным R1 (см. рис. 4).
Координаты точки е определяются величиной потенциала е и сопротивлением участка a-b-с-d-е, которое, как видно из рисунка 4, равно R1+R2.
В точке f потенциал так же возрастает скачком, т. к. сопротивление участка a-b-с-d-е-f остается равным R1+R2 (см. рис. 4).
Завершается построение диаграммы точкой а, координаты которой определяются теперь величиной потенциала a и сопротивлением контура a-b-с-d-е-f-а, которое равно R1+R2+R4 (рис. 4). При построении диаграммы необходимо указать градуировку (оцифровку) каждой оси.
ДОМАШНЕЕ ЗАДАНИЕ № 2
Рабочее задание:
Варианты домашних заданий приведены в Приложении 2.
1. По заданным значениям напряжения, частоты и параметров элементов найдите символическим методом токи во всех ветвях и напряжения на всех элементах цепи.
2. Составьте баланс комплексных мощностей.
3. Постройте в масштабе векторные диаграммы токов и напряжений.
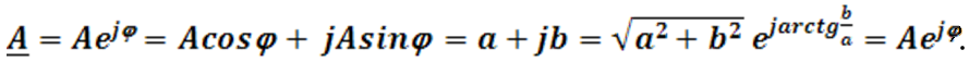
АРИФМЕТИКА КОМПЛЕКСНЫХ ЧИСЕЛ
Для цепей переменного тока, так же как и для цепей постоянного тока, справедливы законы Кирхгофа. Поэтому все основанные на их использовании методы расчета цепей применимы и для цепей переменного тока. Однако токи, сходящиеся в узле, так же как и напряжения, действующие на элементах контура, суммируются геометрически, т. е. складываются соответствующие векторы.
В этом случае электротехническая задача может быть сведена к задаче геометрической, к расчету треугольников.
Такой метод требует точного построения векторной диаграммы, что невозможно без проведения предварительных расчетов токов и напряжений приемника.
Символический метод расчета электрических цепей основан на описании векторов комплексными числами, что позволяет заменить геометрическое сложение векторов суммированием комплексных чисел, соответствующих векторам.
В данный момент времени положение вращающегося вектора на плоскости можно описать двумя методами:
1) задавая его проекции на оси координат.
2) задавая его длину (в математике длина вектора называется модулем) и угол, который вектор образует с положительным направлением горизонтальной оси.
На комплексной плоскости горизонтальная ось обозначается символами «-1» и «+1» и называется осью действительных величин. Вертикальная ось символами «-j» и «+j» и называется осью мнимых величин j= и называется мнимой единицей (рис. 6).
Положение вектора на комплексной плоскости можно записать (рис. 6):
.
Сомножители 1 перед a и j перед b указывают, на какие оси спроектирован вектор. Подчеркивание снизу символа A означает комплексную величину.
Такая форма записи называется алгебраической и удобна для проведения операций сложения и вычитания. Например, требуется сложить два вектора: и . Имеем:
.
Из рисунка 6 видно, что проекции вектора A на оси равны:
a=Acos, b=Asin,
где А модуль или длина вектора A (обратите внимание, что этот символ не имеет никаких подчеркиваний).
Тогда:
A =Acos + jAsin = A(cos + jsin).
Такая форма записи комплексного числа называется тригонометрической.
Учитывая, что cos + jsin = ej, получаем:
A =A ej.
Такая форма записи комплексного числа называется показательной, она удобна для умножения и деления. Например, требуется перемножить и разделить векторы: A =5 ej30, В =10 e-j90. Имеем:
,
.
Для перехода от показательной формы записи к алгебраической и, наоборот, от алгебраической к показательной воспользуемся треугольником, выделенным на рисунке 6, и применим теорему Пифагора:

Например:
УКАЗАНИЯ К ВЫПОЛНЕНИЮ ДОМАШНЕГО ЗАДАНИЯ № 2
Цепи с одним источником энергии целесообразно рассчитывать методом эквивалентного преобразования.
При расчете рекомендуется придерживаться следующей последовательности.
1.На схеме указать положительное направление напряжения на зажимах источника и положительные направления токов во всех ветвях.
2.Определить индуктивные и емкостные сопротивления ветвей, имеющих соответствующие реактивные приемники.
3.Записать комплексы полных сопротивлений каждой ветви.
4.Рассчитать комплекс полного сопротивления параллельного участка
5.Рассчитать комплекс полного сопротивления цепи.
6.Рассчитать комплекс тока в неразветвленной части цепи.
7.Рассчитать комплекс напряжения на неразветвленном участке цепи.
8.Рассчитать комплекс напряжения на параллельном участке цепи.
9.Рассчитать комплексы токов параллельных ветвей.
10.Составить баланс комплексных мощностей.
11.Построить векторные диаграммы.
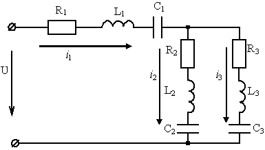
Рассмотрим технологию расчета на примере цепи, изображенной на рис. 7.

Рис. 7. Расчетная цепь
1. Положительное направление напряжения на зажимах источника указывается произвольно. Положительное направление токов в ветвях указывается в соответствии с выбранным направлением напряжения.
2. Индуктивное XLi и емкостное XCi сопротивления реактивных элементов находятся по соответствующим формулам: XL=2fL; XC При расчете реактивных сопротивлений индуктивности подставляются в формулы в генри (Гн), а емкости в фарадах (Ф).
3. Комплексы полных сопротивлений ветвей Zi записываются в соответствии с выражением:
.
Рекомендуем запись комплексных сопротивлений ветвей производить одновременно в двух формах: алгебраической и показательной. При отсутствии в i ветви одного или двух приемников в выражении для Zi проставляются нули.
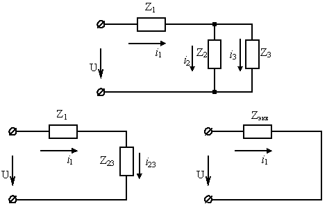
4. Комплекс полного сопротивления двух параллельных ветвей рассчитывают по формуле, аналогичной для расчета эквивалентного сопротивления параллельных ветвей постоянного тока. Но вместо R в нее входят соответствующие комплексы полных сопротивлений Zi. Например:
.

Рис. 8. Эквивалентные схемы расчетной цепи
При подстановке значений комплексов полных сопротивлений ветвей в формулу рекомендуем для числителя использовать показательную форму записи комплекса, а для знаменателя алгебраическую. После вычисления знаменателя его необходимо перевести в показательную форму записи. Например:
,
, тогда

После вычисления дроби рекомендуем результат вновь представить в алгебраической форме, используя тригонометрическую форму записи комплексного числа. При переводе комплекса в алгебраическую форму записи не забывайте о знаке аргумента .
5. После расчета комплекса полного сопротивления параллельного участка цепь, изображенная на рисунке 7, может быть представлена одной из эквивалентных схем (рис. 8).
Комплекс полного сопротивления всей цепи Zэкв можно найти суммированием комплексов Z1 и Z23 (суммирование комплексов сопротивлений производится в алгебраической форме записи):
Zэкв = Z1 + Z23.
Если параллельные ветви сами являются разветвленными, то вначале производится эквивалентное преобразование каждой из них, как описано в п.3-5, а потом расчет комплекса полного сопротивления всей цепи.
6. В соответствии с эквивалентными схемами (рис. 8) комплекс тока в неразветвленной части цепи можно найти на основании закона Ома для последовательной цепи, записанного в комплексной форме:
.
Так как начальная фаза приложенного напряжения обычно не задается, то для упрощения расчетов ее можно принять равной нулю, т. е. U=Uej0.
7. Комплексы напряжений на неразветвленном и на параллельном участке цепи легко определить, пользуясь законом Ома для участка цепи, т. к. комплексы I1, Z1 и Z23 известны:
U1= I1 Z1; U23= I1 Z23.
8. Комплексы токов в параллельных ветвях можно рассчитать, пользуясь законом Ома, т. к. комплексы полных сопротивлений параллельных ветвей известны, а комплекс на параллельном участке определен в предыдущем пункте:
; .
- В соответствии с законом сохранения энергии, комплекс мощности источника должен быть равен сумме комплексов мощностей всех ветвей цепи:
,

где - комплексная мощность источника; комплексная мощность i ветви; - сопряженный комплекс тока (т. е. знак перед углом j меняется на противоположный).
При расчете мощностей результат необходимо записать в алгебраической форме. Действительная часть есть активная мощность, а мнимая - реактивная.
Расхождение в балансах активных и реактивных мощностей при правильном расчете задачи не должно превышать 2%.
10.Векторную диаграмму можно начать строить с вектора приложенного напряжения U, т. к. начальная его фаза была принята равной нулю. Поэтому вектор общего напряжения откладывается вдоль оси действительных величин (+1). Векторы напряжений на неразветвленных участках цепи строятся под соответствующими углами i по отношению к оси действительных величин. Отрицательные углы откладываются по направлению вращения часовой стрелки, а положительные против часовой стрелки. Векторы также можно строить по тангенсу, например, необходимо построить вектор , тогда по оси действительных величин (+1) откладываем 10 делений, а по оси мнимых величин 2 деления (масштаб по оси мнимых и по оси действительных величин должен быть один и тот же).
Рис. 9. Пример построения вектора
Аналогично строятся векторы токов в ветвях. При правильно определенных комплексах токов и напряжений вектор тока в неразветвленной части цепи должен быть диагональю параллелограмма, двумя сторонами которого являются векторы токов в параллельных ветвях, вектор приложенного напряжения должен быть диагональю параллелограмма, сторонами которого являются векторы напряжений на неразветвленном участке цепи и на параллельных ветвях. Векторы токов и напряжений рекомендуем строить разноцветными.
Для примера рассмотрим векторную диаграмму цепи, представленной на рисунке 7. Предположим, что в результате расчетов получены следующие комплексные значения токов и напряжений:
|
; |
; |
|
; |
; |
|
В; |
. |
Для построения векторной диаграммы выбираем масштаб для напряжений и токов, который указываем на ней. Рекомендуем полученные комплексы токов и напряжений представить в алгебраической и показательной формах. Напомним, что значение с индексом 1 является конечной координатой данного вектора на оси действительных величин, а значение с индексом j на оси мнимых величин. Начало вектора совпадает с началом координат (рис. 10).
Обратите внимание, что при построении векторной диаграммы вектор тока I1 в неразветвленной части цепи должен быть равен геометрической сумме векторов токов I2 и I3 (при суммировании векторов тока I2 и I3 должен получиться параллелограмм), а геометрическая сумма векторов напряжений U1 и U23 должна быть равна вектору общего напряжения U (при суммировании векторов напряжений U1 и U23 должен получиться параллелограмм).
Например, при построении вектора , по оси действительных величин (+1 -1) откладываем 7,65 дел., а по оси мнимых величин (+j - -j) 0,94 дел. Обратите внимание, что если комплекс вектора представлен в показательной форме , то длина вектора должна соответствовать 7,7 дел., а угол между осью действительных величин +1 и вектором составит 7о.
Рис. 10. Пример построения векторной диаграммы
ДОМАШНЕЕ ЗАДАНИЕ № 3
Варианты домашних заданий, таблицы насосов, параметры веществ и электродвигателей приведены в Приложении 3.
Цель работы: настоящее домашнее задание ставит своей целью систематизировать знания, полученные при изучении раздела «электропривод» курса электротехники, и привить навык по выбору мощности двигателя для конкретного электропривода.
Содержание работы:
1. По заданной производительности производственного механизма выберете тип и серию (марку) двигателя для электропривода.
2. Рассчитайте мощность и ток, потребляемые двигателем из сети, а также номинальный момент и пусковой ток двигателя.
3. Изобразите схему управления и защиты и опишите принцип работы.
Методические указания по выполнению работы
Понятие об электроприводе
Электроприводом называется электромеханическое устройство, осуществляющее преобразование электрической энергии в механическую, и обеспечивающее электрическое управление механической энергией. Таким образом, электрический привод состоит из электрического двигателя , передаточного механизма и средств управления и автоматизации. Современный электрический привод позволяет осуществлять работу машины по заданной программе [1].
Правильный выбор мощности двигателя является одной из важнейших задач при разработке электропривода производственного механизма. Завышенная мощность двигателя увеличивает капитальные затраты и ухудшает технико-экономические показатели. При этом снижается КПД и ухудшается коэффициент мощности двигателей переменного тока. Заниженная мощность двигателя не обеспечивает заданного режима рабочей машины и может привести к выводу двигателя из строя.

Рис. 11. Нагрузочные диаграммы для длительного режима
Одним из основных факторов, определяющих выбор мощности двигателя, является мощность и характер нагрузки. Мощность двигателя выбирается в зависимости от характера нагрузки так, чтобы в процессе работы он не нагревался выше допустимой температуры и допускал кратковременную перегрузку. Различают следующие режимы работы электропривода:
1.Длительный режим. Продолжительность работы такова, что все части успевают нагреться до установленной температуры. При этом нагрузка может быть равномерной (постоянной) (рис. 11,а) или непрерывной (рис. 11,б).
2. Кратковременный режим. Режим считается кратковременным, если за время работы двигатель не успевает нагреться до установившейся температуры, а за время паузы успевает остыть до температуры окружающей среды.
3. Повторно-кратковременный режим. Режим работы называется повторно-кратковременным, если двигатель так часто включается и выключается, что за время работы не успевает нагреться до установившееся температуры, а за время паузы не успевает остыть до температуры окружающей среды.
На практике электродвигатели часто работают при нагрузке, которая меняется с течением времени. В этом случае режим работы двигателя удобно представить в виде перегрузочной диаграммы, показывающей, как меняется мощность, момент или ток двигателя во времени в процессе работы (рис. 11,б).
ВЫБОР ТИПА ДВИГАТЕЛЯ
Выбор типа двигателя зависит от ряда факторов: характера окружающей среды (влажная, активно-химическая, высокая или низкая температура и пр.); требований к конструктивному исполнению, охлаждению, креплению, управлению и регулированию; требуемых механических и регулировочных характеристик; напряжения и частоты электрической сети; требуемой частоты вращения и др.
Из многочисленных типов двигателей переменного и постоянного тока для привода той или иной производственной машины должен быть выбран двигатель, который наиболее полно удовлетворял бы технико-экономическим требованиям. Это значит, что необходимо выбрать двигатель наиболее простой по управлению, надежный при эксплуатации, имеющий наименьшую стоимость, вес и габаритные размеры, а также высокие энергетические показатели.
В сравнении со всеми существующими типами двигателей этим требованиям наиболее полно отвечают асинхронные двигатели с короткозамкнутным ротором. Двигатели обладают высокими техническими показателями (жесткая механическая характеристика; cos = 0,60,92; = 0,60,94; Мпуск/Мном = 0,92,2; Iпуск/Iном = 47,5). Технические условия, определяющие требования к асинхронным двигателям, сформулированы в ГОСТ 19523-81. По этой причине асинхронные двигатели нашли широкое применение во всех отраслях народного хозяйства для привода различного рода механизмов и машин, не требующих регулирования частоты вращения в процессе работы.
Для нерегулируемых электроприводов средней и большой мощности, работающих в продолжительном режиме с редкими пусками (преобразовательные установки, компрессоры, мощные насосы, воздуходувки и т. д.), следует использовать синхронные двигатели. Они отличаются более высоким КПД, допускают регулирование коэффициента мощности, что имеет большое практическое значение там, где необходимо компенсировать реактивную мощность. Применение синхронных машин малой мощности экономически менее выгодно, т. к. капитальные затраты не окупаются эксплуатационными преимуществами.
ПОРЯДОК ВЫПОЛНЕНИЯ РАБОТЫ
- Рассчитайте мощность двигателя. Расчетная мощность для электродвигателя, используемого для привода насоса, работающего с постоянной производительностью, определяется по формуле:

где Q производительность насоса, м3/с (определяется из справочника-каталога);
Н расчетая высота подачи (напор), м (определяется заданием к домашней работе);
удельный вес жидкости, Н/м3, ( = g, g ускорение свободного падения, g = 9,81 м/с2; плотность жидкости, кг/м3);
нас. КПД насоса (определяется из справочника-каталога);
пер. КПД передач (клиноременной 0,970,98).
Расчетная мощность для электродвигателя, используемого привода вентилятора, работающего с постоянной производительностью, определяется по формуле:

где Q производительность вентилятора, м3/с (определяется заданием к домашней работе);
Н давление, Н/м (определяется из справочника-каталога);
нас. КПД вентилятора (определяется из справочника-каталога);
пер. КПД передач (клиноременной 0,970,98).
По расчетной мощности и частоте вращения двигателя (определяется из рабочего задания) выберете тип и марку двигателя.
Если температура окружающей среды не отличается от принятой ГОСТом, то выбор двигателя для продолжительного (длительного) режима с постоянной нагрузкой сводится к выбору его по каталогу. При этом должно удовлетворяться условие:
Рном Ррас,
Рном. номинальная мощность на валу двигателя (по каталогу);
Ррас. расчетная мощность электродвигателя.
Выбор типа двигателя производится согласно соображениям, приведенным выше (см. выбор типа двигателя).
- По паспортным данным рассчитайте мощность, потребляемую двигателем из сети.
,
где P1 мощность двигателя, потребляемая из сети;
P2 мощность на валу двигателя (Pном);
КПД двигателя.
- По расчетному значению потребляемой мощности и паспортным данным вычислите силу потребляемого тока.

4. По паспортным данным кратности пускового тока определите пусковой ток. Например: , тогда
5. По паспортным данным номинальной мощности и частоты вращения найдите номинальный момент двигателя.
.
6. Начертите соединение обмоток статора (при номинальном напряжении 380 В схема соединения обмоток статора звезда, при номинальном напряжении 220 В схема соединения обмоток статора треугольник).
7. Начертите схему управления и защиты двигателя и опишите ее работу.
ОФОРМЛЕНИЕ ПОЯСНИТЕЛЬНОЙ ЗАПИСКИ
Пояснительная записка должна содержать:
1.Номер варианта задания.
2.Исходные данные для расчета в виде таблицы.
3.Тип и параметры насоса или вентилятора в виде таблицы (тип насоса или вентилятора по исходному заданию).
3.Расчет мощности двигателя.
4.Тип и параметры выбранного двигателя в виде таблицы.
5.Расчет требуемых величин.
6.Схему соединения обмоток статора.
7.Схему управления и защиты двигателя с описанием ее работы.

Рис. 12. Схема пуска и защиты короткозамкнутого асинхронного двигателя: QF автоматический выключатель, FU плавкие предохранители, КМ - контактор, КК - обмотки и контакты теплового реле, SB1 кнопка «Пуск», SB2 кнопка «Стоп»
Приложение 1
К ДОМАШНЕМУ ЗАДАНИЮ № 1
По заданным значениям ЭДС и сопротивлений определить токи во всех ветвях цепи (стрелками показаны направления ЭДС)




Приложение 2
К ДОМАШНЕМУ ЗАДАНИЮ № 2
По данным таблицы рассчитать токи и углы сдвига фаз в каждой ветви цепи
Построить векторную диаграмму токов и напряжений


Приложение 3
К ДОМАШНЕМУ ЗАДАНИЮ № 3
Параметры насосов
|
Вариант |
Тип насоса |
Напор Н, м |
n, об/мин |
Перекачиваемая жидкость и температура, °С |
Напряжение электрической сети UЛ, В |
|
1 |
2КМ-6 |
30,8 |
2900 |
Вода, 30 |
380 |
|
2 |
2К-9 |
19 |
2900 |
Вода, 22 |
220 |
|
3 |
2КМ-6 |
35 |
2900 |
Вода, 34 |
380 |
|
4 |
2КМ-6а |
25 |
2900 |
Глицерин 50%, 20 |
380 |
|
5 |
2КМ-6б |
16 |
2900 |
Глицерин 50%, 10 |
380 |
|
6 |
2К-9а |
15 |
2900 |
Спирт бутиловый, 20 |
220 |
|
7 |
ЗК-9 |
27 |
2900 |
Спирт этиловый, 40 |
380 |
|
8 |
ЗК-6 |
50 |
2900 |
Спирт метиловый, 20 |
220 |
|
9 |
ЗКМ-6 |
57 |
2900 |
Вода, 10 |
380 |
|
10 |
2К-9б |
12 |
2900 |
Спирт метиловый, 40 |
380 |
|
11 |
ЗК-6 |
45 |
2900 |
Толуол, 20 |
380 |
|
12 |
ЗКМ-6а |
36 |
2900 |
Глицерин 50%, 40 |
220 |
|
13 |
ЗК-9а |
19 |
2900 |
КОН 20%, 18 |
380 |
|
14 |
4К-6 |
81 |
2900 |
NaOH 10%, 18 |
380 |
|
15 |
4К-6а |
63,5 |
2900 |
КОН 30%, 18 |
380 |
|
16 |
4К-8 |
48 |
2900 |
NaOH 20%, 18 |
380 |
|
17 |
4К-8а |
43 |
2900 |
NH310%. 18 |
380 |
|
18 |
4КМ-12 |
32 |
2900 |
NaOH 30%, 18 |
380 |
|
19 |
4К-12а |
25 |
2900 |
NH3 20%, 18 |
220 |
|
20 |
4К-18 |
19 |
2900 |
NaOH 34%, 18 |
220 |
|
21 |
6К-8 |
35 |
1450 |
NH3 24%, 18 |
380 |
|
22 |
6К-8а |
27 |
1450 |
КОН 26%, 18 |
380 |
|
23 |
6К-8б |
18 |
1450 |
КОН 38%, 18 |
380 |
|
24 |
6К-12 |
21 |
1450 |
NH36%, 18 |
220 |
|
25 |
6К-12а |
12 |
1450 |
NaOH 4%, 18 |
220 |
|
26 |
8К-12 |
25,4 |
1450 |
КОН 50%, 18 |
380 |
|
27 |
8К-12а |
26 |
1450 |
NH3 8%, 18 |
380 |
|
33 |
ХНЗ 5/25 |
13,5 |
1450 |
Н2 S04 18%, 16 |
380 |
|
34 |
ЯНЗ 5/23 |
12 |
1450 |
Н2 S04 12%, 18 |
220 |
|
35 |
ЭИНЗ 5/25 |
10,5 |
1450 |
HN03 20%, 18 |
380 |
|
36 |
ХНЗ 6/30 |
20,5 |
1450 |
НС1 10%, 18 |
220 |
|
37 |
ЭИНЗ 6/27 |
16,5 |
1450 |
НС1 24%, 18 |
380 |
|
38 |
ЗЦ-4 |
39 |
1450 |
NH310%, 18 |
220 |
|
39 |
ЗЦ-4 х 2 |
63,5 |
1470 |
NH3 32%, 18 |
380 |
|
46 |
6НДв |
48 |
1450 |
Спирт этиловый, 20 |
380 |
|
47 |
ЗКс 6 х 2 |
50,5 |
2900 |
Глицерин 50%, 10 |
380 |
|
48 |
ЗКс 6х2б |
32 |
2900 |
Толуол, 20 |
380 |
|
49 |
5Кс 5 х 4 |
115 |
1480 |
Фенол, 20 |
380 |
|
50 |
5Кс 5x2 |
38 |
1450 |
Спирт метиловый, 40 |
380 |
|
51 |
5Кс 5 х 4б |
68 |
1480 |
Спирт этиловый, 20 |
380 |
|
52 |
8К-18 |
18 |
1450 |
Спирт бутиловый, 20 |
380 |
|
53 |
8К-18а |
16 |
1450 |
Спирт бутиловый, 0 |
380 |
|
54 |
2К-9 |
19 |
2900 |
Вода, 18 |
220 |
|
55 |
4К-8 |
54 |
2900 |
Вода, 26 |
220 |
Каталог насосов
|
Марка насоса |
Подача Q |
Полный напор Н, м |
Число оборотов n, об/мин |
Мощность N, кВт |
КПД насоса, % |
Допустимая вакуметрич. высота всасывания Н, м |
Диаметр рабочего колеса D, мм |
||
|
м3/ч |
л/сек |
на валу насоса |
электро двигат. |
||||||
|
2КМ-6 |
20 |
5,5 |
30,8 |
2900 |
2,7 |
4,5 |
64 |
7,2 |
162 |
|
2К-9 |
11 |
3 |
21 |
2900 |
1,2 |
2,8 |
58 |
8 |
129 |
|
29 |
5,5 |
18,5 |
2900 |
1,5 |
2,8 |
68 |
6,8 |
129 |
|
|
22 |
6,1 |
17,5 |
2900 |
1,6 |
2,8 |
66 |
6,4 |
129 |
|
|
2КМ-6а |
10 |
2,8 |
28,5 |
2900 |
1,4 |
2,8 |
54,5 |
8,7 |
148 |
|
20 |
5,5 |
25,2 |
2900 |
2,1 |
2,8 |
65,6 |
7,2 |
148 |
|
|
30 |
8,3 |
20 |
2900 |
2,6 |
2,8 |
64,1 |
5,7 |
148 |
|
|
2КМ-66 |
10 |
2,8 |
22,6 |
2900 |
1,2 |
2,8 |
54,3 |
8,7 |
132 |
|
20 |
5,5 |
18,8 |
2900 |
1,6 |
2,8 |
65 |
7,2 |
132 |
|
|
23 |
6,9 |
16,4 |
2900 |
1,7 |
2,8 |
64 |
6,6 |
132 |
|
|
2К-9а |
10 |
2,8 |
16,8 |
2900 |
0,8 |
1,7 |
54 |
8,1 |
118 |
|
17 |
4,7 |
15 |
2900 |
1,1 |
1,7 |
65 |
7,3 |
118 |
|
|
21 |
5,8 |
13,2 |
2900 |
1,2 |
1,7 |
63 |
6,6 |
118 |
|
|
ЗК-9 |
30 |
8,3 |
34,8 |
2900 |
4,6 |
7 |
62 |
7 |
168 |
|
45 |
12,5 |
31 |
2900 |
5,5 |
7 |
71 |
6 |
168 |
|
|
54 |
15 |
27 |
2900 |
5,8 |
7 |
71,5 |
2,9 |
168 |
|
|
ЗК-6 ЗКм6 |
30 |
8,3 |
62 |
2900 |
9,4 |
14 |
54,4 |
7,7 |
218 |
|
45 |
12,3 |
57 |
2900 |
10,1 |
63,5 |
6,7 |
218 |
||
|
60 |
16,7 |
50 |
2900 |
12,5 |
20 |
66,3 |
5,6 |
218 |
|
|
70 |
19,5 |
44,5 |
2900 |
13,4 |
63 |
4,4 |
218 |
||
|
2К-96 |
10 |
2,8 |
13 |
2900 |
0,7 |
1,7 |
51 |
8,1 |
106 |
|
15 |
4,2 |
12 |
2900 |
0,8 |
1,7 |
60 |
7,6 |
106 |
|
|
20 |
5,5 |
10,3 |
2900 |
0,9 |
1,7 |
62 |
6,8 |
106 |
|
|
ЗК-6а ЗКМ-6а |
30 |
8,3 |
45 |
2900 |
6,4 |
55 |
7,3 |
192 |
|
|
40 |
11,1 |
41,5 |
2900 |
7,4 |
10 |
62 |
7,1 |
192 |
|
|
50 |
13,9 |
37,5 |
2900 |
8 |
64 |
6,4 |
192 |
||
|
65 |
18 |
30 |
2900 |
8,5 |
14 |
59,5 |
5,3 |
192 |
|
|
ЗК-9а |
25 |
7 |
24,2 |
2900 |
2,7 |
4,3 |
62,5 |
7 |
143 |
|
35 |
9,7 |
22,5 |
2900 |
3,1 |
4,3 |
70 |
6,9 |
143 |
|
|
45 |
12,5 |
19,5 |
2900 |
3,4 |
4,3 |
71 |
6 |
143 |
|
|
4К-6 4КМ-6 |
65 |
18 |
98 |
2900 |
28 |
55 |
63 |
7,1 |
272 |
|
90 |
25 |
91 |
2900 |
33 |
55 |
68 |
6,2 |
272 |
|
|
115 |
32 |
81 |
2900 |
37,5 |
55 |
68,5 |
5,1 |
272 |
|
|
135 |
37,5 |
72,5 |
2900 |
40,5 |
55 |
66 |
4 |
272 |
|
|
4К-6а 4КМ-6а |
65 |
18 |
82 |
2900 |
23,2 |
40 |
63,2 |
7,1 |
250 |
|
85 |
23,6 |
76 |
2900 |
25,5 |
40 |
67,5 |
6,4 |
250 |
|
|
105 |
29,2 |
69,5 |
2900 |
29,4 |
40 |
68,5 |
5,5 |
250 |
|
|
125 |
34,7 |
61,6 |
2900 |
32 |
40 |
66 |
4,6 |
250 |
|
|
4К-8 4КМ-8 |
70 |
19,4 |
59 |
2900 |
17,5 |
28 |
65,5 |
5,3 |
218 |
|
90 |
25 |
54,9 |
2900 |
19,5 |
28 |
71 |
5 |
218 |
|
|
109 |
30,4 |
47,8 |
2900 |
20,9 |
28 |
69 |
4 |
218 |
|
|
120 |
33,4 |
43 |
2900 |
21,4 |
28 |
66 |
3,8 |
218 |
|
|
4К-8а 4Км-8а |
70 |
19,4 |
48 |
2900 |
13,6 |
67 |
5,3 |
200 |
|
|
90 |
25 |
43 |
2900 |
15,5 |
20 |
69 |
5 |
200 |
|
|
109 |
30,4 |
36,8 |
2900 |
16,5 |
65 |
4 |
200 |
||
|
4К-12 4КМ-12 |
65 |
18 |
37,7 |
2900 |
9,3 |
72 |
6,7 |
174 |
|
|
90 |
25 |
34,6 |
2900 |
10,9 |
14 |
78 |
5,8 |
174 |
|
|
120 |
33,3 |
28 |
2900 |
13,4 |
74,5 |
3,3 |
174 |
||
|
4К-12а 4Км-12а |
60 |
16,7 |
31,6 |
2900 |
7,5 |
14 |
70 |
6,9 |
163 |
|
85 |
23,6 |
28,6 |
2900 |
8,7 |
76 |
6 |
163 |
||
|
110 |
23,3 |
30,6 |
2900 |
9,7 |
73,5 |
4,5 |
163 |
||
|
4К-18 |
60 |
16,7 |
25,7 |
2900 |
5,6 |
7 |
76 |
5,4 |
148 |
|
80 |
22,2 |
22,8 |
2900 |
6,3 |
79,5 |
5,3 |
148 |
||
|
100 |
27,8 |
18,9 |
2900 |
6,7 |
77 |
4,2 |
148 |
||
|
6К-8 6КМ-8 |
110 |
30,6 |
36,5 |
1450 |
17,6 |
28 |
70 |
6,6 |
328 |
|
140 |
38,8 |
35,9 |
1450 |
18,4 |
75 |
6,3 |
328 |
||
|
170 |
47,2 |
32,5 |
1450 |
20,6 |
76,5 |
5,9 |
328 |
||
|
190 |
52,8 |
31 |
1450 |
23 |
75 |
5,4 |
328 |
||
|
6К-8а 6Км-8а |
110 |
30,6 |
30,5 |
1450 |
13,5 |
20 |
72 |
6,6 |
300 |
|
140 |
38,8 |
28,6 |
1450 |
14,7 |
73,6 |
6,3 |
300 |
||
|
170 |
47,2 |
25,8 |
1450 |
15,7 |
76 |
5,9 |
300 |
||
|
190 |
50 |
25 |
1450 |
16,5 |
74 |
5,8 |
300 |
||
|
6К-8б 6Км-8б |
110 |
30,6 |
24,4 |
1450 |
102 |
71,3 |
6,6 |
275 |
|
|
140 |
38,8 |
22 |
1450 |
110 |
74 |
6,3 |
275 |
||
|
180 |
50 |
18 |
1450 |
13,5 |
65 |
5,9 |
275 |
||
|
6К-12 6КМ-12 |
110 |
30,6 |
22,7 |
1450 |
9 |
14 |
76 |
8,5 |
264 |
|
160 |
44,5 |
20,1 |
1450 |
10,8 |
81 |
7,9 |
264 |
||
|
200 |
55,6 |
17,1 |
1450 |
11,9 |
79 |
7 |
264 |
||
|
6К-12а 6КМ-12а |
95 |
26,4 |
17,8 |
1450 |
23,6 |
40 |
79 |
6,5 |
315 |
|
150 |
47,1 |
15 |
1450 |
27 |
82,5 |
5,6 |
315 |
||
|
180 |
50 |
12,6 |
1450 |
30 |
80 |
4,7 |
315 |
||
|
8К-12 8КМ-12 |
220 |
6,1 |
32 |
1450 |
23,6 |
79 |
6,5 |
315 |
|
|
280 |
77,8 |
29,1 |
1450 |
27 |
82,5 |
5,6 |
315 |
||
|
340 |
94,5 |
25,4 |
1450 |
30 |
80 |
4,7 |
315 |
||
|
8к-12а 8Км-12а |
200 |
55,6 |
26 |
1450 |
17,7 |
28 |
79,9 |
6,7 |
290 |
|
250 |
69,5 |
24 |
1450 |
19,8 |
82,5 |
6,1 |
290 |
||
|
290 |
80,5 |
21,8 |
1450 |
21,4 |
81 |
5,5 |
290 |
||
|
ХНЗ 5/25 ЗИНЗ 5/25 |
18 |
5 |
13,5 |
1450 |
2,4 |
74,5 |
29 |
- |
250 |
|
25 |
7 |
12 |
1450 |
2,6 |
32 |
- |
250 |
||
|
32 |
8,8 |
10,3 |
1450 |
2,8 |
32,9 |
- |
250 |
||
|
ХНЗ 6/30 |
30 |
8,3 |
24,5 |
1450 |
5,7 |
14-20 |
35,5 |
- |
300 |
|
50 |
13,9 |
20,5 |
1450 |
7,3 |
40 |
- |
300 |
||
|
70 |
19,5 |
15,5 |
1450 |
8,4 |
35,5 |
- |
300 |
||
|
ЯН3 5/23 |
15 |
4,1 |
12 |
1450 |
18 |
2,8-4,5 |
28 |
- |
230 |
|
22 |
6,1 |
10,5 |
1450 |
21 |
31,5 |
- |
230 |
||
|
29 |
8,1 |
9 |
1450 |
22 |
32,5 |
- |
230 |
||
|
ЭИНЗ 6/27 |
25 |
7 |
20,5 |
1450 |
4 |
10-14,0 |
35 |
- |
270 |
|
45 |
12,5 |
16,5 |
1450 |
5,3 |
40 |
- |
270 |
||
|
65 |
18,5 |
11,5 |
1450 |
6 |
35 |
- |
270 |
||
|
ЗЦ-4 |
22 |
6,1 |
39 |
1450 |
5 |
8 |
46,5 |
5 |
350 |
|
30 |
8,3 |
37,2 |
1450 |
5,9 |
52,7 |
5 |
350 |
||
|
38 |
10,6 |
34 |
1450 |
6,8 |
53 |
5 |
350 |
||
|
ЗЦ-4*2 |
25 |
6,95 |
67,4 |
1470 |
12,6 |
16 |
42,5 |
5 |
350 |
|
30 |
8,3 |
65,5 |
1470 |
13,7 |
45,5 |
5 |
350 |
||
|
35 |
9,7 |
63,5 |
1470 |
14,6 |
47,5 |
5 |
350 |
||
|
12НДС |
1260 |
350 |
64 |
1450 |
250 |
270 |
88 |
3,6 |
460 |
|
1260 |
350 |
54 |
1450 |
210,4 |
125 |
87 |
3,6 |
430 |
|
|
1260 |
350 |
44 |
1450 |
180 |
190 |
84 |
3,6 |
400 |
|
|
1080 |
300 |
68 |
1450 |
230 |
260 |
87 |
4,8 |
460 |
|
|
1080 |
300 |
58 |
1450 |
196 |
225 |
87 |
4,8 |
430 |
|
|
1080 |
300 |
48 |
1450 |
162 |
190 |
87 |
4,8 |
400 |
|
|
900 |
250 |
70 |
1450 |
206 |
225 |
83 |
5 |
460 |
|
|
900 |
250 |
60 |
1450 |
177 |
190 |
84 |
5 |
430 |
|
|
900 |
250 |
51 |
1450 |
148 |
160 |
84 |
5 |
400 |
|
|
14НДс |
1260 |
350 |
37 |
960 |
147 |
160 |
87 |
5 |
540 |
|
1260 |
350 |
32 |
960 |
129 |
140 |
85 |
5 |
510 |
|
|
1080 |
300 |
40 |
960 |
129 |
150 |
89 |
5 |
540 |
|
|
1080 |
300 |
35 |
960 |
117 |
130 |
88 |
5 |
510 |
|
|
900 |
300 |
30 |
960 |
101 |
115 |
88 |
5 |
480 |
|
|
900 |
250 |
42 |
960 |
121 |
140 |
85 |
5 |
540 |
|
|
900 |
250 |
37 |
960 |
105 |
115 |
86 |
5 |
510 |
|
|
900 |
250 |
32 |
960 |
92 |
100 |
87 |
5 |
480 |
|
|
800 |
220 |
33 |
960 |
84,6 |
100 |
84 |
5 |
480 |
|
|
18НДс |
1980 |
550 |
34 |
730 |
200,8 |
225 |
91 |
4,8 |
700 |
|
2700 |
750 |
58 |
960 |
470 |
520 |
91 |
1,3 |
700 |
|
|
6НДв |
360 |
100 |
46 |
1450 |
60,5 |
75 |
75 |
4 |
405 |
|
360 |
100 |
39 |
1450 |
52,2 |
75 |
73 |
4 |
380 |
|
|
360 |
100 |
33 |
1450 |
45,6 |
55 |
71 |
4 |
380 |
|
|
325 |
90 |
49 |
1450 |
56,6 |
75 |
76 |
5 |
405 |
|
|
300 |
84 |
44 |
1450 |
47,9 |
55 |
76 |
5,2 |
380 |
|
|
300 |
84 |
38 |
1450 |
42,7 |
55 |
74 |
5,2 |
380 |
|
|
250 |
70 |
54 |
1450 |
50,8 |
55 |
74 |
5 |
405 |
|
|
250 |
70 |
46 |
1450 |
43,5 |
55 |
73 |
5,5 |
380 |
|
|
250 |
70 |
40 |
1450 |
37,6 |
55 |
73 |
5,5 |
380 |
|
|
216 |
60 |
48 |
1450 |
40,5 |
55 |
70 |
5,5 |
380 |
|
|
216 |
60 |
47 |
1450 |
35,5 |
40 |
7,1 |
5,5 |
380 |
|
|
ЗКс-6*2 |
16 |
4,5 |
66,5 |
2900 |
5,8 |
10 |
51,5 |
1,4 |
185 |
|
21,6 |
6 |
59,5 |
2900 |
6,4 |
10 |
55 |
2 |
185 |
|
|
27 |
7,5 |
50,5 |
2900 |
6,8 |
10 |
55 |
2,4 |
185 |
|
|
ЗКс-6*2б |
14,5 |
4 |
44 |
2900 |
3,2 |
4,5 |
5,3 |
1 |
135 |
|
18 |
5 |
40 |
2900 |
3,5 |
4,5 |
5,4 |
1,8 |
135 |
|
|
23 |
6,4 |
32 |
2900 |
3,8 |
4,5 |
5,4 |
2Д |
135 |
|
|
5Кс-5*2 |
35 |
9,7 |
61,5 |
1450 |
11,8 |
20 |
50 |
1,47 |
350 |
|
50 |
13,9 |
59 |
1450 |
13,6 |
57,5 |
1,49 |
|||
|
65 |
18 |
54 |
1450 |
15,5 |
60 |
1,54 |
|||
|
30 |
8,3 |
39 |
1450 |
6,4 |
10 |
49 |
1,4 |
248 |
|
|
40 |
11,1 |
38 |
1450 |
7,4 |
55,3 |
1,47 |
|||
|
50 |
13,9 |
35 |
1450 |
8,1 |
58 |
1,49 |
|||
|
5Кс-5*4 |
36 |
10 |
121 |
1480 |
24,5 |
40 |
49,5 |
1,3 |
300 |
|
50 |
13,9 |
115 |
1480 |
28,5 |
57,5 |
1,5 |
|||
|
60 |
16,7 |
109 |
1480 |
31,2 |
61,5 |
1,7 |
|||
|
5Кс-5*4б |
30 |
8,3 |
77 |
1480 |
12,7 |
20 |
50,5 |
1,2 |
240 |
|
40 |
1,1 |
74 |
14,5 |
57,3 |
1,4 |
||||
|
50 |
1,4 |
68,5 |
16,5 |
61,5 |
1,3 |
||||
|
8К-18 8КМ-18 |
220 |
61 |
20,7 |
1450 |
15,6 |
20 |
80,5 |
6,2 |
268 |
|
285 |
79,1 |
18,9 |
1450 |
17,4 |
83,5 |
5,3 |
268 |
||
|
360 |
100 |
15 |
1450 |
18,3 |
77,5 |
5 |
268 |
||
|
8К-18а 8КМ-18а |
200 |
55,5 |
17,5 |
1450 |
12,4 |
20 |
78 |
6,5 |
250 |
|
260 |
72,2 |
15,7 |
1450 |
14 |
83,5 |
5,7 |
250 |
||
|
320 |
89 |
12,7 |
1450 |
15,2 |
78 |
5,2 |
250 |
||
|
2К-9 |
11 |
3 |
21 |
2900 |
1,2 |
2,8 |
56 |
8 |
129 |
|
20 |
5,5 |
18,5 |
2900 |
1,5 |
68 |
6,3 |
129 |
||
|
22 |
6,1 |
17,5 |
2900 |
1,6 |
64 |
6,4 |
129 |
|
|
|||
|
Наименование |
Концентрация, |
Температура |
Плотность |
|
Спирт |
100 |
20 |
810 |
|
Толуол |
100 |
20 |
866 |
|
Фенол |
100 |
20 |
1075 |
|
КОН |
20 |
18 |
1186,4 |
|
NaOH |
4 |
18 |
1042,8 |
|
Н2О |
10 |
999 |
|
|
Глицерин |
50 |
10 |
1132 |
|
Спирт |
100 |
0 |
824 |
|
Спирт |
100 |
20 |
806 |
|
NH3 |
6 |
20 |
973,0 |
|
HCl |
10 |
20 |
1047,4 |
|
H2SO4 |
12 |
20 |
1080,2 |
|
HNO3 |
20 |
20 |
1115 |
Трехфазные двигатели серии 4А
Технические данные асинхронных электродвигателей с короткозамкнутым ротором серии 4А основного исполнения (закрытые обдуваемые)
|
Тип двигателя |
Рном , кВт |
При номинальной нагрузке |
|
|
|
|
J, кг м2 |
||
|
n, об/мин |
, % |
cos1 |
|||||||
|
3000 об/мин (синхр.) |
|||||||||
|
4АА50А2УЗ |
0,09 |
2740 |
60,0 |
0,70 |
2,2 |
2,0 |
1,8 |
4,0 |
0,245 10-4 |
|
4АА50В2УЗ |
0,12 |
2710 |
63,0 |
0.70 |
2,2 |
2,0 |
1,8 |
4,0 |
0,268 10-4 |
|
4АА56А2УЗ |
0,18 |
2800 |
66,0 |
0,76 |
2,2 |
2,0 |
1,5 |
4,0 |
4,15 10-4 |
|
4АА56В2УЗ |
0,25 |
2770 |
68,0 |
0,77 |
2,2 |
2,0 |
1,5 |
4,0 |
4,65 10-4 |
|
4АА632УЗ |
0,37 |
2750 |
70,0 |
0,86 |
2,2 |
2,0 |
1,5 |
4,5 |
7,63 10-4 |
|
4АА63В2УЗ |
0,55 |
2740 |
73,0 |
0,86 |
2,2 |
2,0 |
1,5 |
4,5 |
9 10-4 |
|
4Л71А2УЗ |
0,75 |
2840 |
77,0 |
0,87 |
2,2 |
2,0 |
1,5 |
5,5 |
9,75 10-4 |
|
4А71В2УЗ |
1,10 |
2810 |
77,5 |
0,87 |
2,2 |
2,0 |
1.5 |
5,5 |
10,5 10-4 |
|
4А80А2УЗ |
1,50 |
2850 |
81,0 |
0,85 |
2,6 |
2,1 |
1,4 |
6,5 |
18,3 10-4 |
|
4А80В2УЗ |
2,20 |
2850 |
83,0 |
0,87 |
2,6 |
2.1 |
1,4 |
6,5 |
21,3 10-4 |
|
4А90L2УЗ |
3,0 |
2840 |
84,5 |
0,88 |
2,5 |
2,1 |
1,6 |
6,5 |
35,3 10-4 |
|
4A100S2У3 |
4,0 |
2880 |
86,5 |
0,89 |
2.5 |
2,0 |
1,6 |
7,5 |
59,3 10-4 |
|
4А1Э0L2УЗ |
5,5 |
2880 |
87,5 |
0,91 |
2,5 |
2,0 |
1,6 |
7,5 |
75 10-4 |
|
4А112М2УЗ |
7,5 |
2900 |
87,5 |
0,88 |
2,8 |
2,0 |
1,8 |
7,5 |
1,0 10-4 |
|
4А132М2УЗ |
11,0 |
2900 |
88,0 |
0,90 |
2,8 |
1,7 |
1,5 |
7,5 |
2,25 10-4 |
|
4А16052УЗ |
15.0 |
2940 |
88,0 |
0,91 |
2,2 |
1,4 |
1,0 |
7,0 |
4,75 10-4 |
|
4А160М2УЗ |
18.5 |
2940 |
88,5 |
0,92 |
2,2 |
1,4 |
1,0 |
7,0 |
5,25 10-4 |
|
4А18052УЗ |
22,0 |
2940 |
88,5 |
0,91 |
2,5 |
1,4 |
1,1 |
7,5 |
7,0 10-4 |
|
4А180М2УЗ |
30,0 |
2945 |
90,5 |
0,90 |
2,5 |
1,4 |
1,1 |
7,5 |
8,5 10-4 |
|
4А200М2УЗ |
37,0 |
2945 |
90,0 |
0,89 |
2,5 |
1,4 |
1,0 |
7,5 |
14,5 10-4 |
|
4А200L2УЗ |
45,0 |
2945 |
91,0 |
0,90 |
2,5 |
1,4 |
1,0 |
7,5 |
16,8 10-4 |
|
4Л225М2УЗ |
55,0 |
2945 |
91,0 |
0,92 |
2,5 |
1,4 |
1,2 |
7,5 |
25 10-2 |
|
4A250S2V3 |
75,0 |
2960 |
91,0 |
0,89 |
2,5 |
1,2 |
1,0 |
7,5 |
46,5 10-2 |
|
4А250М2УЗ |
90,0 |
2960 |
92,0 |
0,90 |
2,5 |
1,2 |
1,0 |
7,5 |
52 10-2 |
|
4А280S2УЗ |
110,0 |
2970 |
91,0 |
0,89 |
2,2 |
1,2 |
1.0 |
7,0 |
1,09 |
|
4А280М2УЗ |
132,0 |
2970 |
91,5 |
0,89 |
2,2 |
1,2 |
1,0 |
7,0 |
1,19 |
|
4А31552УЗ |
160,0 |
2970 |
92,0 |
0,90 |
2,2 |
1,2 |
0,9 |
6,5 |
1,4 |
|
4А315М2УЗ |
200,0 |
2970 |
92,5 |
0,90 |
2,2 |
1,2 |
0,9 |
7,0 |
1,63 |
|
4А355S2УЗ |
250,0 |
2970 |
92,5 |
0,90 |
1,9 |
1,0 |
0,9 |
7,0 |
2,85 |
|
4А355М2УЗ |
315,0 |
2970 |
93,0 |
0,91 |
1,9 |
1,0 |
0,9 |
7,0 |
3,23 |
|
1500 об/мин (синхр.) |
|||||||||
|
4АА50А4УЗ |
0,06 |
1380 |
50,0 |
0,60 |
2,2 |
2,0 |
1,7 |
2,5 |
0,29 10-4 |
|
4АА50В4УЗ |
0,09 |
1370 |
55,0 |
0,60 |
2,2 |
2,0 |
1,7 |
2,5 |
0,325 10-4 |
|
4АА56А4УЗ |
0,12 |
1375 |
63,0 |
0,66 |
2,2 |
2,1 |
1,5 |
3,5 |
7,0 10-4 |
|
4АА56В4УЗ |
0,18 |
1365 |
64,0 |
0,64 |
2,2 |
2.1 |
1,5 |
3,5 |
7,88 10-4 |
|
4АА63А4УЗ |
0,25 |
1380 |
68,0 |
0,65 |
2,2 |
2,0 |
1,5 |
4,0 |
12,4 10-4 |
|
4АА63В4УЗ |
0,37 |
1365 |
68,0 |
0,69 |
2,2 |
2,0 |
1,5 |
4,0 |
13 10-4 |
|
4А71А4УЗ |
0,55 |
1390 |
70,5 |
0,70 |
2,2 |
2,0 |
1,8 |
4,5 |
13,8 10-4 |
|
4А71В4У3 |
0,75 |
1390 |
72,0 |
0,73 |
2,2 |
2,0 |
1,8 |
4,5 |
14,3 10-4 |
|
4А80А4УЗ |
1,10 |
1420 |
75,0 |
0,81 |
2,2 |
2,0 |
1,6 |
5,0 |
32,3 10-4 |
|
4А80В4УЗ |
1,50 |
1415 |
77,0 |
0,83 |
2,2 |
2,0 |
1,6 |
5,0 |
33,3 10-4 |
|
4А90L4У3 |
2,20 |
1425 |
80.0 |
0,83 |
2,4 |
2,1 |
1,6 |
6,0 |
56 10-4 |
|
4А10054УЗ |
3,0 |
1435 |
82.0 |
0,83 |
2,4 |
2,0 |
1.6 |
6,0 |
86,8 10-4 |
|
4А100L4УЗ |
4,0 |
1430 |
84,0 |
0.84 |
2,4 |
2,0 |
1,6 |
6,0 |
1,13 10-2 |
|
4АП2М4УЗ |
5,50 |
1445 |
85,5 |
0,85 |
2,2 |
2,0 |
1,6 |
7,0 |
1,75 10-2 |
|
4A132S4У3 |
7,5 |
1455 |
87.5 |
0,86 |
3,0 |
2,2 |
1.7 |
7,5 |
2,75 10-2 |
|
4А132М4УЗ |
11,0 |
1460 |
87,5 |
0,8? |
3,0 |
2,2 |
1,7 |
7,5 |
4 10-2 |
|
4A160S4У3 |
15,0 |
1465 |
88,5 |
0,88 |
2,3 |
1,4 |
1,0 |
7,0 |
10,3 10-2 |
|
4А160М4УЗ |
18,5 |
1465 |
89,5 |
0,88 |
2,3 |
1,4 |
1,0 |
7,0 |
12,8 10-2 |
|
4А18054УЗ |
22,0 |
1470 |
90,0 |
0,90 |
2,3 |
1,4 |
1,0 |
6,5 |
19 10-2 |
|
4А180М4УЗ |
30,0 |
1470 |
91,0 |
0,90 |
2,3 |
1,4 |
1,0 |
6,5 |
23.3 10-2 |
|
4А200М4УЗ |
37,0 |
1475 |
91,0 |
0,90 |
2,5 |
1,4 |
1,0 |
7,0 |
36,8 10-2 |
|
4A200L4Y3 |
45,0 |
1475 |
92,0 |
0,90 |
2,5 |
1,4 |
1,0 |
7,0 |
44,5 10-2 |
|
4А225М4УЗ |
55,0 |
1480 |
92,5 |
0,90 |
2,5 |
1.3 |
1,0 |
7,0 |
64 10-2 |
|
4A250S4Y3 |
75,0 |
1480 |
93,0 |
0,90 |
2,3 |
1.2 |
1,0 |
7,0 |
1,02 |
|
4А250М4УЗ |
90,0 |
1480 |
93,0 |
0,91 |
2,3 |
1,2 |
1,0 |
7,0 |
1,17 |
|
4А280S4УЗ |
110,0 |
1470 |
92,5 |
0,90 |
2,0 |
1,2 |
1,0 |
5,5 |
2,3 |
|
4А280М4УЗ |
132,0 |
1480 |
93,0 |
0,90 |
2,0 |
1,3 |
1,0 |
5.5 |
2,48 |
|
4А31554УЗ |
160,0 |
1480 |
93,5 |
0,91 |
2,2 |
1.3 |
0,9 |
6,0 |
3,08 |
|
4А315М4УЗ |
200,0 |
1480 |
94,0 |
0,92 |
2,2 |
1,3 |
0.9 |
6,0 |
3,63 |
|
4A355S4Y3 |
250,0 |
1485 |
94,5 |
0,92 |
2,0 |
1,2 |
0,9 |
7,0 |
6,0 |
|
4А355М4УЗ |
315,0 |
1485 |
94,5 |
0,92 |
2,0 |
1,2 |
0.9 |
7,0 |
7,05 |
|
1000 об/мин (синхр.) |
|||||||||
|
4АА63А6УЗ |
0,18 |
885 |
56,0 |
0,62 |
2,2 |
2.2 |
1,5 |
3,0 |
17,4 10-4 |
|
4АА63В6УЗ |
0,25 |
890 |
59,0 |
0,62 |
2,2 |
2,2 |
1,5 |
3,0 |
19 10-4 |
|
4А71А6УЗ |
0,37 |
910 |
64,5 |
0,69 |
2,2 |
2,0 |
1,8 |
4.0 |
19,3 10-4 |
|
4А71В6УЗ |
0,55 |
900 |
67,5 |
0,71 |
2,2 |
2,0 |
1.8 |
4,0 |
20,3 10-4 |
|
4А80А6УЗ |
0,75 |
915 |
69,0 |
0.74 |
2,2 |
2,0 |
1,6 |
4,0 |
46 10-4 |
|
4А80В6УЗ |
1,10 |
920 |
74,0 |
0,74 |
2,2 |
2,0 |
1,6 |
4,0 |
46,3 10-4 |
|
4A90L6Y3 |
1,50 |
935 |
75,0 |
0,74 |
2,2 |
2,0 |
1,7 |
4,5 |
73,5 10-4 |
|
4А100L6УЗ |
2,20 |
950 |
81,0 |
0,73 |
2,2 |
2,0 |
1,6 |
5,0 |
1,36 10-2 |
|
4А112МА6УЗ |
3,00 |
955 |
81,0 |
0,76 |
2,5 |
2,0 |
1,8 |
6,0 |
1,75 10-2 |
|
4А112МВ6УЗ |
4,0 |
950 |
82,0 |
0,81 |
2,5 |
2,0 |
1,8 |
6,0 |
2,0 10-2 |
|
4A132S6У3 |
5,50 |
965 |
85,0 |
0,80 |
2,5 |
2,0 |
1,8 |
6,5 |
4,0 10-2 |
|
4А132М6У3 |
7,50 |
970 |
85,5 |
0,81 |
2,5 |
2,0 |
1,8 |
6,5 |
5,75 10-2 |
|
4A160S5У3 |
11,0 |
975 |
86,0 |
0,86 |
2,0 |
1,2 |
1,0 |
6,0 |
13,8 10-2 |
|
4А160М6УЗ |
15,0 |
975 |
87.5 |
0,87 |
2,0 |
1.2 |
1,0 |
6,0 |
18,3 10-2 |
|
4А180М6УЗ |
18,5 |
S75 |
88,0 |
0,87 |
2,0 |
1.2 |
1,0 |
5,0 |
22,0 10-2 |
|
4А200М6УЗ |
22,0 |
975 |
90,0 |
0,90 |
2,4 |
1.3 |
1,0 |
6,5 |
40 10-2 |
|
4А200L6УЗ |
30,0 |
980 |
90,5 |
0,90 |
2,4 |
1.3 |
1,0 |
6,5 |
45,3 10-2 |
|
4А225М6УЗ |
37,0 |
980 |
91,0 |
0,89 |
2,3 |
1.2 |
1,0 |
6,5 |
73,8 10-2 |
|
4А25056УЗ |
45,0 |
985 |
91,5 |
0,89 |
2,1 |
1,2 |
1,0 |
6,5 |
1,16 |
|
4А250М6УЗ |
55,0 |
985 |
91,5 |
0.89 |
2,1 |
1.2 |
1,0 |
6,5 |
1,26 |
|
4A280S6y3 |
75,0 |
985 |
92,0 |
0,89 |
2,2 |
1.4 |
1,2 |
5,5 |
2,93 |
|
4А280М6УЗ |
90,0 |
985 |
92,5 |
0,89 |
2,2 |
1,4 |
1,2 |
5,5 |
3,38 |
|
4А31586УЗ |
110,0 |
985 |
93,0 |
0,90 |
2,2 |
1,4 |
0,9 |
6,5 |
4,0 |
|
4А315М6УЗ |
132,0 |
985 |
93,0 |
0,90 |
2,2 |
1,4 |
0,9 |
6,5 |
4,5 |
|
4А35556УЗ |
160,0 |
985 |
93,5 |
0,90 |
2,2 |
1.4 |
0,9 |
6,5 |
7,33 |
|
4А355М6УЗ |
200,0 |
985 |
94,0 |
0.90 |
2,2 |
1.4 |
0,9 |
6,5 |
8,8 |
|
750 об/мин (синхр.) |
|||||||||
|
4А71В8УЗ |
0,25 |
680 |
56.0 |
0,65 |
1,7 |
1,6 |
1,2 |
3,0 |
18,5 10-4 |
|
4А80А8УЗ |
0,37 |
675 |
61,5 |
0,65 |
1,7 |
1,6 |
1,2 |
3,5 |
33,8 10-4 |
|
4А80В8УЗ |
0,55 |
700 |
64,0 |
0,65 |
1,7 |
1.6 |
1,2 |
3,5 |
40,5 10-4 |
|
4A90LA8У3 |
0,75 |
700 |
68,0 |
o,l62 |
1,9 |
1.6 |
1,2 |
3,5 |
67,5 10-4 |
|
4A90LB8У3 |
1,10 |
700 |
70,0 |
0,68 |
1,9 |
1.6 |
1,2 |
3,5 |
86,3 10-4 |
|
4А100L8УЗ |
1,50 |
700 |
74.0 |
0,65 |
1,9 |
1.6 |
1,2 |
4,0 |
1,3 10-4 |
|
4A112МА8УЗ |
2,20 |
700 |
76.5 |
0.71 |
2,2 |
1.9 |
1,4 |
5,0 |
1,75 10-4 |
|
4АП2МВ8УЗ |
3,0 |
700 |
79,0 |
0,74 |
2,2 |
1,9 |
1,4 |
5,0 |
2,5 10-4 |
|
4A132S8У3 |
4,0 |
720 |
83,0 |
0,70 |
2, 2 |
1,9 |
1,4 |
5,5 |
4,25 10-4 |
|
4А132М8УЗ |
5,50 |
720 |
83,0 |
0,74 |
2,6 |
1,9 |
1,4 |
5,5 |
5,75.10-2 |
|
4A160S8У3 |
7,50 |
730 |
86,0 |
0,75 |
2,2 |
1.4 |
1.0 |
6,0 |
13,8 10-2 |
|
4А160М8УЗ |
11,0 |
730 |
87,0 |
0,75 |
2,2 |
1,4 |
1,0 |
6,0 |
18 10-2 |
|
4А180М8УЗ |
15,0 |
730 |
87,0 |
0,82 |
2,0 |
1,2 |
1,0 |
6,0 |
25 10-2 |
|
4А200М8УЗ |
18,5 |
735 |
88,5 |
0,84 |
2,2 |
1.2 |
1.0 |
5,5 |
40 10-2 |
|
4А200L8УЗ |
22,0 |
730 |
88,5 |
0,84 |
2,0 |
1.2 |
1,0 |
5,5 |
45,3 10-2 |
|
4A225M8У3 |
30,0 |
735 |
90,0 |
0,81 |
2.1 |
1,3 |
1,0 |
6.0 |
73,8 10-2 |
|
4A250S8У3 |
37,0 |
735 |
90,0 |
0,83 |
2,0 |
1.2 |
1,0 |
6,0 |
1,16 |
|
4А250М8УЗ |
45,0 |
740 |
91,0 |
0,84 |
2,0 |
1,2 |
1,0 |
6,0 |
1,36 |
|
4А280S8УЗ |
55,0 |
735 |
92,0 |
0,84 |
2,0 |
1.2 |
1,0 |
5,5 |
3,18 |
|
4А280М8УЗ |
75,0 |
735 |
92,5 |
0,85 |
2,0 |
1,2 |
1.0 |
5,5 |
4,13 |
|
4A315S8У3 |
90,0 |
740 |
93,0 |
0,85 |
2,3 |
1,2 |
0,9 |
6,5 |
4,93 |
|
4А315М8УЗ |
110,0 |
740 |
93,0 |
0,85 |
2,3 |
1,2 |
0,9 |
6,5 |
5,85 |
|
4A355S8У3 |
132,0 |
740 |
93,5 |
0,85 |
2,2 |
1.2 |
0.9 |
6,5 |
9,05 |
|
4А355М8УЗ |
160,0 |
740 |
93,5 |
0,85 |
2,2 |
1,2 |
0,9 |
6,5 |
10,2 |
|
600 об/мин (синхр.) |
|||||||||
|
4A250S10У3 |
30,0 |
590 |
88,0 |
0,81 |
1,9 |
1,2 |
1,0 |
6,0 |
1,36 |
|
4А250М10УЗ |
37,0 |
590 |
89,0 |
0,81 |
1,9 |
1,2 |
1,0 |
6,0 |
1,61 |
|
4A280S10У3 |
37,0 |
590 |
91,0 |
0,78 |
1,8 |
1,0 |
1,0 |
6,0 |
3,6 |
|
4А280МЮУЗ |
45,0 |
590 |
91,5 |
0,78 |
1,8 |
1,0 |
1.0 |
6,0 |
3,78 |
|
4А315S10УЗ |
55,0 |
590 |
92,0 |
0,79 |
1,8 |
1,0 |
0,9 |
6,0 |
5,25 |
|
4А315М10УЗ |
75,0 |
590 |
92,0 |
0,80 |
1,8 |
1,0 |
0,9 |
6,0 |
6,18 |
|
4A355S10Y3 |
90,0 |
590 |
92,5 |
0,83 |
1,8 |
1,0 |
0,9 |
6,0 |
9.33 |
|
4А355М10УЗ |
110,0 |
590 |
93,0 |
0,83 |
1.8 |
1,0 |
0,9 |
6,0 |
10,9 |
|
500 об/мин (синхр.) |
|||||||||
|
4А315S12УЗ |
45,0 |
490 |
90,5 |
0,75 |
1,8 |
1,0 |
0,9 |
6,0 |
5,25 |
|
4А315М12УЗ |
55,0 |
490 |
91,0 |
0,75 |
1,8 |
1,0 |
0,9 |
6,0 |
6,18 |
|
4А355S12УЗ |
75,0 |
490 |
91,5 |
0,76 |
1,8 |
1,0 |
0,9 |
6,0 |
9,33 |
|
4А355М12УЗ |
90,0 |
490 |
92,0 |
0,76 |
1,8 |
1,0 |
0,9 |
6,0 |
10,9 |
|
Технические данные асинхронных электродвигателей с короткозамкнутым ротором серии 4А основного исполнения (защищенные) |
|||||||||
|
Тип двигателя |
Рном (кВт) |
При номинальной нагрузке |
|
|
|
|
J, кг м2 |
||
|
n (об/мин) |
, (%) |
cos1 |
|||||||
|
3000 об/мин (синхр.) |
|||||||||
|
4AH160S2У3 |
22,0 |
2915 |
88,0 |
0,88 |
2,2 |
1,3 |
1,0 |
7,0 |
4,25 10-2 |
|
4АН160М2УЗ |
30,0 |
2915 |
90,0 |
0,91 |
2,2 |
1,3 |
1,0 |
7,0 |
6,5 10-2 |
|
4АН180S2УЗ |
37,0 |
2945 |
91,0 |
0,91 |
2,2 |
1,3 |
1,0 |
7.0 |
8,0 10-2 |
|
4АН180М2УЗ |
45,0 |
2945 |
91,0 |
0,91 |
2,2 |
1,3 |
1,0 |
7,0 |
9,25 10-2 |
|
4АН200М2УЗ |
55,0 |
294С |
91,0 |
0,90 |
2,5 |
1,3 |
1,0 |
7,0 |
16,0 10-2 |
|
4АН200L2УЗ |
75,0 |
2940 |
92,0 |
0,90 |
2,5 |
1,3 |
1,0 |
7,0 |
19,0 10-2 |
|
4АН225М2УЗ |
90,0 |
2945 |
92,0 |
0,88 |
2,2 |
1,2 |
1,0 |
7,0 |
23,8 10-2 |
|
4АН25052УЗ |
110,0 |
2950 |
93,0 |
0,86 |
2,2 |
1,2 |
1,0 |
7,0 |
44,3 10-2 |
|
4АН250М2УЗ |
132,0 |
2945 |
93,0 |
0,88 |
2,2 |
1,2 |
1,0 |
7,0 |
49,5 10-2 |
|
4АН28052УЗ |
160,0 |
2960 |
94,0 |
0,90 |
2,2 |
1,2 |
1,0 |
6,5 |
77,5 10-2 |
|
4АН280М2УЗ |
200,0 |
2960 |
94,5 |
0,90 |
2,2 |
1,2 |
1,0 |
6,5 |
1,03 |
|
4АН315М2УЗ |
250,0 |
2970 |
94,5 |
0,91 |
2,1 |
1,0 |
0,9 |
6,0 |
1,7 |
|
4АН355S2УЗ |
315,0 |
2970 |
94,5 |
0,92 |
2,1 |
1,0 |
0,9 |
7,0 |
2,38 |
|
4АН355М2УЗ |
400,0 |
2970 |
95,0 |
0,92 |
2,1 |
1,0 |
0,9 |
7,0 |
2,85 |
|
1500 об/мин (синхр.) |
|||||||||
|
4AH160S4У3 |
18,5 |
1450 |
88,5 |
0,87 |
2,1 |
1,3 |
1,0 |
6,5 |
9,25 10-2 |
|
4АН160М4УЗ |
22,0 |
1458 |
90,0 |
0,88 |
2,1 |
1,3 |
1,0 |
6,5 |
11,8 10-2 |
|
4AH180S4У3 |
30,0 |
1465 |
90,0 |
0,84 |
2,2 |
1,2 |
1,0 |
6,5 |
17,8 10-2 |
|
4АН180М4УЗ |
37,0 |
1470 |
90,5 |
0,89 |
2,2 |
1,2 |
1,0 |
6,5 |
21,8 10-2 |
|
4АН200М4УЗ |
45,0 |
1475 |
91,0 |
0,89 |
2,5 |
1,3 |
1,0 |
6,5 |
34,5 10-2 |
|
4AH200L4У3 |
55,0 |
1475 |
92,0 |
0,89 |
2,5 |
1.3 |
1,0 |
6.5 |
42,3 10-2 |
|
4АН225М4УЗ |
75,0 |
1475 |
92,5 |
0,89 |
2,2 |
1,2 |
1,0 |
6,5 |
61,8 10-2 |
|
4AH250S4У3 |
90,0 |
1480 |
93,5 |
0,89 |
2,2 |
1,2 |
1,0 |
6,5 |
88,3 10-2 |
|
4АН250М4УЗ |
110,0 |
1475 |
93,5 |
0,89 |
2,2 |
1,2 |
1,0 |
6,5 |
95,8 10-2 |
|
4AH280S4У3 |
132,0 |
1470 |
93,0 |
0,89 |
2,0 |
1,2 |
1,0 |
6,0 |
1,83 |
|
4АН280М4УЗ |
160,0 |
1470 |
93,5 |
0,90 |
2,0 |
1,2 |
1,0 |
6,0 |
2,13 |
|
4AH315S4У3 |
200,0 |
1475 |
94,0 |
0,91 |
2,0 |
1,2 |
0,9 |
6,0 |
3,15 |
|
4АН315М4УЗ |
250,0 |
1475 |
94,0 |
0,91 |
2,0 |
1,2 |
0,9 |
6,0 |
3,7 |
|
4АН35554УЗ |
315,0 |
1485 |
94,5 |
0,91 |
2,0 |
1,0 |
0,9 |
7,0 |
5,75 |
|
4АН355М4УЗ |
400,0 |
1485 |
94,5 |
0,91 |
2,0 |
1,0 |
0,9 |
7,0 |
7,0 |
|
1000 об/мин (синхр.) |
|||||||||
|
4АН18056УЗ |
18,5 |
975 |
87,0 |
0,85 |
2,0 |
1.2 |
1,0 |
6,0 |
18,8 10-2 |
|
4АН180М6УЗ |
22,0 |
975 |
88,5 |
0,87 |
2,0 |
1,2 |
1,0 |
6,0 |
23,5 10-2 |
|
4АН200М6УЗ |
30,0 |
975 |
90,0 |
0,88 |
2,1 |
1,3 |
1,0 |
6,0 |
37,8 10-2 |
|
4АН200L6УЗ |
37,0 |
980 |
90,5 |
0,88 |
2,1 |
1,3 |
1,0 |
6,5 |
43,0 10-2 |
|
4АН225М6УЗ |
45,0 |
980 |
91,0 |
0,87 |
2,0 |
1,2 |
1,0 |
6,5 |
70,3 10-2 |
|
4АН250S6УЗ |
55,0 |
985 |
92,5 |
0,87 |
2,0 |
1,2 |
1,0 |
6,5 |
1,09 |
|
4АН250М6УЗ |
75,0 |
985 |
93,0 |
0,87 |
2,0 |
1,2 |
1,0 |
7,0 |
1,4 |
|
4АН280S6УЗ |
90,0 |
980 |
92,5 |
0,89 |
2,0 |
1,2 |
1,0 |
6,0 |
2,5 |
|
4АН280М6УЗ |
110,0 |
980 |
92,5 |
0,89 |
2,0 |
1,2 |
1,0 |
6,0 |
2,88 |
|
4AH315S6У3 |
132,0 |
985 |
93,0 |
0,89 |
2,0 |
1,2 |
1,0 |
6,6 |
4,45 |
|
4АН315М6УЗ |
160,0 |
985 |
93,5 |
0,89 |
2,0 |
1,2 |
1,0 |
6,0 |
5,13 |
|
4AH355S6У3 |
200,0 |
985 |
94,0 |
0,90 |
2,0 |
1,2 |
1,0 |
6,0 |
7,8 |
|
4АН355М6УЗ |
250,0 |
985 |
94,0 |
0,90 |
2,0 |
1,2 |
1,0 |
6,0 |
9,5 |
|
750 об/мин (синхр.) |
|||||||||
|
4AH180S8У3 |
15,0 |
730 |
85,0 |
0,80 |
1.9 |
1,2 |
1,0 |
5,5 |
23,5 10-2 |
|
4АН180М8УЗ |
18,5 |
730 |
87,5 |
0,80 |
1,9 |
1,2 |
1,0 |
5,5 |
29,8 10-2 |
|
4АН200М8УЗ |
22,0 |
730 |
89,0 |
0,84 |
2,0 |
1,3 |
1,0 |
5,5 |
49,0 10-2 |
|
4ЛН200L8УЗ |
30,0 |
730 |
89,5 |
0,82 |
2,0 |
1,3 |
1,0 |
5,5 |
58,3 10-2 |
|
4АН225М8УЗ |
37,0 |
735 |
90,0 |
0,81 |
1,9 |
1,2 |
1.0 |
5,5 |
82,5 10-2 |
|
4AH250S8У3 |
45,0 |
740 |
91,0 |
0,81 |
1,9 |
1,2 |
1,0 |
5,5 |
1,19 |
|
4АН250М8УЗ |
55,0 |
735 |
92,0 |
0,81 |
1,9 |
1,2 |
1,0 |
6,0 |
1,4 |
|
4AH280S8У3 |
75,0 |
735 |
92,0 |
0,85 |
1,9 |
1,2 |
1,0 |
5,5 |
3,0 |
|
4АН280М8УЗ |
90,0 |
735 |
92,5 |
0,86 |
1,9 |
1,2 |
1,0 |
5,5 |
3,38 |
|
4AH315S8У3 |
110,0 |
735 |
93,0 |
0,86 |
1,9 |
1,2 |
1,0 |
5,5 |
6,08 |
|
4АН315М8УЗ |
132,0 |
735 |
93,0 |
0,86 |
1,9 |
1,2 |
1,0 |
5,0 |
7,0 |
|
4AH355S8У3 |
160,0 |
740 |
93,5 |
0,86 |
1,9 |
1,2 |
1,0 |
5,5 |
9,75 |
|
4ЛН355М8УЗ |
200,0 |
740 |
94,0 |
0,86 |
1,9 |
1,2 |
1,0 |
5,5 |
11,9 |
|
600 об/мин (синхр.) |
|||||||||
|
4AH280S10У3 |
45,0 |
585 |
90,0 |
0,81 |
1,8 |
1,0 |
1,0 |
5,5 |
3,23 |
|
4ЛН280М10УЗ |
55,0 |
585 |
90,5 |
0,81 |
1,8 |
1,0 |
1,0 |
5,5 |
3,75 |
|
4AH315S10У3 |
75,0 |
590 |
91,0 |
0,82 |
1.8 |
1,0 |
0,9 |
5,5 |
5,63 |
|
4АН315М10УЗ |
90,0 |
590 |
91,5 |
0,82 |
1,8 |
1,0 |
0,9 |
5,5 |
6,63 |
|
4AH355S10У3 |
110,0 |
590 |
92,0 |
0,83 |
1,8 |
1,0 |
0,9 |
5,5 |
9,68 |
|
4АН355М10УЗ |
132,0 |
590 |
92,5 |
0,83 |
1,8 |
1,0 |
0,9 |
5,5 |
11,0 |
|
500 об/мин (синхр.) |
|||||||||
|
4AH315S12У3 |
55,0 |
490 |
90,5 |
0,78 |
1,8 |
1,0 |
0,9 |
5,5 |
5,63 |
|
4АН315М12УЗ |
75,0 |
490 |
91,0 |
0,78 |
1,8 |
1,0 |
0,9 |
5,5 |
6,63 |
|
4AH355S12У3 |
90,0 |
490 |
91,5 |
0,77 |
1,8 |
1,0 |
0,9 |
5,5 |
9,68 |
|
4АН355М12УЗ |
110,0 |
490 |
92,0 |
0,77 |
1,8 |
1,0 |
0,9 |
5,5 |
11,0 |
СПИСОК РЕКОМЕНДУЕМОЙ ЛИТЕРАТУРЫ
1.Немцов М.В. Курс электротехники / М.В. Немцов, А.С. Касаткин. -М.: Высш. шк., 2005.
2.Жаворонков М.А. Электротехника и электроника / М.А. Жаворонков. - М.: Академия, 2005.
Составители:
Бурков Валерий Михайлович
Донцов Максим Геннадьевич
Котов Валерий Леонидович
Фролов Александр Николаевич
ЭЛЕКТРОТЕХНИКА И ЭЛЕКТРОНИКА
методические указания по выполнению
домашних расчетных заданий по электротехнике
Редактор В.Л. Родичева
Подписано в печать 9.06.2010. Формат 60/841/6. Бумага писчая.
Усл. печ. л. 2,33. Уч.-изд.л. 2,58. Тираж 450 экз. Заказ 2129.
ГОУ ВПО Ивановский государственный
химико-технологический университет
Отпечатано на полиграфическом оборудовании
кафедры экономики и финансов ГОУ ВПО «ИГХТУ
153000, гю Иваново, пр. Ф. Энгельса, 7»
PAGE \* MERGEFORMAT 5
ЭЛЕКТРОТЕХНИКА И ЭЛЕКТРОНИКА Методические указания по выполнению домашних расчетных заданий по электротехнике







