СВЧ. Электронные цепи СВЧ
МИНИСТЕРСТВО ОБРАЗОВАНИЯ УКРАИНЫ
НАЦИОНАЛЬНЫЙ ТЕХНИЧЕСКИЙ УНИВЕРСИТЕТ УКРАИНЫ
”Киевский политехнический институт”
Кафедра физической и биомедицинской электроники
КОНСПЕКТ ЛЕКЦИЙ
по курсу «Электронные цепи СВЧ»
Киев 2005
Содержание
|
[1] [1.1] Длинные линии [1.2] Уравнения длинных линий [1.3] Решение уравнений длинных линий [1.4] Входное сопротивление линии [1.5] Волновые процессы в линиях передачи [1.6] Согласование линии передачи [1.7] Условие неискажающей передачи линии. [1.8] Волновые матрицы [1.9] Условия нормирования волновых матриц [2] Переходные процессы в цепях с распределенными параметрами. [2.1] Уравнение длинной линии во временной области. [2.2] Уравнение однородной неискажающей линии в операторной форме. [2.3] Решение уравнений однородной неискажающей линии в операторной форме. [2.4] Волновые процессы в линии при импульсном воздействии. [3] Многополюсники на СВЧ. [3.1] Матричное описание распределенных цепей (классическая теория) [3.2] Волновые параметры четырехполюсника [3.3] Расчет схемных функций [3.4] Связь между системами параметров. [3.5] Условия нормирования волновых матриц. [3.6] Шумовые характеристики четырехполюсника. [3.7] Волновые шумовые параметры.
[4] [4.1] Особенности схемных моделей активных компонентов на СВЧ. [4.2] Анализ физических процессов в субмикронном ПТШ. [4.3] Схемная модель субмикронного полевого транзистора. [4.4] Расчет малосигнальных (динамических) крутизны и выходной проводимости. [4.5] Расчет малосигнальных входной и проходной емкостей, параметров домена. [4.6] Особенности конструкции ПТШ. [4.7] Расчет паразитных параметров субмикронного ПТШ. [4.8] Линии передачи ИС СВЧ. [4.9] Индуктивные элементы ИС СВЧ [4.10] Емкостные элементы ИС СВЧ [4.11] Резистивные элементы ИС СВЧ [4.12] Неоднородности в ИС СВЧ [4.13] Резонаторы [4.14] Фильтры ИС СВЧ [5] Малошумящие цепи СВЧ. [5.1] Источники шума в субмикронных ПТШ. [5.2] Шумовая схемная модель ПТШ [5.3] Минимальный коэффициент шума [5.4] Расчет коэффициента усиления по мощности и коэффициента устойчивости [5.5] Анализ неоднородностей субмикронных полевых структур [5.6] Уравнения для учета распределенных эффектов в полевых структурах [5.7] Решение уравнений распределенной модели ПТШ [5.8] Уравнения и матрица проводимости затворной линии
[6] [6.1] Транзисторные генераторы СВЧ колебаний. [6.2] Генераторы СВЧ на GaAs ПТШ [6.3] Автогенераторы СВЧ на туннельных диодах [6.4] Трехточечные схемы автогенераторов на туннельных диодах |
-
Цепи с распределенными параметрами при гармоническом воздействии- Длинные линии
Длинными линиями называют такие линии, геометрическая длина которых больше рабочей длины волны электромагнитных колебаний или соизмерима с ней. Отношение геометрической длины линии к длине рабочей волны называют электрической длины линии. В линиях, в длину которых укладывается одна или несколько длин волн в один и тот же момент ток в проводах линии и напряжение между ними могут иметь не только различную величину, но и напряжение, вследствие этого свойства линии зависят от длины, условий на конце линии (режима холостого хода или короткого замыкания) и характера нагрузки.
Таким образом длинные линии можно рассматривать как цепи с распределенными параметрами. Цепи с распределенными параметрами в отличие от цепей с сосредоточенными параметрами, характеризуются волновыми процессами; при этом величины их описывающие (например, волны тока и напряжения) являются в общем случае функциями времени и пространственных координат.
Различают цепи с объемно-распределенными параметрами, когда все три линейных размера их элементов сравнимы с длиной волны, и линейно-распределенные цепи, в которых только один из линейных размеров сравним с длиной волны, а два остальных существенно меньше ее. Характерными примерами с объемно-распределенных цепей являются волноводы, резонаторы и подобные им элементы техники СВЧ. К классу линейно-распределенных цепей можно отнести двухпроводную и коаксиальную линии, а также такие элементы интегральной техники СВЧ как микрополосковая, копланарная и щелевая линии.
Свойства длинной линии зависят от ее поперечных размеров, пренебрежимо малых в сравнении с длиной волны и свойств среды (диэлектрического заполнения). На рис.1.1 приведены двухпроводная (а) и коаксиальная (б) линии передачи с воздушным заполнением и геометрические размеры, определяющие их свойства.
К линиям, используемым для передачи электромагнитной энергии, предъявляется требование передачи максимальной мощности от источника к нагрузке, при этом вход и выход линии должны быть согласованы. Кроме того, линии должны обеспечивать пропускание достаточно широкого спектра частот для неискажающей передачи импульсных сигналов и иметь при данной передаваемой мощности и частоте минимальные размеры. В общем случае функциональные возможности отрезков линии передачи шире чем передача сигнала от источника к нагрузке. Как будет показано, при некоторых условиях отрезки линии могут рассматриваться как реактивные элементы (индуктивности и емкости), колебательные контуры, частотные фильтры и трансформаторы.
В распределенной линии электрическое и магнитное поля распределены по всей длине линии и потери электромагнитной энергии происходят также по всей длине линии ( в виде тепла, излучения, потерь в диэлектрике).
В дальнейшем будем рассматривать линейные изотропные среды, свойства которых не зависят от интенсивности поля (линейность), и от направления вектора напряженности электрического и магнитного полей (изотропность).
Процесс передачи электромагнитной энергии вдоль проводов линии подобен волновым процессам распространения этой энергии в свободном пространстве, но осуществляется вдоль проводов линии, которые для волн могут рассматриваться как направляющие. Поэтому перенос энергии в линиях передачи можно рассматривать как волновой и описывать как на основе уравнений Максвелла, используя термин напряженностей электрического и магнитного полей, так и на основе уравнений теории цепей, используя понятия волн тока и напряжения.
Во втором случае схемная модель отрезка длинной линии может быть представлена соединением звеньев с сосредоточенными компонентами (рис.1.2), описываемыми погонными параметрами, отнесенными к единице длины: индуктивностью и диссипативным сопротивлением проводов , емкостью и диссипативной проводимостью утечки между проводами.

Рис. 1.1 Двухпроводная (а) и коаксиальная (б) линии передачи.

Рис. 1.2 Схемная модель длинной линии.
Если погонные параметры вдоль линии не изменяются, то такую линию называют однородной.
Неоднородность в линии может возникать, например, при изменении ее поперечных размеров или свойств среды, а также при соединении двух линий с различными поперечными размерами.
В случае гармонических колебаний полное погонное сопротивление линии запишется как , а полная погонная проводимость . В произвольных сечениях однородной линии отношение напряжения к току есть величина постоянная и равная волновому сопротивлению.
Определим волновое сопротивление через погонные параметры линии рассматривая входное сопротивление дифференциального отрезка линии, нагруженного на сопротивление (рис. 1.3).

Рис.1.3 К определению волнового сопротивления линии.
Входное сопротивление при последовательно-параллельном соединении элементов запишется:
При , бесконечно малая величина второго порядка малости и ею можно пренебречь.
Выражая , получим формулу для волнового сопротивления:
Так как при гармоническом воздействии полное комплексное сопротивление линии может быть записано как , а полная комплексная проводимость , то волновое сопротивление через погонные параметры линии определится как:
- Уравнения длинных линий
При произвольном воздействии токи и напряжения в линии являются как функциями времени , так и одной из координат , если рассматривать длинную линию как линейно-распределенную систему. Эти процессы описываются уравнениями в частных производных (с частными производными по переменным и : .
В режиме установившихся гармонических колебаний в линии комплексы тока и напряжения и их производные будут функциями только пространственной координаты ().
В бесконечно малом отрезке линии длиной распределенные эффекты не проявляются (заведомо выполняется условие ) и для него справедливы законы Ома и Кирхгофа, как для цепей с сосредоточенными параметрами, поэтому напряжения и токи на отрезке (рис. 1.4) выражаются соотношениями:
Слагаемое во втором уравнении является бесконечно малой величиной второго порядка малости и ею можно пренебречь. Тогда первое и второе телеграфные уравнения, описывающие изменение амплитуды и фазы гармонических колебаний вдоль линии запишутся:
(1.1)
или:
Для решения уравнений (1.1) необходимо разделить переменные. Продифференценцируем телеграфные уравнения по пространственной координате :
.
Подставив в эти уравнения значения первых производных из (1.1), получим:
Если обозначить переменной коэффициенты при напряжении и токе в правых частях уравнений, получим систему волновых уравнений, представляющих собой дифференциальные уравнения второго порядка:
Здесь комплексная постоянная распространения волн тока и напряжения, характеризующая изменение амплитуды и фазы бегущей волны (волны, распространяющейся без отражений в бесконечной линии).
Коэффициент затухания определяет уменьшение амплитуды электромагнитной волны при прохождении одного метра пути. Коэффициент фазы или волновое число показывает изменение фазы при прохождении одного метра пути. Комплексная постоянная распространения через параметры отрезка линии вычисляется по следующему соотношению:
В случае линии без потерь (), является чисто комплексной величиной . Кроме того, в линии без потерь длина волны связана с коэффициентом фазы соотношением: .
В реальных линиях передачи существует затухание, связанное с потерями в металлических проводниках , потерями в диэлектрике и потерями на излучение . В этом случае коэффициент затухания определится по формуле: . Для характеристики потерь в диэлектрике используют тангенс угла диэлектрических потерь (). Для идеального диэлектрика (вакуум) . На практике используют диэлектрики с малыми потерями () термопласт, керамику, полиэтилен и др. Материалы. Такие диэлектрики являются слабо диспергирующими средами, так как их диэлектрическая проницаемость слабо зависит от частоты. Так как токи СВЧ связаны с поверхностью металлов (поверхностный или скин-эффект), то глубина проникновения электромагнитного поля выражается через коэффициент потерь в проводниках соотношением . Поверхностное сопротивление металлического проводника с учетом скин-эффекта определяется соотношением:
где частота, абсолютная магнитная проницаемость, удельная электропроводность. Таким образом, полное комплексное сопротивление отрезка линии преимущественно связано с геометрическими физическими параметрами проводников линии, а полная комплексная проводимость с аналогичными параметрами диэлектрика.

Рис.1.4 Дифференциальный отрезок длинной линии
- Решение уравнений длинных линий
для решения однородных волновых уравнений (1.2) составим их характеристическое уравнение и определим его корни.
Тогда решение уравнений для напряжения и тока можно записать в виде:
(1.3)
Для определения постоянных интегрирования зададимся граничными условиями. Воспользуемся значениями напряжения и тока в нагрузке и на входе линии . Чтобы не определять четырех постоянных интегрирования, решение для тока выразим через найденное решение для напряжения.
Для этого определим из (1.3) производную и подставим ее в первое телеграфное уравнение системы (1.1). Получим уравнение:
Откуда:
Так как , то
В общем случае волновое сопротивление линии является комплексной величиной . Выражение для тока в линии запишется:
(1.4)
Найдем постоянные интегрирования и в начале линии (). Тогда при из первого уравнения (1.3) и уравнений (1.4) получим:
откуда, выразив константы интегрирования, можно записать:
, .
Следовательно:
(1.5)
Обозначая индексами "+" и "-" соответственно падающие и отраженные волны напряжения и тока, можно записать выражения для них в следующей форме:
, ,
, (1.5)
Отсюда выражения для волн напряжения и тока в произвольной точке линии запишутся:
(1.6)
Используя соотношения для гиперболических функций:
,
систему (1.5) можно переписать в следующем виде:
Приняв начало отсчета от нагрузки, значения напряжения и тока в конце линии, можно получить в виде:
Если из этих уравнений выразить ток и напряжение на входе через ток и напряжение на выходе, то можно получить уравнения отрезка линии передачи, представив его как четырехполюсник в системе -параметров, когда независимыми переменными являются ток и напряжение в нагрузке:
(1.7)
Матрица передачи отрезка линии запишется:
(1.8)
При матрица (1.8) превращается в матрицу непосредственного соединения (единичную матрицу):
,
где коэффициенты матрицы являются коэффициентами в следующей системе уравнений:
.
Таким образом критерием отсутствия распределенных эффектов является неравенство . При выполнении этого условия гиперболические косинусы в (1.8) принимают единичные, а гиперболические синусы нулевые значения.
Коэффициент фазы в однородной линии без потерь связан с фазовой скоростью (скоростью перемещения фронта волны) следующим соотношением:
, где .
Если учесть, что или , а также полученное в п.1.2 выражение для коэффициента фазы , то фазовая скорость волны через погонные параметры схемной модели однородной линии без потерь может найдена по формуле:
.
- Входное сопротивление линии
Рассмотрим цепь, состоящую из генератора гармонических колебаний с комплексной амплитудой , отрезка линии длиной и сопротивления нагрузки .
Воспользуемся уравнениями (1.7) для напряжения и тока в линии:
Деля оба уравнения на ток , первое уравнение на второе, а также учитывая, что сопротивление нагрузки через ток и напряжение на выходе определяется соотношением:
,
получим:
(1.9)
Полученное выражение для входного сопротивления имеет большое практическое значение.
В случае короткого отрезка линии () и сопротивление в соответствии (1.9) описывается выражением:
(1.10)
Короткозамкнутый отрезок линии () имеет входное сопротивление в соответствии с (1.9):
(1.11)
Если потери малы и ими можно пренебречь (), постоянная распространения . Тогда выражение для входного сопротивления можно записать:
(1.12)
Для разомкнутой линии ():
(1.13)
В случае малых потерь:
(1.14)
Для короткого () короткозамкнутого отрезка линии входное сопротивление в соответствии с (1.9) определится по формуле:
.
Учитывая, что , а , входное сопротивление через погонные параметры определится как:
.
Из последнего выражения следует, что короткий короткозамкнутый отрезок линии подобен резистору или индуктивному элементу (в зависимости от соотношения и ).
Для короткого () разомкнутого отрезка линии () можно записать:
Здесь первое слагаемое связано с активной, а второе с реактивной (емкостной) составляющей полного комплексного сопротивления.
Таким образом, схемная модель короткой разомкнутой линии может быть представлена последовательно включенным резистором и емкостным элементом.
Рассмотренный анализ входного сопротивления отрезка линии имеет практическое значение, поскольку один из методов измерения волнового сопротивления линии связан с опытами холостого хода и короткого замыкания. Перемножая выражения для входного сопротивления в режиме холостого хода (1.11) и короткого замыкания (1.13), получим волновое сопротивление линии в виде: .
Графики зависимостей входных сопротивлений короткозамкнутой и разомкнутой линий передачи без потерь как функции длины представлены на рисунках 1.5 и 1.6.

Рис. 1.5 Входное сопротивление короткозамкнутой линии без потерь.

Рис.1.6. Входное сопротивление разомкнутой линии без потерь.
В соответствии с приведенными рисунками характер волнового сопротивления (индуктивной или емкостной) связан с четвертьволновыми отрезками, отсчитанными от конца линии, а в точках, кратных четверти длины волны имеет место резонанс токов или напряжений. Анализ рисунков 1.5 и 1.6 показывает, что физические процессы в короткозамкнутой и разомкнутой линиях передачи аналогичны, но характер сопротивления и вид резонанса связаны с плоскостью отсчета пространственной координаты.
В короткозамкнутой линии последовательному колебательному контуру эквивалентны отрезки линии длиной , …, а параллельному контуру участки длиной ,…
В разомкнутой линии последовательному колебательному контуру эквивалентны отрезки линии длиной ,…, а параллельному контуру участки длиной ,…
Если длина линии не кратна четверти длины волны, то входное сопротивление будет либо емкостным, либо индуктивным. При этом будет изменяться и характер запасенной на отдельных участках цепи энергии. Электрическую энергию можно связать со стоячей волной напряжения, а магнитную энергию со стоячей волной тока. Вектор Пойнтинга, описывающий поток электромагнитной энергии, на соседних четвертьволновых отрезках линии имеет противоположное значение, а средние значения энергии на этих участках равны. Это означает, что среднее значение энергии на отрезке линии в любой момент времени равно нулю.
Таким образом, в линии произвольной длины на участках кратных энергия сосредоточена в стоячих волнах и взаимного обмена энергией между этими участками и генератором не происходит, а возможно только рассеяние энергии за счет потерь. Другими словами, отрезок линии длиной менее фактически выполняет роль нагрузки.
В теории длинных линий в связи с рассмотренными процессами известен метод вспомогательного отрезка. Идея состоит в использовании сходных свойств разомкнутой и короткозамкнутой линий (рис.1.5 1.6), повторяющихся с интервалом . Заменяя, например, короткозамыкающий провод в линии рис.1.5 четвертьволновым отрезком можно получить разомкнутую линию, распределения тока и напряжения, в которой по отношению к исходной линии не изменяется.
Рассматривая выражения для входного сопротивления короткозамкнутой линии длиной и разомкнутой длиной , получим в соответствии с (1.14):
.
Полученный результат совпадает с (1.12) для короткозамкнутого отрезка линии.
- Волновые процессы в линиях передачи
Анализ волновых процессов и линиях передачи связан с тремя характерными режимами, при определенных допущениях, позволяющих достаточно строго описывать волновые процессы в линиях. Рассмотрим процессы в линиях без потерь в режиме бегущих, стоячих и смешанных волн.
Режим бегущих волн
- Волны, перемещающиеся в пространстве без отражения, называются бегущими волнами.
- Режим бегущих волн в линии можно получить только при полном поглощении энергии в нагрузке, когда не образуются отраженные волны.
- Для генератора такая линия представляет собой чисто активную нагрузку.
- Для того, чтобы в линии установилась бегущая волна сопротивление нагрузки должно быть равно волновому (согласованный режим).
Распространение бегущей волны означает сдвиг в пространстве фазы колебаний, возрастающей с течением времени, т.е. перемещение фазы колебаний вдоль линии. Поэтому скорость перемещения такой волны называется фазовой скоростью. При этом фазы тока и напряжения бегущих волн совпадают.
Уравнения для комплексов напряжения и тока в линии при отсчете пространственной координаты от нагрузки к генератору запишутся:
(1.15)
С учетом принятых ранее обозначений для падающих и отраженных волн напряжения и тока, выражения (1.15) перепишутся:
(1.16)
Необходимо отметить, что использование понятий падающих и отраженных волн обусловлено формой записи уравнений для напряжения и тока в линии (1.16) и наглядностью представления, а не физической природой распространения волн в линии.
Если принять, что напряжение и ток генератора изменяются по синусоидальному закону:
,
то напряжение и ток в линии будут также изменяться по данному закону, но с запаздыванием на время, равное , где расстояние, а скорость перемещения фронта волны. Напряжение линии определится формулой:
.
Графически режим бегущих волн можно проиллюстрировать следующими рисунками.

Рис. 1.7 Бегущие волны напряжения в линии без потерь (а падающая, б отраженная волна).

Рис. 1.8 Бегущие волны напряжения в линии с потерями (а падающая, б отраженная волна).
Фазовую постоянную и фазовую скорость бегущей волны можно определить по следующим соотношениям:
.
Необходимо отметить, что в общем случае фазовая скорость распространения волны зависит от частоты сигнала в линии, т.е. имеет место дисперсия фазовой скорости. В случае двухпроводной длинной линии чаще всего дисперсией фазовой скорости можно пренебречь.
Волновое сопротивление через напряжения и токи падающих и отраженных волн в линии в соответствии с уравнениями (1.15) можно записать как:
.
Отсюда следует, что волновое сопротивление можно характеризовать как сопротивление, которое оказывает линия току бегущей волны.
Режим стоячих волн
Режим стоячих волн (или режим полного отражения) характеризуется неизменной в пространстве фазой волны. Поэтому такие волны называются стоячими. Под стоячей волной принято понимать периодическое изменение амплитуды напряжения или тока, вызванное интерференцией падающей и отраженной волн равных амплитуд. Стоячие волны возникают при нарушении однородности линии, когда возникает отраженная волна. Всякое нарушение однородности линии связано с изменением условий согласования. При этом только часть энергии сигнала поглотится в нагрузке, а не поглощенная часть энергии возвратится к генератору. Этот режим можно рассматривать как режим двух бегущих в противоположных направлениях падающих и отраженных волн. Полностью стоячие волны возникают в линии без потерь при полном отражении энергии сигнала от нагрузки (режим полного отражения). К неоднородностям, приводящим к возникновению режима чисто стоячих волн, можно отнести разомкнутый и короткозамкнутый конец линии, а также отрезок линии с чисто реактивной нагрузкой. Фазы стоячих волн тока и напряжения изменяются скачком на 180 градусов и сдвинутый друг относительно друга на 90 градусов (рис.1.9).

Рис. 1.9 Стоячие волны тока и напряжения в линии.
Это означает, что во всех случаях волна напряжения находится по отношению к волне тока с противоположным знаком (минус во втором уравнении системы 1.15).
Образующиеся в режиме стоячих волн максимумы называются пучностями, а минимумы узлами. Там, где падающая и отраженная волны встречаются с одинаковой фазой, получаются пучности; где волны при встрече имеют противоположные фазы, получаются узлы. Нуль напряжения или тока в узлах или их двойное значение в пучностях получается только при равенстве амплитуд падающей и отраженной волн. Распределение узлов и пучностей не изменяется при стоячей волне с течением времени. Пучности и узлы всегда отстоят от отражающей границы на расстоянии, кратному четверти длины волны. В режиме чисто стоячих волн мощность является реактивной величиной, т.е. энергия в линии не потребляется. В этом режиме линия может рассматриваться как замкнутая колебательная система, характер резонанса которой изменяется через каждые четверть длины волны.
Смешанные волны
Режим смешанных волн (частично стоячих волн) возникает при неполном отражении на конце линии. Суммарная волна при этом образуется в результате интерференции падающих и отраженных волн неравных амплитуд. Такое соотношение амплитуд возможно в том случае, когда часть энергии, переносимая падающей волной, расходуется в нагрузочном сопротивлении на конце. Относительная величина амплитуд падающей и отраженной волн характеризует эффективность передачи мощности в нагрузку: чем меньше амплитуда отраженной волны, чем больше мощность передается в нагрузку.
Смешанную волну можно также представить как суперпозицию бегущей и стоячей волн. Положим, что амплитуда отраженной волны меньше амплитуды падающей волны . Падающую волну разобьем на две составляющие и с амплитудой второй составляющей, равной амплитуде отраженной волны:
.
При этом и образуют стоячую волну:
,
следовательно:
Таким образом, волновой процесс в линии без потерь в случае смешанных волн можно представить в виде суперпозиции бегущей и стоячей волн (рис.1.10).
Рис. 1.10 Смешанная волна в линии передачи без потерь.
Частично стоячие волны принято оценивать с помощью коэффициента стоячей волны и коэффициента отражения в заданном сечении линии.
Коэффициент отражения показывает какая часть падающей волны отразилась от нагрузки (или от неоднородности в линии, например, в месте соединения двух линий с различными волновыми сопротивлениями) и определяется по формуле:
(1.17)
Коэффициент стоячей волны напряжения (КСВН) определяется как отношение напряжения в линии в точках максимума и минимума частично стоячей волны:
(1.18)
Если числитель и знаменатель последнего выражения разделить на , то коэффициент стоячей волны можно выразить через модуль коэффициента отражения:
(1.19)
Если отражение в линии отсутствует (), то коэффициент стоячей волны принимает минимальное значение, равное единице.
Из первых уравнений систем (1.15) и (1.16) падающая и отраженная волны напряжения запишутся как:
(1.20)
Тогда коэффициент отражения с учетом получим в виде:
.
Отсюда следует, что в согласованном режиме () отражение в нагрузке отсутствует (). В режиме короткого замыкания () как следует из (1.21) , т.е. отраженная волна напряжения по амплитуде равна падающей и волны противофазны.
В режиме холостого хода () , т.е. отраженная волна равна падающей и синфазна ей.
- Согласование линии передачи
Как было показано, при включении в линию нагрузки с сопротивлением, равным волновому, энергия полностью поглощается в нагрузке и отражение отсутствует. В реальных линиях передачи такой режим, а также рассмотренные режимы чисто реактивной нагрузки реализовать практически невозможно. Наличие стоячих волн (КСВ больше единицы) приводит к комплексному характеру волнового сопротивления, активная часть которого связана с уровнем бегущих, а реактивная с уровнем стоячих волн. С точки зрения согласования линии, т.е. получения чисто бегущей волны в линии, важный практический результат получается из соотношения (1.9). При отсутствии потерь в линии комплексная постоянная распространения является чисто мнимой величиной, поэтому гиперболические функции в выражении для входного сопротивления (1.9) могут быть заменены на тригонометрические и данное выражение перепишется как:
(1.21)
Если линия нагружена на активное сопротивление, т.е. , а длина линии , то:
(1.22)
Для получения максимальной мощности в нагрузке необходимо, чтобы входное сопротивление цепи со стороны генератора было равно внутреннему сопротивлению генератора . Сопротивление будет представлять нагрузку на генератор с , если подключить в соответствии с (1.22) через четвертьволновую линию, с волновым сопротивлением:
.
Мощность на генераторе запишется как , а ток в линии . Тогда мощность на сопротивлении нагрузки запишется как . Так как по условию , то выполняемая мощность будет такой же как и на генераторе. Таким образом, четвертьволновая линия передает энергию и напряжение генератора в нагрузку без изменения, что свидетельствует о трансформирующих свойствах данного отрезка.
Рассмотрим случай, когда длина отрезка линии равна . В этом случае для входного сопротивления получим:
.
Таким образом, полуволновой отрезок линии с сопротивлением не изменяет нагрузочных свойств сопротивления. Если длина отрезка линии кратна целому числу полуволн, то данное свойство позволяет, не нарушая условия бегущих волн в линии, передавать энергию от генератора к нагрузке, находящейся на значительном расстоянии. Данное свойство используется, например, при сочленении антенны и приемника, генератора и антенны и т.д.
Рассмотрим метод согласования линий с различными волновыми сопротивлениями, используя свойства четвертьволнового отрезка. Пусть четвертьволновой трансформатор включен между двумя однородными линиями, как показано на рис.1.11. Линии обладают волновыми сопротивлениями и , а четвертьволновой отрезок сопротивлением . В местах соединения (сечения а а1 и б б1) возникают отраженные волны, амплитуды которых зависят от коэффициентов отражения. Коэффициент отражения в сечении а а1 определяется формулой:
,
а в сечении б б1:
.

Рис. 1.11 Согласование линий при помощи четвертьволнового трансформатора.
Рассматривая отраженные волны в сечении а а1, можно отметить, что волна, отраженная от неоднородности в сечении б б1, в сечении а а1 будет иметь фазу, противоположную фазе отраженной волны, возникающей в сечении а а1. При равенстве волн они будут уничтожаться. Равенство отраженных волн будет иметь место при равенстве коэффициентов отражения, т.е.:
, откуда .
Что означает выполнение условия , полученного при рассмотрении входного сопротивления четвертьволнового отрезка линии. Однако необходимо отметить, что рассмотренный метод согласования обладает существенным недостатком: данное согласование узкополосно, т.е. согласование может быть достигнуто лишь для сигнала на заданной длине волны. Для широкополосного согласования линий (например, при передаче импульсного сигнала) используют более сложные устройства, содержащие два и более трансформирующих отрезка.
- Условие неискажающей передачи линии.
Как было показано, волновое сопротивление и постоянная распространения при возбуждении в линии гармонических колебаний являются частотнозависимыми величинами. Это означает, что условия прохождения волн тока и напряжения для разных частот оказываются различными.
Для неискажающей передачи необходимо, чтобы волновое сопротивление, а также коэффициент затухания, посредством которого рассчитывается постоянная распространения и фазовая скорость, были частотнонезависимы. Очевидно, что коэффициент фазы при этом должен быть пропорционален частоте. Отсутствие частотной зависимости коэффициента затухания означает, что коэффициенты передачи в линии всех частотных составляющих сигнала равны.
Покажем, что линия является неискажающей, если выполняются два условия.
Первое из них связано с соотношением
(1.23)
Действительно, при этом волновое сопротивление запишется как:
а комплексная постоянная распространения:
Можно показать, что в этих условиях коэффициенты и минимальны:
Соответственно, фазовая скорость будет максимальна и определится как:
Обычно в линиях выполняется неравенство , так как проводимость изолятора в линиях с диэлектрическим заполнением незначительна. Уменьшение сопротивления проводников и емкости диэлектрика линии для выполнения условия (1.23) практически не реализуется. Один из способов получения неискажающей линии заключается в искусственном повышении индуктивности путем включения в линию через определенные расстояния реактивных катушек, либо отрезков кабеля с высокой магнитной проницаемостью.Второе условие неискажающей передачи связано в отсутствием в линии отраженной волны. Как было показано, данное условие выполняется если линия согласована: . Если после включения дополнительных индуктивных элементов (для выполнения первого условия) оказывается нарушенным режим согласования, между линией и нагрузкой включается согласующее устройство.
- Волновые матрицы
При анализе распределенных цепей удобно использовать, если это обоснованно, декомпозицию цепи на подсхемы. При этом отдельные элементы цепи, соединенные произвольным образом, могут представлять собой многополюсники, описанные в различных системах параметров.
В настоящее время, в зависимости от особенностей цепи и частотного диапазона, широко используются системы параметров классической теории, в которой под сигналами понимаются токи и напряжения, и волновой теории, где сигналы - это волны тока и напряжения. Между параметрами этих теорий существуют однозначные связи.
Рассматриваемые распределенные цепи, таким образом, могут рассчитываться с помощью матричного аппарата теории цепей в предположении, что матрицы, описывающие элементы цепи, остаются неизменными при любом сложном соединении элементов. При этом предполагается, что зона возмущенного поля вблизи неоднородностей локализована в непосредственной близости от элемента (линейное приближение). Кроме этого, оговаривается, что взаимодействие элементов осуществляется на основном типе волны.
Волновая матрица рассеяния. Преимущества описания многополюсников в виде параметров волновой матрицы рассеяния (S-параметров) могут быть связаны со следующими факторами.
Во-первых, с возможностью непосредственного измерения, что не представляется осуществимым для параметров классической теории, так как, например, при измерении Y-параметров предполагается проведение опытов короткого замыкания и холостого хода, что практически не реализуется в распределенных цепях.
Во-вторых, параметры рассеяния измеряются на основе распространяющихся волн, что позволяет проводить измерения на некотором расстоянии от физического местоположения объекта. Последнее обстоятельство особенно актуально при микроразмерах объекта.
Ограничившись рассмотрением четырехполюсников, выберем в качестве зависимых переменных волны, расходящиеся от четырехполюсника, т.е. рассеянные волны (рис. 1.12).
Тогда система уравнений, для сходящихся и расходящихся от четырехполюсника волн с коэффициентами в виде параметров рассеяния, запишется:
(1.24)
Здесь коэффициенты отражения соответственно от входа и выхода четырехполюсника, коэффициенты передачи из плеча в плечо . При этом падающие и отраженные волны нормируются так, чтобы их квадрат давал соответствующую мощность. В матричной форме система уравнений (1.24) может быть записана в виде:

Рис.1.12 К определению параметров рассеяния
Зная параметры матрицы рассеяния можно рассчитать соответствующие схемные функции четырехполюсника. Например, коэффициент прямой передачи мощности может быть рассчитан по формуле:
Параметры матрицы рассеяния могут быть рассчитаны по известной матрице проводимости четырехполюсника по формуле:
где единичная матрица.
Необходимо отметить важную особенность параметров матрицы рассеяния, связанную с направлением прохождения сигнала. При изменении направления передачи изменятся лишь индексы в параметрах рассеяния ( на , на ), знаки же величин, входящих в уравнения (1.24) останутся прежними.
Вывод :

Подставим в :
(минус, так как направлен из четырехполюсника.

Подставляя в уравнения системы:
Далее учтена нормировка.
Первое уравнение:
Второе уравнение:
Волновая матрица передачи. Если в качестве зависимых переменных выбрать волны на входе четырехполюсника падающую на вход и отраженную от входа (рис.3.12), а в качестве независимых переменных волны на выходе: распространяющуюся к нагрузке и отраженную от нагрузки, то система уравнений, коэффициентами в которой будут параметры волновой матрицы передачи, запишется:
(3.25)
Описание четырехплюсников в виде волновой матрицы передачи удобно при их каскадном соединении. Результирующая матрица передачи в этом случае определится по соотношению:
Можно показать, что для взаимных четырехполюсников справедливо соотношение , а для симметричных: .
Связь между матрицей рассеяния и матрицей передачи волновой теории и матрицей проводимости классической теории устанавливают следующие соотношения:
- Условия нормирования волновых матриц
Рассмотрим условия нормировки волновых матриц на примере матрицы передачи (уравнения 3.25). Нормировка уравнений четырехполюсника, нагруженного по входу и по выходу на отрезки линий с заданными волновыми сопротивлениями (рис.3.13), связана с получением при описании распределенных цепей однозначных величин. Это объясняется тем, что использование понятий тока и напряжения, требует в каждом случае отдельных оговорок. Величиной, однозначно трактуемой в любых цепях и на любых частотах, является мощность на сторонах отрезка линии или в плечах четырехплюсника. Если волновые сопротивления линий на входе и на выходе действительны, то мощность можно определить как или .
Тогда нормированные уравнения (3.25) перепишутся в виде:
(3.26)

Рис.3.13 Четырехполюсник с линиями передачи
Нормированные таким образом волны представляют собой корни из мощности, переносимой падающей и отраженной волнами. Нормированная волновая матрица передачи может быть записана:
(3.27)
Аналогичные условия нормировки для параметров матрицы рассеяния приводят к следующей матрице:
(3.28)
Связь между нормированными и матрицами волновой теории устанавливают следующие матричные уравнения:
где
.
Матрицы существуют, если выполняются условия .
Волновые нормированные матрицы элементов распределенных цепей могут быть приведены в следующем виде.
- Двухполюсник у левого плеча:
|
|
, где |
2. Двухполюсник у правого плеча:
|
|
, где |
3. Последовательное сопротивление:
|
|
, где |
4. Параллельное сопротивление:
|
|
, где |
5. Идеальный трансформатор:
|
|
, где коэффициент трансформации. |
6. Отрезок однородной линии передачи без потерь длиной и волновым сопротивлением :
|
|
, где |
7. Непосредственное соединение линий с различным волновым сопротивлением (скачок волнового сопротивления):
|
|
- Переходные процессы в цепях с распределенными параметрами.
Уравнение длинной линии во временной области.
Переходные процессы в линии возникают, например, при ее включении и выключении, при воздействии ударных волн и т.п. Для исследовании таких процессов необходимо решать системы уравнений в частных производных при заданных граничных и начальных условиях.
Рассмотрим дифференциальный отрезок однородной линии.
Ток в проводах линии зависит не только от, так как на каждом отрезке ответвляет ток и падает напряжение. Изменение напряжения между проводниками в данной момент времени определяется напряжением на омическом и индуктивном сопротивлениях . Изменение тока связано с током смещения и током проводимости .
Составим уравнения в соответствии с приведенными рисунками.
|
|
Уравнение однородной неискажающей линии в операторной форме.
Так как напряжение и ток являются функциями двух переменных и , то операторные изображения являются функциями двух переменных и .
Производная по времени от напряжения изображается:
где есть распределение напряжения вдоль линии при .
Производная от напряжения по будет:
Соответственно изображение для производных тока будут:
Таким образом уравнения однородной линии в операторной форме примут вид:
Существенная особенность уравнений:
Уравнение относительно операторных изображений являются обыкновенными дифференциальными уравнениями, так как содержат только одну переменную .
(аналогично с уравнениями линии, записанными в комплексной форме при гармоническом воздействии).
Решение уравнений однородной неискажающей линии в операторной форме.
Решая совместно полученные уравнения при заданных граничных условиях (при и ) мы можем найти операторные изображения и , а по ним и оригиналы и .
При нулевых начальных условиях уравнения принимают вид:
(2.3.1)
Дифференцируя первое уравнение по и используя второе, находим:
Аналогично для второго уравнения:
.
Решением этого уравнения является:
;
где и не зависят от , но могут быть функциями от , т.е. .
Из уравнения (2.3.1), выражая для операторного изображения тока получаем:
где операторное волновое (характеристическое) сопротивление линии.
операторное изображение коэффициента распространения.
Решение упрощается в случае неискажающей линии:
и
Таким образом:
Оригинал функции от , стоящей при множителе , можно получить, применяя формулу Фимана (обратное преобразование Лапласа)
Из последнего выражения видно, что является функцией аргумента , так как и входят совместно только в такой комбинации, т.е. .
Аналогично для функции от при :
Таким образом решения для напряжения и тока запишутся:
Волновые процессы в линии при импульсном воздействии.
Рассмотрим полученные выражения для линии без потерь , тогда:
Пусть в частном случае и . Положив в последнем равенстве , найдем распределение напряжения вдоль линии в начальной момент времени. Возьмем некоторую произвольную точку и предположим, что она перемещается вдоль линии со скоростью , т.е. ее положение определяется координатой . Тогда напряжение в этой движущейся точке не будет зависеть от времени, так как это заключение справедливо для любой точки, движущейся со скоростью , то, следовательно, при начальное распределение напряжения перемещается вдоль линии со скоростью . Т.е. определяет прямую волну напряжения, распространяется вдоль линии со скоростью , т.е. волну напряжения, бегущую вперед и не претерпевающую изменения формы. Аналогично функция определяет обратную волну напряжения, распространяется вдоль линии также без изменения формы со скоростью , или бегущую со скоростью , но в обратном направлении, т.е. бегущую назад.
Т.е. волновые процессы это суперпозиция двух волн, распространяющихся вдоль линии без изменения формы со скоростью в противоположном направлении. Наличие в выражениях для и множителей и , причем , показывает, что обе волны, по мере продвижения их вдоль линии, затухают по показательному закону.
Данный импульс может возникать в линии, например, при включении линии, либо при локальном воздействии (возникновение индуцированного заряда при разряде молния).

- Многополюсники на СВЧ.
Матричное описание распределенных цепей (классическая теория)
В общем случае распределенные цепи описываются уравнениями Максвелла. Однако на практике такие задачи решаются достаточно сложно. Используются такие допущения, которые позволяют использовать методы теории цепей применять представление элементов в виде многополюсников. Сложное соединение многополюсников рассчитывается с помощью матричного аппарата теории цепей в предположении:
- Матрицы, описывающие элементы схем СВЧ остаются неизменными при любом сложном соединении элементов (линейное приближение), т.е. зона возмущенного поля вблизи неоднородности передающей линии;
- Взаимодействие элементов осуществляется лишь на основном типе волны.
Параллельное соединение четырехполюсников
|
|
|
Последовательное соединение
|
|
|
Каскадное соединение
(выход предыдущего каскада соединен со входом следующего каскада)
|
|
Волновые параметры четырехполюсника
Существуют 2 системы параметров: классической теории (сигналы в виде и ) и волновой теории (волны и ).
Достоинства описания цепей СВЧ в виде параметров рассеяния (-параметров):
- Возможность измерения. Другие параметры ( …) трудно измерять, так как требуются опыты к.з. и х.х., которые на СВЧ трудно реализовать.
- -параметры измеряются на основе распространения волны если линия без потерь (нет изменения амплитуд волн и ), можно измерять -параметры объекта на некотором расстоянии от его физического местоположения. (актуально при микроразмерах).
В качестве зависимых переменных приняты волны расходящиеся от четырехполюсника, т.е. рассеянных от четырехполюсника.
коэффициенты отражения;
коэффициенты передачи из плеча в плечо .
Падающие и отраженные волны нормируются так, чтобы их квадрат давал соответствующую мощность.

Зная -матрицу, можно определить:
, ,
Волновая матрица передачи
Зависимые переменные волны на входе, независимые переменные волны на выходе.

При каскадном соединении:
Расчет схемных функций

;
Физический смысл параметров А-матрицы передачи:
обратный коэффициент передачи напряжения;
сопротивление передачи;
проводимость передачи;
обратный коэффициент передачи тока.
Коэффициент передачи по напряжению (от источника к нагрузке)
Коэффициент отражения от входа:
Коэффициент отражения от выхода:
Вывод функции для :

.
Связь между системами параметров.
- Связь между волновыми матрицами устанавливается соотношениями:
где
Матрицы существуют, если .
- Связь между матрицами волновой и классической теорий:
Условия нормирования волновых матриц.

Нормировка уравнений четырехполюсника, нагруженного по входу и выходу на отрезке линий с заданными волновыми сопротивлениями, связана с получением при описании распределенных цепей однозначных величин. Это объясняется тем, что использование понятий тока и напряжения требует в каждом случае отдельных оговорок.
Величиной, однозначно трактуемой в любых цепях и на любых частотах является мощность на сторонах отрезка линии или четырехполюсника.
Пусть и действительны. (Для того, чтобы учесть фазовые свойства системы необходимо под мощностью понимать произведение комплексного тока на комплексного напряжения). Тогда мощность определится или .
1. Тогда нормированные уравнения для волновых параметров передачи:
Нормированные таким образом волны представляют собой корни из мощности, переносимой падающей и отраженной волнами, т.е. это уже волны тока или напряжения, а некоторые новые переменные, имеющие размерность корня из мощности, переносимой падающей, либо отраженной волной в соответствующих линиях передачи, включенных на входе и выходе четырехполюсника.
Нормированная волновая матрица передачи запишется:
2. Аналогичные условия нормировки для - матрицы запишутся:
В литературе отличают матрицы нормированные большими буквами, ненормированные маленькими буквами.
- Нормировка классической матрицы передачи
.
Шумовые характеристики четырехполюсника.
В диапазоне СВЧ, как правило, необходимо учитывать требования к шуму компонентов. Особенно это актуально для активных компонентов, внутренние шумы которых не равны нулю. В общем случае коэффициент шума:
где определяется в предположении: 1. АЧХ равномерна;
2. шум белый.
мощности сигнала и шума.
Для многокаскадных схем:
мера шума .
Задача заключается в минимизации меры шума.
Анализ шумовых характеристик четырехполюсника удобно (по тем же причинам, что -параметров) проводить в системе волновых шумовых параметров. Если четырехполюсник шумящий, то на входе и выходе имеются расходящиеся шумовые волны и (считаем четырехполюсник включенным в стандартную линию с ), тогда:

Условия нормировки и те же, что и для волн сигнала.
Однако, внутренние источники шума описываются, как правило, средними квадратами шумового тока формула Найквиста. Поэтому, прежде чем перейти к волновым шумовым параметрам четырехполюсник представляется в виде нешумящего четырехполюсника с эквивалентными источниками шумового тока на входе и выходе.
В формуле Найквиста константа Больцмана, температура окружающей среды, полоса частот для расчета источника шума (выбирается ), проводимость шумящего элемента это, как правило, омические области, а источник шума описывает шумы тепловой природы.
Волновые шумовые параметры.

Система уравнений с шумовыми источниками:
где
Локальные шумовые источники пересчитываются на вход и на выход по формулам для в общем случае как для проходной системы со многими входами (для линейных систем справедлив принцип суперпозиции). Причем и являются коррелированными источниками.
- Шумовые параметры.
Тогда волновые шумовые параметры (параметры) определяются по формулам (где волновое сопротивление подводящих линий передачи).
при
при
при
причем (черта указывает на усреднение, а на комплексно-сопряженную величину).
спектральные плотности мощности шума на входе и выходе четырехполюсника,
взаимные спектральные мощности шума.
Волновые параметры могут быть рассчитаны и через шумовые волны, представленные источниками напряжения:
; ; .
- Шумовые параметры.

Нормированная матрица спектральных плотностей мощности шумов для шумовых волн и :
Данные шумовые волны связаны с уже рассмотренными соотношениями:
;
;
-
Модели компонентов цепей СВЧ.
Особенности схемных моделей активных компонентов на СВЧ.
Рассмотрим особенности схемных моделей на примере моделей арсенидгалиевых полевых транзисторов.
Схемная модель позволяет, при известных ее параметрах, рассчитать выходные сигнальные и шумовые характеристики.
- Простейшая схемная модель:
|
|
- На ВЧ.
|
|
входная емкость; проходная емкость; выходная емкость; индуктивности выводов. |
Чаще всего используются схемные модели с сосредоточенными параметрами, которые определяются по физико-топологической модели (содержащей уравнения Пуассона, уравнение непрерывности тока, уравнения движения, уравнения сохранения импульса и энергии).
- На СВЧ и КВЧ.
При этом размеры компонентов малы и необходимо учитывать субмикронные эффекты:
эффект всплеска дрейфовой скорости;
квазибаллистический эффект (эффект короткого канала);
шунтирующее влияние подложки;
пролетный эффект (эффект запаздывания фазы сигнала);
распределенный характер (волновые процессы) затворной линии эффект третьего измерения.

Анализ физических процессов в субмикронном ПТШ.
Область сильного электрического поля в субмикронных ПТШ локализуется у стокового края затвора. Процессы накопления носителей заряда связаны с разогревом и междолинным переносом, сужением проводящего канала. Доля энергичных носителей, перешедших в подложку и потерявших часть энергии увеличивается по мере перекрытия канала. При этом вероятность междолинного рассеяния уменьшается, что приводит к уменьшению в среднем температуры электронного газа и к ослаблению междолинного шума.

Схемная модель субмикронного полевого транзистора.


индуктивности контактов;
зависимый источник, управляемый напряжением на емкости ;
сопротивления омических контактов затвора, истока, стока;
входная, проходная, выходная емкости (активной области);
проводимость подложки.
Малосигнальными параметрами являются: .
Данная цепь не содержит паразитных (внешних) элементов. Эти цепи особенно важны для расчета характеристик на СВЧ и КВЧ.
Модель субмикронного ПТШ на КВЧ:
Расчет малосигнальных (динамических) крутизны и выходной проводимости.

|
|
|
Формула для полного дифференциала тока стока:
.
Переходя от дифференциалов к конечным приращениям
необходимо давая приращения и , следить за изменением напряжения с учетом и .
Перепишем исходное уравнение в конечных разностях:
(*) , где . ()
Изменение тока стока на величину при постоянном потенциале затвора вызовет изменение потенциалов в точках и так, что ; .
Из (*) получим:
(**) (учтем знак )
Давая приращение при постоянном токе стока () на основании (*) получим:
(***)
Для нахождения параметров и необходимо совместно решить уравнения (**) и (***).
Динамическая крутизна , являющаяся параметром схемной модели, должна учитывать запаздывание фазы изменения тока за счет конечного времени пролета электронов в канале:
,
а также то обстоятельство, что непосредственно управляющее напряжение источника напряжения является лишь частью входного напряжения на цепочке . Поэтому:
,
т.е. динамическая крутизна является, в общем случае, комплексной величиной, и также:
Расчет малосигнальных входной и проходной емкостей, параметров домена.

Так как весь заряд ионизированных доноров в обедненной области зависит от потенциалов затвора и стока , то:
Применяя подход, аналогичный описанному при определении и для и :
- )
- )
Сопротивления домена и емкости определяются через изменение заряда и изменение падения напряжения на области домена , которые получаются при изменении тока стока на величину при постоянном напряжении затвора.
.

Особенности конструкции ПТШ.
Конструкции ПТШ, применяемые в малошумящих усилителях:
|
Hewlett Pakcard HP (США) |
Seamens (ФРГ) |
|
|
NEC (Япония) |
Конкретный тип конструкции связан с типом усилителей наиболее характерны - маломощные (малошумящие усилители МШУ) и усилители мощности (многосекционные транзисторные структуры).
При расчете многосекционных ПТШ при расчете результирующей матрицы необходимо суммировать матрицы отдельных секций.
Мощный ПТШ:

Конкретный вид топологии ПТШ определяется типом согласующих цепей.
Расчет паразитных параметров субмикронного ПТШ.
- Как правило, металлизация затвора описывается комплексным сопротивлением ,
где ,
удельное сопротивление металлизации затвора,
толщина слоя металлизации.
Для алюминиевого затвора с учетом скин-эффекта:
где частота [ГГц], (мкм), ширина одного пальца,
общая ширина затвора
глубина скин-слоя, , магнитная проницаемость на частоте .
(для алюминиевого затвора глубина скин-слоя составляет 1,4 1,9 мкм на частоте 2 ГГц).
- Сопротивление омических контактов стока и истока.
; .
где высота слоя обеднения
подвижность носителей канала.
где полный эллиптический интеграл первого рода,
(GaAs)
дополнительная функция
.
величина зазора конденсатора, образованного контактными площадками.
длины контактных площадок.
4. Полное сопротивление выводов (Au) с учетом скин-эффекта.
, где длина, радиус поперечного сег.
Линии передачи ИС СВЧ.
Чаще всего используются микрополосковые линии передачи (МПЛ), щелевые линии (ЩЛ) и компланарные линии (КЛ) передачи.
Топология линий показана на рисунке.
|
|
|
|
|
Основной тип волны в МПЛ Т-волна.
Используется понятие эффективной диэлектрической проницаемости, так как диэлектрик не заполняет линию полностью.
для воздушного заполнения.
Суммарные потери в металле, диэлектрике и потери на излучение суммируются.
Удельное сопротивление и тангенс угла диэлектрических потерь определяются:
; потери в диэлектрике.
Если , можно пренебречь.
Сравнительный анализ линий.
- ЩЛ и КЛ удобны для подключения активных элементов и образования невзаимных устройств.
- В отличие от МПЛ обладают ШЛ большим волновым сопротивлением .
- В ЩЛ и КЛ дисперсионные свойства выражены сильнее. ()
- Дисперсионные свойства линий выражаются тем сильнее, чем больше диэлектрика.
- В МПЛ заземляющая находится на обратной стороне пластины, что затрудняет (технологически) заземление элементов и активных приборов.
- В ЩЛ и КЛ заземляющая пластина находится на верхней поверхности пластины и увеличивает занимаюемую ею площадь.
- Отсутствие у ЩЛ и КЛ на обратной стороне металлизации ухудшает отвод тепла.
Преимущества полосковых линий передачи заключаются в:
- в широкополосности ();
- малой массе и габаритах;
- возможности применения печатного монтажа (автоматизированный технологический процесс).
Линии передачи на полупроводниковых подложках (большие ) технологически выгодны.
Однако затухание и дисперсия в таких линиях больше.
Функциональные возможности:
- трансформация (для согласования);
- используются в качестве аттенюаторов.

Порядок расчета линий передачи:
- Расчет и по
- Расчет
- Расчет матрицы передачи
МПЛ в приближении нулевой толщины полоски:
для
где
для
где
(погрешность 1%)
Индуктивные элементы ИС СВЧ
Входное сопротивление короткого короткозамкнутого отрезка линии
имеет либо резистивный, либо индуктивный характер, в зависимости от соотношения и .
В отличие от линий передачи роль подложки для сосредоточенных элементов заключается в физической поддержке и изоляции.
Последовательные индуктивные элементы:
а). «Балочная»
|
|
|
б). Кольцевая
|
|
|
в). Меандровая
|
|
|
г). Спиральная круглая:
|
|
д).
|
|
Все длины должны быть |
Схемная модель для индуктивностей а)., б)., в).

Схемная модель для индуктивностей г)., д).

Большие значения позволяют получать спиральные и меандровые индуктивности.
Параллельные индуктивности:

Короткозамкнутый параллельный шлейф:

Емкостные элементы ИС СВЧ
для короткой замкнутой линии
при
- разрыв линии
|
|
|
- последовательный конденсатор на встречных штырях
|
|
|
|
- параллельный конденсатор на встречных штырях
|
|
|
|
- плоский последовательный конденсатор

Схемная модель 2).
Конденсаторы с "боковой связью" (штыревые, щелевые) имеют и по сравнению с конденсаторами с "лицевой связью", но более технологичны.
Увеличение штыревых конденсаторов достигается увеличением числа секций (широких и коротких для уменьшения ).
- Могут быть перестраиваемые конденсаторы на обратно смещенном диоде Шоттки (для перестраиваемых генераторов и контуров) варикапы.
на анод подключен
Для увеличения применяют встречно-штыревую структуру (анод и катоды).
Резистивные элементы ИС СВЧ
Пленочные резисторы используются в качестве нагрузок, делителей, цепей управления и питания. Основные параметры поверхностное сопротивление, температурный коэффициент удельного сопротивления (ТКС), тепловое сопротивление, максимально допустимая рассеиваемая мощность. В качестве материалов используют металлы, керметы, (смеси Cr и SiO). Для изготовления полупроводниковых резисторов используется тот же слой, что и для каналов ПТШ, но имеют два недостатка: а). нелинейные ВАХ (насыщение скорость); б). положительный ТКС.
- Пленочные
|
|
|
коэффициент формы, указывающий на то, что значение резистора зависит не от площади.
- резонаторы с четвертьволговыми разомкнутыми шлейфами.
|
|
Схемная модель:

при параллельный резонанс ().
При больших уровнях мощности используют распределенные резисторы.

|
|
|
Неоднородности в ИС СВЧ
1. изгибы 2. Скачки 3. разомкнутые линии 4. замкнутые линии
5. Е-образные соединения 6. пересечение линий 7. зазор в линии
- прямоугольный изгиб
|
|
|
Здесь параллельная емкость обусловлена накоплением заряда, а последовательная индуктивность искажением магнитного поля в изгибе.
- Скачок
|
|
|
- Разомкнутые линии (холостой ход)

Схемная модель

- Замкнутая линия (короткое замыкание)

Схемная модель

Пример использования сосредоточенных и :
Параллельный колебательный контур
|
|
|
Последовательный колебательный контур
|
|
|
Резонаторы
В ИС СВЧ используются печатные и объемные резонаторы. Чаще всего выполняют в виде отрезков МПЛ длиной .
- а). Короткое замыкание.
|
|
Схемная модель
|
б). Холостой ход.
|
|
|
Короткозамкнутый резонатор обладает более высокой добротностью и меньшим кольцевым излучением по сравнению с разомкнутым. Но недостаток короткозамкнутых резонаторов необходимость применения специальных короткозамыкателей.
- Параллельное подключение к линии LC-цепочка (последовательный контур).
|
|
|
- Параллельный контур
|
|
|
Разомкнутый отрезок линии C
Короткозамкнутый отрезок линии L
- Печатные резонаторы.
|
|
|
|
В печатных резонаторах в виде конца или квадрата отсутствуют краевые эффекты.
Если толщина диэлектрика мала (), то в кольцевом резонаторе
Чем шире кольцо, тем более высокие типы колебаний могут возбудиться. При ширине кольца больше в резонаторе возникают высшие типы колебаний . В пределе () кольцевой резонатор преобразуется в дисковый.
- Дисковый резонатор.

Чем больше радиус диска, тем более высокие типы колебаний возбуждается.
, функция Бесселя n-го порядка.
Зазор (см. 4) выбирается таким, чтобы с одной стороны не искажалось поле резонатора, а с другой обеспечивалась необходимая величина связи.
Объемные резонаторы диски из диэлектрика или феррита. Принцип действия основан (стержень, сфера, параллелепипед) на явлении полного внутреннего отражения от границы раздела диэлектрик-воздух.

Большое и малое . Недостатки: 1. Необходимость экранирования; 2. чувствительны к колебанию температуры.
Ферритовые могут быть перестраиваемыми при изменении поля подмагничивания.
Фильтры ИС СВЧ
В качестве базовых элементов в фильтрах используются МПЛ, которые в отличие от прямоугольного волновода не имеют нижней частоты отсечки (течет и постоянный ток).
- ФНЧ используются в схемах детекторов, смесителей, в цепях питания.
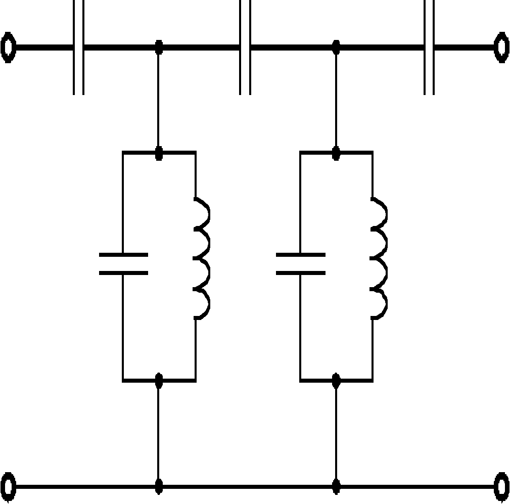
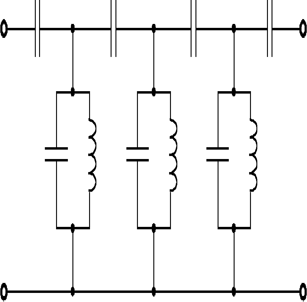
ФНЧ с распределенными параметрами:
|
|
|
Отрезки линии с высоким волновым сопротивлением эквивалентны последовательной индуктивности, а чередующиеся с ними отрезки с низким параллельные емкости.
ФНЧ с сосредоточенными параметрами:
|
|
|
Рассмотреть пример расчета фильтра (см. Фуско).
- ФВЧ
На короткозамкнутых отрезках линий реализуется индуктивный элемент
|
|
|
- Полосовые фильтры.
а). ПФ на линии с зазорами.
|
|
|
Полосовые фильтры могут быть реализованы на основе микрополосковых резонаторов, связанных между собой определенным образом. Расстояние между центрами зазоров равно , а величина зазора определяет полосу пропускания фильтра (чем меньше зазор, тем сильнее резонаторы связаны и шире полоса пропускания). Из-за технических трудностей: 1. реализация малых , ; 2. Длина фильтра получается большой.
Увеличение количества резонаторов расширяет полосу пропускания.
б). Более компактная конструкция ПФ со связью полуволновых полосковых резонаторов через боковые поверхности
|
|
|

Общий недостаток ПФ на связанных резонаторах чувствительность к техническим допускам () уход центральной частоты фильтра. (при этом изменяется ).
Затухание фильтра в полосе пропускания тем меньше, чем выше собственная добротность и чем меньше число звеньев и выше собственная добротность резонаторов.
в). ПФ на встречных стержнях (четвертьволновых резонаторах).
|
|
|
- Имеют малые геометрические размеры
- Широкую полосу пропускания до 60%.
Недостаток: необходимость обеспечения короткого замыкания.
Применяются также высокодобротные (емкость на порядок выше чем у печатных) объемные диэлектрические резонаторы, что позволяет получать более узкие .
Дисковый последовательно включенный резонатор:

Используются также полосовые фильтры на поверхностно акустических волнах (ПАВ). При распространении ПАВ вдоль поверхности кристаллических твердых тел эти волны имеют малые потери. Кроме того, ПАВ могут быть недисперсионными.
Пьезопреобразователь от которого распространяются ПАВ. Штыревая структура располагается на поверхности пьезоподложки (например, кварцевой). Данная структура создает электрическое поле, которое за счет пьезоэффекта вызывает упругие деформации, распространяющиеся от преобразователя в виде ПАВ.

- Малошумящие цепи СВЧ.
Источники шума в субмикронных ПТШ.
В термодинамическом равновесии спектральная плотность шума описывается соотношением Найквиста. При этом справедливо соотношение Эйнштейна . Соотношение Эйнштейна, в свою очередь, выполняется, когда электроны имеют распределение Максвелла.
В сильных электрических полях проявляются эффекты разогрева и значение пробретает так называемый диффузионный шум, т.е. шум, обусловленный рассеянием носителей.
Спектральная плотность теплового шума, связанная с флуктуациями скорости (коэффициента диффузии), описывается соотношением:
, где
сопротивление ячейки .
- Шум канала полевого транзистора:
,
где коэффициент, учитывающий нетепловую природу шума канала (в сильных электрических полях увеличивает вклад шума канала за счет уменьшения подвижности электронов), температура электронного газа.
- Шумы областей, находящихся в термодинамическом равновесии омических контактов (истока, стока, затвора) описываются соотношением Найквиста.
- Шум, наведенный на затворе связан с тем, что на высоких частотах флуктуации тока приводят за счет емкостной связи с затвором к флуктуациям наведенного тока затвора. (частотно-зависимый шум).
,
где коэффициент (близкий к 1) и зависящий от потенциала на электродах транзистора.
Этот источник коррелирован с источником . Степень корреляции определяется по формуле:
, откуда
- В короткоканальных (субмикронных) транзисторах необходимо учитывать шум токораспределения между каналом и подложкой. Шум токораспределения связан со случайным характером распределения тока между двумя цепями. По аналогии с ламповым тетродом:
, где ток стока, составляющие канала и подложки.
Максимальный шум токораспределения при .
Шумовая схемная модель ПТШ

Анализ составляющих шума субмикронного ПТШ:
- Малошумящий режим связан с напряжением на затворе, близком к потенциалу отсечки тока стока. В этом режиме носители под затвором движутся по подложке, преодолев потенциальный барьер канал-подложка и потеряв часть энергии. Это приводит к уменьшению вероятности междолинного рассеяния. Шум, связанный с разогревом носителей является преобладающим в субмикронных ПТШ.
- Шум токораспределения при минимален, так как полный ток равен току подложки ( мал). Вклад этой составляющей минимален.
- Шум, наведенный на затворе в малошумящем режиме также минимален, так как при увеличении имеет обратную зависимость.
- Шум канала также минимален, так как (см. п.1)
|
|
|
Температура электронов (вдоль канала) может быть найдена по формуле:
где равновесное значение , константа Больцмана, энергия (эВ), равновесное значение (эВ), заселенность верхних долин, энергетический зазор между верхней и нижней долинами.
|
|
|
Минимальный коэффициент шума
Минимальный коэффициент шума связан с обеспечением всех необходимых факторов, которые приводят к минимальному значению коэффициента шума. (Выбор электрического режима и условия согласования). Методика расчета минимального коэффициента шума может быть сведена к следующим этапам, учитывая, что выбор оптимальных значений питающих напряжений также приводит к оптимальным значениям шума.
- Пересчет локальных шумовых источников ко входу и выходу четырехполюсника, используя принцип суперпозиции для линейных цепей, при этом суммарные токи на входе и на выходе:
- Расчет волновых шумовых параметров (- параметров).
- В предположении большого усиления , когда шумами нагрузки можно пренебречь, минимальный коэффициент шума запишется:
где ,
- Оптимальный коэффициент отражения по входу с учетом согласования входа четырехполюсника определяется:
- При допущении об отсутствии влияния нагрузки на шумы на входе, что практически всегда выполняется, то условие согласования на выходе четырехполюсника это условие передачи максимальной мощности (комплексно-сопряженное согласование). При этом:
Расчет коэффициента усиления по мощности и коэффициента устойчивости
По рассчитанным при условии минимального шума и рассчитываются оптимальные значения и , обеспечивающие минимум шума (могут быть и ).
;
; где .
т.е. это такие нагрузки, которые необходимо обеспечить на входе и на выходе четырехполюсника. При стандартном сопротивлении генератора и нагрузки для получения на входе и на выходе четырехполюсника , необходимо использовать согласующие трансформаторы (согласующие цепи).

При известных , , сопутствующий коэффициент усиления:
,
где матрица проводимости четырехполюсника.
Коэффициент устойчивости:
где .
Анализ неоднородностей субмикронных полевых структур

Это актуально, так как при субмикронных размерах неоднородности могут быть сравнимы с рамерами структуры.
В реальных структурах (активных и пассивных) имеют место неоднородности, возникающие вследствие технологических погрешностей их изготовления. Их учесть можно, например, представляя транзистор в виде некоторой дискретной структуры вдоль третьей координаты (ширины затвора). Тогда каждая из секций будет описываться своим набором физико-топологических параметров и соответственно, Y-матрицей. Т.е. структура представляется в виде параллельно-соединенных четырехполюсников:
Параметры (геометрические, физические) в каждой секции могут задаваться либо детерминированной функцией, либо случайным образом (по соответствующему закону распределения нормальному, равномерному, т.д. по методу Монте-Карло).
После получения результирующей Y-матрицы высокочастотные параметры рассчитываются известными методами.

Уравнения для учета распределенных эффектов в полевых структурах
|
|
здесь погонное сопротивление затворной линии передачи, а параметры погонной матрицы проводимости активной области транзистора, т.е. матрицы проводимости активной области транзистора, , т.е. матрицы проводимости ПТШ (без учета сопротивления металлизации затвора) единичной ширины.
Первое уравнение характеризует падение напряжения на участке затворной линии . Два других уравнения устанавливают связь между токами и напряжениями на четырехполюснике дифференциальной секции транзистора.
Уравнения записаны в предположении эквипотенциальности стока и истока (т.е. их сопротивления растекания пренебрежимо малы).
Уравнения записаны для трех переменных: тока стока и затвора , а также напряжение затвор-исток .
Активная область ПТШ описывается схемной моделью с сосредоточенными параметрами, которая учитывает свойства линии на полупроводниковой подложке, в которой происходят дрейф горячих носителей. Распространяющаяся электромагнитная волна локализуется в области пространственного заряда под затвором (низкопроводящая область, близкая по своим свойствам к диэлектрику). Проникновение поля в обедненный слой подложки ограничивается высокопроводящим слоем канала.
Решение уравнений распределенной модели ПТШ
Первые два уравнения п.5.6 можно рассматривать как систему уравнений для определения и . Разделение переменных осуществляется повторным дифференцированием и последующей перекрестной подстановкой. Обозначая , получим
Решение уравнений можно представить в форме:
(*)
Подставим эти решения в одно из исходных уравнений первого порядка. Приравнивая слагаемые при одинаковых функциях, получим связь между двумя парами постоянных:
Здесь по аналогии с длинными линиями, соответствует значению волнового сопротивления.
Еще две постоянные интегрирования можно найти из условий и . Подставляя в уравнения (*) получим:
В итоге выражения, характеризующие распределение амплитуд напряжения и тока, можно представить в форме:
Полученные функции позволяют установить связь амплитуд входного и выходного токов для транзистора в целом с амплитудами напряжений.
Из последнего выражения для при получим:
Подставляя в третье уравнение исходной системы (п.5.6), интегрированием по всей ширине затвора получим выражение для полного тока стока:
Два последних уравнения связи и с и позволяют перейти к параметрам сосредоточенной модели транзистора без учета сопротивления металлизации затвора:
Уравнения и матрица проводимости затворной линии
Выражения, описывающие распределения амплитуд напряжения и тока (подставляя выражения для и в систему (*):
Полученные функции позволяют установить связь амплитуд входного и выходного токов для транзистора в целом с амплитудами напряжений.
Из последнего выражения для при получим:
Подставляя в третье уравнение исходной системы (п.5.6), интегрированием по всей ширине затвора получим выражение для полного тока стока:
Два последних выражения представляют из себя уравнения четырехполюсника, в которых коэффициенты при и представляют элементы матрицы проводимости распределенного четырехполюсника:
-
Генераторы СВЧ
Транзисторные генераторы СВЧ колебаний.
В отличие от диодов Ганна, туннельного диода, в транзисторном генераторе необходимо создание положительной обратной связи. В генераторах используется участок с дифференциальной отрицательной проводимостью. Рассмотрим генераторы с фиксированной частотой генерации на транзисторах. (В перестраиваемых генераторах электронная перестройка посредством варикапов).
Условие генерации:
- необходимое условие для устойчивости автоколебаний.
При моделировании используются следующие допущения:
- Уровень мощности основной частоты >> мощности гармонических составляющих.
- Используется допущение о форме сигнала сигнал считается синусоидальным.
- Используется схемная модель ПТШ с нелинейными элементами.

Схема автогенератора на ПТШ с общим истоком:
Порядок анализа генераторов на транзисторах:
- Определение зависимостей элементов схемной модели от электрического режима; ;
- Определение -матрицы ПТШ, и для получения требуемого значения ;
- Синтез согласующих цепей;
- Определение выходной мощности с учетом нагрузки на частоте генерации.
Мощные генераторы содержат до 10 параллельно включенных затворов (транзисторов).
Генераторы СВЧ на GaAs ПТШ
В отличие от диодов Ганна, туннельного диода, в транзисторном генераторе необходимо создание положительной обратной связи. В генераторах используется участок с дифференциальной отрицательной проводимостью. Рассмотрим генераторы с фиксированной частотой генерации на транзисторах. (В перестраиваемых генераторах электронная перестройка посредством варикапов).
Для анализа используются следующие допущения:
- Уровень мощности основной частоты >> мощности гармонических составляющих.
- Используется допущение о форме сигнала сигнал считается синусоидальным.
- Пренебрегаем паразитными реактивными элементами.

- Используется упрощенная схемная модель ПТШ с одним нелинейным элементом ().
Граничная частота генерации:
(частота, при которой ).
Максимальная частота генерации:
(частота, при которой однонаправленный коэффициент усиления > 1).
Кроме того, необходимо учитывать распределенный характер затвора:
(*)
т.е. является функцией среднего квадратического напряжения на емкости
крутизна ПТШ в режиме малого сигнала.
можно рассчитать, если предположить, что изменяется в зависимости от по тому же закону, по которому она изменяется в зависимости от постоянного напряжения на затворе , тогда . Из (*) следует, что
напряжение отсечки, постоянное напряжение на стоке, напряженность электрического поля, при котором наступает насыщение носителей, напряженность электрического поля в канале ПТШ.
Мощность, выделяемая в нагрузке :
напряжение на нагрузке
|
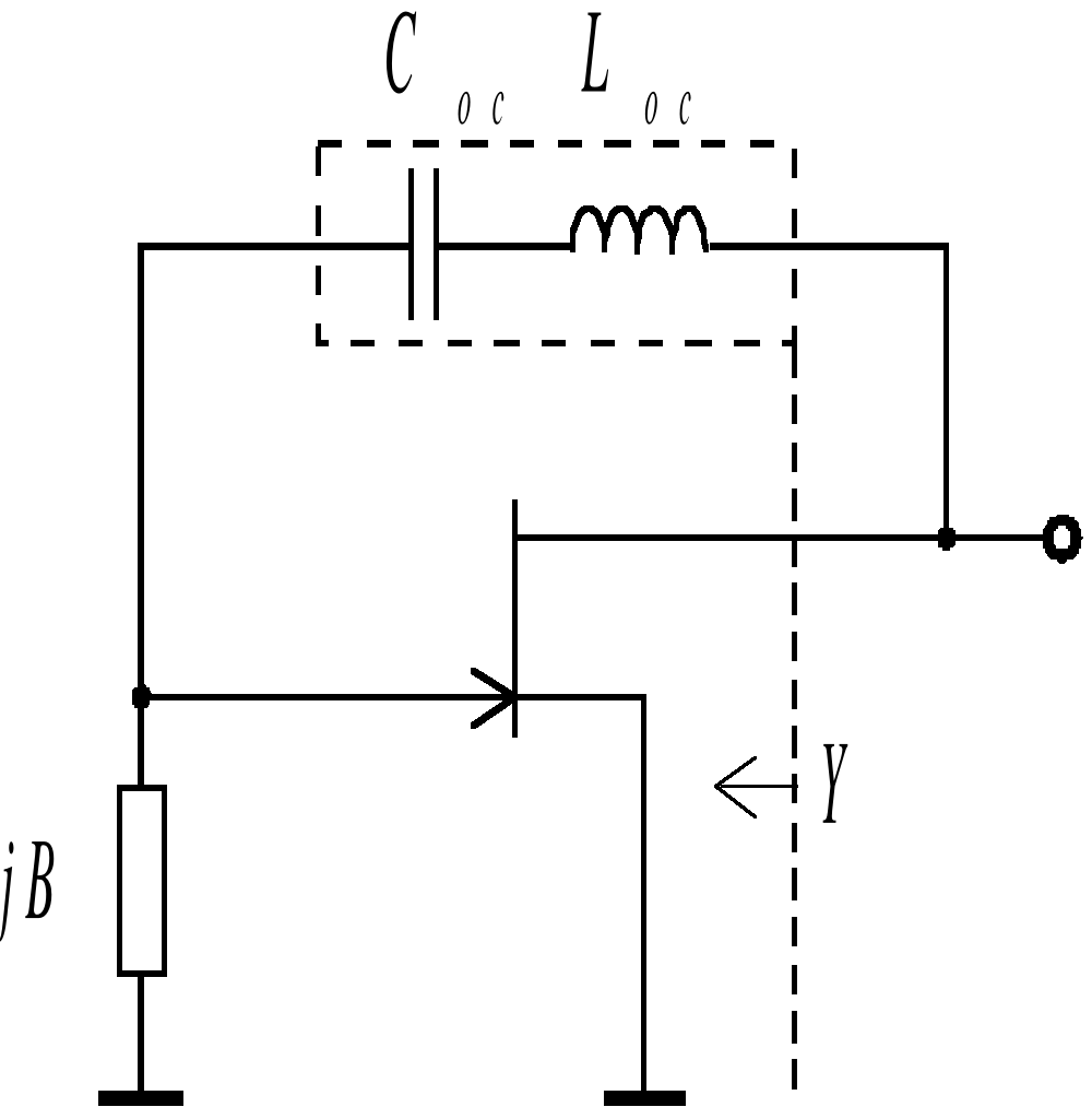
|
Автогенератор с общим истоком может содержать как распределенные, так и сосредоточенные элементы. может быть, например, разомкнутый емкостной шлейф. |
|
|
стандартное волновое сопротивление тракта |
условие генерации
необходимое условие для устойчивости автоколебаний.
полное сопротивление согласующей цепи и волновое сопротивление тракта.
Отрицательная выходная проводимость создается с помощью и .
Матрица проводимости схемы:
где .
Соотношение между и для обеспечения условия генерации:
.
Мощные генераторы содержат до 10 параллельно включенных затворов (транзисторов).
максимально возможный коэффициент однонаправленного усиления при нейтрализованной внутренней обратной связи и комплексно-сопряженном согласованием по входу и по выходу.
Структурная схема генератора на ПТШ:

Порядок анализа генераторов на транзисторах:
- Определение малосигнальных параметров схемной модели транзисторов в рабочей области напряжения питания
- Определение и , необходимые для получения требуемого значения ;
- Синтез согласующих цепей;
- Определение выходной мощности с учетом нагрузки на частоте генерации.
- Оптимизация нагрузок автогенератора (зависимость имеет экстремум) под. заданные значения и (к.п.д.).

Интерес представляют схемы без согласующих элементов на выходе нагрузкой является стандартная линия.

Зависимость малосигнальных параметров схемной модели от электрического режима:

Автогенераторы СВЧ на туннельных диодах
Туннельный диод благодаря широкому частотному диапазону, малой потребляемой мощности и высокой температурной стабильности применяется в СВЧ (до 200 ГГц) и высокостабильных генераторах. Недостатком генераторов на туннельных диодах является малая выходная мощность.
С помощью отрицательного сопротивления на участке AB который является рабочим, компенсируются потери в колебательном контуре и возникают незатухающие колебания. (Ширина падающего участка не превышает несколько десятков милливольт, поэтому амплитуда генерируемых колебаний небольшая и мощность малая).
Для уменьшения искажений используется только линейный участок ВАХ.
Принципиальная схема и схемная модель:
|
|
|
Условие самовозбуждения: , т.е.: баланс амплитуд когда величина оказывается достаточной , чтобы скомпенсировать потери в контуре.
Здесь общее активное сопротивление, учитывающее сопротивление делителя и сопротивление контура, емкость диода, делитель, обеспечивающий положение рабочей точки.
В такого рода схемах (в отличие от транзисторных) нет необходимости в обратной связи. Здесь обратная связь заложена в физическом механизме работы и выражается в возникновении отрицательного сопротивления при правильном выборе рабочей точки. Однако, особенность связана с тем, что источник питания должен обладать малым внутренним сопротивлением, чтобы рабочая точка могла попасть на падающий участок, кроме того входит в и влияет на частоту генерации. Для этого необходимо выполнять условия:
, .
Требования к источнику питания: малое внутреннее сопротивление, чтобы не сдвигалась рабочая точка.
Трехточечные схемы автогенераторов на туннельных диодах
А.Г. с последовательным питанием:

А.Г. с параллельным питанием:

блокировочная емкость, уменьшает на высоких частотах влияние на контур.
При параллельном питании постоянный ток не поступает в контур, что предотвращает разогрев катушки контура, что способствует повышению стабильности.
развязка источника (большое внутреннее сопротивление при параллельном соединении). Для устранения самовозбуждения в контуре последовательно с дросселем включается резистор .
СПИСОК ЛИТЕРАТУРЫ
- В. Фуско. СВЧ цепи. Анализ и автоматизированные проектирование. М.: «Радио и связь». 1990. 288 с.
- А.Д. Григорьев. Электродинамика и техника СВЧ. М.: «Высшая школа». 1990. 335 с.
- Микроэлектронные устройства СВЧ. /Н.Т. Бова, Ю.Г. Ефремов, В.В. Конин и др. К.: Техніка. 1984. 184 с.
- Конструирование экранов и СВЧ устройств. / А.М. Чернушенко, Б.В. Петров, Л.Г. Малорацкий, Н.Е. Меланченко, А.С. Бальсевич. Под ред. А.М. Чернушенко. М.: “Радио и связь”. 1990. 352 с.
- К. Гупта, Р. Гардж, Р. Чадха. Машинное проектирование СВЧ устройст. М.: “Радио и связь”. 1987. 432 с.
- З.Г. Каганов. Электрические цепи с распределенными параметрами и цепные схемы. М. : Энергоатомиздат. 1990. 248 с.
- Фельдштейн А.Л., Явич Л.Р. Синтез четырехполюсников и восьмиполюсников на СВЧ. М.: Связь. 1971. 388 с.
- Жалуд В., Кулешов В. Шумы в полупроводниковых устройствах. М.: Сов. Радио. 1977. 416 с.
- Веселов Г.И. Микроэлектронные устройства СВЧ. М.: «Высшая школа». 1988.
- Гассанов Л.Г., Липатов А.А. и др. Твердотельные устройства СВЧ в технике связи. М.: «Радио и связь». 1988. 288 с.
- Данилин В.Н., Кушниренко А.И., Петров Г.В. Аналоговые полупроводниковые интегральные схемы СВЧ. М.: «Радио и связь». 1985.
СВЧ. Электронные цепи СВЧ














































































