ИССЛЕДОВАНИЕ СОСТОЯНИЯ ЗАЩИТНОГО ЗАЗЕМЛЕНИЯ МЕТОДОМ АМПЕРМЕТРА-ВОЛЬТМЕТРА
88
Лабораторная работа № 9
"ИССЛЕДОВАНИЕ СОСТОЯНИЯ ЗАЩИТНОГО ЗАЗЕМЛЕНИЯ МЕТОДОМ АМПЕРМЕТРА-ВОЛЬТМЕТРА"
ОБЩИЕ СВЕДЕНИЯ И ЦелИ работы
При обслуживании оборудования, имеющего электрический привод, рабочий персонал часто прикасается к нетоковедущим металлическим частям, нормально не находящимся под напряжением. В ряде случаев такое прикосновение является нормальной рабочей операцией (например, работа на станке, приводом которого служит электродвигатель). Повреждение изоляции у электрооборудования неизбежно влечет за собой переход напряжения на металлические части оборудования, и, в результате этого рабочий оказывается под воздействием электрического тока, что приводит к несчастным случаям.
Одной из мер защиты в таких случаях является применение защитного заземления.
Цели лабораторной работы:
получить практические навыки по выбору и расчету параметров защитного заземления, сроков и методов измерения сопротивления и определения пригодности защитного заземления электроустановок.
ТЕОРЕТИЧЕСКАЯ ЧАСТЬ
Под заземлением какой-либо части электроустановки понимается преднамеренное электрическое соединение этой части с заземляющим устройством.
Заземляющим устройством называется совокупность заземлителя и заземляющих проводников. Под заземлителем понимается проводник (электрод из трубы, прутка, уголка, полосы и т. д.) или совокупность металлически соединенных между собой проводников (электродов), находящихся в соприкосновении с землей.
Заземляющим проводником называется проводник, соединяющий заземленные части оборудования с заземлителем.
Заземлители бывают искусственными и естественными. Искусственным заземлителем называется заземлитель, специально выполненный (вбитый, ввернуты, закопанный на определенную глубину) для целей заземления. Естественным заземлением называются находящиеся в соприкосновении с землей электропроводящие части коммуникаций, зданий и сооружений производственного или иного назначения, используемые для целей заземления, за исключением трубопроводов горючих и легковоспламеняющихся жидкостей, горючих или взрывчатых газов и смесей, канализации и центрального отопления.

Рис. 1. Конструкция защитного заземления:
а общий вид; б установка стержневого заземлителя в траншее;
1 вертикальный заземлитель; 2 соединительная полоса (горизонтальный заземлитель)
Сопротивление заземлителя в большой мере зависит от удельного сопротивления грунта , измеряемого в Омм. Удельное сопротивление грунта зависит от характера почвы (влажность, температура, род грунта, степень уплотненности), а также от времени года. Наибольшую величину оно имеет в холодный период (северные районы) и теплый период (южные районы), когда почва наиболее сухая.
Сопротивление заземляющих устройств необходимо периодически контролировать, так как из-за коррозии заземлителей или механических повреждений оно может превысить допустимую величину. Контроль сопротивления осуществляется перед вводом заземляющих устройств в эксплуатацию после монтажа, через год после включения в эксплуатацию и в последующем при комплексном ремонте электроустановки, но не реже чем через 10 лет на электростанциях, подстанциях и линиях электропередач, через 3 года на подстанциях потребителей и ежегодно в цеховых электроустановках потребителей.
Сопротивление заземляющих устройств не должно превышать 4 Ом в электросетях напряжением до 1000 В с изолированной нейтралью и 10 Ом в электросетях до 1000 В с заземленной нейтралью. Так в электросетях до 1000 В с заземленной нейтралью сопротивления заземляющих устройств не должны превышать 2 Ом при линейном трехфазном напряжении 660 В, 4 Ом при380 В и 8 Ом при 220 В.
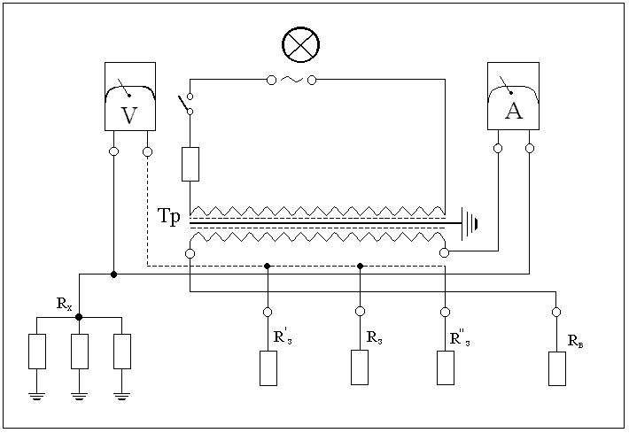
Измерение сопротивления растеканию тока заземляющих устройств, как правило, производят в теплое время года (май октябрь), и измеренное удельное сопротивление грунта изм умножается на коэффициент сезонности , учитывающий возможное повышение сопротивления в течение года и состояние грунта во время измерений. Для измерения сопротивления используются измерители заземления МС07, МС08, М372, М416, М1011, геофизический прибор типа ИКС, компенсационные приборы, работающие на повышенной частоте; метод вертикального электрического зондирования (ВЭЗ) и другие. Для определения удельного электрического сопротивления грунта используется метод четырех электродов. Однако наиболее распространен метод амперметра-вольтметра (рис. 2).

Рис. 2. Схема измерения сопротивления заземляющих устройств
по методу амперметра-вольтметра:
Rх испытываемое сопротивление; R3, R'3, R"3 различные положения зонда; Rв вспомогательный заземлитель
Вспомогательный заземлитель Rв и зонд R3 устанавливаются на расстоянии от испытуемого заземлителя, не менее приведенного на рис. 3.

Рис. 3. Схема размещения заземлителей для измерения
сопротивления растеканию тока:
а в одиночных заземлителей; г полосных заземлителей;
Rх испытуемый заземлитель; R3 зонд; Rв вспомогательный зонд
Для большей точности измерений вольтметр должен иметь внутреннее сопротивление не менее 50 кОм. Измерительный ток Iз проходит через испытываемое заземляющее устройство Rх. Падение напряжения на Rх измеряется вольтметром V, включенным между Rх и зондом Rз. Таким образом, сопротивление растеканию тока испытываемого заземляющего устройства будет равно Rх = U/Iз.
МЕТОДИКА РАСЧЕТА ИСКУССТВЕНОГО ЗАЩИТНОГО ЗАЗЕМЛЕНИЯ
(без учета естественных заземлителей)
Цель расчета определение количества и размеров электродов, длины соединительной полосы и сопротивления растеканию тока.
Исходные данные: напряжение заземляемой электроустановки равно 380 В, нейтраль трансформатора изолирована, удельное электрическое сопротивление грунта выбирается по варианту, заземляющее устройство контурное, электроды стальные, грунт однородный.
Вариант учебного задания выбирается старшим подгруппы по последней цифре номера его зачетной книжки (табл. 9.1).
Определить расчетное удельное сопротивление грунта, Омм, в соответствии с вариантом задания
расч = ,
где коэффициент сезонности (табл. 9.2); удельное сопротивление грунта, Омм (табл. 9.1).
Таблица 9.1
Варианты учебного задания
|
Но-мер вари-анта |
Грунт |
Условное обозначение сопротивле-ния грунта |
Клима-тическая зона |
Наибольшее допустимое сопротивление заземляющего устройства, Rдоп, Ом |
Удельное сопротив-ление грунта, , Омм |
|
1 |
Чернозем |
R"з |
III |
4 |
20 |
|
2 |
Глина |
R'з |
I |
3 |
40 |
|
3 |
Суглинок |
Rз |
I |
2 |
100 |
|
4 |
Глина |
R'з |
II |
4 |
40 |
|
5 |
Суглинок |
Rз |
II |
3 |
100 |
|
6 |
Чернозем |
R"з |
IV |
2 |
20 |
|
7 |
Суглинок |
Rз |
III |
4 |
100 |
|
8 |
Глина |
R'з |
III |
4 |
40 |
|
9 |
Чернозем |
R"з |
II |
3 |
20 |
|
0 |
Глина |
R'з |
IV |
2 |
20 |
Таблица 9.2
Признаки климатических зон и коэффициенты сезонности
для однородной земли
|
Характеристика климатической зоны |
Климатические зоны |
|||
|
I |
II |
III |
IV |
|
|
Средняя многолетняя низшая температура (январь) оС |
от 20 до 15 |
от 14 до 10 |
от 10 до 0 |
от 0 до + 5 |
|
Продолжительность замерзания вод, дней |
190170 |
150 |
100 |
0 |
|
Среднегодовое количество осадков, см |
40 |
50 |
50 |
3050 |
|
Коэффициент сезонности для вертикального электрода длиной 3 м при нормальной влажности грунта |
1,7 |
1,5 |
1,3 |
1,1 |
Примечание. Земля считается нормальной влажности, если измерению электрического сопротивления грунта предшествовало выпадение небольшого количества осадков.
Рассчитать сопротивление растекания одиночного вертикального заземления (электрода) по формуле
где l = 3 м длина заземлителя; d = 0,05 м диаметр трубы или стержня; H = h + l/2 глубина заложения вертикальных электродов, м (рис. 4); h = 0,8 м расстояние от поверхности земли до электрода.

Рис. 4. Трубчатый или стержневой заземлитель в грунте
Рассчитать количество вертикальных электродов, необходимых для получения допустимых значений сопротивления заземления по приближенной формуле, без учета полосы связи
где Rдоп наибольшее допустимое сопротивление заземляющего устройства (табл. 9.1); коэффициент использования группового вертикального заземлителя (табл. 9.3); n число вертикальных электродов.
Коэффициент использования учитывается при расстоянии между вертикальными электродами менее 40 м, когда происходит взаимодействие полей растекания тока и уменьшается проводимость электродов.
Для определения необходимо разделить сопротивление одиночного электрода Rо на допустимое Rдоп и полученное значение n сравнить с числом электродов из табл. 9.3, увеличив его до соответствующего большего табличного значения.
Таблица 9.3
Коэффициенты использования вертикальных электродов
группового заземления, размещенных по контуру, без
учета влияния полосы связи
|
Отношение расстоя-ний между электро- дами к длине, /l |
Число электродов |
|||||||
|
2 |
4 |
6 |
10 |
20 |
40 |
60 |
100 |
|
|
1 |
0,69 |
0,61 |
0,56 |
0,47 |
0,41 |
0,39 |
0,36 |
|
|
2 |
0,78 |
0,73 |
0,68 |
0,63 |
0,58 |
0,55 |
0,52 |
|
|
3 |
0,85 |
0,8 |
0,71 |
0,71 |
0,66 |
0,64 |
0,62 |
Рассчитать длину горизонтальной соединительной полосы
Ln = (n1),
где = 3 м расстояние между вертикальными электродами.
Рассчитать сопротивление соединительной полосы по формуле
где d эквивалентный диаметр полосы шириной b = 0,04 м, d = 0,95 b; h = = 0,8 м глубина заложения полосы.
Рассчитать результирующее сопротивление заземляющего устройства
где п коэффициент использования соединительной полосы (табл. 9.4).
Сравнить полученное значение Rгр с Rдоп. Если сопротивление группового заземлителя получится больше допустимого сопротивления, то нужно увеличить число электродов и произвести повторный расчет.
Таблица 9.4
Коэффициенты использования п соединительной полосы, соединяющей вертикальные электроды группового заземления при / l = 1
|
Число электродов , размещенных по контуру |
||||||||
|
2 |
4 |
6 |
10 |
20 |
40 |
60 |
100 |
|
|
п |
0,45 |
0,4 |
0,34 |
0,27 |
0,22 |
0,2 |
0,19 |
ЭКСПЕРИМЕНТАЛЬНОЕ ИСЛЕДОВАНИЕ СОСТОЯНИЯ
ЗАЩИТНОГО ЗАЗЕМЛЕНИЯ
Лабораторный стенд
Работа проводится на универсальном лабораторном стенде, состоящем из базового блока (рис. 5) и сменно-вертикальной панели (рис. 6), путем моделирования основных параметров исследуемого защитного заземления, напряжения сети и сопротивления грунта.

Рис. 5. Внешний вид базового блока

Рис. 6. Внешний вид сменной панели:
V вольтметр (0-15 В); А амперметр (0-5 А); Rх испытываемое заземляющее устройство; Rв вспомогательный электрод; Rз зонд.
Порядок выполнения работы
Измерение сопротивления заземляющего устройства осуществляется методом амперметра-вольтметра.
Исходное состояние лабораторного стенда:
тумблер “сеть” базового блока в нижнем положении (“откл.”);
кнопка “сеть” сменной (вертикальной) панели отжата (“откл.”);
переключатель Rх сменной панели установлен в положении “1”;
штекер установлен в гнездо Rз.
Произвести измерения по методу амперметра-вольтметра, для чего выполнить следующие операции:
переключатель Rх установить в положение согласно варианта (табл. 1);
тумблер “сеть” базового блока перевести в верхнее положение;
нажать кнопку “сеть” сменной панели и проконтролировать при этом подачу напряжения на схему по загоранию светодиода;
зафиксировать в табл. 5 показания амперметра и вольтметра.
Нажать кнопку "сеть" вертикальной панели;
штекер, соединяющий вольтметр с гнездом “Rз”, переставить в гнездо Rз, нажать кнопку “сеть” вертикальной панели и зафиксировать показания амперметра и вольтметра. Нажать кнопку “сеть” вертикальной панели;
переставить штекер в гнездо “R”з”, произвести измерения и зафиксировать результаты измерения в табл. 5.
Привести лабораторный стенд в исходное положение.
По результатам измерений вычислить значения Rз = U/J и занести их в таблицу отчета.
Сопоставить полученные результаты и сделать вывод о возможности эксплуатации электроустановки с расчетным и измеренных (свой вариант) сопротивлением защитного заземления.
КОНТРОЛЬНЫЕ ВОПРОСЫ
1. Назначение защитного заземления?
2. Назначение рабочего заземления?
3. Назначение измерительного заземления?
4. Каково конструктивное выполнение заземляющего устройства?
5. Какие материалы применяются в качестве электродов, соединительной полосы?
6. Каковы способы соединения полосы с вертикальными электродами, с заземляемым оборудованием?
7. В какое время года рекомендуется проверять сопротивление заземляющего устройства? Когда учитывается коэффициент сезонности?
8. В чем заключается контроль сопротивления заземления?
9. Какие применяются методы контроля заземления?
10. В чем сущность и особенности метода амперметра-вольтметра?
ИССЛЕДОВАНИЕ СОСТОЯНИЯ ЗАЩИТНОГО ЗАЗЕМЛЕНИЯ МЕТОДОМ АМПЕРМЕТРА-ВОЛЬТМЕТРА