Построение тестов для обнаружения кратных неисправностей в 2х ступенчатых схемах «И-ИЛИ»
Построение тестов для обнаружения кратных неисправностей в 2х ступенчатых схемах «И-ИЛИ»

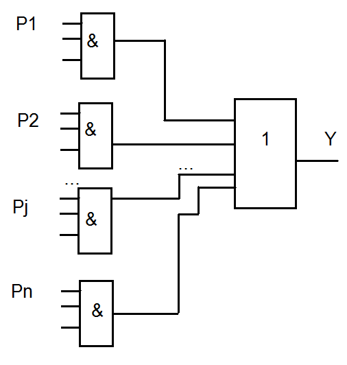
n
Y= Pj
j=1
Как для одиночных неисправностей для обнаружения кратных неисправностей различают тест для проверки нулевых неисправностей (тест A) и тест для проверки единичных неисправностей (тест B).
В тесте A кол-во наборов соответствует кол-ву элементов «И», т.к. одновременно проверить сразу несколько элементов «И» невозможно (смотри ЭНФ).
Кол-во наборов в тесте B максимально равно кол-ву переменных, но может быть и меньше, т.к. одним тестовым набором может проверяться несколько неисправностей в различных элементах «И».
Графический метод построения тестов с помощью карт Карно
Рассмотрим построение на следующем примере:
Y=A D + B C + A B + A B C
|
|
|
|
A |
|
|
|
|
0 |
4 |
12 |
8 |
|
|
D |
1 |
5 |
13 |
9 |
|
|
2 |
7 |
15 |
11 |
C |
|
|
|
3 |
6 |
14 |
10 |
|
|
|
|
B |
|
|
|
№ Набора |
A |
B |
C |
D |
Y |
|
0 |
0 |
0 |
0 |
0 |
0 |
|
1 |
0 |
0 |
0 |
1 |
0 |
|
2 |
0 |
0 |
1 |
0 |
0 |
|
3 |
0 |
0 |
1 |
1 |
0 |
|
4 |
0 |
1 |
0 |
0 |
1 |
|
5 |
0 |
1 |
0 |
1 |
1 |
|
6 |
0 |
1 |
1 |
0 |
1 |
|
7 |
0 |
1 |
1 |
1 |
1 |
|
8 |
1 |
0 |
0 |
0 |
1 |
|
9 |
1 |
0 |
0 |
1 |
0 |
|
10 |
1 |
0 |
1 |
0 |
1 |
|
11 |
1 |
0 |
1 |
1 |
1 |
|
12 |
1 |
1 |
0 |
0 |
1 |
|
13 |
1 |
1 |
0 |
1 |
1 |
|
14 |
1 |
1 |
1 |
0 |
1 |
|
15 |
1 |
1 |
1 |
1 |
0 |
На карте буквой A отмечены наборы, на которых эта переменная имеет значение 1.
Соответственно тоже самое и для B, C, D.
Построение теста А
На карте Карно в виде прямоугольников изображаются произведения.
В данной задаче таких произведений 4.
Как видно из карты, на тех наборах, которые пересекают прямоугольники, функция Y всегда равна 1.
При построении теста А надо для каждого произведения выбрать по одному набору, причем следует выбирать наборы без пересечений (наборы с пересечениями пытаются одновременно проверить несколько произведений, что невозможно).
T(А) = {7 14
6 13 8 11}
[см. схему с линиями у Миши]
|
№ Набора |
A |
B |
C |
D |
Y |
|
0 |
0 |
0 |
0 |
0 |
0 |
|
1 |
0 |
0 |
0 |
1 |
0 |
|
2 |
0 |
0 |
1 |
0 |
0 |
|
3 |
0 |
0 |
1 |
1 |
0 |
|
4 |
0 |
1 |
0 |
0 |
1 |
|
5 |
0 |
1 |
0 |
1 |
1 |
|
6 |
0 |
1 |
1 |
0 |
1 |
|
7 |
0 |
1 |
1 |
1 |
1 |
|
8 |
1 |
0 |
0 |
0 |
1 |
|
9 |
1 |
0 |
0 |
1 |
0 |
|
10 |
1 |
0 |
1 |
0 |
1 |
|
11 |
1 |
0 |
1 |
1 |
1 |
|
12 |
1 |
1 |
0 |
0 |
1 |
|
13 |
1 |
1 |
0 |
1 |
1 |
|
14 |
1 |
1 |
1 |
0 |
1 |
|
15 |
1 |
1 |
1 |
1 |
0 |
Построение теста B
Рассмотрим одно из произведений функции, например A B C и предположим, что неисправность типа 1 находится на входе А, тогда:
A B C = 1 * B C = (A + A) * BC = A B C + A B C.
Как видно, наличие единичной неисправности по переменной А приводит к тому, что реализуется правильное произведение A B C и кроме того дополнительное произведение A B C, которое отличается от правильного только одной инверсной буквой. Такие произведения называются смежными.
Смежное такое произведение, которое состоит из тех же самых букв, но отличается только одной инверсной буквой. Можно показать появление смежных произведений и для других переменных, таким образом тест B должен проверять наличие смежных произведений.
Построим все смежные произведения функции Y и нанесем их на карту Карно.
[Карту см. у Глеба]
|
Основное произведение |
Смежное произведение |
|
|
1 |
AD |
AD |
|
|
|
AD |
|
2 |
BC |
BC |
|
|
|
BC |
|
3 |
AB |
AB |
|
|
|
AB |
|
4 |
ABC |
ABC |
|
|
|
ABC |
|
|
|
ABC |
Для построения теста необходимо выбрать такие наборы, для проверки всех смежных произведений на которых функция Y равна 0. При том следует выбирать такие наборы, которые проверяют несколько произведений одновременно, т.е. графически, это наборы с максимальным пересечением (4,5,7,6,12,13,14,8,10,11).
T(B) = {2, 15, 9}
Tобщий = {7,14
6,8,11,12,2,9,13}
Данный графический метод используется при кол-ве переменных не более 5.
Построение тестов для обнаружения кратных неисправностей в 2х ступенчатых схемах «И-ИЛИ»