Возбудители радиопередатчиков
PAGE 20
Лекция 4. Возбудители радиопередатчиков
4.1. Возбуждение колебаний, автогенераторы
Несущие колебания в современных радиопередатчиках формируются, как правило, блоками возбудителей колебаний. Частоты возбудителей обычно существенно меньше, чем требуемые частоты несущих, что делается в целях обеспечения высокой стабильности частот. Получение величин частот несущих достигается путём умножения или преобразования частот возбудителей. Основными параметрами колебаний возбудителей являются: диапазонность частот, т.е fмин …. fмакс, стабильность частот, т.е. абсолютная и относительная стабильности, дискретность перестройки частот, выходная мощность колебаний возбудителя. Абсолютная стабильность: f = | fт - fн | - разность между текущим и номинальным значениями частоты. Относительная стабильность: = f / fн . Дискретность перестройки частот fg, т.е. разность между соседними частотами, колеблется от десятков кГц (на УКВ) до долей Герца (на СВ и ДВ-диапазонах). На КВ-диапазоне дискретность составляет величины от единиц до сотни Герц. Иными словами, возбудители это высокоточные, высокостабильные формирователи колебаний. Количество частот (сетка частот), которые может выдавать возбудитель, колеблется от единиц до сотен тысяч. Выходные мощности колебаний имеют, обычно, величины порядка десятков милливатт.
Автогенераторы возбудителей
Непременными узлами возбудителей являются автогенераторы частот, которые строятся по схемам, имеющим активный элемент с отрицательным динамическим сопротивлением (с падающими участками вольтамперных характеристик), либо по схемам усилителей с положительной обратной связью. Отрицательное динамическое сопротивление активного элемента (туннельного диода, диода ГАННА, например) компенсирует сопротивление активных потерь колебательного контура автогенератора, вызывая в контуре незатухающие собственные колебания. Положительная обратная связь в резонансном усилителе создаёт условие компенсации потерь энергии в нагрузочном контуре усилителя, обеспечивая стационарный (незатухающий) режим колебаний. Частоты колебаний в автогенераторах определяются параметрами колебательных, резонансных контуров.
VD C1 L1 вых C2 Ео

Рис.4.1
Простейшая схема автогенератора на туннельном диоде VD приведена на рис. 4.1, где С1, L1, С2 колебательный контур, Ео напряжение смещения установки рабочей точки диода.
Анализ работы автогенератора как усилителя с положительной обратной связью более сложен, приведём его элементы. Структурная схема устройства рис. 4.2. Активный четырёхполюсник (АЧП) характеризуется крутизной ВАХ (комплексная величина), коэффициентом передачи цепи обратной связи Ќ, выходным сопротивлением активного четырёхполюсника как усилителя (или входное сопротивление цепи обратной связи) .
вх 1
Ќ
Рис. 4.2
Для стационарного режима незатухающих колебаний в схеме необходимо, чтобы вх = вх · · ·Ќ. Это означает, что должно быть:
· ·Ќ = 1. (4.1)
Условие (4.1) именуется условием баланса в автогенераторе, оно разбивается на два частных условия:
S·Z·K = 1 условие баланса амплитуд (произведение модулей);
s + z +k = 2 n, n = 0,1,2,….. условие баланса фаз.
Смысл этих условий: в любой точке замкнутой петли выходящий сигнал должен возвратиться обратно точно таким же.
Для начала возбуждения колебаний должны быть выполнено условие:
S·Z·K > 1.
Трёхточечные схемы автогенераторов
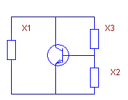
Активные элементы схем автогенераторов имеют обычно три электрода, подсоединяемых к избирательной системе в схемах. Это: эмиттер, база, коллектор - в транзисторных АГ, катод, сетка, анод в ламповых АГ. Поэтому схемы автогенераторов часто именуют трёхточечными схемами. Эквивалентная схема трёхточки имеет вид, рис. 4.3. На рисунке: X1…X3 реактивные сопротивления между электродами активного элемента (активными сопротивлениями пренебрегаем из-за их малости). В совокупности реактивные элементы составляют избирательную систему автогенератора колебательный контур. Для выполнения условия баланса, т.е. условия автогенерации, необходимо, чтобы соотношения между X1…X3 были следующими:

Рис.4.3
X1 +X2+X3 = 0 условие резонанса, определяющее частоту генерации;
X1·X2 > 0, X2·X3 < 0, X1·X3 < 0, X3>X2.
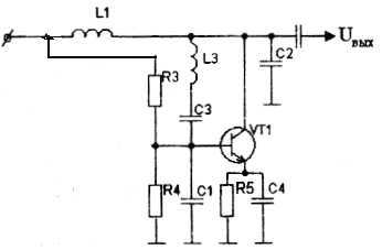
Иными словами: звенья Х1 и Х2 должны иметь одинаковые знаки реактивных сопротивлений, т.е. быть оба ёмкостями либо индуктивностями на частоте генерации. Звено Х3 должно иметь обратный знак, т.е. быть индуктивностью либо ёмкостью соответственно. Поэтому различают два вида трёхточек: ёмкостная (Х1 = - 1/C1, X2 = - 1/C2, X3 = L3) и индуктивная (Х1 = L1, X2 = L2, X3 = - 1/ C3). На практике чаще используется ёмкостная трёхточка, обладающая большей стабильностью частоты. На рис. 4.4 дан пример практической схемы такой трёхточки.

Рис. 4.4
Избирательную систему АГ (колебательный контур) образуют элементы: С1, С2, L3. Ёмкость С3 должна иметь существенно меньшее реактивное сопротивление, чем сопротивление индуктивности L3, чтобы на частоте автогенерации практически закорачивать нижний контакт индуктивности на базу транзистора. Индуктивность L1 блокировочная в схеме параллельного питания транзистора, её сопротивление L1 >> Rое контура. Остальные элементы обычные для схемы усилителя.
Автогенераторы с кварцевой стабилизацией частоты
Стабильность частоты задающих автогенераторов возбудителей передатчиков непременное требование в современных радиотехнических системах. Величина относительной стабильности в зависимости от назначений передатчиков колеблется в пределах 10-4….10-8 и менее. На стабильность частоты влияют многие факторы: температура, напряжения источников питания, давление, влажность, тряски аппаратуры и т.д. В качестве мер защиты от влияния этих внешних факторов применяют: герметизацию схем АГ, термостабилизацию схем, специальные защитные покрытия плат со схемой, амортизацию, слабонапряженные режимы работы схем АГ, высокостабильные элементы схем и многое другое.
Параметрами, помогающими оценить степень стабильности АГ, служат: величина фиксирующей способности избирательной системы АГ и величина эталонности частоты АГ. Фиксирующая способность является параметром, указывающим на степень изменения частоты АГ при изменении баланса фаз в АГ (см. 4.2.1). Выражение для этого параметра определяется формулой:
= / = / (·d()/d), (4.2)
где: величина нестабильности баланса фаз, () фазочастотная характеристика избирательной системы АГ, частота автогенерации, d()/d производная ФЧХ в точке . Для достаточно добротной избирательной системы (контура) величина = /2Q, где Q добротность контура. Отсюда видно, что на фиксирующую способность (как относительную стабильность /) существенно влияет добротность избирательной системы АГ (контура). Чем больше добротность контура, тем стабильнее частота АГ.
Эталонность частоты АГ определяется степенью влияния внешних факторов на параметры элементов избирательной системы АГ: на величины ёмкости, индуктивности колебательного контура АГ. Наиболее величина эталонности зависит от температуры. Так как частота настройки контура определяется формулой = 1/, то / = - 1/2(С/С +L/L), т.е. относительная нестабильность частоты АГ зависит от относительной нестабильности С и L. В отношении влияния температуры используют понятия и величины т.н. температурных коэффициентов элементов и частоты относительные нестабильности на один градус Цельсия - ТКЕ, ТКИ, ТКЧ. Так, например, ТКЕ (температурный коэффициент ёмкости) Е = С/СТо. Тогда ТКЧ (частоты): F =1/2 (E + И). Таким образом, для повышения стабильности частоты АГ следует применять элементы с малыми значениями Е и И.
Требованиям высокой фиксирующей способности и высокой эталонности удовлетворяют кварцевые резонаторы. Кварцевый резонатор представляет собой пластинку кристалла кварца (чаще всего плоскую и круглую), специальным образом вырезанную из кристалла, на плоскостях которой напылены тонкие слои серебра, к последним припаяны контактные проводники, рис. 4 5.

Рис. 4.5
Очевидно, что такая конструкция (две проводящие пластинки и диэлектрик между ними) эквивалентна ёмкости Со ёмкость кварцедержателя. С электрической точки зрения кварцевый резонатор имеет следующую эквивалентную схему (схему колебательного контура), рис. 4.6.
Lк Ск rк

Cо
Рис. 4.6
На рисунке: Lк эквивалентная индуктивность кварцевого резонатора (Квр), Ск эквивалентная ёмкость Квр, rк эквивалентное сопротивление потерь Квр, Со ёмкость кварцедержателя. Величины этих элементов (ориентировочно): Lк = единицы Генри, Ск = 0,01…0,1 пФ, rк = единицы Ом, Cо = десятки пФ.
Из рис. 4.6 видно, что резонатор обладает двумя резонансными частотами:
посл = 1/ - последовательный резонанс, пар =1/ - параллельный резонанс, Сп = СкСо/(Ск +Со). Эти частоты очень близки, т.к. Со>>Cк. Тем не менее в схемах кварцевых АГ используются оба вида резонанса. Различают схемы кварцевых АГ при включении кварца между электродами транзистора и при включении кварца в цепь обратной связи АГ. Следует понимать, что при посл резонатор имеет малое Roe = rк, при пар большое Roe.
Различают схемы Аг с Квр: с включением кварца между электродами транзистора (как звено Хi на схеме рис. 4.3) и с включением кварца в цепь обратной связи ( рис. 4.8) между эмиттером и точкой соединения звеньев Х2 и Х3. В первом случае (рис. 4.7) кварцевый резонатор работает около частоты параллельного резонанса, имея реактивный характер сопротивления Х3, во втором случае работает на частоте последовательного резонанса, имея малое активное сопротивление, чем обеспечивается включение цепи обратной связи.

Рис. 4.7

Рис. 4.8
Задающие автогенераторы возбудителей несущих частот передатчиков являются, как правило, непременным узлом схем этих устройств.
4.2. Синтезаторы частот радиопередатчиков
Синтезаторы частот являются функциональной частью возбудителей несущих частот передатчиков. Они формируют т.н. сетку частот с параметрами, отмеченными в вводной части этой лекции. Структура возбудителей имеет вид, представленный на рис. 4.9.
fопi fв
Рис. 4.9
На рисунке: ДОЧ датчик опорных частот fопi, которых может быть несколько, СЧ синтезатор частот, формирующий из опорных частот колебание выходной частоты fв. Выходная частота СЧ не обязательно равна частоте несущей передатчика, часто она существенно ниже несущей (с целью повышения стабильности частоты), в дальнейших каскадах передатчика частота СЧ может быть подвергнута умножению (см. Тексты лекций. Часть I).
ДОЧ может быть построен по двум основным схемам: по многокварцевой и однокварцевой. В первом случае ДОЧ содержит несколько кварцевых АГ, формирующих сетки частот с разной дискретностью: ГГС (генератор грубой сетки) частот fГГСn, ГСС (средней сетки) частот fГССm, ГТС (точной сетки) частот fГТСk, где n, m, k номера частот генераторов. Самая большая дискретность частот у ГГС, самая малая у ГТС, последняя и определяет дискретность перестройки частот возбудителя. Формирование fв в СЧ происходит путём суммирования выбранных частот всех генераторов на преобразователях частоты:
fв = fГГСn + fГССm + fГТСk. (4.3)
Такой способ формирования fв применяется обычно при сравнительно большой дискретности частот возбудителя (единицы, десятки кГц) в диапазоне УКВ передатчиков, например.
В однокварцевых схемах ДОЧ используется всего один высокостабильный кварцевый задающий АГ. Опорные частоты в этом случае формируются путём умножения, деления частоты этого генератора в нескольких каналах схемы ДОЧ.
Синтезаторы частот, в свою очередь, подразделяются на СЧ с пассивной фильтрацией частот колебаний и СЧ с активной фильтрацией. В СЧ с пассивной фильтрацией происходит процесс в соответствии с (4.3) путём выделения (после преобразования частот) фильтрами частот fГГСn + fГССm, затем fГГСn + fГССm + fГТСk и т.д. В схемах СЧ с активной фильтрацией процесс формирования fв иной, рассмотрим его, обратившись к схеме рис. 4.9.
На схеме рис. 4.10 происходит фазовая автоподстройка частоты (ФАПЧ) перестраиваемого автогенератора (ПГ) fпг с точностью до фазы эталонного задающего АГ (ЭЗГ), работающего на высокостабилизированной частоте fэт. Для этого частота fпг преобразуется в смесителе (СМ) с необходимой частотой ДОЧ fопi так, чтобы fопi + fпг fэт. Частоту fопi + fпг выделяет полосовой фильтр (ПФ). Фазовый детектор (ФД) подстраивает фазу колебания с частотой fопi + fпг под фазу эталонной частоты. Выходное управляющее напряжение ФД подаётся на ПГ с целью обеспечения стабильности его колебаний, равной стабильности ЭЗГ. Величину дискретности перестройки частоты ПГ задаёт ДОЧ. Обычно ПГ строится по простой схеме АГ на основе туннельных диодов (рис. 4.1) с варикапом в схеме избирательной системы АГ. На варикап и подаётся управляющее напряжение от ФД.
fопi fпг fв
fэт
Рис. 4.10
СЧ с активной фильтрацией применяется в передатчиках с малой дискретностью сетки частот, в диапазонах длинных, средних и коротких волн. На практике имеют место также СЧ типа декадных, выступающих как ДОЧ в СЧ активного типа, и как самостоятельные СЧ [1].
ЛИТЕРАТУРА
[1] с. 81-96, [2] с. 326-343, [3] с. 120-162.
Лекция 5. Высокочастотный тракт радиопередатчиков, модуляторы
5.1. Высокочастотный тракт передатчиков
Виды высокочастотных трактов радиопередатчиков рассмотрены в части первой текстов лекций. Напомним, что этот тракт находится между выходом возбудителя и антенным входом передатчика. Он содержит: выходной (самый мощный) каскад, предоконечный каскад, промежуточные каскады (усилители, умножители частот), полосовой согласующий фильтр выходного каскада с импедансом антенного входа или импедансом линии, ведущей к антенне. Рассмотрение Вч-тракта начнём с выходного каскада (ГВВ).
Выходной каскад радиопередатчиков (ГВВ)
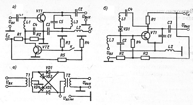
Выходной каскад радиопередающих устройств (РПДУ) является усилителем мощности колебаний на несущей частоте, которые модулированы передаваемым сигналом, поэтому он часто именуется генератором с внешним возбуждением (ГВВ). Эти каскады могут строиться на электронной лампе или на транзисторе. Схемы каскада бывают двух видов: с последовательным питанием анодной или коллекторной цепи и с параллельным питанием цепи.
Рис. 5.1
Эти схемы изображены на рис.5.1а последовательное питание; рис. 5.1б параллельное питание. Схемы на лампах - аналогичны, только вместо базы транзистора управляющая сетка лампы, вместо эмиттера катод, вместо коллектора анод лампы. На схемах рис. 5.1: Uб0 смещение на базе (сетке), Uк0 напряжение источника питания коллектора (анода).
ГВВ может работать в двух режимах. Режим 1-го рода без отсечки коллекторного (анодного) тока, когда переменная составляющая этого тока повторяет полностью форму напряжения возбуждения линейный режим усиления. В режиме 2-го рода с отсечкой коллекторного (анодного) тока; форма переменной составляющей этого тока имеет усечённый вид отрезки синусоиды. Этот режим является режимом нелинейного усиления. Режимы обоих родов задаются напряжениями смещения и амплитудой напряжения возбуждения. На рис. 5.2 показана сущность этих родов усиления.
а б
Рис. 5.2
В режиме 1-го рода (рис. 5.2а) работа усилителя происходит полностью в пределах линейного участка проходной характеристики, что приводит к большому значению тока постоянной составляющей коллекторного (анодного) тока I0, а следовательно, уменьшению КПД каскада. Поэтому линейный режим усиления применяется при небольших выходных мощностях ГВВ. В режиме 2-го рода (рис. 5.2б) коллекторный (анодный) ток имеет вид косинусоидальных импульсов амплитудой Iмакс, имеет место и постоянная составляющая как среднее за период импульсов значение тока I0 (не отмеченное на эпюре). При разложении периодической последовательности импульсов в ряд Фурье можно определить амплитуду переменной составляющей тока I1 (первую гармонику), а также амплитуды других гармоник In, n = 0, 1,2,3… Связи между амплитудами вычисляются с помощью коэффициентов Берга n: In =nIмакс. Значения n можно найти в любом учебнике по радиопередающим устройствам, их величины зависят от параметра угла отсечки тока (рис. 5.2б). На рис. 5.3 приведены графики 1 и 0.

Рис. 5.3
меняется в пределах от 0 ( транзистор или лампа заперты) до 180 градусов (линейный режим усиления). Меняя угол отсечки (смещением и амплитудой возбуждения), можно оптимизировать электронный режим ГВВ, обеспечивая и необходимую мощность выхода по первой гармонике Р1, и приемлемый КПД ГВВ. Энергетические параметры ГВВ определяются следующими соотношениями:
полезная колебательная мощность Р1 = U1I1/2 = U12 /2Roe = I12Roe/2, где U1 и I1 амплитуды напряжения и тока первой гармоники в нагрузке каскада; Roe эквивалентное сопротивление нагрузки (колебательного контура каскада). Этот контур (см. схемы рис. 5.1) обычно настроен на первую гармонику напряжения возбуждения ГВВ. Заметим, что контур может быть настроен и на другие гармоники, тогда каскад работает в режиме умножения частоты. Далее: Р0 = I0Uk0 мощность, потребляемая от источника питания, Рк = Р0 Р1 мощность рассеяния на каскаде (потери), э = Р1/Р0 электронный КПД каскада. Теперь приведём некоторые расчетные формулы для значений различных параметров режима работы ГВВ. Ток в коллекторе ГВВ:
iк(t) = SUб (cost - cos ). (5.1)
Это хорошо известная запись уравнения для коллекторного тока при условии малых инерционных явлений на р-n переходах (вх 0), что имеет место при правильном выборе транзистора: f fгр граничной частоты транзистора. В (5.1): S=iк/Uб крутизна проходной вольтамперной характеристики транзистора iк = f(Uб), Uб амплитуда напряжения возбуждения на базе.
Связь между напряжением смещения на базе Еб, напряжением отсечки тока базы Е, амплитудой напряжения возбуждения на базе Uб и определяется формулой:
cos = - (Еб - Е) / Uб. (5.2)
Заметим, что из поведения токов I1 и I0 в зависимости от следует, что КПД растёт с уменьшением , а полезная мощность Р1 растёт с увеличением вплоть до 120о, потом уменьшается, близкая к максимуму Р1 имеет место в диапазоне изменений = 75о…130о. Поэтому на практике часто выбирают угол отсечки, равный 90о, что удобно технически и обеспечивает достаточно большой КПД (порядка 0,7…0,8). Подробный расчёт ГВВ можно найти в [2,4].
Системы сложения мощностей в передатчиках
В ламповых схемах выходных каскадов передатчиков достаточно высокие мощности можно получить, используя только один каскад на лампе, но при этом требуются высокие напряжения питания, что эксплуатационно неприемлемо для бортовых радиостанций. В наземных радиостанциях применение ламповых усилителей мощности встречается часто из-за достаточно эффективной защиты блоков и возможности увеличения габаритов блоков. В бортовой аппаратуре эти возможности жестко ограничены. В то же время разработка высокочастотных транзисторов позволяет использовать их в выходных каскадах как наземных, так и в бортовых передатчиках. Но при этом мощностные ограничения транзисторных усилителей мощности приводят к необходимости строить выходные каскады передатчиков по схемам сложения мощностей нескольких идентичных по схемам усилителей (модулей).
Классификация схем сложения мощностей такова: параллельное сложение мощности модулей, последовательное сложение, мостовые схемы сложения. На рис. 5.4 представлена схема параллельного сложения мощностей модулей (трёх, для примера), когда все выходы модулей подсоединены к общей нагрузке, общему согласующему полосовому фильтру, например. При этом надо иметь в виду, что выходное сопротивление каждого модуля Roe (одинаковое) должно быть таким: Roe = n Rн, где n число модулей.
Uв
К общей нагрузке Rн
Рис. 5.4
На рис. 5.5 изображена схема последовательного сложения мощностей, когда выходные напряжения с Roe модулей последовательно складываются в цепи последовательно соединённых вторичных обмоток выходных трансформаторов модулей. При этом Rн = n Roe модулей.
Uв
к общей Rн
Рис. 5.5
Напряжение возбуждения Uв на схемах подаётся на все модули синфазно.
Важным условием в системах сложения мощностей является условие малого влияния модулей и их параметров друг на друга. Наиболее полно эти условия выполняются в системах сложения мощностей мостового типа. Суть работы такой системы пояснена на рис. 5.6.

Рис. 5.6
Модули А и Б подсоединены к диагоналям моста, Rн сопротивление нагрузки, Rб балансное сопротивление. Эти сопротивления одинаковы по величине и равны Rое модулей. Х1 и Х2 - реактивные звенья моста. На схеме показаны направления токов в звеньях: на Rн токи модулей суммируются, на Rб - вычитаются. Мостовая схема малочувствительна к разнице амплитуд и фаз колебаний в модулях. На схемах рис. 5.7 приведены примеры мостовых схем с последовательным (слева) и параллельным видом сложения мощностей.

Рис. 5.7
Схемы рис. 5.7 имеют вид эквивалентных схем, без цепей питания и базовых цепей. Технические схемы модулей были представлены ранее на рис. 5.1. Предоконечные каскады передатчиков могут строиться тоже по схемам сложения (по необходимости).
Промежуточные каскады передатчиков
Промежуточные каскады строятся либо по схемам усилителей мощности (при сравнительно малых мощностях), либо по схемам умножения частоты. В последнем случае это могут быть схемы типа ГВВ в нелинейном режиме с соответствующим выбором угла отсечки, обеспечивающим максимум полезной мощности на нужной гармонике входного колебания (для умножения на 2 60о, при умножении на 3 порядка 45о, т.е. по максимуму функции Берга для соответствующей гармоники). Другим видом умножителей являются параметрические умножители частоты на диодах типа варакторов. Здесь применяются два типа умножителей: с последовательным включением диода и параллельным включением. Эти схемы приведены на рис. 5.8, где слева - схема с параллельным включением диода (АЭ активный элемент), справа с последовательным включением.

Рис. 5.8
На первой схеме фильтры Ф1 и Ф2, настроенные на частоту входного колебания 1 и выходного 2 = n1, являются последовательными колебательными контурами. На второй схеме фильтры являются параллельными колебательными контурами. На рис. 5.9 даны принципиальные схемы приведённых выше схем. В реальных схемах включаются также дополнительные фильтры для подавления ненужных гармоник на входе и на выходе умножительных схем. Пример такой схемы приведён на рис. 5.10.

Рис. 5.9

Рис. 5.10
На этой схеме С1,L1 входной последовательный фильтр, С4,L3 выходной последовательный фильтр, настроенный на третью гармонику входного колебания 1, последовательный фильтр L2,C3 настроен на вторую гармонику 1 и подавляет эту гармонику своим малым сопротивлением. Подобные умножители частоты могут ставиться и на выходе передатчика, особенно в диапазоне СВЧ. При этом надо иметь в виду, что такого вида умножители не обладают усилением по мощности, т.е. коэффициент передачи мощности всегда меньше 1.
5.2. Устройства модуляции в передатчиках
Здесь рассматриваются схемы управления параметрами вч-колебаний, т.е. схемы модуляции. Структурные схемы формирования модулированных вч-колебаний (радиосигналов) рассмотрены в Текстах лекций (часть 1). Приводятся принципиальные схемы устройств формирования радиосигналов при разных видах модуляции, с необходимыми пояснениями принципов их работы.
Схемы амплитудной модуляции
Схемы АМ подразделяются на модуляцию электронного режима усилителя вч-колебаний (ГВВ): базовая модуляция (модуляция смещением рабочей точки транзистора), коллекторная модуляция (модуляция изменением напряжения источника питания транзистора). Подобные виды АМ имеют место и в ламповых ГВВ: сеточная модуляция, анодная модуляция.

Рис. 5.11
Базовая модуляция. На рис. 5.11 приведена схема этого вида модуляции,
где модулирующий сигнал от модулятора (УНЧ, например) подаётся в цепь базы через трансформатор так, что между базой и эмиттером имеет место совокупное колебание вч и модулирующего колебания, а также напряжение смещения базы Еб0, устанавливающее рабочую точку транзистора.
Еб(t) = Umвчcos t + Umcost + Eб0. (5.3)
Входное вч-колебание выделяется на базовой индуктивности, нижний контакт которой закорачивается на корпус ёмкостью так, чтобы на вторичной обмотке трансформатора вч-колебание не выделялось. Модулирующее колебание с амплитудой Um изменяет положение рабочей точки, меняя тем самым угол отсечки, что приводит к соответствующему изменению амплитуды Iкмакс и амплитуды тока первой гармоники Iк1 вч-колебания на выходе ГВВ. Этим и производится получение модулированного по амплитуде выходного вч-колебания ГВВ. Следует подчеркнуть, что ГВВ должен работать в нелинейном режиме усиления. Базовая АМ не требует больших мощностей от модулятора, но обладает сравнительно небольшим КПД ГВВ и заметными нелинейными искажениями радиосигнала с АМ.
Коллекторная модуляция. Схема ГВВ с коллекторной модуляцией приведена на рис. 5.12.

Рис. 5.12
В схеме модулирующий сигнал U поступает в первичную обмотку модуляционного трансформатора Тр1, вторичная обмотка включена в цепь питания коллектора. Поэтому на коллекторе транзистора имеет место сумма следующих напряжений:
Ек(t) = Ек + Umcos t Um1cos t, (5.4)
где: Eк напряжение источника питания, Um амплитуда модулирующего напряжения, частота модуляции, Um1 амплитуда первой гармоники выходного напряжения ГВВ, частота возбуждения (несущая). Схема построена для случая автоматического смещения напряжения базы за счёт падения напряжения на резисторе R2, вызванного постоянным током базы. Это напряжение неизменно в процессе модуляции, т.е. угол отсечки тока коллектора постоянен. Модулирующее напряжение Umcos t является по сути дела переменным (с частотой ) дополнительным источником питания коллекторной цепи, что приводит к смещению рабочей точки транзистора и к соответствующему смещению нагрузочной прямой усилителя. Усилитель (ГВВ) при этом ставится в слегка перенапряженный режим так, что при смещении нагрузочной прямой точка её пересечения с линией насыщения транзистора перемещается по этой линии, вызывая изменение амплитуды импульса тока транзистора, а, следовательно, и изменение амплитуды тока первой гармоники Iк1. На рис. 5.13 показан сдвиг нагрузочной прямой относительно выходных характеристик транзистора. Видно, что величина тока Iк в точках пересечения нагрузочной прямой меняется в зависимости от величины сдвига. Постоянство угла отсечки, выбранного оптимально, обеспе-
Iк чивает большой КПД и высокий уровень полезной
мощности Р1 ГВВ с коллекторной модуляцией, ли-
нейность линии насыщения транзистора приводит к небольшим нелинейным искажениям в схеме. Однако надо иметь в виду, что этот способ АМ требует сравнительно большую мощность от мо- дулятора: Рм = 0,5 m2 Pнес, где Рнес мощность ГВВ
Рис. 5.13 в режиме несущей, т.е. при отсутствии модуляции. Коллекторная АМ обычно применяется в выходных каскадах передатчиков, чтобы иные каскады не вносили дополнительных нелинейностей. Модуляция изменением нагрузки ГВВ в транзисторных передатчиках практически не применяется из-за малых величин Rое и практической невозможности получения больших значений m. В ламповых ГВВ, кроме сеточной и анодной АМ могут применяться способы модуляции по экранным и антидинатронным сеткам (тетроды, пентоды), т.е комбинированные способы АМ.
Схемы частотной модуляции
Способы получения частотной модуляции подразделяют на прямой способ получения ЧМ и косвенный способ.
При прямом способе под воздействием модулирующего сигнала (низкой частоты) изменяется частота настройки избирательной системы автогенератора путём подключения к ней управляемой реактивности, например, варикапа. В этом случае возможна глубокая модуляция частоты с произвольным значением индекса ЧМ mчм. Этот способ обладает существенным недостатком, связанным со снижением стабильности средней частоты f0 автогенератора, что заставляет использовать АПЧ или ФПЧ для повышения стабильности.
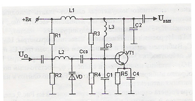
При косвенном способе фазовая модуляция преобразуется в эквивалентную частотную. Поскольку ФМ осуществляется в усилителях колебаний задающего автогенератора, т.е. на проходе колебаний ЗГ, то сохраняется высокая стабильность средней частоты, т.к. автогенератор не подвергается никаким управлениям и может выполняться по схемам кварцованных АГ. Способ, однако, имеет тот недостаток, что трудно получить большую девиацию частоты и соответственно индекс ЧМ. Для увеличения девиации частоты применяют дальнейшее умножение частоты в промежуточных каскадах передатчика. Общие схемы угловой (частотной прямой и косвенной, и фазовой) модуляции приведены в Текстах лекций (часть I). Один из вариантов схемы прямого способа ЧМ представлен на рис. 5.14. На схеме показан автогенератор, собранный по схеме ёмкостной трёхточки (на транзисторе VT1). Избирательная система состоит их реактивных элементов С1, С2, L3. Ёмкость большой величины С3 служит для закорачивания на частоте генерации нижнего конца индуктивности L3 на базу.

Рис. 5.14
Модулирующий сигнал U подаётся на варикап VD, делитель на R1, R2 служит для установки рабочей точки варикапа, индуктивность L2 преграждает путь по высокой частоте на источник U. Ёмкость Ссв соединяет варикап с реактивностью С1 избирательной системы АГ. Таким образом, ёмкость варикапа Св подвергается модуляции сигналом U, тем самым меняет совокупную ёмкость избирательной системы АГ и, следовательно, частоту автогенератора. Соотношение, определяющее закон изменения Св имеет вид:
Св = С0/(1 + m·sint) , (5.5)
где: С0 ёмкость варикапа в рабочей точке Е0, задаваемое делителем R1, R2, U/ Е0 = m параметр глубины модуляции Св, коэффициент нелинейности, определяемый технологией изготовления варикапа, обычно = 1/2 (для сплавного p-n перехода) или 1/3 (для диффузионного перехода). Полагаем, что амплитуда высокочастотного колебания U на варикапе значительно меньше, чем амплитуда U, т.е. U/ U << 1. В этих условиях выражение для относительного изменения частоты АГ имеет вид:
/0 = р0Rрк / 2(1+p0)(1 + p0 + pк) . (5.6)
В этом выражении: р0 = Ссв/С0, рк = Ссв/Ск коэффициенты связи (Ск ёмкость контура АГ), а R ряд:
R = A0 + A1sint + A2cos2t + A3sin3t + ………..
Из (5.6) следует, что при прямом способе ЧМ с помощью варикапа имеет место относительное смещение частоты АГ по первой, второй, третьей и т.д. гармоникам модулирующего сигнала. При этом амплитуды смещений Аi определяются величинами m и , например, А1 = m [1 + ( 1)( 2)m2/8].
Коэффициент нелинейных искажений КНИ = /А1. Расчет значений КНИ при =1/2 и =1/3 и для значений m = 1 и m = 0,4 показывает, что в ЧМ модуляторах следует применять варикапы с =1/2, так как в этом случае КНИ существенно меньше. Кроме того, для приемлемого значения КНИ необходимо выбирать не слишком глубокую модуляцию, т.е. m 0,5. Ограничения имеют место и для величины р0, этот коэффициент связи должен удовлетворять значениям 0,3…0,7. Частотная модуляция может быть осуществлена и при кварцованном АГ, здесь не могут быть получены большие значения д, но обеспечивается высокая стабильность средней частоты 0. Перед тем, как рассмотреть косвенный способ ЧМ, рассмотрим сначала схему фазовой модуляции.
Схема фазовой модуляции
Суть работы схем фазовой модуляции состоит в использовании сдвига фазы вч-колебания за счёт сдвига фазочастотной характеристики (ФЧХ) колебательного контура относительно стабильного значения частоты 0 задающего автогенератора. Сдвиг ФЧХ достигается изменением частоты настройки колебательного контура модулирующим сигналом U. Сдвиг фазы связан с расстройкой одиночного колебательного контура c добротностью контура Q как:
tg = - 2(/0)Q. (5.7)
При 0,5 можно считать, что -2(/0)Q , т.е. можно считать модуляцию фазы линейной относительно расстройки. Сама же расстройка осуществляется подключением варикапа к колебательному контуру, на варикап подаётся модулирующий сигнал. Поэтому результаты и выводы, изложенные в предыдущем параграфе нужно иметь в виду и здесь. При использовании линейной части ФЧХ индекс ФМ относительно невелик, увеличение его достигается за счёт применения последовательных звеньев колебательных контуров, как это представлено на рис. 5.15.

Рис. 5.15
В этой схеме к усилителю (промежуточный каскад передатчика) подключена система связанных контуров, на ёмкость варикапов которых подаётся модулирующее напряжение сигнала U, колебательные контура связаны ёмкостями (вверху схемы). Колебание вч, сдвинутое по фазе в первом контуре, через ёмкость связи поступает на второй контур и сдвигается по фазе на такую же величину, что и в первом контуре. Третий контур сдвигает фазу вч-колебания ещё раз и т.д. На выходе схемы имеет место сдвиг по фазе n = n = n [-2(/0)Q]. Этот сдвиг может достигать величин ±.
Такая схема может применяться и для осуществления косвенного способа ЧМ. При этом входное колебание высокой частоты Uвх должно быть предварительно проинтегрировано (рис. 2.3б) в первой части лекций), т.е пропущено, например, через интегрирующую RCцепочку с передаточной функцией К(р) = 1/ (1+Тp), где Т постоянная времени RC-цепочки.
Если Тмин >> 1, то передаточная функция становится близкой к идеальной К(р) = 1/ Тp. Для устранения возникающей паразитной амплитудной модуляции при расстройке контуров применяют последующие каскады с амплитудным ограничением, например, каскады, работающие в ключевом режиме усиления.
Особенности схем однополосной модуляции
Структура схем с однополосной модуляцией рассмотрена в п. 2.4 первой части лекций. К особенностям этих схем следует отнести преобразования частот, обычно строящиеся на основе схем балансных модуляторов (БМ). Достоинством балансных модуляторов является существенное подавление поднесущих частот преобразования, что облегчает выделение одной из боковых полос БМколебания. На рис. 5.16 представлена простейшая, двухтактная схема БМ. На схеме: модулирующий сигнал подаётся на схему через модуляционный трансформатор (для передачи низких частот с сердечником) Тр1. Модулирующий сигнал со вторичной обмотки подаётся в противофазе на диоды D1 и D2. Через высокочастотный трансформатор на диоды синфазно подаётся колебание поднесущей (или несущей) частоты. На выходном колебательном контуре выделяется двухполосный сигнал, без поднесущей, т.к. токи от неё текут противофазно в выходном контуре. Ёмкости Сб1, Сб2 блокируют Тр1 по частоте поднесущей.

Рис. 5.16
Колебание на выходе схемы имеет вид:
ik = 2а1Ucos t + а2UU [cos(0 - )t + cos(0 + )t], (5.8)
где: а1, а2 коэффициенты разложения вольт-амперной характеристики диода в степенной ряд, U и U амплитуды поднесущего и модулирующего колебаний. Далее производится фильтрация одной из боковых полос, п. 2.4.
Для устранения части комбинационных составляющих на выходе БМ (они не показаны в (5.8)), применяют кольцевые схемы БМ, рис. 5.17.

Рис. 5.17
Схема состоит из двух простых БМ, работающих на общую нагрузку, схема является мостовой и подавляет нечётные гармоники частоты , поднесущую частоту, боковые частоты, образованные чётными гармониками поднесущей частоты 0.
К особенностям передатчиков с ОМ относят также требование достаточной линейности усиления, сформированного однополосного сигнала в промежуточных и выходных каскадах передатчика. В маломощных каскадах используют линейный режим усиления, в выходных каскадах угол отсечки устанавливают меньшим 180 градусов и стабилизируют рабочую точку усилителя посредством постоянного и автоматического смещения (комбинированное смещение).
Импульсные модуляторы
Здесь рассмотрены схемы импульсных модуляторов, применяемых обычно в импульсных радионавигационных и радиолокационных системах. Длительности импульсов в таких системах имеют длительность и =0,1…2 мкс, с частотой повторения 50…5000 Гц. Импульсы характеризуются также импульсной мощностью Ри вч-колебаний, средней мощностью Рср = Ри /q, где q = Т/и - скважность импульсов (Тпериод повторения импульсов). Простейшими импульсными модуляторами могут служить, например, генераторы импульсных сигналов: блокинг-генераторы, мультивибраторы, импульсы которых или непосредственно воздействуют на схемы формирования вч-колебаний в передатчиках, либо предварительно усиливаются в импульсных усилителях. Такие ИМ имеют место в импульсных передатчиках небольшой импульсной мощности. В импульсных передатчиках средней и большой мощности применяются схемы ИМ с накопителями энергии: ИМ с частичным разрядом накопителя, ИМ с полным разрядом накопителя энергии. Первый тип ИМ применяется при импульсной мощности передатчика до 200…250 кВт, второй при больших мощностях. Рассмотрим схемы этих модуляторов.
Импульсный модулятор с частичным разрядом накопителя. Принцип его работы поясняется рис. 5.18. На схеме: Еп источник питания, Сн накопительная ёмкость, Rн сопротивление нагрузки, S импульсный коммутатор, именно он определяет длительность импульса этого ИМ.
Еп S Cн Rн
Рис. 5.18
За время между импульсами коммутации (коммутатор разомкнут) ёмкость Сн заряжается от источника питания по цепи Еп, Сн, Rн, Еп до напряжения, близкого к Еп. Во время коммутации (коммутатор замкнут) на время длительности и ёмкость Сн частично разряжается по цепи Сн, R н, S, Cн. Ток разряда I0 практически неизменен за время малой длительности импульса. Между импульсами коммутации Сн подзаряжается от Еп вновь. Полярность напряжения на Сн: плюс слева, минус справа. Поэтому при разряде на нагрузке формируется импульсное напряжение отрицательной полярности. Техническая схема такого ИМ приведена на рис. 5.19.
Рис. 5.19
Роль коммутатора в схеме играет импульсная модуляционная лампа (триод или тетрод) типа ГМИ. Заряд накопительной ёмкости Сн происходит по цепи Еа, Rз, Сн, L, Сб, корпус, Еа. Разрядная цепь на нагрузку (магнетрон) : Сн, лампа VL1, корпус, магнетрон VL2, Сн. До подачи коммутирующего импульса на сетку лампы она заперта напряжением запирания Ес. При подаче импульса на сетку лампа отпирается им так, чтобы внутреннее сопротивление лампы было как можно меньше и Сн частично разряжается на нагрузку за время и. Форма напряжения на накопительном конденсаторе Сн имеет вид рис. 5.20.
UCмакс UCмин

Тп
Рис. 5.20
Для нормальной работы схемы необходимо, чтобы постоянная времени цепи заряда зар была примерно равной трети периода повторения импульсов Тп, а постоянная времени цепи разряда разр была значительно меньше длительности импульса и. Следует отметить, что КПД процесса заряда в схеме определяется как:
КПДзар = UCмакс/Еа (1 UC/2 UCмакс) (5.9)
и так как UC = (UCмакс - UCмин) << UCмакс = Еа (примерно), то КПДзар близок к 1. В вою очередь, КПДразр = Rн / (Rн + Ri), где Rн сопротивление нагрузки ИМ (магнетрона), Ri сопротивление коммутатора (VL1). Так как эти сопротивления одного порядка, то КПДразр относительно невелик, примерно, 50%. Поэтому такой ИМ целесообразно применять для модуляции в сравнительно маломощных передатчиках, не более 200…250 кВт в радиоимпульсе, генерируемом ГСВЧ.
Надо особо подчеркнуть, что длительность импульса в ИМ с частичным разрядом накопителя определяется импульсом, подаваемым на сетку модуляторной лампы (коммутатора) от подмодулятора. В схеме имеет место паразитная ёмкость Сп, которая вместе с индуктивностью L образует колебательный контур, что приводит к возникновению собственных затухающих колебаний по окончании импульса на выходе схемы. Индуктивность L вводится в схему для увеличения крутизны переднего фронта выходного импульса. Для гашения паразитных колебаний в схему вводится демпфирующий диод VD, который отпирается первым положительным полупериодом колебаний и своим малым внутренним сопротивлением шунтирует контур, что приводит к быстрому апериодическому затуханию колебаний. Подробный расчёт данного ИМ приведён, например, в [4].
Импульсный модулятор и частичным разрядом накопителя. Принцип его работы пояснён рис. 5.21.
В этой схеме накопительным элементом является формирующая длинная линия ФЛ с волновым сопротивлением л = Rн. Заряд линии производится от источника питания Еп, разряд - после замыкания коммутатора S происходит по цепи ФЛ, S, Rн, ФЛ за время и =2Lл/v, где: Lл длина линии, v скорость распространения волны в линии. На практике вместо длинных линий используются формирующие накопительные двухполюсники в форме линий задержек с сосредоточенными параметрами элементов звеньев L и C.
Еп S ФЛ Rн

Рис. 5.21
Число звеньев nз определяется необходимой длительностью импульса и и требуемой длительностью фронта импульса tфр при разряде накопителя по формуле nз = 0,57и/tфр. Подчеркнём, что параметры импульса полностью определяются формирующей линией во время её разряда. Задача коммутатора состоит только в замыкании цепи разряда. Техническая схема ИМ с полным разрядом накопителя изображена на рис. 5.22.
Рис. 5.22
В схеме: Lз дроссель в цепи заряда накопительной, формирующей линии ИЛ, VD1 диод, пропускающий только зарядный ток от источника питания, VL1 коммутатор, использующий газоразрядную лампу тиратрон, VD2 защитный диод, гасящий паразитные выбросы напряжений, RкСк согласующая цепочка, сглаживающая выбросы напряжения в начале импульса, причём Rк = л. В схеме используется резонансный процесс заряда линии, что снижает уровень напряжения источника питания почти в два раза относительно накопленного напряжения на линии. Резонансную цепь заряда образуют Lз и общая ёмкость линии Сл = и / 2 л = nзС, где С ёмкость звена линии. Общая индуктивность линии Lл = и л / 2 = nзL, где L индуктивность звена линии. Принцип работы схемы состоит в следующем.
Импульс запуска, поступающий от модулятора, является только импульсом поджига тиратрона. Внутреннее сопротивление тиратрона резко падает до единиц-долей Ома. Линия разряжается на нагрузку по цепи: ИЛ, тиратрон, первичная обмотка импульсного трансформатора, ИЛ. Линия полностью разряжена и тиратрон гаснет. Теперь начинается заряд линии по цепи: источник питания, Lз, VD1, ИЛ, первичная обмотка импульсного трансформатора, источник питания. Этот процесс происходит за время полупериода собственных колебаний резонансного контура Т/2 = = Тп, где Тп период повторения импульсов запуска. Линия при этом заряжается до напряжения, близкого к 2Еп. В момент максимума напряжения происходит запуск модулятора, как изложено в начале этого абзаца.
Импульс разряда через вторичные обмотки импульсного трансформатора поступает на два зажима нити накала магнетрона, чтобы обеспечить нулевую разность потенциалов при подаче на нить высоковольтного напряжения модулирующего импульса. Это напряжение на практике достигает десятков и даже сотен киловольт. КПДзар этого ИМ близок к 1, так как в формуле (5.9) величина UC = Uмакс (разряд полный), а Uмакс = 2Е (примерно). КПДразр также высокий, так как внутреннее сопротивление газоразрядного прибора тиратрона мало по сравнению с динамическим сопротивлением электронного прибора магнетрона. Поэтому такой вид ИМ используется в импульсных передатчиках большой мощности.
Другие виды модуляции
Здесь приводятся схемы получения манипулированных колебаний высокой частоты: АМн, ЧМн, ФМн, рис. 5.23. На рис. 5.23а приведён пример схемы АМн. Высокочастотное колебание несущей частоты Uвх подаётся на вход (базу VT1) усилителя вч. Последовательно с Uвх на базу подаётся сигнал манипуляции, усиленный в УНЧ на транзисторе VT2, нагрузкой УНЧ служит резистор R1. Работой УНЧ управляет ключ манипуляции.

Рис. 5.23
При разомкнутом ключе транзистор УНЧ полностью открыт и на коллекторе VT2 напряжение мало, такое, что транзистор VT1 оказывается запертым. При замыкании ключа транзистор VТ2 запирается напряжением делителя R5, R4 и напряжение на коллекторе VT2 резко возрастает, отпирая транзистор VT1. Усилитель вч оказывается в рабочем состоянии и усиливает входной вч-сигнал. Разумеется, такая схема не единственна и можно предложить много иных схем, но в любой из схем должен быть вентиль, управляемый манипулирующим сигналом. Роль вентиля в данной схеме выполняет УВЧ на транзисторе VT1.
На схеме рис. 5.23б приведён пример схемы ЧМн. На транзисторе VT1 собрана ёмкостная схема трёхточечного автогенератора с варикапом VD1, ёмкость которого меняется сигналом манипуляции Uвх.. Поскольку автогенератор работает в непрерывном режиме колебаний, то изменение частоты его колебаний происходит без разрыва фазы колебаний. Если же схему ЧМн строить на основе переключения выхода схемы к двум разным автогенераторам, работающим на разных частотах, то будет иметь место разрыв в фазе колебаний выходного сигнала. Это приводит к расширению спектра выходного сигнала.
На рис. 5.23в приведена схема устройства с ФМн. На трансформатор Тр1 поступает входной сигнал вч Uвх, модулирующий сигнал Uвхмн типа меандра (рис. 5.24) подаётся на средние точки обмоток Тр1 и Тр2. При положительном значении Uвхмн отпираются диоды VD1 и VD2, и сигнал вч Uвх передаётся через них на выходной Тр2 без изменения фазы. При отрицательном значении Uвхмн отпираются диоды VD3 и VD4 и фаза Uвх передаётся через них с изменением на 180о.

Рис. 5.24
Рекомендованные литературные источники
[1] с. 102-125, 199-238, [2 ] с. 369-502, [3] с.181-208.
Лекция 6. Электронные приборы СВЧ в передатчиках
6.1. Особенности применения обычных электронных ламп в генераторах СВЧ
К диапазону СВЧ относятся частоты от 3 до 30 ГГц, т.е радиоволны с длиной волны 1…10 см.
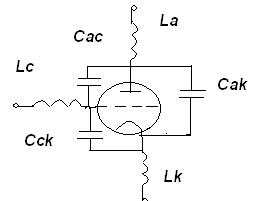
С ростом частоты работы генераторов на обычных электронных лампах начинает сказываться влияние межэлектродных емкостей и индуктивностей выводов лампы. На рис. 6.1 приведена эквивалентная схема лампы с указанием этих реактивных элементов. С ростом частоты уменьшаются сопротивления межэлектродных емкостей Сас, Сак, Сск и вследствие этого возникают заметные емкостные токи, что приводит к возникновению паразитных обратных связей в схемах генераторов. С ростом частоты, в свою очередь, становятся заметными индуктивности вводов La, Lc, Lк, что может привести к возникновению паразитных избирательных контуров вместе с межэлектродными емкостями. Всё это создаёт возможность возникновения самовозбуждения на побочных частотах в схемах и неустойчивости усиления. Кроме того, на СВЧ длины волн колебаний становятся сравнимыми с расстояниями между электродами ламп, что приводит к возникновению разности фаз между током и напряжением вч лампе. Так как полезная колебательная мощность Р = I•Ucos, то возникает
падение величины полезной мощности в генераторе. Далее с ростом частоты увеличивается сопротивление проводников за счёт т.н. скин-эффекта, т.е. уменьшения толщины проводящего слоя в проводнике. Это приводит к росту потерь мощности, к уменьшению добротности избирательных систем генераторов и, следовательно, к уменьшению коэффициента усиления генератора и к увеличению нестабильности частоты в автогенераторах за счёт уменьшения фиксирующей способности.

Рис. 6.1
Для снижения степени влияния указанных выше факторов, разработаны специальные конструкции ламп, используемых в диапазоне СВЧ. Особенности таких ламп: плоские конструкции электродов анода, сетки, катода; увеличенная толщина выводов, что приводит к уменьшению их индуктивностей; форма выводов электродов лампы делается цилиндрической. Цилиндрическая форма выводов позволяет применять избирательные системы генераторов и автогенераторов в форме длинных линий коаксиальных резонаторов. Эти резонаторы выполняются в форме металлических труб, которые насаживаются на цилиндры выводов. Длины труб определяются рабочей длиной волны и необходимым коэффициентом обратной связи (в автогенераторах). Пример конструкции автогенератора двустороннего вида приведён на рис. 6.2.
Справа от вывода сетки С двумя трубами, насаженными на выводы сетки и анода, образована коаксиальная линия АС, слева от сеточного вывода коаксиальная линия КС. Расстояния между трубами определяются диаметрами цилиндров выводов и условиями электрической прочности резонаторов, которая для атмосферы составляет по напряженности электрического поля 5…10 кВ/см. Применяют и односторонние конструкции генераторов, при этом обычно на вывод анода насаживают ребристый цилиндр охладитель, диаметр которого делается наибольшим из всех. Подробный расчёт коаксиальных резонаторов можно найти, например, в [2]. Лампы, применяемые в подобных генераторах, имеют номенклатуру ГИ или ГС, это т.н. металло-керамические лампы.

Рис. 6.2
6.2. Специальные приборы СВЧ
С повышением частоты в диапазоне СВЧ тех мероприятий, которые описаны в п. 6.1, оказывается недостаточно для эффективной работы генераторов. Поэтому разработаны специальные приборы СВЧ-диапазона, в которых использованы иные принципы усиления и генерации. Суть этих принципов состоит во взаимодействии бегущих электромагнитных волн с электронными пучками, двигающимися параллельно вектору ЭМВ. Скорость распространения ЭМВ близка к скорости света, что практически недостижимо для скоростей разогнанных электрическим потенциалом электронов. Поэтому для обеспечения указанного взаимодействия фазовую скорость ЭМВ замедляют посредством т.н. замедляющих систем. Некоторые формы замедляющих систем приведены на рис. 6.3.: спиральная замедляющая система - а), гребенчатая - б), резонансно-щелевая - в), гребенчато-встроенная - г), переменно-гребенчатая -

Рис. 6.3
Суть процесса замедления фазовой скорости состоит в следующем. По поверхности проводников структур волна распространяется со скоростью, близкой к скорости света, т.е волна как бы огибает проводники структуры, а вдоль структур со скоростью меньшей. Коэффициент замедления скоростей Кз можно, например, вычислить как отношение длины витка спирали l к длине шага спирали h: Кз = l/h. Пучок электронов, обычно сфокусированный, движется или по оси спирали, или вдоль поверхностей других систем. Взаимодействие электронов пучка с бегущими ЭМВ состоит в том, что при определённых условиях кинетическая энергия разогнанных электрическим полем электронов отдаётся волнам и их энергия увеличивается, т.е. происходит усиление ЭМВ. Иными словами, электромагнитные волны должны тормозить электроны. Если же скорость электронов увеличивается полем ЭМВ, то волны отдают свою энергию электронам и их усиления не происходит. Теперь рассмотрим работу различных приборов СВЧ.
Пролётный клистрон
Пролётный клистрон является, в основном, усилителем колебаний СВЧ, его схема и один из элементов принципа работы представлены на рис. 6.4.

Рис. 6.4
Клистрон электровакуумный прибор, состоящий из подогревного катода К, фокусирующего и одновременно управляющего током электронного пучка электрода ФЭ, двух тороидальных объёмных резонаторов Г и У, коллекторного электрода КЭ. На ФЭ подаётся управляющее напряжение, напряжение анода Еа включено между катодом и одновременно всеми резонаторами и КЭ. Резонатор Г именуется группирователем, резонатор У улавливателем. Входное напряжение СВЧ подаётся через петлю связи в группирователь, выходное выводится через петлю связи из улавливателя. Между Г и У имеется пролётное пространство длиною lo. В плоской части тороидальных резонаторов имеются сетки, достаточно прозрачные для электронов. Между сетками Г при подаче входного сигнала возникает электрическое поле СВЧ с амплитудой Uвх. При отсутствии этого поля, долетая до сеток Г, электроны имеют скорость vo = и далее летят в пролётном пространстве по инерции. При наличии Uвх скорость электронов претерпевает модуляцию так? что v = . Принимая во внимание что Uвх/Еа = << 1, получим v = vо (1 + /2 sint). Вследствие модуляции скоростей электронов, пролетающих сетки Г, в пролётном пространстве возникают группировки электронов (ускоренные электроны догоняют замедленные), что показано на правой эпюре рис. 6.4. Группы электронов формируются вдоль всей оси пролётного пространства, следуя во времени с частотой . Это группы (наподобие импульсов тока), достигая улавливателя (У), возбуждают в последнем выходные колебания СВЧ, усиленные по мощности, так как кинетическая энергия групп отдаётся этим колебаниям СВЧ в У. Связь между током электронов I1 в Г и током I2 в У определяется соотношением:
I2 = I1 /| 1 Xcost| ,
где Х =1/2to, to=lo/vo. Функция I2 имеет периодический характер с максимумами в t = n2. Величина максимумов зависит от Х, наиболее острые максимумы возникают при Х >1. Для первой гармоники ток максимален при Х= 1,84. Разлагая функцию для I2 в ряд Фурье, получим значения токов гармоник номера к Iк = I1Jк(кX). Потребляемая от Еа мощность Ро= I1Eа, полезная мощность на выходе P1 = U2I1J1(Х). КПД клистрона 1 в результате будет 1 = Р1/Ро = U2J1(Х)/Еа = 1J1(Х). Если 1 принять равным 1, то 1 = 0,58, так как значение функции Бесселя J1(1,84) = 0,58. Полученное значение КПД является теоретически максимальным, практическое значение КПД клистрона при двух резонаторах составляет 0,2…0,25. Коэффициент усиления по мощности Кр примерно равен 20 дБ. Для повышения эффективности работы пролётных клистронов применяют многорезонаторные клистроны с последовательным внедрением тороидальных резонаторов между основными Г и У, число резонаторов в клистроне может достигать 4...8. Кроме того используют электромагнитную фокусировку пучка электронов, помещая между резонаторами катушки соленоидов, а также убирают сетки в резонаторах, что в целом уменьшает рассеивание электронов на элементах конструкции клистрона. Все эти мероприятия повышают КПД до уровня в 40% и Кр до уровня 30…35 дБ. Пролётные клистроны чаще всего применяют как мощные импульсные усилители в передатчиках РЛС с выходной импульсной мощностью от сотен киловатт до нескольких мегаватт.
Магнетрон
Магнетрон является мощным импульсным автогенератором СВЧ. Конструкция магнетрона (вид сверху и сбоку) представлена на рис. 6.5.

Рис. 6.5
На рис. 6.5. А- анод магнетрона, представляющий собой металлический цилиндр с вырезанными в нём вдоль всей длины резонаторами. Щели резонаторов выходят во внутреннюю полость цилиндра, посередине которой располагается цилиндрический подогревный катод К, он показан выступающим на виде сбоку. Магнетрон помещается между полюсами постоянного магнита N и S так, что линии магнитной индукции В направлены вдоль оси цилиндра магнетрона. Замкнутая резонаторная система является замедляющей системой в магнетроне (рис.6.3в). Выходные колебания СВЧ снимаются петлёй связи ПС из любого резонатора. Напряжение питания Еа от импульсного модулятора подаётся на магнетрон в отрицательной полярности на катод, анод обычно соединён с корпусом передатчика. Таким образом, на электроны, имитируемые катодом, действуют две силы : электрическая Fe = eE, обязанная напряженности электрического поля, создаваемой Еа, и сила магнитного поля Fм = еvBsin. Поскольку угол между вектором скорости v движения электронов от катода к аноду и вектором магнитной индукции равен 90о, то Fм = еvB. Сила Fм не меняет величину скорости v, но меняет направление движения электронов так, что электроны начинают двигаться по окружности в магнитном поле с радиусом r = mE/eB2. Траектория движения приобретает вид циклоиды с этим радиусом (рис. 6.6).

Рис. 6.6
В зависимости от величины В, Еа и расстояния от катода до анода d траектории движения электрона могут иметь вид, представленный на рис. 6.7.

Рис. 6.7
При В = 0, Еа # 0 магнетрон работает как простой диод с траекторией движения электронов 1.
При 0 < В < Bкр, Еа # 0 траектория 2 циклоидальна, но электрон достигает анода на первом же витке циклоиды.
При В = Вкр, Еа # 0 траектория 3 замкнута и только касается анода, в этом случае возникает т.н. магнетронный эффект пропадание тока в магнетроне.
При В > Вкр, Еа # 0 траектория 4 замкнута и электроны не достигают анода. Величина Вкр = , где m и e масса и заряд электрона.
Циклоидальные траектории электронов обеспечивают их движение вдоль поверхности замедляющей системы, что позволяет электронам взаимодействовать с бегущими волнами, возникающими в замедляющей системе при подаче напряжения питания на катод магнетрона. Это взаимодействие состоит в следующем. Под щелями резонаторов замедляющей системы возникают периодические (с частотой настройки магнетрона ) СВЧ колебания электрического поля. Если, пролетая под щелью резонатора, электрон тормозится этим полем, то он отдаёт свою кинетическую энергию колебаниям, поддерживая их. В замедляющей системе, представляющей замкнутую в кольцо резонаторную систему, могут быть несколько видов колебаний, которые должны удовлетворять условию: N = 2k, где сдвиг по фазе между соседними резонаторами, N - число резонаторов, k = 0,1,2, ...
При N = 8 (N всегда чётное число), например, имеем:
- k = 0, = 0; k = 8, = 2. 2) k = 1, = /4; k = 7, = 7/4.
- k = 2, = /2; k = 6, = 3/2; 4) k = 3, = 3/4, k = 5, = 5/4.
5) k = 4, = .
Колебания 1…4 называются попарно-вырожденными, образующими стоячие волны в замедляющей системе с нестационарным расположением узлов и пучностей, что неудобно для вывода энергии из магнетрона. Колебание 5 называется невырожденным колебанием, возникающим при k = N/2, разность фаз между соседними резонаторами при этом составляет . Поэтому эти колебания называют колебаниями типа . Эти колебания являются устойчивыми, петля связи в любом из резонаторов будет всегда находиться в пучности СВЧ поля, что удобно для снятия энергии. Кроме того, колебания типа возникают в магнетроне при наименьших величинах Еа. Колебания типа являются наиболее используемыми в магнетронных генераторах.
Теперь об условии, обеспечивающем эффективное взаимодействие энергии электронов с бегущими волнами замедляющей системы условии синхронизма. Для этого необходимо, чтобы скорость движения электронов по траектории (циклоиде) вдоль поверхности замедляющей системы обеспечивала попадание электрона в фазу замедления под каждым из резонаторов. Поскольку разность фаз между соседними резонаторами равна , то время пролёта электрона от одного резонатора до соседнего должно быть равно: tпр = /, т.е. половине периода колебаний СВЧ поля. С учётом величин радиусов катода rк и внутреннего радиуса анода rа условие синхронизма обеспечивается таким соотношением:
Еа = Вк(rа2 rк2)/2k, для колебаний типа 2k =N.
Магнетрон является генератором большой импульсной мощности, поэтому для его работы важен КПД. Не вдаваясь в подробности вычисления КПД, приведём выражение для него:
= 1 (Bкр2/B2).
Из этого выражения видно, что работа магнетрона начинается с В Вкр, далее КПД возрастает. Практические значения КПД лежат в диапазоне 15…65 %.
Характеристики магнетронного генератора
Основными электрическими показателями магнетронного передатчика являются выходная мощность Ри, КПД , генерируемая частота fo и её стабильность. Эти характеристики полностью определяются характеристиками магнетрона и зависят от индукции В, анодного тока Iа, напряжения не аноде Еа, проводимости подключённой к магнетрону нагрузки Yн . Магнитная индукция В и напряжение Еа связаны между собой и не могут быть выбраны произвольно. Следовательно, из величин В, Еа, Iа две независимы. Поэтому Ри, , fo полностью определяются величинами Еа (или В), Iа и Yн = gн +jbн. Эти зависимости выражаются рабочими характеристиками магнетрона: семейством характеристик, у которых по осям отложены значения Еа и Iа, а в качестве параметров используются магнитная индукция В, выходная мощность Ри, и рабочая частота fo. Рабочие характеристики изображены на рис. 6.8.

Рис. 6.8
Сплошными линиями указаны характеристики, параметрами которых являются неизменные значения В в Гауссах. Штриховыми линиями изображены характеристики неизменных мощностей Ри, в кВт. Штрих-пунктирными линиями характеристики неизменных КПД, в процентах. Выбор рабочей точки магнетрона показан, как пример, точкой А. В этой точке В =1400 Гс, Ри = 240 кВт, КПД = 45%. Перемещая точку по полю характеристик, можно выбрать желаемый режим работы магнетрона. Результатом выбора будет определение величин Еа и Iа, соответствующих выбранной точке. Эти значения Еа и Iа являются исходными данными для проектирования импульсного модулятора.
Зависимости мощности Ри, частоты fo от параметра нагрузки выражается нагрузочными характеристиками. Под параметром нагрузки понимается импеданс коэффициента отражения = Le-j = отр/ пр. Поскольку модуль L может меняться от 0 до 1, а 0 360о, то эти характеристики строят в полярных координатах, где независимой переменной служит . Вид нагрузочных характеристик показан на рис. 6.9. Сплошными линиями показаны характеристики с неизменными Ри, причём характеристика Рн считается характеристикой номинальной мощности магнетрона. Выше неё располагаются характеристики с мощностями больше номинальной, ниже меньше номинальной. Штриховыми линиями обозначены характеристики неизменных частот генерации, причём характеристика, проходящая через 0 (fо), считается характеристикой номинальной частоты. Справа от неё частоты убывают, слева повышаются. Точка А иллюстрирует возможную рабочую точку. В ней L 0,7, а 30о, Ри 0,5 Рн , f 1,002 fo. Внутри круга с радиусом L 0,2 имеет место т.н. режим затягивания частоты максимальное изменение частоты магнетрона, которое возникает при постепенном изменении на 360о фазы .

Рис. 6.9
При L = 0,2 КСВ линии нагрузки равен 1,5. Такое значение модуля коэффициента отражения считается максимально допустимым на входе АФУ. Параметр затягивания Fo определяет максимальный разброс частоты и на рисунке приблизительно равен: Fo = 1,001fo 0,999fo = 0,002fo. Если принять величину fo = 1000 мГц, то Fo = 20 мГц.
Магнетроны широко применяют как в бортовых РЛС, так и в наземных радиолокационных комплексах. Приведём типичные параметры магнетронов, используемых по этим назначениям.
В бортовой РЛС: fo = 9370 мГц, Fп = 400 Гц (частота повторений импульсов, равная частоте питающей бортовой сети ВС), Ри = 10 кВт, и = 2 мкс.
В наземных РЛС - два примера. В обзорном аэродромном радиолокаторе: fo = 1250…1350 мГц, Fп = 330…930 Гц, и = 1,2 мкс, Ри = 0,5…2,0 кВт. В радиолокаторе обзора лётного поля: fo = 34 гГц, Fп = 10 кГц, и = 0, 025…0,1 мкс, Ри = 35 кВт.
Лампа бегущей волны
Лампа бегущей волны (ЛБВ) является усилителем СВЧ колебаний. Типичная конструкция ЛБВ с замедляющей системой в форме спирали показана на рис. 6.10. Принцип работы ЛБВ заключается в следующем. Поток электронов, формируемый катодом, управляющим электродом (типа сетки) и фокусирующей катушкой (соленоидом), проходит со скоростью ve внутри спирали и достигает коллектора. На вход спирали (вход СВЧ) подаётся усиливаемое СВЧ колебание, создавая в спирали бегущую электромагнитную волну (ЭМВ) с фазовой скоростью vф. При определённых условиях кинетическая энергия электронов отдаётся волне, усиливая её мощность. С выхода спирали усиленная ЭМВ выводится в нагрузку (вывод СВЧ).
Рис. 6.10
На рис. 6.11 приведена эпюра распределения волны СВЧ вдоль спирали и даны пояснения к взаимодействию волны с электронами.

Рис. 6.11
В зависимости от соотношения между ve и vф могут быть три случая. Если ve = vф, то поток электронов неподвижен относительно волны При этом в плоскостях б, г и т.д. будут собираться сгустки электронов, так как силы волны Fe направлены к этим плоскостям. Сгустки не взаимодействуют с волной, не усиливают её и просто двигаются со скоростью волны к коллектору. Если скорости таковы, что vф > ve, то образовавшиеся сгустки будут отставать от волны и попадать в фазу ускорения электронов волной, т.е. волна отдаёт свою энергию электронам и волна гаснет, усиления нет. Когда же vф < ve, то сгустки электронов опережают волну и попадают в фазу торможения электронов волной, электроны отдают волне свою энергию. Именно этот случай является рабочим режимом ЛБВ. Для устранения в лампе влияния отражённой от конца спирали волны применяют поглотители отраженных волн.
Если в ЛБВ имеется только ускоряющее электроны поле анода, то ЛБВ называются типа «О» - обыкновенные. Для повышения КПД ЛБВ применяют лампы типа «М» - магнетронные. В этих лампах, кроме поля анода, имеется магнитное поле, вектор В которого ортогонален скорости движения электронов. Это помогает обеспечить синхронизм между замедленной волной и электронным потоком. КПД ЛБВ типа «М» достигает величин 60%. Такие лампы можно конструировать в форме кольца (наподобие магнетрона), что снижает габариты лампы. ЛБВ применяют в качестве усилителей мощности в различных передатчиках и в качестве УВЧ в приёмниках. Некоторые данные ЛБВ УВ-5: fo = 3,4…4,4 гГц, Кр = 18 дБ; УВ-6: fo = 3,4…4,4 гГц, Кр = 30 дБ, Рвых = 0,03 Вт; УВ-7: fo = 3,4…4,4 гГц, Кр = 26 дБ, Рвых = 3 Вт. Кр коэффициент усиления мощности. Из данных видно, что ЛБВ можно перестраивать по частоте в достаточно широком диапазоне. Это достигается изменением ускоряющего анодного напряжения и существованием в спирали или другой замедляющей системе (гребёнке) ряда возможных собственных частот колебаний волны.
Лампа обратной волны
Лампы обратной волны (ЛОВ) являются, в основном, автогенераторами колебаний СВЧ. На рис. 6.12 приведён пример конструкции ЛОВ, которая подобна ЛБВ, но имеет один выход СВЧ, вначале замедляющей системы (гребенчатая структура системы). Фокусирующие катушки тоже есть, но они на рисунке не показаны. Рассмотрим работу ЛОВ. При включении лампы в замедляющей системе возникают собственные колебания бегущих в обоих направлениях волн. Пучок электронов взаимодействует с обратной волной, за счёт специфической обратной связи в лампе возникает автогенерация на одной из гармоник замедляющей системы. Съём колебаний СВЧ производится в нача- ле замедляющей системы через волноводный вывод. Сущность взаимодействия волны с электронами подобна ЛБВ. Как и ЛБВ, ЛОВ могут быть типа «О» и типа «М». Современные ЛОВ типа «М» конструктивно несколько видоизменены: вместо электронной пушки и коллектора применяется цилиндрический катод как в магнетроне, расположенный внутри анодной замедляющей структуры гребенчатой или «палец в палец».
Рис. 6.12

Рис. 6.13
В рамках такой модификации был разработан прибор СВЧ платинотрон, рис. 6.13, применяемый в радиолокационных системах. Около начала замедляющей системы предусматривается второй согласованный ввод СВЧ - сигнала. Этим обеспечивается работа платинотрона в режиме захвата частоты входного сигнала и прибор работает как усилитель, нося название амплитрона. В режиме автоколебаний платинотрон именуется стабилотроном.
В режиме амплитрона платинотрон обладает некоторой полосой захвата частот внешнего воздействия, которая определяется так: захв/о = Е/U, т.е. полоса захвата захв прямо пропорциональна амплитуде внешнего воздействия Е и обратно пропорциональна амплитуде генерируемого колебания U в отсутствии внешнего воздействия. Вне полосы захвата имеют место биения на частоте , равной величине | вх - о |. В полосе захвата биений нет. Именно это явление используется в платинотроне для построения мощных усилителей на базе применения автогенератора (ЛОВ).
Основным достоинством амплитрона является: высокий КПД (60…70%), большая импульсная и средняя мощности (до нескольких мегаватт в импульсе и до нескольких сотен киловатт в непрерывном режиме), широкая полоса пропускания в усилительном режиме, относительно небольшие габариты и масса. К недостаткам амплитрона относится сравнительно невысокий коэффициент усиления мощности (8…12 дБ). Рабочие характеристики амплитрона подобны характеристикам магнетрона, что позволяет называть амплитрон магнетронным усилителем.
6.3. Твердотельные приборы в диапазоне СВЧ
В настоящее время промежуточные и выходные каскады СВЧ передатчиков малой и средней мощности часто выполняют на транзисторах с применением систем сложения мощностей. Достаточно развиты методы суммирования мощностей в длинноволновой части СВЧ диапазона (несколько дециметров). Это позволяет создавать передатчики с выходной мощностью до десятков киловатт. Примером может служить передатчик радиолокатора «Утёс Т» или «Утёс А» с выходными мощностями в 80 и 40 киловатт соответственно. Усилительные модули построены на транзисторной основе: транзисторы А883В, А873-1 (ноу-хау). В то же время в диапазоне СВЧ применяются специальные известные твердотельные приборы: диоды ГАННА и лавинно-пролётные диоды (ЛПД). На их основе строятся автогенераторы СВЧ в весьма коротковолновом диапазоне, до десятков и сотен гГц. Рассмотрим принципы действия таких автогенераторов.
Генератор СВЧ на лавинно-пролётном диоде. В ЛПД для поддержания колебаний в избирательной системе (в контуре) используется явление лавинного пробоя p-n перехода, т.е. рабочей точкой диода является область лавинного пробоя вольт-амперной характеристики диода. На рис. 6.14 эта область крутой спад ВАХ около точки смещения Есм. Пробой происходит, когда Uд по модулю больше Есм. При включении диода в цепь питания в контуре схемы генератора возникают собственные затухающие колебания СВЧ, которые переводят рабочую точку ( при отрицательном полупериоде) в область лавинного пробоя. Ток через диод резко возрастает и при надлежащей толщине перехода этот ток попадает в фазу торможения электронов тока колебаниями СВЧ. Электроны отдают свою энергию колебаниям, поддерживая их незатухающими. Образование лавинного процесса и соответственно время запаздывания (пролёта) зависят от приложенного напряжения, поэтому изменяя последнее можно изменять частоту генерации. Схема автогенератора на ЛПД подобна схеме на рис. 6.14.

Рис. 6.14
Автогенераторы на ЛПД в непрерывном режиме могут обеспечивать мощность до 10 Вт в диапазоне частот более 10 гГц и единицы Ватт на частотах до 50 гГц при КПД = 15…20%. В импульсном режиме мощность может достигать 100 Вт при частоте генерации 10 гГц и КПД = 60…70%.
Генератор СВЧ на диоде ГАННА. Эффект Ганна состоит в возникновении СВЧ колебаний тока в некоторых полупроводниковых кристаллах при воздействии сильного электрического поля. Колебания обусловлены формированием и движением в кристалле резко выраженных областей с высокой напряженностью поля. Эти области имеют значительно больший объём чем простые электроны и называются доменами.
Вследствие разной степени подвижности электронов и доменов домены имеют значительно меньшую подвижность и скорость, чем электроны в кристалле полупроводника возникают две щели подвижности: электронная L и доменная U. Влияние щелей зависит от напряженности поля. При малой напряженности преобладает электронная проводимость L, при возрастании напряженности поля начинает сказываться проводимость U и в конце концов она становится преобладающей. Подвижность носителей заряда определяется соотношением = V/E, т.е. отношением средней скорости движения носителя V к напряженности поля E. Отсюда V = E. Между скоростями электронов и доменов имеет место неравенство U << L. Отмеченные особенности в подвижностях электронов и доменов приводят к тому, что вольт-амперная характеристика диода ГАННА (ДГ) имеет вид, подобный характеристике туннельного диода, рис. 6.15. В левой восходящей ветви преобладает электронная проводимость, в правой восходящей доменная. Между ними переходный, падающий участок ВАХ. Именно это участок и является рабочим участком генератора на диоде ГАННА. Исходная рабочая точка устанавливается посередине падающего участка ВАХ.

Рис. 6. 15
Схема автогенератора на диоде ГАННА подобна схеме на рис. 4.1. Генераторы на основе диодов ГАННА могут работать до частот 100 гГц, развивать мощность до единиц ватт в непрерывном режиме и до десятков ватт в импульсном.
При столь высоких частотах работы генераторов на ЛПД и ДГ избирательные системы схем выполняются на полосковых линиях.
Рекомендованные литературные источники
[1] с. 133-196, [2] с. 504-579, [3] с.164-179, [4] с. 3-43.
Литература
1. Криницин В.В., Логвин А.И. Формирование и передача сигналов в авиационных радиоустройствах. М.: Транспорт, 1998.
2. Проектирование радиопередатчиков /под ред. В.В. Шахгильдяна. М.:
Радио и связь, 2003.
3. Петров Б.Е., Романюк В.А. Радиопередающие устройства на полупро-
водниковых приборах. М.: Высшая школа. 1989.
4. Дивеев В.Н. Формирование и передача сигналов. Проектирование пере-
датчиков СВЧ. М.: МГТУ ГА, 2003.
Содержание
|
Лекция 4. Возбудители радиопередатчиков……………………………… |
3 |
|
4.1. Возбуждение колебаний, автогенераторы………………………….. |
3 |
|
4.2. Синтезаторы частот радиопередатчиков…………………………… |
8 |
|
Лекция 5. Высокочастотный тракт радиопередатчиков, модуляторы… |
9 |
|
5.1. Высокочастотный тракт передатчиков………………………………. |
9 |
|
5.2. Устройства модуляции в передатчиках……………………………… |
15 |
|
Лекция 6. Электронные приборы СВЧ в передатчиках………………… |
26 |
|
6.1. Особенности применения обычных электронных ламп в генераторах СВЧ………………………………………………………………………….. |
26 |
|
6.2. Специальные приборы СВЧ…………………………………………. |
28 |
|
6.3. Твердотельные приборы в диапазоне СВЧ…………………………. |
37 |
|
Литература………………………………………………………………….. |
39 |
Активный
4-х полюсник
Цепь обратн.
связи
ДОЧ
СЧ
ДОЧ
СМ
ПФ
ФД
ЭЗГ
ПГ
Модуль 3
Модуль 2
одуль1
Возбудители радиопередатчиков