Проекційне креслення
Кафедра "Прикладна геометрія інформаційні технології проектування" ТДАТУ
Викладач: доц. Щербина В.М.
Конспект лекції № 10
з дисципліни "Нарисна геометрія, інженерна та комп'ютерна графіка"
Тема лекції: Проекційне креслення.
Мета та задачі: 1. Дати студентам знання по правилам виконання i оформлення креслень деталей по заданому
аксонометричному зображенню або моделі читанню
форми технічних деталей, побудови третього
зображення деталі по двом, які задано, побудови
аксонометричного зображення деталі по ортогональному креслені, побудови лінії переходу, перетину та зрізу.
2. Ознайомити студентів з основними поняттями i
змістом ГОСТ 2.305-68 (ГОСТ 2.317-68).
Знання та вміння, які студенти повинні отримати:
Студенти повинні:
Знати: 1. Основні визначення і положення ГОСТ 2.305-68.
2. Алгоритм побудови лінії перетину криволінійних поверхонь.
Вміти: 1.Побудувати ортогональні зображення деталей по аксонометрич-ному зображенню або моделі.
2. Виконувати прості розрізи i оформляти у відповідності до ГОСТ 2.305-68.
3. Будувати трете зображення по двом, які задані.
ТЗН та методи їх застосування:
Діафільм « Плоскость. Особые линии плоскости».
Перелік наглядно ілюстративного та роздавального матеріалу:
Плакати: Л61 Л6 6, зразки роботи 3ПГР. 100.
Методичні вказівки кафедри «Проекційне креслення».
Література для СРС:
- С. 3943.
- С. 4751.
- С. 4254.
План лекцій
10.1. Основні положення.
10.2. Види.
10.3. Визначення розрізу. Прості розрізи.
10.4. Перерізи.
10.5. Виносній елемент.
10.6. Умовності та спрощення.
10.1. Основні положення
Згідно ГОСТ 2.305-68 зображення предметів, виробів або їх складових частин слід виконувати за методом прямокутного проекціювання.
При цьому предмет припускається розташованим між спостерігачем та відповідною площиною проекцій. Зображення на кресленні залежно від їх змісту. Діляться на види, розрізи, перерізи. Зображення на фронтальній площині проекцій приймається на креслені, як головне. Предмет розташовують відносно фpoнтaльнoї площини проекцій так, щоб зображення на ній давало найбільш повне уявлення про форму та розміри предмета. Кількість зображень (видів, розрізів, nepepiзiв) повинна бути мінімальною, але забезпечувати при цьому повне уявлення про предмет при застосуванні установлених у відповідних стандартах умовних позначень, знаків та надписів.
10.2. Види.
Згідно ГОСТ 2.305-68 видом називається зображення поверненої до спостерігача видимої частини поверхні предмета. 3 метою зменшення кількості зображень допускається на видах показувати невидимі частини поверхні предмета за допомогою штрихових ліній (рис.10.1).
Рис.10.1.Зображення невидимих частин поверхні предмету.
Установлені слідуючі назви видів, отриманих на основних площинах проекцій (основні види, рис.10.2).
- вид спереду (головний вид);
- вид зверху;
- вид зліва;
- вид с заду;
- вид справа;
- вид знизу;
Рис. 10.2. Основні види.
Якщо будь-яку частину предмета неможливо показати на основних видах без спотворення його форм та розмірів, то застосовують додаткові види, які отримують на площині, не паралельній основній площині проекцій.
а)
Рис. 10.3. Додаткові види.
Додатковий вид має бути відміченим на кресленні написом типу А (рис.10.3 а), а у зв'язаного з додатковим видом зображення предмета мае бути поставлена стрілка, яка вказує напрям погляду, з відповідно літерним позначенням (стрілка А, рис.10.3 а). Коли додатковий вид розташований у безпосередньому проекційному зв'язку з відповідним зображенням, то стрілку з написом над видом не наносять( рис. 10.3 б).
Додатковий вид допускається повертати, але зі зберіганням як правило, положення, прийнятого для даного предмета на головному зображенні; при цьому до напису має бути додано (рис. 10.4, а).
Г

Зображення окремого обмеженого місця поверхні предмета називається місцевим видом (рис.10.4,б). Місцевий вид може бути обмеженим лінією обриву, по можливості в найменшому розмірі (рис.10.5), або не обмеженим. Місцевий вид повинен бути відзначеним на кресленні подібно додатковому виду.
Співвідношення розмірів стрілок, які указують напрям погляду, повинно відповідати приведеним на рис.10.4.
10.3. Розрізи.
Розріз зображення предмета, який умовно перетнуто площиною (або декількома площинами), при цьому перетин предмету умовно відноситься тільки до даного розрізу та не викликає зміни інших зображень того ж предмету. На poзpізі показують те, що отримується в січній площині та що розташовано за нею (рис.10.5). Допускається зображати не все, що розташовано за січною площиною, якщо це не потрібно для розуміння конструкції предмету.
Розрізи розділяються залежно від положення січної площини відносно горизонтальної площини проекцій на: горизонтальний січна площина паралельна горизонтальній площині проекцій (наприклад, розріз АА, рис. 10.5б); вертикаллю - січна площина перпендикулярна до горизонтальної площини проекцій (рис.10.5в); похилі січна площина складає з горизонтальною площиною проекцій кут, що відрізняється від прямого (рис.10.5г).
Вертикальний розріз називається фронтальним, якщо січна площина паралельна фронтальній площині проекцій.
Вертикальний розріз називають профільним, якщо січна площина паралельна профільній площині проекцій.
Залежно від числа січних площин розрізи розділяються на прості при одній січній площині (рис. 10.5); складні - при двох та більше січних площинах (рис.10.6).
На початку i на кінці ліній перетину, а у випадку необхідності та у місцях перетинів вісі лінії ставиться одна i та ж прописна літера українського алфавіту. Літери наносять біля стрілок, які указують напрям погляду, та в місцях перетину з боку зовнішнього куга. Розріз повинен бути позначеним написом А А (завжди тільки двома літерами через тире) (рис.10.5 а, д).
Розріз, який служить для з'ясування конструкції предмета лише в окремому, вузько обмеженому місці, називається місцевим. Місцевий розріз виділяється на виді суцільною хвилястою лінією. Ця лінія не може збігатися з якими-небудь лініями зображення (рис.10.6).
Допускається з'єднувати частину виду та частину відповідного розрізу, розділяючи їх суцільною хвилястою лінією (рис.10.6 б). Якщо при цьому з'єднують половину виду i половину розрізу, кожний з котрих є симетричною фігурою, то лінією, яка розділяє, служить вісь симетрії штрих пунктирна лінія (рис.10.6.в).



10.4. Перерізи
Переріз - зображення фігури, який отримуємо при уявному перетині предмета площиною або кількома площинами (рис.10.7, а,б,в). На пepepiзi показують тільки те, що знаходиться у січній площині
Перерізи, які не входять до складу розрізу, розділяються на винесені (рис.10.7,а) та накладені (рис.10.7,в). Винесені перерізи допускається розташовувати у poзpізі між частинами одного и того ж виду (рис.10.7,6).




Для контуру винесеного перерізу, а також перерізу, який входить до складу розрізу, повинна застосовуватися суцільна основна лінія, а для контуру накладеного перерізу суцільна тонка лінія, причому контур зображення у місці розташування накладеного перерізу не переривається. Лінія перерізу, яка збігається з віссю симетрії винесеного або накладеного перерізу, указується штрих пунктирною тонкою лінією без позначення літерами та стрілками.
У випадках, подібних вказаним на рис. 10.7 при симетричній фігурі перерізу лінію перерізу не проводять. В усіх інших випадках для позначення лінії перерізу застосовують розімкнену лінію із виказанням стрілками напряму погляду та позначають її однаковими прописними літерами українського алфавіту, а сам переріз супроводжують надписом по типу АА двома літерами через тире.
Для кількох однакових nepepiзiв, які відносяться до одного й того ж предмета, слід лінію перерізу позначати однаковою літерою та викреслювати один переріз (Рис.10.8.а,б).
Якщо січна площина проходить через вісь поверхні обертання, яка обмежує отвір або поглиблення, то контур отвору та поглиблення показують повністю (Рис.10.8.в).



10.5. Виносний елемент.


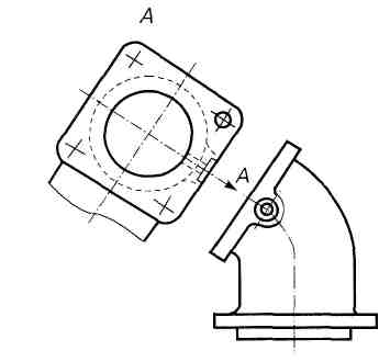
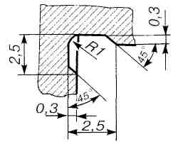
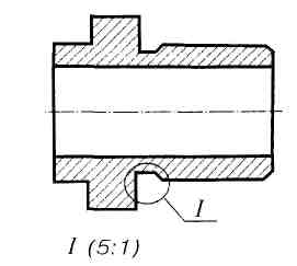
Виносний елемент - додаткове окреме зображення (звичайно збільшене) будь-якої частини предмету, яка вимога графічного та інших пояснень у відношенні до форми, розмірів та інших, даних (рис.10.9 (а)).
Виносний елемент може утримувати подробиці, не вказані на відповідному зображенні та може відрізнятися від нього за змістом (наприклад, зображення може бути видом, а виносний елемент розрізом та навпаки). (Рис. 10.9 (б))


10.6. Умовності та спрощення
10.6.1. Якщо вид, розріз або переріз с зображеннями симетричної деталі, то допускається викреслювати не набагато більше половини зображення з проведенням лінії обриву (рис.10.10) або половину зображення без проведення лінії обриву. На місці головного виду доцільно розташувати з'єднання виду з розрізом; це надає можливість показати видимим ребро чотирикутної призми.

10.6.3. При наявності у деталі кількох однакових отворів один з них показують повністю; для останніх проводять тільки центрові лінії, які необхідні для нанесення розмірів (рис.10.4а). Число отворів вказують на поличці лінії - виноски перед розміром діаметра отвору, слово "отвір" пишуть скорочено, наприклад: 4 отв. 10.
10.6.4. Такі деталі як гвинти, заклепки, шпонки, не пустотілі вали
та шпинделі, шатуни, рукоятки i т.ін. при поздовжньому розрізі показують
не перерізаними.

10.6.5. Такі елементи, як спиці маховиків, шківів, зубчастих коліс,
тонкі стінки типу ребер жорсткості (рис.10.12) та інші показують
не заштрихованими, якщо січна площина направлена вздовж осі або довгої
сторони такого елемента.

Рис. 10.12. Зображення спиць.
10.6.6. Допускається незначна конусність або уклін зображати зі
збільшенням.
10.6.7. На кресленні допускається спрощено зображати проекції
лінії перетину поверхонь, якщо не потрібно точної їх побудови (якщо,
наприклад, по кресленню не будується розгортка поверхні). У цих
випадках лекальні криві замінюють ланками кіл або прямими лініями.
3
2
1
4
5
6
б)
Б
Б(2:5)
L=8 25
2 3
0,3 0,5L
Рис. 10.4. Допоміжний та місцевий види.
А
А
S 1,5 S
8 25
8 20
2 3
б)
а)
А
А (5:1)
Рис. 10.9 (б) Виносний елемент.
Рис. 10.11. Зображення однакових елементів.
Рис.10.10. 3'еднання виду з розрізом.
10.6.2. Якщо деталь має декілька однакових, рівномірно розташованих елементів, то на її зображені повністю показують один-два таких елемента, а останні елементи показують спрощено та умовно (рис.10.11); зуб'я, які потрапляють до розрізу на зображенні не штрихують, коло западин зуб'ів проводять суцільною тонкою лінією; число зуб'ів z записують на полі креслення або у спеціальній таблиці.
Рис. 10.9 (а) Виносний елемент.
Рис. 10.8 Однакові перерізи.
в)
б)
а)
а)
б)
Рис. 10.7 Перерізи
в)
в)
Рис. 10.6. З'єднання частини виду та розрізу.
б)

а)
Рис. 10.6. Місцевий розріз.

б)
г)
Рис. 10.5. Прості розрізи.


д)
в)
г)
Проекційне креслення