ПРОЕКТИРОВАНИЕ РЕЛЕЙНОЙ ЗАЩИТЫ И АВТОМАТИКИ БЛОКА ГЕНЕРАТОР – ТРАНСФОРМАТОР
ДИПЛОМНАЯ РАБОТА
ПРОЕКТИРОВАНИЕ РЕЛЕЙНОЙ ЗАЩИТЫ
И АВТОМАТИКИ БЛОКА
ГЕНЕРАТОР ТРАНСФОРМАТОР
Аннотация
Автор представленной бакалаврской работы Федоров Н. В., специальность 140203 «Релейная защита и автоматизация электроэнергетических систем», группа АУС -1-03.
Пояснительная записка к данной работе содержит 82 машинописных страницы. В тексте пояснительной записки приведен результат расчета параметров электрической станции с выбором основного и вспомогательного электрооборудования, коммутационной аппаратуры, расчет токов короткого замыкания. Содержится расчет уставок цифровой защиты блока генератортрансформатор ШЭ1111 НПП «ЭКРА» и описание микропроцессорной автоматики (автоматическая регулировка возбуждения, автоматическая синхронизация генераторов). Проведено исследование защит блока генератор-трансформатор, выполненных на разных элементных базах (электромеханическая и микропроцессорная) и сделан сравнительный анализ. Выполнен экономический расчет. Рассмотрены вопросы обеспечения безопасности при проведении испытаний с подачей напряжения от постороннего источника питания.
Иллюстративная часть работы содержит три чертежа: принципиальная электрическая схема станции; схема подключения комплекса релейной защиты блока генератор-трансформатор к измерительным трансформаторам; структурная схема системы релейной защиты блока генератор-трансформатор.
Оглавление
Аннотация……………………………………………………………......3
Введение………………………………………………………………….4
- Разработка принципиальной электрической схемы станции……...6
- Выбор основного оборудования……………………………........6
- Выбор распределительного устройства 220 кВ……………........7
- Выбор проводов линий электропередач……………………........7
- Расчет токов короткого замыкания……………………………...9
- Выбор вспомогательного оборудования и
коммутационной аппаратуры……………………………………15
- Проектирование релейной защиты блока
генератор-трансформатор……………………………………………21
- Продольная дифференциальная защита генератора (IG)………23
- Продольная дифференциальная защита трансформатора (IТ)..25
- Максимальная токовая защита трансформатора (IТ>)……….…28
- Токовая защита обратной последовательности (I2>)…………...28
- Защита от повышения напряжения (UG>)………………………31
- Защита от симметричных перегрузок (I1)………………………...31
- Защита ротора от перегрузок (IP)…………………………..…….32
- Дистанционная защита (Z<)……………………………………...33
- Устройства контроля исправности цепей напряжения
переменного тока (КИН)………………………………………….34
- Фильтровые измерительные органы…………………………...36
- Защита генератора от асинхронного режима………………….36
- Защита мощности (Р)……………………………………………39
- Защита частоты (F)………………………………………………40
- Защита от перевозбуждения (U/F)……………………………...40
- Защита ротора от замыканий на землю (Re< )…………………41
- Защита генератора от замыканий на землю обмотки статора...43
- Направленная токовая защита обратной последовательности.46
- Устройства контроля синхронизма (КС)………………………47
- Защита от частичного пробоя изоляции высоковольтных
вводов трансформатора (КИВ)………………………………….47
- Автоматика (автоматическая регулировка возбуждения,
автоматическая синхронизация генераторов)………………………50
- Микропроцессорный автоматический регулятор возбуждения..50
- Микропроцессорный автоматический синхронизатор………….54
- Научно-исследовательская работа…………………………………...57
- Экономическая часть………………………………………………....66
- Безопасность жизнедеятельности……………………………………71
Заключение………………………………………………………………79
Библиографический список……………………………………………..80
Введение
Целью работы является разработка принципиальной схемы электростанции на основании исходных данных и проектирование релейной защиты блока генератор-трансформатор на микропроцессорной базе.
При проектировании и эксплуатации любой электроэнергетической системы приходится считаться с возможностью возникновения в ней повреждений и ненормальных режимов работы. Наиболее распространенными и в то же время наиболее опасными видами повреждений в них являются короткие замыкания (КЗ). Одним из основных видов ненормальных режимов работы являются перегрузки.
Повреждения и ненормальные режимы работы могут приводить к возникновению в системе аварий. Первопричины возникновения аварий бывают весьма разнообразными, но в большинстве своем являются результатом своевременно не обнаруженных и не устраненных дефектов оборудования, не удовлетворительных проектирования, монтажа и эксплуатации. Предотвращение возникновения аварий или их развития при повреждениях в электрической части энергосистемы час- то может быть обеспечено путем быстрого отключения поврежденного элемента. Поэтому электрические установки снабжаются автоматически действующими устройствами релейной защитой или предохранителями, осуществляющими их защиту от КЗ.
Основным назначением релейной защиты является автоматическое отключение поврежденного элемента от остальной, неповрежденной части системы при помощи выключателей. Таким образом, она является одним из видов автоматики систем. Важность этого типа автоматики определяется тем, что без нее вообще невозможна бесперебойная работа электроэнергетических установок.
Дополнительным, вторым назначением релейной защиты является то, что она должна реагировать на опасные ненормальные режимы работы элементов. В зависимости от их вида и условий эксплуатации установки защита действует на сигнал или отключении тех элементов, оставлять которые в работе нежелательно, так как это может привести к возникновению повреждения или аварии.
Бесперебойная работа электроэнергетических систем обеспечивается также применением ряда других автоматических устройств: автоматического повторного включения АПВ, автоматической частотной разгрузки АВР, устройств форсировки возбуждения синхронных машин и других источников реактивной мощности и специальных устройств противоаварийной автоматики. Работа многих из этих устройств тесно связана с работой релейной защиты.
Основной задачей построения релейной защиты энергоблоков является обеспечение ее эффективного функционирования по возможности при любых видах повреждений, предотвращение развития повреждений и значительных разрушений защищаемого оборудования, а также предотвращение нарушений устойчивости в энергосистеме.
Для этого устройства релейной защиты должны обладать необходимыми для них свойствами: быстродействие, чувствительность, селективность и надежность.
Для достижения требуемой эффективности функционирования защиты энергоблоков необходимо выполнение следующих условий:
- основные защиты от внутренних КЗ должны обеспечивать быстрое отключение повреждений любого элемента блока;
- резервные защиты энергоблока также должны охватывать все его элементы и должны обеспечивать ближнее и дальнее резервирование соответственно основных защит блока и защит прилежащей сети;
- повреждения, не сопровождающиеся КЗ и не отражающиеся на работе энергоблока, также должны по возможности быстро отключаться, если их развитие может привести к значительным разрушениям оборудования;
- анормальные режимы должны автоматически ликвидироваться защитой, если они недопустимы для оборудования или энергосистемы;
- действие устройств релейной защиты должно быть увязано с технологическими защитами и автоматикой блока.
Использование в устройствах автоматического управления современной микропроцессорной элементной базы обеспечивает высокую точность измерений и постоянство характеристик, что позволяет существенно повысить чувствительность и быстродействие защит, а также уменьшить ступени селективности. Алгоритмы функций защиты и автоматики, а также интерфейсы для внешних соединений устройства разработаны по техническим требованиям к отечественным системам РЗА, что обеспечивает совместимость с действующими устройствами и облегчает эксплуатационному персоналу переход на новую технику.
Наличие функций непрерывного самоконтроля и диагностики обеспечивает высокую готовность защиты при наличии требования к срабатыванию, а использование высокоинтегрированных и высоконадежных микросхем повышенную надежность аппаратной части защиты.
1. Разработка принципиальной электрической
схемы станции.
- Выбор основного оборудования.
Выбор генераторов и силовых трансформаторов.
Мощность применяемых генераторов и трансформаторов определена исходными данными и составляет 200 МВт и 250 МВА соответственно.
Из справочных материалов [1] принимается генератор типа ТВВ2002 и трансформатор типа ТДЦ250000/220.
Параметры турбогенератора:
коэффициент мощности;
Мвар реактивная мощность;
кВ номинальное напряжение;
продольное сверхпереходное реактивное сопротивление.
Параметры трансформатора:
Номинальное напряжение обмоток: ВН = 242 кВ; НН = 15,75 кВ.
Uк = 11% напряжение короткого замыкания.
Выбор трансформатора собственных нужд (ТСН).
Мощность ТСН выбирается в соответствии с нагрузками в различных режимах работы подстанции. При отсутствии данных для подробного подсчета нагрузки собственных нужд (СН), мощность ТСН принимается равной 10% от мощности турбогенератора.
Для электроснабжения СН принимается ТСН типа ТРДНС 25000/15.
Параметры трансформатора:
Номинальное напряжение обмоток: ВН = 242 кВ; НН = 15,75 кВ.
Uк = 15% напряжение короткого замыкания.
1.2. Выбор распределительного устройства (РУ) 220 кВ.
На стороне ВН применяем схему РУ с двумя рабочими и одной обходной системами шин. При числе присоединений 11 и меньше системы шин не секционируются [2, c.416].

Рис.1.1. Схема с двумя рабочими и одной обходной системами шин.
1.3. Выбор проводов линий электропередач (ЛЭП).
Сечение проводов выбираются по:
- длительному допустимому току ;
- экономической плотности тока (для европейской части 1,1);
- по допустимым потерям и отклонениям напряжения .
Перетоки активной мощности по проводам ЛЭП определены исходными данными и составляют 185 МВт.
Определим полную мощность:
;
.
ЛЭП двухцепная, поэтому перетоки полной мощности для одной цепи составят:
.
Рабочий максимальный ток в линии:
,
где коэффициент, учитывающий изменение нагрузки по годам эксплуатации линии, для 110-220 кВ принимается равным 1,05; коэффициент, учитывающий число часов максимальной нагрузки линии .
Выбор сечений проводов производится по табл. 7.12 [1], а их сопротивления находим по табл. 7.5 и 7.6 [1].
Выбираем сталеалюминевые провода АС240/32:
удельное активное сопротивление;
удельное реактивное сопротивление.
Выбранные провода удовлетворяют требованиям:
1) , по данным института «энергосетьпроект» допустимые длительные токовые нагрузки для АС240/32: ;
2) ;
3) ;
(6,45 %).
1.4. Расчет токов короткого замыкания.
Для вычисления токов короткого КЗ необходимо составить схемы замещения прямой и нулевой последовательностей. Схема нулевой последовательности определяется соединением обмоток участвующих трансформаторов. Трансформаторы Т1, Т2, Т3 имеют соединение обмоток . Вся сеть, которая присоединена со стороны треугольника в схему нулевой последовательности не входит [3, c.222].

Рис. 1.1. Схема замещения прямой последовательности.

Рис. 1.2. Схема замещения нулевой последовательности.
1.4.1. Расчет сопротивлений элементов схем замещения
Найдем сопротивления элементов системы при :
Сопротивления систем в максимальном режиме:
;
;
.
Сопротивления нулевой последовательности систем:
;
;
.
Сопротивления воздушных линий:
;
;
.
Сопротивление нулевой последовательности двухцепных линий несколько больше, чем одноцепных, вследствие индуктивного влияния токов нулевой последовательности, протекающих в проводах соседней цепи. При этом параллельная цепь не обязательно должна находиться на одной опоре с рассматриваемой линией. Для двухцепных линий без заземленных тросов [2, c.160]:
;
;
.
Сопротивления трансформаторов:
.
Сопротивление нулевой последовательности трансформатора равно сопротивлению прямой последовательности.
Сопротивления генераторов:
.
Для упрощения схемы заменим три ветви системы одной эквивалентной.
Эквивалентное сопротивление системы 1 и линий 1,2:
;
.
Эквивалентное сопротивление системы 2 и линий 3,4:
;
.
Эквивалентное сопротивление системы 3 и линий 5,6:
;
.
Эквивалентное сопротивление системы:
Эквивалентное ЭДС системы:
.
1.4.2. Расчет токов КЗ.
В точке короткого замыкания К-1 (на шинах РУ), схема 1:

Приведение параметров элементов и ЭДС различных ступеней напряжения к основной ступени (ступень II):

Приведенные ЭДС генераторов:
.
Приведенные сопротивления генераторов:
.
Найдем эквивалентное сопротивление ветвей генераторов:
;
Эквивалентное ЭДС генераторов:
.
Найдем периодическую составляющую тока трехфазного короткого замыкания в точке К-1:

.
Найдем периодическую составляющую тока двухфазного короткого замыкания в точке К-1:
.
Найдем периодическую составляющую тока однофазного короткого замыкания в точке К-1:
Найдем периодическую составляющую тока двухфазного короткого замыкания на землю в точке К-1:
В точке К-2 (на шинах генератора), схема 2:

Приведение параметров элементов и ЭДС различных ступеней напряжения к основной ступени (ступень III):

Приведенные ЭДС генераторов 2 и 3:
.
Приведенные сопротивления генераторов 2 и 3:
.
Приведенные сопротивления трансформаторов 2 и 3:
.
Приведенное эквивалентное ЭДС системы:
.
Приведенное эквивалентное сопротивление системы:
.
Найдем эквивалентное сопротивление ветвей генераторов 2 и 3:
;
Эквивалентное ЭДС генераторов 2 и 3:
.
Найдем эквивалентное ЭДС и :
Найдем эквивалентное сопротивление и :
;
Найдем эквивалентное сопротивление:
;
Найдем периодическую составляющую тока трехфазного короткого замыкания в точке К-2:

.
Найдем периодическую составляющую тока двухфазного короткого замыкания в точке К-2:
.
Окончательные значения токов короткого замыкания сведены в таблицу №1.
Таблица №1.
|
Точки КЗ |
Токи трехфазного КЗ, (кА) |
Токи двухфазного КЗ, (кА) |
Токи двухфазного КЗ на землю, (кА) |
Токи однофазного КЗ, (кА) |
|
К-1 |
20,83 |
18,04 |
14,73 |
14,37 |
|
К-2 |
110,7 |
95,87 |
|
|
На основании полученных значений токов КЗ (по наибольшему значению) производим выбор вспомогательного оборудования и коммутационной аппаратуры.
1.5. Выбор вспомогательного оборудования и коммутационной аппаратуры.
Номинальный ток на стороне низкого напряжения (НН):
,
где ;
Номинальный ток на стороне высокого напряжения (ВН):
;
Выбор вспомогательного оборудования и коммутационной аппаратуры напряжением 110 кВ и выше осуществляется по полному (суммарному) току КЗ , в других случаях по действительному значению [4, c.249]:
В точке К-1: ;
В точке К-2: .
Выбор выключателей.
Выключатель это аппарат, предназначенный для отключения и включения цепей высокого напряжения в нормальных и аварийных режимах.
Выключатель является основным коммутационным аппаратом в электрических установках.
Выключатели выбираются по:
- напряжению установки ;
- длительному току ;
- отключающей способности:
а) на симметричные токи отключения ,
где действующее значение периодической составляющей тока КЗ;
б) отключение апериодической составляющей ,
где апериодическая составляющая тока КЗ;
в) по включающей способности ,;
г) проверка по электродинамической стойкости ,,
где , предельный сквозной ток КЗ (амплитуда и действительное значение);
д) проверка на термическую стойкость ,
где предельный ток термической стойкости; длительность протекания предельного тока термической стойкости; тепловой импульс, .
Выключатель ВГМ2090/11200У3 предназначен для работы в цепях генераторов трехфазного переменного тока с номинальным напряжением до 20 кВ с частотой 50 Гц.
На стороне 220кВ выбираются элегазовые баковые выключатели типа ВГУ220II50/3150У1.
Выбор разъединителей.
Разъединитель это контактный коммутационный аппарат, предназначенный для отключения и включения электрической цепи без тока или с незначительным током, который для обеспечения безопасности имеет между контактами в отключенном положении изоляционный промежуток.
Разъединители выбираются по:
- напряжению установки ;
- длительному току ;
- конструкции, роду установки;
- электродинамической стойкости ,;
- термической стойкости .
На стороне 220кВ выбираются разъединители типа РДЗ2220/2000НУ3Л1, на стороне 15 кВ РВПЗ220/12500НУ3.
Выбор трансформатора тока (ТТ).
ТТ предназначен для уменьшения первичного тока до значений, наиболее удобных для измерительных приборов и реле, а также для отделения цепей измерения и защиты от первичных цепей высокого напряжения.
ТТ выбираются по:
- напряжению установки ;
- длительному току ;
- конструкции, роду установки;
- электродинамической стойкости ,
где кратность электродинамической стойкости; номинальный первичный ток ТТ;
- термической стойкости ,
где кратность термической стойкости;
- по вторичной нагрузке .
Если выбранный ТТ удовлетворяет первым трем требованиям, но не подходит по термической и динамической стойкостям, то необходимо либо взять ТТ на больший первичный номинальный ток, либо перейти на другой тип ТТ, имеющий более высокую стойкость к токам короткого замыкания. В первом случае увеличится погрешность в номинальном режиме.
Трансформатор ТДЦ снабжен на каждом вводе ВН двумя ТТ ТВТ220 с коэффициентом трансформации 2000/5 А; на вводе нейтрали двумя ТТ ТВТ110 с коэффициентом трансформации 600/5 А.
ТТ серии ТФЗМ наружной установки применяется в открытых РУ.
ТТ ТШ20 внутренней установки предназначен для передачи сигнала измеренной информации устройствам защиты, управления и измерительным приборам при использовании в токопроводах генераторных РУ на напряжение до 20 кВ.
Выбор трансформаторов напряжения (ТН).
ТН предназначен для понижения высокого напряжения до стандартной величины 100 или и для отделения цепей измерения и релейной защиты от первичных цепей ВН.
Трансформатор напряжения выбирается:
- напряжению установки ;
- длительному току ;
- конструкции, по классу точности и схеме соединения обмоток;
- вторичной нагрузке ,
где - нагрузка всех измерительных приборов и реле, присоединенных к ТН, .
Выбираются ТН на стороне 220кВ НКФМ220IIУ1, на стороне 15кВ ЗНОЛ.0615У3.
Трансформаторы напряжения серии ЗНОЛ.06 предназначены для питания цепей измерения, автоматики, сигнализации и защиты и устанавливаются в комплектных распределительных устройствах внутренней установки (КРУ) и в токопроводах турбогенераторов.
2. Проектирование релейной защиты блока
генератор-трансформатор
Цифровая защита генератора НПП «ЭКРА» предназначена для защиты генераторов, в том числе и работающих на сборные шины мощностью до 100 МВт, трансформаторов и блоков генератор-трансформатор малой, средней и большой мощности до 800 МВт.
Могут задаваться следующие основные параметры:
-привязка аналоговых входов защитных функций к датчикам тока и напряжения терминала;
-уставки срабатывания защитных функций;
-логика действия.
Обеспечивается возможность логического преобразования дискретных сигналов:
-комбинирование любых дискретных сигналов для выполнения логических функций “ИЛИ”, “И”, “Запрет”, выдержки времени, триггера, счетчика;
-блокировка каждой защитной функции от любого другого сигнала;
-подключение выхода любой защитной или логической функции к выходным реле и светодиодным индикаторам через программируемую матрицу.
Через встроенную клавиатуру и дисплей возможно менять уставки защит, выдержки времени и “матрицу отключения”.
Наличие двух последовательных стандартных каналов передачи данных (два порта RS-232) обеспечивает возможность передачи информации о состоянии терминала в систему верхнего уровня, в том числе и данных о регистрации анормальных режимов (осциллографирование).
Терминал оборудован системой автоматического тестового контроля, служащей для проверки работоспособности основных узлов и блоков.
Все уставки защитных функций указываются в относительных единицах по отношению к базовым величинам тока и напряжения. При этом за базовую величину тока IN и напряжения UN защитной функции принимается вторичный номинальный ток или напряжение защищаемого присоединения.
При использовании высоковольтных измерительных трансформаторов тока в цепях выпрямительного трансформатора, трансформатора собственных нужд и т.д., когда они могут участвовать в защитах двух и более присоединений (например, дифференциальная защита блочного трансформатора и трансформатора собственных нужд), соответственно получается несколько базовых токов. В этом случае за базовый ток аналогового канала цифрового терминала принимается базовый ток защищаемого объекта, т.е. токи генератора в нейтрали и на выводах, трансформатора блока со стороны высокого напряжения, трансформатора собственных нужд с высокой и низкой стороны и т.д. При этом в защитную функцию вводится согласующий коэффициент по соответствующему присоединению.
Система защиты выполняется в виде двух взаиморезервируемых автономных подсистем (1 и 2 комплекты защит), расположенных в одном шкафу (ШЭ1110 или ШЭ1113) или в двух шкафах (ШЭ1111 и ШЭ1112). Состав системы защиты определяется требованиями Правил устройства электроустановок и других действующих нормативно-технических документов. Как правило, комплекты по составу защит должны быть одинаковы. Комплект защит конструктивно выполняется на базе одно-, двух- или трехкассетного микропроцессорного цифрового терминала.
Для каждого комплекта предусматриваются индивидуальные измерительные трансформаторы, отдельные цепи по постоянному оперативному току, отдельные входные и выходные цепи, а также цепи сигнализации. Цепи напряжения шкафов, включенные на выход измерительных трансформаторов напряжения (Y/А), имеют устройство контроля исправности цепей напряжения переменного тока (КИН). В системе защиты предусмотрена возможность вывода из работы одного из комплектов при сохранении полной работоспособности оставшегося комплекта. В шкафах предусмотрена возможность вывода из работы любой из защит и одновременно всех защит шкафа.
Шкаф ШЭ1110 образует систему защиты с двумя взаиморезервируемыми автономными комплектами защит на базе двух однокассетных терминалов или одного двухкассетного терминала. В случае если требуемый состав защит, входных и выходных цепей конструктивно можно разместить в однокассетном терминале, выбирается двухкомплектный вариант шкафа ШЭ1110. В противном случае шкаф ШЭ1110 будет состоять из одного комплекта на базе двухкассетного терминала, а система защиты - из двух шкафов типа ШЭ1110. Предназначен для защиты генераторов и трансформаторов малой и средней мощности.
Шкаф ШЭ1113 состоит из двух взаиморезервируемых автономных комплектов, которые могут быть одинаковыми (полное резервирование) или незначительно отличаться друг от друга. Предназначен для защиты генераторов и трансформаторов средней и большой мощности, а также блоков генератор-трансформатор небольшой мощности.
Шкафы ШЭ1111, ШЭ1112 состоят из одного комплекта защит на базе трехкассетного терминала и могут незначительно отличаться друг от друга по составу защит, входным и выходным цепям. В случае если полный состав требуемых защит конструктивно можно разместить в одном шкафу, система защиты может состоять из двух одинаковых шкафов типа ШЭ1111. Предназначены для защит блоков генератор-трансформатор средней и большой мощности.
Система защиты состоит из двух независимых и дублирующих друг друга подсистем (комплектов) защит. Каждая подсистема независима по цепям оперативного постоянного тока, входным и выходным цепям, цепям сигнализации и контроля.
Каждая подсистема содержит блоки питания, логические схемы выходных цепей, сигнализации, контроля и диагностики.
Для обеспечения адаптации системы защиты к условиям работы конкретного энергетического объекта предусмотрена возможность действия выходов защит каждой подсистемы на любое выходное реле этой же подсистемы защит с помощью программируемой «матрицы». Предусмотрена возможность изменения «матрицы» путем ввода информации через встроенную клавиатуру в блоке процессора. Каждая подсистема оборудована системой самодиагностики.
Для защиты заданного блока генератор-трансформатор мы выбираем два одинаковых шкафа ШЭ1111.
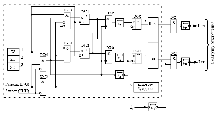
2.1. Продольная дифференциальная защита генератора (IG).
Назначение - защита от междуфазных повреждений в обмотке статора генератора и на его выводах, а также от двойных замыканий на землю в цепях генераторного напряжения.
Защита выполняется трехфазной и подключается к двум группам трансформаторов тока (ТТ). В защите предусмотрено подключение к третьей группе для ввода тока цепи выпрямительного трансформатора системы тиристорного самовозбуждения, если этот трансформатор подключен к выводам генератора. В такой схеме не требуется выполнять специальное согласование действия защиты с работой предохранителей в системе возбуждения.
Начальный ток срабатывания, IСР,0 определяет чувствительность защиты при малых тормозных токах. Величина IСР,0 выбирается с учетом возможности отстройки защиты от тока небаланса в номинальном режиме:
,
где - относительная погрешность ТТ, = 0,1; КОДН - коэффициент однотипности ТТ, КОДН = 0,5 (при разнотипных ТТ КОДН=1), - вторичный номинальный ток генератора:
,
Уставка выбирается из условия:
,
где КН - коэффициент надежности, равный 2,0.
Принимается уставка:
Коэффициент торможения, КТ определяет чувствительность защиты к повреждениям при протекании тока нагрузки или качаниях и асинхронном ходе. Величина Кт выбирается с учетом отстройки защиты от токов небаланса, вызванных погрешностями трансформаторов тока при сквозных КЗ. Максимальный ток небаланса при внешнем трехфазном КЗ или асинхронном ходе:
;
,
где КАП - коэффициент, учитывающий наличие апериодической составляющей тока, КАП = 2; IMAKС - максимальный ток через ТТ при внешнем трехфазном КЗ в цепи генераторного напряжения: .
Коэффициент торможения выбирается из условия:
;
,
где, .
Типовое значение уставки КТ =0,5. Более высокие значения (КТ > 0,5) выбираются в случае резко различных условий работы ТТ при внешних КЗ (различных типов ТТ или разных нагрузок).
Принимаем типовое значение: КТ =0,5.
Тормозной ток, В определяет точку излома характеристики срабатывания. На наклонном отрезке характеристики обеспечивается устойчивость функционирования защиты при сквозных КЗ с насыщением ТТ (при тормозном токе более В). При выборе В должно выполняться условие:
;
.
Принято: .
Дифференциальный ток отсечки, IОТС обеспечивает быстрое и надежное срабатывание защиты при внутренних КЗ с большими токами, когда возможно насыщение высоковольтных ТТ при значении полной погрешности ТТ до 50%.
Ток отсечки выбирается из условий:
,
где ; kнб(1) отношение амплитуды первой гармоники тока небаланса к приведенной амплитуде периодической составляющей тока внешнего КЗ. Если используются ТТ с вторичным номинальным током 5А, можно принимать kнб(1) = 0,7. Коэффициент отстройки kотс принимается равным 1,2.
Принимается уставка:
Амплитудная коррекция K1, К2. определяет амплитудную коррекцию входных токов для согласования базовых токов аналоговых каналов цифрового терминала с базовыми токами защитной функции (IG).
.
Чувствительность дифференциальной защиты проверяется на холостом ходу генератора при отсутствии торможения по току двухфазного КЗ на выводах генератора в минимальном режиме работы системы при малом тормозном токе по горизонтальному участку тормозной характеристики (при внешних КЗ):
.
Защита выдает сигналы для действия на табло «Срабатывание», «Отсечка» и действует на отключение генераторного выключателя, гашение поля генератора и возбудителя и пуск УРОВ генераторного выключателя, останов турбины.

Рис.2.1. Структурная схема дифференциальной защиты генератора (трансформатора).
- Дифференциальная защита трансформатора (IT).
Назначение - защита от внутренних повреждений двух или трехобмоточного трансформатора (блочного трансформатора или трансформатора собственных нужд), КЗ на его выводах, а также блока генератор-трансформатор.
Защита выполняется трехрелейной и включается на токи трех фаз, подключается к двум или трем группам трансформаторов тока.
Защита блочного трансформатора подключается к трансформаторам тока на стороне высшего напряжения соответственно блочного трансформатора и трансформатора собственных нужд, а также трансформаторам тока в цепи генератора.
Начальный ток срабатывания, iср,0 определяет чувствительность защиты при малых тормозных токах и выбирается с учетом: погрешностей ТТ; тока холостого хода ТН при повышенном напряжении системы; изменения напряжения от РПН.
,
где - относительная погрешность ТТ, = 0,1; КОДН - коэффициент однотипности ТТ, при разнотипных ТТ КОДН=1; - погрешность выравнивания номинальных токов, =0,05; INT вторичный номинальный ток трансформатора блока:
.
Уставка выбирается из условия:
.
Принимается уставка =0,3.
Коэффициент торможения, КТ определяет чувствительность защиты к повреждениям при протекании тока нагрузки или качаниях и асинхронном ходе. Величина КТ выбирается с учетом отстройки защиты от токов небаланса, вызванных погрешностями ТТ при сквозных КЗ. Величина КТ определяется условием отстройки от расчетного минимального тока небаланса при внешнем КЗ:
,
где КАП - коэффициент, учитывающий наличие апериодической составляющей тока, КАП =2; - погрешность выравнивания номинальных токов, =0,05; Imakc - максимальный ток при внешних КЗ: .
Коэффициент торможения определяется из условия:
,
где
Принято: КТ =0,5.
Тормозной ток, В определяет точку излома характеристики срабатывания. На наклонном участке характеристики обеспечивается устойчивость функционирования защиты при сквозных КЗ с насыщением ТТ (при тормоз-ном токе более В). При выборе В должно выполняться условие:
;
.
Принято: .
Дифференциальный ток отсечки, iотс (обеспечивает быстрое и надежное срабатывание защиты при внутренних КЗ и больших токах, когда возможно насыщение высоковольтных ТТ при значении полной погрешности ТТ до 50 %).
,
где kнб(1) отношение амплитуды первой гармоники тока небаланса к приведенной амплитуде периодической составляющей тока внешнего КЗ. Если на стороне ВН и стороне НН используются ТТ с вторичным номинальным током 5А, можно принимать kнб(1)=0,7; коэффициент отстройки kотс принимается равным 1,2.
Принимается уставка:
Уставка iотс должна быть отстроена от броска тока намагничивания.
Бросок тока намагничивания обнаруживается по соотношению второй гармонической составляющей к основной гармонической составляющей (это соотношение принимается 10 %).
Действие функции обнаружения броска тока намагничивания ТН длится в течении времени включения IВКЛ. При действии функции обнаружения броска тока намагничивания начальный ток срабатывания принимает значение IСР ВКЛ. Рекомендуемая уставка IСР.ВКЛ 0,8.
Амплитудная коррекция K1, К2 определяет амплитудную коррекцию входных токов для согласования базовых токов аналоговых каналов цифрового терминала с базовыми токами защитной функции (IT).
;
.
Чувствительность дифференциальной защиты проверяется на холостом ходу генератора при отсутствии торможения по току двухфазного КЗ на выводах генератора в минимальном режиме работы системы при малом тормозном токе по горизонтальному участку тормозной характеристики (при внешних КЗ):
.
Защита выдает сигналы для действия на табло «Срабатывание», «Отсечка» и действует на отключение выключателей со стороны ВН и со стороны НН и пуск пожаротушения, гашение поля генератора и возбудителя, останов турбины.
- . Максимальная токовая защита трансформатора (IТ >).
Назначение МТЗ блочного трансформатора с отстройкой от броска тока намагничивания (резервная защита блочного трансформатора).
Ток срабатывания МТЗ трансформатора блока выбирается по условию отстройки от броска тока намагничивания согласно выражению:
.
Ток отсечки трансформатора блока выбирается по условию:
.
Уставка срабатывания МТЗ принимается равной 1,26.
Уставка отсечки принимается равной 4,14.
Защита выдает сигналы для действия на табло «Срабатывание», «Отсечка» и действует на отключение выключателей со стороны ВН и со стороны НН и пуск пожаротушения, гашение поля генератора и возбудителя, останов турбины.

Рис.2.2. Структурная схема максимальной токовой защиты трансформатора.
2.4. Токовая защита обратной последовательности (I2>).
Назначение - резервная защита от внешних несимметричных повреждений, защита генератора от несимметричных перегрузок.
Защита реагирует на относительный ток обратной последовательности (I2*). Содержит следующие функциональные органы:
сигнальный орган (I2СИГН), срабатывающий с независимой выдержкой времени при увеличении тока I2* выше значения уставки срабатывания органа;
пусковой орган (I2ПУСК), срабатывающий без выдержки времени при увеличении тока I2* выше значения уставки срабатывания органа и осуществляющий пуск интегрального органа;
орган токовой отсечки (I2ОТС), срабатывающий с независимой выдержкой времени при увеличении тока I2* выше значения уставки срабатывания органа;
интегральный орган (ИО), срабатывающий с зависимой от тока I2* выдержкой времени, определяемой уравнением.
,
где tСРАБ время срабатывания интегрального органа при воздействии тока I2*, с;
А постоянная величина, являющаяся характеристической величиной генератора, числено равная допустимой длительности несимметричного режима при I2* = 1,0 (по данным завода изготовителя);
I2* относительный ток обратной последовательности, равный:
,
где I'2 ток обратной последовательности в первичной цепи генератора; I'N номинальный ток генератора в первичной цепи.
Коэффициент возврата I2СИГН, I2пуск и I2ОТС не ниже 0,95.
ИО имитирует процесс охлаждения ротора генератора после устранения перегрузки по экспоненциальному закону.
При этом промежуток времени, за который перегрев ротора генератора снижается от максимально допустимой величины до 0,135 от этой величины, условно называется временем "полного охлаждения" (tОХЛ).
Ток срабатывания органа отсечки:
,
где .
Принято: .
Выдержка времени отсечки принимается по условию согласования с быстродействующими защитами блока равной 0,3 с.
Ток срабатывания сигнального органа принимается равным: .
Ток срабатывания пускового органа выбирается по условиям надёжного пуска интегрального органа: .
Уставка по постоянной А принимается равной номинальному значению этой постоянной для данного типа генераторов А = 8.
Максимальное время срабатывания соответствует допустимой длительности перегрузки током обратной последовательности:
.
Минимальное время срабатывания соответствует максимально допустимой кратности тока обратной последовательности:
,
где .
Уставка по времени полного охлаждения определяется из условия снижения перегрева обмотки статора генератора от максимально допустимой величины до 0,135 от этой величины:
с.
Принимаем уставку по времени полного охлаждения равной .

Рис.2.3. Характеристика срабатывания защиты от несимметричных перегрузок
Защита выдает сигнал для действия на звуковую сигнализацию и действует на отключение генераторного выключателя.

Рис.2.4. Структурная схема защиты от перегрузок ()
2.5. Защита от повышения напряжения генератора (UG >)
Назначение предотвращение недопустимого повышения напряжения на генераторе в режиме холостого хода или сброса напряжения.
Защита содержит следующие органы:
1) Орган максимального напряжения (имеет коэффициент возврата 0,97):
;
2) Орган контроля отсутствия тока в одной или двух цепях первичной схемы (в цепи генератора или в цепи генератора и в цепи обмотки высокого напряжения трансформатора блока):
.
По цепям напряжения защита подключается к трансформатору напряжения у выводов генератора на линейное напряжение. Срабатывание защиты происходит при срабатывании органа напряжения. Ввод защиты в действие осуществляется при возврате любого из органов тока. При работе генератора на нагрузку защита автоматически выводится из действия блокирующим реле.
Защита от повышения напряжения на энергоблоках с турбогенераторами должна автоматически вводиться в работу только в режиме холостого хода энергоблока и действовать лишь на гашение поля генератора.
2.6. Защита от симметричных перегрузок (I1)
Назначение - защита от перегрузок статора генератора.
Защита реагирует на относительный ток статора фазы с максимальным значением тока в трехфазном режиме (I*) и содержит следующие функциональные органы:
сигнальный орган (IСИГН) срабатывающий с независимой выдержкой времени (69 с) при увеличении тока I* выше значения уставки срабатывания органа:
пусковой орган (IПУСК), срабатывающий без выдержки времени при увеличении тока I* выше значения уставки срабатывания органа и осуществляющий пуск интегрального органа;
орган токовой отсечки (IОТС), срабатывающий с независимой выдержкой времени при увеличении тока I* выше значения уставки срабатывания органа;
интегральный орган (ИО), срабатывающий с зависимой от тока I* выдержкой времени, определяемой уравнением:
,
где I* - относительный ток статора, равный:
,
где I'СТ и I'NГ - ток фазы генератора с максимальным значением тока в трехфазном режиме и номинальный ток генератора соответственно в первичной цепи генератора; В и С - постоянные коэффициенты, величина которых определяется с целью наилучшего приближения к перегрузочной характеристике генератора, заданной в табличной форме.
Коэффициент возврата IСИГН, IПУСК, Iotc не ниже 0,98.
Интегральный орган защиты имитирует процесс охлаждения генератора после устранения перегрузки по экспоненциальному закону. При этом промежуток времени, за который перегрев обмотки статора генератора снижается от максимально допустимой величины до 0,135 от этой величины, условно называется временем "полного охлаждения" (tОХЛ).
Защита выдает сигнал для действия на звуковую сигнализацию и действует на отключение генераторного выключателя.
2.7. Защита ротора от перегрузок (IP).
Назначение - защита от перегрузок ротора генератора при наличии измерительных трансформаторов тока в системе возбуждения (IP).
Защита реагирует на относительный ток ротора (IР*) и содержит следующие функциональные органы:
преобразователь тока или преобразователь тока и напряжения статора в сигнал, пропорциональный току ротора (в дальнейшем именуемый "преобразователь тока ротора");
сигнальный орган (IСИГН), срабатывающий с независимой выдержкой времени при увеличении тока IР* выше значения уставки срабатывания органа:
пусковой орган (IПУСК), срабатывающий без выдержки времени при увеличении тока IР* выше значения уставки органа и осуществляющий пуск интегрального органа;
орган токовой отсечки (IОТС), срабатывающий с независимой выдержкой времени при увеличении тока 1р* выше значения уставки срабатывания органа;
интегральный орган (ИО), срабатывающий с зависимой от тока IР* выдержкой времени, определяемой уравнением:
,
где ip* - относительный ток статора, равный:
,
где IР и i'nP - ток ротора и номинальный ток ротора соответственно в первичной цепи ротора генератора; В и С - постоянные коэффициенты, величина которых определяется с целью наилучшего приближения к перегрузочной характеристике генератора, заданной в табличной форме.
Для обеспечения правильного измерения тока ротора как в симметричном, так и в несимметричном режиме работы системы возбуждения орган преобразователя тока выполняется трехфазным и его выходной сигнал пропорционален среднему значению суммы выпрямленных токов трех фаз (а также величине IР*). Коэффициент возврата IСИГН, IПУСК, iotc не ниже 0,98.
Минимальное время срабатывания интегрального органа соответствует относительному току фазы с кратностью 2,0.
Защита выдает сигнал для действия на звуковую сигнализацию и действует на отключение генераторного выключателя.
2.8. Дистанционная защита (Z<).
Назначение - резервная защита от междуфазных повреждений.
Защита выполняется одно- или трехрелейной, выполняется на основе дистанционных органов (Z) и подключается к измерительным трансформаторам на линейные напряжения и токи.
Защита блокируется при неисправностях в цепях напряжения, выявляемых устройством КИН и срабатывании защиты Ф<.
Уставка по сопротивлению смещения основной функции на угле максимальной чувствительности («-» соответствует отрыву характеристики срабатывания от начала соответствует отрыву координат комплексной плоскости, а «+» соответствует охвату начала координат). Уставка по углу максимальной чувствительности основной функции принимает значение от 0 до 360° с шагом 1°.
Функция Z< отличает повреждение от качаний в энергосистеме по скорости относительного изменения полного сопротивления на входе органа минимального сопротивления и используется для блокировки защит с малыми временами действия на отключение (менее 1,0 сек).

Рис.2.5. Структурная схема защиты Z<.
2.9. Устройства контроля исправности цепей напряжения переменного тока (КИН).
Назначение - контроль исправности цепей напряжения переменного тока измерительных трансформаторов напряжения с вторичными обмотками, соединенными в "звезду" (с линейным напряжением uhоm =100 В) и в "треугольник" (с максимальным напряжением на выходе разомкнутого треугольника 100 В или 33 В - для сетей с изолированной нейтралью).
Устройство КИН подключается к вторичным обмоткам измерительного трансформатора напряжения, соединенным в «звезду» (напряжения AN, BN, CN) и в «треугольник» (напряжения НИ, НК). При этом в нормальном режиме в датчике устройства КИН м.д.с от токов, пропорциональных напряжениям фаз "звезды" (с выделенной фазой AN), уравновешены м.д.с. от тока, пропорционального напряжению НИ, а при внешних КЗ и м.д.с. от тока, пропорционального напряжению НК.
Устройство КИН не работает в нормальных симметричных режимах, а также при внешних несимметричных КЗ и реагирует на обрыв одной, двух либо трех фаз или нулевого провода в цепях напряжения переменного тока, соединенных в звезду.
В качестве датчика устройство содержит трехобмоточный трансформатор с двумя первичными обмотками, которые подключаются к цепям напряжения измерительных трансформаторов (ТН) через добавочные резисторы (рис.2.6).
Сопротивление резистора RA выбрано в два раза меньше, чем сопротивление одинаковых резисторов RB и rc. Поэтому при симметрии напряжений ua, ub, UС (pис.2.6, б) токи в этих сопротивлениях не одинаковы, что и показано на векторной диаграмме (рис.2.6, в). В условиях нормального режима работы при исправных вторичных цепях ТН совпадающие по фазе, но встречно направленные в первичных обмотках промежуточного трансформатора КИН токи I0 и Iад, создают в его сердечнике уравновешивающиеся м.д.с. При любых нарушениях симметрии напряжений со стороны первичных обмоток промежуточного трансформатора КИН м.д.с. будут также уравновешиваться. При обрыве одной, двух фаз в цепи напряжения или нулевого провода нарушается равновесие м.д.с. в сердечнике промежуточного трансформатора устройства и на выходе вторичной обмотки появляется напряжение, поступающее в АЦП.

Рис. 2.6. Структурная схема датчика устройства КИН (а) и его векторная диаграмма (б, в).
2.10. Фильтровые измерительные органы.
Назначение - резервная защита нулевой последовательности от КЗ на землю по току, I0 (по напряжению U0); поперечная дифференциальная защита генератора, I>.
Защита I> реагирует на ток между нейтралями параллельных ветвей обмотки статора, соединенных в "звезду":
.
Токовая защита нулевой последовательности (I0) подключается к трансформатору тока, встроенному во ввод нейтрали обмотки напряжения трансформатора.
Для режима работы блока с незаземленной нейтралью блочного трансформатора предусматривается защита напряжения нулевой последовательности (U0) с контролем отсутствия тока в нейтрали.
2.11. Защита генератора от асинхронного режима.
2.11.1. Защита от потери возбуждения, Ф<.
Назначение - защита турбогенераторов от потери возбуждения.
Защита выполняется на основе органа (Z) и подключается к измерительным трансформаторам, установленным в цепи генератора, и включается на междуфазное напряжение и соответствующую разность фазных токов. Защита вводится в работу при включении генератора в сеть.
Защита содержит два канала срабатывания: основной и дополнительный.
Срабатывание защиты по основному каналу обеспечивается при попадании годографа сопротивления на зажимах генератора в область срабатывания органа Z. По основному каналу защита действует через выдержку времени (0,5 - 1,0) с.
Срабатывание защиты по дополнительному каналу обеспечивается при потере возбуждения и асинхронном ходе, при котором годограф сопротивления существенно изменяется и может кратковременно выйти из области срабатывания органа Z и защита по основному каналу не успевает набрать выдержку времени. Срабатывание дополнительного канала происходит, если интервал времени нахождения годографа сопротивления вне зоны срабатывания органа Z меньше времени tB, а в области срабатывания органа Z - более времени срабатывания органа tср.
Уставка по сопротивлению срабатывания основной функции на угле максимальной чувствительности ZУСТ принимается равной синхронному реактивному сопротивлению генератора:
(для обеспечения надежной работы реле при потере возбуждения ненагруженного генератора),
где .
Уставка по сопротивлению смещения основной функции на угле максимальной чувствительности zсм принимается равной половине переходного реактивного сопротивления генератора:
Ом/фазу,
где .
Угол максимальной чувствительности равен °.
Предусмотрена возможность смещения характеристики срабатывания вдоль реактивной оси в сторону III и IV квадрантов на величину (0 - 0,4)·ZУ.
Коэффициент возврата не более 1,05.
Функция Z отличает внешнее КЗ от потери возбуждения по скорости относительного изменения полного сопротивления на входе защиты и используется для блокировки основной функции.
При выборе уставки функции Z должно выполняться условие (функция Z не должна работать при качаниях и асинхронном ходе в ЭС, когда годограф сопротивления проходит через характеристику срабатывания основной функции Z):
где ткач - минимальный период качаний или асинхронного хода, допускаемый в энергосистеме (tСР - принимается не меньше выдержки времени действия защиты на отключение); кзап - коэффициент заполнения (принимается равным 4); КН - коэффициент надежности (принимается равным 2,0...3,0).
При этом должно выполняться условие (функция Z должна чётко работать при внешнем КЗ на землю, когда возможно попадание годографа в зону работы основной функции Z):
где ZН - значение полного сопротивления нормального нагрузочного режима; ZХ - значение полного сопротивления характеристики срабатывания органа минимального сопротивления, определяемое как ближайшее к величине ZН; ТНОМ - период промышленной частоты, 0,02 с; КН - коэффициент надежности, принимаемый равным 2,0...3,0.
Zн = cos+jsin=0,85+j0,53
Значение числителя определяется графически, учитывая, что:
;
;;
.
Функция интегратора необходима для обеспечения непрерывности действия основной функции при выявленном недовозбуждении и качаний мощности, когда годограф сопротивления существенно меняется и может кратковременно выйти из области срабатывания основной функции.
В защите предусмотрена возможность блокировки при внешних К.З от органа Z.
При потере возбуждения или недовозбуждении генератора возникают опасные условия по напряжению с потерей устойчивости или выпадению из синхронизма.
Защита от потери возбуждения действует на отключения генератора от сети и торможение турбины.

Рис.2.7. Структурная схема защиты Ф<.
2.11.2 Защита от асинхронного режима (Фz).
Назначение - защита от асинхронного режима без потери возбуждения (Фz) предназначена для ликвидации асинхронного режима генератора, характеризующегося большими колебаниями активной и реактивной мощности, что может привести к развитию крупных аварий. Защита выполняется на основе контроля сопротивления на зажимах генератора и имеет специальные характеристики срабатывания. Кроме того, контролируется нахождение годографа сопротивления в одном из четырех квадрантов комплексной плоскости сопротивлений.
Защита выполняется на основе дистанционного измерительного органа (ИО Z) и подключается к измерительным трансформаторам, установленным в цепи генератора. ИО Z включается на междуфазное напряжение и соответствующую разность фазных токов и имеет выходы Z1 и Z2.
Защита вводится в работу при включении генератора (блока) в сеть (срабатывание органа I>G) и блокируется при неисправности цепей переменного напряжения (срабатывание КИН).
Если электрический центр качаний расположен в генераторе или повышающем трансформаторе, то защита может действовать на отключение по I ступени при достижении заданного количества циклов скольжения, а при его расположении в линии связи с системой защита может действовать на отключение по II ступени после заданного количества циклов скольжения, которое должно выбираться больше, чем по I ступени.
Защита действует на отключение генератора от сети.

Рис.2.8. Структурная схема защиты Фz.
2.12. Защита мощности (Р).
Назначение - защита обратной мощности, активной мощности, реактивной, направления мощности.
Защита РОБР срабатывает при отрицательном значении активной мощности генератора (когда генератор потребляет активную мощность из системы) в симметричном режиме, и не срабатывает при положительном значении активной мощности генератора (когда генератор выдает активную мощность в систему). Защита РАКТ срабатывает при положительном значении активной мощности генератора (когда генератор выдает активную мощность в систему) и не срабатывает при отрицательном значении активной мощности генератора (когда генератор потребляет активную мощность из системы). Защита обеспечивает компенсацию систематической постоянной по величине погрешности измерения, определяемой погрешностями трансформаторов тока и напряжения.
Защита подключается к трансформаторам тока и напряжения у выводов генератора на фазный ток и линейное напряжение. При малых уставках срабатывания Р (<0,02) зашита подключается к измерительным трансформаторам тока.
Защита действует на выходные цепи через выдержку времени.
2.13. Защита частоты (F).
Назначение - защита от изменения частоты.
Защита от изменения частоты содержит следующие функциональные органы:
орган частоты с выходами срабатывания при повышении частоты (F>) и при понижении частоты (F<);
орган максимального напряжения (U>), контролирующий наличие входного напряжения и вводящий в действие защиту.
U > срабатывает при входном напряжении 0,5·uhom. Защита не срабатывает при снятии и подаче напряжения контролируемой сети плавно или толчком. Частота сети при этом отличается от частоты срабатывания (в сторону возврата) более чем на 0,2 Гц.
2.14. Защита от перевозбуждения (U/F).
Назначение - защита генераторов и трансформаторов от перевозбуждения.
Под явлением перевозбуждения понимается наличие избыточного магнитного потока в сердечнике, который вызывает насыщение и создает дополнительные потери от вихревых токов в сердечнике и в смежных с ним электропроводящих материалах. Перевозбуждение может возникать из-за перенапряжения, понижения частоты или из-за сочетания обоих факторов.
Защита реагирует на отношение средневыпрямленного значения напряжения к частоте U/f и содержит следующие функциональные органы:
- сигнальный орган (МСИГН), срабатывающий при увеличении величины U/f выше значения уставки;
- пусковой орган МПУСК срабатывающий при увеличении величины U/f выше значения уставки;
- орган максимального напряжения (U>), контролирующий наличие входного напряжения и вводящий в действие защиту;
- интегральный орган (ИО), срабатывающий с зависимой от кратности возбуждения выдержкой времени, определяемой выражением:
,
где М - кратности возбуждения относительно номинального возбуждения; В и С - постоянные коэффициенты, величина которых определяется с целью наилучшего приближения к характеристике допустимого перевозбуждения трансформатора (генератора), заданной в табличной форме.
При этом защита должна отключать перевозбужденный трансформатор ранее допустимых значений. ИО имитирует процесс охлаждения ротора генератора после устранения перегрузки по экспоненциальному закону. При этом промежуток времени, за который перегрев защищаемого объекта снижается от максимально-допустимой величины до 0,135 от этой величины, условно называемая временем "полного охлаждения" (tОХЛ).
Защита выдает сигнал для действия на звуковую сигнализацию и действует на отключение генераторного выключателя.
Рис.2.9. Структурная схема защиты от перевозбуждения
2.15. Защита ротора от замыканий на землю (Rе<).
Назначение - выявление замыканий на землю в одной точке цепи возбуждения.
Наложенное напряжение от источника вспомогательного напряжения (G) частотой порядка 16,7 Гц через разделительный трансформатор TV1, дроссель L1 и разделительный конденсатор С1 поступает в цепь возбуждения. Через первичную обмотку W2 трансформатора ТVЗ протекает полный ток замыкания цепи возбуждения на землю, величина которого зависит от величины сопротивления изоляции и емкости цепи возбуждения на землю защищаемого генератора. Конденсатор С1 и дроссель L1 настроены в резонанс на частоте наложенного напряжения, поэтому падение напряжения в них на этой частоте определяется только активным сопротивлением дросселя L1 которое равно сопротивлению резистора RK, включенного в контур компенсации емкостного тока. Емкость контура компенсации СК настраивается на величину, равную сумме емкости цепи возбуждения, для включенной в данный момент в работу системы возбуждения, и емкости ротора относительно земли. Поэтому ток, протекающий по обмотке W3 трансформатора ТVЗ будет равен составляющей емкостного тока замыкания на землю на частоте наложенного напряжения. Так как обе первичные обмотки W3 и W2 трансформатора TV3 равны и включены встречно, то в токе вторичной обмотки W1 этого трансформатора будет содержаться только составляющая активного тока замыкания на землю.
Для составляющих высших гармоник в напряжении цепи возбуждения дроссель L1 представляет значительное сопротивление, которое ограничивает ток с частотой сети высших гармоник, поступающий из цепи возбуждения в данное устройство. Постоянная составляющая напряжения ротора в устройство не проходит благодаря наличию разделительного конденсатора С1. Данная схема осуществляет гальваническую развязку цепей возбуждения генератора от измерительной части защиты при помощи трансформатора ТVЗ и разделительного трансформатора TV1.
В случае нарушения контакта перехода щетки - вал генератора теряется цепь возбуждения генератора. Это приводит к появлению небаланса реактивной составляющей на входе трансформатора TVЗ, сигнал от которого усиливается и поступает к АЦП.
Защита подключается к цепям возбуждения через специальный разделительный блок частотного фильтра (например, типа БЭ1105), обеспечивающий подавление высших гармонических составляющих напряжения возбуждения и ограничение напряжения на выходе до 120 В.
Защита имеет две независимые ступени срабатывания по сопротивлению изоляции.
В защите имеется устройство компенсации емкости цепей возбуждения генераторов с дискретной регулировкой ступенями по 0,025 мкФ, настраивающиеся на конкретное значения емкости цепи возбуждения.
Частота вспомогательного источника напряжения находится в пределах (16,7 ± 0,3) Гц.
Защита peагирует на нарушение (обрыв) контакта релейной щетки при емкости ротора относительно земли не менее 0,2 мкФ и обеспечивает сигнализацию о неисправности.
В защите предусмотрены выдержки времени при действии I и II ступеней, а также устройства контроля контакта релейной щетки.
Защита выдает сигналы для действия на табло «Неисправность» и на звуковую сигнализацию и действует на отключение генератора от сети.
Рис.2.10. Структурная схема защиты ротора от замыкания на землю.
2.16. Защита генератора от замыканий на землю обмотки статора.
2.16.1 Защита от замыканий на землю обмотки статора блока генератор-трансформатор, un (U0).
Назначение - защита от замыкания на землю обмотки статора генератора, не имеющего гальванической связи с системой собственных нужд или сетью потребителей.
Орган напряжения основной составляющей нулевой последовательности U0 может обеспечивает защиту 85 - 95 % витков обмотки статора со стороны фазных выводов, а остальная часть обмотки защищается с помощью органа напряжения третьей гармоники U03, охватывающего примерно 20-30 % витков обмотки со стороны нейтрали. Для обеспечения надежного функционирования органа U03 не достаточно использовать только напряжение Uд установившегося режима при замыкании на землю вблизи нейтрали в связи со значительными колебаниями уровня э.д.с. третьей гармоники в зависимости от режима работы генератора. В органе u03 рабочая цепь включается на сумму напряжений UN+U, а резервная - на напряжение UN.
В состав защиты входят следующие функциональные органы:
орган напряжения основной составляющей напряжения нулевой последовательности (U0), обеспечивающий защиту 85-95% витков обмотки статора со стороны фазных выводов;
орган напряжения обратной последовательности (U2) для блокировки-защиты при внешних КЗ;
орган напряжения третьей гармоники с торможением (U03), обеспечивающий защиту до 30% витков обмотки статора со стороны нейтрали.
Орган u0 включается на напряжение нейтрали генератора относительно земли (un) (при наличии ТН в нейтрали генератора) или на напряжение 3·U0 ТН линейных выводов генератора (если ТН в нейтрали не установлен).
Орган U2 включается на линейные напряжения на выводах генератора.
Орган u03 включается на напряжения нулевой последовательности на выводах генератора (ua) и в его нейтрали (un).
Коэффициент возврата органов U2 и U0 нe менее 0,9. Коэффициент возврата органа U03 не ниже 0,8.
Защита действует на отключение генераторного выключателя.
Рис.2.11. Структурная схема защиты un (U0)
2.16.2 Защита от замыканий на землю обмотки статора блока генератор-трансформатор (с наложением 25 Гц), UN(F25).
Назначение - защита от замыкания на землю обмотки статора генератора, не имеющего гальванической связи с системой собственных нужд или сетью потребителей.
Принцип действия защиты основан на наложении на первичные цепи статора генератора контрольного тока с частотой FНОМ/2. К защите подводятся напряжение с измерительной обмотки дугогасящего реактора UДГР и напряжение (UИСТ) измерительной обмотки источника контрольного тока. При замыкании через переходное сопротивление (RПЕР) вектор напряжения UДГР меняет фазу и модуль в широких пределах относительно век-тора напряжения uист при изменении величины RПЕР от сопротивления изоляции цепи относительно земли до металлического замыкания. При устойчивом замыкании через переходное сопротивление защита обеспечивает вычисление его величины и действие на сигнализацию и отключение, если вычисленная величина RПЕР меньше заданной уставки. Для повышения надежности работы защита должна дополняться органом напряжения, нулевой последовательности основной составляющей, что обеспечивает защиту 85-95% витков обмотки статора генератора со стороны фазных выводов.
Защита подключается к измерительным обмоткам дугогасящего реактора и источника контрольного тока (типа ИКТ-25, выпускаемого Томским политехническим университетом). Источник контрольного тока с частотой FНОМ/2 включается последовательно в цепь дугогасящего реактора генератора со стороны его заземляемого вывода и нейтрали генератора.
Защита имеет две независимые ступени срабатывания по переходному сопротивлению в месте замыкания на землю: 1 ст. и 2 ст.
Защита блокируется при снижении рабочей величины напряжения частотой FНОМ/2 на выходе измерительной обмотки источника контрольного тока до 0,7 от номинальной и обеспечивает сигнализацию о неисправности.
В защите имеется возможность индикации значения переходного сопротивления в месте замыкания на землю.
2.16.3 Защита от замыкания на землю обмотки статора блока генератор-трансформатор, UN (100).
Назначение - защита от замыкания на землю обмотки статора генератора, не имеющего гальванической связи с системой собственных нужд или сетью потребителей.
Принцип действия защиты основан на наложении на первичные цепи статора генератора постоянного тока. К защите подводится напряжение с измерительной обмотки источника постоянного контрольного тока (ИКТП-1) частотой Fном/2. Среднее значение этого сигнала примерно пропорционально постоянной составляющей наложенного тока, а последняя примерно обратно пропорциональна переходному сопротивлению обмотки статора генератора относительно земли. При этом нейтрали всех трансформаторов напряжения блока генератор-трансформатор объединяются и заземляются через устройство наложения постоянного тока ИКТП-1.
При устойчивом замыкании через переходное сопротивление защита обеспечивает вычисление его величины и действие на сигнализацию и отключение, если вычисленная величина переходного сопротивления меньше заданной уставки. Высокая чувствительность защиты на принципе наложения постоянного тока позволяет выявлять различные дефекты изоляции статора генератора.
В источнике контрольного тока осуществляется непрерывный контроль наличия напряжения питания (220 или 100 В, 50 Гц). Тестовый контроль всей защиты осуществляется взаимодействием элементов, предусмотренных для этого как в ИКТП-1, так и в терминале цифровой защиты.
Рис.2.12. Структурная схема защиты UN (100).
2.17. Направленная токовая защита обратной последовательности (M2).
Назначение - резервная защита от несимметричных повреждений.
В нормальном режиме работы, когда на вход защиты поданы симметричные системы тока и напряжения, на выходе фильтров тока обратной последовательности (ФТОП) и фильтров напряжений обратной последовательности (ФНОП) будут присутствовать только небалансы нормального режима и органы тока I2, напряжения U2 и направления мощности М2 будут находиться в несработанном состоянии, так как они отстроены от небалансов по величине уставки.
В режиме несимметричного КЗ на выходах ФТОП и ФНОП появляются составляющие токов и напряжений обратной последовательности и срабатывают органы I2, U2.
При КЗ в зоне действия защиты орган М2 срабатывает и защита действует на отключение, а при повреждении вне зоны действия защиты орган М2 не срабатывает и защита остается заблокированной.

Рис.2.13. Структурная схема защиты M2
2.18. Устройства контроля синхронизма (КС).
Назначение - осуществление контроля разности модулей напряжений генератора UГ и системы UС, разности углов между векторами этих напряжений и разности их частот и формирование сигнал о наличии синхронизма этих напряжений.
КС осуществляет контроль условий синхронизации (амплитуды, сдвига фазы и разности частоты) напряжений генератора и системы и формирует сигнал о наличии синхронизма этих напряжений. КС содержит следующие функциональные органы:
- органы максимального напряжения генератора UГ> и системы UС> соответственно;
- орган разности напряжений, U, срабатывающий при разности модулей напряжений генератора и системы меньше заданной;
- орган разности углов, , срабатывающий в допустимом диапазоне углов опережения от ОП,0 до ОП,К (вектор напряжения UГ опережает вектор напряжения системы UС);
- орган разности частот, F, срабатывающий при разности частот напряжений генератора и системы меньше заданной и при условии, что частота генератора больше частоты системы.
Коэффициент возврата не ниже 0,97, основная погрешность не больше 3%.

Рис.2.14. Структурная схема защиты КС.
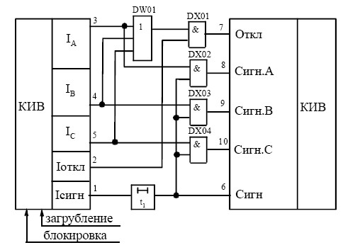
2.19. Защита от частичного пробоя изоляции высоковольтных вводов трансформатора(КИВ).
Назначение - защита от частичного пробоя изоляции вводов ВН блочного трансформатора (КИВ) предназначена для защиты маслонаполненных конденсаторных вводов ВН трансформатора от повреждения путем выявления начальной стадии повреждения (частичного пробоя нескольких слоев конденсаторной изоляции) и подачи сигнала на отключение неисправного оборудования до наступления полного пробоя изоляции и разрушения ввода.
Защита подключается к измерительным выводам высоковольтных вводов через согласующие трансформаторы (например, типа ТПС-066 производства Самарского завода измерительных трансформаторов), а также на напряжение 3U0 разомкнутого треугольника стороны ВН. Для наладки защиты подводятся все цепи напряжения разомкнутого треугольника (Н, К, U, F).
Принцип действия КИВ основан на измерении составляющей основной частоты суммарного емкостного тока ввода трех фаз при рабочем напряжении на них в предположении, что наиболее вероятно повреждение одного ввода в трехфазной группе.
Входные цепи тока КИВ регулируются так, чтобы сумма емкостных токов трех вводов при отсутствии напряжения 3U0 равнялось бы нулю.
На начальной стадии повреждения ввода происходит пробой между отдельными слоями конденсаторной изоляции, эквивалентная емкость ввода на землю возрастает и увеличивается составляющая основной частоты емкостного неисправного ввода. Влияние высших гармонических составляющих в емкостном токе ввода подавляется с помощью цифрового фильтра. Выделенный из суммы токов трех фаз приращенный ток ввода Iс, сравнивается с величиной уставки органов Iсигн и Iоткл.
Предотвращение ложного срабатывания КИВ под действием составляющих нулевой последовательности емкостного тока вводов при замыканиях на землю в первичной сети либо при неполнофазных режимах производится путем компенсации возникающего в таких режимах небаланса током, пропорциональным напряжению 3U0. В случае развивающегося повреждения ввода компенсация составляющей нулевой последовательности не происходит и органы Iсигн и Iоткл срабатывают с порогом чувствительности, не зависящим от наличия составляющей нулевой последовательности в первичной сети.
Действие избирателей поврежденной фазы основано на сравнении модуля емкостного тока каждого из вводов с модулем геометрической суммы емкостных токов в двух других фазах и величины, пропорциональной напряжению 3U0 в первичной сети.
Наличие в защите избирателей позволяет получить пофазный выход защиты с действием на сигнализацию и, кроме того, предотвращает ложное срабатывание при обрыве одной из фаз емкостного тока ввода, поскольку в этом режиме происходит ложное действие органов Iсигн и Iоткл. Так как выходы КИВ с действием на отключение и на сигнализацию включены по схемам «И» с выходами избирателей, ложное действие защиты не происходит. При отсутствии срабатывания органов Iсигн и Iоткл чувствительность избирателей фазы остается низкой.
При увеличении тока одного из вводов в процессе развития повреждения срабатывает Iсигн и чувствительность избирателей становится более высокой, чем чувствительность Iсигн, и срабатывание цепей сигнализации определяется только чувствительностью Iсигн.
При дальнейшем увеличении тока поврежденного ввода срабатывает Iоткл и чувствительность избирателей становится более низкой, но выше чувствительности органа Iоткл. При этом действие защиты на отключение происходит с чувствительностью, определяемой органом Iоткл.
В случае обрыва фазы ёмкостного тока происходит срабатывание органов Iсигн и Iоткл, но чувствительность избирателей будет низкой, что улучшает отстройку КИВ от возникающих в этих режимах небалансов.
В защите предусмотрен вход от приемной цепи для загрубления органов Iсигн и Iоткл при отключении выключателя стороны ВН, если при этом отключаются цепи напряжения 3U0.
Защита выдает сигналы для действия на звуковую сигнализацию и действует на отключение выключателей со стороны НН и стороны ВН блочного трансформатора.

Рис.2.15. Структурная схема КИВ.
3. Автоматика (автоматическая регулировка возбуждения, автоматическая синхронизация генераторов).
За последнее десятилетие произошло существенное обновление технических средств автоматического управления нормальными режимами работы электрических станций и электроэнергетических систем и, особенно, противоаварийного управления ими. Разработаны и внедрены цифровые микропроцессорные автоматические управляющие устройства.
3.1. Микропроцессорный автоматический регулятор возбуждения.
Напряжение и реактивная мощность синхронного генератора определяется состоянием его возбудителя, воспринимающего управляющее воздействие автоматического регулятора возбуждения (АРВ). Возбудителем мощных генераторов служит вспомогательный генератор и управляемый тиристорный преобразователь тиристорное независимое возбуждение. Распространение получило и тиристорное самовозбуждение, при котором подключается через трансформатор к возбуждаемому генератору [7, c.145].
При практически без инерционных тиристорных возбудителях мощных генераторов реализуются алгоритмы пропорционально-дифференциального автоматического регулирования напряжения и реактивной мощности. Интенсивность и быстрота их воздействия на возбудитель обусловили название регулирования «сильного» действия (АРВ СД). Указанные ценные свойства АРВ СД обеспечиваются использованием сигналов, формируемых не только по отклонению, но и по скорости изменения действующего значения напряжения генератора и угла сдвига фаз между ЭДС синхронного генератора электростанции и напряжением на шинах приемной подстанции.
Поэтому назначением АРВ СД является не только поддержание напряжения на заданном уровне на шинах электростанции и генерируемой или потребляемой генератором реактивной мощности, но и повышение до максимально возможных уровней статической и динамической устойчивости параллельной работы электрических станций.
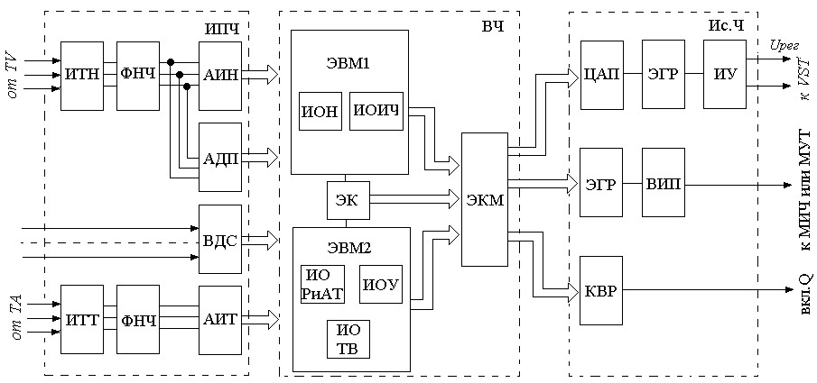
Функциональная схема. Микропроцессорный автоматический регулятор возбуждения сильного действия (АРВ-СДМ) поставляется АО «Электросила» комплектно с турбогенератором. Функциональная схема АРВ-СДМ (рис. 3.1) состоит из вычислительной части ВЧ, содержащей две взаимно резервируемые микроЭВМ, измерительно-преобразовательной ИПЧ и исполнительной Ис.Ч частей.
В цифровых устройствах на ЭВМ и микропроцессорах измерительно-преобразовательная и исполнительная функциональные части обычно объединяются под общим названием устройство связи с управляемым объектом (УСО).
Измерительно-преобразовательная часть содержит вторичные измерительные трансформаторы напряжения ИТН и тока ИТТ (или шунты), пассивные малоинерционные (Т = 1 мс) первого порядка ФНЧ и элементы аналогового измерительного преобразования напряжений и токов АИН и АИТ, формирующие сигналы в виде:
• чисто синусоидальных напряжений, пропорциональных фазным напряжениям и токам синхронного генератора, используемые затем программными измерительными органами вычислительной части;
• постоянных напряжений, пропорциональных напряжениям генератора и на шинах электростанции;
• импульсных напряжений управления прерываниями и микроЭВМ в целом (длительностью Ти = 30 мкс).
Они формируются усилителями, трехфазными выпрямителями с активными ФНЧ и аналого-дискретным преобразователем АДП, входящими в состав элементов АИН и АИТ. На схеме показаны элементы ввода дискретных сигналов ВДС в виде малогабаритных реле с герметизированными контактами (герконов).
Исполнительная часть состоит из цифро-аналогового преобразователя ЦАП: элементов аналогового гальванического отделения (развязки) ЭГР вычислительной части от цепей управления в виде усилителей-преобразователей с модулятором и демодулятором, исполнительных усилителей ИУ аналогового регулирующего воздействия Upeг устройства управления УУ тиристорами преобразователей VST возбудителя; времяимпульсного преобразователя ВИН и выходных герконов вывода дискретных сигналов (комплекта выходных реле КВР).
Регулятор имеет развитой программно-аппаратный контроль исправностей всех его частей. Элементы контроля ЭК формируют сигналы неисправностей, поступающие в элемент коммутации ЭКМ выходных сигналов микроЭВМ, который переводит вычислительные операции на резервную микроЭВМ или выводит регулятор из действия.
Основной группой программ комплекса математического обеспечения АРВ-СДМ являются программы автоматического регулирования возбуждения и синхронизации генератора.
Они обеспечивают выполнение алгоритма регулирования возбуждения сильного действия, выполнение условий точной автоматической синхронизации и вычисление угла опережения по закону равнопеременного вращения синхронного генератора.
Функционирование программных измерительных органов АРВ СДМ обеспечивается импульсами управления аналого-дискретного преобразователя (АДП), формирующего короткие импульсы ииа, ииb, иис в моменты времени изменения знака мгновенными синусоидальными напряжениями трех фаз иа, иb, ис с отрицательного на положительный в момент положительных их переходов через нуль.
Измерительные органы микропроцессорного автоматического регулятора. Измерительный орган амплитуды напряжения (ИОН). Быстродействие измерительного органа напряжения АРВ СДМ достигается фиксированием положительных амплитудных мгновенных значений напряжений трех фаз Uma, Umb, Umc. Производится вычисление среднего значения амплитуды, которое сравнивается (путем вычитания) с заданным (предписанным) значением вычисляется ее отклонение. На основе численного дифференцирования определяется производная амплитуды. Указанные операции производятся за время, не превышающее 1/3 длительности периода Тп промышленной частоты.
Амплитуда фиксируется путем управления соответствующим каналом мультиплексора АЦП, включаемого импульсным напряжением иит на несколько микросекунд практически в момент прохождения фазным напряжением генератора через положительное амплитудное мгновенное значение.
Включение канала мультиплексора производится вычитающим счетчиком тактовых импульсов (частотой 2 МГц), в который в момент Т1 прохождения мгновенным фазным напряжением через нуль записывается число NTп/4 , равное количеству тактовых импульсов, размещающемуся на интервале времени в 1/4 периода промышленной частоты. Запись числа производится импульсом ии, формируемым АДП в момент изменения знака с отрицательного на положительный (положительного перехода через нуль) мгновенным фазным напряжением.
В момент времени Т3 обнуления счетчика по переднему фронту импульса иит контроллером прерываний работы микропроцессора (МП) включается в работу программа ввода информации в микроЭВМ и вычисления среднего значения амплитуды напряжения. Вычисления отклонения амплитуды и ее производной производятся отдельными программами.
Измерительный орган изменения частоты (ИОИЧ). Формирование сигналов по изменению и производной частоты производится на основе вычислений длительности периода промышленной частоты. В измерительном органе используется второй вычитающий счетчик тактовых импульсов, в который периодически после каждого считывания до нуля вновь записывается число импульсов N'a = N max >>N Tn/4. Поэтому за время, равное длительности периода промышленной частоты, число импульсов в счетчике уменьшается на небольшую часть N max.
Разность числа импульсов, например , фиксируемых импульсными напряжениями , , соответствующими положительным переходам через нуль мгновенного напряжения фазы А, получается пропорциональной истинной длительности периода промышленной частоты. По трем таким замерам , и , производимым с использованием напряжений , и соответственно , , вычисляется средняя истинная длительность Т периода напряжения синхронного генератора и, как указывалось, по правилу дифференцирования дробей производная частоты.
Формирование цифровых сигналов об изменениях частоты производится пропусканием сигналов о ее производной через программный ФНЧ первого порядка (апериодическое звено).
Измерительный орган реактивного и активного тока (ИОРиАТ). Необходимое быстродействие измерительного органа достигается запоминанием мгновенного тока генератора. Для этого по задним фронтам импульсов напряжения ии и иит включаются (в моменты Т2 и Т4) соответствующие каналы мультиплексора АЦП, фиксирующего в двоичном коде мгновенные значения тока одной из фаз, например , равные в момент t = 0 реактивной , а в момент t = Тп/4 активной а составляющим тока синхронного генератора. Они используются для измерительного органа потребляемой генератором реактивной мощности, определяющего минимально допустимый (по условию статической устойчивости электропередачи) ток возбуждения синхронного генератора. Сигнал о минимально допустимом возбуждении формируется как функция IР и Iа расчетами по отдельной программе.
Измерительный орган угла сдвига фаз (ИОУ). В измерительном органе угла сдвига фаз между напряжением на шинах электростанции частотой fс и напряжением холостого хода синхронного генератора частотой fг fс, непрерывно изменяющегося при подготовке генератора к включению на параллельную работу с электроэнергетической системой (синхронизации) в функции частоты скольжения fs =|fс fг|, используется времяимпульсное преобразование фазы. Формируемый импульсом одной из фаз, например ии.г =ииа , и аналогичным импульсом ии.ш , фиксирующим переход через нуль мгновенного напряжения на шинах электростанции, времяимпульсный сигнал является линейной функцией угла сдвига.
Измерительное преобразование угла сдвига фаз в цифровой сигнал производится аналогично рассмотренному фиксированию длительности периода считывания из третьего вычитающего счетчика с периодически записываемым числом тактовых импульсов N max >>N Tn/4 чисел в моменты времени появления указанных импульсов напряжений ии.г и ии.ш. По отдельной программе в измерительном органе вычисляется угол сдвига фаз в начальный момент воздействия на привод выключателя синхронного генератора, необходимый для совпадения по фазе напряжений на шинах электростанции и генератора в момент включения (соединения силовых контактов выключателя), - угол опережения.

Рис.3.1. Функциональная схема микропроцессорного автоматического регулятора возбуждения синхронного генератора.
3.2. Микропроцессорный автоматический синхронизатор.
Автоматические устройства точной синхронизации (АУТС) синхронных генераторов состоят из трех частей, обеспечивающих три условия точной синхронизации: равенство амплитуд ЭДС генератора Ег.х и напряжения Uш на шинах электростанции, близкая к синхронной частота вращения (малая частота скольжения) генератора и совпадение по фазе указанных ЭДС и напряжений в момент включения (замыкания контактов) выключателя синхронного генератора. Такие устройства соответственно называются уравнителем амплитуд напряжения, уравнителем частот и автоматическим синхронизатором.
Автоматический синхронизатор обеспечивает выполнение наиболее ответственной операции точной синхронизации по обеспечению практического совпадения по фазе ЭДС генератора и напряжения на шинах электростанции в момент включения выключателя генератора.
Функциональная схема. Цифровой автоматический синхронизатор типа СПРИНТ выполняет все три основные функции АУТС с выдчаей через алфавитно-цифровой индикатор информации о состоянии автоматического устройства и синхронизируемого генератора и производит контроль и диагностику исправности его элементов и анализ достоверности выдаваемой информации, что является его важным достоинством.
Основная вычислительная ВЧ функциональная часть синхронизаторов реализована на одной, поскольку они работают эпизодически и кратковременно, микроЭВМ: на микропроцессоре МП типа К18108ВМ88 с контроллером прерывания КП, таймером Т и оперативным ОЗУ и постоянным ПЗУ запоминающими устройствами. Вычислительная часть выполняет цифровое измерительное преобразование амплитуд и частот ЭДС генератора Ег.х и напряжения Uш шин электростанции, угла сдвига фаз между ними и вычисляет их разности и угол опережения синхронизатора по уравнению равнопеременного вращения генератора при его подготовке к включению на параллельную работу.
Управление микроЭВМ производится измерительно-преобразовательной частью ИПЧ. Она выполняет предварительную обработку аналоговых входных сигналов вторичных (на выходах TV1, TV2) ЭДС генератора Ег.х и напряжения Uш на шинах электростанции с изменяющимися информационными параметрами: амплитудой, частотой и фазой.
Она содержит вторичный измерительный трансформатор напряжения TVL, аналого-дискретный преобразователь АДП, формирующий сигналы прерываний, аналого-цифровой интегральный АЦП типа К1113ПА1 с коммутатором входных аналоговых сигналов мультиплексором МПЛ, задающие элементы ЗЭ настройки синхронизаторов и формирователи тестового сигнала ФТС.
В исполнительную часть Ис. Ч синхронизатора входят комплект электромагнитных выходных реле КВР с герметизированными контактами герконов. К ней относятся и элементы отображения информации: аналого-цифровой АЦИ индикатор угла сдвига фаз между Ег.х и Uш и других величин, табло светодиодных индикаторов СИ, алфавитно-цифровой индикатор и клавиатура диалогового режима КЛ.
Действие синхронизаторов. Вычислительная часть синхронизатора функционирует на основе времяимпульсного преобразования.
Длительности периодов ЭДС генератора и напряжения электростанции, необходимые для вычисления их частот и частоты скольжения, и время несовпадения их мгновенных значений по знаку, пропорциональное углу сдвига фаз , фиксируются считыванием кодов таймера в моменты переходов ЭДС ег.х и напряжения иш через нулевые мгновенные значения.
Текущие коды Nг и Nш фиксируются в моменты времени исчезновения напряжений Uк.г и Uк.ш. Их разность (Nг-Nш) определяет код угла сдвига фаз , а числа, обратно пропорциональные разностям кодов, зафиксированных в текущем и предыдущем периодах, частоты ЭДС генератора и напряжения электростанции . Очевидно, что разность указанных чисел отображает частоту скольжения генератора в виде двоичного кода .
В зависимости от результатов вычислений синхронизатор формирует времяимпульсные управляющие воздействия на частоты вращения АРЧВ генератора. Если разности амплитуд и частот больше допустимых |±Um|> 0,01 и |±|>, то выдаются первые импульсы воздействия ограниченной установленной длительности для соответствующего изменения амплитуды и частоты ЭДС синхронного генератора.
По мере уменьшения Um и вычислительной частью рассчитываются уменьшающиеся длительности Ти импульсов воздействий по линейной зависимости Tи от разности истинной и установленной частот скольжения = при длительности паузы Тп и заданного коэффициента подстройки частоты Кпод.
В синхронизаторах принята установленная частота скольжения: || = |+|/2 и /5 =. После установления и Um < 0,1 управляющие воздействия прекращаются и синхронизатор переходит к программе вычисления угла опережения по закону равнопеременного вращения генератора и формирует импульсное управляющее воздействие достаточной для включения выключателя Q синхронного генератора длительности.
Синхронизаторы обладают свойством однократности действия. Если выключатель не включился или тут же после включения отключился, повторное действие не формируется: предусмотрен новый запуск программного обеспечения путем кратковременного отключения синхронизатора от источника питания.

Рис.3.2. Функциональная схема микропроцессорного автоматического синхронизатора СПРИНТ.
4. Научно-исследовательская работа
Целью научной работы является исследование защит блока генератор-трансформатор, выполненных на разных элементных базах (электромеханическая и микропроцессорная) и проведение сравнительного анализа.
Защита энергоблока, выполненная на базе
электромеханических реле.
Основные защиты.
Защиты генератора:
1. Поперечная дифференциальная защита генератора.
Назначение: защита от витковых замыканий в обмотке статора с двумя параллельными ветвями.
Реагирует на разность суммарных токов трех фаз в указанных параллельных ветвях.
2. Продольная дифференциальная защита генератора.
Назначение: защита от внутренних многофазных КЗ.
Осуществляет сравнение токов со стороны фазных и нулевых выводов обмотки статора на каждой фазе.
3. Защита от замыкания на землю в обмотке статора турбогенератора, осуществляемая с использованием напряжения третьей гармоники.
Защита состоит из максимального реле напряжения нулевой последовательности основной частоты, защищающего большую часть витков обмотки статора генератора со стороны линейных выводов, и органа напряжения третьей гармоники, защищающего часть обмотки статора, примыкающую к нейтрали, и саму нейтраль.
4. Защита от замыканий на землю в цепи обмотки ротора и в цепях возбуждения турбогенератора.
Назначение: сигнализировать о возникновении замыканий на землю.
5. Защита ротора от перегрузки током возбуждения.
Назначение: предотвращение повреждений генератора при перегрузке обмотки ротора.
Применяется токовая защита с интегральной зависимой выдержкой времени, соответствующей тепловой характеристике генератора.
Защита действует на подачу звуковой сигнализации.
6. Защита от потери возбуждения.
Назначение: выявление потери возбуждения и перевод генератора в допустимый асинхронный режим (разгрузка генератора, торможение турбины и шунтирования обмотки ротора гасительным сопротивлением) или отключение блока, если асинхронный режим недопустим.
Защита действует на отключение генератора от сети и торможение турбины.
7. Защита от симметричной перегрузки турбогенератора.
Назначение: сигнализировать о возникновении симметричной перегрузки.
Применяется максимальная токовая защита с независимой выдержкой времени, отстроенной от наибольшей выдержки времени резервных защит.
8. Защита от несимметричной перегрузки турбогенератора.
Применяется токовая защита обратной последовательности, имеющая сигнальный орган, подающий сигнал о превышении длительно допустимого для генератора значения тока обратной последовательности.
9. Защита от повышения напряжения.
Реагирует на повышение напряжения обмотки статора более чем в 1,2 раза. Выполняется на максимальном реле напряжения с высоким коэффициентом возврата.
Защита от повышения напряжения на энергоблоках с турбогенераторами должна автоматически вводиться в работу только в режиме холостого хода энергоблока и действовать лишь на гашение поля генератора.
При внутренних повреждениях генератора защита действует на отключение генератора от сети, гашение поля генератора и возбудителя и пуск УРОВ, останов блока. При этом гашение поля возбудителя предусматривается для повышения надежности прекращения работы генератора на КЗ.
Для отключения генератора от сети необходимо отключить выключатель в цепи генератора, а при его отсутствии выключатели на стороне ВН блока. В последнем случае должны также отключаться выключатели в цепи ответвления от блока на рабочий источник питания собственных нужд. Это необходимо для автоматического перевода нагрузки собственных нужд на источник резервного питания с помощью АВР.
Защиты трансформатора:
10. Дифференциальная защита трансформатора.
Назначение: защита от всех видов КЗ в трансформаторе и на его ошиновке.
11. Газовая защита трансформатора.
Назначение: защита от внутренних повреждений (в том числе от витковых замыканий), сопровождающихся горением дуги и выделением газа.
На трансформаторах применяют газовую защиту, содержащую два элемента: сигнальный, действующий при слабом газообразовании, и отключающий, срабатывающий при быстром выделении большого объема газа. Газовая защита срабатывает также при понижении уровня масла из-за течи из бака или вследствие значительного охлаждения трансформатора.
12. Контроль изоляции на стороне НН.
Назначение: сигнализировать о появлении замыкания на землю на стороне НН.
Представляет собой максимальную защиту напряжения нулевой последовательности с независимой выдержкой времени, включенную в цепь разомкнутого треугольника трансформатора напряжения, присоединенного к выводам обмотки НН трансформатора энергоблока.
13. Пуск устройства пожаротушения от релейной защиты.
Устройство пожаротушения пускается от дифференциальной и газовой защит трансформатора. Для предотвращения пуска устройства пожаротушения при КЗ на ошиновке трансформатора в схеме пуска применяются контроль тока в проводе, заземляющем бак трансформатора. При отсутствии этого тока пуск пожаротушения от дифференциальной защиты не производится.
При повреждении трансформатора блока для ликвидации КЗ необходимо отключить трансформатор со стороны ВН и со стороны НН и обеспечить пуск пожаротушения. При наличии выключателя в цепи генератора со стороны НН достаточно отключить этот выключатель, а при отсутствии необходимо гашение поля генератора. Однако ввиду невозможности использования генератора при выходе из строя трансформатора блока во всех случаях производится гашение поля генератора и возбудителя и останов технологического оборудования блока.
При отказе выключателя генератора или выключателя на стороне ВН блок должен отключаться от сети с помощью УРОВ генераторного выключателя или УРОВ выключателя стороны ВН.
Резервные защиты:
14. Защита от несимметричных КЗ.
Назначение: отключение несимметричных КЗ при дальнем и ближнем резервировании.
Используется токовая защита обратной последовательности.
15. Дополнительная резервная токовая защита на стороне ВН.
Назначение: резервирование основных защит трансформатора блока при отключенном выключателе генератора.
Устанавливается максимальная токовая защита с независимой выдержкой времени. Автоматически вводится в действие при исчезновении тока в цепи.
16. Устройство резервирования отказа выключателей (УРОВ).
При отказе выключателя поврежденного блока УРОВ пускается защитами блока, действующими на этот выключатель, и с выдержкой времени 0,3-0,4 с., перекрывающей время отключения выключателя, действует на отключение всех выключателей, смежных с отказавшим.
17. Защита от симметричных КЗ.
Назначение: дальнее и ближнее резервирование защит при трехфазном КЗ.
Применяют одноступенчатую дистанционную защиту с круговой или эллиптической характеристикой. Так как защита имеет выдержку более 1,5 с, она выполняется без блокировки при качаниях.
18. Защита от КЗ на землю.
Назначение: дальнее и ближнее резервирование защит при однофазном КЗ на землю на стороне ВН (может работать и при КЗ двух фаз на землю).
Устанавливается токовая защита нулевой последовательности, включаемая на ток в нейтрали трансформатора блока. На блоке используются два комплекта защиты, поскольку целесообразно иметь разную чувствительность и разные выдержки времени для деления шин и для дальнего резервирования.
19. Ускорение резервной защиты при неполнофазных отключениях блока.
При неполнофазных отключениях выключателя на стороне ВН, имеющего пофазные приводы, автоматически вводится ускорение чувствительного комплекта токовой защиты нулевой последовательности. Ускорение осуществляется с помощью реле контроля непереключения фаз и реле времени с уставкой, перекрывающей разновременность отключения фаз выключателя. Действие токовой защиты нулевой последовательности по цепи ускорения обеспечивает ускоренный пуск УРОВ на стороне ВН при неполнофазном отключении блока.
Для резервирования защит от внутренних КЗ (ближнее резервирование) устанавливается резервная дифференциальная защита, охватывающая генератор и трансформатор блока вместе с ошиновкой на стороне ВН и действующая на отключение выключателей блока и рабочего трансформатора собственных нужд (ТСН), на гашение поля генератора и на пуск УРОВ на стороне ВН.
Устройства защиты от внешних КЗ должны действовать только на отключение энергоблока от сети выключателями на стороне ВН. При отказе какого-либо из этих выключателей защита от внешних КЗ должна с помощью УРОВ гасить поле генератора.
Микропроцессорная защита энергоблока.
Цифровая защита генератора НПП «ЭКРА» предназначена для защиты генераторов, в том числе и работающих на сборные шины мощностью до 100 МВт, трансформаторов и блоков генератор-трансформатор малой, средней и большой мощности до 800 МВт. Необходимые для защиты определенного объекта защитные функции могут выбираться из библиотеки программ цифрового терминала с помощью персонального компьютера.
Перечень защитных функций:
1. Продольная токовая дифференциальная защита генератора, IG.
Назначение: защита от междуфазных повреждений в обмотке статора генератора и на его выводах, а также от двойных замыканий на землю в цепях генераторного напряжения.
2. Дифференциальная защита трансформатора, IT.
Назначение: защита от внутренних повреждений двух или трехобмоточного трансформатора (блочного трансформатора или трансформатора собственных нужд), КЗ на его выводах, а также блока генератор-трансформатор
3. Поперечная токовая дифференциальная защита генератора, I >.
Назначение: защита от витковых замыканий в обмотке статора с двумя параллельными ветвями.
Защита реагирует на ток между нейтралями параллельных ветвей обмотки статора, соединенных в "звезду".
4. Максимальная токовая защита трансформатора, I >.
Назначение: МТЗ блочного трансформатора с отстройкой от броска тока намагничивания (резервная защита блочного трансформатора).
5. Защита от несимметричных перегрузок, I2.
Назначение: резервная защита от внешних несимметричных повреждений, защита генератора от несимметричных перегрузок (защита от перегрева ротора генератора из-за асимметричной нагрузки).
Защита реагирует на относительный ток обратной последовательности (I2*).
6. Защита от симметричных перегрузок, I1.
Защита реагирует на относительный ток статора фазы с максимальным значением тока в трехфазном режиме (I*).
7. Защита ротора от перегрузок, IP.
Назначение: защита от перегрузок ротора генератора при наличии измерительных трансформаторов тока в системе возбуждения (IP), защита от перегрузок ротора генератора с бесщеточной системой возбуждения (=IP).
Защита реагирует на относительный ток ротора (IP*).
8. Измерительные органы максимального (ИО I >) и минимального (ИО I <) тока.
Назначение: контроль максимального (минимального) тока фаз.
Органы тока выполняются трехфазными.
9. Защита от повышения напряжения генератора, UG >.
10. Измерительные органы максимального (ИО U>) и минимального (ИО U<) напряжения.
Назначение: контроль максимального (минимального) напряжения.
11. Устройство контроля исправности цепей напряжения переменного тока, КИН.
Назначение: контроль исправности цепей напряжения переменного тока измерительных трансформаторов напряжения с вторичными обмотка-ми, соединенными в "звезду" (с линейным напряжением uhоm =100 В) и в "треугольник" (с максимальным напряжением на выходе разомкнутого треугольника 100 В или 33 В - для сетей с изолированной нейтралью).
Устройство КИН не работает в нормальных симметричных режимах и при внешних несимметричных КЗ. Реагирует на обрыв одной, двух либо трех фаз или нулевого провода в цепях напряжения переменного тока, соединенных в звезду.
12. Направленная токовая защита обратной последовательности (M2).
Назначение: резервная защита от несимметричных повреждений.
В нормальном режиме работы, когда на вход защиты поданы симметричные системы тока и напряжения, на входе фильтров тока обратной последовательности (ФТОП) и фильтров напряжения обратной последовательности (ФНОП) будут присутсвовать только небалансы нормального режима. Органы тока I2, напряжения U2 и направления мощности M2 будут находиться в несработанном состоянии, так как они от небалансов по величине уставки. В режиме несимметричного КЗ на выходах ФТОП и ФНОП появляются составляющие токов и напряжений обратной последовательности и срабатывают органы I2 ,U2.
При КЗ в зоне действия защиты орган M2 срабатывает и защита действует на отключение, а при повреждении вне зоны действия защиты орган M2 не срабатывает и защита остается заблокированной.
13. Защита от асинхронного режима, Фz .
Назначение: защита от асинхронного режима без потери возбуждения (Фz) предназначена для ликвидации асинхронного режима генератора, характеризующегося большими колебаниями активной и реактивной мощности, что может привести к развитию крупных аварий. Защита выполняется на основе контроля сопротивления на зажимах генератора и имеет специальные характеристики срабатывания. Кроме того, контролируется нахождение годографа сопротивления в одном из четырех квадрантов комплексной плоскости сопротивлений.
14. Дистанционная защита, Z<.
Назначение: резервная защита от междуфазных повреждений.
15. Защита от потери возбуждения, Ф<.
16. Защита мощности, P.
Назначение: защита обратной мощности, активной мощности, реактивной, направления мощности.
17. Защита от изменения частоты, F<.
Защита от изменения частоты содержит следующие функциональные органы: орган частоты с выходами срабатывания при повышении частоты (F>) и при понижении частоты (F<); орган максимального напряжения (U >), контролирующий наличие входного напряжения и вводящий в действие защиту.
18. Защита от перевозбуждения, U/F.
Назначение: защита генераторов и трансформаторов от перевозбуждения.
Защита реагирует на отношение средневыпрямленного значения напряжения к частоте U/f.
19. Защита ротора от замыкания на землю, Re<.
Назначение: выявление замыканий на землю в одной точке цепи возбуждения.
Защита подключается к цепям возбуждения через специальный разделительный блок частотного фильтра (например типа БЭ1105), обеспечивающий подавление высших гармонических составляющих напряжения возбуждения и ограничение напряжения на выходе до 120 В.
20. Устройства контроля синхронизма (КС).
Назначение: осуществление контроля разности модулей напряжений генератора UГ и системы UС, разности углов между векторами этих напряжений и разности их частот и формирование сигнал о наличии синхронизма этих напряжений.
21. Защиты генератора от замыканий на землю, UN(U0), UN(F25), UN(100).
Защита от замыканий на землю обмотки статора блока генератор-трансформатор, UN(U0). В состав защиты входят следующие функциональные органы: орган напряжения основной составляющей напряжения нулевой последовательности (U0), обеспечивающий защиту 85-95% витков обмотки статора со стороны фазных выводов; орган напряжения обратной последовательности (U2) для блокировки защиты при внешних КЗ; орган напряжения третьей гармоники с торможением (U03), обеспечивающий защиту до 30% витков обмотки статора со стороны нейтрали.
Защита от замыканий на землю обмотки статора блока генератор- трансформатор (с наложением 25 Гц), UN(F25). Защита подключается к измерительным обмоткам дугогасящего реактора и источника контрольного тока. Источник контрольного тока с частотой Fном/2 включается последовательно в цепь дугогасящего реактора генератора со стороны его заземляемого вывода и нейтрали генератора.
Защита от однофазных замыканий на землю обмотки статора блока генератор-трансформатор, UN(100). Защита подключается к выходу специального датчика в источнике постоянного контрольного тока. Для подключения источника нейтрали всех трансформаторов напряжения блока объединяются и заземляются через разделительный конденсатор.
22. Резервная защита блока нулевой последовательности от замыканий на землю, I0 (U0).
Токовая защита нулевой последовательности (I0) подключается к трансформатору тока, встроенному во ввод нейтрали обмотки напряжения трансформатора. Для режима работы блока с незаземленной нейтралью блочного трансформатора предусматривается защита напряжения нулевой последовательности (U0) с контролем отсутствия тока в нейтрали.
23. Устройство резервирования отказа выключателей генератора, УРОВ G.
УРОВ G действует на отключение при срабатывании защит генератора на его отключение и отказе генераторного выключателя.
24. Защита от частичного пробоя изоляции высоковольтных вводов трансформатора (КИВ).
Назначение: защита от частичного пробоя изоляции вводов ВН блочного трансформатора (КИВ) предназначена для защиты маслонаполненных конденсаторных вводов ВН трансформатора от повреждения путем выявления начальной стадии повреждения (частичного пробоя нескольких слоев конденсаторной изоляции) и подаче сигнала на отключение неисправного оборудования до наступления полного пробоя изоляции и разрушения ввода.
25. Орган блокировки при качаниях Z.
Орган подключается к измерительным трансформаторам, установленным в цепи генератора, на междуфазное напряжение и соответствующую разность фазных токов. Орган Z отличает повреждение от качаний в энергосистеме по скорости изменения полного сопротивления.
26. Органы тока и напряжения при изменяющейся частоте.
Выполняются однофазными или трехфазными, реагируют на средневыпрямленное значение и предназначены для работы в условиях изменяющейся частоты. Рабочий диапазон частот от 0,2 до 1,2 Fном.
Способ выполнения, адрес и принцип действия защитных функций цифровой защиты генератора на базе шкафа ШЭ1111 были изложены во второй главе бакалаврской работы.
Дополнительные функции:
- в терминале обеспечивается возможность индикации значений однофазного напряжения, тока, частоты, активной и реактивной мощностей с отображением указанных значений на экране монитора локального интерфейса человек-машина или на дисплее цифрового терминала.
- регистратор событий, обеспечивающий запись изменения состояний до 128 логических сигналов любой защитной или логической функции, выбираемых из доступных логических сигналов терминала. Емкость буфера памяти регистратора событий позволяет запомнить до 1500 событий по времени с точностью 0,001 с. При переполнении буфера новая информация записывается на место самой старой по времени записи информации.
- предусмотрена возможность пуска терминала на запись аварийного процесса (осциллографирование) при появлении или исчезновении любых из 128 логических сигналов, выбираемых из любой доступной защитной или логической функции терминала. Предусмотрена возможность выбора для одновременного осциллографирования до 16 аналоговых и до 128 логических сигналов.
Терминал также оборудован системой автоматического тестового контроля, служащей для проверки работоспособности основных узлов и блоков.
Сравнительный анализ
На основании данных, полученных в результате исследования защит, можем сделать вывод о большей степени надежности микропроцессорной защиты: цифровая защита состоит из двух независимых и дублирующих друг друга подсистем (комплектов) защит, расположенных в двух шкафах ШЭ1111. Каждая подсистема независима по цепям оперативного постоянного тока, входным и выходным цепям, цепям сигнализации и контроля, и содержит блоки питания, логические схемы выходных цепей, сигнализации, контроля и диагностики.
Защита от симметричных перегрузок статора генератора и защита ротора от перегрузок, выполненные на микропроцессорной базе, в отличие от защит на электромеханических реле, действуют не только на сигнализацию, но и на отключение генераторного выключателя.
Использование в устройствах современной микропроцессорной элементной базы обеспечивает высокую точность измерений и постоянство характеристик, что позволяет существенно повысить чувствительность и быстродействие защит, а также уменьшить ступени селективности. Алгоритмы функций защиты и автоматики, а также интерфейсы для внешних соединений устройства разработаны по техническим требованиям к отечественным системам РЗА, что обеспечивает совместимость с действующими устройствами и облегчает эксплуатационному персоналу переход на новую технику.
Наличие функций непрерывного самоконтроля и диагностики обеспечивает высокую готовность защиты при наличии требования к срабатыванию, а использование высокоинтегрированных и высоконадежных микросхем повышенную надежность аппаратной части защиты.
5. Экономическая часть
Затраты на приобретение микропроцессорной защиты
Ориентировочная рыночная стоимость шкафа цифровой защиты генератора ШЭ1111 НПП «ЭКРА» составляет 2 600 000 руб.
Целесообразно заменять устаревшие типы защит современными микропроцессорными защитами при капитальном ремонте станции и при проектировании новых станций, а так же подстанций.
Оценка экономической эффективности инвестиций
Технико-экономическое обоснование целесообразности реализации любого проекта предполагает следующую последовательность выполнения этапов, определяющих структуру основных разделов ВКР [8]:
1.Определение ожидаемой выручки;
2.Определение инвестиционных затрат, необходимых для осуществления проекта;
3.Определения себестоимости продукции;
4.Определения цены реализации продукции;
5.Составление «Отчета о финансовых результатах» предприятия проектируемой продукции;
6.Определение точки безубыточности производства;
7.Определение срока окупаемости реализации проекта;
8. Подготовка выводов по проведенному исследованию.
Расчет
1.Определение ожидаемой выручки.
Станция вырабатывает определенное количество электроэнергии, кВтч/год:
Эвыраб = Nуст Туст = (200 3) 4000 = 2,4 109,
где Nуст суммарная мощность станции, МВт;
Туст время работы в максимальном режиме (Туст = 4000 ).
Стоимость выработанной электроэнергии, млрд. руб./год:
Пвыраб = Эвыраб Цпр = 2,4 109 1,4 = 3,36,
где руб./кВтч цена реализации продукции;
2. Определение инвестиционных затрат, необходимых для осуществления проекта:
,
где - инвестиционные затраты, руб.;
- стоимость оборудования;
- сметная стоимость проектных работ;
- прочие инвестиционные затраты;
, тыс.руб.
3.Определения себестоимости продукции:
В состав материальных затрат включаются расходы на производство 1кВт электроэнергии (затраты на покупку, транспортировку, подготовку топлива, расходы по оплате работ и услуг производственного характера и т.д.), млрд. руб./год:
,
где - затраты на выработку 1кВт электроэнергии, руб./кВтч.
Затраты на оплату труда учитывают расходы на заработную плату и премии всем категориям работающих, выплаты компенсирующего характера, оплату всех видов отпусков, а также другие виды доплат и различного рода выплат, включаемых в фонд оплаты труда [9].
Определение фонда оплаты труда и отчислений на социальные нужды:
ФОТ = ЗП(1+)(1+) NЭКС
где ЗП среднегодовая зарплата персонала, руб./челгод;
, коэффициенты, учитывающие дополнительную зарплату и отчисления органам социального страхования:
=(0,40,6);=0,39 (1+);
=0,45; =0,39(1+0,45)=0,57;
NЭКС численность эксплуатационного персонала, чел.
ФОТ = 1217000(1+0,45)(1+0,57)35 = 16,254 млн.руб./год.
Отчисления на социальные нужды составляет 39% от ФОТ (табл.1):
Таблица 1. Размер отчислений на социальные нужды
|
Наименование отчислений |
Значение, %. |
|
1.Отчисления в пенсионный фонд 2.Отчисления в фонд занятости 3.Отчисления на социальное страхование 4.Отчисления на обязательное страхование |
28,0 2,0 5,4 3,6 |
|
Всего |
39 |
Отчисления на социальные нужды Qсн =0,3916,254=6,339 млн.руб./год.
Таблица 2. Суммарные текущие затраты
|
Наименование затрат |
Значение, Тыс. руб. |
|
1.Материльные затраты 2.Затраты на оплату труда 3.Отчисления на социальные нужды 4.Амортизация основных фондов 5.Плата за содержание противопожарной службы(3% от ФОТ) 6.Земельный налог |
2880000 16254 6339 10000 487,5 500 |
|
Всего текущих затрат |
2913580,5 |
Затраты на производство электроэнергии тыс. руб.
4. Определение тарифа на электроэнергию. По этому тарифу электроэнергия будет продаваться потребителю, руб./кВтчас.
Уровень затрат на производство продукции вместе с величиной налогов, не включаемых в себестоимость, определяет минимально допустимый (нижний) предел цены производимой продукции ЦНИЖ, руб., при котором предприятие способно оплатить все затраты на производство С, руб., и выплатить вышеуказанные налоги, руб.:
ЦНИЖ=С+Н
Для получения прибыли требуется дополнение представленной формулы еще одним компонентом прибылью в расчете на одно изделие (1кВт) Пед, руб.:
ЦНИЖ=С+Н+ Пед
Таким образом, получается руб./кВт цена реализации 1кВт электроэнергии.
5. Составление «Отчета о финансовых результатах» (табл.3) предприятия (годовой отчет) [8].
Таблица 3. Отчет о финансовых результатах
|
Наименование показателя |
Значение, тыс.руб. |
|
1.Выручка от реализации продукции 2.Затраты на производство 3.Балансовая прибыль от реализации продукции (строка1-строка2) 4.Налоги, относимые на финансовые результаты (табл.4) 5. Балансовая прибыль без налогов, относимых на финансовые результаты (строка3-строка4) 7.Налогооблагаемая прибыль (строка5) 8.Налог на прибыль(35%) 9.Чистая прибыль (строка7-строка8) |
3360000 2913580,5 446419,5 6858,8 439560,7 439560,7 153846,2 285714,5 |
Таблица4. Налоги, относимые на финансовые результаты
|
Наименование налогов и отчислений |
Значение, тыс. руб. |
|
1.Сбор на нужды образовательных учреждений (1% от затрат на оплату труда) 2.Налог на содержание жилищного фонда и объектов социально-культурной сферы (1,5% от объема реализации) |
162,54 6696,3 |
|
Всего |
6858,8 |
В электроэнергетике полученная прибыль распределяется по всей энергосистеме: от места производства электроэнергии до распределительных пунктов. С учетом этого чистую прибыль электростанции принимаем равной 20% от всей прибыли (57142,9 тыс. руб.).
Основными возможными направлениями распределения чистой прибыли являются следующие:
выплата дивидендов по акциям и процентов по вкладам совладельцев предприятия;
расширение и обновление производства (строительство и реконструкция производства, приобретение и модернизация оборудования, проведение научных исследований и т.д.);
социальное развитие (пенсионное и медицинское страхование, жилье, транспорт, отдых сотрудников);
страховые и резервные фонды (неблагоприятное изменение рыночной конъюнктуры, риски по ценным бумагам и т.д.).
6. Определение точки безубыточности производства.
Необходимо рассмотреть классификацию затрат по их зависимости от объема производства, которые по этому признаку делятся на условно-переменные (пропорциональные) и условно-постоянные (непропорциональные). К условно-переменным относятся материальные затраты, к условно-постоянным заработанная плата, амортизация, затраты на собственные нужды и т.д.
Себестоимость единицы продукции руб./шт. равна:
,
где - величина условно-переменных расходов в себестоимости единицы продукции, руб./шт.; - суммарная величина условно-постоянных расходов в себестоимости всего объема производства продукции, шт; -объем производства продукции, шт.
Определение точки безубыточности, шт.
.
7.Определение срока окупаемости нового оборудования.
Допустим, что на данном предприятии на расширение и обновление производства ежегодно выделяется 30% от чистой прибыли. Тогда срок окупаемости оборудования равен, год:
,
где К - величина капитальных вложений; чистая прибыль.
.
8. Подготовка выводов по проведенному исследованию
Срок окупаемости нового оборудования (шкафа цифровой защиты генератора ШЭ1111) минимальный, менее 0,5 года, соответственно экономическая эффективность реализации данного проекта достаточно высока.
6. Безопасность жизнедеятельности
Меры безопасности при проведении испытаний с подачей напряжения от постороннего источника питания
Воздействие электрического тока на организм человека.
Электробезопасность система организационных и технических мероприятий и средств, обеспечивающих защиту людей от вредного и опасного воздействия электрического тока, электрической дуги, электромагнитного поля и статического электричества.
Опасность электрического тока в отличие от прочих опасностей усугубляется тем, что человек не в состоянии без специальных приборов обнаружить напряжение дистанционно, как, например, движущиеся части, раскаленные объекты, открытые люки, неогражденные края площадки, находящейся на высоте, и т. п. Опасность обнаруживается слишком поздно когда человек уже поражен электрическим током.
Анализ смертельных несчастных случаев на производстве показывает, что на долю поражений электрическим током приходится до 40%, а в энергетике до 60 %. Большая часть смертельных электропоражений (80%) наблюдается в электроустановках напряжением до 1000 В.
Защитные меры должны вполне обеспечивать безопасность, но требования к ним должны быть разумными, без «перестраховки». Чтобы определить эти требования, надо ознакомиться с действием электрического тока на организм человека, определить допустимые значения тока через человека и приложенного напряжения, а также их зависимость от параметров электроустановки рода тока, напряжения, частоты и т. п.
Действие электрического тока на живую ткань носит разносторонний и своеобразный характер. Проходя через живые ткани, электрический ток оказывает термическое, электролитическое, механическое и биологическое воздействие.
Термическое действие тока проявляется ожогами отдельных участков тела, нагревом до высокой температуры органов, расположенных на пути тока, вызывая в них значительные функциональные расстройства. Электролитическое действие тока выражается в разложении органической жидкости, в том числе крови, в нарушении ее физико-химического состава. Механическое действие тока приводит к расслоению, разрыву тканей организма в результате электродинамического эффекта, а также мгновенного взрывоподобного образования пара из тканевой жидкости и крови. Биологическое действие тока проявляется раздражением и возбуждением живых тканей организма, а также нарушением внутренних биологических процессов.
Виды поражений электрическим током. Следует выделить два вида поражений электрическим током: электрический удар и местные электрические травмы, которые резко отличаются друг от друга. Местными электрическими травмами являются поражения тканей и органов электрическим током: ожоги, электрические знаки, электрометаллизация кожи, механические повреждения и электроофтальмия.
Электрический ожог возможен при прохождении через тело человека значительных токов (более 1А). В тканях, через которые проходит ток, как и в любом сопротивлении, выделяется некоторое количество теплоты, пропорциональное приложенному напряжению и току. Этой теплоты, при больших токах достаточно для нагрева поражаемых тканей до температуры 60-70°С, при которой свертывается белок и возникает ожог. Такие ожоги глубоко в ткани тела и поэтому очень болезненны и требуют длительного лечения, а иногда приводят к частичной или полной инвалидности.
В электроустановках напряжением 35 кВ и выше ожоги могут возникать и без непосредственного контакта с токоведущими частями, а лишь при случайном приближении на опасное расстояние. Когда это расстояние меньше или равно разрядному, возникает сначала искровой разряд, который переходит в электрическую дугу. Температура дуги достигает 4000 °С, кроме того, ткани тела человека нагреваются проходящим через них током. Это приводит к ожогу. Под действием тока происходит резкое сокращение мышц. которое приводит к разрыву дуги. Поскольку ток проходил через тело человека кратковременно, нарушений дыхания и кровообращения может не наступить, однако полученные ожоги весьма серьезны, а иногда и смертельны.
В электроустановках до 1000 В возможны также ожоги электрической дугой. В этом случае дуга возникает между токоведущими частями, а человек попадает в зону действия дуги.
Возможны ожоги и без прохождения тока при прикосновении к сильно нагретым частям электрооборудования, от разлетающихся раскаленных частиц металла и т. п.
Электрические знаки (метки тока) возникают при хорошем контакте с токоведущими частями. Они представляют собой припухлость с затвердевшей в виде мозоли кожей серого или желтовато-белого цвета круглой или овальной формы.
Электрометаллизация кожи проникновение под поверхность кожи частиц металла вследствие разбрызгивания и испарения его под действием тока, например при горении дуги.
Электроофтальмия. К электрическим травмам следует отнести также поражение глаз вследствие воздействия ультрафиолетового излучения электрической дуги или ожогов.
Механические повреждения (ушибы, переломы и пр.) при падении с высоты вследствие резких непроизвольных движений или потери сознания, вызванных действием тока, также относятся к электрическим травмам.
Электрический удар наблюдается при воздействии малых токов обычно до нескольких сотен миллиампер и соответственно при небольших напряжениях как правило, до 1000 В.При такой малой мощности выделение теплоты ничтожно и не вызывает ожога. Ток действует на нервную систему и на мышцы, причем может возникнуть паралич пораженных органов. Паралич дыхательных мышц, а также мышц сердца может привести к смертельному исходу.
Исход поражения человека электротоком зависит от многих факторов: силы тока и времени его прохождения через организм, характеристики тока (переменный или постоянный), пути тока в теле человека, при переменном токе от частоты колебаний.
Ток, проходящий через организм, зависит от напряжения прикосновения, под которым оказался пострадавший, и суммарного электрического сопротивления, в которое входит сопротивление тела человека. Величина последнего определяется в основном сопротивлением рогового слоя кожи, составляющим при сухой коже и отсутствии повреждений сотни тысяч Ом. Если эти условия состояния кожи не выполняются, то ее сопротивление падает до 1кОм. При высоком напряжении и значительном времени протекания тока через тело сопротивление кожи падает еще больше, что приводит к более тяжелым последствиям поражения током.
На сопротивление организма воздействию электрического тока оказывает влияние физическое и психическое состояние человека. Нездоровье, утомление, голод, опьянение, эмоциональное возбуждение приводит к снижению сопротивления.
Допустимым считается ток, при котором человек может самостоятельно освободиться от электрической цепи. Его величина зависит от скорости прохождения тока через тело человека: при длительности действия более 10с 2мА, при 10с и менее 6мА.
Небольшие токи вызывают лишь неприятные ощущения. Если ток имеет значение, достаточное, чтобы парализовать мышцы рук, человек неспособен самостоятельно освободиться от тока, таким образом, действие тока будет длительным.
Ток в несколько десятков миллиампер при длительном воздействии (более 20с) приводит к остановке дыхания. Но наиболее опасны остановка и фибрилляция сердца.
Остановка сердца вызывается током в несколько сотен миллиампер при сравнительно малой длительности воздействия (доли секунды), причем мышцы сердца расслабляются и остаются в таком состоянии. Фибрилляция сердца заключается в беспорядочном сокращении и расслаблении мышечных волокон сердца. Сердце затрачивает значительную энергию, но не производит полезной работы, кровообращение прекращается, сердце истощается и останавливается.
Следует отметить, что большие токи (порядка нескольких ампер) не вызывает ни остановки, ни фибрилляции сердца. Сердечные мышцы под действием тока обычно резко сокращаются и остаются в таком состоянии до отключения тока, после чего сердце продолжает работать.
Можно выделить следующие пороговые значения тока:
1)порог ощущения тока наименьший ощутимый ток (0.5-1.5 мА);
2)порог неотпускающего тока наименьший ток, при котором человек уже не может самостоятельно освободиться от захваченных электродов действием тех мышц, через которые проходит ток (6-10мА). Меньшие токи называют отпускающими;
3)смертельный ток (100 мА и более).
Продолжительность воздействия тока на организм человека один из основных факторов. Чем короче время воздействия тока, тем меньше опасность.
Если ток неотпускающий, но еще не нарушает дыхания и работы сердца, быстрое отключение спасает пострадавшего, который не смог бы освободиться сам. При длительном воздействии тока сопротивление тела человека падает, и ток возрастает до значения, способного вызвать остановку дыхания или даже фибрилляцию сердца.
Путь тока в теле человека. Наиболее опасен тот, при котором поражается головной мозг(голова руки, голова ноги), сердце и легкие. Отмечено, что по пути «рука рука» через сердце проходит 3,3% общего тока, «левая рука ноги» 3,7%, «правая рука ноги» 7%. По данным статистики потеря трудоспособности на три дня и более наблюдалась при пути тока «рука рука» в 83% случаев, «левая рука ноги» 80%, «правая рука ноги» 87%, «нога нога» в 15% случаев.
Таким образом, путь тока влияет на исход поражения; ток в теле человека проходит не обязательно по кратчайшему пути, что объясняется большей разницей в удельном сопротивлении различных тканей (костная, мышечная, жировая и т. д.)
Наименьший ток через сердце проходит при пути тока по нижней петле «нога нога». Однако из этого не следует делать выводы о малой опасности нижней петли (действие шагов напряжения). Обычно если ток достаточно велик, он вызывает судороги ног, и человек падает, после чего ток уже может проходить через грудную клетку, т.е. через дыхательные мышцы и сердце. Кроме того, увеличивается приложенное напряжение.
Меры безопасности при проведении испытаний.
Испытание проводятся бригадами в составе не менее двух человек, из которых производитель работ должен иметь квалификационную группу не ниже IV, а остальные - не ниже III.
Проведение испытаний может поручаться лишь персоналу, прошедшему специальную подготовку и проверку знания схем испытаний и правил, изложенных в данной главе, и имеющему практический опыт проведения испытаний в условиях действующих электроустановок.
Указанная проверка производится одновременно с общей проверкой знаний Правил техники безопасности в те же сроки и той же комиссией с включением в ее состав специалиста по испытаниям оборудования, имеющего квалификационную группу V.
Лица, допущенные к проведению испытаний, должны иметь отметку об этом в удостоверении.
Испытания должны производиться по наряду.
Испытания электродвигателей, от которых отсоединены питающие кабели, и концы их заземлены, могут проводиться по распоряжению ИТР электротехнического персонала.
В состав бригады, проводящей испытания, могут быть включены лица ремонтного персонала с квалификационной группой II для выполнения подготовительных работ, для охраны испытываемого оборудования, а также для выполнения разъединения и соединения шин. До начала испытаний производитель работ должен проинструктировать этих работников о мерах безопасности при проведении испытаний.
Оформление работы нарядом, отключение рабочего напряжения, вывешивание плакатов. Установка ограждений, проверка отсутствия напряжения, установка заземления, допуск к работам и т.д. осуществляется согласно общим правилам.
Допуск по нарядам, выданным на проведение испытаний или проведение, кроме испытаний, подготовительных и ремонтных работ, может быть произведен только после сдачи нарядов другими бригадами, работающим на подлежащем испытанию оборудовании или участке присоединения.
При проведении испытаний на одном участке присоединения на отделенных от него разъединителями других участках присоединения, на которых производятся работы, должны быть наложены заземления.
Одновременное производство испытаний и ремонтных работ различными бригадами в приделах одного присоединения не допускается.
Переносные заземления, мешающие проведению испытаний, могут быть сняты и снова наложены лишь после того, как на высоковольтный вывод испытательной установки бригада, ведущие испытания, наложит штангой специальное заземление.
Перед началом испытания необходимо проверить наличие стационарного заземления кожухов испытываемого оборудования. Кожух испытательной установки и каркас пульта управления должны быть заземлены бригадой, проводящей испытания.
Сборку схем испытания оборудования производит персонал бригады, проводящей испытания.
Место испытаний, а также соединительные провода, которые при испытании находятся под испытательным напряжением, должны быть ограждены или у места испытания должен быть выставлен наблюдающий. Обязанности наблюдающего может выполнять лицо, производящее присоединение измерительной схемы к испытываемому оборудованию. Ограждение выполняется персоналом бригады, производящей испытания.
В качестве ограждений могут применяться щиты, барьеры, канаты с подвешенными на них плакатами "Стой высокое напряжение" или световыми табло с такой же надписью, световое ограждение с фотоэлементами, отключающими испытательную установку при пересечении человеком установленных границ.
Если соединительные провода, находящиеся под испытательным напряжением, расположены вне помещения электроустановки напряжением выше l000B (коридоры, лестницы, проходы, территория), необходимо независимо от ограждения выставить охрану из одного или нескольких проинструктированных и введенных в наряд лиц с квалификационной группой не ниже II для предупреждения об опасности приближения или проникновения за ограждение.
Лицам, назначенным для охраны испытываемого оборудования, производителем работы должны быть даны указания, с какого времени это оборудование должно рассматриваться, как находящееся под напряжением. Это время может отсчитываться с момента вступления их на пост либо с момента получения ими на посту команды о начале испытания, переданной производителем работ непосредственно или по находящемуся на посту телефону, либо через одного из членов бригады.
Во всех случаях производитель работ должен получить подтверждение от лиц, назначенных для охраны, что команда о начале испытаний ими получена и что они находятся на посту.
Провод, с помощью которого повышенное напряжение от испытательной установки подводится к испытываемому оборудованию, должен быть надежно закреплен с помощью промежуточных изоляторов, изолирующих подвесок и т.п., чтобы было исключено случайное приближение (подхлестывание) этого провода к находящимся под напряжением токоведущей части электроустановок.
По окончании испытаний производитель работ снижает напряжение испытательной установки до нуля, отключает рубильник, подающий напряжение от сети 380/220В, заземляет (или дает распоряжение о заземлении) вывод испытательной установки и сообщает об этом работникам бригады словами "Напряжение снято". Только после этого можно производить присоединения проводов от испытательной установки или, в случае окончания испытания их отсоединения и снятие ограждения.
До испытания изоляции кабельной линии, а также после испытания необходимо разрядить кабель на землю и убедиться в полном отсутствии на нем заряда. Только после этого разрешается снять плакаты.
Наложение и снятие заземления заземляющей штангой на высоковольтный вывод испытательной установки, подсоединение и отсоединение проводов от этой установки к испытываемому оборудованию должны производиться одним и тем же лицом и выполняться в диэлектрических перчатках.
Независимо от заземления вывода испытательной установки лицо, производящее присоединения в испытательной схеме, должно наложить заземления на соединительный провод и на изолированные от земли части испытываемого оборудования. Снимать эти заземления можно только после окончания операций по присоединению.
Если лицу, производящему пересоединения, видно заземление, наложенное на вывод испытательного устройства, то заземлять переносимый им конец соединительного провода, не требуется. Во время испытаний и при пересоединении незаземленные части испытываемого оборудования должны рассматриваться как находящиеся под напряжением.
При использовании передвижной или стационарной испытательной установки должны быть выполнены следующие условия:
а) испытательная установка должна быть разделена на два отделения. В одном отделении помещается аппаратура напряжением ниже 1000B и находится оператор, управляющий установкой, в другом все оборудование токоведущие части напряжением выше l000B;
б) устройство установки напряжением выше l000B должно быть целиком ограждено от прикосновения;
в) дверь в отделение установки с оборудованием напряжением выше l000B должна иметь электрическую блокировку, обеспечивающие снятие напряжения выше l000B при открытой двери, и сигнальную лампу, светящуюся, когда часть установки напряжением выше l000B находится под напряжением;
г) вся аппаратура напряжением ниже 1000В (рубильники, предохранители и др.) должна быть расположена так, чтобы были обеспечены безопасное и удобное наблюдение, оперирование ею и осмотр.
Измерение мегомметром на напряжение до 2,5кВ разрешается производить обученным лицом электротехнического персонала с квалификационной группой не ниже III.
Измерения могут производиться лицами, включенными в состав бригады, работающей по наряду, без указания в наряде о необходимости проведения измерений.
Измерения сопротивления изоляции какой-либо части электроустановки могут производиться только тогда, когда эта часть отключена со всех сторон. Лицо, производящее измерения мегомметром, должно само убедиться в выполнении этого требования и подготовленности рабочего места.
Перед началом работы с мегомметром необходимо убедиться в отсутствии людей, производящих работу на части электроустановки, которой присоединен мегомметр, запретить находящимся вблизи нее прикасаться к токоведущим частям, если нужно, выставить охрану.
Для контроля состояния изоляции электродвигателей в соответствии с эксплуатационными инструкциями измерения мегомметром на остановленной или вращающейся, но невозбужденной машине могут проводиться оперативным персоналом или по его распоряжению в порядке текущей эксплуатации работниками электролаборатории. Под наблюдением оперативного персонала эти измерения могут производиться и ремонтным персоналом.
Испытания изоляции роторов, якорей и цепей возбуждения могут проводиться одним лицом с квалификационной группой не ниже III; испытания изоляции статоров - не менее чем двумя лицами, одно из которых должно иметь квалификационную группу не ниже IV, второе - не ниже III.
Заключение
В выполненной бакалаврской работе на тему «Проектирование релейной защиты и автоматики блока генератор-трансформатор» была разработана принципиальная электрическая схема станции. На основании исходных данных произведен выбор главного оборудования, сечение проводов линий электропередач. По полученным данным расчета токов короткого замыкания в заданных точках выбраны вспомогательное оборудование и коммутационная аппаратура. Затем для разработанной станции был произведен расчет уставок микропроцессорной защиты блока генератор-трансформатор, которая выполнена на базе шкафа ШЭ1111 ООО НПП «ЭКРА». В работе дано описание микропроцессорной автоматики (автоматический регулятор возбуждения сильного действия (АРВ-СДМ), автоматический синхронизатор типа СПРИНТ). Было проведено исследование защит блока генератор-трансформатор, выполненных на разных элементных базах (электромеханическая и микропроцессорная) и сделан сравнительный анализ, вывод которого говорит о преимуществах цифровой защиты. В экономической части выполнен расчет срока окупаемости цифровой защиты генератора на базе шкафа ШЭ1111.
Библиографический список
- Рокотян С.С. и Шапиро И.М. Справочник по проектированию электроэнергетических систем. 3-е издание, переработанное и дополненное М.: Энергоатомиздат, 1985 г.
- Рожкова Л.Д., Козулин В.С. Электрооборудование станций и подстанций. М.: Энергоатомиздат, 2007. 648с.
- Ульянов С.А. Короткие замыкания в электрических системах. М.: Госэнергоиздат, 2012 г.
- Васильев А.А. Электрическая часть станций и подстанций. М.: Энергия, 1980. 608с.
- Вавин В.Н. Релейная защита блоков генератор-трансформатор. М.: Энергоиздат, 2012. 256с.
- Правила устройства электроустановок (ПУЭ). М.: Главгосэнергонадзор России, 2008 г.
- Руководящие указания по релейной защите. Выпуск 5. Защита блоков генератор-трансформатор и генератор-автотрансформатор. М.: Энергия, 1963. 114с.
- Овчаренко Н.И. Автоматика электрических станций и электроэнергетических систем. М.: НЦ ЭНАС, 2001. 504с.
- Мельник А.Н. Методические указания к выполнению экономических разделов выпускных квалификационных работ. Казань: КГЭУ, 2004.
- Шацких З.В., Истомин А.С. Методические указания к курсовому проектированию по курсу «Экономика и организация энергетических предприятий». Казань: КЭИ, 2009.
- Белов С.В. Безопасность жизнедеятельности. М.: Высшая школа, 2012.
- www.ekra.ru
- www.laborant.ru
ВГМ2090/11200У3
Выключатель
Генераторный
Маломасляный
Номинальное напряжение, кВ
Номинальный ток отключения, кА
Номинальный ток, А
Климатическое исполнение и категория размещения.
ВГУ220II50/3150У1
Выключатель
Газовый
Конструктивное исполнение
Номинальное напряжение, кВ
Категория изоляции по длине пути утечки
Номинальный ток отключения, кА
Номинальный ток, А
Климатическое исполнение и категория размещения.
РДЗ2220/2000НУ3Л1
Разъединитель
Двухколонковый
Наличие заземлителей
Количество заземлителей
Номинальное напряжение, кВ
Номинальный ток, А
Повышенная надежность
Климатическое исполнение и категория размещения.
РВПЗ220/12500НУ3
Разъединитель
Внутренняя установка
Поступательное движение главных ножей
Наличие заземлителей
Количество заземлителей
Номинальное напряжение, кВ Номинальный ток, А
Повышенная надежность
Климатическое исполнение и категория размещения
ТВТ220 II2000/5У3
Трансформатор тока
Встроенный
Для силовых трансформаторов
Номинальное напряжение ввода, кВ
Номер конструктивного варианта исполнения
Номинальный первичный ток, А
Номинальный вторичный ток, А
Климатическое исполнение и категория размещения.
ТФЗМ220БIII
Трансформатор тока
Фарфоровая изоляция
Вторичная обмотка звеньевого типа
Маслонаполненный
Номинальное напряжение, кВ
Категория по степени загрязнения изоляции
Климатическое исполнение и категория размещения.
Ш2010Р(0,2)10000/5У3
Трансформатор тока
Шинный
Номинальное напряжение, кВ
Класс точности вторичной обмотки для защиты (измерений)
Номинальный первичный ток, А
Номинальный вторичный ток, А
Климатическое исполнение и категория
размещения.
НКФМ220IIУ1И
Трансформатор напряжения
Электромагнитный каскадный
С фарфоровой изоляцией
Модернизированный
Номинальное напряжение, кВ
Условия работы (степень загрязнения)
Климатическое исполнение и категория размещения
Изолированная нейтраль
ЗНОЛ.0615У3
С одним заземленным выводом
Трансформатор напряжения
Однофазный
С литой изоляцией
Порядковый номер разработки
Номинальное напряжение, кВ
Климатическое исполнение и категория размещения.
Турбогенератор
Непосредственное охлаждение водой обмоток статора и водородом обмотки ротора
Мощность, МВт
Количество полюсов
ТВВ2002
Трехфазный
Охлаждение с принудительной циркуляцией воздуха и масла с ненаправленным потоком масла
Мощность, кВА
Класс напряжения обмотки ВН, кВ
ТДЦ250000/220
Трехфазный
С расщепленной обмоткой
Система охлаждения масляная с дутьем и с естественной циркуляцией масла
Выполнение одной из обмоток с устройством регулирования под нагрузкой
Для СН электростанции
Мощность, кВА
Класс напряжения обмотки ВН, кВ
ТРДНС25000/15
ПРОЕКТИРОВАНИЕ РЕЛЕЙНОЙ ЗАЩИТЫ И АВТОМАТИКИ БЛОКА ГЕНЕРАТОР – ТРАНСФОРМАТОР