Входные цепи радиоприемных устройств различных диапазонов
ЛЕКЦИЯ 3
2.2 Входные цепи радиоприемных устройств различных диапазонов
2.2.1. Основные характеристики ВЦ
Любая антенна, подключенная ко входу приемника, может рассматриваться как источник ЭДС сигнала и помех с внутренним сопротивлением (рис.3.2). Существует огромное многообразие антенн, отличающихся друг от друга, в конечном счете, величиной внутреннего сопротивления. С учетом этих замечаний входную цепь можно определить как часть высокочастотного тракта (ВЧТ), предназначенную для согласованной передачи сигналов из антенны на вход последующих каскадов и подавления побочных каналов приема (за исключением соседнего канала).
Входные цепи характеризуются следующими параметрами:

1) Коэффициент передачи по напряжению . На практике представляет интерес резонансный коэффициент передачи () и его зависимость от частоты настройки приемника (рис.3.1).
2) Диапазон частот - интервал, в пределах которого возможна перестройка ВЦ. Часто характеризуется коэффициентом перекрытия по диапазону . Рис.3.1
3) Полоса пропускания () - интервал частот, в пределах которого неравномерность передачи составляющих спектра принимаемого сигнала не превышает 3дБ.
4) Избирательность ВЦ - величина, характеризуемая отношением или в децибелах . Входные цепи предназначены для обеспечения избирательности прежде всего по зеркальному, прямому и комбинационным каналам приема. Реально достижимая избирательность при этом 20...80дБ.
К входным цепям современных приемников предъявляются высокие требования. Основными из них являются: высокие избирательность и коэффициент передачи; малые частотные искажения, вызываемые неравномерностью АЧХ ВЦ; малые нелинейные искажения (при использовании во входных цепях варикапов, электронных ключей и т.п.); малый коэффициент шума; постоянство параметров по диапазону; малое влияние смены антенны на работу радиоприемника.
2.2.2. Характеристики приемных антенн
Антенна является источником сигнала для радиоприемника и подключается к входной цепи либо непосредственно, либо через линию передачи. Для обеспечения режима согласованной передачи мощности необходимо при расчетах учитывать основные характеристики антенн. Приемная антенна, как уже говорилось выше, может быть представлена эквивалентным генератором тока или напряжения (рис.3.2).
Для симметричных вибраторов, геометрическая длина которых много меньше четверти длины волны, справедливы соотношения [8]:

- полное сопротивление антенны,
, - сопротивление потерь,
- сопротивление излучения антенны (для (3.1)
- реактивная составляющая сопротивления (при
Здесь - половина геометрической длины антенны;
- действующая длина антенны, для можно считать ;
- эквивалентное волновое сопротивление провода антенны;
-диаметр провода;
- волновое число.

Для несимметричных антенн действующая длина и обе составляющие полного сопротивления уменьшаются в два раза.
С учетом сказанного эквивалент антенны можно представить в виде, изображенном на рис.3.3.
2.2.3 Анализ обобщенной схемы ВЦ
Любую входную цепь можно заменить эквивалентной схемой, изображенной на рис.3.5,а. В ее состав входят избирательная система (ИС), элемент связи антенны с избирательной системой (ЭС1) , элемент связи усилительного прибора (УП) с избирательной системой (ЭС2) . Получим выражение для коэффициента передачи входной цепи ().
Пусть ЭС1 характеризуется коэффициентом связи и внутренним сопротивлением , ЭС2 - коэффициентом связи и внутренним сопротивлением . Внутреннее сопротивление антенны () и входное сопротивление усилительного прибора () в общем случае величины комплексные. Для простоты в качестве ИС рассмотрим одиночный параллельный колебательный контур , потери которого учтены активной проводимостью . Из основ радиотехники известно, что
, (3.4)
где - сопротивление контура при резонансе;
- активное сопротивление потерь контура (сосредоточенно в основном в индуктивной цепи);
- характеристическое сопротивление контура.
Сопротивления элементов связи ЭС1 и ЭС2 всегда можно пересчитать в антенну и в нагрузку соответственно. Обозначив новое значение внутреннего сопротивления антенны через , а проводимости нагрузки - через , приведем эквивалентную схему к виду, изображенному на риc. 3.5,б. В этой схеме элементы связи ЭС1 и ЭС2 представляют собой пассивные четырехполюсники без потерь, полностью характеризующиеся только коэффициентами связи и .

Заменим далее, в соответствии с теоремой эквивалентности, генератор ЭДС генератором тока, а колебательный контур соответствующей проводимостью . Пересчитаем проводимость нагрузки в контур. Суммарная проводимость контура станет равной . Эквивалентная схема примет вид, изображенный на рис.3.5,в. И, наконец, пересчитаем генератор тока в контур. При этом ток генератора изменится в раз, а его проводимость, как известно, в . Окончательный вариант эквивалентной схемы изображен на рис.3.5,г. Напряжение на контуре в этой схеме, очевидно, можно получить, разделив ток эквивалентного генератора на эквивалентную проводимость
. (3.5)
По определению, резонансный коэффициент передачи ВЦ равен
. (3.6)
Помножив числитель и знаменатель (3.6) на , получим:
. (3.7)
Подставим в последнюю формулу вместо его значение из формулы (3.5), пересчитав в нем ток генератора в ЭДС (см. рис.3.5,в). В результате получим:
. (3.8)
И окончательно, после сокращения на , формула приобретает вид:
. (3.9)
При резонансе
, (3.10)
т.е. эквивалентная проводимость носит чисто активный характер и предыдущее выражение принимает вид:
, (3.11)
где модуль комплексного сопротивления антенны при .
2.2.4. Схемы входных цепей
В зависимости от величины связи антенны с избирательной системой входные цепи делятся на две группы.
1) ВЦ с непосредственной связью ().
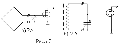
При сильной связи антенны с избирательной цепью велика доля вносимых из антенны в ИС сопротивлений. Активная составляющая при этом ухудшает добротность контура ВЦ, а реактивная приводит к его расстройке. При смене антенн меняются их параметры, а значит и влияние антенны на ВЦ. По этой причине непосредственная связь применяется только при несменяемых антеннах. Примером таковых являются рамочная и магнитная антенны (рис.3.7, позиции «а» и «б» соответственно).

В обоих случаях антенны одновременно являются элементами колебательных контуров избирательной системы. Полезно помнить, что для эквивалентного генератора, учитывающего ЭДС, наведенную в антенне, индуктивность и емкость контура включены последовательно, а значит в настроенном контуре имеет место резонанс напряжений. Явление это заключается в том, что напряжения на реактивностях контура (например, на конденсаторе, подключенном ко входу УРЧ на рисунке) в Q раз больше наведенной в антенне ЭДС, т.е. справедливо соотношение
, (3.12)
где Qэ- эквивалентная добротность антенного контура (с учетом шунтирующего действия входного сопротивления первого каскада УРЧ). При использовании в первом каскаде приемника полевых транзисторов, имеющих большое входное сопротивление, коэффициент связи m2 обычно выбирается равным единице. В случае применения биполярных транзисторов, для уменьшения шунтирующего действия используют частичное подключение усилительного прибора к контуру.
2) Входные цепи с ослабленной связью ()
Размеры и тип антенны, с которой будет работать широковещательный приемник заранее неизвестны, поэтому в диапазонах ДВ, СВ и КВ, где весьма сложно использовать настроенные антенны, нежелательное влияние разброса параметров сменяемых антенн на настройку и согласование ВЦ уменьшают путем применения слабой связи антенны с колебательным контуром ВЦ. Не следует думать, что уменьшение связи ухудшит чувствительность приемника. В упомянутых диапазонах внешние шумы существенно превалируют над внутренними (рис.1.5) и чувствительность ограничивается отношением сигнал/шум на входе приемника. Уменьшение коэффициента связи m1 пропорционально уменьшает как сигнал, так и шум, оставляя неизменным их отношение. В принципе, чем меньше коэффициент связи, тем лучше с точки зрения минимизации влияния антенны на ВЦ. Пределом здесь является такой коэффициент связи, при котором внешние шумы на входе приемника становятся соизмеримыми с внутренними шумами приемника, приведенными ко входу.
В зависимости от типа ИС и вида связи различают следующие виды ВЦ:

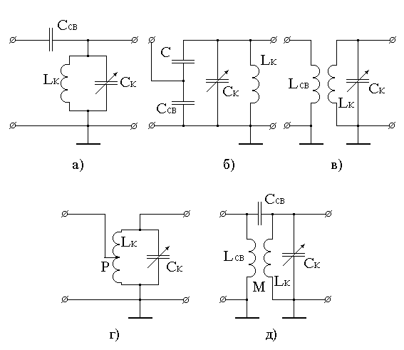
а) Одноконтурные перестраиваемые ВЦ (рис.3.8)
Рис.3.8 Одноконтурные перестраиваемые ВЦ:
а) с внешнеемкостной связью; б) с внутриемкостной ;
в) с индуктивной ;г) с автотрансформаторной; д) с комбинированной.
б) Многоконтурные перестраиваемые ВЦ
Такие ВЦ делают обычно двухконтурными, реже трехконтурными. На рис. 3.9 приведен пример двухконтурной цепи со смешанной связью между контурами. Во-первых, конденсатор Ссв3 входит в состав как первого, так и второго контура, реализуя внутриемкостную связь между ними. Во-вторых, контура связаны через внешнюю емкость Ссв2 и, наконец, катушки контуров Lk1 и Lk2 намотаны на общем каркасе, что обеспечивает индуктивную связь между контурами. Смешанный вид связи между контурами обеспечивает меньшие изменения резонансного коэффициента
Рис. 3.9 передачи ВЦ при её перестройке по диапазону.
в) ВЦ на основе неперестраиваемых полосовых фильтров или ФНЧ
Многозвенные полосовые фильтры представляют собой совокупности параллельных колебательных контуров, в качестве элементов связи между которыми используются либо конденсаторы, либо последовательные колебательные контура. На рис. 3.11 приведен пример такой входной цепи и её АЧХ. Полоса пропускания полосового фильтра делается равной ширине рабочего диапазона (поддиапазона) приемника .


Рис. 3.11
В так называемых инфрадинных приемниках применяются неперестраиваемые входные цепи в виде фильтров нижних частот.
2.2.5. Особенности построения ВЦ метрового, дециметрового, сантиметрового и миллиметрового диапазонов

При переходе на частоты свыше 500…800МГц катушка индуктивности контура вырождается в один неполный виток, требуемая емкость становиться сравнимой с емкостью монтажа. Практическая реализация таких контуров существенно затруднена. Поэтому в диапазоне длин волн короче 1 м в качестве колебательного контура используются цепи с распределенными параметрами.













Входные цепи радиоприемных устройств различных диапазонов