Радиоприемные устройства систем управления средствами поражения
ЛЕКЦИЯ 2 (2 часа)
Тема 2. Радиоприемные устройства систем управления средствами поражения
2.1 Радиоприемные устройства как составная часть систем управления средствами поражения
2.1.1 Принцип действия приемника по обобщенной структурной схеме
Несмотря на многообразие типов приемников и имея ввиду наиболее общие их функциональные составные части, можно говорить о некоторой обобщенной структурной схеме радиоприемного устройства. Такая схема изображена на рис.3.

Рис.3 Обобщенная структурная схема приемника
Антенна (А) предназначена для преобразования электромагнитного поля приходящей радиоволны в высокочастотное напряжение (ток) на входе приемника. При этом преобразованию (в общем случае с разной эффективностью) подвергается как полезный сигнал, так и помеховый.
Тракт радиочастоты (ТРЧ) решает задачу частотной селекции (выделения полезного сигнала из смеси сигнал + шум) и усиления полезного сигнала до величины, необходимой для нормальной работы детектора. Кроме того, его входные цепи обеспечивают согласование (передачу максимально возможной мощности) антенны со входом приемника.
Детектор (Д) предназначен для преобразования принятого радиосигнала в напряжение, изменяющееся по закону модуляции (управляющего сигнала на передающей стороне). Тракт частоты модуляции (ТЧМ), или низкочастотный тракт, усиливает информационный сигнал до уровня, требуемого для нормальной работы оконечного устройства (ОУ). ОУ - устройство, преобразующее информационный сигнал к виду, удобному для потребителя информации. Формально в состав приемного устройства оно не входит.
Ниже в курсе под приемником будет пониматься совокупность устройств от антенного входа до детектора включительно, т.е. устройства, обеспечивающие первичную обработку сигнала. Основными операциями первичной обработки являются частотная селекция принимаемых сигналов, увеличение их амплитуды (усиление), преобразование частоты и детектирование. При всех этих преобразованиях принимаются меры по согласованию отдельных функциональных каскадов между собой.
2.1.2 Основные качественные показатели радиоприемников
Следует иметь ввиду, что термин характеристика в литературе имеет двоякое толкование. В широком смысле под характеристикой понимают информацию об объекте, отражающую его отличие от других объектов и некоторые его возможности. Если информация представлена дискретными числовыми величинами, характеризующими свойства объекта, то эти величины называют параметрами, если же непрерывными (как правило, графическими) зависимостями, то используют термин характеристика в узком смысле этого слова.
В конечном счете, все приемники, каково бы ни было их разнообразие, с точки зрения потребителя отличаются друг от друга своими характеристиками. Ниже перечислены основные из них.
1. Диапазон рабочих частот - интервал частот , в пределах которого основные характеристики приемника не выходят за границы, оговоренные техническими условиями. Как правило диапазон подразделяется на поддиапазоны (ДВ, СВ, КВ и т. д.)
2. Чувствительность () - мера способности радиоприемника обеспечивать прием слабых сигналов.

3. Амплитудная характеристика - зависимость амплитуды выходного напряжения приемника от амплитуды несущей на входе (рис. 4). Даже при отсутствии входного сигнала, на выходе присутствуют собственные шумы приемника (), искривляющие амплитудную характеристику левее точки “А”. Уменьшение крутизны характеристики правее точки “В” вызвано нелинейностью проходных характеристик усилительных приборов, на которых реализованы каскады приемника.
3. Динамический диапазон () - интервал входных напряжений, при которых сохраняется работоспособность приемника, выраженный отношением
,
где - максимальная ЭДС сигнала на входе приемника, при которой уровень нелинейных искажений на его выходе начинает превышать заданное значение;
- чувствительность приемника (см. рис.4).
Динамический диапазон часто приводится в децибелах и для современных приемников может составлять величину 100...120 дБ.
4. Избирательность - способность приемника выделять полезный сигнал и ослаблять действие мешающих. Подразделяется на частотную, обеспечивающую селекцию по частоте, и временную, используемую в основном при приеме импульсных сигналов, когда момент появления их известен достаточно точно. Приемник открывается только на предполагаемое время прихода сигнала, остальное время он закрыт, что существенно уменьшает действие помех.
5. Частотная точность () относительная величина, характеризующая точность настройки приемника ( ) на частоту принимаемого сигнала ()
.
Для радиовещательных приемников эта величина имеет порядок 10-3, для связных - 10-6 - 10-9.
6. Полоса пропускания () интервал частот, на границах которого избирательность приемника составляет величину 0,7.
7. Качество воспроизведения сигнала характеристика, учитывающая степень
искажения полезного сигнала при его прохождении через приемник. Количественно оценивается уровнем частотных, фазовых и нелинейных искажений.
8. Электромагнитная совместимость способность работать с другими видами радиоаппаратуры без взаимного влияния на основные технические характеристики.
9. Помехоустойчивость способность обеспечивать прием информации с заданной достоверностью при наличии помех в радиоканале. Обеспечивается всеми видами избирательности и оптимизацией структуры приемников.
10. Вид работы приемника характеристика, определяющая с какими видами модуляции принимаемого сигнала способен работать приемник. ( Например А1 - для приема телеграфной азбуки, А3Е - для приема речевых сигналов с двухполосной амплитудной модуляцией, F3Е - с частотной модуляцией и т. д.).
Помимо электрических характеристик, описанных выше, используются конструктивно - эксплуатационные (надежность, устойчивость работы, габариты и масса) и производственно экономические (стоимость, сроки разработки, размер партии, вид технологического процесса, степень унификации и др.).
2.1.2 Основные структурные схемы радиоприемников
А) Детекторные приемники
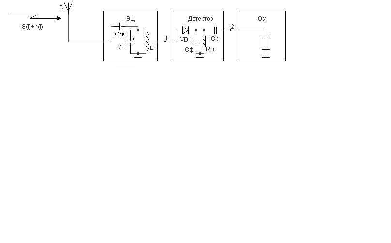
Структурная (и вариант принципиальной) схема самого простейшего варианта приемника изображена на рис.2.1, а графики, поясняющие принцип действия, на рис.2.2.

Рис.2.1
Входная цепь (ВЦ), состоящая в простейшем случае из одиночного колебательного контура L1C1, настраивается переменным конденсатором С1 на частоту принимаемого радиосигнала S(t), обеспечивая его выделение из смеси S(t)+n(t), приходящей в антенну (рис.2.2,а,б,в). Кроме того, она решает задачу согласования антенны с последующим каскадом (детектором). Известно, что из источника (антенны) в нагрузку (детектор) будет передаваться максимальная мощность только при равенстве внутреннего сопротивления антенны и входного сопротивления детектора. В общем случае в приемнике эти величины не равны, а колебательный контур входной цепи способен трансформировать сопротивления, путем изменения коэффициентов включения антенны и детектора в контур. Коэффициент включения антенны определяется величиной конденсатора связи , а связь с детектором определяется положением отвода катушки .Величины связи могут выбираться и из других соображений. Дело в том, что шунтирующее действие антенны и детектора на контур, снижает добротность последнего, а значит, ухудшает его избирательные свойства. Для получения высокой избирательности необходимо выбирать малые значения коэффициентов включения

Рис.2.2
.
Простейший амплитудный детектор, используемый в рассматриваемом примере, состоит из нелинейного элемента (диод VD1) и фильтра нижних частот Rф Cф. Детектор предназначен для восстановления управляющего сигнала из принятого радиосигнала. Напряжение на его выходе имеет вид, изображенный на рис.2.2,г. В своем составе оно имеет полезную составляющую на частоте огибающей и постоянную составляющую (рис.2.2,д). Конденсатор вычитает постоянную составляющую и в нагрузку (точка 2 на рис.2.1) поступает только полезный сигнал (рис.2.2,е,ж). Оконечное устройство (ОУ) может представлять собой головные телефоны, исполнительное реле, и т.д. Если в качестве нагрузки используются головные телефоны, то их сопротивление, обычно лежащее в диапазоне 1,6…2,2кОм, может играть роль резистора ФНЧ и элементы в схеме могут отсутствовать.
К достоинствам детекторных приемников следует отнести простоту их устройства и отсутствие побочных каналов приема.
Существенными недостатками таких приемников являются:
Низкая чувствительность. Дело в том, что амплитудный детектор, реализованный на полупроводниковом диоде, обеспечивает линейное детектирование только при входных сигналах, порядка 0,5…2В. Для этого ЭДС сигнала, наводимого в антенне, должна быть не менее 5…20мВ;
Невысокая избирательность по соседним каналам приема. Это обусловлено тем, что избирательность обеспечивается только входной цепью, а перестраиваемую входную цепь, содержащую более 2…3 колебательных контуров трудно реализовать практически;
Зависимость основных характеристик приемника (чувствительности и избирательности) от частоты настройки в рабочем диапазоне. Как известно, собственная частота резонансного контура определяется формулой
, (2.1)
а добротность, влияющая на избирательные свойства, выражением
. (2.2)
Резонансное сопротивление контура, определяющее коэффициент передачи входной цепи, а значит и чувствительность приемника, вычисляется по формуле
. (2.3)
Рис.2.3
Для перестройки контуров обычно используют конденсатор переменной емкости. Из приведенных формул следует, что при перестройке контура по частоте будет меняться и его добротность, и резонансное сопротивление.
Изменения формы АЧХ одиночного реального контура при его перестройке по диапазону видны на рис.2.3. Для примера взят средневолновый широковещательный диапазон (550…1600кГц).



Рис.2.4
Несмотря на перечисленные недостатки, детекторные приемники применяются там, где имеет место достаточный уровень входного сигнала и низкая избирательность не имеет особого значения. На рис. 2.4 приведена фотография детекторного приемника 3-х сантиметрового диапазона бортовой системы опознавания государственной принадлежности, устанавливаемой на всех летательных аппаратах. Аналогичные приемники используются и в бортовых станциях предупреждения об облучении. Антенна представляет собой просто открытый конец волновода, закрытый защитным фторопластовым кожухом. В верхней части антенны, вблизи сочленения, видна залитая оловом прорезь, в которой размещен элемент согласования антенны с входной цепью. Входная цепь представляет собой объемный резонатор, выполненный в виде отрезка прямоугольного волновода с закороченной торцевой стенкой.
В объемном резонаторе устанавливаются колебания на частоте принятого сигнала. В месте расположения максимума электрической составляющей этих колебаний расположен полупроводниковый СВЧ-диод. Для этого предусмотрено специальное гнездо. Анод диода с помощью навинчивающейся крышки соединяется с объемным резонатором (корпус) а катод с помощью цангового зажима соединяется с центральной жилой коаксиального выхода приемника, к которому подключается коаксиальный кабель. Нагрузка детектора и ФНЧ подключаются ко второму концу этого кабеля в блоке обработки сигнала.
Б) Приемники прямого усиления

Чаще всего в литературе под приемником прямого усиления понимается именно приемник без регенерации, но это не означает, что последующие два вида относятся к другому классу. Слово «прямого» в названии типа приемников означает, что усиление в каскадах первичной обработки сигнала (каскады до детектора) производится непосредственно (прямо) на частоте принятого сигнала.
Рис.2.5
Как будет показано ниже, это не единственный способ первичной обработки. Структурная схема приемника прямого усиления (рис.2.5) получается из схемы детекторного приемника введением между входной цепью и детектором дополнительного каскада усилителя радиочастоты (УРЧ). Не обязательно, но часто после детектора устанавливают и усилитель нижних частот (УНЧ).
Антенна преобразует электромагнитную волну в высокочастотный ток (напряжение). Входная цепь осуществляет согласование антенны со входом УРЧ и, частично, обеспечивает частотную селекцию принятого сигнала. Окончательная селекция реализуется в УРЧ, нагрузкой которого являются контура, настраиваемые на частоту принимаемого сигнала. Вторая, более важная функция УРЧ довести уровень принятого сигнала до величины, необходимой для нормальной работы детектора (0,5…2В). Чувствительность такого приемника возрастает, по сравнению с детекторным, очевидно в число раз, определяемое коэффициентом усиления УРЧ. Введение УРЧ обуславливает необходимость источника питания, что, в свою очередь, позволяет дополнить схему и УНЧ, обеспечивающим громкоговорящий прием.
Достоинствами приемника прямого усиления являются:
более высокая, чем у детекторного, чувствительность, что обеспечивается применением УРЧ;
лучшая избирательность по соседнему каналу, так как в УРЧ в качестве нагрузки используются дополнительные избирательные цепи;
отсутствие побочных каналов приема.
Основной недостаток такого приемника заключается в сильной зависимости основных параметров от частоты настройки в рабочем диапазоне. Причины те же, что и в предыдущем случае. Увеличение чувствительности в значительное число раз так же наталкивается на серьезные трудности. Поскольку усиление ведется на высокой частоте (хорошо излучаемой), то часть выходного сигнала УРЧ легко просачивается на его вход (возникает, так называемая, положительная обратная связь ПОС), что может приводить к самовозбуждению каскада при попытке реализовать большой коэффициент усиления. В одной из следующих тем будет показано, что максимальный устойчивый коэффициент усиления одиночного каскада определяется выражением
и уменьшается с ростом рабочей частоты . Здесь проводимость прямой передачи используемого в усилителе активного элемента (транзистора, например), емкость коллектор-база этого транзистора.
Если приемник рассчитан на прием сигналов одной единственной частоты, то правильным применением мер, компенсирующих положительную обратную связь, можно добиться хорошей устойчивости и при больших коэффициентах усиления. В перестраиваемом же приемнике необходимо было бы перестраивать и цепи компенсации ПОС, что существенно усложнило бы конструкцию приемника и его настройку. На практике это не делается, так как улучшение характеристик в супергетеродинном приемнике, рассматриваемом ниже, достигается более простыми методами. Реально достижимая чувствительность перестраиваемых приемников прямого усиления составляет величину 5…200мкВ и сильно зависит от рабочего диапазона волн (с повышением частоты ухудшается).
Необходимость перестраивать приемник в рабочем диапазоне частот ограничивает возможности и по увеличению избирательности. Последняя определяется количеством колебательных контуров в приемнике, а реализовать на практике синхронную перестройку более 2..3 контуров весьма сложная задача.
Все перечисленные проблемы усугубляются при переходе в высокочастотные диапазоны.
В) Супергетеродинные приемники
Практически все недостатки рассмотренных типов приемников проистекают из того факта, что цепи, обеспечивающие избирательность и усиление полезного сигнала, должны быть перестраиваемыми. Приемник, в котором частота любого входного сигнала в пределах рабочего диапазона преобразуется в некоторую постоянную, обычно достаточно низкую частоту, называются приемниками супергетеродинного типа. Частоту, в которую преобразуются частоты входных сигналов, называют промежуточной (). Название обусловлено тем, что эта частота занимает промежуточное положение между высокой частотой входных сигналов и низкой частотой на выходе детектора. Название же приемника происходит от слов «гетеродин» маломощный внутренний генератор, и «супер», что означает «сверх». Первые приемники такого типа содержали гетеродины, частота которых была выше частоты принимаемых сигналов.

Структурная схема супергетеродина представлена на рис.2.14. Схема содержит преселектор,
Рис.2.14
преобразователь частоты (ПЧ), усилитель промежуточной частоты (УПЧ), детектор и УНЧ.
В состав преселектора (предварительного селектора) входят перестраиваемые входная цепь и УРЧ. Тракт предназначен для обеспечения селекции по дополнительным каналам приема, частоты которых отстоят от частоты принимаемого сигнала на значительные расстояния. По этой причине требования к избирательности преселектора значительно ниже, чем к аналогичным каскадам в приемниках прямого усиления. Требования к УРЧ так же ниже, поскольку преобразователь частоты способен нормально работать с сигналами гораздо меньшей амплитуды, чем детектор. В этих условиях легко обеспечивается примерное постоянство характеристик преселектора при перестройке по диапазону.
Наличие преобразователя частоты и обуславливает все основные достоинства супергетеродина. Преобразователь любого типа, в конечном счете, обеспечивает перемножение колебаний, подаваемых на его входы. Если, для простоты, полагать, что входной сигнал описывается выражением , напряжение гетеродина, соответственно , а коэффициент передачи перемножителя равен единице, то после перемножения на выходе ПЧ получим
(2.11)
Второе слагаемое в правой части (2.11) подавляется высококачественными фильтрами в УПЧ, настроенными на частоту
. (2.12)
Таким образом, на вход детектора поступает напряжение на промежуточной частоте
. (2.13)
Важно отметить, что частота специального маломощного генератора (гетеродин G) перестраивается одновременно с преселектором таким образом, что разностная частота , описываемая выражением (2.12), остается постоянной во всем рабочем диапазоне приемника при его перестройке. Этот факт позволяет применить в УПЧ неперестраиваемые фильтры любой сложности для обеспечения высокой избирательности по соседним каналам приема. Ранее эти фильтры выполнялись на основе связанных колебательных контуров, в современных приемниках они реализуются в виде монолитных твердотельных фильтров на базе резонаторов из кварца или искусственных пъезоэлектриков. Такие фильтры имеют амплитудно-частотные характеристики (АЧХ) очень близкие по форме к прямоугольным (рис.2.15,г). Поскольку УПЧ является неперестраиваемым, достаточно просто удается получить в нем коэффициент усиления порядка . Эта задача тем более упрощается, так как в большинстве случаев промежуточная частота выбирается достаточно невысокой. Так в приемниках бытового назначения широко применяется (в импортных приемниках). Обычно УПЧ содержит 3…10 каскадов усиления.

Графики, иллюстрирующие принцип преобразования частоты, изображены на рис.2.
Рис.2.15
На позициях «а» и «в» изображены сигналы на входе и выходе преобразователя частоты, а на «б» и «г» соответственно их спектры. Из графиков видно, что при преобразовании заменяется только несущее колебание, частота и форма огибающей, в которой собственно и содержится информация, сохраняются.
Иногда в качестве полезного продукта преобразования выбирается второе слагаемое из формулы (2.11). В этом случае происходит преобразование частоты «вверх» ( на рисунке). На соответствующую частоту настраивается и УПЧ.
Самым существенным недостатком супергетеродинного способа приема являются побочные каналы приема. Механизм возникновения самого существенного из них зеркального канала, ясен из рисунка. Поскольку промежуточная частота образуется в соответствии с формулой (2.12), то на неё «пересядет» не только полезный сигнал на частоте , но и некоторый помеховый сигнал на частоте (рис.2.15,б), расположенный симметрично полезному (зеркально) относительно частоты гетеродина. Далее в УПЧ от этого сигнала избавиться будет уже невозможно. Единственный способ борьбы недопустить попадания зеркальной помехи на вход ПЧ. Для этой цели и служит преселектор. Так как расстояние от полезного сигнала, на частоту которого настроен преселектор, до зеркальной помехи всегда равно удвоенному значению промежуточной частоты (рис.2.15,б), а это значительная величина, то даже простейший преселектор легко справляется с задачей подавления зеркального канала.
Вторым побочным каналом приема является так называемый прямой канал на частоте (рис.2.15,б). Сигнал на этой частоте, попав на вход преобразователя, проходит через него как через усилитель и так же попадает в полосу пропускания УПЧ. Подавить этот канал, как и зеркальный, можно только в преселекторе.
В реальных приемниках преселектор не идеально линеен, поэтому у всех входных сигналов появляются высшие гармоники. Есть гармоники и у напряжения гетеродина, поэтому в перемножителе возникает большое количество комбинационных частот в соответствии с правилом
.
Очевидно для целого ряда входных сигналов на частотах , существуют определенные комбинации и, при которых комбинационная частота оказывается примерно равной частоте настройки УПЧ (). Такие входные сигналы, при достаточной их амплитуде, способны оказывать помеховое воздействие приему.
Итак, недостатками супергетеродинного способа являются:
наличие побочных каналов приема;
нестабильность настройки. Отклонение частоты гетеродина от номинального значения вызывает изменение промежуточной частоты (см.2.12), что приводит к «выбеганию» спектра принимаемого сигнала за пределы полосы пропускания УПЧ. Недостаток проявляется тем сильнее, чем выше частота гетеродина (КВ, УКВ, СВЧ диапазоны);
просачивание напряжения гетеродина в антенну с последующим излучением;
так называемые, интерференционные свисты;
усложнение схемы приемника (особенно с двух и трехкратным преобразованием частоты). Одна из проблем здесь необходимость построения гетеродина с большим диапазоном перестройки. При этом существенно меняется амплитуда вырабатываемых колебаний и может происходить срыв генерации из-за нарушения баланса фаз и амплитуд. Удовлетворительно работают гетеродины с коэффициентом перекрытия по диапазону, не превышающим трех
.
Коротковолновый диапазон для широкого вещания, например, охватывает частоты 2,3…23МГц. Гетеродин должен перестраиваться в пределах (2,3+)…(23+). Нетрудно посчитать, что . На практике КВ-диапазон приходиться разбивать на поддиапазоны.
Достоинства:
высокая чувствительность благодаря высокому коэффициенту усиления УПЧ;
высокая избирательность по соседним каналам приема;
постоянство всех основных характеристик при перестройке по диапазону, так как характеристики определяются, в основном, свойствами неперестраиваемого УПЧ;
небольшие нелинейные искажения при детектировании, так как при значительном усилении в радиотракте легко обеспечить линейный режим работы детектора.
Радиоприемные устройства систем управления средствами поражения